CN111571731B - Straight edge machine for wood processing with stable cutting and convenient adjustment - Google Patents
Straight edge machine for wood processing with stable cutting and convenient adjustment Download PDFInfo
- Publication number
- CN111571731B CN111571731B CN202010481035.7A CN202010481035A CN111571731B CN 111571731 B CN111571731 B CN 111571731B CN 202010481035 A CN202010481035 A CN 202010481035A CN 111571731 B CN111571731 B CN 111571731B
- Authority
- CN
- China
- Prior art keywords
- fixedly connected
- sliding
- chute
- motor
- cutting
- Prior art date
- Legal status (The legal status is an assumption and is not a legal conclusion. Google has not performed a legal analysis and makes no representation as to the accuracy of the status listed.)
- Active
Links
Images
Classifications
-
- B—PERFORMING OPERATIONS; TRANSPORTING
- B27—WORKING OR PRESERVING WOOD OR SIMILAR MATERIAL; NAILING OR STAPLING MACHINES IN GENERAL
- B27C—PLANING, DRILLING, MILLING, TURNING OR UNIVERSAL MACHINES FOR WOOD OR SIMILAR MATERIAL
- B27C5/00—Machines designed for producing special profiles or shaped work, e.g. by rotary cutters; Equipment therefor
- B27C5/02—Machines with table
-
- B—PERFORMING OPERATIONS; TRANSPORTING
- B27—WORKING OR PRESERVING WOOD OR SIMILAR MATERIAL; NAILING OR STAPLING MACHINES IN GENERAL
- B27C—PLANING, DRILLING, MILLING, TURNING OR UNIVERSAL MACHINES FOR WOOD OR SIMILAR MATERIAL
- B27C5/00—Machines designed for producing special profiles or shaped work, e.g. by rotary cutters; Equipment therefor
- B27C5/02—Machines with table
- B27C5/06—Arrangements for clamping or feeding work
Landscapes
- Life Sciences & Earth Sciences (AREA)
- Engineering & Computer Science (AREA)
- Mechanical Engineering (AREA)
- Wood Science & Technology (AREA)
- Forests & Forestry (AREA)
- Milling, Drilling, And Turning Of Wood (AREA)
Abstract
本发明公开了一种切割稳定且方便调节的木材加工用直边机,包括底板、第一电机、第二电机和电动伸缩杆,第一电机固定安装于底板的侧壁上,底板的上端设有第一滑动机构,第一电机的输出轴末端与第一滑动机构的驱动端固定连接,第一滑动机构的活动端上设有调节机构,调节机构的活动端上设有切割机构,第二电机固定安装于调节机构的活动端上并与切割机构的驱动端固定连接,底板的上端固定连接有龙门支架,龙门支架的上端设有第二滑动机构,第二滑动机构的驱动端与第一电机的输出轴之间设有同一个传动机构。本发明不仅能有效地提高木材切割的稳定性,还能有效地对木材切割的宽度进行调节。
The invention discloses a straight edge machine for wood processing with stable cutting and convenient adjustment, comprising a base plate, a first motor, a second motor and an electric telescopic rod. There is a first sliding mechanism, the end of the output shaft of the first motor is fixedly connected with the driving end of the first sliding mechanism, the movable end of the first sliding mechanism is provided with an adjustment mechanism, the movable end of the adjustment mechanism is provided with a cutting mechanism, and the second sliding mechanism is provided with a cutting mechanism. The motor is fixedly installed on the movable end of the adjusting mechanism and is fixedly connected with the driving end of the cutting mechanism. The upper end of the bottom plate is fixedly connected with a gantry bracket, and the upper end of the gantry bracket is provided with a second sliding mechanism, and the driving end of the second sliding mechanism is connected to the first The same transmission mechanism is arranged between the output shafts of the motor. The invention can not only effectively improve the stability of wood cutting, but also can effectively adjust the width of wood cutting.
Description
技术领域technical field
本发明涉及木材加工技术领域,尤其涉及一种切割稳定且方便调节的木材加工用直边机。The invention relates to the technical field of wood processing, in particular to a straight edge machine for wood processing with stable cutting and convenient adjustment.
背景技术Background technique
木材是能够次级生长的植物,木材对于人类生活起着很大的支持作用,根据木材不同的性质特征,人们将它们加工成不同的产品,生活中经常需要对木材进行切边处理,切边处理能使得木板的两边更加齐整,然而,一般的木材加工用直边机,其在对木材进行切边时,需要人工抵紧木材,人工对木材进行压紧,不仅增加了工作人员的工作量,还不稳定,另外一般的木材加工用直边机不能有效地对木材切边的宽度进行调节,实用性不佳。Wood is a plant that can grow secondary, and wood plays a very important role in supporting human life. According to the different properties of wood, people process them into different products. In life, it is often necessary to trim the wood. The treatment can make the two sides of the board more tidy. However, the general wood processing straight edge machine needs to manually press the wood and press the wood manually when cutting the wood, which not only increases the workload of the staff. , is also unstable, and the general wood processing straight edge machine cannot effectively adjust the width of the wood trimming, and the practicability is not good.
目前市场上使用的木材加工用直边机大多不能有效地提高木材切割时的稳定性,且不能有效地对木材切割的宽度进行调节。Most of the straight edge machines for wood processing currently used in the market cannot effectively improve the stability of wood cutting, and cannot effectively adjust the width of wood cutting.
发明内容SUMMARY OF THE INVENTION
本发明的目的是为了解决现有技术中木材加工用直边机大多不能有效地提高木材切割时的稳定性,且不能有效地对木材切割的宽度进行调节的现象,而提出的一种切割稳定且方便调节的木材加工用直边机,其不仅能有效地提高木材切割的稳定性,还能有效地对木材切割的宽度进行调节。The purpose of the present invention is to solve the phenomenon that most of the straight edge machines used for wood processing in the prior art cannot effectively improve the stability of wood cutting, and cannot effectively adjust the width of wood cutting, and propose a cutting stability The straight edge machine for wood processing which is convenient to adjust can not only effectively improve the stability of wood cutting, but also can effectively adjust the width of wood cutting.
为了实现上述目的,本发明采用了如下技术方案:In order to achieve the above object, the present invention adopts the following technical solutions:
一种切割稳定且方便调节的木材加工用直边机,包括底板、第一电机、第二电机和电动伸缩杆,所述第一电机固定安装于底板的侧壁上,所述底板的上端设有第一滑动机构,所述第一电机的输出轴末端与第一滑动机构的驱动端固定连接,所述第一滑动机构的活动端上设有调节机构,所述调节机构的活动端上设有切割机构,所述第二电机固定安装于调节机构的活动端上并与切割机构的驱动端固定连接,所述底板的上端固定连接有龙门支架,所述龙门支架的上端设有第二滑动机构,所述第二滑动机构的驱动端与第一电机的输出轴之间设有同一个传动机构,所述第二滑动机构的活动端上固定连接有L型底座,所述L型底座的上端设有压紧机构,所述电动伸缩杆固定安装于L型底座水平部分的上端,所述电动伸缩杆的输出轴末端与压紧机构固定连接。A straight edge machine for wood processing with stable cutting and convenient adjustment, comprising a bottom plate, a first motor, a second motor and an electric telescopic rod, the first motor is fixedly installed on the side wall of the bottom plate, and the upper end of the bottom plate is provided with There is a first sliding mechanism, the end of the output shaft of the first motor is fixedly connected with the driving end of the first sliding mechanism, the movable end of the first sliding mechanism is provided with an adjustment mechanism, and the movable end of the adjustment mechanism is provided with an adjustment mechanism. There is a cutting mechanism, the second motor is fixedly installed on the movable end of the adjusting mechanism and is fixedly connected with the driving end of the cutting mechanism, the upper end of the bottom plate is fixedly connected with a gantry bracket, and the upper end of the gantry bracket is provided with a second sliding The same transmission mechanism is provided between the driving end of the second sliding mechanism and the output shaft of the first motor, and an L-shaped base is fixedly connected to the movable end of the second sliding mechanism. The upper end is provided with a pressing mechanism, the electric telescopic rod is fixedly installed on the upper end of the horizontal part of the L-shaped base, and the end of the output shaft of the electric telescopic rod is fixedly connected with the pressing mechanism.
优选地,所述第一滑动机构包括设置于底板上端的第一滑槽,所述第一滑槽内设有与之相匹配的第一滑块,所述调节机构设置于第一滑块的上端,所述第一滑槽的一端内壁上转动连接有第一往复丝杆,所述第一往复丝杆的一端转动贯穿第一滑槽的一端侧壁设置并与第一电机的输出轴末端固定连接,位于所述第一滑槽内的第一往复丝杆螺纹贯穿第一滑块设置,第一滑动机构的设置,便于调节机构和切割机构进行移动。Preferably, the first sliding mechanism includes a first sliding groove disposed on the upper end of the bottom plate, a first sliding block matching the first sliding groove is provided in the first sliding groove, and the adjusting mechanism is disposed on the first sliding block. On the upper end, a first reciprocating screw rod is rotatably connected to the inner wall of one end of the first chute, and one end of the first reciprocating screw rod rotates and is arranged through the side wall of one end of the first chute and is connected with the end of the output shaft of the first motor. For fixed connection, the first reciprocating screw thread located in the first chute is arranged through the first sliding block, and the arrangement of the first sliding mechanism facilitates the movement of the adjusting mechanism and the cutting mechanism.
优选地,所述调节机构包括设置于第一滑块上端的第二滑槽,所述第二滑槽内设有两块与之相匹配的第二滑块,所述第二滑槽的一端内壁上转动连接有第一螺栓,所述第一螺栓的一端转动贯穿第二滑槽的一端侧壁设置,位于所述第二滑槽内的第一螺栓螺纹贯穿两块第二滑块设置,两块所述第二滑块的上端均固定连接有L型板,所述第二电机固定安装于其中一块L型板竖直部分的侧壁上,所述切割机构与两块L型板竖直部分的内壁均转动连接,调节机构的设置,便于工作人员对木材切割的宽度进行调节。Preferably, the adjusting mechanism includes a second sliding groove arranged on the upper end of the first sliding block, two matching second sliding blocks are arranged in the second sliding groove, and one end of the second sliding groove is The inner wall is rotatably connected with a first bolt, one end of the first bolt rotates and is arranged through the side wall of one end of the second chute, and the thread of the first bolt located in the second chute is arranged through two second sliders, The upper ends of the two second sliding blocks are fixedly connected with L-shaped plates, the second motor is fixedly installed on the side wall of the vertical part of one of the L-shaped plates, and the cutting mechanism is vertically connected to the two L-shaped plates. The inner wall of the straight part is connected by rotation, and the setting of the adjustment mechanism is convenient for the staff to adjust the width of the wood cutting.
优选地,所述切割机构包括两根均分别转动连接于两块L型板竖直部分内壁上的转轴,两根所述转轴上均同轴固定连接有切割刀片,两根所述转轴相对的一端固定连接有同一根伸缩柱,其中一根所述转轴的一端转动贯穿对应L型板竖直部分的侧壁设置并与第二电机的输出轴末端固定连接,切割机构的设置,实现了对木材的切割作用。Preferably, the cutting mechanism includes two rotating shafts that are respectively rotatably connected to the inner walls of the vertical parts of the two L-shaped plates, the two rotating shafts are coaxially fixedly connected with cutting blades, and the two rotating shafts are opposite to each other. One end of the same telescopic column is fixedly connected, and one end of one of the rotating shafts rotates through the side wall of the vertical part of the corresponding L-shaped plate and is fixedly connected with the end of the output shaft of the second motor. Cutting action of wood.
优选地,所述第二滑动机构包括设置于龙门支架上端的第三滑槽,所述第三滑槽内设有与之相匹配的第三滑块,所述第三滑槽的一端内壁上转动连接有第二往复丝杆,所述第二往复丝杆的一端转动贯穿第三滑槽的一端侧壁设置并与传动机构固定连接,位于所述第三滑槽内的第二往复丝杆螺纹贯穿第三滑块设置,所述L型底座的下端与第三滑块的上端固定连接,第二滑动机构设置,便于L型底座进行移动。Preferably, the second sliding mechanism includes a third chute disposed on the upper end of the gantry bracket, and a third sliding block is arranged in the third chute, and an inner wall of one end of the third chute is provided. A second reciprocating screw rod is rotatably connected, and one end of the second reciprocating screw rod rotates through the side wall of one end of the third chute and is fixedly connected with the transmission mechanism. The second reciprocating screw rod located in the third chute The thread is arranged through the third sliding block, the lower end of the L-shaped base is fixedly connected with the upper end of the third sliding block, and the second sliding mechanism is arranged to facilitate the movement of the L-shaped base.
优选地,所述传动机构包括两个分别与第二往复丝杆和第一电机输出轴同轴固定连接的皮带轮,两个所述皮带轮之间通过同一根皮带传动连接,传动机构的设置,提高了装置对第一电机的利用率。Preferably, the transmission mechanism includes two pulleys that are respectively coaxially and fixedly connected to the second reciprocating screw and the output shaft of the first motor, and the two pulleys are connected to each other through the same belt. The utilization rate of the device to the first motor is improved.
优选地,所述压紧机构包括设置于L型底座水平部分上端的第四滑槽,所述第四滑槽内设有两块与之相匹配的第四滑块,所述第四滑槽的两端相对内壁之间转动连接有同一根第二螺栓,所述第二螺栓螺纹贯穿两块第四滑块设置,位于两块所述第四滑块之间的第二螺栓上同轴固定连接有齿轮,所述齿轮上啮合有齿条板,所述齿条板的一端侧壁上固定连接有第一压板,所述电动伸缩杆的输出轴末端与第一压板的一端侧壁固定连接,两块所述第四滑块的上端均固定连接有连接板,两块所述连接板远离对应第四滑块的一端均固定连接有第二压板,压紧机构的设置,有效地提高了木材切割的稳定性。Preferably, the pressing mechanism includes a fourth chute disposed on the upper end of the horizontal part of the L-shaped base, and two fourth sliding blocks matching with the fourth chute are arranged in the fourth chute, and the fourth chute The same second bolt is rotatably connected between the opposite inner walls of the two ends of the second bolt. The thread of the second bolt is arranged through the two fourth sliders, and the second bolt located between the two fourth sliders is coaxially fixed on the second bolt. A gear is connected, a rack plate is engaged with the gear, a first pressure plate is fixedly connected to one end side wall of the rack plate, and the output shaft end of the electric telescopic rod is fixedly connected to one end side wall of the first pressure plate , the upper ends of the two fourth sliding blocks are fixedly connected with a connecting plate, and the ends of the two connecting plates far away from the corresponding fourth sliding block are fixedly connected with a second pressing plate. The setting of the pressing mechanism effectively improves the Stability of wood cutting.
优选地,所述第一螺栓位于第二滑槽外的一端固定连接有驱动盘,驱动盘的设置,便于工作人员对第一螺栓进行驱动。Preferably, one end of the first bolt outside the second chute is fixedly connected with a drive plate, and the drive plate is arranged to facilitate the staff to drive the first bolt.
相比现有技术,本发明的有益效果为:Compared with the prior art, the beneficial effects of the present invention are:
1、本发明通过设置底板、第一电机、第二电机、电动伸缩杆、龙门支架、L型底座、第一滑槽、第一滑块和第一往复丝杆等,不仅能有效地提高木材切割的稳定性,还能同时对木材进行双边切割,进而有效地提高了木材切割的效率,其中第一滑动机构和第二滑动机构的设置,使得切割刀片和L型底座能进行相向移动,进而进一步地加快了木材的切割效率。1. The present invention can not only effectively improve the quality of wood by setting the bottom plate, the first motor, the second motor, the electric telescopic rod, the gantry bracket, the L-shaped base, the first chute, the first sliding block and the first reciprocating screw rod, etc. The stability of cutting can also perform bilateral cutting of wood at the same time, thereby effectively improving the efficiency of wood cutting, wherein the setting of the first sliding mechanism and the second sliding mechanism enables the cutting blade and the L-shaped base to move toward each other, and then Further speed up the cutting efficiency of wood.
2、本发明通过设置底板、第一电机、第二电机、电动伸缩杆、龙门支架、L型底座、第一滑槽、第一滑块和第一往复丝杆等,能有效地对木材切割的宽度进行调节,进而便于工作人员根据实际需要将木材切边的宽度调节至合适的数值,其中传动机构的设置,提高了装置对第一电机的利用率,另外驱动盘的设置,便于工作人员对第一螺栓进行驱动。2. The present invention can effectively cut wood by setting the bottom plate, the first motor, the second motor, the electric telescopic rod, the gantry bracket, the L-shaped base, the first chute, the first slider and the first reciprocating screw rod, etc. It is convenient for the staff to adjust the width of the wood trimming to an appropriate value according to the actual needs. The setting of the transmission mechanism improves the utilization rate of the first motor by the device, and the setting of the drive plate is convenient for the staff. The first bolt is driven.
附图说明Description of drawings
图1为本发明提出的一种切割稳定且方便调节的木材加工用直边机的俯视图;Fig. 1 is the top view of a kind of straight edge machine for wood processing with stable cutting and convenient adjustment proposed by the present invention;
图2为本发明提出的一种切割稳定且方便调节的木材加工用直边机的局部透视图;Figure 2 is a partial perspective view of a straight edger for wood processing with stable cutting and convenient adjustment proposed by the present invention;
图3为本发明提出的一种切割稳定且方便调节的木材加工用直边机的工作演示图;FIG. 3 is a working demonstration diagram of a wood processing straight edge machine with stable cutting and convenient adjustment proposed by the present invention;
图4为本发明提出的一种切割稳定且方便调节的木材加工用直边机的侧视图;4 is a side view of a straight edge machine for wood processing with stable cutting and convenient adjustment proposed by the present invention;
图5为图4的A处局部放大图;Fig. 5 is a partial enlarged view at A of Fig. 4;
图6为图1的B处局部放大图。FIG. 6 is a partial enlarged view of part B of FIG. 1 .
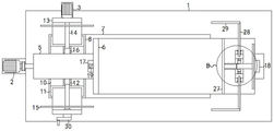
图中:1底板、2第一电机、3第二电机、4电动伸缩杆、5龙门支架、6 L型底座、7第一滑槽、8第一滑块、9第一往复丝杆、10第二滑槽、11第二滑块、12第一螺栓、13 L型板、14转轴、15切割刀片、16伸缩柱、17第三滑槽、18第三滑块、19第二往复丝杆、20皮带轮、21皮带、22第四滑槽、23第四滑块、24第二螺栓、25齿轮、26齿条板、27第一压板、28连接板、29第二压板、30驱动盘。In the figure: 1 base plate, 2 first motor, 3 second motor, 4 electric telescopic rod, 5 gantry bracket, 6 L-shaped base, 7 first chute, 8 first slider, 9 first reciprocating screw, 10 The second chute, 11 the second slider, 12 the first bolt, 13 the L-shaped plate, 14 the shaft, 15 the cutting blade, 16 the telescopic column, 17 the third chute, 18 the third slider, 19 the second reciprocating screw , 20 pulley, 21 belt, 22 fourth chute, 23 fourth slider, 24 second bolt, 25 gear, 26 rack plate, 27 first pressure plate, 28 connecting plate, 29 second pressure plate, 30 drive plate.
具体实施方式Detailed ways
下面将结合本发明实施例中的附图,对本发明实施例中的技术方案进行清楚、完整地描述,显然,所描述的实施例仅仅是本发明一部分实施例,而不是全部的实施例。The technical solutions in the embodiments of the present invention will be clearly and completely described below with reference to the accompanying drawings in the embodiments of the present invention. Obviously, the described embodiments are only a part of the embodiments of the present invention, but not all of the embodiments.
参照图1-6,一种切割稳定且方便调节的木材加工用直边机,包括底板1、第一电机2、第二电机3和电动伸缩杆4,第一电机2固定安装于底板1的侧壁上,底板1的上端设有第一滑动机构,第一电机2的输出轴末端与第一滑动机构的驱动端固定连接,第一滑动机构的活动端上设有调节机构,调节机构的活动端上设有切割机构,第二电机3固定安装于调节机构的活动端上并与切割机构的驱动端固定连接,底板1的上端固定连接有龙门支架5,龙门支架5的上端设有第二滑动机构,第二滑动机构的驱动端与第一电机2的输出轴之间设有同一个传动机构,第二滑动机构的活动端上固定连接有L型底座6,L型底座6的上端设有压紧机构,电动伸缩杆4固定安装于L型底座6水平部分的上端,电动伸缩杆4的输出轴末端与压紧机构固定连接,需要说明的是,L型底座6水平部分的上端平滑。1-6, a straight edge machine for wood processing with stable cutting and easy adjustment includes a base plate 1, a
第一滑动机构包括设置于底板1上端的第一滑槽7,第一滑槽7内设有与之相匹配的第一滑块8,调节机构设置于第一滑块8的上端,第一滑槽7的一端内壁上转动连接有第一往复丝杆9,第一往复丝杆9的一端转动贯穿第一滑槽7的一端侧壁设置并与第一电机2的输出轴末端固定连接,位于第一滑槽7内的第一往复丝杆9螺纹贯穿第一滑块8设置,第一滑动机构的设置,便于调节机构和切割机构进行移动,需要说明的是,如图4所示,第一滑块8的上端延伸至第一滑槽7外部,第二滑槽10设置于第一滑块8延伸至第一滑槽7外的部分上。The first sliding mechanism includes a first sliding
调节机构包括设置于第一滑块8上端的第二滑槽10,第二滑槽10内设有两块与之相匹配的第二滑块11,第二滑槽10的一端内壁上转动连接有第一螺栓12,第一螺栓12的一端转动贯穿第二滑槽10的一端侧壁设置,位于第二滑槽10内的第一螺栓12螺纹贯穿两块第二滑块11设置,两块第二滑块11的上端均固定连接有L型板13,第二电机3固定安装于其中一块L型板13竖直部分的侧壁上,切割机构与两块L型板13竖直部分的内壁均转动连接,调节机构的设置,便于工作人员对木材切割的宽度进行调节。The adjusting mechanism includes a
切割机构包括两根均分别转动连接于两块L型板13竖直部分内壁上的转轴14,两根转轴14上均同轴固定连接有切割刀片15,两根转轴14相对的一端固定连接有同一根伸缩柱16,其中一根转轴14的一端转动贯穿对应L型板13竖直部分的侧壁设置并与第二电机3的输出轴末端固定连接,切割机构的设置,实现了对木材的切割作用,需要说明的是,伸缩柱16上的两个伸缩段仅能相对移动伸缩,不会发生相对的转动,此为现有技术,在此不再赘述。The cutting mechanism includes two
第二滑动机构包括设置于龙门支架5上端的第三滑槽17,第三滑槽17内设有与之相匹配的第三滑块18,第三滑槽17的一端内壁上转动连接有第二往复丝杆19,第二往复丝杆19的一端转动贯穿第三滑槽17的一端侧壁设置并与传动机构固定连接,位于第三滑槽17内的第二往复丝杆19螺纹贯穿第三滑块18设置,L型底座6的下端与第三滑块18的上端固定连接,第二滑动机构设置,便于L型底座6进行移动,传动机构包括两个分别与第二往复丝杆19和第一电机2输出轴同轴固定连接的皮带轮20,两个皮带轮20之间通过同一根皮带21传动连接,传动机构的设置,提高了装置对第一电机2的利用率。The second sliding mechanism includes a third sliding
压紧机构包括设置于L型底座6水平部分上端的第四滑槽22,第四滑槽22内设有两块与之相匹配的第四滑块23,第四滑槽22的两端相对内壁之间转动连接有同一根第二螺栓24,第二螺栓24螺纹贯穿两块第四滑块23设置,位于两块第四滑块23之间的第二螺栓24上同轴固定连接有齿轮25,齿轮25上啮合有齿条板26,齿条板26的一端侧壁上固定连接有第一压板27,电动伸缩杆4的输出轴末端与第一压板27的一端侧壁固定连接,两块第四滑块23的上端均固定连接有连接板28,两块连接板28远离对应第四滑块23的一端均固定连接有第二压板29,压紧机构的设置,有效地提高了木材切割的稳定性,需要说明的是,切割刀片15不会与第二压板29和连接板28发生碰撞,另外需要说明的是,两块第四滑块23均不会与齿轮25发生碰撞,第一螺栓12位于第二滑槽10外的一端固定连接有驱动盘30,驱动盘30的设置,便于工作人员对第一螺栓12进行驱动。The pressing mechanism includes a
需要说明的是,如图6所示,第二螺栓24上设有两段第二螺纹(图中未示出),两块第四滑块23分别设置于两段第二螺纹上,进而使得第二螺栓24转动时,两块第四滑块23向相对的一端移动或相反的一端移动。It should be noted that, as shown in FIG. 6 , the
需要说明的是,电动伸缩杆4往复移动的过程中,齿轮25和齿条板26始终啮合。It should be noted that, during the reciprocating movement of the electric
需要说明的是,第一螺栓12上设有两段第一螺纹(图中未示出),两块第二滑块11分别设置于两段第二螺纹上,进而使得第一螺栓12转动时,两块第二滑块11向相对的一端移动或相反的一端移动。It should be noted that the
需要说明的是,装置工作的过程中不会发生碰撞的情况。It should be noted that the collision will not occur during the operation of the device.
本发明中,当需要对木材进行双边切割时,如图3所示,工作人员将木材的两边均衡的放置于L型底座6水平部分的上端,使得木材的两端分别与两端的切割刀片15之间的距离相同,并使得木材的一端与L型底座6的竖直端相抵接触,接着启动电动伸缩杆4工作,电动伸缩杆4带动第一压板27向靠近木材的一端移动,第一压板27带动齿条板26同步向靠近木材的一端移动,第一齿条板26移动使得齿轮25转动,齿轮25转动带动第二螺栓24转动,第二螺栓24转动使得两块第四滑块23在第四滑槽22的限位作用下,向相对的一端移动,进而使得两块第二压板29向相对的一端移动,当第一压板27对木材的一端相抵接触并压紧时,两块第二压板29刚好分别将木材的另外两边压紧,需要说明的是,当工作人员放置木材不均衡时,两块第二压板29的相对运动也可对木材的位置进行调整,使得木材处于L型底座6上的均衡位置处,当木材压紧完毕后,启动第一电机2和第二电机3同步工作,第二电机3转动带动与其固定连接的转轴14转动,其中一根转轴14转动带动另一根转轴14同步转动,进而使得两个切割刀片15均转动,第一电机2转动带动第一往复丝杆9转动,第一往复丝杆9转动使得第一滑块8在第一滑槽7的限位作用下,水平向木材的方向移动,进而使得两个切割刀片15均水平地向木材的方向移动,第一电机2转动使得传动机构进行传动,传动机构传动使得第二往复丝杆19转动,第二往复丝杆19转动使得第三滑块18在第三滑槽17的限位作用下,向切割刀片15的方向水平移动,进而使得木材向切割刀片15的方向水平移动,由上述可知,切割刀片15与木材相向运动,进而加快了切割刀片15的切割效率,切割完毕后,第三滑块18和第一滑块8移动至极限处并开始向相反的方向水平移动直至复位成原始状态,复位后,第一电机2和第二电机3停止运行,此时电动伸缩杆4带动第一压板27向远离木材的方向移动,进而使得齿轮25相对之前反向转动,从而使得两块第二压板29也向远离木材的方向移动,最终切割的木材边掉落,工作人员可进行取件,取件后,工作人员可继续重复上述步骤,对新的木材进行切割,当工作人员需要对切割的宽度进行调整时,工作人员可手动转动驱动盘30,进而使得第一螺栓12转动,第一螺栓12转动使得两块第二滑块11在第二滑槽10的限位作用下,向相对或相反方向水平移动,进而使得两块L型板13向相对或相反方向水平移动,从而使得两个切割刀片15向相对或相反方向水平移动,进而实现了对木材切边宽度的调节作用。In the present invention, when the wood needs to be bilaterally cut, as shown in FIG. 3 , the staff evenly places both sides of the wood on the upper end of the horizontal part of the L-shaped
以上所述,仅为本发明较佳的具体实施方式,但本发明的保护范围并不局限于此,任何熟悉本技术领域的技术人员在本发明揭露的技术范围内,根据本发明的技术方案及其发明构思加以等同替换或改变,都应涵盖在本发明的保护范围之内。The above description is only a preferred embodiment of the present invention, but the protection scope of the present invention is not limited to this. The equivalent replacement or change of the inventive concept thereof shall be included within the protection scope of the present invention.
Claims (1)
Priority Applications (2)
| Application Number | Priority Date | Filing Date | Title |
|---|---|---|---|
| CN202210007938.0A CN114290449A (en) | 2020-05-31 | 2020-05-31 | Straight edge machine for wood processing and use method thereof |
| CN202010481035.7A CN111571731B (en) | 2020-05-31 | 2020-05-31 | Straight edge machine for wood processing with stable cutting and convenient adjustment |
Applications Claiming Priority (1)
| Application Number | Priority Date | Filing Date | Title |
|---|---|---|---|
| CN202010481035.7A CN111571731B (en) | 2020-05-31 | 2020-05-31 | Straight edge machine for wood processing with stable cutting and convenient adjustment |
Related Child Applications (1)
| Application Number | Title | Priority Date | Filing Date |
|---|---|---|---|
| CN202210007938.0A Division CN114290449A (en) | 2020-05-31 | 2020-05-31 | Straight edge machine for wood processing and use method thereof |
Publications (2)
| Publication Number | Publication Date |
|---|---|
| CN111571731A CN111571731A (en) | 2020-08-25 |
| CN111571731B true CN111571731B (en) | 2022-06-24 |
Family
ID=72118189
Family Applications (2)
| Application Number | Title | Priority Date | Filing Date |
|---|---|---|---|
| CN202210007938.0A Pending CN114290449A (en) | 2020-05-31 | 2020-05-31 | Straight edge machine for wood processing and use method thereof |
| CN202010481035.7A Active CN111571731B (en) | 2020-05-31 | 2020-05-31 | Straight edge machine for wood processing with stable cutting and convenient adjustment |
Family Applications Before (1)
| Application Number | Title | Priority Date | Filing Date |
|---|---|---|---|
| CN202210007938.0A Pending CN114290449A (en) | 2020-05-31 | 2020-05-31 | Straight edge machine for wood processing and use method thereof |
Country Status (1)
| Country | Link |
|---|---|
| CN (2) | CN114290449A (en) |
Families Citing this family (2)
| Publication number | Priority date | Publication date | Assignee | Title |
|---|---|---|---|---|
| CN114872147B (en) * | 2022-04-20 | 2023-04-11 | 安徽宏志建材科技有限公司 | Press-fit equipment for sandwich panel processing |
| CN118321915B (en) * | 2024-06-13 | 2024-10-15 | 南京优耐特精密机械制造有限公司 | Automatic cutting and drilling integrated machine for castings |
Family Cites Families (14)
| Publication number | Priority date | Publication date | Assignee | Title |
|---|---|---|---|---|
| CA2686670C (en) * | 2002-01-17 | 2012-09-25 | Iggesund Tools Ab | Multi-application wood working knife and clamping assembly |
| SE519701C2 (en) * | 2002-06-19 | 2003-04-01 | Iggesund Tools Ab | Rotary cutter block for wood chipping machine, has cutting edge bordered by timber and chip guide surfaces with given angular configurations |
| CN203254492U (en) * | 2013-03-27 | 2013-10-30 | 王九天 | Misplaced horizontally-arranged type multiple blade saw sawing machine |
| CN105798994A (en) * | 2016-05-10 | 2016-07-27 | 安徽坤昌家具有限公司 | Locating device for wood processing |
| CN207128009U (en) * | 2017-06-15 | 2018-03-23 | 重庆梁山群星装饰建材有限公司 | A kind of timber fixing device of timber automatic charging cutting machine |
| CN107839021A (en) * | 2017-12-10 | 2018-03-27 | 四川冠腾科技有限公司 | A kind of adjustable plank cutting processing device |
| CN207983548U (en) * | 2018-03-16 | 2018-10-19 | 桃江县万顺木业有限公司 | A kind of wood material cutting machine |
| CN108943150A (en) * | 2018-08-14 | 2018-12-07 | 东莞理工学院 | An intelligent cutting platform |
| CN209615762U (en) * | 2018-10-27 | 2019-11-12 | 中建八局第二建设有限公司 | A kind of cutter device of plank |
| CN109366634A (en) * | 2018-12-04 | 2019-02-22 | 涟水桂前木材加工厂 | A kind of cutting is stable and facilitates the timber processing straight flange machine of adjusting |
| CN209551912U (en) * | 2019-01-04 | 2019-10-29 | 济宁三联木业有限公司 | A kind of production fibre board use Ban Pei edging saw |
| CN210551821U (en) * | 2019-03-29 | 2020-05-19 | 信阳百德实业有限公司 | Novel double-end saw |
| CN210024746U (en) * | 2019-05-08 | 2020-02-07 | 山东晨特木业有限公司 | Wood environment-friendly double-side inclined grinding machine |
| CN110893635A (en) * | 2019-12-17 | 2020-03-20 | 重庆市豪迈家具有限公司 | Timber door plant cutting device |
-
2020
- 2020-05-31 CN CN202210007938.0A patent/CN114290449A/en active Pending
- 2020-05-31 CN CN202010481035.7A patent/CN111571731B/en active Active
Also Published As
| Publication number | Publication date |
|---|---|
| CN111571731A (en) | 2020-08-25 |
| CN114290449A (en) | 2022-04-08 |
Similar Documents
| Publication | Publication Date | Title |
|---|---|---|
| CN111571731B (en) | Straight edge machine for wood processing with stable cutting and convenient adjustment | |
| CN207548954U (en) | A kind of board cutting device with high efficiency cutting | |
| CN218476324U (en) | Cutting device for electric power fitting production and processing | |
| CN209902834U (en) | Edge grinding device capable of automatically adjusting angle of grinding head | |
| CN208601598U (en) | For sheet fabrication molding cutter structure | |
| CN222307491U (en) | A shearing machine with limit fixing function | |
| CN218614429U (en) | Cutter adjusting device of copper foil splitting machine | |
| CN209363737U (en) | A kind of translation cutting machine | |
| CN221641166U (en) | Improved generation sliding table saw | |
| CN208759664U (en) | A kind of shield molding machine | |
| CN221737235U (en) | Adjustable line pressing machine | |
| CN220846788U (en) | Automatic cloth cutting machine | |
| CN208729985U (en) | Guillotine is used in a kind of production of high compression body product | |
| CN208179777U (en) | A kind of efficient machine and wood cutting | |
| CN208164029U (en) | A kind of novel ceramic tile cutting device for processing | |
| CN219485792U (en) | Film cutting device convenient to adjustment | |
| CN221984717U (en) | Mould processing grinding device | |
| CN216230939U (en) | A cornering machine for carton production | |
| CN118848113B (en) | A band saw CNC punching machine | |
| CN222661994U (en) | Cutting table capable of being adjusted in adaptive mode | |
| CN221793088U (en) | An efficient wood board punching machine for furniture manufacturing | |
| CN219043675U (en) | End milling speed feed device | |
| CN222920618U (en) | Circuit board cutting device | |
| CN219235374U (en) | A kind of fast bread slicing equipment | |
| CN223251815U (en) | A cutting device for a double spiral blade paper cutter |
Legal Events
| Date | Code | Title | Description |
|---|---|---|---|
| PB01 | Publication | ||
| PB01 | Publication | ||
| SE01 | Entry into force of request for substantive examination | ||
| SE01 | Entry into force of request for substantive examination | ||
| TA01 | Transfer of patent application right | ||
| TA01 | Transfer of patent application right |
Effective date of registration: 20220601 Address after: 528308 Beihai Industrial Zone, Yiheng Road, changjiao City, Lunjiao, Shunde District, Foshan City, Guangdong Province Applicant after: GUANGDONG SHUNDE YONGQIANG FUTAI INTELLIGENT WOODWORKING MACHINERY Co.,Ltd. Address before: Room 202, 002 and 105, unit 03, building 025, sunshine garden, Donggang District, Rizhao City, Shandong Province 276800 Applicant before: Rizhao Yachuang Electronic Technology Co.,Ltd. |
|
| GR01 | Patent grant | ||
| GR01 | Patent grant |
