CN111434372B - A method and device for treating prebaked anode roasting flue gas - Google Patents

A method and device for treating prebaked anode roasting flue gas Download PDF

Info

Publication number
CN111434372B
CN111434372B CN201910033889.6A CN201910033889A CN111434372B CN 111434372 B CN111434372 B CN 111434372B CN 201910033889 A CN201910033889 A CN 201910033889A CN 111434372 B CN111434372 B CN 111434372B
Authority
CN
China
Prior art keywords
flue gas
desulfurization
defluorination
sodium hydroxide
nozzle
Prior art date
Legal status (The legal status is an assumption and is not a legal conclusion. Google has not performed a legal analysis and makes no representation as to the accuracy of the status listed.)
Active
Application number
CN201910033889.6A
Other languages
Chinese (zh)
Other versions
CN111434372A (en
Inventor
王文博
宋海琛
刘竹昕
刘雅锋
李雪娇
Current Assignee (The listed assignees may be inaccurate. Google has not performed a legal analysis and makes no representation or warranty as to the accuracy of the list.)
Shenyang Aluminium And Magnesium Engineering And Research Institute Co Ltd
Original Assignee
Shenyang Aluminium And Magnesium Engineering And Research Institute Co Ltd
Priority date (The priority date is an assumption and is not a legal conclusion. Google has not performed a legal analysis and makes no representation as to the accuracy of the date listed.)
Filing date
Publication date
Application filed by Shenyang Aluminium And Magnesium Engineering And Research Institute Co Ltd filed Critical Shenyang Aluminium And Magnesium Engineering And Research Institute Co Ltd
Priority to CN201910033889.6A priority Critical patent/CN111434372B/en
Publication of CN111434372A publication Critical patent/CN111434372A/en
Application granted granted Critical
Publication of CN111434372B publication Critical patent/CN111434372B/en
Active legal-status Critical Current
Anticipated expiration legal-status Critical

Links

Images

Classifications

    • BPERFORMING OPERATIONS; TRANSPORTING
    • B01PHYSICAL OR CHEMICAL PROCESSES OR APPARATUS IN GENERAL
    • B01DSEPARATION
    • B01D53/00Separation of gases or vapours; Recovering vapours of volatile solvents from gases; Chemical or biological purification of waste gases, e.g. engine exhaust gases, smoke, fumes, flue gases, aerosols
    • B01D53/34Chemical or biological purification of waste gases
    • B01D53/74General processes for purification of waste gases; Apparatus or devices specially adapted therefor
    • B01D53/77Liquid phase processes
    • B01D53/78Liquid phase processes with gas-liquid contact
    • BPERFORMING OPERATIONS; TRANSPORTING
    • B01PHYSICAL OR CHEMICAL PROCESSES OR APPARATUS IN GENERAL
    • B01DSEPARATION
    • B01D46/00Filters or filtering processes specially modified for separating dispersed particles from gases or vapours
    • B01D46/02Particle separators, e.g. dust precipitators, having hollow filters made of flexible material
    • B01D46/023Pockets filters, i.e. multiple bag filters mounted on a common frame
    • BPERFORMING OPERATIONS; TRANSPORTING
    • B01PHYSICAL OR CHEMICAL PROCESSES OR APPARATUS IN GENERAL
    • B01DSEPARATION
    • B01D53/00Separation of gases or vapours; Recovering vapours of volatile solvents from gases; Chemical or biological purification of waste gases, e.g. engine exhaust gases, smoke, fumes, flue gases, aerosols
    • B01D53/34Chemical or biological purification of waste gases
    • B01D53/46Removing components of defined structure
    • B01D53/48Sulfur compounds
    • B01D53/50Sulfur oxides
    • BPERFORMING OPERATIONS; TRANSPORTING
    • B01PHYSICAL OR CHEMICAL PROCESSES OR APPARATUS IN GENERAL
    • B01DSEPARATION
    • B01D53/00Separation of gases or vapours; Recovering vapours of volatile solvents from gases; Chemical or biological purification of waste gases, e.g. engine exhaust gases, smoke, fumes, flue gases, aerosols
    • B01D53/34Chemical or biological purification of waste gases
    • B01D53/46Removing components of defined structure
    • B01D53/68Halogens or halogen compounds

Landscapes

  • Chemical & Material Sciences (AREA)
  • Engineering & Computer Science (AREA)
  • Chemical Kinetics & Catalysis (AREA)
  • Environmental & Geological Engineering (AREA)
  • Health & Medical Sciences (AREA)
  • Biomedical Technology (AREA)
  • Analytical Chemistry (AREA)
  • General Chemical & Material Sciences (AREA)
  • Oil, Petroleum & Natural Gas (AREA)
  • Treating Waste Gases (AREA)

Abstract

本发明公开一种治理预焙阳极焙烧烟气的方法及装置,来自培烧炉烟气从主管道进入脱硫除氟装置,在主管道的端部外设有雾化装置,氢氧化钠溶液自雾化装置的喷口喷出,氢氧化钠溶液与焙烧烟气在脱硫除氟装置中发生反应,所述喷口与主管道的圆形截面相切,脱硫除氟后的烟气通过输送管道进入到布袋除尘器中,布袋除尘器对烟气中的固体颗粒物进行脱除,烟气在经过脱硫除氟和颗粒物脱除之后通过引风机进入到烟囱,本发明的优点是:雾化后的脱硫除氟剂氢氧化钠喷淋到烟气中,由于氢氧化钠溶液喷口与烟道的走向相切,使得烟气在脱硫除氟装置中的走向变为螺旋状,更容易发生反应,提高了氢氧化钠溶液与酸性气体反应效率,整个过程无废液产生。

Figure 201910033889

The invention discloses a method and a device for treating pre-baked anode roasting flue gas. The flue gas from an incubator enters a desulfurization and defluorination device from a main pipeline, an atomizing device is arranged outside the end of the main pipeline, and a sodium hydroxide solution is automatically The nozzle of the atomization device is sprayed out, and the sodium hydroxide solution reacts with the roasting flue gas in the desulfurization and defluorination device. In the bag filter, the bag filter removes the solid particles in the flue gas, and the flue gas enters the chimney through the induced draft fan after desulfurization, defluorination and particle removal. The fluorine agent sodium hydroxide is sprayed into the flue gas. Since the nozzle of the sodium hydroxide solution is tangent to the flue, the flue gas in the desulfurization and defluorination device becomes a spiral, which is more likely to react and improve the hydrogen The reaction efficiency of sodium oxide solution and acid gas, no waste liquid is produced in the whole process.

Figure 201910033889

Description

Method and device for treating flue gas generated by roasting of prebaked anode
Technical Field
The invention relates to the technical field of flue gas purification, in particular to a method for treating carbon roasting flue gas.
Background
In the electrolytic aluminum industry, roasting is an important process in the production process of carbon products, and the main pollutant in the production process of prebaked anodes is roasting smoke. The flue gas contains harmful substances such as fluoride, dust, sulfur dioxide and the like, and can cause harm to animals and plants, particularly, the acidic gases such as sulfur dioxide and hydrogen fluoride have strong corrosivity, so that the flue gas not only can cause harm to human bodies, but also can cause corrosive influence on production equipment and the like. Therefore, the roasting flue gas of the carbon plant can be discharged only after being desulfurized, defluorinated and dedusted by the flue gas purification system.
At present, the roasting flue gas is collected by an electric tar precipitator to collect tar and most of dust in the flue gas, and then is desulfurized and defluorinated by a desulfurizing and defluorinating device, and finally the dust in the flue gas is removed by a dedusting device.
The traditional process route has long flow and high investment cost, and the temperature of the flue gas needs to be reduced for the trapping efficiency of the electrical tar precipitator, thereby causing energy waste. Meanwhile, in recent years, due to the continuous improvement of a burning control system of the roasting furnace, the amount of tar contained in roasting smoke is very low, and an electric tar precipitator cannot play the main role of the tar, so that the equipment investment is wasted.
Disclosure of Invention
In order to solve the technical problems, the invention aims to provide a method and a device for treating prebaked anode roasting flue gas, and the specific technical scheme is as follows:
a method for treating flue gas from a prebaked anode roasting device comprises the steps that flue gas from a roasting furnace enters a desulfurization and defluorination device from a main pipeline, an atomization device is arranged outside the end part of the main pipeline, a sodium hydroxide solution is sprayed out from a nozzle of the atomization device, and the sodium hydroxide solution and the roasting flue gas react in the desulfurization and defluorination device to carry out desulfurization and defluorination on the roasting flue gas; the spout is tangent with the circular cross-section of trunk line, and the flue gas after the desulfurization defluorination enters into the sack cleaner through pipeline, and the sack cleaner carries out the desorption to the solid particulate matter in the flue gas, and the flue gas discharges in the atmosphere after entering into the chimney through the draught fan after desulfurization defluorination and particulate matter desorption.
The inner wall of the conveying pipeline is provided with heating rods, and the heating rods are arranged on the inner wall of the conveying pipeline in a crossed mode.
The invention further discloses a device for realizing the method, which is provided with a main pipeline, wherein one end of the main pipeline is connected with a flue gas outlet of the roasting furnace, the other end of the main pipeline is connected with the end part of the desulfurization and defluorination device, the end part of the main pipeline is externally provided with an atomization device, a sodium hydroxide solution is sprayed out from a nozzle of the atomization device, and the sodium hydroxide solution and the roasting flue gas react in the desulfurization and defluorination device to perform desulfurization and defluorination on the roasting flue gas; the spout is tangent with the circular cross-section of trunk line, and the below of desulfurization defluorinating device is connected in pipeline's one end, the other end of conveyer pipe is connected on the sack cleaner, and the vent in draught fan is connected to one side of sack cleaner, and the air outlet of draught fan is connected in the chimney.
The number of the nozzles is multiple.
The inner wall of the desulphurization and defluorination device is provided with a spiral groove.
The spiral groove head is arranged corresponding to the nozzle of the atomization device, and the tail is arranged corresponding to the end of the conveying pipeline.
The invention has the advantages that: the atomized sodium hydroxide solution of the desulfurization and defluorination agent is sprayed into flue gas, and the trend of the flue gas in the desulfurization and defluorination device is changed into spiral shape due to the tangent trend of the sodium hydroxide solution nozzle and the flue, so that the flue gas is easy to react, the reaction time is prolonged, the reaction efficiency of the sodium hydroxide solution and the acid gas is improved, and no waste liquid is generated in the whole process.
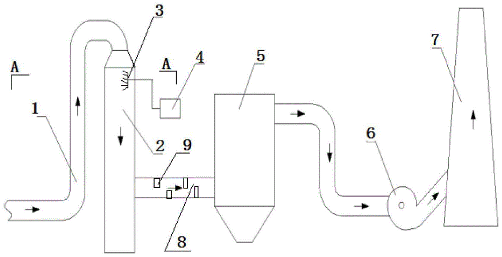
Drawings
FIG. 1 is a schematic flow chart of the present invention;
fig. 2 is a schematic view of the cross-sectional structure a-a of fig. 1.
Detailed Description
The invention is described in detail below with reference to the accompanying drawings, as shown in fig. 1 and fig. 2, a method for treating flue gas from a prebaked anode roasting furnace, the flue gas from the roasting furnace enters a desulfurization and defluorination device 2 from a main pipeline 1, an atomization device 4 is arranged outside the end part of the main pipeline 1, a sodium hydroxide solution is sprayed out from a nozzle 3 of the atomization device 4, and the sodium hydroxide solution and the roasting flue gas react in the desulfurization and defluorination device 2 to perform desulfurization and defluorination on the roasting flue gas; because spout 3 is tangent with the circular cross-section of trunk line 1, consequently, the flue gas that comes from trunk line 1 is different with the sodium hydroxide wind direction that comes from atomizing device spout 3, produce spiral wind direction in desulfurization defluorinating device 2, and spiral groove along in the desulfurization defluorinating device 2 flows, not only can increase the active area like this, can also prolong reaction time, flue gas after the desulfurization defluorinating passes through conveying pipeline 8 and enters into sack cleaner 5, sack cleaner 5 carries out the desorption to the solid particulate matter in the flue gas, after flue gas enters into chimney 7 through draught fan 6 after desulfurization defluorinating and particulate matter desorption, discharge in the atmosphere.
The inner wall of the conveying pipeline 8 is provided with the heating rods 9, the heating rods 9 are arranged on the inner wall of the conveying pipeline 8 in a crossed mode, and the light and small dust (below 1 micron) moves along with the airflow and is very close to the airflow streamline and can bypass fibers. However, after the filter material is collided by gas molecules which do thermal motion (namely Brownian motion), the original motion direction is changed, the contact chance of dust and fibers is increased, the dust can be captured, and when the diameter of the filter material fibers is thinner, the porosity is smaller, the capture rate is higher, and therefore the filter material is more beneficial to dust removal.
The invention further discloses a device for realizing the method, which is provided with a main pipeline 1, wherein one end of the main pipeline 1 is connected with a flue gas outlet of a roasting furnace, the other end of the main pipeline is connected with the end part of a desulfurization and defluorination device 2, an atomization device 4 is arranged outside the end part of the main pipeline 1, a sodium hydroxide solution is sprayed out from a nozzle 3 of the atomization device 4, and the sodium hydroxide solution and the roasting flue gas react in the desulfurization and defluorination device 2 to perform desulfurization and defluorination on the roasting flue gas; spout 3 is tangent with the circular cross-section of trunk line 1, and the below of desulfurization defluorinating device 2 is connected in pipeline 8's one end, pipeline 8's the other end is connected on sack cleaner 5, and the vent in draught fan 6 is connected to one side of sack cleaner 5, and the air outlet of draught fan 6 is connected in chimney 7.
The number of the spouts 3 is plural.
The inner wall of the desulphurization and defluorination device 2 is provided with a spiral groove.
The spiral groove head is arranged corresponding to the nozzle 3 of the atomization device, and the tail is arranged corresponding to the end of the conveying pipeline 8.

Claims (5)

1.一种治理预焙阳极焙烧烟气的方法,其特征在于:来自培烧炉烟气从主管道进入脱硫除氟装置的顶部,在主管道的端部外设有雾化装置,氢氧化钠溶液自雾化装置的喷口喷出,氢氧化钠溶液与焙烧烟气在脱硫除氟装置中发生反应,对焙烧烟气进行脱硫除氟;所述喷口与主管道的圆形截面相切,脱硫除氟后的烟气通过输送管道进入到布袋除尘器中,布袋除尘器对烟气中的固体颗粒物进行脱除,烟气在经过脱硫除氟和颗粒物脱除之后通过引风机进入到烟囱后,排放到大气中;所述输送管道内壁设有加热棒,所述加热棒交叉设置在输送管道的内壁上。1. a method for treating pre-baked anode roasting flue gas is characterized in that: the top of the desulfurization and defluorination device from the incubator flue gas enters the desulfurization and defluorination device from the main pipeline, and the end of the main pipeline is provided with an atomizing device, and the hydrogen The sodium solution is sprayed from the nozzle of the atomization device, and the sodium hydroxide solution reacts with the roasting flue gas in the desulfurization and defluorination device, and the roasting flue gas is desulfurized and defluorinated; the nozzle is tangent to the circular section of the main pipeline, The flue gas after desulfurization and defluorination enters into the bag filter through the conveying pipeline, and the bag filter removes the solid particles in the flue gas. , and is discharged into the atmosphere; the inner wall of the conveying pipeline is provided with heating rods, and the heating rods are arranged crossly on the inner wall of the conveying pipeline. 2.一种实施权利要求1所述方法的治理预焙阳极烟气的装置,其特征在于:设有主管道,主管道的一端连接培烧炉烟气出口,另外一端连接于脱硫除氟装置的顶端,在主管道的端部外设有雾化装置,氢氧化钠溶液自雾化装置的喷口喷出,氢氧化钠溶液与焙烧烟气在脱硫除氟装置中发生反应,对焙烧烟气进行脱硫除氟;所述喷口与主管道的圆形截面相切,脱硫除氟装置的下方连接于输送管道的一端,所述输送管的另一端连接于布袋除尘器上,布袋除尘器的一侧连接于引风机的通风口,引风机的出风口连接于烟囱。2. a device implementing the method of claim 1 for treating pre-baked anode flue gas, characterized in that: be provided with a main pipe, one end of the main pipe is connected to the flue gas outlet of the incubator, and the other end is connected to the desulfurization and defluorination device There is an atomizing device outside the end of the main pipe, the sodium hydroxide solution is sprayed from the nozzle of the atomizing device, and the sodium hydroxide solution reacts with the roasting flue gas in the desulfurization and defluorination device. Desulfurization and defluorination are carried out; the nozzle is tangent to the circular section of the main pipeline, the lower part of the desulfurization and defluorination device is connected to one end of the conveying pipe, the other end of the conveying pipe is connected to the bag filter, and one end of the bag filter is connected. The side is connected to the ventilation opening of the induced draft fan, and the air outlet of the induced draft fan is connected to the chimney. 3.根据权利要求2所述的治理预焙阳极烟气的装置,其特征在于:所述喷口的数量为多个。3 . The device for treating prebaked anode flue gas according to claim 2 , wherein the number of the nozzles is multiple. 4 . 4.根据权利要求2所述的治理预焙阳极烟气的装置,其特征在于:脱硫除氟装置内壁设有螺旋状凹槽。4 . The device for treating prebaked anode flue gas according to claim 2 , wherein the inner wall of the desulfurization and defluorination device is provided with a spiral groove. 5 . 5.根据权利要求4所述的治理预焙阳极烟气的装置,其特征在于:所述螺旋状凹槽头部与雾化装置的喷口相应设置,尾部与输送管道的端部相应设置。5 . The device for treating prebaked anode flue gas according to claim 4 , wherein the head of the spiral groove is arranged corresponding to the nozzle of the atomizing device, and the tail is arranged corresponding to the end of the conveying pipe. 6 .
CN201910033889.6A 2019-01-15 2019-01-15 A method and device for treating prebaked anode roasting flue gas Active CN111434372B (en)

Priority Applications (1)

Application Number Priority Date Filing Date Title
CN201910033889.6A CN111434372B (en) 2019-01-15 2019-01-15 A method and device for treating prebaked anode roasting flue gas

Applications Claiming Priority (1)

Application Number Priority Date Filing Date Title
CN201910033889.6A CN111434372B (en) 2019-01-15 2019-01-15 A method and device for treating prebaked anode roasting flue gas

Publications (2)

Publication Number Publication Date
CN111434372A CN111434372A (en) 2020-07-21
CN111434372B true CN111434372B (en) 2022-04-29

Family

ID=71580612

Family Applications (1)

Application Number Title Priority Date Filing Date
CN201910033889.6A Active CN111434372B (en) 2019-01-15 2019-01-15 A method and device for treating prebaked anode roasting flue gas

Country Status (1)

Country Link
CN (1) CN111434372B (en)

Families Citing this family (2)

* Cited by examiner, † Cited by third party
Publication number Priority date Publication date Assignee Title
CN112807999A (en) * 2021-01-13 2021-05-18 沈阳铝镁设计研究院有限公司 Low-temperature denitration system of aluminum oxide roasting furnace
CN113267049A (en) * 2021-06-02 2021-08-17 济宁碳素集团有限公司 Flue gas treatment method and device

Citations (5)

* Cited by examiner, † Cited by third party
Publication number Priority date Publication date Assignee Title
CN2636099Y (en) * 2003-06-24 2004-08-25 林新 Three-rotation high-efficient wet desulfurization dust remover
CN204656330U (en) * 2015-05-30 2015-09-23 四川省品信机械有限公司 A kind of desulfurizing tower
CN206746299U (en) * 2017-03-20 2017-12-15 南京碧林环保科技有限公司 Absorption tower for carbon baking furnace flue gas desulfurization
CN207307591U (en) * 2017-09-22 2018-05-04 扬州嘉明环保科技有限公司 High-efficiency desulfurizing scrubber
CN109012123A (en) * 2018-09-25 2018-12-18 安徽海螺川崎节能设备制造有限公司 A kind of flue gas purifying method

Family Cites Families (3)

* Cited by examiner, † Cited by third party
Publication number Priority date Publication date Assignee Title
JPH06190240A (en) * 1992-12-28 1994-07-12 Mitsubishi Heavy Ind Ltd Cylindrical type flue gas desulfurizer
CN202460419U (en) * 2011-12-26 2012-10-03 安徽安纳达钛业股份有限公司 Waste gas recovery tower with spraying device
KR101521864B1 (en) * 2013-07-08 2015-05-20 포항공과대학교 산학협력단 an apparatus for trapping carbon dioxide

Patent Citations (5)

* Cited by examiner, † Cited by third party
Publication number Priority date Publication date Assignee Title
CN2636099Y (en) * 2003-06-24 2004-08-25 林新 Three-rotation high-efficient wet desulfurization dust remover
CN204656330U (en) * 2015-05-30 2015-09-23 四川省品信机械有限公司 A kind of desulfurizing tower
CN206746299U (en) * 2017-03-20 2017-12-15 南京碧林环保科技有限公司 Absorption tower for carbon baking furnace flue gas desulfurization
CN207307591U (en) * 2017-09-22 2018-05-04 扬州嘉明环保科技有限公司 High-efficiency desulfurizing scrubber
CN109012123A (en) * 2018-09-25 2018-12-18 安徽海螺川崎节能设备制造有限公司 A kind of flue gas purifying method

Also Published As

Publication number Publication date
CN111434372A (en) 2020-07-21

Similar Documents

Publication Publication Date Title
CN105668832B (en) A kind of desulfurization wastewater treatment system and method
CN204911132U (en) High -efficient dust collector of flue gas
CN103933820B (en) A kind of flue gas device for deep cleaning and application
CN105195008A (en) Process and equipment for flue gas roasting, adsorption desulfurization, dust removal and purification by adopting combination process
CN109603539A (en) A kind of industrial flue gas high temperature desulfurization, denitrification and dust removal system and its treatment method
CN104226479A (en) Efficient wet type electric dedusting and purifying device and method for smoke obtained after wet desulphurization
CN107362646B (en) Water smoke dust pelletizing system
CN105396421A (en) Comprehensive adsorption and desulphurization dedusting purification method of baking flue gas
CN103962240A (en) Wet type electric precipitation device and method for removing fine particulate matters in smoke desulfurized by wet process
CN104399371A (en) An integrated method and device for medium and low temperature denitrification and dust removal thermal analysis
CN107998817B (en) Single tower flue gas purification device and flue gas purification method
CN208130826U (en) A kind of dust removal integrated equipment of desulphurization denitration
CN111434372B (en) A method and device for treating prebaked anode roasting flue gas
CN108714356A (en) A kind of high temperature desulfurizing denitration purification integrated device
CN203764071U (en) Environment-friendly treatment and purification system for flue gas of cremation machines
CN203663677U (en) Smoke elimination, dust removal, deodorization and desulfurization equipment
CN205672766U (en) A kind of efficiently industrial fumes energy-saving purifier
CN208878242U (en) Experimental device for evaluating the performance of base removal of sulfur trioxide
CN211274055U (en) Cremation machine tail gas treatment equipment
CN106215538A (en) One is used for sintering/pelletizing wet desulfurization flue gas deep treatment system
CN106139792A (en) A kind of baking flue gas governing system and administering method
CN209188504U (en) A kind of flue gas of glass melting furnace NO_x Reduction by Effective system
CN208436563U (en) A kind of flue gas desulfurization waste heat recycle device
CN207755804U (en) A kind of desulfurizing tower
CN110508118A (en) A kind of gas cleaning of ceramic processing takes off white processing equipment

Legal Events

Date Code Title Description
PB01 Publication
PB01 Publication
SE01 Entry into force of request for substantive examination
SE01 Entry into force of request for substantive examination
GR01 Patent grant
GR01 Patent grant