CN108832667B - A soft-start control circuit applied to control DC output of switching power supply - Google Patents
A soft-start control circuit applied to control DC output of switching power supply Download PDFInfo
- Publication number
- CN108832667B CN108832667B CN201810416087.9A CN201810416087A CN108832667B CN 108832667 B CN108832667 B CN 108832667B CN 201810416087 A CN201810416087 A CN 201810416087A CN 108832667 B CN108832667 B CN 108832667B
- Authority
- CN
- China
- Prior art keywords
- output
- power supply
- switching power
- module
- control
- Prior art date
- Legal status (The legal status is an assumption and is not a legal conclusion. Google has not performed a legal analysis and makes no representation as to the accuracy of the status listed.)
- Active
Links
Images
Classifications
-
- H—ELECTRICITY
- H02—GENERATION; CONVERSION OR DISTRIBUTION OF ELECTRIC POWER
- H02M—APPARATUS FOR CONVERSION BETWEEN AC AND AC, BETWEEN AC AND DC, OR BETWEEN DC AND DC, AND FOR USE WITH MAINS OR SIMILAR POWER SUPPLY SYSTEMS; CONVERSION OF DC OR AC INPUT POWER INTO SURGE OUTPUT POWER; CONTROL OR REGULATION THEREOF
- H02M1/00—Details of apparatus for conversion
- H02M1/36—Means for starting or stopping converters
-
- H—ELECTRICITY
- H02—GENERATION; CONVERSION OR DISTRIBUTION OF ELECTRIC POWER
- H02M—APPARATUS FOR CONVERSION BETWEEN AC AND AC, BETWEEN AC AND DC, OR BETWEEN DC AND DC, AND FOR USE WITH MAINS OR SIMILAR POWER SUPPLY SYSTEMS; CONVERSION OF DC OR AC INPUT POWER INTO SURGE OUTPUT POWER; CONTROL OR REGULATION THEREOF
- H02M1/00—Details of apparatus for conversion
- H02M1/32—Means for protecting converters other than automatic disconnection
- H02M1/34—Snubber circuits
Landscapes
- Engineering & Computer Science (AREA)
- Power Engineering (AREA)
- Continuous-Control Power Sources That Use Transistors (AREA)
- Optical Communication System (AREA)
Abstract
本发明涉及一种应用于控制开关电源直流输出的软启动控制电路,包括控制开关管模块及线性光耦模块;控制开关管模块的输入端用于连接开关电源直流输出启动信号,输出端连接线性光耦模块的原边回路,线性光耦模块的副边回路用于连接开关电源直流输出的控制电路。本发明在接收到开关电源直流输出启动信号时,控制开关管模块处于线性放大状态,线性光耦模块的副边回路电压缓慢变化,线性光耦模块的副边直接接到开关电源输出控制端,使直流开关电源输出电压给定值平缓爬升到最终给定值,有效避免了直流开关电源启动时,因闭环调节环路速度慢及初始输出给定控制脚电压过高引起输出过冲的现象。
The invention relates to a soft start control circuit applied to control the direct current output of a switching power supply, comprising a control switch tube module and a linear optocoupler module; the input end of the control switch tube module is used for connecting the direct current output starting signal of the switching power supply, and the output end is connected to the linear The primary loop of the optocoupler module and the secondary loop of the linear optocoupler module are used to connect the control circuit of the DC output of the switching power supply. When receiving the DC output start signal of the switching power supply, the invention controls the switching tube module to be in a linear amplification state, the secondary side loop voltage of the linear optocoupler module changes slowly, and the secondary side of the linear optocoupler module is directly connected to the output control end of the switching power supply. The given value of the output voltage of the DC switching power supply is gradually climbed to the final given value, which effectively avoids the phenomenon of output overshoot caused by the slow closed-loop regulation loop speed and the high voltage of the initial output given control pin when the DC switching power supply is started.
Description
技术领域technical field
本发明涉及一种应用于控制开关电源直流输出的软启动控制电路,属于电子电路技术领域。The invention relates to a soft start control circuit applied to control the direct current output of a switching power supply, and belongs to the technical field of electronic circuits.
背景技术Background technique
对于现有的部分直流开关电源装置,在带载启动时,当输出闭环调节电路先于开关电源输出得电且闭环调节速度较慢时,容易造成较大的电压及电流过冲,对直流开关电源造成一定损害。因此,如何有效避免直流开关电源装置在带载启动时的过电压或过电流,对保护直流开关电源装置有着极其重要的意义。For some existing DC switching power supply devices, when the load is started, when the output closed-loop regulation circuit is powered before the output of the switching power supply and the closed-loop regulation speed is slow, it is easy to cause a large voltage and current overshoot, and the DC switch The power supply causes some damage. Therefore, how to effectively avoid the overvoltage or overcurrent of the DC switching power supply device when it is started with load is extremely important for protecting the DC switching power supply device.
发明内容SUMMARY OF THE INVENTION
本发明的目的是提供一种应用于控制开关电源直流输出的软启动控制电路,用于解决直流开关电源装置在带载启动时输出过冲的问题。The purpose of the present invention is to provide a soft-start control circuit applied to control the DC output of a switching power supply, which is used to solve the problem of output overshoot when the DC switching power supply device is started with a load.
为解决上述技术问题,本发明提供了一种应用于控制开关电源直流输出的软启动控制电路,包括控制开关管模块以及线性光耦模块;所述控制开关管模块的输入端用于连接开关电源直流输出启动信号,其输出端连接所述线性光耦模块的原边回路,用于:在未接收到开关电源直流输出启动信号时,控制开关管模块进行充电,在接收到开关电源直流输出启动信号时,控制开关管模块进行放电以给线性光耦模块的原边回路提供逐渐变小的电流;所述线性光耦模块的副边回路用于连接开关电源直流输出的控制电路。In order to solve the above technical problems, the present invention provides a soft-start control circuit applied to control the DC output of a switching power supply, including a control switch tube module and a linear optocoupler module; the input end of the control switch tube module is used to connect the switching power supply The DC output start signal, the output end of which is connected to the primary side loop of the linear optocoupler module, is used to: control the switching tube module to charge when the DC output start signal of the switching power supply is not received, and start when the DC output of the switching power supply is received. When the signal is received, the switch tube module is controlled to discharge to provide a gradually decreasing current to the primary loop of the linear optocoupler module; the secondary loop of the linear optocoupler module is used to connect the control circuit of the DC output of the switching power supply.
本发明的有益效果是:当有开关电源直流输出启动信号时,控制开关管模块处于线性放大状态,此时线性光耦模块的副边回路电压缓慢变化,将线性光耦模块的副边直接接到开关电源输出控制端,使直流开关电源输出电压给定值平缓爬升到最终给定值,达到开关电源输出控制端缓慢变化的效果,有效避免了直流开关电源启动时,因闭环调节环路速度慢及初始输出给定控制脚电压过高引起输出过冲的现象。The beneficial effects of the invention are: when there is a direct current output starting signal of the switching power supply, the control switch tube module is in a linear amplification state, and the secondary side loop voltage of the linear optocoupler module changes slowly at this time, and the secondary side of the linear optocoupler module is directly connected. To the output control terminal of the switching power supply, the given value of the output voltage of the DC switching power supply gradually climbs to the final given value, so as to achieve the effect of the slow change of the output control terminal of the switching power supply, which effectively avoids the closed-loop adjustment loop speed when the DC switching power supply starts. Slow and initial output given control pin voltage is too high to cause output overshoot phenomenon.
进一步的,为了实现对直流开关电源输出软启动时间的控制,所述控制开关管模块通过一个定时模块连接开关电源直流输出启动信号,用于在接收到开关电源直流输出启动信号后,经过设定时间延时给控制开关管模块进行充电。Further, in order to realize the control of the output soft-start time of the DC switching power supply, the control switch tube module is connected to the switching power supply DC output start signal through a timing module, which is used to set the DC output start signal after receiving the switching power supply DC output start signal. The time delay charges the control switch tube module.
进一步的,为了控制控制开关管模块在接收到启动信号后经过设定时间延时处于线性放大状态,所述控制开关管模块包括第一三极管,所述第一三极管的基极连接所述定时模块,所述定时模块和第一三极管的基极之间还连接有一个接地电容,所述第一三极管的集电极连接所述线性光耦模块的原边回路,所述第一三极管的射极接地。Further, in order to control the control switch tube module to be in a linear amplification state after a set time delay after receiving the start signal, the control switch tube module includes a first transistor, and the base of the first transistor is connected to In the timing module, a ground capacitor is also connected between the timing module and the base of the first triode, and the collector of the first triode is connected to the primary loop of the linear optocoupler module, so the The emitter of the first triode is grounded.
进一步的,为了对控制开关管模块在充放电过程中的电流进行控制,所述定时模块和第一三极管的基极之间以及所述第一三极管的基极和地之间均串设有电阻。Further, in order to control the current of the control switch tube module during the charging and discharging process, the timing module and the base of the first triode and the base of the first triode and the ground are both connected. There is a resistor in series.
进一步的,为了实现定时功能,所述定时模块包括第二三极管和双D触发器;所述第二三极管的基极用于连接开关电源直流输出启动信号,所述第二三极管的集电极连接一个第一阻容充放电模块的第一接线端,所述第一阻容充放电模块的第二接线端连接所述双D触发器的复位接线端,所述第二三极管的射极接地;所述第二三极管的基极还连接一个第二阻容充放电模块的第一接线端,所述第二阻容充放电模块的第二接线端连接所述双D触发器的置位接线端。Further, in order to realize the timing function, the timing module includes a second triode and a double D flip-flop; the base of the second triode is used to connect the switching power supply DC to output a start signal, and the second triode is used to output a start signal. The collector of the tube is connected to the first terminal of a first resistance-capacitance charge and discharge module, the second terminal of the first resistance-capacitance charge and discharge module is connected to the reset terminal of the double D flip-flop, the second three The emitter of the pole tube is grounded; the base of the second transistor is also connected to the first terminal of a second resistance-capacitance charge and discharge module, and the second terminal of the second resistance-capacitance charge and discharge module is connected to the The set terminal of the double D flip-flop.
进一步的,为了实现对定时模块的控制,所述阻容充放电模块包括第一电阻、第二电阻和充放电电容,所述第一电阻串设在所述阻容充放电模块的第一接线端和第二接线端之间,所述第二电阻和充放电电容并联连接,所述第二电阻和充放电电容的一个并联点接地,另一个并联点连接所述阻容充放电模块的第二接线端。Further, in order to realize the control of the timing module, the RC charging and discharging module includes a first resistor, a second resistor and a charging and discharging capacitor, and the first resistor is arranged in series on the first wiring of the RC charging and discharging module. Between the terminal and the second terminal, the second resistor and the charging and discharging capacitor are connected in parallel, one parallel point of the second resistor and the charging and discharging capacitor is grounded, and the other parallel point is connected to the first parallel point of the resistance-capacitor charging and discharging module. Two terminals.
附图说明Description of drawings
图1是应用于控制开关电源直流输出的软启动控制电路的结构示意图;1 is a schematic structural diagram of a soft-start control circuit applied to control the DC output of a switching power supply;
图2是应用于控制开关电源直流输出的软启动控制电路的电路图。FIG. 2 is a circuit diagram of a soft-start control circuit applied to control the DC output of the switching power supply.
具体实施方式Detailed ways
为了使本发明的目的、技术方案及优点更加清楚明白,以下结合附图及具体实施例对本发明进行进一步详细说明。In order to make the objectives, technical solutions and advantages of the present invention clearer, the present invention will be further described in detail below with reference to the accompanying drawings and specific embodiments.
本发明提供了一种应用于控制开关电源直流输出的软启动控制电路,其结构示意图如图1所示,包括开关电源直流输出初始给定电压控制脚启动时间定时电路、光耦组成输出线性电路以及开关电源直流输出闭环调节电路。其中,开关电源直流输出初始给定电压控制脚启动时间定时电路的输入端用于接收开关电源直流输出启动信号,其输出端连接光耦组成输出线性电路的输入端,光耦组成输出线性电路的输出端连接开关电源直流输出控制端以及开关电源直流输出闭环调节电路。The present invention provides a soft-start control circuit applied to control the DC output of a switching power supply, the schematic diagram of which is shown in Figure 1, including a switching power supply DC output initial given voltage control pin start-up time timing circuit, and an optocoupler to form an output linear circuit And the DC output closed-loop regulation circuit of the switching power supply. Among them, the input terminal of the switching power supply DC output initial given voltage control pin start-up time timing circuit is used to receive the switching power supply DC output start signal, and its output terminal is connected to the input terminal of the output linear circuit formed by the optocoupler, and the optocoupler formed the output linear circuit. The output terminal is connected to the DC output control terminal of the switching power supply and the DC output closed-loop regulating circuit of the switching power supply.
其中,开关电源直流输出启动信号为开关电源输出使能信号,当开关电源接收到该信号时,开关电源输出侧开始有输出。Among them, the switching power supply DC output start signal is the switching power supply output enable signal. When the switching power supply receives this signal, the output side of the switching power supply starts to output.
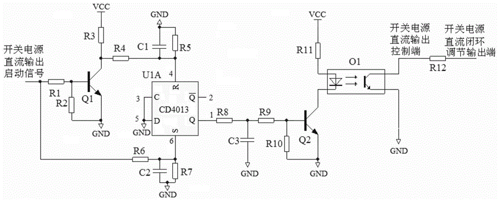
如图2所示,开关电源直流输出初始给定电压控制脚启动时间定时电路(定时模块)包括第二三极管Q1和双D触发器U1A,第二三极管Q1的基极通过电阻R1连接开关电源直流输出启动信号,第二三极管Q1的集电极连接一个第一阻容充放电模块的第一接线端,第一阻容充放电模块的第二接线端连接双D触发器的复位接线端R。第二三极管Q1的基极通过电阻R1连接一个第二阻容充放电模块的第一接线端,第二阻容充放电模块的第二接线端连接双D触发器的置位接线端S。双D触发器的输出端Q作为整个定时模块的输出端,用于连接光耦组成输出线性电路的输入端。As shown in Figure 2, the switching power supply DC output initial given voltage control pin start-up time timing circuit (timing module) includes a second transistor Q1 and a double D flip-flop U1A, the base of the second transistor Q1 passes through the resistor R1 Connect the switching power supply to the DC output start signal, the collector of the second transistor Q1 is connected to the first terminal of a first resistance-capacitance charge and discharge module, and the second terminal of the first resistance-capacitance charge and discharge module is connected to the double D flip-flop. Reset terminal R. The base of the second transistor Q1 is connected to the first terminal of a second RC charge-discharge module through the resistor R1, and the second terminal of the second RC charge-discharge module is connected to the set terminal S of the double D flip-flop . The output end Q of the double D flip-flop is used as the output end of the whole timing module, which is used to connect the input end of the optocoupler to form the output linear circuit.
其中,对于每个阻容充放电模块,阻容充放电模块包括第一电阻、第二电阻、充放电电容以及第一接线端和第二接线端,第一电阻串设在阻容充放电模块的第一接线端和第二接线端之间,第二电阻和充放电电容并联连接,第二电阻和充放电电容的一个并联点接地,另一个并联点连接阻容充放电模块的第二接线端。Wherein, for each RC charging and discharging module, the RC charging and discharging module includes a first resistor, a second resistor, a charging and discharging capacitor, a first terminal and a second terminal, and the first resistor is serially connected to the RC charging and discharging module. Between the first terminal and the second terminal, the second resistor and the charging and discharging capacitor are connected in parallel, one parallel point of the second resistor and the charging and discharging capacitor is grounded, and the other parallel point is connected to the second wiring of the resistance-capacitor charging and discharging module end.
在本实施例中,双D触发器的型号为CD4013,当然,作为其他的实施方式,在满足定时需求的情况下,也可以采用其他型号的双D触发器。In this embodiment, the model of the double D flip-flop is CD4013. Of course, as other implementation manners, other types of double D flip-flops may also be used under the condition that the timing requirements are met.
光耦组成输出线性电路由控制开关管模块和线性光耦模块组成,其中控制开关管模块的输入端连接定时模块的输出端,其输出端连接线性光耦模块的原边回路,线性光耦模块的副边回路用于连接开关电源直流输出的控制电路。The output linear circuit composed of optocouplers is composed of a control switch tube module and a linear optocoupler module. The input end of the control switch tube module is connected to the output end of the timing module, and its output end is connected to the primary loop of the linear optocoupler module. The linear optocoupler module The secondary side loop is used to connect the control circuit of the DC output of the switching power supply.
如图2所示,控制开关管模块包括第一三极管Q2,第一三极管Q2的基极连接定时模块,定时模块和第一三极管Q2的基极之间还连接有一个接地电容C3,第一三极管Q2的集电极连接线性光耦模块的原边回路,第一三极管Q2的射极接地。另外,为了更好的实现接地电容C3的充放电控制,在第一三极管Q2的基极和定时模块之间串设有电阻R9,在第一三极管Q2的基极和地之间均串设有电阻R10。As shown in Figure 2, the control switch tube module includes a first transistor Q2, the base of the first transistor Q2 is connected to the timing module, and a ground is also connected between the timing module and the base of the first transistor Q2 Capacitor C3, the collector of the first transistor Q2 is connected to the primary loop of the linear optocoupler module, and the emitter of the first transistor Q2 is grounded. In addition, in order to better realize the charge and discharge control of the ground capacitor C3, a resistor R9 is connected in series between the base of the first transistor Q2 and the timing module, and between the base of the first transistor Q2 and the ground Resistor R10 is arranged in series.
线性光耦模块由一个线性光耦O1构成,线性光耦O1的原边回路与控制开关管模块的输出端连接,线性光耦O1的副边回路中的一个接线端接地,另一个接线端用于连接开关电源直流输出控制端,并通过一个电阻R12连接开关电源直流闭环调节输出端,该开关电源直流闭环调节输出端连接开关电源直流输出闭环调节电路。The linear optocoupler module is composed of a linear optocoupler O1. The primary loop of the linear optocoupler O1 is connected to the output end of the control switch tube module. One terminal in the secondary loop of the linear optocoupler O1 is grounded, and the other terminal is used for It is connected to the DC output control terminal of the switching power supply, and is connected to the DC closed-loop regulating output terminal of the switching power supply through a resistor R12, and the DC closed-loop regulating output terminal of the switching power supply is connected to the DC output closed-loop regulating circuit of the switching power supply.
开关电源接收到直流输出启动信号时,开关电源直流闭环调节输出端被与开关电源输出控制端联接的线性光耦副边拉低,开关电源直流输出低电压,经过启动定时时间后,线性光耦副边电压缓慢抬高直至到开关电源输出闭环调节电压,完成软启动电路到闭环调节电路的切换过程。When the switching power supply receives the DC output start signal, the DC closed-loop regulation output terminal of the switching power supply is pulled down by the secondary side of the linear optocoupler connected to the output control terminal of the switching power supply, and the switching power supply DC outputs a low voltage. The secondary side voltage rises slowly until the switching power supply outputs the closed-loop regulation voltage, completing the switching process from the soft-start circuit to the closed-loop regulation circuit.
上述应用于控制开关电源直流输出的软启动控制电路的工作原理如下:当定时模块未接收到开关电源直流输出侧启动信号,即开关电源直流输出不启动时,开关电源直流输出启动信号为高电平。此时,双D触发器U1A的复位接线端R连接低电平,双D触发器的置位接线端S连接高电平,三极管Q1和双D触发器U1A构成的定时模块的输出端Q为高电平,开关电源直流输出控制端的电压被光耦组成的输出线性电路拉低。The working principle of the above-mentioned soft-start control circuit applied to control the DC output of the switching power supply is as follows: when the timing module does not receive the start signal on the DC output side of the switching power supply, that is, when the DC output of the switching power supply does not start, the DC output start signal of the switching power supply is high. flat. At this time, the reset terminal R of the double D flip-flop U1A is connected to a low level, the set terminal S of the double D flip-flop is connected to a high level, and the output terminal Q of the timing module formed by the transistor Q1 and the double D flip-flop U1A is High level, the voltage of the DC output control terminal of the switching power supply is pulled down by the output linear circuit composed of the optocoupler.
当定时模块接收到开关电源直流输出侧启动信号,即开关电源直流输出启动时,开关电源直流输出启动信号为低电平。此时,电源VCC通过电阻R3、R4给电容C1充电,电容C2通过电阻R7放电,双D触发器U1A的复位接线端R连接的低电平转为高电平,双D触发器的置位接线端S连接的高电平转为低电平,双D触发器的输出端Q由高电平翻转为低电平。通过调节R3、R4、R5和C1的参数值以及电阻R7和电容C2的参数值,可以确定U1A的1脚由高电平翻转为低电平的时间。通过设置该定时模块,可以经过设定启动时间后,输出需要的电平信号给光耦组成输出线性电路,从而开启该输出线性电路。When the timing module receives the start signal of the DC output side of the switching power supply, that is, when the DC output of the switching power supply is started, the DC output start signal of the switching power supply is at a low level. At this time, the power supply VCC charges the capacitor C1 through the resistors R3 and R4, the capacitor C2 discharges through the resistor R7, the low level connected to the reset terminal R of the double D flip-flop U1A turns to a high level, and the double D flip-flop is set. The high level connected to the terminal S is turned to a low level, and the output Q of the double D flip-flop is turned from a high level to a low level. By adjusting the parameter values of R3, R4, R5 and C1, as well as the parameter values of resistor R7 and capacitor C2, the time when pin 1 of U1A is turned from high level to low level can be determined. By setting the timing module, after setting the start-up time, the required level signal can be output to the optocoupler to form an output linear circuit, thereby turning on the output linear circuit.
当定时模块的输出端Q转变为低电平后,电容C3在不断放电的过程中,处于放大状态的三极管Q2的集电极电流逐渐变小,进而使得光耦原边电流大小得到调节,光耦副边电压缓慢变化。由于R8、R9、R10、R11、R12、Q2及O1组成了输出线性电路,通过调节C3、R9、R11及R12参数值,可以使得光耦O1副边输出理想电平值,从而实现了当R8与U1A之间电平切换时,O1副边电平平缓变换的目的。由于光耦O1副边直接接到开关电源输出控制端,并通过电阻R12连接开关电源直流闭环调节输出端,当O1副边嵌位电平高于开关电源输出闭环调节电路输出信号时,开关电源直流输出控制端信号切换到开关电源输出闭环调节电路输出电平信号,使得开关电源直流输出控制端控制电压缓慢呈指数爬升直至闭环调节给定电压。开关电源直流输出闭环调节电路通过将输出检测信号与输出给定信号经过PID(比例积分微分电路)电路输出开关电源控制端所需电压,使得输出到给定值,最终完成开关电源直流输出软启动。由于开关电源直流输出闭环调节电路的具体结构属于现有技术,此处不再赘述。When the output terminal Q of the timing module changes to a low level, in the process of continuous discharge of the capacitor C3, the collector current of the transistor Q2 in the amplifying state gradually becomes smaller, so that the current size of the primary side of the optocoupler is adjusted, and the optocoupler The secondary voltage changes slowly. Since R8, R9, R10, R11, R12, Q2 and O1 form an output linear circuit, by adjusting the parameter values of C3, R9, R11 and R12, the secondary side of the optocoupler O1 can output an ideal level value, thus realizing the ideal level when R8 When switching with U1A, the purpose of smooth transition of the secondary side of O1. Since the secondary side of optocoupler O1 is directly connected to the output control terminal of the switching power supply, and is connected to the DC closed-loop regulating output terminal of the switching power supply through the resistor R12, when the clamping level of the secondary side of O1 is higher than the output signal of the output closed-loop regulating circuit of the switching power supply, the switching power supply The signal of the DC output control terminal is switched to the output level signal of the switching power supply output closed-loop adjustment circuit, so that the control voltage of the DC output control terminal of the switching power supply slowly climbs exponentially until the closed-loop adjustment of the given voltage. The DC output closed-loop adjustment circuit of the switching power supply outputs the voltage required by the control terminal of the switching power supply by passing the output detection signal and the output given signal through the PID (proportional integral derivative circuit) circuit, so that the output reaches the given value, and finally completes the DC output soft start of the switching power supply . Since the specific structure of the DC output closed-loop regulating circuit of the switching power supply belongs to the prior art, it will not be repeated here.
本发明的应用于控制开关电源直流输出的软启动控制电路,通过直流开关电源输出启动信号,对直流开关电源输出软启动时间、开关电源输出控制脚初始给定值大小以及输出控制脚初始给定值爬升速率进行设定,并使输出电压给定值平缓爬升到直流开关电源最终给定值,避免直流开关电源启动时,因闭环调节环路速度慢及初始输出给定控制脚电压过高引起输出过冲,有效解决了电源初始上电时输出带载过冲的问题,避免了由此对直流开关电源造成的损害。The soft-start control circuit applied to control the DC output of the switching power supply of the present invention outputs the start signal through the DC switching power supply, and outputs the soft-start time, the initial setting value of the output control pin of the switching power supply and the initial setting of the output control pin to the DC switching power supply. Set the value climbing rate, and make the output voltage given value gradually climb to the final given value of the DC switching power supply to avoid the slow closed-loop adjustment loop speed and the high voltage of the initial output given control pin when the DC switching power supply starts. The output overshoot effectively solves the problem of output overshoot when the power supply is initially powered on, and avoids the damage caused to the DC switching power supply.
另外,需要说明的是,本发明的软启动控制电路也可以不设置定时模块,直接将开关电源直流输出侧启动信号接入由控制开关管模块和线性光耦模块组成的光耦组成输出线性电路,当接收到开关电源直流输出侧启动信号时,直接启动光耦组成输出线性电路,以实现开关电源直流输出软启动。In addition, it should be noted that the soft-start control circuit of the present invention can also not set the timing module, and directly connect the start signal of the DC output side of the switching power supply to the optocoupler composed of the control switch tube module and the linear optocoupler module to form an output linear circuit , When receiving the start signal of the DC output side of the switching power supply, the optocoupler is directly started to form an output linear circuit to realize the soft start of the DC output of the switching power supply.
上述描述只是用来帮助理解本发明的方法及核心思想,对于本领域普通技术人员,依据本发明的指导思想,设计出的各种变形模型、参数修改仍落入本发明的保护范围内。The above description is only used to help understand the method and core idea of the present invention. For those of ordinary skill in the art, according to the guiding idea of the present invention, various deformation models and parameter modifications designed still fall within the protection scope of the present invention.
Claims (4)
Priority Applications (1)
| Application Number | Priority Date | Filing Date | Title |
|---|---|---|---|
| CN201810416087.9A CN108832667B (en) | 2018-05-03 | 2018-05-03 | A soft-start control circuit applied to control DC output of switching power supply |
Applications Claiming Priority (1)
| Application Number | Priority Date | Filing Date | Title |
|---|---|---|---|
| CN201810416087.9A CN108832667B (en) | 2018-05-03 | 2018-05-03 | A soft-start control circuit applied to control DC output of switching power supply |
Publications (2)
| Publication Number | Publication Date |
|---|---|
| CN108832667A CN108832667A (en) | 2018-11-16 |
| CN108832667B true CN108832667B (en) | 2020-09-25 |
Family
ID=64148184
Family Applications (1)
| Application Number | Title | Priority Date | Filing Date |
|---|---|---|---|
| CN201810416087.9A Active CN108832667B (en) | 2018-05-03 | 2018-05-03 | A soft-start control circuit applied to control DC output of switching power supply |
Country Status (1)
| Country | Link |
|---|---|
| CN (1) | CN108832667B (en) |
Citations (5)
| Publication number | Priority date | Publication date | Assignee | Title |
|---|---|---|---|---|
| CN101154881A (en) * | 2006-09-29 | 2008-04-02 | 群康科技(深圳)有限公司 | Switch power circuit |
| CN103427618A (en) * | 2013-06-24 | 2013-12-04 | 深圳市英威腾电气股份有限公司 | Soft start control circuit |
| CN204598412U (en) * | 2015-05-13 | 2015-08-26 | 深圳市垅运照明电器有限公司 | A kind of LED drive power soft starting circuit |
| CN105262326A (en) * | 2015-11-16 | 2016-01-20 | 中国电子科技集团公司第四十三研究所 | Starting control circuit for output linear voltage of switching power supply |
| CN106487210A (en) * | 2015-08-26 | 2017-03-08 | 山东华网智能科技股份有限公司 | A kind of soft start/soft pass closed circuit being applied to DC/DC Switching Power Supply |
-
2018
- 2018-05-03 CN CN201810416087.9A patent/CN108832667B/en active Active
Patent Citations (5)
| Publication number | Priority date | Publication date | Assignee | Title |
|---|---|---|---|---|
| CN101154881A (en) * | 2006-09-29 | 2008-04-02 | 群康科技(深圳)有限公司 | Switch power circuit |
| CN103427618A (en) * | 2013-06-24 | 2013-12-04 | 深圳市英威腾电气股份有限公司 | Soft start control circuit |
| CN204598412U (en) * | 2015-05-13 | 2015-08-26 | 深圳市垅运照明电器有限公司 | A kind of LED drive power soft starting circuit |
| CN106487210A (en) * | 2015-08-26 | 2017-03-08 | 山东华网智能科技股份有限公司 | A kind of soft start/soft pass closed circuit being applied to DC/DC Switching Power Supply |
| CN105262326A (en) * | 2015-11-16 | 2016-01-20 | 中国电子科技集团公司第四十三研究所 | Starting control circuit for output linear voltage of switching power supply |
Also Published As
| Publication number | Publication date |
|---|---|
| CN108832667A (en) | 2018-11-16 |
Similar Documents
| Publication | Publication Date | Title |
|---|---|---|
| CN102419608B (en) | Soft start circuit based on feedback voltage clamping soft start signal | |
| CN203071817U (en) | A switching power supply circuit | |
| CN104135146A (en) | Soft starting method and circuit | |
| CN112467971B (en) | Slow starting circuit | |
| CN101325411A (en) | A slow start circuit for DC power supply | |
| CN104917376B (en) | DC/DC converter | |
| CN108933529B (en) | Power control device and power control system | |
| CN101534005A (en) | Suppressing circuit of power-on impact current | |
| CN105262055A (en) | Overcurrent protection circuit with adjustable intermittent time | |
| CN208209812U (en) | A kind of highpowerpulse load power source soft starting device | |
| CN109004818B (en) | Intrinsically safe direct-current capacitive load slow starting device | |
| WO2019085544A1 (en) | Output soft-start circuit for switching power supply | |
| CN211958855U (en) | power switch circuit | |
| CN206292719U (en) | Electronic device and its power supply circuit | |
| CN220064708U (en) | Low dropout linear voltage stabilizing circuit, chip and electronic equipment | |
| CN103529891A (en) | Soft start device and method | |
| CN108832667B (en) | A soft-start control circuit applied to control DC output of switching power supply | |
| CN102055320A (en) | Charge pump circuit and implementation method thereof | |
| CN106357101A (en) | Active discharge circuit for filter capacitor of electric automobile controller | |
| CN103904874B (en) | A kind of time-delay soft start circuit for BOOST-PFC | |
| CN102611322B (en) | Secondary power system and method for suppressing voltage transient in same | |
| CN219590712U (en) | Low dropout linear voltage stabilizing circuit, chip and electronic equipment | |
| US20130154722A1 (en) | Voltage-stabilizing circuit | |
| CN208890353U (en) | Hiccup time control circuit and the Switching Power Supply comprising the circuit | |
| CN108988297B (en) | Hiccup time control circuit and switching power supply comprising same |
Legal Events
| Date | Code | Title | Description |
|---|---|---|---|
| PB01 | Publication | ||
| PB01 | Publication | ||
| SE01 | Entry into force of request for substantive examination | ||
| SE01 | Entry into force of request for substantive examination | ||
| GR01 | Patent grant | ||
| GR01 | Patent grant |
