CN103657306A - Waste gas treatment device - Google Patents
Waste gas treatment device Download PDFInfo
- Publication number
- CN103657306A CN103657306A CN201310739592.4A CN201310739592A CN103657306A CN 103657306 A CN103657306 A CN 103657306A CN 201310739592 A CN201310739592 A CN 201310739592A CN 103657306 A CN103657306 A CN 103657306A
- Authority
- CN
- China
- Prior art keywords
- waste gas
- gas
- storage tank
- exhaust gas
- aqua storage
- Prior art date
- Legal status (The legal status is an assumption and is not a legal conclusion. Google has not performed a legal analysis and makes no representation as to the accuracy of the status listed.)
- Pending
Links
- 239000002912 waste gas Substances 0.000 title claims abstract description 78
- 239000007789 gas Substances 0.000 claims abstract description 136
- 230000003647 oxidation Effects 0.000 claims abstract description 43
- 238000007254 oxidation reaction Methods 0.000 claims abstract description 43
- 239000000428 dust Substances 0.000 claims abstract description 36
- 239000002351 wastewater Substances 0.000 claims abstract description 13
- XLYOFNOQVPJJNP-UHFFFAOYSA-N water Substances O XLYOFNOQVPJJNP-UHFFFAOYSA-N 0.000 claims description 68
- 239000012670 alkaline solution Substances 0.000 claims description 40
- CBENFWSGALASAD-UHFFFAOYSA-N Ozone Chemical compound [O-][O+]=O CBENFWSGALASAD-UHFFFAOYSA-N 0.000 claims description 37
- 239000000243 solution Substances 0.000 claims description 32
- 239000002253 acid Substances 0.000 claims description 31
- 239000007921 spray Substances 0.000 claims description 26
- 238000005273 aeration Methods 0.000 claims description 9
- 238000012423 maintenance Methods 0.000 claims description 4
- 238000010438 heat treatment Methods 0.000 claims description 2
- 230000003197 catalytic effect Effects 0.000 claims 9
- 238000004140 cleaning Methods 0.000 claims 7
- 230000002745 absorbent Effects 0.000 claims 6
- 239000002250 absorbent Substances 0.000 claims 6
- 230000001590 oxidative effect Effects 0.000 claims 6
- 238000005070 sampling Methods 0.000 claims 3
- 238000004220 aggregation Methods 0.000 claims 2
- 230000002776 aggregation Effects 0.000 claims 2
- 230000006698 induction Effects 0.000 claims 2
- 238000006385 ozonation reaction Methods 0.000 claims 2
- ZPUCINDJVBIVPJ-LJISPDSOSA-N cocaine Chemical compound O([C@H]1C[C@@H]2CC[C@@H](N2C)[C@H]1C(=O)OC)C(=O)C1=CC=CC=C1 ZPUCINDJVBIVPJ-LJISPDSOSA-N 0.000 claims 1
- 239000010841 municipal wastewater Substances 0.000 claims 1
- 238000004065 wastewater treatment Methods 0.000 claims 1
- 238000010521 absorption reaction Methods 0.000 abstract description 64
- 230000020477 pH reduction Effects 0.000 abstract description 24
- 238000005507 spraying Methods 0.000 abstract description 21
- 238000005406 washing Methods 0.000 abstract description 17
- 239000003595 mist Substances 0.000 abstract description 11
- 239000008399 tap water Substances 0.000 abstract description 5
- 235000020679 tap water Nutrition 0.000 abstract description 5
- UGFAIRIUMAVXCW-UHFFFAOYSA-N Carbon monoxide Chemical compound [O+]#[C-] UGFAIRIUMAVXCW-UHFFFAOYSA-N 0.000 abstract description 4
- 230000002378 acidificating effect Effects 0.000 abstract description 4
- 239000003546 flue gas Substances 0.000 abstract description 4
- 239000010805 inorganic waste Substances 0.000 abstract description 3
- 239000010815 organic waste Substances 0.000 abstract description 3
- 238000003915 air pollution Methods 0.000 abstract 1
- 239000003929 acidic solution Substances 0.000 description 19
- HEMHJVSKTPXQMS-UHFFFAOYSA-M sodium hydroxide Inorganic materials [OH-].[Na+] HEMHJVSKTPXQMS-UHFFFAOYSA-M 0.000 description 14
- 239000003513 alkali Substances 0.000 description 5
- 239000000126 substance Substances 0.000 description 5
- VEXZGXHMUGYJMC-UHFFFAOYSA-N Hydrochloric acid Chemical compound Cl VEXZGXHMUGYJMC-UHFFFAOYSA-N 0.000 description 4
- 239000007788 liquid Substances 0.000 description 4
- 239000010865 sewage Substances 0.000 description 4
- 238000003756 stirring Methods 0.000 description 4
- QAOWNCQODCNURD-UHFFFAOYSA-N sulfuric acid group Chemical group S(O)(O)(=O)=O QAOWNCQODCNURD-UHFFFAOYSA-N 0.000 description 4
- 238000010586 diagram Methods 0.000 description 3
- 230000021962 pH elevation Effects 0.000 description 3
- 238000004069 wastewater sedimentation Methods 0.000 description 3
- OKTJSMMVPCPJKN-UHFFFAOYSA-N Carbon Chemical compound [C] OKTJSMMVPCPJKN-UHFFFAOYSA-N 0.000 description 2
- AXCZMVOFGPJBDE-UHFFFAOYSA-L calcium dihydroxide Chemical compound [OH-].[OH-].[Ca+2] AXCZMVOFGPJBDE-UHFFFAOYSA-L 0.000 description 2
- 238000006243 chemical reaction Methods 0.000 description 2
- 239000007795 chemical reaction product Substances 0.000 description 2
- 230000000694 effects Effects 0.000 description 2
- 230000007613 environmental effect Effects 0.000 description 2
- 239000002440 industrial waste Substances 0.000 description 2
- 238000005086 pumping Methods 0.000 description 2
- 230000009286 beneficial effect Effects 0.000 description 1
- 230000007547 defect Effects 0.000 description 1
- 238000009792 diffusion process Methods 0.000 description 1
- 230000005484 gravity Effects 0.000 description 1
- 238000004519 manufacturing process Methods 0.000 description 1
- 238000000034 method Methods 0.000 description 1
- 238000012986 modification Methods 0.000 description 1
- 230000004048 modification Effects 0.000 description 1
- 239000002245 particle Substances 0.000 description 1
- 238000000746 purification Methods 0.000 description 1
- 239000000779 smoke Substances 0.000 description 1
- 239000013589 supplement Substances 0.000 description 1
Images
Landscapes
- Treating Waste Gases (AREA)
Abstract
本发明涉及一种废气处理装置,包括废气净化器和废气收集排放系统,废气净化器内从底部向上依次为废气洗涤除尘区、废气氧化吸收区、废气碱化吸收区、第一除雾器、废气酸化吸收区、第二除雾器。废气洗涤除尘区内设有自来水喷淋装置和粉尘废水集水锥形槽,废气氧化吸收区内设有废气氧化吸收组件,废气碱化吸收区设有废气碱化吸收组件,废气酸化吸收区设有废气酸化吸收组件。烟气排放筒前设有热交换器。本发明能有效净化较高粉尘浓度的废气,能有效处理各种有机、无机废气、各种酸性和碱性废气,解决工厂车间、垃圾站等废气源造成的大气污染问题。
The invention relates to a waste gas treatment device, which includes a waste gas purifier and a waste gas collection and discharge system. The waste gas purifier consists of a waste gas washing and dust removal area, a waste gas oxidation absorption area, a waste gas alkalization absorption area, a first mist eliminator, Exhaust gas acidification absorption zone, second demister. The exhaust gas washing and dust removal area is equipped with tap water spraying device and dust wastewater collection conical tank, the exhaust gas oxidation absorption area is equipped with exhaust gas oxidation absorption components, the exhaust gas alkalization absorption area is equipped with exhaust gas alkalization absorption components, and the exhaust gas acidification absorption area is equipped with There are waste gas acidification absorption components. A heat exchanger is arranged in front of the flue gas discharge cylinder. The invention can effectively purify waste gas with relatively high dust concentration, effectively treat various organic and inorganic waste gases, various acidic and alkaline waste gases, and solve the problem of air pollution caused by waste gas sources such as factory workshops and garbage stations.
Description
技术领域technical field
本发明涉及废气处理技术领域,尤其是一种成分复杂的废气处理装置。The invention relates to the technical field of exhaust gas treatment, in particular to an exhaust gas treatment device with complex components.
背景技术Background technique
近年来雾霾的发生越来越频繁,给人们的生活和工作造成很大影响,雾霾的产生是多种因素综合作用的结果,而工业废气的排放占很大比重,因此加大废气污染的治理已成为当前环保工作的重要内容之一。In recent years, the occurrence of smog has become more and more frequent, which has greatly affected people's life and work. The generation of smog is the result of a combination of various factors, and industrial waste gas emissions account for a large proportion, so the increase in waste gas pollution The governance of environmental protection has become one of the important contents of the current environmental protection work.
中国专利《复杂废气综合处理系统》(专利号:201210235730.0)公开了一种废气综合处理系统装置,该装置具有结构简单、处理效率高等优点。但该专利装置存在以下缺陷:①不适于处理粉尘浓度高的复杂废气;②废气量大时活性炭的消耗量较大,运行成本较高。The Chinese patent "Complex Waste Gas Comprehensive Treatment System" (patent number: 201210235730.0) discloses a waste gas comprehensive treatment system device, which has the advantages of simple structure and high treatment efficiency. However, the patented device has the following defects: ①It is not suitable for processing complex waste gas with high dust concentration; ②When the amount of waste gas is large, the consumption of activated carbon is relatively large, and the operating cost is high.
发明内容Contents of the invention
本发明要解决的技术问题是:克服上述专利的技术问题,提供一种适于处理高浓度粉尘废气的处理系统装置,能有效处理各种有机、无机废气,各种酸性和碱性废气。The technical problem to be solved by the present invention is to overcome the technical problems of the above patents and provide a treatment system device suitable for treating high-concentration dust waste gas, which can effectively treat various organic and inorganic waste gases, various acidic and alkaline waste gases.
本发明解决其技术问题所采用的技术方案是:一种废气处理系统装置,包括废气净化器和向废气净化器输入和输出废气的废气收集排放系统,所述的废气净化器内从底部向上依次为废气洗涤除尘区、废气氧化吸收区、废气碱化吸收区、第一除雾器、废气酸化吸收区、第二除雾器。废气除尘区设有废气进口,废气进口处设有气体导流三角锥,所述的废气进口通过管路连通废气收集输送系统,废气第二除雾器上方设有废气出口。The technical solution adopted by the present invention to solve the technical problem is: an exhaust gas treatment system device, including an exhaust gas purifier and an exhaust gas collection and discharge system for inputting and outputting exhaust gas to the exhaust gas purifier, and the interior of the exhaust gas purifier is sequentially from bottom to top It is the waste gas washing and dust removal area, the waste gas oxidation absorption area, the waste gas alkalization absorption area, the first demister, the waste gas acidification absorption area, and the second demister. The waste gas dedusting area is provided with a waste gas inlet, and the waste gas inlet is provided with a gas diversion triangle cone. The waste gas inlet is connected to the waste gas collection and delivery system through a pipeline, and a waste gas outlet is provided above the second waste gas demister.
所述的废气洗涤除尘区内设有废气洗涤除尘组件,所述的废气洗涤除尘组件包括位于废气洗涤除尘组件上部的自来水喷淋装置、位于废气洗涤除尘组件下部的粉尘废水集水锥形槽,粉尘废水集水锥形槽通过阀门和管道连接废水沉淀池,废水处理达标后排入市政污水管网。The exhaust gas washing and dust removal area is provided with an exhaust gas washing and dust removal assembly, and the exhaust gas washing and dust removal assembly includes a tap water spray device located on the upper part of the exhaust gas washing and dust removal assembly, and a dust and wastewater collection conical groove located at the lower part of the exhaust gas washing and dust removal assembly. The dusty wastewater collection taper tank is connected to the wastewater sedimentation tank through valves and pipes, and the wastewater is discharged into the municipal sewage pipe network after it reaches the standard.
所述的废气氧化吸收区内设有废气氧化吸收组件,所述的废气氧化吸收组件包括位于废气氧化组件上部的臭氧氧化水喷淋装置、位于废气氧化吸收组件下部的臭氧氧化水储水槽和置于臭氧氧化水储水槽中的臭氧曝气盘,所述的臭氧曝气盘通过曝气罐连通臭氧发生器,还具有将臭氧氧化水储水槽中的臭氧氧化水泵入臭氧氧化水喷淋装置的臭氧氧化水循环泵。The exhaust gas oxidation absorption area is provided with an exhaust gas oxidation absorption assembly, and the exhaust gas oxidation absorption assembly includes an ozone oxidation water spray device located on the upper part of the exhaust gas oxidation absorption assembly, an ozone oxidation water storage tank located at the lower part of the exhaust gas oxidation absorption assembly and a set The ozone aeration pan in the ozonated water storage tank, the ozone aeration pan is connected to the ozone generator through the aeration tank, and also has the function of pumping the ozonated water in the ozonized water storage tank into the ozonated water spraying device Ozone oxidation water circulation pump.
所述的废气碱化吸收区设有废气碱化吸收组件,所述的废气碱化吸收组件包括位于废气碱化组件上部的碱性溶液喷淋装置、位于废气碱化吸收组件下部的碱性溶液储水槽和将碱性溶液储水槽中的碱性溶液泵入碱性溶液喷淋装置的碱性溶液循环泵。The exhaust gas alkalization absorption area is provided with an exhaust gas alkalinization absorption component, and the exhaust gas alkalinization absorption component includes an alkaline solution spraying device located on the upper part of the exhaust gas alkalization component, and an alkaline solution spray device located on the lower part of the exhaust gas alkalinization absorption component. A water storage tank and an alkaline solution circulation pump for pumping the alkaline solution in the alkaline solution water storage tank into the alkaline solution spraying device.
所述的废气酸化吸收区设有废气酸化吸收组件,所述的废气酸化吸收组件包括位于废气氧化组件上部的酸性溶液喷淋装置、位于废气酸化吸收组件下部的酸性溶液储水槽和将酸性溶液储水槽中的酸性溶液泵入酸性溶液喷淋装置的酸性溶液循环泵。The exhaust gas acidification absorption area is provided with an exhaust gas acidification absorption assembly, and the exhaust gas acidification absorption assembly includes an acid solution spray device located on the upper part of the exhaust gas oxidation assembly, an acid solution water storage tank located at the lower part of the exhaust gas acidification absorption assembly, and an acid solution storage tank. The acidic solution in the tank is pumped into the acidic solution circulating pump of the acidic solution spraying device.
所述的废气碱化吸收组件与废气酸化吸收组件之间设有第一除雾器,所述的废气酸化吸收组件与废气出口之间设有第二除雾器。除雾器是将烟气中的大液滴进行收集,并使之返回,减少烟气中的水份,其工作原理是烟气进入除雾器,经过一系列弯道,从顶部排出,而水滴由于其质量和动能的作用,在经过弯道部分时,直线下落,冲撞除雾器的表面,并在到重力作用下弹回。A first mist eliminator is provided between the exhaust gas alkalization absorption assembly and the exhaust gas acidification absorption assembly, and a second mist eliminator is provided between the exhaust gas acidification absorption assembly and the exhaust gas outlet. The demister collects the large liquid droplets in the flue gas and returns them to reduce the moisture in the flue gas. Its working principle is that the flue gas enters the mist eliminator, passes through a series of bends, and is discharged from the top. Due to the effect of its mass and kinetic energy, the water droplet falls in a straight line when passing through the curve, collides with the surface of the demister, and bounces back under the action of gravity.
为便于设备检修和设备轮换,所述的废气净化器具有并联设置互为备用或同时工作的两套,两套废气净化器的废气进口均通过管路和阀门连通废气收集输送系统,两套废气净化器的废气进口均通过管路和阀门连通排风筒。可通过阀门实现切换,当废气量大时也可两套设备同时运行。In order to facilitate equipment maintenance and equipment rotation, the exhaust gas purifier has two sets that are set up in parallel as backup or work at the same time. The exhaust gas inlets of the two sets of exhaust gas purifiers are connected to the exhaust gas collection and delivery system through pipelines and valves. The exhaust gas inlet of the purifier is connected to the exhaust cylinder through pipelines and valves. The switch can be realized through the valve, and when the amount of exhaust gas is large, the two sets of equipment can also be operated at the same time.
具体的,所述的废气净化器中间为圆柱形、上下两端为圆锥形容器,废气净化器的罐体上开设有观测口和检修更换口。体积可根据待处理气体量的多少而定,采用立式竖直放置。Specifically, the middle of the exhaust gas purifier is cylindrical, and the upper and lower ends are conical containers. The tank body of the exhaust gas purifier is provided with an observation port and a maintenance and replacement port. The volume can be determined according to the amount of gas to be treated, and it can be placed vertically.
进一步的与圆柱形容器相匹配,所述的臭氧氧化水储水槽、碱性溶液储水槽和酸性溶液储水槽为圆盆形,臭氧氧化水储水槽、碱性溶液储水槽和酸性溶液储水槽上方均设有喷淋水聚集装置,所述的喷淋水聚集装置的下端直径小于臭氧氧化水储水槽、碱性溶液储水槽和酸性溶液储水槽的直径。喷淋水聚集装置可使喷淋水聚集回流至臭氧氧化水储水槽、碱性溶液储水槽和酸性溶液储水槽。Further matched with the cylindrical container, the ozonated water storage tank, alkaline solution storage tank and acidic solution storage tank are in the shape of a circular basin, and the ozone oxidation water storage tank, alkaline solution storage tank and acidic solution storage tank are above the All are equipped with a spray water gathering device, and the diameter of the lower end of the spray water gathering device is smaller than the diameters of the ozone oxidation water storage tank, the alkaline solution storage tank and the acid solution storage tank. The spray water gathering device can make the spray water gather and flow back to the ozone oxidation water storage tank, the alkaline solution storage tank and the acidic solution storage tank.
进一步的,为及时补充吸收溶液,所述的废气碱化吸收组件还包括加碱装置,所述的加碱装置包括碱液罐和搅拌装置,碱液罐通过管路和阀门连通碱性溶液循环泵;废气酸化组件还包括加酸装置,所述的加酸装置包括酸液罐和搅拌装置,酸液罐通过管路和阀门连通酸性溶液循环泵。吸收溶液的配比浓度根据处理的废气量和废气浓度来决定。Further, in order to supplement the absorption solution in time, the waste gas alkalization absorption assembly also includes an alkali adding device, and the alkali adding device includes a lye tank and a stirring device, and the lye tank is connected to the alkaline solution through pipelines and valves to circulate Pump; the exhaust gas acidification component also includes an acid adding device, the acid adding device includes an acid liquid tank and a stirring device, and the acid liquid tank is connected to the acid solution circulation pump through a pipeline and a valve. The ratio concentration of the absorption solution is determined according to the amount of waste gas to be treated and the concentration of waste gas.
进一步的,所述的臭氧氧化水喷淋装置、碱性溶液喷淋装置和酸性溶液喷淋装置为螺旋状喷淋装置。喷射出的水呈现雾状,且水雾之间交叉融合,不留死角,有利于扩大废气与溶液的接触面积,提高吸收率和吸收效果。Further, the ozonated water spraying device, the alkaline solution spraying device and the acidic solution spraying device are spiral spraying devices. The sprayed water is in the form of mist, and the water mist intersects and merges without leaving any dead angle, which is conducive to expanding the contact area between the exhaust gas and the solution, and improving the absorption rate and absorption effect.
所述的废气碱化吸收组件采用的碱性溶液为氢氧化钠溶液或石灰水,所述的废气酸化吸收组件采用的酸性溶液为硫酸或盐酸。The alkaline solution used in the waste gas alkalization absorption component is sodium hydroxide solution or lime water, and the acid solution used in the waste gas acidification absorption component is sulfuric acid or hydrochloric acid.
进一步的优选设备,所述的臭氧发生器为中频臭氧发生器。可产生浓度10mg/L以上的臭氧,且耗电量少,占地面积小,能实现自动控制。As a further preferred device, the ozone generator is an intermediate frequency ozone generator. It can generate ozone with a concentration of more than 10mg/L, and consumes less power, occupies a small area, and can realize automatic control.
进一步的优选设备,除雾器为折流板除雾器或漩流板除雾器。As a further preferred device, the mist eliminator is a baffle plate mist eliminator or a swirl plate mist eliminator.
进一步的,使用热交换器利用工业余热对净化的废气进行加热,增加净化后废气的扩散能力,减少可见烟汽的出现。Further, a heat exchanger is used to heat the purified waste gas with industrial waste heat, so as to increase the diffusion capacity of the purified waste gas and reduce the appearance of visible smoke.
本发明的有益效果是,本发明的废气处理系统装置结构简单,易于制造,首先经洗涤除尘和臭氧氧化后,进入废气碱化吸收组件,经除雾器除湿后,进入废气酸化吸收组件,再经除雾器除湿后加热排放,能有效处理各种有机、无机废气,各种酸性和碱性废气;能有效净化高浓度粉尘废气,解决工厂车间、垃圾站、污水生化曝气池等废气源产生的废气污染问题。The beneficial effect of the present invention is that the waste gas treatment system device of the present invention has a simple structure and is easy to manufacture. Firstly, after washing and dust removal and ozone oxidation, it enters the waste gas alkalization absorption component, and after being dehumidified by the demister, enters the waste gas acidification absorption component, and then After being dehumidified by the demister, it is heated and discharged, which can effectively treat various organic and inorganic waste gases, various acidic and alkaline waste gases; it can effectively purify high-concentration dust waste gas, and solve waste gas sources such as factory workshops, garbage stations, sewage biochemical aeration tanks, etc. The problem of exhaust pollution.
附图说明Description of drawings
下面结合附图和实施例对本发明进一步说明。The present invention will be further described below in conjunction with the accompanying drawings and embodiments.
图1是本发明的废气处理系统装置的实施例结构框图;Fig. 1 is the structural block diagram of the embodiment of the waste gas treatment system device of the present invention;
图2是本发明的实施例中废气净化器的内部结构示意图;Fig. 2 is a schematic diagram of the internal structure of the exhaust gas purifier in an embodiment of the present invention;
图3是本发明实施例的流程图;Fig. 3 is the flowchart of the embodiment of the present invention;
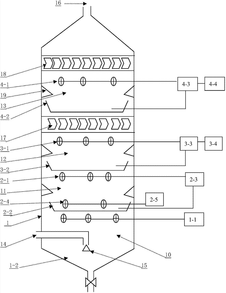
图中:1.废气净化器,10.废气洗涤除尘区,11.废气氧化吸收区,12.废气碱化吸收区,13.废气酸化吸收区,14.废气进口,15.气体导流三角锥,16.废气出口,1-1.自来水喷淋装置,1-2.粉尘废水集水圆锥槽,2-1.臭氧氧化水喷淋装置,2-2.臭氧氧化水储水槽,2-3.臭氧氧化水循环泵,2-4.臭氧曝气盘,2-5.臭氧发生器,3-1.碱性溶液喷淋装置,3-2.碱性溶液储水槽,3-3.碱性溶液循环泵,3-4.加碱装置,4-1.酸性溶液喷淋装置,4-2.酸性溶液储水槽,4-3.酸性溶液循环泵,4-4.加酸装置,17.第一除雾器,18.第二除雾器,19.喷淋水聚集装置。In the figure: 1. Exhaust gas purifier, 10. Exhaust gas washing and dust removal area, 11. Exhaust gas oxidation absorption area, 12. Exhaust gas alkalization absorption area, 13. Exhaust gas acidification absorption area, 14. Exhaust gas inlet, 15. Gas diversion triangular cone , 16. Exhaust gas outlet, 1-1. Tap water spray device, 1-2. Dust waste water collection cone tank, 2-1. Ozone oxidation water spray device, 2-2. Ozone oxidation water storage tank, 2-3 .Ozone oxidation water circulation pump, 2-4. Ozone aeration pan, 2-5. Ozone generator, 3-1. Alkaline solution spray device, 3-2. Alkaline solution water storage tank, 3-3. Alkaline Solution circulating pump, 3-4. Alkali adding device, 4-1. Acidic solution spraying device, 4-2. Acidic solution water storage tank, 4-3. Acidic solution circulating pump, 4-4. Acid adding device, 17. First demister, 18. Second demister, 19. Spray water gathering device.
具体实施方式Detailed ways
现在结合附图对本发明作进一步详细的说明。这些附图均为简化的示意图,仅以示意方式说明本发明的基本结构,因此其仅显示与本发明有关的构成。The present invention is described in further detail now in conjunction with accompanying drawing. These drawings are all simplified schematic diagrams, which only illustrate the basic structure of the present invention in a schematic manner, so they only show the configurations related to the present invention.
如图1~3所示的本发明的废气处理系统装置的实施例,包括废气净化器1和向废气净化器1输入和输出废气的废气收集输送系统,废气净化器1内从底部向上依次为废气洗涤除尘区10、废气氧化吸收区11、废气碱化吸收区12和废气酸化吸收区13,废气洗涤除尘区10设有废气进口14,废气进口14通过管路连通废气收集输送系统,废气净化器1顶部设有废气出口16,废气出口16通过管道连接热交换器,加热后的废气通过排气筒排放。The embodiment of the exhaust gas treatment system device of the present invention as shown in Figures 1 to 3 includes an
所述的废气洗涤除尘区10内设有废气洗涤除尘组件,所述的废气洗涤除尘组件包括位于废气洗涤除尘组件上部的自来水喷淋装置1-1、位于废气洗涤除尘组件下部的粉尘废水集水锥形槽1-2,粉尘废水集水锥形槽1-2通过阀门和管道连接废水沉淀池,废水处理达标后排入市政污水管网。The exhaust gas washing and
废气氧化吸收区11内设有废气氧化吸收组件,废气氧化吸收组件包括位于废气氧化吸收区11上部的臭氧氧化水喷淋装置2-1、位于废气氧化吸收区11下部的臭氧氧化水储水槽2-2和置于臭氧氧化水储水槽2-2中的臭氧曝气盘2-4,臭氧曝气盘2-4通过曝气罐连通臭氧发生器2-5,还具有将臭氧氧化水储水槽2-2中的臭氧氧化水泵入臭氧氧化水喷淋装置2-1的臭氧氧化水循环泵2-3,臭氧发生器2-5为中频臭氧发生器;臭氧氧化水储水槽2-2中溶液消耗时,可以自动补充溶液,臭氧氧化水储水槽2-2中的溶液色度变深时或浊度较高时需更换清水。The exhaust gas
废气碱化吸收区12设有废气碱化吸收组件,废气碱化吸收组件包括位于废气碱化吸收区12上部的碱性溶液喷淋装置3-1、位于废气碱化吸收区12下部的碱性溶液储水槽3-2和将碱性溶液储水槽3-2中的碱性溶液泵入碱性溶液喷淋装置3-1的碱性溶液循环泵3-3,废气碱化吸收组件还包括加碱装置3-4,加碱装置3-4包括碱液罐和搅拌装置,碱液罐通过管路和阀门连通碱性溶液循环泵3-3。The exhaust gas
废气酸化吸收区13设有废气酸化吸收组件,废气酸化吸收组件包括位于废气酸化吸收区13上部的酸性溶液喷淋装置4-1、位于废气酸化吸收区13下部的酸性溶液储水槽4-2和将酸性溶液储水槽4-2中的酸性溶液泵入酸性溶液喷淋装置4-1的酸性溶液循环泵4-3,废气酸化组件还包括加酸装置4-4,加酸装置4-4包括酸液罐和搅拌装置,酸液罐通过管路和阀门连通酸性溶液循环泵4-3。The exhaust gas
废气碱化吸收区12与废气酸化吸收区13之间设有折流板式第一除雾器17,废气酸化吸收区13与废气出口16之间设有折流板式第二除雾器18。A baffle type
废气净化器1中间为圆柱形、上下为圆锥形容器,废气净化器1的罐体上开设有观测口和检修更换口。臭氧氧化水储水槽2-2、碱性溶液储水槽3-2和酸性溶液储水槽4-2为圆盆形,臭氧氧化水储水槽2-2、碱性溶液储水槽3-2和酸性溶液储水槽4-2上方均设有喷淋水聚集装置19,喷淋水聚集装置19的下端直径小于臭氧氧化水储水槽2-2、碱性溶液储水槽3-2和酸性溶液储水槽4-2的直径。The middle of the
臭氧氧化水喷淋装置2-1、碱性溶液喷淋装置3-1和酸性溶液喷淋装置4-1为螺旋状喷淋装置。The ozonated water spraying device 2-1, the alkaline solution spraying device 3-1 and the acidic solution spraying device 4-1 are spiral spraying devices.
废气碱化吸收组件采用的碱性溶液为氢氧化钠溶液或石灰水,废气酸化吸收组件采用的酸性溶液为硫酸或盐酸。The alkaline solution used in the waste gas alkalization absorption component is sodium hydroxide solution or lime water, and the acid solution used in the waste gas acidification absorption component is sulfuric acid or hydrochloric acid.
车间等废气源产生的废气由废气收集输送系统收集后由废气进口14进入废气净化器1,由于气体导流三角锥15的作用,废气四散均匀分布,自来水从均布的喷淋装置1-1喷出,对废气进行洗涤除尘,废气中的颗粒物被拦截吸收落入下部的粉尘废水集水圆锥槽1-2,通过阀门和管道进入废水沉淀池,废水处理达标后排入市政污水管网。废气上升到氧化吸收区11内,臭氧氧化水从均布的臭氧氧化水喷淋装置2-1喷出,形成无数细小雾滴,与废气充分混合接触后发生化学反应,废气中的有害物质被氧化成易于吸收和吸附的小分子物质,一部分被吸收在臭氧氧化水中。废气继续上升与碱性溶液喷淋装置3-1喷出的碱性溶液接触,废气中酸性物质与碱性物质发生化学反应,反应生成物随碱性溶液流入下部碱性溶液储水槽3-2,然后进入第一除雾器17,废气中的液滴在这里被拦截下来;废气继续上升与酸性溶液喷淋装置4-1喷出的酸性溶液接触,废气中的碱性物质与酸发生化学反应,反应生成物随酸性溶液流入下部酸性溶液储水槽4-2,然后进入第二除雾器18,废气中的液滴在这里被拦截下来,至此废气被处理成洁净的气体,加热后实现达标排放。Exhaust gas generated by exhaust gas sources such as workshops is collected by the exhaust gas collection and conveying system and enters the
以上述依据本发明的理想实施例为启示,通过上述的说明内容,相关工作人员完全可以在不偏离本项发明技术思想的范围内,进行多样的变更以及修改。本项发明的技术性范围并不局限于说明书上的内容,必须要根据权利要求范围来确定其技术性范围。Inspired by the above-mentioned ideal embodiment according to the present invention, through the above-mentioned description content, relevant workers can make various changes and modifications within the scope of not departing from the technical idea of the present invention. The technical scope of the present invention is not limited to the content in the specification, but must be determined according to the scope of the claims.
Claims (5)
Priority Applications (1)
| Application Number | Priority Date | Filing Date | Title |
|---|---|---|---|
| CN201310739592.4A CN103657306A (en) | 2013-12-27 | 2013-12-27 | Waste gas treatment device |
Applications Claiming Priority (1)
| Application Number | Priority Date | Filing Date | Title |
|---|---|---|---|
| CN201310739592.4A CN103657306A (en) | 2013-12-27 | 2013-12-27 | Waste gas treatment device |
Publications (1)
| Publication Number | Publication Date |
|---|---|
| CN103657306A true CN103657306A (en) | 2014-03-26 |
Family
ID=50296807
Family Applications (1)
| Application Number | Title | Priority Date | Filing Date |
|---|---|---|---|
| CN201310739592.4A Pending CN103657306A (en) | 2013-12-27 | 2013-12-27 | Waste gas treatment device |
Country Status (1)
| Country | Link |
|---|---|
| CN (1) | CN103657306A (en) |
Cited By (11)
| Publication number | Priority date | Publication date | Assignee | Title |
|---|---|---|---|---|
| CN104307863A (en) * | 2014-10-21 | 2015-01-28 | 常州大学 | Severely-polluted soil remediation device |
| CN104445725A (en) * | 2014-11-20 | 2015-03-25 | 常州大学 | Integral device for treating waste gas and high-concentration ammonia nitrogen containing waste water |
| CN104437047A (en) * | 2014-10-30 | 2015-03-25 | 常州大学 | Dedusting denitration and desulphurization device |
| CN104548899A (en) * | 2014-12-15 | 2015-04-29 | 常州大学 | Integral odor treatment device for sewage treatment plant |
| CN105289165A (en) * | 2015-10-09 | 2016-02-03 | 贵州省遵义市永力机电安装有限公司 | Water curtain type smoke dust removal device |
| CN105749637A (en) * | 2016-04-07 | 2016-07-13 | 常州大学 | Comprehensive treatment system of waste gas in production of rubber tires |
| CN106268233A (en) * | 2016-09-06 | 2017-01-04 | 常州大学 | CH3NH2 (g) exhaust gas treatment device |
| CN106669392A (en) * | 2016-12-23 | 2017-05-17 | 常州大学 | Waste gas treatment device for setting machine |
| CN108295637A (en) * | 2018-03-07 | 2018-07-20 | 北京北清环科环境工程有限公司 | The minimum discharge system and method for de-suphur of kiln fume, dedusting demisting |
| CN114984755A (en) * | 2022-08-08 | 2022-09-02 | 河北汉尧环保科技股份有限公司 | Denitration device |
| CN118184055A (en) * | 2024-03-29 | 2024-06-14 | 常州大学 | An integrated device for treating black and smelly shale gas flowback liquid |
Citations (3)
| Publication number | Priority date | Publication date | Assignee | Title |
|---|---|---|---|---|
| JP2002361035A (en) * | 2001-06-06 | 2002-12-17 | Babcock Hitachi Kk | Boiler flue gas treatment equipment |
| CN201613106U (en) * | 2010-02-24 | 2010-10-27 | 新疆旭日环保股份有限公司 | Stuffing spray-washing sewage deodorizing device |
| CN102716652A (en) * | 2012-07-09 | 2012-10-10 | 常州大学 | Comprehensive complicated waste gas treatment system |
-
2013
- 2013-12-27 CN CN201310739592.4A patent/CN103657306A/en active Pending
Patent Citations (3)
| Publication number | Priority date | Publication date | Assignee | Title |
|---|---|---|---|---|
| JP2002361035A (en) * | 2001-06-06 | 2002-12-17 | Babcock Hitachi Kk | Boiler flue gas treatment equipment |
| CN201613106U (en) * | 2010-02-24 | 2010-10-27 | 新疆旭日环保股份有限公司 | Stuffing spray-washing sewage deodorizing device |
| CN102716652A (en) * | 2012-07-09 | 2012-10-10 | 常州大学 | Comprehensive complicated waste gas treatment system |
Cited By (12)
| Publication number | Priority date | Publication date | Assignee | Title |
|---|---|---|---|---|
| CN104307863A (en) * | 2014-10-21 | 2015-01-28 | 常州大学 | Severely-polluted soil remediation device |
| CN104437047A (en) * | 2014-10-30 | 2015-03-25 | 常州大学 | Dedusting denitration and desulphurization device |
| CN104445725A (en) * | 2014-11-20 | 2015-03-25 | 常州大学 | Integral device for treating waste gas and high-concentration ammonia nitrogen containing waste water |
| CN104445725B (en) * | 2014-11-20 | 2016-02-10 | 常州大学 | Waste gas and high-concentration ammonia nitrogenous wastewater process integrated apparatus |
| CN104548899A (en) * | 2014-12-15 | 2015-04-29 | 常州大学 | Integral odor treatment device for sewage treatment plant |
| CN105289165A (en) * | 2015-10-09 | 2016-02-03 | 贵州省遵义市永力机电安装有限公司 | Water curtain type smoke dust removal device |
| CN105749637A (en) * | 2016-04-07 | 2016-07-13 | 常州大学 | Comprehensive treatment system of waste gas in production of rubber tires |
| CN106268233A (en) * | 2016-09-06 | 2017-01-04 | 常州大学 | CH3NH2 (g) exhaust gas treatment device |
| CN106669392A (en) * | 2016-12-23 | 2017-05-17 | 常州大学 | Waste gas treatment device for setting machine |
| CN108295637A (en) * | 2018-03-07 | 2018-07-20 | 北京北清环科环境工程有限公司 | The minimum discharge system and method for de-suphur of kiln fume, dedusting demisting |
| CN114984755A (en) * | 2022-08-08 | 2022-09-02 | 河北汉尧环保科技股份有限公司 | Denitration device |
| CN118184055A (en) * | 2024-03-29 | 2024-06-14 | 常州大学 | An integrated device for treating black and smelly shale gas flowback liquid |
Similar Documents
| Publication | Publication Date | Title |
|---|---|---|
| CN103657306A (en) | Waste gas treatment device | |
| CN102716652B (en) | Comprehensive complicated waste gas treatment system | |
| CN104307863B (en) | Serious pollution soil restoring device | |
| CN104056851B (en) | Volatile contaminant soil remediation integrated apparatus | |
| CN106669392A (en) | Waste gas treatment device for setting machine | |
| CN105749637A (en) | Comprehensive treatment system of waste gas in production of rubber tires | |
| CN103949131A (en) | Photochemistry coupling low-temperature plasma waste gas treatment device | |
| CN106268233A (en) | CH3NH2 (g) exhaust gas treatment device | |
| CN101224931A (en) | A method of ozone synergistic ultraviolet photocatalytic purification of circulating cooling water for evaporative cooling air conditioners | |
| CN102743968A (en) | Waste gas integrated treatment device | |
| CN104437047A (en) | Dedusting denitration and desulphurization device | |
| CN104548899A (en) | Integral odor treatment device for sewage treatment plant | |
| CN206587584U (en) | A complete set of sludge and odor treatment system | |
| CN204874120U (en) | Waste gas waste water that sprays paint integration processing system | |
| CN109939551A (en) | A waste gas treatment device | |
| CN103727548A (en) | APCVD on-line low-radiation film coating waste gas treatment device | |
| CN208115480U (en) | A kind of emission-control equipment of co-oxidation | |
| CN219290952U (en) | Gas circulation atomizing spray tail gas treatment device | |
| CN104492209A (en) | Petroleum ether exhaust-gas dedusting and recovery device | |
| CN104437054B (en) | A kind of electrolytic aluminium waste gas disposal integrated apparatus | |
| CN201906556U (en) | Waste gas treatment and purification device | |
| CN209093046U (en) | A laboratory exhaust gas composite absorption adsorption purification device | |
| CN111036051A (en) | A nitrogen oxide waste gas treatment device | |
| CN205598924U (en) | Novel industrial waste gas multi -stage purification device | |
| CN202410503U (en) | High-pressure water mist selective non-catalytic reduction denitration device |
Legal Events
| Date | Code | Title | Description |
|---|---|---|---|
| PB01 | Publication | ||
| PB01 | Publication | ||
| C10 | Entry into substantive examination | ||
| SE01 | Entry into force of request for substantive examination | ||
| C02 | Deemed withdrawal of patent application after publication (patent law 2001) | ||
| WD01 | Invention patent application deemed withdrawn after publication |
Application publication date: 20140326 |
