CN103243868A - Butt joint structure for color plate roofs - Google Patents
Butt joint structure for color plate roofs Download PDFInfo
- Publication number
- CN103243868A CN103243868A CN2013101929133A CN201310192913A CN103243868A CN 103243868 A CN103243868 A CN 103243868A CN 2013101929133 A CN2013101929133 A CN 2013101929133A CN 201310192913 A CN201310192913 A CN 201310192913A CN 103243868 A CN103243868 A CN 103243868A
- Authority
- CN
- China
- Prior art keywords
- steel plate
- shape
- slot
- steel
- shaped connecting
- Prior art date
- Legal status (The legal status is an assumption and is not a legal conclusion. Google has not performed a legal analysis and makes no representation as to the accuracy of the status listed.)
- Pending
Links
- 210000001503 joint Anatomy 0.000 title abstract 4
- 229910000831 Steel Inorganic materials 0.000 claims abstract description 73
- 239000010959 steel Substances 0.000 claims abstract description 73
- HCHKCACWOHOZIP-UHFFFAOYSA-N Zinc Chemical compound [Zn] HCHKCACWOHOZIP-UHFFFAOYSA-N 0.000 claims description 3
- 239000011701 zinc Substances 0.000 claims description 3
- 229910052725 zinc Inorganic materials 0.000 claims description 3
- XLYOFNOQVPJJNP-UHFFFAOYSA-N water Substances O XLYOFNOQVPJJNP-UHFFFAOYSA-N 0.000 abstract 1
- 230000009286 beneficial effect Effects 0.000 description 1
- 238000005034 decoration Methods 0.000 description 1
- 230000002950 deficient Effects 0.000 description 1
- 230000005662 electromechanics Effects 0.000 description 1
- 230000002708 enhancing effect Effects 0.000 description 1
- 230000007613 environmental effect Effects 0.000 description 1
Images
Landscapes
- Roof Covering Using Slabs Or Stiff Sheets (AREA)
Abstract
The invention discloses a butt joint structure for color plate roofs. The butt joint structure is provided with an I-shaped connecting steel plate with an I-shaped section, the I-shaped connecting steel plate is provided with a left slot and a right slot, the left slot and right slot are symmetrical to each other and integrally connected, edges of two adjacent color plates are inserted in left and right slots of the I-shaped connecting steel plate respectively, a plurality of fastening bolts penetrate into bolt holes on the I-shaped connecting steel plate and color plates simultaneously and fasten the I-shaped connecting steel plate and the color plates, and rubber seal rings are arranged between upper ends of the fastening bolts and the I-shaped connecting steel plate and lower ends of the fastening bolts and the I-shaped connecting steel plate . By means of the butt joint structure, connected roofs are flat, and water leakage of roofs can be avoided effectively.
Description
Technical field
The invention belongs to color steel prefabricated house structure field, be specifically related to a kind of syndeton of colored steel roof.
Background technology
Along with the progress of science and technology, the enhancing of environmental consciousness, the raising of living standards of the people, color steel more and more is subjected to the high praise of the world today, color steel demonstrates great vitality and vast market prospect, is built, the favor of household electrical appliances, electromechanics, communications and transportation, interior decoration, office furniture and other industry.Yet, present colored steel roof connected mode generally be adopt a color steel down, another piece color steel is last and use bolton, such connected mode not only causes roof leakage easily, and color steel last and another piece color steel under structure, cause the roofing out-of-flatness.
Summary of the invention
In order to overcome above-mentioned defective, the invention provides a kind of colored steel roof and flush structure, this colored steel roof flushes structure not only can make the roofing of connection smooth, and can effectively avoid roof leakage, and simple in structure, easy to implement.
The present invention for the technical scheme that solves its technical problem and adopt is:
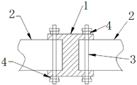
A kind of colored steel roof flushes structure, being provided with the cross section is that I-shaped I shape connects steel plate, described I shape connects steel plate and has left slot and right slot, described left slot and one symmetrical with described right slot is connected, the edge of adjacent two color steels inserts in respectively in the left slot and right slot of I shape connection steel plate, the left slot that described I shape connects steel plate is spaced apart along its length to be provided with some left slot bolts hole up and down that run through, the right slot that described I shape connects steel plate is spaced apart along its length to be provided with some right slot bolts hole up and down that run through, be provided with some fastening bolts, described fastening bolt is through at I shape simultaneously and connects in the bolt hole on steel plate and the color steel and with I shape and be connected steel plate and color steel locking, and the upper end of described fastening bolt is connected between the steel plate with described I shape and the lower end of described fastening bolt is connected with described I shape and all is provided with rubber seal between the steel plate.
The present invention for the further technical scheme that solves its technical problem and adopt is:
Described I shape connects surface of steel plate and has zinc coat.
The invention has the beneficial effects as follows: it mainly is that I shape connects steel plate that colored steel roof of the present invention flushes structure, the edge of adjacent two color steels inserts in respectively in the left slot and right slot of I shape connection steel plate, fastening bolt is through at I shape simultaneously and connects in the bolt hole on steel plate and the color steel and with I shape and be connected steel plate and color steel locking, the upper end of fastening bolt is connected between the steel plate with I shape and the lower end of fastening bolt is connected with I shape and all is provided with rubber seal between the steel plate, therefore this colored steel roof flushes structure and not only can make the roofing of connection smooth, and can effectively avoid roof leakage.
Description of drawings
Fig. 1 is structural representation of the present invention.
The specific embodiment
Embodiment: a kind of colored steel roof flushes structure, being provided with the cross section is that I-shaped I shape connects steel plate 1, described I shape connects steel plate and has left slot and right slot, described left slot and one symmetrical with described right slot is connected, the edge of adjacent two color steels 2 inserts in respectively in the left slot and right slot of I shape connection steel plate, the left slot that described I shape connects steel plate is spaced apart along its length to be provided with some left slot bolts hole up and down that run through, the right slot that described I shape connects steel plate is spaced apart along its length to be provided with some right slot bolts hole up and down that run through, be provided with some fastening bolts 3, described fastening bolt is through at I shape simultaneously and connects in the bolt hole on steel plate and the color steel and with I shape and be connected steel plate and color steel locking, and the upper end of described fastening bolt is connected between the steel plate with described I shape and the lower end of described fastening bolt is connected with described I shape and all is provided with rubber seal 4 between the steel plate.
Described I shape connects surface of steel plate and has zinc coat.
Claims (2)
1. a colored steel roof flushes structure, it is characterized in that: being provided with the cross section is that I-shaped I shape connects steel plate (1), described I shape connects steel plate and has left slot and right slot, described left slot and one symmetrical with described right slot is connected, the edge of adjacent two color steels (2) inserts in respectively in the left slot and right slot of I shape connection steel plate, the left slot that described I shape connects steel plate is spaced apart along its length to be provided with some left slot bolts hole up and down that run through, the right slot that described I shape connects steel plate is spaced apart along its length to be provided with some right slot bolts hole up and down that run through, be provided with some fastening bolts (3), described fastening bolt is through at I shape simultaneously and connects in the bolt hole on steel plate and the color steel and with I shape and be connected steel plate and color steel locking, and the upper end of described fastening bolt is connected between the steel plate with described I shape and the lower end of described fastening bolt is connected with described I shape and all is provided with rubber seal (4) between the steel plate.
2. colored steel roof as claimed in claim 1 flushes structure, it is characterized in that: described I shape connects surface of steel plate and has zinc coat.
Priority Applications (1)
| Application Number | Priority Date | Filing Date | Title |
|---|---|---|---|
| CN2013101929133A CN103243868A (en) | 2013-05-22 | 2013-05-22 | Butt joint structure for color plate roofs |
Applications Claiming Priority (1)
| Application Number | Priority Date | Filing Date | Title |
|---|---|---|---|
| CN2013101929133A CN103243868A (en) | 2013-05-22 | 2013-05-22 | Butt joint structure for color plate roofs |
Publications (1)
| Publication Number | Publication Date |
|---|---|
| CN103243868A true CN103243868A (en) | 2013-08-14 |
Family
ID=48923716
Family Applications (1)
| Application Number | Title | Priority Date | Filing Date |
|---|---|---|---|
| CN2013101929133A Pending CN103243868A (en) | 2013-05-22 | 2013-05-22 | Butt joint structure for color plate roofs |
Country Status (1)
| Country | Link |
|---|---|
| CN (1) | CN103243868A (en) |
Cited By (3)
| Publication number | Priority date | Publication date | Assignee | Title |
|---|---|---|---|---|
| CN108487101A (en) * | 2018-05-20 | 2018-09-04 | 沈阳建筑大学 | New road soundproof wall |
| CN108716258A (en) * | 2018-08-03 | 2018-10-30 | 江苏汉嘉薄膜太阳能科技有限公司 | Tile attachment device, tile connection system and building structure |
| CN112761866A (en) * | 2021-01-25 | 2021-05-07 | 三一重能股份有限公司 | Sectional blade structure and wind power generation equipment |
Citations (6)
| Publication number | Priority date | Publication date | Assignee | Title |
|---|---|---|---|---|
| GB1009142A (en) * | 1963-05-09 | 1965-11-10 | H H Robertson Holdings Ltd | New or improved joint for building sheets |
| CN202148606U (en) * | 2011-05-23 | 2012-02-22 | 刘永文 | Clamping plate connecting section bar |
| CN102383532A (en) * | 2011-09-06 | 2012-03-21 | 北京科特龙阳光板材有限公司 | Specially-shaped right-angle sunlight plate |
| CN202208999U (en) * | 2011-08-01 | 2012-05-02 | 海宁市正兴耐力板有限公司 | Metallic installation section bar of plane skylight |
| CN102677776A (en) * | 2011-03-14 | 2012-09-19 | 江苏弘盛建设工程集团有限公司 | Color steel sandwich panel skeleton with connecting pieces |
| CN203284978U (en) * | 2013-05-22 | 2013-11-13 | 昆山坤林彩钢板活动房有限公司 | Abutment joint structure of color steel plate roof |
-
2013
- 2013-05-22 CN CN2013101929133A patent/CN103243868A/en active Pending
Patent Citations (6)
| Publication number | Priority date | Publication date | Assignee | Title |
|---|---|---|---|---|
| GB1009142A (en) * | 1963-05-09 | 1965-11-10 | H H Robertson Holdings Ltd | New or improved joint for building sheets |
| CN102677776A (en) * | 2011-03-14 | 2012-09-19 | 江苏弘盛建设工程集团有限公司 | Color steel sandwich panel skeleton with connecting pieces |
| CN202148606U (en) * | 2011-05-23 | 2012-02-22 | 刘永文 | Clamping plate connecting section bar |
| CN202208999U (en) * | 2011-08-01 | 2012-05-02 | 海宁市正兴耐力板有限公司 | Metallic installation section bar of plane skylight |
| CN102383532A (en) * | 2011-09-06 | 2012-03-21 | 北京科特龙阳光板材有限公司 | Specially-shaped right-angle sunlight plate |
| CN203284978U (en) * | 2013-05-22 | 2013-11-13 | 昆山坤林彩钢板活动房有限公司 | Abutment joint structure of color steel plate roof |
Cited By (3)
| Publication number | Priority date | Publication date | Assignee | Title |
|---|---|---|---|---|
| CN108487101A (en) * | 2018-05-20 | 2018-09-04 | 沈阳建筑大学 | New road soundproof wall |
| CN108716258A (en) * | 2018-08-03 | 2018-10-30 | 江苏汉嘉薄膜太阳能科技有限公司 | Tile attachment device, tile connection system and building structure |
| CN112761866A (en) * | 2021-01-25 | 2021-05-07 | 三一重能股份有限公司 | Sectional blade structure and wind power generation equipment |
Similar Documents
| Publication | Publication Date | Title |
|---|---|---|
| CN103243868A (en) | Butt joint structure for color plate roofs | |
| CN203603316U (en) | Integrated light partition wall system with ultrahigh space | |
| CN203284976U (en) | Flush joint type color plate leakage-proof roofing structure | |
| CN203284978U (en) | Abutment joint structure of color steel plate roof | |
| CN203284977U (en) | Leakproof abutment joint structure of color steel plate roof | |
| CN204343558U (en) | A kind of high strength easy is in the color steel assembly of splicing | |
| CN103243867A (en) | Leakage-proof butt joint structure for color plate roofs | |
| CN203284980U (en) | Leakage-proof color steel plate roof connecting structure | |
| CN204370571U (en) | A kind of floor plates constructing structure for building | |
| CN103233555A (en) | Butt-jointed color-plate leakproof roofing structure | |
| CN204715639U (en) | A kind of pressing steel plate roofing plate | |
| CN204024367U (en) | A kind of thermal insulation door panel | |
| CN205754177U (en) | Solar energy power generating aluminum frame | |
| CN204510584U (en) | A kind of novel architecture composite ceiling structure | |
| CN202831371U (en) | Partition wall board with anti-seismic clamping groove structure | |
| CN203284934U (en) | Connecting beam for color steel plate suspended ceiling | |
| CN103266722A (en) | Leakage-proof colored steel sheet roof connecting structure | |
| CN203284979U (en) | Windproof, leakproof and rustproof connecting plate for connecting color steel plate | |
| CN203284981U (en) | Leakproof connecting structure of color steel plate roof | |
| CN103243869A (en) | Leakage-proof connecting structure for color plate roofs | |
| CN204401851U (en) | A kind of composite ceiling structure for building | |
| CN204081370U (en) | Building heat preservation decorative panel connects securing member | |
| CN204531261U (en) | A kind of color steel buckle | |
| CN203977730U (en) | A kind of joint structure of roofing lightning protection net | |
| CN202627259U (en) | Keel for rapidly hooking steel wire gauze |
Legal Events
| Date | Code | Title | Description |
|---|---|---|---|
| C06 | Publication | ||
| PB01 | Publication | ||
| C10 | Entry into substantive examination | ||
| SE01 | Entry into force of request for substantive examination | ||
| C02 | Deemed withdrawal of patent application after publication (patent law 2001) | ||
| WD01 | Invention patent application deemed withdrawn after publication |
Application publication date: 20130814 |