WO2017186028A1 - Protection circuit and system of electronic contactor - Google Patents

Protection circuit and system of electronic contactor Download PDF

Info

Publication number
WO2017186028A1
WO2017186028A1 PCT/CN2017/080923 CN2017080923W WO2017186028A1 WO 2017186028 A1 WO2017186028 A1 WO 2017186028A1 CN 2017080923 W CN2017080923 W CN 2017080923W WO 2017186028 A1 WO2017186028 A1 WO 2017186028A1
Authority
WO
WIPO (PCT)
Prior art keywords
circuit
switch tube
power
voltage
electronic contactor
Prior art date
Legal status (The legal status is an assumption and is not a legal conclusion. Google has not performed a legal analysis and makes no representation as to the accuracy of the status listed.)
Ceased
Application number
PCT/CN2017/080923
Other languages
French (fr)
Chinese (zh)
Inventor
尚云
Current Assignee (The listed assignees may be inaccurate. Google has not performed a legal analysis and makes no representation or warranty as to the accuracy of the list.)
ZTE Corp
Original Assignee
ZTE Corp
Priority date (The priority date is an assumption and is not a legal conclusion. Google has not performed a legal analysis and makes no representation as to the accuracy of the date listed.)
Filing date
Publication date
Application filed by ZTE Corp filed Critical ZTE Corp
Publication of WO2017186028A1 publication Critical patent/WO2017186028A1/en
Anticipated expiration legal-status Critical
Ceased legal-status Critical Current

Links

Images

Classifications

    • HELECTRICITY
    • H03ELECTRONIC CIRCUITRY
    • H03KPULSE TECHNIQUE
    • H03K17/00Electronic switching or gating, i.e. not by contact-making and –breaking
    • H03K17/08Modifications for protecting switching circuit against overcurrent or overvoltage
    • H03K17/081Modifications for protecting switching circuit against overcurrent or overvoltage without feedback from the output circuit to the control circuit
    • H03K17/08104Modifications for protecting switching circuit against overcurrent or overvoltage without feedback from the output circuit to the control circuit in field-effect transistor switches
    • HELECTRICITY
    • H02GENERATION; CONVERSION OR DISTRIBUTION OF ELECTRIC POWER
    • H02HEMERGENCY PROTECTIVE CIRCUIT ARRANGEMENTS
    • H02H9/00Emergency protective circuit arrangements for limiting excess current or voltage without disconnection
    • H02H9/04Emergency protective circuit arrangements for limiting excess current or voltage without disconnection responsive to excess voltage
    • HELECTRICITY
    • H03ELECTRONIC CIRCUITRY
    • H03KPULSE TECHNIQUE
    • H03K17/00Electronic switching or gating, i.e. not by contact-making and –breaking
    • H03K17/08Modifications for protecting switching circuit against overcurrent or overvoltage

Definitions

  • the present invention relates to the field of circuit control, and in particular, to a protection circuit and system for an electronic contactor.
  • DC power supplies are widely used in various fields of production and life for powering various loads of equipment and instruments.
  • a mechanical contactor switch is usually used to control the continuity of the power supply line.
  • the mechanical contactor is expensive, and when the current is used, the noise is large, and the arcing damage is likely to occur, resulting in high use cost.
  • a pulse spike will be transmitted into the surrounding power grid, polluting the grid environment.
  • an electronic contactor is currently provided, the schematic of which is shown in FIG.
  • the drain of the MOS switch tube VT1 of the electronic contactor is connected to the positive pole of the power source, the source is connected to the negative pole of the power source through the load, the gate is connected to the driving circuit, and the two states of switching between the connected state and the off state are controlled under the control of the driving signal. Realize the control of the power line on and off.
  • the electronic contactor has the advantages of low price, low noise, no arc damage and pollution of the grid environment, and thus has been widely used.
  • Embodiments of the present invention provide a protection circuit and system for an electronic contactor, which solve the existing electricity There is a problem that a high voltage spike between the drain and the source of the sub-contactor switch causes damage to the switch.
  • an embodiment of the present invention provides a protection circuit for an electronic contactor, wherein a power input end of the switch tube of the electronic contactor is connected to a positive terminal of the power source, and a power output end is connected to a negative end of the power source through a load;
  • the protection circuit includes a first voltage absorbing circuit;
  • the first voltage absorbing circuit is respectively connected to the power input end of the switch tube and the power output end; when the switch tube is turned off, the first voltage absorbing circuit is connected to the positive end of the power supply, and passes through The load is connected to the negative end of the power source to form a charging circuit, and absorbs a voltage between the power input end of the switch tube and the power output end for charging; when the switch tube is connected, the first voltage absorbing circuit respectively The power input end and the power output end of the switch tube are connected to form a discharge circuit for discharging.
  • the method further includes a second voltage absorbing circuit, wherein the second voltage absorbing circuit is respectively connected to the positive end of the power source and the negative end of the power source; when the switch tube is turned off, The second voltage absorbing circuit is respectively connected to the positive terminal of the power source and the negative terminal of the power source to form a charging circuit, and absorbs an induced voltage generated by the wire of the positive terminal of the power source for charging; when the switching tube is connected, the second voltage The absorbing circuit is connected to both the power supply input end of the switch tube and the load output end, and discharges with the switch tube and the load to form a discharge circuit.
  • the second voltage absorbing circuit includes a second capacitor connected to the positive terminal of the power source and the negative terminal of the power source respectively.
  • the capacitance of the second capacitor is greater than or equal to 16384 microfarads.
  • the first voltage absorbing circuit includes a first capacitor connected to the power input end and the power output end of the switch tube at two ends.
  • the switch transistor is a MOS transistor or a triode or an insulated gate bipolar transistor.
  • the method further includes an energy absorbing circuit connected between the output end of the switch tube and the negative end of the power source, and the load is composed of An energy absorbing circuit; the energy on the wires in the energy absorbing circuit is released by the load when the switching tube is turned off.
  • the energy absorbing circuit includes a unidirectional conduction device connected between the output end of the switch tube and the negative end of the power supply, and the positive end of the unidirectional conduction device is The negative side of the power supply is connected.
  • the single-conductor is a diode.
  • an embodiment of the present invention further provides an electronic contactor system including an electronic contactor, a load, and a protection circuit as described above;
  • the power input end of the switch tube of the electronic contactor is connected to the positive end of the power source, the power output end is connected to the negative end of the power source through the load, and the driving signal access end is connected to the output end of the driving circuit; the first voltage absorption of the protection circuit
  • the circuit is respectively connected to the power input end of the switch tube and the power output end; when the switch tube is turned off, the first voltage absorbing circuit is connected to the positive terminal of the power supply, and is negative through the load and the power supply Extremely turning on the charging circuit, absorbing the voltage between the power input end of the switch tube and the power output end for charging; when the switch tube is connected, the first voltage absorbing circuit and the power input of the switch tube respectively The terminal and the power output are connected to form a discharge loop for discharging.
  • the power input end of the electronic contactor switch tube is connected with the positive end of the power source, the power output end is connected with the negative end of the power source through the load; the drive signal access end and the drive circuit output
  • the first voltage absorbing circuit of the protection circuit is respectively connected with the power input end of the switch circuit and the power output end; when the switch tube is turned off under the control of the driving signal, the first voltage absorbing circuit is connected to the positive terminal of the power supply, and passes through the load. Connected to the negative terminal of the power supply to form a charging circuit.
  • the voltage between the input end of the switching tube and the output of the power supply can be absorbed and charged, that is, the voltage spike between the input end of the switching tube and the power supply is absorbed, avoiding the The voltage spikes cause damage to the switch tube, which can reduce the cost of use and improve the safety and stability of the circuit control.
  • the switch tube is connected under the control of the driving signal, the first voltage absorbing circuit is respectively connected with the power input end of the switch tube and the power output end to form a discharge circuit, The previously absorbed electrical energy is discharged to prepare for the next turn-off of the switch.
  • a second voltage absorbing circuit is further disposed on the power input end side of the switch tube, and the second voltage absorbing circuit is connected to the positive end of the power source and the negative end of the power source to form a charging circuit when the switch tube is turned off, and the power is absorbed.
  • the induced voltage generated by the positive pole wire is charged, thereby further reducing the voltage applied across the drain and source of the switch tube to ensure the safety and reliability of the switch tube.
  • the second voltage absorbing circuit is connected to the power input end and the load output end of the switch tube, and is discharged by the switch tube and the load forming a discharge circuit to prepare for the next switch tube turn-off.
  • the embodiment of the present invention further provides an energy absorbing circuit disposed on the power output end side of the switch tube, the energy absorbing circuit being connected between the output end of the switch tube and the negative end of the power source, and the load constituting the energy absorbing circuit;
  • 1 is a schematic diagram of the principle of an electronic contactor
  • FIG. 2 is a schematic diagram of an electronic contactor system having a first voltage absorbing circuit according to a first embodiment of the present invention
  • FIG. 3 is a schematic diagram of an electronic contactor system having a second voltage absorbing circuit according to a first embodiment of the present invention
  • FIG. 4 is a schematic diagram of an electronic contactor system with an energy absorbing circuit according to a first embodiment of the present invention
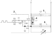
  • FIG. 5 is a schematic diagram of a MOS tube electronic contactor system according to a second embodiment of the present invention.
  • FIG. 6 is a schematic diagram of a charging circuit of a first voltage absorbing circuit when a MOS is turned off according to a second embodiment of the present invention
  • FIG. 7 is a schematic diagram of a discharge circuit of a first voltage absorbing circuit when a MOS is connected according to a second embodiment of the present invention.
  • FIG. 8 is a schematic diagram of a charging circuit of a second voltage absorbing circuit when the MOS is turned off according to the second embodiment of the present invention
  • FIG. 9 is a schematic diagram of an energy release circuit of an energy absorbing circuit when a MOS is turned off according to a second embodiment of the present invention.
  • the electronic contactor system provided in this embodiment includes an electronic contactor, a load, and a protection circuit.
  • the electronic contactor includes a switch tube 1 and a driving circuit 2
  • the protection circuit includes a first voltage absorbing circuit. 4.
  • the power input end of the switch tube 1 is connected to the positive end of the power source, the power output end is connected to the negative end of the power supply through the load 3, and the drive signal access end is connected to the output end of the drive circuit 2; the input end of the drive circuit 2 and the drive signal source connection.
  • the first voltage absorbing circuit 4 of the protection circuit is connected to the power input terminal and the power output terminal of the switching transistor 1, respectively.
  • the driving signal can be generated in various manners, for example, by a digital processing chip DSP or a single chip microcomputer or an ARM processor, or can be driven by a timer chip. signal.
  • the driving circuit 2 in this embodiment can also transmit the driving signal to the switching tube 1 by using any existing driving circuit.
  • the driving signal in this embodiment may specifically be a square wave signal, and the signal frequency may be specifically selected according to current specific requirements, such as current demand, frequency requirements for controlling opening and closing, and the like.
  • the switch tube 1 in this embodiment is specifically implemented by using various switch components, such as but not limited to a MOS transistor or a triode or an insulated gate bipolar transistor.
  • the switch tube 1 is specifically a MOS tube
  • the power input end of the switch tube 1 is a drain end, which is connected to the positive terminal of the power source, and the power output end is a source terminal, and is connected to the negative terminal of the power source.
  • the power supply can be provided by various power supply systems.
  • the first voltage absorbing circuit 6 is connected to the positive terminal of the power source, and is connected to the negative terminal of the power source through the load 3 to form a charging circuit, and the absorbing switch tube 1 is The voltage between the power input terminal and the power output terminal is charged, and the voltage spike between the power input end of the switch tube 1 and the power output end can be absorbed to prevent the voltage spike from damaging the switch tube, thereby reducing the use.
  • the cost can improve the safety and stability of the circuit control.
  • the first voltage absorbing circuit 6 is respectively connected to the power input end and the power output end of the switch tube to form a discharge circuit, and discharges the previously absorbed electric energy. It is expected that the next switch will be turned off to ensure the reliability and safety of the control.
  • the first voltage absorbing circuit 6 in this embodiment may be composed of a first capacitor. At this time, the two ends of the first capacitor are respectively connected with the power input end of the switch tube and the power output end, and the internal resistance of the switch tube can be directly formed at this time.
  • RC absorption circuit may also Add an external resistor directly to form an RC snubber circuit.
  • the protection circuit in this embodiment further includes a second voltage absorbing circuit, as shown in FIG.
  • the second voltage absorbing circuit 5 is respectively connected to the positive terminal of the power source (near the power input terminal of the switching transistor 1, for example, the drain terminal) and the negative terminal of the power supply.
  • the driving circuit 2 inputs the driving signal to control the switching tube 1 to be turned off
  • the equivalent inductance of the wire of the positive input terminal of the system power source generates an induced voltage
  • the second voltage absorbing circuit 5 is respectively connected with the positive terminal of the power source and the negative terminal of the power source to form a charging circuit.
  • the induced voltage generated by the positive terminal of the power source is absorbed to charge, so as to eliminate the influence of the inductance of the wire, thereby further reducing the voltage applied to the drain and the source of the switch, thereby ensuring the safety and reliability of the switch.
  • the driving circuit 2 inputs the driving signal to control the switching tube 1 to communicate
  • the second voltage absorbing circuit 5 and the switching tube 1 power input end and the load output end are connected to each other, and the switching tube 1 and the load 3 form a discharge circuit for discharging, so that the lower Prepare the shutdown of the switch 1 once.
  • the second voltage absorbing circuit 5 in this embodiment includes a second capacitor connected to the positive terminal of the power source and the negative terminal of the power supply at both ends.
  • the capacitance value of the second capacitor in this embodiment is greater than or equal to 16384 microfarads.
  • the corresponding capacitance value can be flexibly selected according to a specific application scenario.
  • first voltage absorbing circuit and the second voltage absorbing circuit in this embodiment can theoretically adopt any circuit capable of realizing voltage absorption and charging and discharging. It is not limited to the manner in which the above-described capacitor is used to form the charge and discharge circuit.
  • the output cable is also long, and its equivalent inductance is large.
  • the switch tube 1 When the switch tube 1 is turned off, the energy accumulated in the part of the cable also needs to be released. Therefore, the power output of the switch tube 1 is also in this embodiment.
  • the end side is provided with an energy absorbing circuit, as shown in FIG. 4, the energy absorbing circuit 6 is connected Between the output end of the switch tube 1 and the negative end of the power supply, an energy absorption circuit is formed with the load 3; when the switch tube 1 is turned off, the energy stored in the inductance of the wire in the energy absorption circuit 5 is released through the load 3 to eliminate the switch tube.
  • the influence of the inductance of the output side wire further enhances the safety and reliability of the electronic contactor.
  • the energy absorbing circuit 6 in this embodiment includes a unidirectional conduction device connected between the output end of the switching tube and the negative terminal of the power supply, and the positive terminal of the unidirectional conduction device is connected to the negative terminal of the power supply.
  • the single-conductor in this embodiment can theoretically employ any component capable of implementing a unidirectional conduction function, such as a diode.
  • a corresponding protection circuit can be respectively disposed on the power input end side of the switch tube, the power input end and the power output end, and the power output end side to prevent the switch tube from being damaged during the large current switching process, and the control is ensured. Safety and reliability.
  • the switching transistor is a MOS transistor
  • the driving signal is a square wave signal
  • the first voltage absorbing circuit and the second voltage absorbing circuit are composed of a capacitor (for example, an electrolytic capacitor)
  • the energy absorbing circuit is composed of a diode D2.
  • Composition for example, silicon carbide diode.
  • FIG. 6 shows that when the MOS transistor VT1 is switched from the communication to the shutdown under the control of the driving signal input by the driving circuit 2, the positive input terminal of the C1 is connected to the positive terminal of the power supply, and the negative output terminal is passed.
  • the load R5 is connected to the negative terminal of the power supply, and the absorption circuit of the voltage spike between the drain (ie, the power input terminal) and the source (ie, the power output terminal) of the MOS transistor VT1 is shown by the arrow of the dotted line in FIG.
  • the figure shows that the MOS transistor VT1 is switched from off to connected under the control of the driving signal input from the driving circuit 2.
  • the positive input terminal of the C1 is connected to the drain of the MOS transistor VT1, and the negative electrode is connected.
  • the output end is in communication with the source of the MOS transistor VT1, and forms a discharge loop with the internal resistance of the MOS transistor VT1.
  • the circuit of the C1 discharge is shown by the arrow of the dotted line in FIG.
  • the MOS transistor is discharged to the capacitor C1 before the next turn-off, in preparation for charging for the next absorption voltage.
  • FIG. 8 shows that the MOS transistor VT1 is switched from the communication to the shutdown under the control of the driving signal input by the driving circuit 2, and the C2 positive input terminal is connected to the positive terminal of the power supply, and the negative output terminal is directly connected. Connected to the negative terminal of the power supply to form a charging circuit.
  • the inductor voltage generated by the wire at the positive terminal of the power supply charges C2 through C2 absorption.
  • the specific charging circuit is shown by the arrow of the dotted line in Figure 8, and the source positive terminal can be eliminated.
  • the inductance of the part of the wire affects the voltage, further reducing the voltage applied to the drain and source of the MOS transistor.
  • the driving circuit 2 inputs the driving signal to control the MOS transistor VT1 to communicate, the drains of C2 and VT1 and the output of the load R5 are turned on, and the discharge circuit is formed with the MOS tube VT1 and the load R5, and the previously stored power is turned off once in the MOS tube. Release before the break, in order to prepare for the next absorption voltage.
  • FIG. 9 shows the MOS tube source VT1 under the control of the driving signal input by the driving circuit 2, when switching from the communication to the off, the energy absorption circuit composed of the diode D2 and the load 3 can be used as the MOS tube source.
  • the energy stored in the inductor below the terminal and in the energy absorbing loop is released through the load R5 to eliminate the influence of the inductance of the MOS drain output side conductor, thereby further improving the safety and reliability of the electronic contactor.
  • the switch tube in the present invention is not limited to the MOS tube, and other tube devices capable of implementing the break control may be employed; the voltage sink circuit is not limited to the above manner implemented by the capacitor; and the energy absorption circuit is not It is limited to the specific one-way device through the diode, and other components can be replaced according to actual needs.
  • the above is only a specific embodiment of the present invention, and is not intended to limit the present invention in any way. Any simple modification, equivalent change, combination or modification of the above embodiments in accordance with the technical spirit of the present invention is still in the present invention. The scope of protection of the technical solution of the invention.

Landscapes

  • Emergency Protection Circuit Devices (AREA)

Abstract

A protection circuit and system of an electronic contactor. A power input end of a switch tube (1) of an electronic contactor is connected with a positive end of a power source, and a power output end is connected with a negative end of the power source by means of a load (3); a drive signal access terminal is connected with an output end of a driver circuit (2), and a first voltage absorbing circuit (4) of a protection circuit is connected with the power input end and power output end of the switch tube (1), respectively; when the switch tube (1) is controlled by a drive signal to turn off, the first voltage absorbing circuit (4) is connected with the positive end of the power source, and is connected with the negative end of the power source by means of the load (3) to form a charging circuit. At such time, a voltage between the power input end and the power output end of the switch tube (1) is absorbed and charged, that is, the peak voltage between the power input end and power output end of the switch tube (1) is absorbed so as to prevent the peak voltage from causing damage to the switch tube (1), thereby reducing the usage costs and improving the safety and stability of circuit controls.

Description

一种电子接触器的保护电路及系统Protection circuit and system for electronic contactor 技术领域Technical field

本发明涉及电路控制领域,尤其涉及一种电子接触器的保护电路及系统。The present invention relates to the field of circuit control, and in particular, to a protection circuit and system for an electronic contactor.

背景技术Background technique

直流电源广泛应用于人们生产生活的各个领域中,用于为各种设备、仪表等负载供电。在直流电源和负载所组成的直流供电线路中,通常采用机械接触器开关控制供电线路的通断。但是,机械接触器存在价格昂贵,在大电流使用的时候,噪声大,且容易出现拉弧损坏的情况,导致使用成本高。另外在机械切换的时候,会有一个脉冲尖峰传导进入周边电网,污染电网环境。DC power supplies are widely used in various fields of production and life for powering various loads of equipment and instruments. In a DC power supply line composed of a DC power supply and a load, a mechanical contactor switch is usually used to control the continuity of the power supply line. However, the mechanical contactor is expensive, and when the current is used, the noise is large, and the arcing damage is likely to occur, resulting in high use cost. In addition, when the machine is switched, a pulse spike will be transmitted into the surrounding power grid, polluting the grid environment.

为了解决上述问题,目前提供了一种电子接触器,其原理图参见图1所示。电子接触器的MOS开关管VT1的漏极与电源正极连接,源极通过负载与电源负极连接,栅极与驱动电路连接,在驱动信号的控制下在连通和关断两个状态之间切换,实现对供电线路通断的控制。这种电子接触器相对机械接触器存在价格便宜、噪声小,不会出现拉弧损坏和污染电网环境的问题,因此得到了比较广泛的应用。但是,图1所示的电子接触器中,由于MOS开关管存在自身寄生电感,在大电流切换时候,MOS开关管的漏极和源极之间会有较高电压尖峰。该电压尖峰可能会远远超过MOS开关管电压应力的降额要求,导致MOS开关管损坏。由于电子接触器所有MOS开关管是并联的,一旦其中一个MOS开关管损坏,其他MOS开关管承受的电流更多,电压应力就更高,从而容易导致整个电子接触器损坏;使得对供电线路的通断控制失效,甚至会造成各种安全隐患。In order to solve the above problems, an electronic contactor is currently provided, the schematic of which is shown in FIG. The drain of the MOS switch tube VT1 of the electronic contactor is connected to the positive pole of the power source, the source is connected to the negative pole of the power source through the load, the gate is connected to the driving circuit, and the two states of switching between the connected state and the off state are controlled under the control of the driving signal. Realize the control of the power line on and off. The electronic contactor has the advantages of low price, low noise, no arc damage and pollution of the grid environment, and thus has been widely used. However, in the electronic contactor shown in FIG. 1, since the MOS switch tube has its own parasitic inductance, there is a high voltage spike between the drain and the source of the MOS switch tube at the time of large current switching. This voltage spike may far exceed the derating requirements of the MOS switch tube voltage stress, resulting in damage to the MOS switch tube. Since all the MOS switch tubes of the electronic contactor are connected in parallel, once one of the MOS switch tubes is damaged, the other MOS switch tubes are subjected to more current and the voltage stress is higher, which easily causes damage to the entire electronic contactor; The on-off control fails, and even causes various safety hazards.

发明内容Summary of the invention

本发明实施例提供了一种电子接触器的保护电路及系统,解决现有电 子接触器开关管的漏极和源极之间存在较高电压尖峰导致开关管损坏的问题。Embodiments of the present invention provide a protection circuit and system for an electronic contactor, which solve the existing electricity There is a problem that a high voltage spike between the drain and the source of the sub-contactor switch causes damage to the switch.

为了解决上述问题,本发明实施例提供了一种电子接触器的保护电路,所述电子接触器之开关管的电源输入端与电源正极端连接,电源输出端通过负载与电源负极端连接;所述保护电路包括第一电压吸收电路;In order to solve the above problems, an embodiment of the present invention provides a protection circuit for an electronic contactor, wherein a power input end of the switch tube of the electronic contactor is connected to a positive terminal of the power source, and a power output end is connected to a negative end of the power source through a load; The protection circuit includes a first voltage absorbing circuit;

所述第一电压吸收电路分别与所述开关管的电源输入端和电源输出端连接;在所述开关管关断时,所述第一电压吸收电路与所述电源正极端接通,并通过所述负载与电源负极端接通组成充电回路,吸收所述开关管电源输入端和电源输出端之间的电压进行充电;在所述开关管连通时,所述第一电压吸收电路分别与所述开关管的电源输入端和电源输出端接通组成放电回路进行放电。The first voltage absorbing circuit is respectively connected to the power input end of the switch tube and the power output end; when the switch tube is turned off, the first voltage absorbing circuit is connected to the positive end of the power supply, and passes through The load is connected to the negative end of the power source to form a charging circuit, and absorbs a voltage between the power input end of the switch tube and the power output end for charging; when the switch tube is connected, the first voltage absorbing circuit respectively The power input end and the power output end of the switch tube are connected to form a discharge circuit for discharging.

在本发明实施例的一种实施例中,还包括第二电压吸收电路,所述第二电压吸收电路分别与所述电源正极端和电源负极端连接;在所述开关管关断时,所述第二电压吸收电路分别与所述电源正极端和电源负极端接通组成充电回路,吸收所述电源正极端导线产生的感应电压进行充电;在所述开关管连通时,所述第二电压吸收电路与所述开关管电源输入端和所述负载输出端两端接通,与所述开关管和负载组成放电回路进行放电。In an embodiment of the present invention, the method further includes a second voltage absorbing circuit, wherein the second voltage absorbing circuit is respectively connected to the positive end of the power source and the negative end of the power source; when the switch tube is turned off, The second voltage absorbing circuit is respectively connected to the positive terminal of the power source and the negative terminal of the power source to form a charging circuit, and absorbs an induced voltage generated by the wire of the positive terminal of the power source for charging; when the switching tube is connected, the second voltage The absorbing circuit is connected to both the power supply input end of the switch tube and the load output end, and discharges with the switch tube and the load to form a discharge circuit.

在本发明实施例的一种实施例中,所述第二电压吸收电路包括两端分别与所述电源正极端和电源负极端连接的第二电容。In an embodiment of the present invention, the second voltage absorbing circuit includes a second capacitor connected to the positive terminal of the power source and the negative terminal of the power source respectively.

在本发明实施例的一种实施例中,所述第二电容的电容值大于等于16384微法。In an embodiment of the embodiment of the present invention, the capacitance of the second capacitor is greater than or equal to 16384 microfarads.

在本发明实施例的一种实施例中,所述第一电压吸收电路包括两端分别与所述开关管的电源输入端和电源输出端连接的第一电容。In an embodiment of the present invention, the first voltage absorbing circuit includes a first capacitor connected to the power input end and the power output end of the switch tube at two ends.

在本发明实施例的一种实施例中,所述开关管为MOS管或三极管或绝缘栅双极型晶体管。In an embodiment of the embodiments of the present invention, the switch transistor is a MOS transistor or a triode or an insulated gate bipolar transistor.

在本发明实施例的一种实施例中,还包括能量吸收电路,所述能量吸收电路连接在所述开关管输出端和所述电源负极端之间,与所述负载组成 能量吸收回路;在所述开关管关断时,所述能量吸收回路中导线上的能量通过所述负载释放。In an embodiment of the present invention, the method further includes an energy absorbing circuit connected between the output end of the switch tube and the negative end of the power source, and the load is composed of An energy absorbing circuit; the energy on the wires in the energy absorbing circuit is released by the load when the switching tube is turned off.

在本发明实施例的一种实施例中,所述能量吸收电路包括连接在所述开关管输出端和所述电源负极端之间单向导通器件,该单向导通器件的正极端与所述电源负极端连接。In an embodiment of the present invention, the energy absorbing circuit includes a unidirectional conduction device connected between the output end of the switch tube and the negative end of the power supply, and the positive end of the unidirectional conduction device is The negative side of the power supply is connected.

在本发明实施例的一种实施例中,所述单向导通器为二极管。In an embodiment of the embodiments of the present invention, the single-conductor is a diode.

为了解决上述问题,本发明实施例还提供了一种电子接触器系统,包括电子接触器、负载以及如上所述的保护电路;In order to solve the above problems, an embodiment of the present invention further provides an electronic contactor system including an electronic contactor, a load, and a protection circuit as described above;

所述电子接触器之开关管的电源输入端与电源正极端连接,电源输出端通过负载与电源负极端连接,驱动信号接入端与驱动电路输出端连接;所述保护电路的第一电压吸收电路分别与所述开关管的电源输入端和电源输出端连接;在所述开关管关断时,所述第一电压吸收电路与所述电源正极端接通,并通过所述负载与电源负极端接通组成充电回路,吸收所述开关管电源输入端和电源输出端之间的电压进行充电;在所述开关管连通时,所述第一电压吸收电路分别与所述开关管的电源输入端和电源输出端接通组成放电回路进行放电。The power input end of the switch tube of the electronic contactor is connected to the positive end of the power source, the power output end is connected to the negative end of the power source through the load, and the driving signal access end is connected to the output end of the driving circuit; the first voltage absorption of the protection circuit The circuit is respectively connected to the power input end of the switch tube and the power output end; when the switch tube is turned off, the first voltage absorbing circuit is connected to the positive terminal of the power supply, and is negative through the load and the power supply Extremely turning on the charging circuit, absorbing the voltage between the power input end of the switch tube and the power output end for charging; when the switch tube is connected, the first voltage absorbing circuit and the power input of the switch tube respectively The terminal and the power output are connected to form a discharge loop for discharging.

本发明的有益效果:The beneficial effects of the invention:

本发明实施例提供的电子接触器的保护电路及系统,电子接触器开关管的电源输入端与电源正极端连接,电源输出端通过负载与电源负极端连接;驱动信号接入端与驱动电路输出端连接,保护电路的第一电压吸收电路分别与开关管的电源输入端和电源输出端连接;驱动信号控制下开关管关断时,第一电压吸收电路与电源正极端接通,并通过负载与电源负极端接通组成充电回路,此时可对开关管电源输入端和电源输出端之间的电压进行吸收充电,也即将开关管电源输入端和电源输之间的电压尖峰吸收,避免该电压尖峰对开关管造成损害,既能降低使用成本,又能提升电路控制的安全性和稳定性。而在驱动信号控制下开关管连通时,第一电压吸收电路则分别与开关管的电源输入端和电源输出端接通组成放电回路,对之 前所吸收的电能进行放电处理,以为下一次开关管关断做准备。The protection circuit and system of the electronic contactor provided by the embodiment of the invention, the power input end of the electronic contactor switch tube is connected with the positive end of the power source, the power output end is connected with the negative end of the power source through the load; the drive signal access end and the drive circuit output The first voltage absorbing circuit of the protection circuit is respectively connected with the power input end of the switch circuit and the power output end; when the switch tube is turned off under the control of the driving signal, the first voltage absorbing circuit is connected to the positive terminal of the power supply, and passes through the load. Connected to the negative terminal of the power supply to form a charging circuit. At this time, the voltage between the input end of the switching tube and the output of the power supply can be absorbed and charged, that is, the voltage spike between the input end of the switching tube and the power supply is absorbed, avoiding the The voltage spikes cause damage to the switch tube, which can reduce the cost of use and improve the safety and stability of the circuit control. When the switch tube is connected under the control of the driving signal, the first voltage absorbing circuit is respectively connected with the power input end of the switch tube and the power output end to form a discharge circuit, The previously absorbed electrical energy is discharged to prepare for the next turn-off of the switch.

另外,本发明实施例还在开关管的电源输入端侧设置第二电压吸收电路,该第二电压吸收电路在开关管关断时与电源正极端和电源负极端接通组成充电回路,吸收电源正极端导线产生的感应电压进行充电,进而进一步减小加载在开关管漏极和源极两端的电压,保证开关管的安全性和可靠性。而在开关管连通时,该第二电压吸收电路与开关管电源输入端和负载输出端接通,与开关管和负载组成放电回路进行放电,以为下一次开关管关断做准备。In addition, in the embodiment of the present invention, a second voltage absorbing circuit is further disposed on the power input end side of the switch tube, and the second voltage absorbing circuit is connected to the positive end of the power source and the negative end of the power source to form a charging circuit when the switch tube is turned off, and the power is absorbed. The induced voltage generated by the positive pole wire is charged, thereby further reducing the voltage applied across the drain and source of the switch tube to ensure the safety and reliability of the switch tube. When the switch tube is connected, the second voltage absorbing circuit is connected to the power input end and the load output end of the switch tube, and is discharged by the switch tube and the load forming a discharge circuit to prepare for the next switch tube turn-off.

进一步地,本发明实施例还在开关管的电源输出端侧设置能量吸收电路,该能量吸收电路连接在开关管输出端和电源负极端之间,与负载组成能量吸收回路;在开关管关断时,能量吸收回路中导线上的电感蓄的能量通过负载释放,以消除开关管输出侧导线电感的影响,进一步提升电子接触器的安全性和可靠性。Further, the embodiment of the present invention further provides an energy absorbing circuit disposed on the power output end side of the switch tube, the energy absorbing circuit being connected between the output end of the switch tube and the negative end of the power source, and the load constituting the energy absorbing circuit; When the energy stored in the inductance of the wire in the energy absorption circuit is released by the load, the influence of the wire inductance on the output side of the switch tube is eliminated, and the safety and reliability of the electronic contactor are further improved.

附图说明DRAWINGS

此处所说明的附图用来提供对本发明的进一步理解,构成本申请的一部分,本发明的示意性实施例及其说明用于解释本发明,并不构成对本发明的不当限定。在附图中:The drawings described herein are intended to provide a further understanding of the invention, and are intended to be a part of the invention. In the drawing:

图1为一种电子接触器原理示意图;1 is a schematic diagram of the principle of an electronic contactor;

图2为本发明第一实施例提供的具有第一电压吸收电路的电子接触器系统示意图;2 is a schematic diagram of an electronic contactor system having a first voltage absorbing circuit according to a first embodiment of the present invention;

图3为本发明第一实施例提供的具有第二电压吸收电路的电子接触器系统示意图;3 is a schematic diagram of an electronic contactor system having a second voltage absorbing circuit according to a first embodiment of the present invention;

图4为本发明第一实施例提供的具有能量吸收电路的电子接触器系统示意图;4 is a schematic diagram of an electronic contactor system with an energy absorbing circuit according to a first embodiment of the present invention;

图5为本发明第二实施例提供的MOS管电子接触器系统示意图; FIG. 5 is a schematic diagram of a MOS tube electronic contactor system according to a second embodiment of the present invention; FIG.

图6为本发明第二实施例提供的MOS关断时第一电压吸收电路的充电回路示意图;6 is a schematic diagram of a charging circuit of a first voltage absorbing circuit when a MOS is turned off according to a second embodiment of the present invention;

图7为本发明第二实施例提供的MOS连通时第一电压吸收电路的放电回路示意图;7 is a schematic diagram of a discharge circuit of a first voltage absorbing circuit when a MOS is connected according to a second embodiment of the present invention;

图8为本发明第二实施例提供的MOS关断时第二电压吸收电路的充电回路示意图;8 is a schematic diagram of a charging circuit of a second voltage absorbing circuit when the MOS is turned off according to the second embodiment of the present invention;

图9为本发明第二实施例提供的MOS关断时能量吸收电路的能量释放回路示意图。FIG. 9 is a schematic diagram of an energy release circuit of an energy absorbing circuit when a MOS is turned off according to a second embodiment of the present invention.

具体实施方式detailed description

下面将结合本发明实施例中的附图,对本发明实施例中的技术方案进行清楚、完整地描述,显然,所描述的实施例只是本发明中一部分实施例,而不是全部的实施例。基于本发明中的实施例,本领域普通技术人员在没有做出创造性劳动前提下所获得的所有其他实施例,都属于本发明保护的范围。The technical solutions in the embodiments of the present invention are clearly and completely described in the following with reference to the accompanying drawings in the embodiments of the present invention. It is obvious that the described embodiments are only a part of the embodiments of the present invention, but not all embodiments. All other embodiments obtained by those skilled in the art based on the embodiments of the present invention without creative efforts are within the scope of the present invention.

现通过具体实施方式结合附图的方式对本发明做出进一步的诠释说明。The invention will now be further illustrated by way of specific embodiments in conjunction with the accompanying drawings.

第一实施例:First embodiment:

本实施例提供的电子接触器系统包括电子接触器、负载以及的保护电路,具体的,请参见图2所示,电子接触器包括开关管1和驱动电路2,保护电路包括第一电压吸收电路4。其中开关管1的电源输入端与电源正极端连接,电源输出端通过负载3与电源负极端连接,驱动信号接入端与驱动电路2的输出端连接;驱动电路2的输入端与驱动信号源连接。保护电路的第一电压吸收电路4分别与开关管1的电源输入端和电源输出端连接。The electronic contactor system provided in this embodiment includes an electronic contactor, a load, and a protection circuit. Specifically, as shown in FIG. 2, the electronic contactor includes a switch tube 1 and a driving circuit 2, and the protection circuit includes a first voltage absorbing circuit. 4. The power input end of the switch tube 1 is connected to the positive end of the power source, the power output end is connected to the negative end of the power supply through the load 3, and the drive signal access end is connected to the output end of the drive circuit 2; the input end of the drive circuit 2 and the drive signal source connection. The first voltage absorbing circuit 4 of the protection circuit is connected to the power input terminal and the power output terminal of the switching transistor 1, respectively.

本实施例中,驱动信号可以通过各种方式产生,例如通过数字处理芯片DSP或单片机或者ARM处理器产生,也可以通过定时器芯片产生驱动 信号。本实施例中的驱动电路2也可以采用现有任意驱动电路,将驱动信号传输给开关管1。本实施例中的驱动信号具体可以为方波信号,且信号频率可以根据当前具体需求,例如电流需求、控制开、断的频率需求等具体选定。In this embodiment, the driving signal can be generated in various manners, for example, by a digital processing chip DSP or a single chip microcomputer or an ARM processor, or can be driven by a timer chip. signal. The driving circuit 2 in this embodiment can also transmit the driving signal to the switching tube 1 by using any existing driving circuit. The driving signal in this embodiment may specifically be a square wave signal, and the signal frequency may be specifically selected according to current specific requirements, such as current demand, frequency requirements for controlling opening and closing, and the like.

应当理解的是,本实施例中的开关管1具体采用各种开关元器件实现,例如包括但不限于MOS管或三极管或绝缘栅双极型晶体管。例如当开关管1具体采用MOS管时,开关管1的电源输入端为漏极端,与电源正极端连接,电源输出端为源极端,与电源负极端连接。其中电源则可以由各种供电系统提供。It should be understood that the switch tube 1 in this embodiment is specifically implemented by using various switch components, such as but not limited to a MOS transistor or a triode or an insulated gate bipolar transistor. For example, when the switch tube 1 is specifically a MOS tube, the power input end of the switch tube 1 is a drain end, which is connected to the positive terminal of the power source, and the power output end is a source terminal, and is connected to the negative terminal of the power source. The power supply can be provided by various power supply systems.

根据以下公式(1)可以得到:According to the following formula (1), you can get:

U=L*△i/△t…………………………………………………………(1)U=L*△i/△t............................................................(1)

输出电流I越大,△i就会越大,产生的电压U尖峰越高,尤其是在导线的长度L越长的情况下,电压尖峰也就越高。同时由于开关管1自身存在寄生电感,因此开关管1由连通状态切换到关断状态大电流切换时候,开关管1电源输入端和电源输出端之间会有较高电压尖峰。本实施例中,驱动电路2输入驱动信号控制开关管1关断时,第一电压吸收电路6与电源正极端接通,并通过负载3与电源负极端接通组成充电回路,吸收开关管1电源输入端和电源输出端之间的电压进行充电,也即可将开关管1电源输入端和电源输出端之间的电压尖峰进行吸收,避免该电压尖峰对开关管造成损害,既能降低使用成本,又能提升电路控制的安全性和稳定性。而在驱动电路2输入驱动信号控制开关管1连通时,第一电压吸收电路6则分别与开关管的电源输入端和电源输出端接通组成放电回路,对之前所吸收的电能进行放电处理,以为下一次开关管关断做准备,保证控制的可靠性和安全性。The larger the output current I is, the larger the Δi is, and the higher the voltage U peak is generated, especially in the case where the length L of the wire is longer, the higher the voltage spike. At the same time, due to the parasitic inductance of the switch tube 1 itself, when the switch tube 1 is switched from the connected state to the off state, when the current is switched, there is a high voltage spike between the power input end of the switch tube 1 and the power output end. In this embodiment, when the driving circuit 2 inputs the driving signal to control the switching tube 1 to be turned off, the first voltage absorbing circuit 6 is connected to the positive terminal of the power source, and is connected to the negative terminal of the power source through the load 3 to form a charging circuit, and the absorbing switch tube 1 is The voltage between the power input terminal and the power output terminal is charged, and the voltage spike between the power input end of the switch tube 1 and the power output end can be absorbed to prevent the voltage spike from damaging the switch tube, thereby reducing the use. The cost can improve the safety and stability of the circuit control. When the driving circuit 2 inputs the driving signal to control the switch 1 to communicate, the first voltage absorbing circuit 6 is respectively connected to the power input end and the power output end of the switch tube to form a discharge circuit, and discharges the previously absorbed electric energy. It is expected that the next switch will be turned off to ensure the reliability and safety of the control.

本实施例中的第一电压吸收电路6可以由第一电容构成,此时第一电容两端分别与开关管的电源输入端和电源输出端连接,此时可以直接利用开关管的内阻形成RC吸收电路。当然,根据实际需求,本实施例中还可 直接添加外接电阻形成RC吸收电路。The first voltage absorbing circuit 6 in this embodiment may be composed of a first capacitor. At this time, the two ends of the first capacitor are respectively connected with the power input end of the switch tube and the power output end, and the internal resistance of the switch tube can be directly formed at this time. RC absorption circuit. Of course, according to actual needs, this embodiment may also Add an external resistor directly to form an RC snubber circuit.

以上通过在开关管1的电源输入端和电源输出端之间设置第一电压吸收电路对电源输入端和电源输出端之间的电压尖峰进行吸收,避免对开关管1造成损坏。而实际现场应用中,从系统电源正极输出和负极输入的导线长度L都比较长,开关管1大电流切换时,系统电源正极输入端的电缆的等效电感也会产生感应电压,这个感应电压直接等效加在开关管1电源输入端和电源输出端之间。因此,本实施例中的保护电路还包括第二电压吸收电路,请参见图3所示。The voltage spike between the power input end and the power output end is absorbed by the first voltage absorbing circuit disposed between the power input end of the switch tube 1 and the power output end to avoid damage to the switch tube 1. In the actual field application, the length L of the wire from the positive output of the system power supply and the input of the negative pole are relatively long. When the switch 1 is switched at a large current, the equivalent inductance of the cable at the positive input end of the system power source also generates an induced voltage. Equivalently added between the power input of the switch 1 and the output of the power supply. Therefore, the protection circuit in this embodiment further includes a second voltage absorbing circuit, as shown in FIG.

第二电压吸收电路5分别与电源正极端(靠近开关管1的电源输入端,例如漏极端)和电源负极端连接。驱动电路2输入驱动信号控制开关管1关断时,系统电源正极输入端的导线的等效电感产生感应电压,第二电压吸收电路5此时分别与电源正极端和电源负极端接通组成充电回路,吸收电源正极端导线产生的感应电压进行充电,以消除这部分导线电感的影响,进而进一步减小加载在开关管漏极和源极两端的电压,保证开关管的安全性和可靠性。驱动电路2输入驱动信号控制开关管1连通时,第二电压吸收电路5与开关管1电源输入端和负载输出端两端接通,与开关管1和负载3组成放电回路进行放电,以为下一次开关管1的关断做准备。The second voltage absorbing circuit 5 is respectively connected to the positive terminal of the power source (near the power input terminal of the switching transistor 1, for example, the drain terminal) and the negative terminal of the power supply. When the driving circuit 2 inputs the driving signal to control the switching tube 1 to be turned off, the equivalent inductance of the wire of the positive input terminal of the system power source generates an induced voltage, and the second voltage absorbing circuit 5 is respectively connected with the positive terminal of the power source and the negative terminal of the power source to form a charging circuit. The induced voltage generated by the positive terminal of the power source is absorbed to charge, so as to eliminate the influence of the inductance of the wire, thereby further reducing the voltage applied to the drain and the source of the switch, thereby ensuring the safety and reliability of the switch. When the driving circuit 2 inputs the driving signal to control the switching tube 1 to communicate, the second voltage absorbing circuit 5 and the switching tube 1 power input end and the load output end are connected to each other, and the switching tube 1 and the load 3 form a discharge circuit for discharging, so that the lower Prepare the shutdown of the switch 1 once.

本实施例中的第二电压吸收电路5包括两端分别与电源正极端和电源负极端连接的第二电容。当本实施例中的电子接触器应用于大电流场景时,本实施中第二电容的电容值取大于等于16384微法。当然当应用于小电流场景时,则可根据具体应用场景灵活选择对应的电容值。The second voltage absorbing circuit 5 in this embodiment includes a second capacitor connected to the positive terminal of the power source and the negative terminal of the power supply at both ends. When the electronic contactor in this embodiment is applied to a large current scene, the capacitance value of the second capacitor in this embodiment is greater than or equal to 16384 microfarads. Of course, when applied to a small current scenario, the corresponding capacitance value can be flexibly selected according to a specific application scenario.

另外应当理解的是,本实施例中的第一电压吸收电路和第二电压吸收电路理论上可以采用任意能实现电压吸收尽心充放电的电路。并不限于利用上述电容形成充放电电路的方式。In addition, it should be understood that the first voltage absorbing circuit and the second voltage absorbing circuit in this embodiment can theoretically adopt any circuit capable of realizing voltage absorption and charging and discharging. It is not limited to the manner in which the above-described capacitor is used to form the charge and discharge circuit.

现场应用中,输出线缆也较长,其等效电感较大,开关管1关断时候,这部分线缆中蓄积的能量也需要释放,因此,本实施例还在开关管1的电源输出端侧设置能量吸收电路,请参见图4所示,能量吸收电路6连接在 开关管1输出端和电源负极端之间,与负载3组成能量吸收回路;在开关管1关断时,能量吸收回路5中的导线上的电感蓄的能量通过负载3释放,以消除开关管输出侧导线电感的影响,进一步提升电子接触器的安全性和可靠性。In the field application, the output cable is also long, and its equivalent inductance is large. When the switch tube 1 is turned off, the energy accumulated in the part of the cable also needs to be released. Therefore, the power output of the switch tube 1 is also in this embodiment. The end side is provided with an energy absorbing circuit, as shown in FIG. 4, the energy absorbing circuit 6 is connected Between the output end of the switch tube 1 and the negative end of the power supply, an energy absorption circuit is formed with the load 3; when the switch tube 1 is turned off, the energy stored in the inductance of the wire in the energy absorption circuit 5 is released through the load 3 to eliminate the switch tube. The influence of the inductance of the output side wire further enhances the safety and reliability of the electronic contactor.

本实施例中的能量吸收电路6包括连接在开关管输出端和电源负极端之间单向导通器件,该单向导通器件的正极端与所述电源负极端连接。本实施例中的单向导通器理论上可以采用任意能实现单向导通功能的元器件,例如二极管等。The energy absorbing circuit 6 in this embodiment includes a unidirectional conduction device connected between the output end of the switching tube and the negative terminal of the power supply, and the positive terminal of the unidirectional conduction device is connected to the negative terminal of the power supply. The single-conductor in this embodiment can theoretically employ any component capable of implementing a unidirectional conduction function, such as a diode.

可见,本实施例可以分别在开关管的电源输入端侧、电源输入端与电源输出端之间以及电源输出端侧设置对应的保护电路,避免开关管在大电流切换过程中被损坏,保证控制的安全性、可靠性。It can be seen that, in this embodiment, a corresponding protection circuit can be respectively disposed on the power input end side of the switch tube, the power input end and the power output end, and the power output end side to prevent the switch tube from being damaged during the large current switching process, and the control is ensured. Safety and reliability.

第二实施例:Second embodiment:

为了更好地理解本发明,下面以开关管为MOS管,驱动信号为方波信号,第一电压吸收电路和第二电压吸收电路通过电容(例如电解电容)组成,能量吸收电路则由二极管D2(例如碳化硅二极管)组成。具体请参见图5所示的驱动电路4、MOS管VT1、第一电压吸收电路4(由C1构成)、第二电压吸收电路5(由C2构成)以及负载R5。In order to better understand the present invention, the switching transistor is a MOS transistor, the driving signal is a square wave signal, the first voltage absorbing circuit and the second voltage absorbing circuit are composed of a capacitor (for example, an electrolytic capacitor), and the energy absorbing circuit is composed of a diode D2. Composition (for example, silicon carbide diode). For details, please refer to the drive circuit 4, the MOS transistor VT1, the first voltage sink circuit 4 (consisting of C1), the second voltage sink circuit 5 (consisting of C2), and the load R5 shown in FIG. 5.

请参见图6所示,该图所示为MOS管VT1在驱动电路2输入的驱动信号控制下,由连通切换为关断时,此时C1正极输入端与电源正极端连通,负极输出端通过负载R5与电源负极端连通,MOS管VT1的漏极(即电源输入端)和源极(即电源输出端)之间的电压尖峰的吸收回路参见图6中圆点虚线的箭头所示,此时实现对电容C1的充电,消除MOS管自身寄生电感的影响,避免电压尖峰损坏MOS管VT1。Please refer to FIG. 6 , which shows that when the MOS transistor VT1 is switched from the communication to the shutdown under the control of the driving signal input by the driving circuit 2, the positive input terminal of the C1 is connected to the positive terminal of the power supply, and the negative output terminal is passed. The load R5 is connected to the negative terminal of the power supply, and the absorption circuit of the voltage spike between the drain (ie, the power input terminal) and the source (ie, the power output terminal) of the MOS transistor VT1 is shown by the arrow of the dotted line in FIG. When the capacitor C1 is charged, the influence of the parasitic inductance of the MOS transistor is eliminated, and the voltage spike is prevented from damaging the MOS transistor VT1.

请参见图7所示,该图所示为MOS管VT1在驱动电路2输入的驱动信号控制下,由关断切换为连通时,此时C1正极输入端与MOS管VT1的漏极连通,负极输出端与MOS管VT1的源极连通,与MOS管VT1的内阻形成放电回路,C1放电的回路参见图7中圆点虚线的箭头所示,此 时实现MOS管在下一次关断之前对电容C1完成放电,以为下一次吸收电压进行充电做准备。Referring to FIG. 7, the figure shows that the MOS transistor VT1 is switched from off to connected under the control of the driving signal input from the driving circuit 2. At this time, the positive input terminal of the C1 is connected to the drain of the MOS transistor VT1, and the negative electrode is connected. The output end is in communication with the source of the MOS transistor VT1, and forms a discharge loop with the internal resistance of the MOS transistor VT1. The circuit of the C1 discharge is shown by the arrow of the dotted line in FIG. At this time, the MOS transistor is discharged to the capacitor C1 before the next turn-off, in preparation for charging for the next absorption voltage.

请参见图8所示,该图所示为MOS管VT1在驱动电路2输入的驱动信号控制下,由连通切换为关断时,此时C2正极输入端与电源正极端连通,负极输出端直接与电源负极端连通形成充电回路,电源正极端部分的导线产生的电感电压通过C2吸收对C2进行充电,具体的充电回路参见图8中圆点虚线的箭头所示,此时可消除源正极端部分的导线产生的电感电压影响,进一步减小加载在MOS管漏极和源极上的电压。Please refer to FIG. 8 , which shows that the MOS transistor VT1 is switched from the communication to the shutdown under the control of the driving signal input by the driving circuit 2, and the C2 positive input terminal is connected to the positive terminal of the power supply, and the negative output terminal is directly connected. Connected to the negative terminal of the power supply to form a charging circuit. The inductor voltage generated by the wire at the positive terminal of the power supply charges C2 through C2 absorption. The specific charging circuit is shown by the arrow of the dotted line in Figure 8, and the source positive terminal can be eliminated. The inductance of the part of the wire affects the voltage, further reducing the voltage applied to the drain and source of the MOS transistor.

驱动电路2输入驱动信号控制MOS管VT1连通时,C2与VT1的漏极和负载R5的输出端接通,与MOS管VT1和负载R5组成放电回路,对之前存储的电量在MOS管下一次关断之前放完,以为下一次吸收电压进行充电做准备。When the driving circuit 2 inputs the driving signal to control the MOS transistor VT1 to communicate, the drains of C2 and VT1 and the output of the load R5 are turned on, and the discharge circuit is formed with the MOS tube VT1 and the load R5, and the previously stored power is turned off once in the MOS tube. Release before the break, in order to prepare for the next absorption voltage.

请参见图9所示,该图所示为MOS管VT1在驱动电路2输入的驱动信号控制下,由连通切换为关断时,二极管D2与负载3组成的能量吸收回路,可将MOS管源极端以下且该能量吸收回路中的导线上的电感蓄的能量通过负载R5释放,以消除MOS漏极输出侧导线电感的影响,进一步提升电子接触器的安全性和可靠性。Please refer to FIG. 9 , which shows the MOS tube source VT1 under the control of the driving signal input by the driving circuit 2, when switching from the communication to the off, the energy absorption circuit composed of the diode D2 and the load 3 can be used as the MOS tube source. The energy stored in the inductor below the terminal and in the energy absorbing loop is released through the load R5 to eliminate the influence of the inductance of the MOS drain output side conductor, thereby further improving the safety and reliability of the electronic contactor.

应当理解的是,本发明中的开关管并不限于MOS管,其还可采用其他能实现开断控制的管器件;电压吸收电路并不限于上述通过电容实现的方式;以及能量吸收电路并不限于通过二极管这一具体的单向导通器件,还可根据实际需求采用其他的元器件进行替换。以上仅是本发明的具体实施方式而已,并非对本发明做任何形式上的限制,凡是依据本发明的技术实质对以上实施方式所做的任意简单修改、等同变化、结合或修饰,均仍属于本发明技术方案的保护范围。 It should be understood that the switch tube in the present invention is not limited to the MOS tube, and other tube devices capable of implementing the break control may be employed; the voltage sink circuit is not limited to the above manner implemented by the capacitor; and the energy absorption circuit is not It is limited to the specific one-way device through the diode, and other components can be replaced according to actual needs. The above is only a specific embodiment of the present invention, and is not intended to limit the present invention in any way. Any simple modification, equivalent change, combination or modification of the above embodiments in accordance with the technical spirit of the present invention is still in the present invention. The scope of protection of the technical solution of the invention.

Claims (10)

一种电子接触器的保护电路,所述电子接触器之开关管的电源输入端与电源正极端连接,电源输出端通过负载与电源负极端连接;所述保护电路包括第一电压吸收电路;A protection circuit for an electronic contactor, wherein a power input end of the switch tube of the electronic contactor is connected to a positive terminal of the power source, and a power output end is connected to a negative end of the power source through a load; the protection circuit includes a first voltage absorbing circuit; 所述第一电压吸收电路分别与所述开关管的电源输入端和电源输出端连接;在所述开关管关断时,所述第一电压吸收电路与所述电源正极端接通,并通过所述负载与电源负极端接通组成充电回路,吸收所述开关管电源输入端和电源输出端之间的电压进行充电;在所述开关管连通时,所述第一电压吸收电路分别与所述开关管的电源输入端和电源输出端接通组成放电回路进行放电。The first voltage absorbing circuit is respectively connected to the power input end of the switch tube and the power output end; when the switch tube is turned off, the first voltage absorbing circuit is connected to the positive end of the power supply, and passes through The load is connected to the negative end of the power source to form a charging circuit, and absorbs a voltage between the power input end of the switch tube and the power output end for charging; when the switch tube is connected, the first voltage absorbing circuit respectively The power input end and the power output end of the switch tube are connected to form a discharge circuit for discharging. 如权利要求1所述的电子接触器的保护电路,其中,还包括第二电压吸收电路,所述第二电压吸收电路分别与所述电源正极端和电源负极端连接;在所述开关管关断时,所述第二电压吸收电路分别与所述电源正极端和电源负极端接通组成充电回路,吸收所述电源正极端导线产生的感应电压进行充电;在所述开关管连通时,所述第二电压吸收电路与所述开关管电源输入端和所述负载输出端两端接通,与所述开关管和负载组成放电回路进行放电。The protection circuit for an electronic contactor according to claim 1, further comprising a second voltage absorbing circuit, wherein said second voltage absorbing circuit is respectively connected to said positive terminal of said power source and said negative terminal of said power supply; When the time is off, the second voltage absorbing circuit is respectively connected to the positive terminal of the power source and the negative terminal of the power source to form a charging circuit, and absorbs an induced voltage generated by the wire of the positive terminal of the power source for charging; when the switch tube is connected, The second voltage absorbing circuit is connected to both the switching tube power input end and the load output end, and the switching tube and the load constitute a discharge circuit for discharging. 如权利要求2所述的电子接触器的保护电路,其中,所述第二电压吸收电路包括两端分别与所述电源正极端和电源负极端连接的第二电容。The protection circuit for an electronic contactor according to claim 2, wherein said second voltage absorbing circuit comprises a second capacitor connected at both ends to said positive terminal of said power supply and said negative terminal of said power supply. 如权利要求3所述的电子接触器的保护电路,其中,所述第二电容的电容值大于等于16384微法。The protection circuit for an electronic contactor according to claim 3, wherein the capacitance of said second capacitor is greater than or equal to 16384 microfarads. 如权利要求1-4任一项所述的电子接触器的保护电路,其中,所述第一电压吸收电路包括两端分别与所述开关管的电源输入端和电源输出端连接的第一电容。The protection circuit of the electronic contactor according to any one of claims 1 to 4, wherein the first voltage absorbing circuit comprises a first capacitor respectively connected to a power input end and a power output end of the switch tube . 如权利要求1-4任一项所述的电子接触器的保护电路,其中,所述开关管为MOS管或三极管或绝缘栅双极型晶体管。The protection circuit for an electronic contactor according to any one of claims 1 to 4, wherein the switching transistor is a MOS transistor or a triode or an insulated gate bipolar transistor. 如权利要求1-4任一项所述的电子接触器的保护电路,其中,还包括能量吸收电路,所述能量吸收电路连接在所述开关管输出端和所述电源 负极端之间,与所述负载组成能量吸收回路;在所述开关管关断时,所述能量吸收回路中导线上的能量通过所述负载释放。A protection circuit for an electronic contactor according to any one of claims 1 to 4, further comprising an energy absorbing circuit connected to said switching tube output terminal and said power source Between the negative ends, an energy absorbing circuit is formed with the load; when the switching tube is turned off, energy on the wires in the energy absorbing circuit is released through the load. 如权利要求7所述的电子接触器的保护电路,其中,所述能量吸收电路包括连接在所述开关管输出端和所述电源负极端之间单向导通器件,该单向导通器件的正极端与所述电源负极端连接。A protection circuit for an electronic contactor according to claim 7, wherein said energy absorbing circuit comprises a unidirectional conduction device connected between said output terminal of said switching transistor and said negative terminal of said power supply, said unidirectional device being positively Extremely connected to the negative terminal of the power supply. 如权利要求8所述的电子接触器的保护电路,其中,所述单向导通器为二极管。A protection circuit for an electronic contactor according to claim 8, wherein said one-way conductor is a diode. 一种电子接触器系统,包括电子接触器、负载以及如权利要求1-9任一项所述的保护电路;An electronic contactor system comprising an electronic contactor, a load, and a protection circuit according to any of claims 1-9; 所述电子接触器之开关管的电源输入端与电源正极端连接,电源输出端通过负载与电源负极端连接,驱动信号接入端与驱动电路输出端连接;所述保护电路的第一电压吸收电路分别与所述开关管的电源输入端和电源输出端连接;在所述开关管关断时,所述第一电压吸收电路与所述电源正极端接通,并通过所述负载与电源负极端接通组成充电回路,吸收所述开关管电源输入端和电源输出端之间的电压进行充电;在所述开关管连通时,所述第一电压吸收电路分别与所述开关管的电源输入端和电源输出端接通组成放电回路进行放电。 The power input end of the switch tube of the electronic contactor is connected to the positive end of the power source, the power output end is connected to the negative end of the power source through the load, and the driving signal access end is connected to the output end of the driving circuit; the first voltage absorption of the protection circuit The circuit is respectively connected to the power input end of the switch tube and the power output end; when the switch tube is turned off, the first voltage absorbing circuit is connected to the positive terminal of the power supply, and is negative through the load and the power supply Extremely turning on the charging circuit, absorbing the voltage between the power input end of the switch tube and the power output end for charging; when the switch tube is connected, the first voltage absorbing circuit and the power input of the switch tube respectively The terminal and the power output are connected to form a discharge loop for discharging.
PCT/CN2017/080923 2016-04-28 2017-04-18 Protection circuit and system of electronic contactor Ceased WO2017186028A1 (en)

Applications Claiming Priority (2)

Application Number Priority Date Filing Date Title
CN201610280486.8A CN107332543A (en) 2016-04-28 2016-04-28 The protection circuit and system of a kind of electronic contactor
CN201610280486.8 2016-04-28

Publications (1)

Publication Number Publication Date
WO2017186028A1 true WO2017186028A1 (en) 2017-11-02

Family

ID=60161862

Family Applications (1)

Application Number Title Priority Date Filing Date
PCT/CN2017/080923 Ceased WO2017186028A1 (en) 2016-04-28 2017-04-18 Protection circuit and system of electronic contactor

Country Status (2)

Country Link
CN (1) CN107332543A (en)
WO (1) WO2017186028A1 (en)

Cited By (1)

* Cited by examiner, † Cited by third party
Publication number Priority date Publication date Assignee Title
CN119652305A (en) * 2024-12-25 2025-03-18 北京宁海芯科集成电路设计有限公司 A constant current circuit for high-side drive with current detection

Families Citing this family (3)

* Cited by examiner, † Cited by third party
Publication number Priority date Publication date Assignee Title
CN108736873A (en) * 2018-08-23 2018-11-02 深圳市德利和能源技术有限公司 Electronic DC switch
CN109450652B (en) * 2018-11-26 2024-08-30 珠海世讯科技有限公司 KNX bus power supply circuit
CN117562649B (en) * 2023-11-21 2024-07-09 邦士医疗科技股份有限公司 A steep pulse ablation emergency stop energy release control system

Citations (5)

* Cited by examiner, † Cited by third party
Publication number Priority date Publication date Assignee Title
CN2269672Y (en) * 1996-06-25 1997-12-03 中国航天工业总公司第一研究院第十五研究所 High voltage high frequency high power chopper
US6373731B1 (en) * 2000-02-28 2002-04-16 Hitachi, Ltd. Surge voltage suppressed power inverter using a voltage driven switching element
CN102097796A (en) * 2010-12-30 2011-06-15 广东易事特电源股份有限公司 The voltage spike absorption protection circuit of the power switch tube of the solar charge controller
CN104242265A (en) * 2014-08-29 2014-12-24 荣信电力电子股份有限公司 All-solid-state direct-current circuit breaker of direct-current power distribution network
CN204046154U (en) * 2014-04-21 2014-12-24 西安霍威电源有限公司 80v peak surge suppression module

Family Cites Families (3)

* Cited by examiner, † Cited by third party
Publication number Priority date Publication date Assignee Title
US9143092B2 (en) * 2011-12-14 2015-09-22 Maxim Integrated Products, Inc. Fully capacitive coupled input choppers
CN202840932U (en) * 2012-10-11 2013-03-27 淄博山大奥太电气有限公司 Inverter welding machine insulated gate bipolar translator (IGBT) peak voltage protector
CN104868458B (en) * 2015-05-27 2018-09-28 山东电工电气日立高压开关有限公司 A kind of induced voltage absorption plant and its method

Patent Citations (5)

* Cited by examiner, † Cited by third party
Publication number Priority date Publication date Assignee Title
CN2269672Y (en) * 1996-06-25 1997-12-03 中国航天工业总公司第一研究院第十五研究所 High voltage high frequency high power chopper
US6373731B1 (en) * 2000-02-28 2002-04-16 Hitachi, Ltd. Surge voltage suppressed power inverter using a voltage driven switching element
CN102097796A (en) * 2010-12-30 2011-06-15 广东易事特电源股份有限公司 The voltage spike absorption protection circuit of the power switch tube of the solar charge controller
CN204046154U (en) * 2014-04-21 2014-12-24 西安霍威电源有限公司 80v peak surge suppression module
CN104242265A (en) * 2014-08-29 2014-12-24 荣信电力电子股份有限公司 All-solid-state direct-current circuit breaker of direct-current power distribution network

Cited By (1)

* Cited by examiner, † Cited by third party
Publication number Priority date Publication date Assignee Title
CN119652305A (en) * 2024-12-25 2025-03-18 北京宁海芯科集成电路设计有限公司 A constant current circuit for high-side drive with current detection

Also Published As

Publication number Publication date
CN107332543A (en) 2017-11-07

Similar Documents

Publication Publication Date Title
RU2665683C1 (en) Topology of circuit for damping short circuit currents, method and converter based thereon
US9276401B2 (en) Solid state circuit-breaker switch devices
US10748724B2 (en) Power-on/off drive circuit and method for controlling power-on/off drive circuit
CN103346763B (en) A kind of igbt Drive Protecting Circuit
US11239746B2 (en) Two-stage converter and method for starting the same, LLC converter, and application system
US11862416B2 (en) Hybrid DC circuit breaker
TWI661675B (en) Driving circuit for power semiconductor switch
US9819291B2 (en) Direct-current motor control device
CN102307003A (en) Insulation driving circuit of power switching tube
CN110830015A (en) Drive protection circuit of power semiconductor element and control method thereof
WO2017186028A1 (en) Protection circuit and system of electronic contactor
CN108847835B (en) Power device driving protection circuit and control method thereof
CN105720802A (en) H bridge full-function IGBT isolation driving control module
CN110266181B (en) A clamping circuit and clamping method
KR100916047B1 (en) Lossless power factor improvement circuit
CN112751313B (en) Hybrid DC circuit breaker
CN110707914A (en) Switch driving circuit and multilevel cascade power unit topology applying same
CN101741361B (en) Slope and peak integrated control circuit for insulated gate bipolar transistor
CN101872967B (en) IGBT (Insulated Gate Bipolar Transistor) breakdown protection circuit
JP2016171608A (en) Insulated Cuk converter, power transmission control device
CN105099196A (en) Power supply converter
JP6459130B2 (en) Power converter and power conditioner using the same
CN204244196U (en) The comprehensive short-circuit protection circuit of electric device
CN203617897U (en) Protection and snubber circuit for power switch tube
CN110545097A (en) A non-contact switch circuit controlled by low-voltage pulse trigger

Legal Events

Date Code Title Description
NENP Non-entry into the national phase

Ref country code: DE

121 Ep: the epo has been informed by wipo that ep was designated in this application

Ref document number: 17788680

Country of ref document: EP

Kind code of ref document: A1

122 Ep: pct application non-entry in european phase

Ref document number: 17788680

Country of ref document: EP

Kind code of ref document: A1