KR20230030912A - 라멘교용 강합성 거더 및 이의 제작방법 - Google Patents

라멘교용 강합성 거더 및 이의 제작방법 Download PDF

Info

Publication number
KR20230030912A
KR20230030912A KR1020210113155A KR20210113155A KR20230030912A KR 20230030912 A KR20230030912 A KR 20230030912A KR 1020210113155 A KR1020210113155 A KR 1020210113155A KR 20210113155 A KR20210113155 A KR 20210113155A KR 20230030912 A KR20230030912 A KR 20230030912A
Authority
KR
South Korea
Prior art keywords
lower casing
casing concrete
web
plate
girder
Prior art date
Legal status (The legal status is an assumption and is not a legal conclusion. Google has not performed a legal analysis and makes no representation as to the accuracy of the status listed.)
Ceased
Application number
KR1020210113155A
Other languages
English (en)
Inventor
김준영
Original Assignee
김준영
Priority date (The priority date is an assumption and is not a legal conclusion. Google has not performed a legal analysis and makes no representation as to the accuracy of the date listed.)
Filing date
Publication date
Application filed by 김준영 filed Critical 김준영
Priority to KR1020210113155A priority Critical patent/KR20230030912A/ko
Publication of KR20230030912A publication Critical patent/KR20230030912A/ko
Ceased legal-status Critical Current

Links

Images

Classifications

    • EFIXED CONSTRUCTIONS
    • E01CONSTRUCTION OF ROADS, RAILWAYS, OR BRIDGES
    • E01DCONSTRUCTION OF BRIDGES, ELEVATED ROADWAYS OR VIADUCTS; ASSEMBLY OF BRIDGES
    • E01D2/00Bridges characterised by the cross-section of their bearing spanning structure
    • EFIXED CONSTRUCTIONS
    • E01CONSTRUCTION OF ROADS, RAILWAYS, OR BRIDGES
    • E01DCONSTRUCTION OF BRIDGES, ELEVATED ROADWAYS OR VIADUCTS; ASSEMBLY OF BRIDGES
    • E01D19/00Structural or constructional details of bridges
    • E01D19/005Piers, trestles, bearings, expansion joints or parapets specially adapted for portable or sectional bridges
    • EFIXED CONSTRUCTIONS
    • E01CONSTRUCTION OF ROADS, RAILWAYS, OR BRIDGES
    • E01DCONSTRUCTION OF BRIDGES, ELEVATED ROADWAYS OR VIADUCTS; ASSEMBLY OF BRIDGES
    • E01D21/00Methods or apparatus specially adapted for erecting or assembling bridges
    • EFIXED CONSTRUCTIONS
    • E01CONSTRUCTION OF ROADS, RAILWAYS, OR BRIDGES
    • E01DCONSTRUCTION OF BRIDGES, ELEVATED ROADWAYS OR VIADUCTS; ASSEMBLY OF BRIDGES
    • E01D22/00Methods or apparatus for repairing or strengthening existing bridges ; Methods or apparatus for dismantling bridges
    • EFIXED CONSTRUCTIONS
    • E01CONSTRUCTION OF ROADS, RAILWAYS, OR BRIDGES
    • E01DCONSTRUCTION OF BRIDGES, ELEVATED ROADWAYS OR VIADUCTS; ASSEMBLY OF BRIDGES
    • E01D2101/00Material constitution of bridges
    • E01D2101/20Concrete, stone or stone-like material
    • E01D2101/24Concrete
    • E01D2101/26Concrete reinforced
    • E01D2101/28Concrete reinforced prestressed
    • E01D2101/285Composite prestressed concrete-metal

Landscapes

  • Engineering & Computer Science (AREA)
  • Architecture (AREA)
  • Civil Engineering (AREA)
  • Structural Engineering (AREA)
  • Bridges Or Land Bridges (AREA)

Abstract

플레이트 거더의 하부에 타설되는 하부케이싱 콘크리트의 타설범위를 축소하는 방법으로 단부 부모멘트 구간에서 부모멘트를 감소시켜 하부케이싱 콘크리트와 저항단면의 부담을 줄여줄 수 있는 라멘교용 강합성 거더가 개시된다. 이를 위하여 상부플렌지와, 상기 상부플렌지의 길이방향을 따라 상부플렌지의 하단에 설치된 웨브, 및 상기 웨브의 길이방향을 따라 웨브의 하단 중앙에 설치된 하부플렌지를 포함하는 플레이트 거더와, 상기 하부플렌지에 설치된 하부케이싱 콘크리트와, 상기 하부케이싱 콘크리트의 전면 및 상기 웨브의 하부에 연결되어 평판형 안착면을 제공하는 제1 단부지점 연결재, 및 상기 하부케이싱 콘크리트의 후면 및 상기 웨브의 하부에 연결되어 평판형 안착면을 제공하는 제2 단부지점 연결재를 포함하는 라멘교용 강합성 거더를 제공한다. 본 발명에 따르면, 하부케이싱 콘크리트의 타설범위를 축소시켜주어 하부케이싱 콘크리트에 압축력이 도입되지 않을 뿐만 아니라 하부케이싱 콘크리트가 구비되지 않은 강합성 거더의 단부에서 남아 있는 부모멘트를 감소시킬 수 있다.

Description

라멘교용 강합성 거더 및 이의 제작방법{STEEL COMPOSITE GIRDER FOR RAHMEN BRIDGE AND ITS MANUFACTURING METHOD}
본 발명은 라멘교에 최적화된 강합성 거더 및 이의 제작방법에 관한 것으로, 보다 상세하게는 플레이트 거더의 하부에 타설되는 하부케이싱 콘크리트의 타설범위를 축소하는 방법으로 단부 부모멘트 구간에서 부모멘트를 감소시켜 하부케이싱 콘크리트와 저항단면의 부담을 줄여줄 수 있는 라멘교용 강합성 거더 및 이의 제작방법에 관한 것이다.
일반적으로 라멘교에 사용되는 강합성 거더는 프리플렉스 강합성 거더와 강연선이 설치된 강합성 거더로 구분될 수 있다.
도 1은 종래의 프리플렉스 강합성 거더와 휨모멘트도를 나타내는 도면이고, 도 2는 도 1의 프리플렉스 강합성 거더를 설치한 라멘교의 측면도 및 휨모멘트도를 나타내는 도면이고, 도 3은 강연선을 이용한 강합성 거더와 휨모멘트도를 나타내는 도면이고, 도 4는 도 3의 강연선을 이용한 강합성 거더를 설치한 라멘교의 측면도 및 휨모멘트도를 나타내는 도면이다.
상기 프리플렉스 강합성 거더는 도 1과 같이 I형 플레이트거더(10)의 하부에 프리플렉스(Pre-Flex, PF) 하중을 재하하고, 하부케이싱 콘크리트(20)를 타설한 후, PF 하중을 제거함으로써 하부케이싱 콘크리트(20)에 압축응력을 도입한 강합성 거더를 의미한다.
이러한 프리플렉스 강합성 거더는 하부케이싱 콘크리트(20)에 압축응력을 도입하여 강합성 거더의 단면에 자중 등에 의한 응력과 반대되는 응력이 발생하도록 한 것이다.
즉, 그 원리는 도 1과 같이 양단이 지지된 프리플렉스 강합성 거더의 경우 자중에 의한 휨모멘트(+)가 발생하고, 또한 교량 바닥판과 같은 추가적인 사하중 및 설계 활하중에 의한 휨모멘트(+)의 발생이 예상되므로, 이에 대응하기 위해 미리 하부케이싱 콘크리트에 압축응력(-)을 도입하여 강합성 거더의 자중에 의한 휨모멘트(+)와 방향은 반대이며, 크기는 더 큰 휨모멘트(-)가 발생되도록 한다.
그러나, 이러한 프리플렉스 강합성 거더가 구비된 라멘교는 도 2와 같이 일반적으로 사하중 및 설계 활하중이 재하된 이후에도 중앙에 압축력이 남아 있도록 설계되기 때문에 하부케이싱 콘크리트의 양측 단부의 허용압축응력이 초과(단부 부모멘트 구간에 큰 부모멘트가 존재)되어 부모멘트 저항단면이 커지거나 저항철근이 많이 필요해지는 문제점이 있었다.
한편, 강연선을 이용한 강합성 거더는 도 3과 같이 I형 플레이트거더(10)와 하부케이싱 콘크리트(20)와 쉬스관(30)으로 구성되어 있으며, 자중이나 활하중의 작용에 의하여 생기는 응력을 상쇄시키고자 하부케이싱 콘크리트(20)에 미리 설치되어 있는 쉬스관(30)을 통하여 긴장재를 배치하고 긴장력을 가하여 강합성 거더의 단면에 자중 등에 의한 응력과 반대되는 응력(프리스트레스)을 도입한다.
다시 말해, 이러한 강연선을 이용한 강합성 거더는 I형 플레이트거더(10)의 하부에 하부케이싱 콘크리트(20)를 타설하고, 하부케이싱 콘크리트(20)의 쉬스관(30)에 삽입된 강연선을 인장하여 정착함으로써 하부케이싱 콘크리트(20)에 압축력을 도입한다.
그 원리는 도 3과 같이 양단 지지된 강합성 거더의 경우 자중에 의한 휨모멘트가 발생하게 되고 교량 바닥판, 포장과 같은 추가적인 사하중 및 설계 활하중에 의한 휨모멘트의 발생이 예상되므로, 이에 대응하기 위해 미리 긴장재에 긴장력을 가하여 강합성 거더의 자중에 의한 휨모멘트와 방향은 반대이며, 크기는 더 큰 휨모멘트가 발생되도록 하여 강합성 거더의 단면에 프리스트레스를 도입한다.
그러나, 이러한 강연선을 이용한 강합성 거더가 구비된 라멘교는 프리플렉스 강합성 거더가 구비된 라멘교와 마찬가지로 도 4에 나타낸 것과 같이 하부케이싱 콘크리트의 양측 단부의 허용압축응력이 초과(단부 부모멘트 구간에 큰 부모멘트가 존재)되어 부모멘트 저항단면이 커지거나 저항철근이 많이 필요해지는 문제점이 있었다.
따라서 단부에서 큰 부모멘트가 존재하지 않는 라멘교용 강합성 거더의 개발이 요구되고 있는 실정이다.
대한민국 등록특허 제10-1126042호(2012.04.12 공고) 대한민국 등록특허 제10-1198812호(2012.11.07 공고) 대한민국 공개특허 제10-2010-0069866호(2010.06.25 공개) 대한민국 등록특허 제10-1665121호(2016.10.12 공고)
따라서, 본 발명의 제1 목적은 강합성 거더 단부의 하부케이싱 콘크리트에 압축력이 도입되지 않고 강합성 거더의 단부에서 불필요한 부모멘트가 존재하지 않도록 하부케이싱 콘크리트의 타설범위를 축소시켜주며, 강합성 거더의 받침부위에 작용하는 수직력을 경감시켜 줄 수 있는 라멘교용 강합성 거더를 제공하는데 있다.
또한, 본 발명의 제2 목적은 강합성 거더의 단부에 남아 있는 부모멘트를 줄여줄 수 있고, 유압잭 등의 인장기의 작업공간을 확보할 수 있으며, 강합성 거더의 받침부위에서 전단파괴 및 펀칭파괴의 우려를 해소할 수 있는 라멘교용 강합성 거더의 제작방법을 제공하는데 있다.
상술한 본 발명의 제1 목적을 달성하기 위하여, 본 발명의 일 실시예에서는 상부플렌지와, 상기 상부플렌지의 길이방향을 따라 상부플렌지의 하단에 설치된 웨브, 및 상기 웨브의 길이방향을 따라 웨브의 하단 중앙에 설치된 하부플렌지를 포함하는 플레이트 거더와, 상기 하부플렌지에 설치된 하부케이싱 콘크리트와, 상기 하부케이싱 콘크리트의 전면 및 상기 웨브의 하부에 연결되어 평판형 안착면을 제공하는 제1 단부지점 연결재, 및 상기 하부케이싱 콘크리트의 후면 및 상기 웨브의 하부에 연결되어 평판형 안착면을 제공하는 제2 단부지점 연결재를 포함하는 라멘교용 강합성 거더를 제공한다.
또한, 본 발명의 제2 목적을 달성하기 위하여, 본 발명의 일 실시예에서는 상부플렌지와, 상기 상부플렌지의 길이방향을 따라 상부플렌지의 하단에 설치된 웨브, 및 상기 웨브의 길이방향을 따라 웨브의 하단 중앙에 설치된 하부플렌지를 포함하는 플레이트 거더를 제작하는 플레이트 거더 제작단계와, 상기 플레이트 거더에 프리플렉스 하중을 재하한 상태로 상기 하부플렌지에 하부케이싱 콘크리트를 타설 및 양생하여 강합성 거더를 생성하는 강합성거더 생성단계와, 상기 프리플렉스 하중을 제거하여 하부케이싱 콘크리트에 압축응력을 도입하는 압축응력 도입단계, 및 평판형 안착면을 제공하는 제1 단부지점 연결재를 상기 하부케이싱 콘크리트의 전면 및 웨브의 하부에 연결하고, 평판형 안착면을 제공하는 제2 단부지점 연결재를 상기 하부케이싱 콘크리트의 후면 및 웨브의 하부에 연결하는 강합성거더 보강단계를 포함하는 라멘교용 강합성 거더의 제작방법을 제공한다.
아울러, 본 발명의 제2 목적을 달성하기 위하여, 본 발명의 다른 실시예에서는 상부플렌지와, 상기 상부플렌지의 길이방향을 따라 상부플렌지의 하단에 설치된 웨브, 및 상기 웨브의 길이방향을 따라 웨브의 하단 중앙에 설치된 하부플렌지를 포함하는 플레이트 거더를 제작하는 플레이트 거더 제작단계와, 상기 하부플렌지에 쉬스관이 구비된 하부케이싱 콘크리트를 타설 및 양생하여 강합성 거더를 생성하는 강합성거더 생성단계와, 상기 쉬스관에 내삽된 강연선을 인장하여 하부케이싱 콘크리트에 압축응력을 도입하는 압축응력 도입단계, 및 평판형 안착면을 제공하는 제1 단부지점 연결재를 상기 하부케이싱 콘크리트의 전면 및 웨브의 하부에 연결하고, 평판형 안착면을 제공하는 제2 단부지점 연결재를 상기 하부케이싱 콘크리트의 후면 및 웨브의 하부에 연결하는 강합성거더 보강단계를 포함하는 라멘교용 강합성 거더의 제작방법을 제공한다.
본 발명은 하부케이싱 콘크리트의 타설범위를 축소시켜주어 하부케이싱 콘크리트에 압축력이 도입되지 않을 뿐만 아니라 하부케이싱 콘크리트가 구비되지 않은 강합성 거더의 단부에서 남아 있는 부모멘트를 감소시킬 수 있다.
또한, 본 발명은 강합성 거더의 받침부위에 작용하는 수직력을 경감시켜 전단파괴 및 펀칭파괴의 발생을 방지할 수 있다.
아울러, 본 발명은 강연선을 긴장시키기 위해 사용되는 인장기의 작업공간을 충분히 확보할 수 있으므로, 강연선에 긴장력을 손쉽게 도입할 수 있어 라멘교 시공에 대한 작업효율이 향상된다.
또한, 본 발명은 강합성 거더에 미리 설치되어 있는 복수개의 피복강연선을 유압잭 등의 인장기로 각각 개별적으로 긴장하여 2차 압축응력을 강합성 거더에 도입할 수 있다.
도 1은 종래의 프리플렉스 강합성 거더와 휨모멘트도를 나타내는 도면이다.
도 2는 도 1의 프리플렉스 강합성 거더를 설치한 라멘교의 측면도 및 휨모멘트도를 나타내는 도면이다.
도 3은 강연선을 이용한 강합성 거더와 휨모멘트도를 나타내는 도면이다.
도 4는 도 3의 강연선을 이용한 강합성 거더를 설치한 라멘교의 측면도 및 휨모멘트도를 나타내는 도면이다.
도 5는 본 발명에 따른 라멘교용 강합성 거더를 설명하기 위한 사시도이다.
도 6은 본 발명에 따른 라멘교용 강합성 거더를 설명하기 위한 부분확대 측면도이다.
도 7은 본 발명에 따른 하부케이싱 콘크리트가 구비된 플레이트 거더를 나타내는 측면도이다.
도 8은 라멘교에서 등분포하중이 작용할 때 지간길이와 교대높이에 따른 휨모멘트도를 나타내는 도면이다.
도 9는 본 발명에 따른 라멘교용 강합성 거더의 휨모멘트도를 나타내는 도면이다.
도 10은 본 발명의 일 실시예에 따른 강합성 거더의 제작방법을 설명하기 위한 순서도이다.
도 11은 본 발명의 다른 실시예에 따른 강합성 거더의 제작방법을 설명하기 위한 순서도이다.
이하, 첨부도면을 참조하여 본 발명의 바람직한 실시예들에 의한 라멘교용 강합성 거더(이하, '강합성 거더'라고 약칭함)를 상세하게 설명한다.
도 5는 본 발명에 따른 라멘교용 강합성 거더를 설명하기 위한 사시도이며, 도 6은 본 발명에 따른 라멘교용 강합성 거더를 설명하기 위한 부분확대 측면도이다.
본 발명에 따른 강합성 거더는 교대 또는 교각 위에 가설되어 콘크리트 슬래브를 지지하면서 사하중과 활하중 작용 시 발생하는 인장응력을 압축응력을 통해 상쇄시키는 기능을 하는 것으로, 플레이트 거더(100)와, 상기 플레이트 거더(100)의 하부 중앙에 설치된 하부케이싱 콘크리트(200)와, 상기 하부케이싱 콘크리트(200)가 설치되지 않은 플레이트 거더(100)의 하부 선단에 설치되는 제1 단부지점 연결재(300), 및 상기 하부케이싱 콘크리트(200)가 설치되지 않은 플레이트 거더(100)의 하부 후단에 설치되는 제2 단부지점 연결재(400)를 포함한다.
일 실시 양태로서, 본 발명에 따른 강합성 거더는 프리플렉스 강합성 거더이다. 이러한 프리플렉스 강합성 거더는 플레이트 거더(100)의 하부에 프리플렉스(Pre-Flex, PF) 하중을 재하하고, 하부케이싱 콘크리트(200)를 타설 및 양생한 후, PF 하중을 제거함으로써 하부케이싱 콘크리트(200)에 압축응력을 도입한 강합성 거더를 의미한다. 또한, 프리플렉스 강합성 거더는 선택적으로 하부케이싱 콘크리트(200)에 추가 긴장력을 도입하기 위해 하부케이싱 콘크리트(200)에 설치되는 피복강연선(미도시)을 더 포함할 수 있다.
다른 실시 양태로서, 본 발명에 따른 강합성 거더는 강연선을 이용한 강합성 거더이다. 이와 같이 강연선을 이용한 강합성 거더는 플레이트 거더(100)의 하부플렌지(130)의 양 측면에 쉬스관(600)이 내삽되도록 하부케이싱 콘크리트(200)를 타설하고 양생한 후, 쉬스관(600)을 통해 긴장재를 배치하고 긴장력을 가하여 하부케이싱 콘크리트(200)에 압축응력을 도입한 강합성 거더를 의미한다. 이를 위해, 본 발명에 따른 강합성 거더는 선택적으로 하부케이싱 콘크리트(200)에 1차 긴장력을 도입하기 위해 설치될 강연선의 통로를 제공하는 쉬스관(600)과, 상기 하부케이싱 콘크리트(200)에 2차 긴장력을 도입하기 위해 하부케이싱 콘크리트(200)에 설치되는 피복강연선(미도시)을 더 포함할 수 있다.
이하, 도면을 참조하여 각 구성요소별로 보다 구체적으로 설명한다.
도 7은 본 발명에 따른 하부케이싱 콘크리트가 구비된 플레이트 거더를 나타내는 측면도이다.
도 5 내지 도 7을 참조하면, 본 발명에 따른 강합성 거더는 플레이트 거더(100)를 포함한다.
상기 플레이트 거더(100)는 강합성 거더의 베이스를 제공하는 것으로, 상부플렌지(110)와, 상기 상부플렌지(110)의 길이방향을 따라 상부플렌지(110)의 하단에 설치된 웨브(web, 120), 및 상기 웨브(120)의 길이 방향을 따라 웨브(120)의 하단 중앙에 설치된 하부플렌지(130)를 포함한다.
이러한 상부플렌지(110)와 웨브(120) 및 하부플렌지(130)는 일체형으로 형성될 수도 있고, 각각 제작된 후 서로 조립되도록 형성될 수도 있다.
또한, 상기 상부플렌지(110)의 하단에는 웨브(120)가 수직 방향으로 배치되고, 상기 하부플렌지(130)의 상단에는 웨브(120)가 수직 방향으로 배치된다. 다시 말해, 웨브(120)는 중앙에서 상부플렌지(110)와 하부플렌지(130)를 연결하며, 상부플렌지(110)와 하부플렌지(130)는 서로 수평 상태를 유지하도록 배치된다.
보다 구체적으로, 웨브(120)는 도 5와 같이 상부플렌지(110)의 하단에서 상부플렌지(110)의 너비 방향의 중앙에 구비되며, 상부플렌지(110)와 동일한 길이를 갖도록 형성될 수 있다.
아울러, 하부플렌지(130)는 하부케이싱 콘크리트(200)가 플레이트 거더(100)에 결합될 수 있도록 하부케이싱 콘크리트(200)의 설치공간을 제공하는 것으로, 인장기 등을 사용하여 강연선을 긴장시키는 경우 인장기의 작업공간을 충분히 확보할 수 있도록 웨브(120)의 하단에서 웨브(120)의 길이 방향의 중앙에 구비된다.
도 8은 라멘교에서 등분포하중이 작용할 때 지간길이와 교대높이에 따른 휨모멘트도를 나타내는 도면이며, 도면 9는 본 발명에 따른 라멘교용 강합성 거더의 휨모멘트도를 나타내는 도면이다.
도 5 내지 도 7을 참조하면, 본 발명에 따른 강합성 거더는 하부케이싱 콘크리트(200)를 포함한다.
상기 하부케이싱 콘크리트(200)는 하부플렌지(130)를 감싸도록 하부플렌지(130)에 설치된 것으로, 직육면체형 등의 블록구조로 형성될 수 있다.
이러한 하부케이싱 콘크리트(200)는 하부케이싱 콘크리트(200)에 압축력이 도입되지 않고 하부케이싱 콘크리트(200)가 구비되지 않은 강합성 거더의 단부에서 부모멘트를 감소시킬 수 있도록 하부플렌지(130)에 대응된 길이를 갖도록 형성된다.
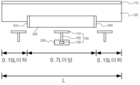
보다 구체적으로, 하부케이싱 콘크리트(200)는 도 7과 같이 플레이트 거더(100)의 전체 길이(L)를 기준으로 0.7L 내지 0.9L로 형성될 수 있다.
예컨대, 하부플렌지(130)는 웨브(120)의 선단 하부 및 후단 하부에 구비되지 않도록 상부플렌지(110) 및 웨브(120)보다 짧은 길이, 바람직하게는 상부플렌지(110) 및 웨브(120) 길이의 0.7L 이상, 바람직하게는 0.7L 내지 0.9L로 형성될 수 있다.
이러한 강합성 거더는 시공 후 하부케이싱 콘크리트(200)의 전 구간에 압축응력이 남아 있어야 하므로, 시공완료 후에도 하부케이싱 콘크리트(200)에 압축응력이 남아 있도록 하부케이싱 콘크리트(200)의 설치 범위를 결정해야 한다. 만약 하부케이싱 콘크리트(200)의 길이가 전술한 0.7L 미만으로 제작되면, 하부케이싱 콘크리트(200)의 양쪽 단부에는 인장응력이 발생되어 이로 인한 구조적 문제가 발생될 수 있다.
해석모델의 기준을 설정하기 위해, 도 8과 같이 지간길이를 20m에서 40m까지 10m 간격으로 증가시키고, 교대높이를 5m부터 10m까지 2.5m 간격으로 증가시킨 후, 상부와 하부 구조물의 단면은 동일한 것으로 가정하고 단부로부터 휨모멘트 기호(+, -)가 변화되는 길이를 계산하면, 하부케이싱 콘크리트(200)의 타설 범위가 0.7L 미만인 경우 단부의 휨모멘트 기호가 (+)를 나타내기 때문에 하부케이싱 콘크리트(200)의 타설 범위는 플레이트 거더(100)의 전체 길이(L)를 기준으로 0.7L 이상인 것이 바람직하다.
또한, 하부케이싱 콘크리트(200)가 구비되지 않은 웨브(120)의 선단 길이는 단부지점 연결재 설치 및 강합성 거더의 받침부위 설치를 고려하면 플레이트 거더(100)의 전체 길이(L)를 기준으로 0.05L 이상으로 형성될 수 있으며, 하부케이싱 콘크리트(200)가 구비되지 않은 웨브(120)의 후단 길이는 전술한 이유로 0.05L 이상으로 형성될 수 있다. 결과적으로, 하부케이싱 콘크리트(200)의 타설 범위는 플레이트 거더(100)의 전체 길이(L)를 기준으로 0.9L 이하인 것이 바람직하다.
한편, 하부케이싱 콘크리트(200)가 구비되지 않은 웨브(120)의 선단 길이는 플레이트 거더(100)의 길이(L)를 기준으로 0.05L 내지 0.15L로 형성될 수 있으며, 하부케이싱 콘크리트(200)가 구비되지 않은 웨브(120)의 후단 길이는 플레이트 거더(100)의 길이(L)를 기준으로 0.05L 내지 0.15L로 형성될 수 있다.
이러한 하부케이싱 콘크리트(200)가 구비된 플레이트 거더(100)는 도 9에 도시된 바와 같이 (1)자중에 의한 휨모멘트(+)와 (2)교량 바닥판과 같은 추가적인 사하중 및 설계 활하중에 의한 휨모멘트(+)가 발생되더라도, 하부케이싱 콘크리트(200)의 길이가 줄어들어 (1)하부케이싱 콘크리트(200)에 도입된 압축응력(-)의 크기가 감소되고 자중에 의한 휨모멘트(+)의 크기도 감소되기 때문에, 결과적으로 (3)하부케이싱 콘크리트(200)가 구비된 플레이트 거더(100)의 양단 말단에 남아 있는 부모멘트는 도 9와 같이 기존보다 감소(실선부분)된다. 이때, 도 9는 제1 단부지점 연결재(300)와 제2 단부지점 연결재(400)를 설치하지 않은 상태를 나타낸다.
이러한 제1 단부지점 연결재(300)와 제2 단부지점 연결재(400)는 프리스트레스를 도입한 후에 설치될 수 있으며, 자중과 추가적인 사하중 및 활하중에 비해 그 크기가 미소하므로 작용되는 휨모멘트에 큰 영향을 미치지 않는다.
한편, 하부케이싱 콘크리트(200)는 철근(210)이 전면과 후면에 돌출되도록 구비될 수 있다.
압축응력이 도입된 부분(하부케이싱 콘크리트 존재)과, 압축응력이 도입되지 않은 부분(하부케이싱 콘크리트 미 존재)은 서로 응력차이가 발생할 수밖에 없으므로, 압축응력이 도입된 부분에 설치된 철근(210)을 압축응력이 도입되지 않은 부분에 연결시킴으로써 힘의 분산이 자연스럽게 이루어지도록 한다.
다시 말해, 하부케이싱 콘크리트(200)로부터 돌출되도록 하부케이싱 콘크리트(200)에 설치된 철근(210)은 강합성 거더 단면을 제외한 슬래브 및 교대 등의 시공 시에 설치되는 추가의 철근에 연결될 수 있다.
도 5 및 도 6을 참조하면, 본 발명에 따른 강합성 거더는 제1 단부지점 연결재(300)를 포함한다.
상기 제1 단부지점 연결재(300)는 하부케이싱 콘크리트(200)의 전면 및 상기 웨브(120)의 하부에 연결되어 평판형 안착면을 제공하는 것으로, 강합성 거더의 받침부위에 작용하는 수직력을 경감시켜 전단파괴 및 펀칭파괴의 발생을 방지하는 기능을 제공한다.
이러한 제1 단부지점 연결재(300)는 웨브(120)와 수직으로 접촉되는 제1 수직 플레이트(310)와, 웨브(120)와 수평으로 접촉되는 제1 수평 플레이트(320)와, 상기 하부케이싱 콘크리트(200)와의 접촉공간을 제공하도록 제1 수직 플레이트(310)의 후단에 구비된 제1 절곡 플레이트(330)와, 웨브(120)에 제1 수평 플레이트(320)를 체결시키는 제1 체결수단(340), 및 하부케이싱 콘크리트(200)에 제1 절곡 플레이트(330)를 조립시키는 제1 조립수단(350)을 포함한다.
상기 제1 수직 플레이트(310)는 웨브(120)의 하부에서 웨브(120)와 수직으로 접촉되며, 평판형 구조를 갖도록 형성된다.
상기 제1 수평 플레이트(320)는 웨브(120)의 측면에서 웨브(120)와 평행하도록 제1 수직 플레이트(310)의 길이방향을 따라 수직 플레이트의 상면에 구비되며, 평판형 구조를 갖도록 형성된다. 이러한 제1 수평 플레이트(320)는 제1 수직 플레이트(310)와 일체형으로 형성될 수도 있고, 별도로 제작된 후 용접 등을 통해 제1 수직 플레이트(310)에 고정되도록 설치될 수도 있다.
예를 들어, 제1 수평 플레이트(320)는 제1 수직 플레이트(310)와 함께 '⊥'형 종단면을 갖도록 형성될 수 있다.
또한, 제1 수평 플레이트(320)는 볼트 등의 제1 체결수단(340)이 조립될 수 있도록 복수개의 제1 관통홀이 구비될 수 있다.
상기 제1 절곡 플레이트(330)는 하부케이싱 콘크리트(200)의 전면에 평행하도록 제1 수직 플레이트(310) 후단에서 절곡된 것으로, 평판형 구조를 갖도록 형성된다. 이러한 제1 절곡 플레이트(330)는 제1 수직 플레이트(310)와 일체형으로 형성될 수도 있고, 별도로 제작된 후 용접 등을 통해 제1 수직 플레이트(310)에 고정되도록 설치될 수도 있다.
예를 들어, 제1 절곡 플레이트(330)는 제1 수직 플레이트(310)와 함께 '
Figure pat00001
'형 종단면을 갖도록 형성될 수 있다.
또한, 제1 절곡 플레이트(330)는 볼트 등이 조립될 수 있도록 복수개의 제2 관통홀이 구비될 수 있다.
상기 제1 체결수단(340)은 웨브(120)와 제1 수평 플레이트(320)의 제1 관통홀에 관통되도록 몸체가 내삽되는 볼트, 및 상기 볼트의 몸체에 결합되어 웨브(120)에 제1 수평 플레이트(320)를 고정시키는 너트로 구성될 수 있다.
상기 제1 조립수단(350)은 후술하는 제1 어댑터를 통해 제1 절곡 플레이트(330)를 하부케이싱 콘크리트(200)에 조립시키는 것으로, 제2 관통홀을 관통한 제1 어댑터에 결합되어 제1 절곡 플레이트(330)를 하부케이싱 콘크리트(200)에 고정시키는 너트 등을 사용할 수 있다.
도 5 및 도 6을 참조하면, 본 발명에 따른 강합성 거더는 제2 단부지점 연결재(400)를 포함한다.
상기 제2 단부지점 연결재(400)는 하부케이싱 콘크리트(200)의 후면 및 상기 웨브(120)의 하부에 연결되어 평판형 안착면을 제공하는 것으로, 강합성 거더의 받침부위에 작용하는 수직력을 경감시켜 전단파괴 및 펀칭파괴의 발생을 방지하는 기능을 제공한다.
이러한 제2 단부지점 연결재(400)는 웨브(120)와 수직으로 접촉되는 제2 수직 플레이트(410)와, 웨브(120)와 수평으로 접촉되는 제2 수평 플레이트(420)와, 상기 하부케이싱 콘크리트(200)와 접촉공간을 제공하도록 제2 수직 플레이트(410)의 후단에 구비된 제2 절곡 플레이트(430)와, 웨브(120)에 제2 수평 플레이트(420)를 체결시키는 제2 체결수단(440), 및 하부케이싱 콘크리트(200)에 제2 절곡 플레이트(430)를 조립시키는 제2 조립수단(450)을 포함한다.
상기 제2 수직 플레이트(410)는 웨브(120)의 하부에서 웨브(120)와 수직으로 접촉되며, 평판형 구조를 갖도록 형성된다.
상기 제2 수평 플레이트(420)는 웨브(120)의 측면에서 웨브(120)와 평행하도록 제2 수직 플레이트(410)의 길이방향을 따라 수직 플레이트의 상면에 구비되며, 평판형 구조를 갖도록 형성된다. 이러한 제2 수평 플레이트(420)는 제2 수직 플레이트(410)와 일체형으로 형성될 수도 있고, 별도로 제작된 후 용접 등을 통해 제2 수직 플레이트(410)에 고정되도록 설치될 수도 있다.
예를 들어, 제2 수평 플레이트(420)는 제2 수직 플레이트(410)와 함께 '⊥'형 종단면을 갖도록 형성될 수 있다.
또한, 제2 수평 플레이트(420)는 볼트 등의 제2 체결수단(440)이 조립될 수 있도록 복수개의 제3 관통홀이 구비될 수 있다.
상기 제2 절곡 플레이트(430)는 하부케이싱 콘크리트(200)의 전면에 평행하도록 제2 수직 플레이트(410) 후단에서 절곡된 것으로, 평판형 구조를 갖도록 형성된다. 이러한 제2 절곡 플레이트(430)는 제2 수직 플레이트(410)와 일체형으로 형성될 수도 있고, 별도로 제작된 후 용접 등을 통해 제2 수직 플레이트(410)에 고정되도록 설치될 수도 있다.
예를 들어, 제2 절곡 플레이트(430)는 제2 수직 플레이트(410)와 함께 '
Figure pat00002
'형 종단면을 갖도록 형성될 수 있다.
또한, 제2 절곡 플레이트(430)는 볼트 등이 조립될 수 있도록 복수개의 제4 관통홀이 구비될 수 있다.
상기 제2 체결수단(440)은 웨브(120)와 제2 수평 플레이트(420)의 제3 관통홀에 관통되도록 몸체가 내삽되는 볼트, 및 상기 볼트의 몸체에 결합되어 웨브(120)에 제2 수평 플레이트(420)를 고정시키는 너트로 구성될 수 있다.
상기 제2 조립수단(450)은 후술하는 제2 어댑터를 통해 제2 절곡 플레이트(430)를 하부케이싱 콘크리트(200)에 조립시키는 것으로, 제4 관통홀을 관통한 제2 어댑터에 결합되어 제2 절곡 플레이트(430)를 하부케이싱 콘크리트(200)에 고정시키는 너트 등을 사용할 수 있다.
도 5 및 도 6을 참조하면, 본 발명에 따른 강합성 거더는 제1 어댑터(510) 및 제2 어댑터(520)를 더 포함할 수 있다.
상기 제1 어댑터(510)는 하부플렌지(130)의 선단과 웨브(120)의 하부 및 하부케이싱 콘크리트(200)의 전면에 고정되도록 설치되는 것으로, 제1 단부지점 연결재(300)를 하부케이싱 콘크리트(200)에 연결하는 설치공간을 제공한다.
이러한 제1 어댑터(510)는 하부케이싱 콘크리트(200)와의 접촉면에 굴곡을 형성하여 플레이트 거더(100)에 대한 하부케이싱 콘크리트(200)의 부착성을 향상시키는 기능을 제공한다.
구체적으로, 제1 어댑터(510)는 제1 연결 강재 플레이트(512) 및 제1 볼트부(514)로 구성될 수 있다.
상기 제1 연결 강재 플레이트(512)는 하부플렌지(130)의 선단과 웨브(120)의 하부 및 하부케이싱 콘크리트(200)의 전면에 고정되도록 설치되는 것으로, 평판 구조로 형성될 수 있다.
또한, 제1 연결 강재 플레이트(512)는 하부케이싱 콘크리트(200)의 전면에서 외부로 노출되며, 인장기를 사용하여 피복강연선과 쉬스관(600)에 내삽된 강연선을 긴장시킬 때 하부케이싱 콘크리트(200)에 인가되는 압력을 분산시켜 하부케이싱 콘크리트(200)의 파손을 예방하는 기능을 제공한다.
이러한 제1 연결 강재 플레이트(512)는 플레이트 거더(100)와 일체형으로 제작될 수도 있고, 별도로 제작된 후 용접 등을 통해 플레이트 거더(100)에 고정되도록 설치될 수 있다.
상기 제1 볼트부(514)는 제1 연결 강재 플레이트(512)에 조립되는 한 개 이상의 볼트를 포함한다. 이때, 제1 볼트부(514)를 구성하는 볼트는 헤드가 하부케이싱 콘크리트(200)에 내삽되도록 제1 연결 강재 플레이트(512)에 설치되며, 제1 단부지점 연결재(300)를 하부케이싱 콘크리트(200)에 연결하는 몸체가 외부로 노출된다. 이러한 볼트의 헤드가 하부케이싱 콘크리트(200)와의 접촉면에 굴곡을 형성한다. 그리고 제1 볼트부(514)를 구성하는 볼트의 몸체는 제1 연결 강재 플레이트(512)와 제1 단부지점 연결재(300)의 제2 관통홀을 관통한 후 너트 등의 제1 조립수단(350)과 결합되어 제1 단부지점 연결재(300)를 제1 연결 강재 플레이트(512)에 고정시킨다.
상기 제2 어댑터(520)는 하부플렌지(130)의 후단과 웨브(120)의 하부 및 하부케이싱 콘크리트(200)의 후면에 고정되도록 설치되는 것으로, 제2 단부지점 연결재(400)를 하부케이싱 콘크리트(200)에 연결하는 설치공간을 제공한다.
이러한 제2 어댑터(520)는 하부케이싱 콘크리트(200)와의 접촉면에 굴곡을 형성하여 플레이트 거더(100)에 대한 하부케이싱 콘크리트(200)의 부착성을 향상시키는 기능을 제공한다.
구체적으로, 제2 어댑터(520)는 제2 연결 강재 플레이트 및 제2 볼트부로 구성될 수 있다.
상기 제2 연결 강재 플레이트는 하부플렌지(130)의 후단과 웨브(120)의 하부 및 하부케이싱 콘크리트(200)의 후면에 고정되도록 설치되는 것으로, 평판 구조로 형성될 수 있다.
또한, 제2연결 강재 플레이트는 하부케이싱 콘크리트(200)의 후면에서 외부로 노출되며, 인장기를 사용하여 쉬스관(600)에 내삽된 강연선과 피복강연선을 긴장시킬 때 하부케이싱 콘크리트(200)에 인가되는 압력을 분산시켜 하부케이싱 콘크리트(200)의 파손을 예방하는 기능을 제공한다.
이러한 제2 연결 강재 플레이트는 플레이트 거더(100)와 일체형으로 제작될 수도 있고, 별도로 제작된 후 용접 등을 통해 플레이트 거더(100)에 고정되도록 설치될 수 있다.
상기 제2 볼트부는 제2 연결 강재 플레이트에 조립되는 한 개 이상의 볼트를 포함한다. 이때, 제2 볼트부를 구성하는 볼트는 헤드가 하부케이싱 콘크리트(200)에 내삽되도록 제2 연결 강재 플레이트에 설치되며, 제2 단부지점 연결재(400)를 하부케이싱 콘크리트(200)에 연결하는 몸체가 외부로 노출된다. 이러한 볼트의 헤드가 하부케이싱 콘크리트(200)와의 접촉면에 굴곡을 형성한다. 그리고 제2 볼트부를 구성하는 볼트의 몸체는 제2 연결 강재 플레이트와 제2 단부지점 연결재(400)의 제4 관통홀을 관통한 후 너트 등의 제2 조립수단(450)과 결합되어 제2 단부지점 연결재(400)를 제2 연결 강재 플레이트에 고정시킨다.
본 발명에 따른 강합성 거더는 쉬스관(600)을 더 포함할 수 있다.
상기 쉬스관(600)은 하부케이싱 콘크리트(200)의 길이방향을 따라 1차 긴장력을 도입하는 강연선을 설치할 수 있도록 투입 경로를 제공하는 것으로, 양단 모두 가동 정착구를 사용하는 경우 일단부터 타단까지 하부케이싱 콘크리트(200)에 내삽될 수 있고, 일단에서 고정 정착구를 사용하는 경우 하부케이싱 콘크리트(200) 내부의 고정 정착구 전면까지 내삽될 수 있다.
일 실시예로 하부케이싱 콘크리트(200)의 양단에 가동 정착구를 사용하는 경우, 쉬스관(600)은 현장에서 강연선을 하부케이싱 콘크리트(200)의 내부로 삽입할 수 있도록 하부케이싱 콘크리트(200)의 길이와 대등한 길이로 형성되며, 하부케이싱 콘크리트(200)의 양측에 그 말단이 노출된다.
다른 실시예로 하부케이싱 콘크리트(200)의 일단에 가동 정착구를 사용하고 타단 내부에 고정 정착구를 사용하는 경우, 쉬스관(600)은 현장에서 강연선을 하부케이싱 콘크리트(200)의 내부로 삽입할 수 있도록 하부케이싱 콘크리트(200)의 길이보다 짧게 형성되며, 일측에서 고정 정착구 전면부터 하부케이싱 콘크리트(200)의 일측에 그 말단이 노출된다.
이러한 쉬스관(600)은 가동 정착구 및 고정 정착구에 연결된 강연선을 삽입시킬 수 있는 공간을 확보해주고 하부케이싱 콘크리트(200)에 압축응력을 도입한 이후, 그 내부에 그라우팅이 주입되고 양생된다.
또한, 강연선은 하부케이싱 콘크리트(200)의 길이 방향을 따라 하부케이싱 콘크리트(200)에 압축응력을 도입하기 위한 것으로, 하부케이싱 콘크리트(200)의 양단에서 가동 정착구로 고정되는 경우 하부케이싱 콘크리트(200)의 길이와 대등한 길이로 형성되며, 하부케이싱 콘크리트(200)의 일단에서 가동 정착구를 사용하고 타단 내부에서 고정 정착구를 사용하는 경우 하부케이싱 콘크리트(200)의 길이보다 짧은 길이로 형성된다.
이러한 강연선은 압축응력을 도입시키기 위해 복수개의 강선이 꼬아져 구성되며, 쉬스관(600)의 내부에 복수개로 배치될 수 있다.
상기 가동 정착구는 강연선을 긴장시키기 위해 강연선의 단부에 구비되는 것으로, 하부케이싱 콘크리트(200)의 외부에 노출되도록 설치될 수 있다.
예를 들어, 가동 정착구는 관통공이 형성된 제1,2 연결 강재 플레이트를 통과한 강연선을 유압잭 등의 인장기로 잡아당겨 긴장시킨 후, 각각의 강연선의 끝단에 쐐기 형상으로 형성된 웨지(wedge)를 끼워 고정시키도록 형성될 수 있다.
상기 고정 정착구는 강연선을 긴장시키기 위해 강연선의 단부에 구비되는 것으로, 하부케이싱 콘크리트(200)의 내부에 삽입되도록 설치될 수 있다. 예를 들어, 고정 정착구는 하부케이싱 콘크리트(200)의 내부에 삽입되어 일체화되어 있으므로 하부케이싱 콘크리트(200)에 고정된다.
본 발명에 따른 강합성 거더는 복수개의 피복강연선을 더 포함할 수 있다.
상기 피복강연선은 2차 긴장력을 도입할 수 있도록 하부케이싱 콘크리트(200)의 길이와 대등한 길이로 형성되는 것으로, 하부케이싱 콘크리트(200)의 일단에서 고정 정착구로 고정된 상태로 하부케이싱 콘크리트(200)에 결합되며, 타단에서 가동 정착구로 고정된다.
이러한 피복강연선은 복수개가 꼬아진 강선, 및 상기 강선의 외부에 구비된 피복재로 구성된다. 이러한 피복강연선은 모노 스트랜드 잭 등의 인장기로 강합성 거더에 2차 긴장력을 도입한다. 또한, 피복강연선은 강선과 피복재 사이에 구비된 마찰 완화용 윤활유를 더 포함하여 구성될 수 있다. 이때, 윤활유로는 그리스(grease)가 사용될 수 있다.
이와 같이, 피복강연선은 2차 인장에 사용하기 때문에 2차 강연선의 삽입을 위한 쉬스관의 설치가 불필요하다. 그리고 본 발명은 2차 긴장용 쉬스관이 없어 2차 긴장력을 강합성 거더에 도입하기 전에 쉬스관 내부에 피복강연선을 삽입시키는 과정 및 2차 긴장력을 거더에 도입한 이후 쉬스관 내부를 메우는 그라우팅 과정이 생략되므로, 라멘교의 시공과정이 간편하다.
일 실시 양태로서, 복수개의 피복강연선은 관통공이 형성된 제1,2 연결 강재 플레이트를 통과하도록 배치될 수 있다.
다른 실시 양태로서, 복수개의 피복강연선은 제1,2 연결 강재 플레이트를 통과하지 않도록 제1,2 연결 강재 플레이트의 테두리를 따라 배치될 수 있다.
도 10은 본 발명의 일 실시예에 따른 강합성 거더의 제작방법을 설명하기 위한 순서도이며, 도 11은 본 발명의 다른 실시예에 따른 강합성 거더의 제작방법을 설명하기 위한 순서도이다.
도 10 및 도 11을 참조하면, 본 발명에 따른 강합성 거더의 제작방법은 플레이트 거더 제작단계(S100)와, 강합성거더 생성단계(S200)와, 압축응력 도입단계(S300), 및 강합성거더 보강단계(S400)를 포함하며, 선택적으로 플레이트 거더 제작단계(S100)와 강합성거더 생성단계(S200)의 사이에 어댑터 설치단계(S150)를 더 포함할 수 있다.
본 발명에 따른 강합성 거더의 제작방법을 구성하는 플레이트 거더 제작단계(S100)는 상부플렌지(110)와, 상기 상부플렌지(110)의 길이방향을 따라 상부플렌지(110)의 하단에 설치된 웨브(120), 및 상기 웨브의 길이방향을 따라 웨브(120)의 하단 중앙에 설치된 하부플렌지(130)를 포함하는 플레이트 거더(100)를 제작하는 단계이다.
이때, 하부플렌지(130)는 웨브(120)의 선단 하부 및 웨브(120)의 후단 하부에 접촉되지 않도록 웨브(120)의 길이방향을 기준으로 웨브(120)의 하단 중앙에 설치되며, 상부플렌지(110) 및 웨브(120)보다 짧은 길이, 바람직하게는 상부플렌지(110) 및 웨브(120) 길이(L)를 기준으로 0.7L 내지 0.9L이 되도록 형성된다.
본 발명에 따른 강합성 거더의 제작방법을 구성하는 강합성거더 생성단계(S200)는 플레이트 거더 제작단계(S100)를 통해 제작된 플레이트 거더(100)의 하부플렌지(130)에 하부케이싱 콘크리트(200)를 추가하여 강합성 거더를 생성하는 단계이다.
일 실시 양태로서, 본 발명에 따른 강합성거더 생성단계(S200)에서는 도 10과 같이 플레이트 거더(100)의 하부에서 상부 방향으로 플레이트 거더(100)에 프리플렉스 하중을 재하한 상태로 플레이트 거더(100)의 하부플렌지(130)에 하부케이싱 콘크리트(200)를 타설 및 양생하여 강합성 거더를 생성한다.
보다 구체적으로, 강합성거더 생성단계(S200)는 플레이트 거더(100)에 프리플렉스 하중을 재하하는 PF하중 재하과정과, 제작하고자 하는 하부케이싱 콘크리트(200)의 길이보다 긴 길이를 갖도록 철근을 설치하는 철근설치과정과, 하부케이싱 콘크리트(200)에 부합하는 거푸집을 설치하는 거푸집 설치과정과, 상기 거푸집의 내부에 콘크리트를 타설하고 양생하는 양생과정, 및 상기 거푸집을 제거하는 거푸집 제거과정을 포함한다.
다른 실시 양태로서, 본 발명에 따른 강합성거더 생성단계(S200)에서는 도 11과 같이 플레이트 거더(100)의 하부플렌지(130)의 양 측면에 쉬스관(600)이 구비된 하부케이싱 콘크리트(200)를 타설 및 양생하여 강합성 거더를 생성한다.
보다 구체적으로, 강합성거더 생성단계(S200)는 제작하고자 하는 하부케이싱 콘크리트(200)의 길이보다 긴 길이를 갖도록 철근을 설치하는 철근설치과정과, 하부케이싱 콘크리트(200)에 부합하는 한 개 이상의 쉬스관(600)과 복수개의 피복강연선 및 거푸집을 설치하는 거푸집 설치과정과, 상기 거푸집의 내부에 콘크리트를 타설하고 양생하는 양생과정, 및 상기 거푸집을 제거하는 거푸집 제거과정을 포함한다.
일반적인 강합성 거더는 2차 긴장력을 도입하는 강연선을 현장에서 설치하기 위해 2차 긴장력을 도입하는 제2 강연선을 투입하기 위한 제2 쉬스관(600)을 배치하나, 본 발명은 제2 쉬스관(600) 대신 2차 긴장력을 도입하는 복수의 피복강연선을 직접 배치한다.
본 발명에 따른 강합성 거더의 제작방법을 구성하는 어댑터 설치단계(S150)는 플레이트 거더 제작단계(S100)를 통해 제작된 플레이트 거더(100)에 제1 어댑터(510) 및 제2 어댑터(520)를 설치하는 단계이다.
보다 구체적으로, 어댑터 설치단계(S150)에서는 하부플렌지(130)의 선단과 웨브(120)의 하부 및 하부케이싱 콘크리트(200)의 전면에 제1 어댑터(510)를 설치한다. 이는, 제1 단부지점 연결재(300)를 하부케이싱 콘크리트(200)에 연결하는 설치공간을 제공하기 위함이다. 이러한 제1 어댑터(510)는 제1 연결 강재 플레이트(512) 및 제1 볼트부(514)로 구성될 수 있다.
이러한 제1 연결 강재 플레이트(512)는 하부케이싱 콘크리트(200)의 외부로 노출되는 가동 정착구가 설치될 수 있으며, 관리자가 가동 정착구를 통해 가동 정착구에 연결된 강연선이나 피복강연선 또는 이들 모두를 간편하게 인장시킬 수 있게 하는 기능을 제공한다.
그리고 어댑터 설치단계(S150)에서는 하부플렌지(130)의 후단과 웨브(120)의 하부 및 하부케이싱 콘크리트(200)의 후면에 제2 어댑터(520)를 설치한다. 이는, 제2 단부지점 연결재(400)를 하부케이싱 콘크리트(200)에 연결하는 설치공간을 제공하기 위함이다. 이러한 제2 어댑터(520)는 제2 연결 강재 플레이트 및 제2 볼트부로 구성될 수 있다.
본 발명에 따른 강합성 거더의 제작방법을 구성하는 압축응력 도입단계(S300)는 강합성거더 생성단계(S200)를 통해 제작된 강합성 거더에 압축응력을 도입하는 단계이다.
일 실시 양태로서, 본 발명에 따른 압축응력 도입단계(S300)에서는 도 10과 같이 강합성거더 생성단계(S200)에서 도입된 프리플렉스 하중을 제거하여 하부케이싱 콘크리트(200)에 압축응력을 도입한다.
다른 실시 양태로서, 본 발명에 따른 압축응력 도입단계(S300)에서는 도 11과 같이 하부케이싱 콘크리트(200)의 쉬스관(600)에 강연선을 내삽시키고, 쉬스관(600)에 내삽된 강연선을 인장하여 하부케이싱 콘크리트(200)에 압축응력을 도입한다.
이와 같이, 압축응력 도입단계(S300)에서는 프리플렉스 하중을 이용하여 하부케이싱 콘크리트(200)에 압축응력을 도입하거나, 강연선을 이용하여 하부케이싱 콘크리트(200)에 압축응력을 도입한다.
본 발명에 따른 강합성 거더의 제작방법을 구성하는 강합성거더 보강단계(S400)는 압축응력 도입단계(S300)를 통과한 강합성 거더에 제1 단부지점 연결재(300)와 제2 단부지점 연결재(400)를 설치하는 단계이다.
보다 구체적으로, 상기 강합성거더 보강단계(S400)에서는 도 10 및 도 11과 같이 평판형 안착면을 제공하는 제1 단부지점 연결재(300)를 하부케이싱 콘크리트(200)의 전면 및 웨브(120)의 하부에 연결하고, 평판형 안착면을 제공하는 제2 단부지점 연결재(400)를 하부케이싱 콘크리트(200)의 후면 및 웨브(120)의 하부에 연결한다.
이러한 플레이트 거더 제작단계(S100)와, 어댑터 설치단계(S150)와, 강합성거더 생성단계(S200)와, 압축응력 도입단계(S300), 및 강합성거더 보강단계(S400)에서는 전술한 라멘교용 강합성 거더에 포함된 세부구성(플레이트 거더, 하부케이싱 콘크리트, 제1 단부지점 연결재, 제2 단부지점 연결재, 제1 어댑터, 제2 어댑터, 쉬스관)들이 사용되므로, 중복되는 내용은 생략한다.
한편, 본 발명은 전술한 강합성 거더를 이용한 라멘교 시공방법을 제공할 수 있다.
본 발명에 따른 라멘교 시공방법은 거더 설치단계와, 2차 압축응력 도입단계, 바닥판 슬래브 및 교대부 상단 시공단계를 포함한다.
상기 거더 설치단계는 본 발명의 강합성 거더의 제작방법으로 제작된 강합성 거더를 교각 또는 교대 위에 횡방향으로 나란하게 설치하는 단계이다.
상기 2차 압축응력 도입단계는 거더 설치단계 이후에 강합성 거더에 미리 설치되어 있는 복수개의 피복강연선을 유압잭 등의 인장기로 각각 개별적으로 긴장하여 2차 압축응력을 강합성 거더에 도입하는 단계이다.
특정 양태로서, 본 발명에 따른 2차 압축응력 도입단계는 정착구 설치과정, 및 긴장력 도입과정으로 구성될 수 있다.
상기 정착구 설치과정은 피복강연선의 말단에 가동 정착구를 설치하는 과정이다.
상기 긴장력 도입과정은 가동 정착구가 각각 설치된 복수개의 피복강연선을 유압잭 등의 인장기를 통해 개별적으로 긴장하여 2차 압축응력을 하부케이싱 콘크리트에 도입하는 과정이다.
상기 바닥판 슬래브 및 교대부 상단 시공단계는 2차 압축응력 도입 단계 이후에 횡방향으로 나란하게 설치된 강합성 거더들의 상부에 현장 타설 콘크리트를 시공하여 바닥판 슬래브를 설치하고 상기 강합성 거더들의 단부에 현장 타설 콘크리트를 시공하여 교대부 상단을 설치하는 단계이다.
이상에서 본 발명의 바람직한 실시예를 참조하여 설명하였지만, 해당 기술분야의 숙련된 당업자는 하기의 특허청구범위에 기재된 본 발명의 사상 및 영역으로부터 벗어나지 않는 범위 내에서 본 발명을 다양하게 수정 및 변경시킬 수 있음을 이해할 수 있을 것이다.
100 : 플레이트 거더 110 : 상부플렌지
120 : 웨브 130 : 하부플렌지
200 : 하부케이싱 콘크리트 210 : 철근
300 : 제1 단부지점 연결재 310 : 제1 수직 플레이트
320 : 제1 수평 플레이트 330 : 제1 절곡 플레이트
340 : 제1 체결수단 350 : 제1 조립수단
400 : 제2 단부지점 연결재 410 : 제2 수직 플레이트
420 : 제2 수평 플레이트 430 : 제2 절곡 플레이트
440 : 제2 체결수단 450 : 제2 조립수단
510 : 제1 어댑터 512: 제1 연결 강재 플레이트
514 : 제1 볼트부 520 : 제2 어댑터
600 : 쉬스관

Claims (9)

  1. 상부플렌지와, 상기 상부플렌지의 길이방향을 따라 상부플렌지의 하단에 설치된 웨브, 및 상기 웨브의 길이방향을 따라 웨브의 하단 중앙에 설치된 하부플렌지를 포함하는 플레이트 거더;
    상기 하부플렌지에 설치된 하부케이싱 콘크리트;
    상기 하부케이싱 콘크리트의 전면 및 상기 웨브의 하부에 연결되어 평판형 안착면을 제공하는 제1 단부지점 연결재; 및
    상기 하부케이싱 콘크리트의 후면 및 상기 웨브의 하부에 연결되어 평판형 안착면을 제공하는 제2 단부지점 연결재를 포함하는 라멘교용 강합성 거더.
  2. 제1 항에 있어서, 상기 제1 단부지점 연결재는
    상기 웨브의 하부에 수직으로 접촉되는 제1 수직 플레이트와,
    상기 웨브에 평행하도록 상기 수직 플레이트의 길이방향을 따라 수직 플레이트의 상면에 구비되는 제1 수평 플레이트와,
    상기 하부케이싱 콘크리트의 전면에 평행하도록 상기 제1 수직 플레이트 후단에서 절곡된 제1 절곡 플레이트와,
    상기 웨브에 제1 수평 플레이트를 체결시키는 제1 체결수단, 및
    상기 하부케이싱 콘크리트에 상기 제1 절곡 플레이트를 조립시키는 제1 조립수단을 포함하는 것을 특징으로 하는 라멘교용 강합성 거더.
  3. 제1 항에 있어서, 상기 하부케이싱 콘크리트는
    철근이 하부케이싱 콘크리트의 전면과 후면에 돌출되도록 구비된 것을 특징으로 하는 라멘교용 강합성 거더.
  4. 제1 항에 있어서, 상기 하부케이싱 콘크리트의 길이는
    상기 플레이트 거더의 길이(L)를 기준으로 0.7L 내지 0.9L로 형성되는 것을 특징으로 하는 라멘교용 강합성 거더.
  5. 제1 항에 있어서,
    상기 하부플렌지의 선단과 웨브의 하부 및 하부케이싱 콘크리트의 전면에 고정되도록 설치되어 상기 제1 단부지점 연결재를 하부케이싱 콘크리트에 연결하는 설치공간을 제공하는 제1 어댑터, 및
    상기 하부플렌지의 후단과 웨브의 하부 및 하부케이싱 콘크리트의 후면에 고정되도록 설치되어 상기 제2 단부지점 연결재를 하부케이싱 콘크리트에 연결하는 설치공간을 제공하는 제2 어댑터를 더 포함하는 것을 특징으로 하는 라멘교용 강합성 거더.
  6. 제5 항에 있어서, 상기 제1 어댑터는
    상기 하부플렌지의 선단과 웨브의 하부 및 하부케이싱 콘크리트의 전면에 고정되도록 설치되는 제1 연결 강재 플레이트, 및
    상기 제1 연결 강재 플레이트에 조립되고, 헤드가 하부케이싱 콘크리트에 내삽되며, 상기 제1 단부지점 연결재를 하부케이싱 콘크리트에 연결하는 몸체가 외부로 노출된 볼트가 한 개 이상 구비된 제1 볼트부로 구성된 것을 특징으로 하는 라멘교용 강합성 거더.
  7. 상부플렌지와, 상기 상부플렌지의 길이방향을 따라 상부플렌지의 하단에 설치된 웨브, 및 상기 웨브의 길이방향을 따라 웨브의 하단 중앙에 설치된 하부플렌지를 포함하는 플레이트 거더를 제작하는 플레이트 거더 제작단계;
    상기 플레이트 거더에 프리플렉스 하중을 재하한 상태로 상기 하부플렌지에 하부케이싱 콘크리트를 타설 및 양생하여 강합성 거더를 생성하는 강합성거더 생성단계;
    상기 프리플렉스 하중을 제거하여 하부케이싱 콘크리트에 압축응력을 도입하는 압축응력 도입단계; 및
    평판형 안착면을 제공하는 제1 단부지점 연결재를 상기 하부케이싱 콘크리트의 전면 및 웨브의 하부에 연결하고, 평판형 안착면을 제공하는 제2 단부지점 연결재를 상기 하부케이싱 콘크리트의 후면 및 웨브의 하부에 연결하는 강합성거더 보강단계를 포함하는 라멘교용 강합성 거더의 제작방법.
  8. 상부플렌지와, 상기 상부플렌지의 길이방향을 따라 상부플렌지의 하단에 설치된 웨브, 및 상기 웨브의 길이방향을 따라 웨브의 하단 중앙에 설치된 하부플렌지를 포함하는 플레이트 거더를 제작하는 플레이트 거더 제작단계;
    상기 하부플렌지에 쉬스관이 구비된 하부케이싱 콘크리트를 타설 및 양생하여 강합성 거더를 생성하는 강합성거더 생성단계;
    상기 쉬스관에 내삽된 강연선을 인장하여 하부케이싱 콘크리트에 압축응력을 도입하는 압축응력 도입단계; 및
    평판형 안착면을 제공하는 제1 단부지점 연결재를 상기 하부케이싱 콘크리트의 전면 및 웨브의 하부에 연결하고, 평판형 안착면을 제공하는 제2 단부지점 연결재를 상기 하부케이싱 콘크리트의 후면 및 웨브의 하부에 연결하는 강합성거더 보강단계를 포함하는 라멘교용 강합성 거더의 제작방법.
  9. 제7 항 또는 제8 항에 있어서, 상기 플레이트 거더 제작단계와 강합성거더 생성단계의 사이에
    상기 제1 단부지점 연결재를 하부케이싱 콘크리트에 연결하는 설치공간을 제공할 수 있도록 상기 하부플렌지의 선단과 웨브의 하부 및 하부케이싱 콘크리트의 전면에 제1 어댑터를 설치하고, 상기 제2 단부지점 연결재를 하부케이싱 콘크리트에 연결하는 설치공간을 제공할 수 있도록 상기 하부플렌지의 후단과 웨브의 하부 및 하부케이싱 콘크리트의 후면에 제2 어댑터를 설치하는 어댑터 설치단계를 더 포함하는 것을 특징으로 하는 라멘교용 강합성 거더의 제작방법.
KR1020210113155A 2021-08-26 2021-08-26 라멘교용 강합성 거더 및 이의 제작방법 Ceased KR20230030912A (ko)

Priority Applications (1)

Application Number Priority Date Filing Date Title
KR1020210113155A KR20230030912A (ko) 2021-08-26 2021-08-26 라멘교용 강합성 거더 및 이의 제작방법

Applications Claiming Priority (1)

Application Number Priority Date Filing Date Title
KR1020210113155A KR20230030912A (ko) 2021-08-26 2021-08-26 라멘교용 강합성 거더 및 이의 제작방법

Publications (1)

Publication Number Publication Date
KR20230030912A true KR20230030912A (ko) 2023-03-07

Family

ID=85512243

Family Applications (1)

Application Number Title Priority Date Filing Date
KR1020210113155A Ceased KR20230030912A (ko) 2021-08-26 2021-08-26 라멘교용 강합성 거더 및 이의 제작방법

Country Status (1)

Country Link
KR (1) KR20230030912A (ko)

Cited By (1)

* Cited by examiner, † Cited by third party
Publication number Priority date Publication date Assignee Title
WO2024186189A1 (ko) 2023-03-09 2024-09-12 주식회사 엘지에너지솔루션 내화 코팅층이 탈리되어 벤팅홀이 개방되는 배터리 모듈

Citations (4)

* Cited by examiner, † Cited by third party
Publication number Priority date Publication date Assignee Title
KR20100069866A (ko) 2008-12-17 2010-06-25 재단법인 포항산업과학연구원 강합성 거더
KR101126042B1 (ko) 2009-07-07 2012-04-12 (주)삼현피에프 긴장재에 의해 압축 프리스트레스가 도입되는 강합성 거더 및 그 제작 방법
KR101198812B1 (ko) 2012-05-11 2012-11-07 주식회사 아이비엘이앤씨 프리플렉스 거더를 이용한 합성형 라멘교의 시공방법
KR101665121B1 (ko) 2016-01-28 2016-10-12 주식회사 티엠이앤씨 교량용 강합성 거더의 제작 방법

Patent Citations (4)

* Cited by examiner, † Cited by third party
Publication number Priority date Publication date Assignee Title
KR20100069866A (ko) 2008-12-17 2010-06-25 재단법인 포항산업과학연구원 강합성 거더
KR101126042B1 (ko) 2009-07-07 2012-04-12 (주)삼현피에프 긴장재에 의해 압축 프리스트레스가 도입되는 강합성 거더 및 그 제작 방법
KR101198812B1 (ko) 2012-05-11 2012-11-07 주식회사 아이비엘이앤씨 프리플렉스 거더를 이용한 합성형 라멘교의 시공방법
KR101665121B1 (ko) 2016-01-28 2016-10-12 주식회사 티엠이앤씨 교량용 강합성 거더의 제작 방법

Cited By (1)

* Cited by examiner, † Cited by third party
Publication number Priority date Publication date Assignee Title
WO2024186189A1 (ko) 2023-03-09 2024-09-12 주식회사 엘지에너지솔루션 내화 코팅층이 탈리되어 벤팅홀이 개방되는 배터리 모듈

Similar Documents

Publication Publication Date Title
CN101080534B (zh) 制造预应力钢组合梁的方法
KR101283535B1 (ko) 완전 프리캐스트 프리스트레스트 콘크리트 거더 교량 및 그 시공방법
KR101202416B1 (ko) 프리플렉스 합성빔과 피에스씨빔을 이용한 구조용 빔 및 이를 이용한 구조물 시공방법
JP5937898B2 (ja) 箱桁橋の構築法
KR100982974B1 (ko) 다경간 연속 리프리스트레스트 프리플렉스 합성형교 시공방법
KR100635137B1 (ko) 교량 슬래브 시공방법 및 그에 적용되는 래티스바아데크형 피씨플레이트
JPH07331618A (ja) 下部ケーブルによるプレストレス導入橋梁補強方法
KR101293838B1 (ko) 응력전달길이 구간을 제거하는 프리텐션 제조장치 및 그를 이용한 프리스트레스트 구조체 제작방법
KR100592196B1 (ko) 다수개의 지지장치가 설치된 브라켓을 이용하여 교량을지지할 수 있도록 설치된 다중지점 지지브라켓 및 이의설치방법
KR20230030912A (ko) 라멘교용 강합성 거더 및 이의 제작방법
KR101178737B1 (ko) 중앙 하부의 형고를 변화시킨 단면에 직선강재로 프리스트레스를 도입한 psc합성거더의 연속구조 및 이의 시공방법
JP6564921B1 (ja) Pc有ヒンジ桁橋におけるヒンジ部の補強方法および補強構造
KR200302128Y1 (ko) 재긴장이 가능한 프리스트레스트 프리플렉스 강합성빔
KR200342287Y1 (ko) 단계별로 프리스트레스가 도입되는 프리스트레스강합성빔의 설치구조
KR100785634B1 (ko) 프리스트레스트 콘크리트 합성빔 교량의 연속화 구조 및 그공법
KR100989153B1 (ko) 바닥판 주철근 대체가 용이하도록 횡방향 강성연결재를 구비한 십자형 피에스씨 거더 연결구조 및 십자형 피에스씨 거더를 이용한 교량시공방법
KR20060017949A (ko) 편심거리 증가로 인한 내하력이 증강된 현장조립식프리스트레싱 강합성 거더 및 이를 이용한 연속교 시공방법
KR100720996B1 (ko) 프리캐스트 교량바닥판을 이용한 연속교 시공방법
KR20040091350A (ko) 피에스에스 거더
KR102468194B1 (ko) 프리스트레스트 강합성 거더 교량 및 그 시공방법
KR102405028B1 (ko) 강합성 연속교 및 그 시공방법
KR101001443B1 (ko) 탈부착 가능한 정착장치를 이용한 합성거더교량의 주거더 연속화 공법
KR102551244B1 (ko) 개방형복부를 가진 강재박스, 이를 이용하여 제작된 교량 및 그 시공방법
KR100500382B1 (ko) 프리캐스트 거더의 연속화 시공방법 및 연결구조
KR102712398B1 (ko) 강화된 교량 상부 구조체

Legal Events

Date Code Title Description
PA0109 Patent application

Patent event code: PA01091R01D

Comment text: Patent Application

Patent event date: 20210826

PA0201 Request for examination
PE0902 Notice of grounds for rejection

Comment text: Notification of reason for refusal

Patent event date: 20230104

Patent event code: PE09021S01D

PG1501 Laying open of application
E601 Decision to refuse application
PE0601 Decision on rejection of patent

Patent event date: 20230722

Comment text: Decision to Refuse Application

Patent event code: PE06012S01D

Patent event date: 20230104

Comment text: Notification of reason for refusal

Patent event code: PE06011S01I