KR20230008981A - 철골 콘크리트 합성보와 경량 콘크리트 패널이 합성된 바닥 구조체 및 이의 시공방법 - Google Patents

철골 콘크리트 합성보와 경량 콘크리트 패널이 합성된 바닥 구조체 및 이의 시공방법 Download PDF

Info

Publication number
KR20230008981A
KR20230008981A KR1020210089446A KR20210089446A KR20230008981A KR 20230008981 A KR20230008981 A KR 20230008981A KR 1020210089446 A KR1020210089446 A KR 1020210089446A KR 20210089446 A KR20210089446 A KR 20210089446A KR 20230008981 A KR20230008981 A KR 20230008981A
Authority
KR
South Korea
Prior art keywords
concrete
steel
composite beam
panel
floor structure
Prior art date
Legal status (The legal status is an assumption and is not a legal conclusion. Google has not performed a legal analysis and makes no representation as to the accuracy of the status listed.)
Granted
Application number
KR1020210089446A
Other languages
English (en)
Other versions
KR102612179B1 (ko
Inventor
강경태
김홍식
박주훈
변일우
안진모
정문숙
최원석
Original Assignee
삼성물산 주식회사
Priority date (The priority date is an assumption and is not a legal conclusion. Google has not performed a legal analysis and makes no representation as to the accuracy of the date listed.)
Filing date
Publication date
Application filed by 삼성물산 주식회사 filed Critical 삼성물산 주식회사
Priority to KR1020210089446A priority Critical patent/KR102612179B1/ko
Publication of KR20230008981A publication Critical patent/KR20230008981A/ko
Application granted granted Critical
Publication of KR102612179B1 publication Critical patent/KR102612179B1/ko
Active legal-status Critical Current
Anticipated expiration legal-status Critical

Links

Images

Classifications

    • EFIXED CONSTRUCTIONS
    • E04BUILDING
    • E04BGENERAL BUILDING CONSTRUCTIONS; WALLS, e.g. PARTITIONS; ROOFS; FLOORS; CEILINGS; INSULATION OR OTHER PROTECTION OF BUILDINGS
    • E04B1/00Constructions in general; Structures which are not restricted either to walls, e.g. partitions, or floors or ceilings or roofs
    • E04B1/343Structures characterised by movable, separable, or collapsible parts, e.g. for transport
    • E04B1/34315Structures characterised by movable, separable, or collapsible parts, e.g. for transport characterised by separable parts
    • EFIXED CONSTRUCTIONS
    • E04BUILDING
    • E04BGENERAL BUILDING CONSTRUCTIONS; WALLS, e.g. PARTITIONS; ROOFS; FLOORS; CEILINGS; INSULATION OR OTHER PROTECTION OF BUILDINGS
    • E04B1/00Constructions in general; Structures which are not restricted either to walls, e.g. partitions, or floors or ceilings or roofs
    • E04B1/62Insulation or other protection; Elements or use of specified material therefor
    • E04B1/92Protection against other undesired influences or dangers
    • E04B1/98Protection against other undesired influences or dangers against vibrations or shocks; against mechanical destruction, e.g. by air-raids
    • EFIXED CONSTRUCTIONS
    • E04BUILDING
    • E04CSTRUCTURAL ELEMENTS; BUILDING MATERIALS
    • E04C3/00Structural elongated elements designed for load-supporting
    • E04C3/02Joists; Girders, trusses, or trusslike structures, e.g. prefabricated; Lintels; Transoms; Braces
    • E04C3/29Joists; Girders, trusses, or trusslike structures, e.g. prefabricated; Lintels; Transoms; Braces built-up from parts of different material, i.e. composite structures
    • E04C3/293Joists; Girders, trusses, or trusslike structures, e.g. prefabricated; Lintels; Transoms; Braces built-up from parts of different material, i.e. composite structures the materials being steel and concrete
    • EFIXED CONSTRUCTIONS
    • E04BUILDING
    • E04FFINISHING WORK ON BUILDINGS, e.g. STAIRS, FLOORS
    • E04F15/00Flooring
    • E04F15/02Flooring or floor layers composed of a number of similar elements
    • E04F15/08Flooring or floor layers composed of a number of similar elements only of stone or stone-like material, e.g. ceramics, concrete; of glass or with a top layer of stone or stone-like material, e.g. ceramics, concrete or glass

Landscapes

  • Engineering & Computer Science (AREA)
  • Architecture (AREA)
  • Civil Engineering (AREA)
  • Structural Engineering (AREA)
  • Physics & Mathematics (AREA)
  • Electromagnetism (AREA)
  • Chemical & Material Sciences (AREA)
  • Environmental & Geological Engineering (AREA)
  • Ceramic Engineering (AREA)
  • Composite Materials (AREA)
  • Building Environments (AREA)

Abstract

본 발명의 일 실시예에 따른 철골 콘크리트 합성보와 경량 콘크리트 패널이 합성된 바닥 구조체는 모듈러 구조의 건축물에 적용되는 바닥 구조체로서, 상기 바닥 구조체의 외형을 이루며 철골부재와 콘크리트부재가 합성된 철골 콘크리트 합성보 및 상기 철골 콘크리트 합성보의 내측에 결합되며 경량의 콘크리트로 구성된 콘크리트 패널부를 포함한다.

Description

철골 콘크리트 합성보와 경량 콘크리트 패널이 합성된 바닥 구조체 및 이의 시공방법{FLOOR STRUCTURE USING STEEL CONCRETE COMPOSITE BEAM AND CONCRETE PANEL AND METHOD THEREOF}
본 발명은 모듈러 구조 시스템에 적용되는 바닥 구조체에 관한 것으로, 더욱 상세하게는 철골 및 콘크리트가 합성된 합성보와 경량의 콘크리트 패널이 합성된 바닥 구조체 및 이의 시공방법에 관한 것이다.
모듈러 구조 시스템은 경량화를 위해 철골을 주로 사용하고 있으며, 2시간 이상의 내화 구조를 위한 내화 방식에 제약이 많이 따른다.
특히, 철골 물량의 다수를 차지하는 바닥 구조체의 경우, 콘크리트 타설을 기반으로 하여 제작 공정상 습식 공정이 추가되고 모듈의 무게가 증가하여 모듈 이동 및 양중의 한계를 가진다.
즉, 바닥 구조체를 이루는 모듈의 이동 및 양중을 위한 경량화 및 건식화가 되어야 하나, 철골 부재의 내화페인트, 내화뿜칠, 방화석고보드 방식 등의 내화 방식이 건물의 수명을 따라가지 못하는 제한을 가지는 것이다.
이에, 모듈러 구조 시스템을 이루는 바닥 구조체의 강성을 증가시켜 구조 성능의 향상을 도모하고 안전성을 확보할 필요가 있다.
대한민국 공개특허공보 제10-2020-0057703호(2020.05.14)
본 발명의 실시예들을 통해 모듈러 구조 시스템 중 바닥 구조체에 철골 및 콘크리트가 합성된 철골 콘크리트 합성보와 경량의 콘크리트 패널을 적용함으로써 구조체의 강성 증가 및 전체 무게 감소를 실현하여 모듈러 구조물의 안정성을 확보하도록 하는 철골 콘크리트 합성보와 경량 콘크리트 패널이 합성된 바닥 구조체 및 이의 시공방법을 제공하는데 있다.
또한, 본 발명의 실시예들을 통해 철골 콘크리트 합성보와 경량 콘크리트 패널의 합성 시 보강 철근 및 모르타르 본딩을 적용함으로써 바닥 구조체의 거동 시 구조체의 일체성을 증가시키도록 하는 철골 콘크리트 합성보와 경량 콘크리트 패널이 합성된 바닥 구조체 및 이의 시공방법을 제공하는데 있다.
본 발명이 해결하고자 하는 과제는 이상에서 언급한 과제(들)로 제한되지 않으며, 언급되지 않은 또 다른 과제(들)은 아래의 기재로부터 당업자에게 명확하게 이해될 수 있을 것이다.
본 발명의 일 실시예에 따른 철골 콘크리트 합성보와 경량 콘크리트 패널이 합성된 바닥 구조체는 모듈러 구조의 건축물에 적용되는 바닥 구조체로서, 상기 바닥 구조체의 외형을 이루며 철골부재와 콘크리트부재가 합성된 철골 콘크리트 합성보 및 상기 철골 콘크리트 합성보의 내측에 결합되며 경량의 콘크리트로 구성된 콘크리트 패널부를 포함할 수 있다.
또한, 본 발명의 일 실시예에 따른 상기 철골 콘크리트 합성보의 철골부재는 H형강 또는 I형강일 수 있다.
또한, 본 발명의 일 실시예에 따른 상기 철골 콘크리트 합성보는 상기 콘크리트 패널부가 결합되는 부분을 제외한 상기 철골부재의 외측면을 상기 콘크리트부재가 에워쌀 수 있다.
또한, 본 발명의 일 실시예에 따른 상기 철골 콘크리트 합성보는 상기 철골부재와 상기 콘크리트부재 간의 강성이 증가되도록, 상기 철골부재의 웨브의 상하부에 부착되는 스터드볼트를 더 포함할 수 있다.
또한, 본 발명의 일 실시예에 따른 상기 철골 콘크리트 합성보는 상기 철골부재와 상기 콘크리트부재 간의 강성이 증가되도록 상기 웨브의 하부 내측면에 접합되는 제1 스티프너 및 상기 웨브의 외측면에 접합되는 제2 스티프너를 포함하는 스티프너를 더 포함할 수 있다.
또한, 본 발명의 일 실시예에 따른 상기 철골 콘크리트 합성보는 상기 콘크리트 패널부와 결합되는 수평방향의 단면에 패널 설치 및 진동을 방지하기 위해 구비되는 고무패드를 더 포함할 수 있다.
또한, 본 발명의 일 실시예에 따른 상기 콘크리트 패널부에는 패널의 일방향을 따라 상측이 개방된 패널홈이 구비되며, 상기 패널홈에는 소정 길이의 보강철근이 배근될 수 있다.
또한, 본 발명의 일 실시예에 따른 철골 콘크리트 합성보와 경량 콘크리트 패널이 합성된 바닥 구조체의 시공방법은 모듈러 구조의 건축물에 적용되는 바닥 구조체를 시공하는 방법에 있어서, 기둥 사이에 철골부재와 콘크리트부재가 합성된 철골 콘크리트 합성보를 설치하는 단계 및 상기 철골 콘크리트 합성보의 내측면에 보강철근이 배근된 경량의 콘크리트로 구성된 콘크리트 패널부를 설치하는 단계를 포함할 수 있다.
또한, 본 발명의 일 실시예에 따른 상기 콘크리트 패널부를 설치하는 단계는 상기 철골 콘크리트 합성보와 상기 콘크리트 패널부의 결합부위에 모르타르가 타설됨에 따라 수행될 수 있다.
기타 실시예들의 구체적인 사항들은 상세한 설명 및 첨부 도면들에 포함되어 있다.
본 발명의 실시예들에 따르면, 모듈러 구조 시스템 중 바닥 구조체에 철골 및 콘크리트가 합성된 철골 콘크리트 합성보와 경량의 콘크리트 패널을 적용함으로써 구조체의 강성 증가 및 전체 무게 감소를 실현하여 모듈러 구조물의 안정성을 확보하도록 할 수 있다.
또한, 본 발명의 실시예들에 따르면, 철골 콘크리트 합성보와 경량 콘크리트 패널의 합성 시 보강 철근 및 모르타르 본딩을 적용함으로써 바닥 구조체의 거동 시 구조체의 일체성을 증가시키도록 할 수 있다.
도 1은 본 발명의 일 실시예에 따른 바닥 구조체를 설명하기 위해 도시한 단면도이다.
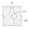
도 2a는 본 발명의 일 실시예에 있어서, 콘크리트 패널부에 배근된 보강철근을 설명하기 위해 도시한 도 1의 A-A'단면도이다.
도 2b는 도 2a의 보강철근에 대한 변형예를 도시한 단면도이다.
도 3a 내지 도 3f는 본 발명의 일 실시예에 따른 바닥 구조체의 시공방법을 설명하기 위해 도시한 도면이다.
본 발명의 이점 및/또는 특징, 그리고 그것들을 달성하는 방법은 첨부되는 도면과 함께 상세하게 후술되어 있는 실시예들을 참조하면 명확해질 것이다. 그러나, 본 발명은 이하에서 개시되는 실시예들에 한정되는 것이 아니라 서로 다른 다양한 형태로 구현될 것이며, 단지 본 실시예들은 본 발명의 개시가 완전하도록 하며, 본 발명이 속하는 기술분야에서 통상의 지식을 가진 자에게 발명의 범주를 완전하게 알려주기 위해 제공되는 것이며, 본 발명은 청구항의 범주에 의해 정의될 뿐이다. 명세서 전체에 걸쳐 동일 참조 부호는 동일 구성요소를 지칭한다.
도 1은 본 발명의 일 실시예에 따른 바닥 구조체를 설명하기 위해 도시한 단면도이고, 도 2a는 본 발명의 일 실시예에 있어서, 콘크리트 패널부에 배근된 보강철근을 설명하기 위해 도시한 도 1의 A-A'단면도이고, 도 2b는 도 2a의 보강철근에 대한 변형예를 도시한 단면이고, 도 3a 내지 도 3f는 본 발명의 일 실시예에 따른 바닥 구조체의 시공방법을 설명하기 위해 도시한 도면이다.
도 1 및 도 3a를 참조하면, 본 발명의 일 실시예에 따른 바닥 구조체(10)는 모듈러 구조의 건축물에 적용되는 바닥 구조체(10)로서 철골 콘크리트 합성보(100) 및 콘크리트 패널부(200)를 포함하여 구성될 수 있다.
철골 콘크리트 합성보(100)는 모듈러 구조의 건축물에 적용되는 기둥(1) 사이를 연결하도록 설치될 수 있다.
즉, 철골 콘크리트 합성보(100)는 양단부가 기둥(1)과 기둥(1) 사이의 하부에 각각 연결되어 바닥 구조체(10)의 외형을 이룰 수 있다. 이에, 기둥(1) 간에 연결된 철골 콘크리트 합성보(100)의 전체 형상은 사각틀의 모양과 같을 수 있다.
철골 콘크리트 합성보(100)는 철골부재(110)와 콘크리트부재(120)가 합성되어 구현될 수 있다.
철골부재(110)는 H형강 또는 I형강으로 구현될 수 있는데, 이는 보는 방향에 따라 “H”자 또는 “I”자 형강으로 보이는 것일 뿐 동일한 기능의 부품에 해당한다.
철골부재(110)는 상하부에 서로 평행하게 구비되는 상부 플랜지(112) 및 하부 플랜지(114)와, 각 플랜지(112,114) 사이를 수직하게 연결하는 웨브(116)를 포함할 수 있다.
콘크리트부재(120)는 철골부재(110)의 외측면을 에워싸도록 구현될 수 있다. 이때, 건축물의 내화 규정에 따라 콘크리트부재(120)의 피복두께가 결정될 수 있다.
구체적으로, 콘크리트부재(120)는 후술하는 콘크리트 패널부(200)가 결합되는 부분을 제외한 철골부재(110)의 외측면을 에워쌀 수 있다. 예컨대, 콘크리트부재(120)는 철골부재(110)의 외측면 전체와 하부면 그리고 내측면 하부를 둘러싸도록 구현될 수 있다.
철골 콘크리트 합성보(100)는 철골부재(110)의 웨브(116)의 상하부에 부착되는 스터드볼트(130)를 더 포함하여 구성될 수 있다.
일 실시예로, 웨브(116)의 상부에 부착되는 스터드볼트(130)는 일측이 콘크리트부재(120)와 결합될 수 있고, 타측이 후술하는 콘크리트 패널부(200)의 보강철근(210)과 모르타르 타설을 통해 일체로 결합될 수 있다. 다른 실시예로, 웨브(116)의 상부에 부착되는 스터드볼트(130)는 일측이 후술하는 스티프너(140)와 콘크리트를 통해 일체로 결합될 수 있고, 타측이 보강철근(210)과 모르타르 타설을 통해 일체로 결합될 수 있다.
일 실시예로, 웨브(116)의 하부에 부착되는 스터드볼트(130)는 양측이 모두 콘크리트부재(120)와 결합되거나, 일측이 콘크리트부재(120)와 결합되되 타측이 스티프너(140)와 결합될 수 있다. 다른 실시예로, 웨브(116)의 하부에 부착되는 스터드볼트(130)는 양측이 모두 스티프너(140)와 콘크리트를 통해 일체로 결합될 수 있다.
스티프너(140)는 각 플랜지(112,114)와 직교하도록 수직하게 세워질 수 있고, 그 일측면이 웨브(116)의 하부 내측면 또는 웨브(116)의 외측면에 접한 상태로 용접 형태로 고정될 수 있다. 스티프너(140)는 철물로 된 부재이다.
구체적으로, 스티프너(140)는 웨브(116)의 하부 내측면에 접합되는 제1 스티프너(140a) 및 웨브(116)의 외측면에 접합되는 제2 스티프너(140b)를 포함하여 구성될 수 있다.
철골 콘크리트 합성보(100)는 제2 스티프너(140b)의 상부 다시 말하면, 합성보(100)와 결합되는 콘크리트 패널부(200)의 일단 하부와 일부 접하도록 구현되어 콘크리트 패널부(200)를 지지하는 고무패드(160) 및 스틸 플레이트(170)를 더 포함하여 구성될 수 있다. 즉, 고무패드(160) 및 스틸 플레이트(170)는 콘크리트 패널부(200)와 결합되는 철골 콘크리트 합성보(100)의 수평방향의 단면에 구비되어 패널과 보 사이에 발생되는 진동을 방지할 수 있다.
이러한 구조에 의해, 철골 콘크리트 합성보(100)의 강성이 증대되는 효과를 기대할 수 있고, 콘크리트 패널부(200)의 중력 하중을 지지하여 철골부재(110)로 전달시킬 수 있게 된다.
철골 콘크리트 합성보(100)는 철골부재(110)의 외측을 따라 구비되는 와이어 메쉬(150)를 더 포함하여 구성될 수 있다. 이에, 철골 콘크리트 합성보(100)를 보강하는 용도로서 콘크리트에 균열이 발생하지 않도록 할 수 있다.
참고로, 철골 콘크리트 합성보(100)는 철골부재(110)와 콘크리트부재(120)가 일체로 형성되도록 현장에서 별도의 콘크리트 타설 없이 제조된 합성보(100)를 기둥(1) 사이에 연결하여 설치하는 공장에서의 프리캐스트 방식을 적용할 수 있다.
콘크리트 패널부(200)는 철골 콘크리트 합성보(100)의 내측에 결합되며 경량의 콘크리트로 구성될 수 있다. 구체적으로, 콘크리트 패널부(200)는 경량의 콘크리트로 구성되는 경량기포 콘크리트(ALC) 콘크리트 패널(220)을 포함하여 구성될 수 있으며, 이에 따라 바닥 구조체(10)의 단열 및 내화 성능이 증대되는 효과를 기대할 수 있다.
일 실시예로, 도 2a 및 도 2b에 도시된 바와 같이, 콘크리트 패널부(200)는 경량기포 콘크리트(ALC) 패널(220)의 일방향을 따라 상측이 개방된 패널홈이 구비될 수 있다. 패널홈의 형태는 제한되지 않고 내부 단면이 삼각, 사각 등의 다양한 형상을 가질 수 있으나, 본 실시예에서는 다각 형상(도 2a 참조) 또는 사각 형상(도 2b 참조)을 이루도록 하였다.
참고로, 콘크리트 패널부(200)는 단일의 경량기포 콘크리트(ALC) 콘크리트 패널(220)이 일방향을 따라 다수 배치도록 구현하였다.
패널홈에는 필요 내력에 따라 소정 길이의 보강철근(210)이 배근될 수 있으며, 바닥 구조체(10)에 가해지는 중력 하중의 크기에 따라 배근량이 조절될 수 있다. 이때, 패널홈에 모르타르(M)가 본딩됨에 따라 보강철근(210)의 합성이 이루어질 수 있다.
상기 구조의 콘크리트 패널부(200)에 있어서, 콘크리트 패널부(200)는 바닥 구조체(10)의 마감재 적용을 위한 바탕 구조체로 적용되거나, 콘크리트 패널부(200)의 상부에 별도의 마감재를 사용 목적에 맞게 구성할 수 있다.
예컨대, 별도의 마감재를 형성하는 경우, 콘크리트 패널부(200)의 상부에는 바닥 충격음 전달 방지 및 단열을 위한 단일층으로 형성되는 완충재(도 3d의 “230” 참조)가 형성되거나, 완충재의 상부에 콘크리트(도 3f의 “250” 참조)가 타설될 수 있다. 아울러, 콘크리트(250) 타설 전에 완충재의 상부에는 온수 공급을 위한 모듈로서 난방코일(도 3e의 “240” 참조)이 추가적으로 설치 가능하다.
상기 실시예들에 따른 콘크리트 패널부(200)의 구조가 적용된 바닥 구조체(10)는 공통적으로 철골 콘크리트 합성보(100)와 콘크리트 패널부(200)가 결합되는 부분에 모르타르(M)가 타설됨으로써 합성보(100) 및 패널부(200) 간의 견고한 결합이 이루어질 수 있다.
즉, 보강철근(210)이 배근된 콘크리트 패널부(200)는 상기 모르타르(M) 본딩으로 인해 철골 콘크리트 합성보(100)에 구속됨에 따라, 바닥 구조체(10)의 구조적 강성이 증대되고 구조물의 거동 시 일체성이 증대되는 효과를 기대할 수 있다.
이하에서는, 도 3a 내지 도 3f를 참조하여 본 발명의 일 실시예에 따른 바닥 구조체의 시공방법을 설명하고자 한다.
본 발명의 일 실시예에 따른 바닥 구조체(10)의 시공방법은 시공 프로그램이 설정된 시공장치에 의해 수행될 수 있으며, 먼저, 도 3a에 도시된 바와 같이, 기둥(1) 사이에 철골부재(110)와 콘크리트부재(120)가 합성된 철골 콘크리트 합성보(100)를 설치할 수 있다.
철골 콘크리트 합성보(100)는 철골부재(110)와 콘크리트부재(120)를 프리캐스트 방식에 의해 일체로 형성될 수 있으며, 이와 같이 형성된 합성보(100)의 양단부를 별도의 연결부재를 이용하거나 용접을 통해 기둥(1)과 기둥(1) 사이의 하부에 연결할 수 있다. 기둥(1) 간에 연결된 철골 콘크리트 합성보(100)의 전체 형상은 도면에서와 같이 사각틀의 모양과 같을 수 있다.
이후, 도 3b에 도시된 바와 같이, 철골 콘크리트 합성보(100)의 내측면에 콘크리트 패널부(200)의 경량기포 콘크리트(ALC) 패널(220)을 설치할 수 있다. 이때, 철골 콘크리트 합성보(100)와 콘크리트 패널부(200)가 결합되는 부분에 모르타르가 타설됨으로써 합성보(100) 및 경량기포 콘크리트(ALC) 패널(220) 간의 견고한 결합이 이루어질 수 있다.
이후, 도 3c에 도시된 바와 같이, 콘크리트 패널(220)의 일방향을 따라 보강철근(210)을 배근할 수 있다.
본 단계에서 바닥 구조체(10)의 시공이 완료되는 경우, 콘크리트 패널부(200)가 마감재 적용을 위한 바탕 구조체로서 적용될 수 있다. 콘크리트 패널부(200) 상부에 사용 목적에 따라 별도의 마감재를 형성하여 시공을 완료할 수도 있다.
예컨대, 도 3d에 도시된 바와 같이, 보강철근(210)이 배근된 콘크리트 패널(200)의 상부에 단일층의 완충재(230)를 설치할 수 있다.
이후, 도 3e에 도시된 바와 같이, 완충재(230)의 상부에 온수 공급을 위한 모듈로서 난방코일(240)을 설치할 수 있다.
이후, 도 3f에 도시된 바와 같이, 난방코일(240)이 설치된 완충재(220)의 상부에 콘크리트를 타설할 수 있다. 이때, 난방코일(240)의 상부에는 콘크리트 패널이 아닌 콘크리트 자체가 타설됨으로써 바닥 구조체(10)의 마감을 위한 바탕 바닥으로 적용될 수 있다.
이로써, 본 발명의 실시예들에 따르면, 모듈러 구조 시스템 중 바닥 구조체에 철골 및 콘크리트가 합성된 철골 콘크리트 합성보와 경량의 콘크리트 패널을 적용함으로써 구조체의 강성 증가 및 전체 무게 감소를 실현하여 모듈러 구조물의 안정성을 확보하도록 할 수 있다.
또한, 본 발명의 실시예들에 따르면, 철골 콘크리트 합성보와 경량 콘크리트 패널의 합성 시 보강 철근 및 모르타르 본딩을 적용함으로써 바닥 구조체의 거동 시 구조체의 일체성을 증가시키도록 할 수 있다.
지금까지 본 발명에 따른 구체적인 실시예에 관하여 설명하였으나, 본 발명의 범위에서 벗어나지 않는 한도 내에서는 여러 가지 변형이 가능함은 물론이다. 그러므로, 본 발명의 범위는 설명된 실시예에 국한되어 정해져서는 안 되며, 후술하는 특허 청구의 범위뿐 아니라 이 특허 청구의 범위와 균등한 것들에 의해 정해져야 한다.
이상과 같이 본 발명은 비록 한정된 실시예와 도면에 의해 설명되었으나, 본 발명은 상기의 실시예에 한정되는 것은 아니며, 이는 본 발명이 속하는 분야에서 통상의 지식을 가진 자라면 이러한 기재로부터 다양한 수정 및 변형이 가능하다. 따라서, 본 발명 사상은 아래에 기재된 특허청구범위에 의해서만 파악되어야 하고, 이의 균등 또는 등가적 변형 모두는 본 발명 사상의 범주에 속한다고 할 것이다.
1 : 기둥
10 : 바닥 구조체
100 : 철골 콘크리트 합성보
110 : 철골부재
112 : 상부 플랜지
114 : 하부 플랜지
116 : 웨브
120 : 콘크리트부재
130 : 스터드볼트
140a : 제1 스티프너
140b : 제2 스티프너
150 : 와이어 메쉬
160 : 고무패드
170 : 스틸 플레이트
200 : 콘크리트 패널부
210 : 보강철근
220 : 경량기포 콘크리트(ALC) 패널
230 : 완충재
240 : 난방코일
250 : 콘크리트

Claims (9)

  1. 모듈러 구조의 건축물에 적용되는 바닥 구조체로서,
    상기 바닥 구조체의 외형을 이루며 철골부재와 콘크리트부재가 합성된 철골 콘크리트 합성보; 및
    상기 철골 콘크리트 합성보의 내측에 결합되며 경량의 콘크리트로 구성된 콘크리트 패널부
    을 포함하는 것을 특징으로 하는 철골 콘크리트 합성보와 경량 콘크리트 패널이 합성된 바닥 구조체.
  2. 제1항에 있어서,
    상기 철골 콘크리트 합성보의 철골부재는 H형강 또는 I형강인 것을 특징으로 하는 철골 콘크리트 합성보와 경량 콘크리트 패널이 합성된 바닥 구조체.
  3. 제1항에 있어서,
    상기 철골 콘크리트 합성보는 상기 콘크리트 패널부가 결합되는 부분을 제외한 상기 철골부재의 외측면을 상기 콘크리트부재가 에워싸는 것을 특징으로 하는 철골 콘크리트 합성보와 경량 콘크리트 패널이 합성된 바닥 구조체.
  4. 제3항에 있어서,
    상기 철골 콘크리트 합성보는 상기 철골부재와 상기 콘크리트부재 간의 강성이 증가되도록, 상기 철골부재의 웨브의 상하부에 부착되는 스터드볼트를 더 포함하는 것을 특징으로 하는 철골 콘크리트 합성보와 경량 콘크리트 패널이 합성된 바닥 구조체.
  5. 제4항에 있어서,
    상기 철골 콘크리트 합성보는 상기 철골부재와 상기 콘크리트부재 간의 강성이 증가되도록 상기 웨브의 하부 내측면에 접합되는 제1 스티프너 및 상기 웨브의 외측면에 접합되는 제2 스티프너를 포함하는 스티프너를 더 포함하는 것을 특징으로 하는 철골 콘크리트 합성보와 경량 콘크리트 패널이 합성된 바닥 구조체.
  6. 제3항에 있어서,
    상기 철골 콘크리트 합성보는 상기 콘크리트 패널부와 결합되는 수평방향의 단면에 패널 설치 및 진동을 방지하기 위해 구비되는 고무패드를 더 포함하는 것을 특징으로 하는 철골 콘크리트 합성보와 경량 콘크리트 패널이 합성된 바닥 구조체.
  7. 제1항에 있어서,
    상기 콘크리트 패널부에는 패널의 일방향을 따라 상측이 개방된 패널홈이 구비되며, 상기 패널홈에는 소정 길이의 보강철근이 배근되는 것을 특징으로 하는 철골 콘크리트 합성보와 경량 콘크리트 패널이 합성된 바닥 구조체.
  8. 모듈러 구조의 건축물에 적용되는 바닥 구조체를 시공하는 방법에 있어서,
    기둥 사이에 철골부재와 콘크리트부재가 합성된 철골 콘크리트 합성보를 설치하는 단계; 및
    상기 철골 콘크리트 합성보의 내측면에 보강철근이 배근된 경량의 콘크리트로 구성된 콘크리트 패널부를 설치하는 단계;
    를 포함하는 것을 특징으로 하는 철골 콘크리트 합성보와 경량 콘크리트 패널이 합성된 바닥 구조체의 시공방법.
  9. 제8항에 있어서,
    상기 콘크리트 패널부를 설치하는 단계는
    상기 철골 콘크리트 합성보와 상기 콘크리트 패널부의 결합부위에 모르타르가 타설됨에 따라 수행되는 것을 특징으로 하는 철골 콘크리트 합성보와 경량 콘크리트 패널이 합성된 바닥 구조체의 시공방법.
KR1020210089446A 2021-07-08 2021-07-08 철골 콘크리트 합성보와 경량 콘크리트 패널이 합성된 바닥 구조체 및 이의 시공방법 Active KR102612179B1 (ko)

Priority Applications (1)

Application Number Priority Date Filing Date Title
KR1020210089446A KR102612179B1 (ko) 2021-07-08 2021-07-08 철골 콘크리트 합성보와 경량 콘크리트 패널이 합성된 바닥 구조체 및 이의 시공방법

Applications Claiming Priority (1)

Application Number Priority Date Filing Date Title
KR1020210089446A KR102612179B1 (ko) 2021-07-08 2021-07-08 철골 콘크리트 합성보와 경량 콘크리트 패널이 합성된 바닥 구조체 및 이의 시공방법

Publications (2)

Publication Number Publication Date
KR20230008981A true KR20230008981A (ko) 2023-01-17
KR102612179B1 KR102612179B1 (ko) 2023-12-08

Family

ID=85111556

Family Applications (1)

Application Number Title Priority Date Filing Date
KR1020210089446A Active KR102612179B1 (ko) 2021-07-08 2021-07-08 철골 콘크리트 합성보와 경량 콘크리트 패널이 합성된 바닥 구조체 및 이의 시공방법

Country Status (1)

Country Link
KR (1) KR102612179B1 (ko)

Cited By (2)

* Cited by examiner, † Cited by third party
Publication number Priority date Publication date Assignee Title
CN119373239A (zh) * 2024-11-22 2025-01-28 湖南大学 一种钢-混凝土组合梁连接组件及其安装方法
KR20250024321A (ko) * 2023-08-11 2025-02-18 삼성물산 주식회사 모듈러 건축용 합성바닥모듈 및 이를 이용한 모듈러 건축물의 시공방법

Citations (6)

* Cited by examiner, † Cited by third party
Publication number Priority date Publication date Assignee Title
KR20090027052A (ko) * 2007-09-11 2009-03-16 현대엔지니어링 주식회사 스틸 플레이트를 이용한 프리캐스트 교량 바닥판과 그 시공방법 및 구조
KR20130011388A (ko) * 2011-07-21 2013-01-30 김충기 경간의 거리연장과 천정높이를 줄이는 것이 가능한 지지빔구조체
KR101443567B1 (ko) * 2013-08-27 2014-09-26 한국건설기술연구원 유닛구조체용 보
KR20170082391A (ko) * 2016-01-06 2017-07-14 삼성물산 주식회사 철골-프리캐스트 콘크리트 합성보
JP2019199783A (ja) * 2018-05-18 2019-11-21 株式会社竹中工務店 床版の支持構造
KR20200057703A (ko) 2017-10-04 2020-05-26 소니 세미컨덕터 솔루션즈 가부시키가이샤 고체 촬상 소자 및 전자 장치

Patent Citations (6)

* Cited by examiner, † Cited by third party
Publication number Priority date Publication date Assignee Title
KR20090027052A (ko) * 2007-09-11 2009-03-16 현대엔지니어링 주식회사 스틸 플레이트를 이용한 프리캐스트 교량 바닥판과 그 시공방법 및 구조
KR20130011388A (ko) * 2011-07-21 2013-01-30 김충기 경간의 거리연장과 천정높이를 줄이는 것이 가능한 지지빔구조체
KR101443567B1 (ko) * 2013-08-27 2014-09-26 한국건설기술연구원 유닛구조체용 보
KR20170082391A (ko) * 2016-01-06 2017-07-14 삼성물산 주식회사 철골-프리캐스트 콘크리트 합성보
KR20200057703A (ko) 2017-10-04 2020-05-26 소니 세미컨덕터 솔루션즈 가부시키가이샤 고체 촬상 소자 및 전자 장치
JP2019199783A (ja) * 2018-05-18 2019-11-21 株式会社竹中工務店 床版の支持構造

Cited By (2)

* Cited by examiner, † Cited by third party
Publication number Priority date Publication date Assignee Title
KR20250024321A (ko) * 2023-08-11 2025-02-18 삼성물산 주식회사 모듈러 건축용 합성바닥모듈 및 이를 이용한 모듈러 건축물의 시공방법
CN119373239A (zh) * 2024-11-22 2025-01-28 湖南大学 一种钢-混凝土组合梁连接组件及其安装方法

Also Published As

Publication number Publication date
KR102612179B1 (ko) 2023-12-08

Similar Documents

Publication Publication Date Title
CN106193292A (zh) 一种钢框架‑装配整体式钢筋混凝土剪力墙结构体系
KR100939970B1 (ko) 건축물의 복합보 공법 및 그 구조
CN207739437U (zh) 一种预制型钢混凝土剪力墙结构
KR101277752B1 (ko) 건물 보-기둥 골조 내부구간에 외벽 프리캐스트 콘크리트 패널을 끼움형으로 설치하는 리모델링 시공방법 및 그 프리캐스트 콘크리트 패널
KR102612179B1 (ko) 철골 콘크리트 합성보와 경량 콘크리트 패널이 합성된 바닥 구조체 및 이의 시공방법
KR101407502B1 (ko) 모듈러 건축물의 접합구조 및 그 접합시공방법
KR100949828B1 (ko) 층고절감형 철골보 및 이를 이용한 철골-콘크리트 합성보
JP2006328631A (ja) 建築床構造システム
KR101521946B1 (ko) 철골철근 콘크리트 구조(src)의 확장된 주두부 구조
KR101038291B1 (ko) 슬림플로어형 철골보 및 이를 이용한 합성보
JP6768358B2 (ja) スラブ構造
KR101208106B1 (ko) 기둥이 중력만 부담하는 강판전단벽 시스템
JP5226295B2 (ja) 建築構造物
JP7665807B2 (ja) Cltを用いた既存建物の耐震補強構造
KR100578641B1 (ko) 스틸 콘크리트 합성 기둥, 이를 이용한 복합 구조 시스템및, 이의 시공방법
CN110185179B (zh) 装配式悬挂楼盖自复位建筑结构及施工方法
KR20130117204A (ko) 건축물용 내진 보강 구조물 및 이를 이용한 건축물 내진 보강 공법
CN102220809A (zh) 夹模固定机械喷涂夹芯混凝土剪力墙结构及施工方法
KR100885765B1 (ko) 금속재 스켈레톤 패널과 박판 패널이 전단 연결재에 의하여연결된 복합패널 및 이를 이용한 외벽 시공방법
KR101083062B1 (ko) 복합보
CN212248770U (zh) 用于装配式建筑转角处的l型自保温剪力墙预制板
JP3909488B2 (ja) 既存建物の耐震補強構造及びその施工方法
JP3116767B2 (ja) 既設建物の免震構造化方法
KR20060041428A (ko) 철관 몰탈 합성 조립골조
KR102835336B1 (ko) 부분 프리플렉션 합성 거더와 기둥의 연결구조 시공방법 및 이에 의해 시공된 거더와 기둥의 연결구조

Legal Events

Date Code Title Description
PA0109 Patent application

Patent event code: PA01091R01D

Comment text: Patent Application

Patent event date: 20210708

PA0201 Request for examination
E902 Notification of reason for refusal
PE0902 Notice of grounds for rejection

Comment text: Notification of reason for refusal

Patent event date: 20221213

Patent event code: PE09021S01D

PG1501 Laying open of application
E90F Notification of reason for final refusal
PE0902 Notice of grounds for rejection

Comment text: Final Notice of Reason for Refusal

Patent event date: 20230627

Patent event code: PE09021S02D

E701 Decision to grant or registration of patent right
PE0701 Decision of registration

Patent event code: PE07011S01D

Comment text: Decision to Grant Registration

Patent event date: 20231205

GRNT Written decision to grant
PR0701 Registration of establishment

Comment text: Registration of Establishment

Patent event date: 20231206

Patent event code: PR07011E01D

PR1002 Payment of registration fee

Payment date: 20231206

End annual number: 3

Start annual number: 1

PG1601 Publication of registration