KR20210145084A - 전해 동박 롤 외부용 보호 폼 피복 고정 장치 - Google Patents

전해 동박 롤 외부용 보호 폼 피복 고정 장치 Download PDF

Info

Publication number
KR20210145084A
KR20210145084A KR1020210065628A KR20210065628A KR20210145084A KR 20210145084 A KR20210145084 A KR 20210145084A KR 1020210065628 A KR1020210065628 A KR 1020210065628A KR 20210065628 A KR20210065628 A KR 20210065628A KR 20210145084 A KR20210145084 A KR 20210145084A
Authority
KR
South Korea
Prior art keywords
sliding
pressing
copper foil
same time
plate
Prior art date
Legal status (The legal status is an assumption and is not a legal conclusion. Google has not performed a legal analysis and makes no representation as to the accuracy of the status listed.)
Granted
Application number
KR1020210065628A
Other languages
English (en)
Other versions
KR102534498B1 (ko
Inventor
징민 예
치우샤 원
커쥔 양
웨이펑 리
거원 라이
쭈 후앙
위엔롱 씨에
Original Assignee
광동 지아위안 테크놀로지 컴퍼니., 리미티드.
Priority date (The priority date is an assumption and is not a legal conclusion. Google has not performed a legal analysis and makes no representation as to the accuracy of the date listed.)
Filing date
Publication date
Application filed by 광동 지아위안 테크놀로지 컴퍼니., 리미티드. filed Critical 광동 지아위안 테크놀로지 컴퍼니., 리미티드.
Publication of KR20210145084A publication Critical patent/KR20210145084A/ko
Application granted granted Critical
Publication of KR102534498B1 publication Critical patent/KR102534498B1/ko
Active legal-status Critical Current
Anticipated expiration legal-status Critical

Links

Images

Classifications

    • BPERFORMING OPERATIONS; TRANSPORTING
    • B65CONVEYING; PACKING; STORING; HANDLING THIN OR FILAMENTARY MATERIAL
    • B65BMACHINES, APPARATUS OR DEVICES FOR, OR METHODS OF, PACKAGING ARTICLES OR MATERIALS; UNPACKING
    • B65B25/00Packaging other articles presenting special problems
    • B65B25/14Packaging paper or like sheets, envelopes, or newspapers, in flat, folded, or rolled form
    • B65B25/146Packaging paper or like sheets, envelopes, or newspapers, in flat, folded, or rolled form packaging rolled-up articles
    • BPERFORMING OPERATIONS; TRANSPORTING
    • B65CONVEYING; PACKING; STORING; HANDLING THIN OR FILAMENTARY MATERIAL
    • B65BMACHINES, APPARATUS OR DEVICES FOR, OR METHODS OF, PACKAGING ARTICLES OR MATERIALS; UNPACKING
    • B65B11/00Wrapping, e.g. partially or wholly enclosing, articles or quantities of material, in strips, sheets or blanks, of flexible material
    • B65B11/02Wrapping articles or quantities of material, without changing their position during the wrapping operation, e.g. in moulds with hinged folders
    • BPERFORMING OPERATIONS; TRANSPORTING
    • B65CONVEYING; PACKING; STORING; HANDLING THIN OR FILAMENTARY MATERIAL
    • B65BMACHINES, APPARATUS OR DEVICES FOR, OR METHODS OF, PACKAGING ARTICLES OR MATERIALS; UNPACKING
    • B65B13/00Bundling articles
    • B65B13/18Details of, or auxiliary devices used in, bundling machines or bundling tools
    • B65B13/24Securing ends of binding material
    • B65B13/28Securing ends of binding material by twisting
    • BPERFORMING OPERATIONS; TRANSPORTING
    • B65CONVEYING; PACKING; STORING; HANDLING THIN OR FILAMENTARY MATERIAL
    • B65BMACHINES, APPARATUS OR DEVICES FOR, OR METHODS OF, PACKAGING ARTICLES OR MATERIALS; UNPACKING
    • B65B25/00Packaging other articles presenting special problems
    • B65B25/14Packaging paper or like sheets, envelopes, or newspapers, in flat, folded, or rolled form
    • B65B25/146Packaging paper or like sheets, envelopes, or newspapers, in flat, folded, or rolled form packaging rolled-up articles
    • B65B25/148Jumbo paper rolls
    • BPERFORMING OPERATIONS; TRANSPORTING
    • B65CONVEYING; PACKING; STORING; HANDLING THIN OR FILAMENTARY MATERIAL
    • B65BMACHINES, APPARATUS OR DEVICES FOR, OR METHODS OF, PACKAGING ARTICLES OR MATERIALS; UNPACKING
    • B65B27/00Bundling particular articles presenting special problems using string, wire, or narrow tape or band; Baling fibrous material, e.g. peat, not otherwise provided for
    • B65B27/08Bundling paper sheets, envelopes, bags, newspapers, or other thin flat articles
    • BPERFORMING OPERATIONS; TRANSPORTING
    • B65CONVEYING; PACKING; STORING; HANDLING THIN OR FILAMENTARY MATERIAL
    • B65BMACHINES, APPARATUS OR DEVICES FOR, OR METHODS OF, PACKAGING ARTICLES OR MATERIALS; UNPACKING
    • B65B51/00Devices for, or methods of, sealing or securing package folds or closures; Devices for gathering or twisting wrappers, or necks of bags
    • B65B51/04Applying separate sealing or securing members, e.g. clips
    • B65B51/08Applying binding material, e.g. to twisted bag necks
    • BPERFORMING OPERATIONS; TRANSPORTING
    • B65CONVEYING; PACKING; STORING; HANDLING THIN OR FILAMENTARY MATERIAL
    • B65BMACHINES, APPARATUS OR DEVICES FOR, OR METHODS OF, PACKAGING ARTICLES OR MATERIALS; UNPACKING
    • B65B61/00Auxiliary devices, not otherwise provided for, for operating on sheets, blanks, webs, binding material, containers or packages
    • B65B61/04Auxiliary devices, not otherwise provided for, for operating on sheets, blanks, webs, binding material, containers or packages for severing webs, or for separating joined packages
    • B65B61/06Auxiliary devices, not otherwise provided for, for operating on sheets, blanks, webs, binding material, containers or packages for severing webs, or for separating joined packages by cutting
    • BPERFORMING OPERATIONS; TRANSPORTING
    • B65CONVEYING; PACKING; STORING; HANDLING THIN OR FILAMENTARY MATERIAL
    • B65BMACHINES, APPARATUS OR DEVICES FOR, OR METHODS OF, PACKAGING ARTICLES OR MATERIALS; UNPACKING
    • B65B61/00Auxiliary devices, not otherwise provided for, for operating on sheets, blanks, webs, binding material, containers or packages
    • B65B61/04Auxiliary devices, not otherwise provided for, for operating on sheets, blanks, webs, binding material, containers or packages for severing webs, or for separating joined packages
    • B65B61/06Auxiliary devices, not otherwise provided for, for operating on sheets, blanks, webs, binding material, containers or packages for severing webs, or for separating joined packages by cutting
    • B65B61/10Auxiliary devices, not otherwise provided for, for operating on sheets, blanks, webs, binding material, containers or packages for severing webs, or for separating joined packages by cutting using heated wires or cutters
    • BPERFORMING OPERATIONS; TRANSPORTING
    • B65CONVEYING; PACKING; STORING; HANDLING THIN OR FILAMENTARY MATERIAL
    • B65BMACHINES, APPARATUS OR DEVICES FOR, OR METHODS OF, PACKAGING ARTICLES OR MATERIALS; UNPACKING
    • B65B65/00Details peculiar to packaging machines and not otherwise provided for; Arrangements of such details
    • B65B65/02Driving gear

Landscapes

  • Engineering & Computer Science (AREA)
  • Mechanical Engineering (AREA)
  • Electrolytic Production Of Metals (AREA)
  • Perforating, Stamping-Out Or Severing By Means Other Than Cutting (AREA)

Abstract

본 발명은, 표면 일측에 위치 고정 베이스가 일체로 연결 고정되는 지지 저면판과, 동력 출력단에 2개의 압착 기구와 결합 사용되는 위치 고정 가압 기구가 장착되어 있는 승하강 유압 실린더를 포함하며, 위치 고정 베이스에는 2개의 슬라이딩 가능한 압착 기구가 대칭되게 장착됨과 동시에, 2개의 압착 기구에는 각각 폼과 가는 철사를 커팅하기 위한 슬라이딩 커팅 기구가 장착되어 있는 전해 동박 롤 외부용 보호 폼 피복 고정 장치를 개시하였다. 본 발명은 폼과 가는 철사를 압착 기구에 직접 거치한 후, 위치 고정 가압 기구와 압착 기구 사이의 결합 작용에 의해, 동박 롤을 하향 이동시킴으로써, 폼이 동박 롤의 외부에 직접적으로 피복되고, 동시에 하향 이동 과정에서 슬라이딩 커팅 기구가 작동되어 여분의 폼과 가는 철사를 커팅한 후, 회전 조임 기구를 통해 조임 고정하여, 가공 효율을 향상시킨다.

Description

전해 동박 롤 외부용 보호 폼 피복 고정 장치{A PROTECTIVE FOAM COVERING AND FIXING DEVICE FOR OUTSIDE OF ELECTROLYTIC COPPER FOIL ROLL}
본 발명은 전해 동박 분야에 해당되며, 전해 동박 롤 외부용 보호 폼 피복 고정 장치에 관한 것이다.
전해 동박 롤이 롤로 제조된 후, 동박 표면의 평탄도가 전해 동박의 사용 성능에 영향을 미치게 되며, 동박 롤 이송 과정에서 충돌 가압이 불가피하게 발생하게 되어어 동박 롤의 변형이 일어나게 되므로, 전해 동박 롤은 이송 과정에서 보호가 필요하게 되며, 종래의 기술에서는 통상적으로 동박 롤에 한 층의 보호 폼을 직접적으로 피복하지만, 동박 롤의 무게가 비교적으로 무거워, 통상적으로는 지게차를 이용하여 동박 롤을 들어올린 후, 사람이 이를 피복하고, 피복한 후 커팅과 외층의 폼에 대한 고정을 진행하므로, 피복 효율이 비교적으로 낮게 된다.
본 발명은 폼과 가는 철사를 압착 기구에 직접 거치한 후, 위치 고정 가압 기구와 압착 기구 사이의 결합 작용에 의해, 동박 롤을 하향 이동시킴으로써, 폼이 동박 롤의 외부에 직접적으로 피복됨과 동시에, 하향 이동 과정에서 슬라이딩 커팅 기구가 작동되어 여분의 폼과 가는 철사를 커팅한 후, 회전 조임 기구를 통해 조임 고정하여, 가공 효율이 향상된 전해 동박 롤 외부용 보호 폼 피복 고정 장치를 제공하는 것을 목적으로 한다.
본 발명의 목적은 다음의 기술적 방안을 통해 구현될 수 있다:
전해 동박 롤 외부용 보호 폼 피복 고정 장치에 있어서, 표면 일측에 위치 고정 베이스가 일체로 연결 고정되고, 위치 고정 베이스에는 2개의 슬라이딩 가능한 압착 기구가 대칭되게 장착됨과 동시에, 2개의 압착 기구에는 각각 폼과 가는 철사를 커팅하기 위한 슬라이딩 커팅 기구가 장착되어 있는 지지 저면판;과 동력 출력단에 2개의 압착 기구와 결합 사용되는 위치 고정 가압 기구가 장착되어 있는 승하강 유압 실린더를 포함하며;
위치 고정 베이스는 지지 저면판 표면의 일측에 고정되는 위치 고정 저면판을 포함하고, 위치 고정 저면판의 표면 양측에는 측벽에 각각 제1 슬라이딩 홀이 개구되어 있는 2개의 대향 설치되는 제1 리밋 배튼이 수직으로 고정되어 있으며;
압착 기구는 가압 블록을 포함하여, 폼 플레이트와 가는 철사가 위로부터 아래로 순차로 2개의 가압 블록 표면 사이에 거치되고, 가압 블록의 일 측벽에는 제1 슬라이딩 홀과 결합되는 2개의 제1 슬라이딩 바가 수직으로 고정되어 있고, 제1 슬라이딩 바의 일단에는 차단 링이 삽입 장착됨과 동시에, 제1 슬라이딩 바에는 제1 위치 고정 가압 스프링이 삽입 장착되되, 제1 위치 고정 가압 스프링의 양단은 각각 차단 링과 가압 블록의 측벽 사이를 가압하고, 동시에 가압 블록의 일측벽에서 2개의 제1 슬라이딩 바이 위치하는 중부에는 경사진 삼각 오목홈이 개구되어 있으며;
위치 고정 가압 기구는 지지 고정 프레임을 포함하고, 지지 고정 프레임 윗부분에는 복수 개의 회전 조임 시트가 장착되고, 지지 고정 프레임의 좌우 측벽에는 저면이 경사지게 설치되는 2개의 가압판이 대칭되게 고정되어 있으며, 위치 고정 가압 기구가 압착 기구의 바로 상측에 위치할 경우, 가압판의 저면과 압착 기구 중 경사진 삼각 오목홈 표면이 동일 평면 내에 위치하고, 승하강 유압 실린더의 동력 출련단이 지지 고정 프레임의 후측 윗부분에 장착 고정됨과 동시에, 지지 고정 프레임의 후측 저면부에 제2 장착 배튼이 수직으로 고정되어, 피복 대상인 전해 동박 롤이 제2 장착 배튼의 저면단 측벽에 장착된다.
추가로, 가압 블록 표면에서 스트립형 홀이 위치하는 일측에는 거치 홈이 개구되어 있고, 거치 홈의 표면 중부에는 복수 개의 반 기둥형 오목 홈이 개구되어 있어, 거치 홈에는 폼이 거치됨과 동시에, 반 기둥형 오목 홈에는 가는 철사가 거치된다.
추가로, 위치 고정 저면판의 표면 중부에는 양측으로 연장되는 반 기둥형 위치 고정 홈이 개구되어 있고, 가압 블록에서 스트립형 홀 일측에 위치하는 측벽에는 가압 블록 저면으로 연장되는 수용 홈이 개구되어 있되, 수용 홈은 1/4의 기둥형 구조로, 2개의 가압 블록의 수용홈과 반 기둥형 위치 고정 홈 사이가 기둥형 관통 홀을 구성할 수 있으며; 동시에, 가압 블록 측벽에서 수용 홈이 위치하는 상측에는 가압 스트립이 일체로 연결 고정되어 있다.
추가로, 삼각 오목 홈의 중부에는 슬라이딩 홈이 수직으로 개구되어 있고, 슬라이딩 홈의 측벽 중부에는 제2 슬라이딩 홀이 개구되어 있음과 동시에, 가압 블록의 대향되는 타 측벽에는 제2 슬라이딩 홀과 서로 연통되는 스트립형 홀이 개구되어 있다.
추가로, 슬라이딩 커팅 기구는 제2 슬라이딩 홀과 슬라이딩 결합되는 제2 슬라이딩 바를 포함하되, 제2 슬라이딩 바의 일단에는 나선을 통해 구형 가압 헤드가 장착 고정되고, 타단에는 제1 장착 배튼이 수직으로 고정되어 있으며, 제2 슬라이딩 바에는 양단이 각각 구형 가압 헤드와 슬라이딩 홈의 측벽과 접하는 제2 위치 고정 가압 스프링이 삽입 장착되어 있으며, 제1 장착 배튼은 스트립형 홀에 위치하고, 동시에 제1 장착 배튼의 상하 측벽 일단에는 각각 길이가 동일하고 일단에 각각 절삭 날이 설치되어 있는 상부 커팅판과 하부 커팅판이 수직으로 고정되어 있으며, 하부 커팅판 표면에서 절삭 날이 위치하는 일측에는 절삭 날 일측으로 연장되는 복수 개의 바이어 홀이 개구되어 있고, 동시에 복수 개의 바이어 홀은 복수 개의 반 기둥형 오목 홈과 일대일로 대응된다.
추가로, 지지 고정 프레임의 윗부분에는 복수 개의 장착 홀이 개구되어 있되, 복수 개의 장착 홀은 복수 개의 바이어 홀과 복수 개의 반 기둥형 오목 홈과 각각 일대일로 대응되고, 회전 조임 시트가 장착 홀에 장착된다.
추가로, 가압판의 저면 중부에는 슬라이딩 홈과 대응되는 가압 홈이 개구되어 있되, 가압 홈은 가압판의 경사진 저면과 평행 설치되고, 동시에 가압 홈의 홈 저면 중부에는 위치 고정 가압 블록이 일체로 연결 고정되어 있다.
추가로, 지지 저면판의 표면 타측에는 승하강 유압 실린더가 장착되어 있는 회전 이동 기구가 장착되어 있으며, 회전 이동 기구는 지지 저면판 표면 일측에 수직으로 고정되는 지지 스트립을 포함하고, 지지 스트립 양측과 위치 고정 저면판의 측벽 사이에는 2개의 제3 슬라이딩 바가 장착됨과 동시에, 지지 스트립 중부와 위치 고정 저면판의 측벽 사이에는 제1 스크루가 장착되며, 제1 스크루의 일단은 제1 감속 모터의 동력 출력단과 서로 연결되고, 2개의 제3 슬라이딩 바에는 지지판이 슬라이딩 삽입 장착되되, 지지판의 측벽 중부에는 제1 스크루와 나선 결합되는 나선 홀이 개구되어 있음과 동시에, 지지판의 표면 중부에는 제1 회전축이 장착되어, 승하강 유압 실린더가 제1 회전축의 윗부분에 고정되고, 동시에 제1 회전축에는 제1 기어가 삽입 장착되고, 지지판에는 제1 기어와 맞물리는 제2 기어가 장착되고, 제2 기어는 제2 감속 모터의 동력 출력단과 서로 연결된다.
1. 본 발명은 폼과 가는 철사를 압착 기구에 직접 거치한 후, 위치 고정 가압 기구와 압착 기구 사이의 결합 작용에 의해, 동박 롤을 하향 이동시킴으로써, 폼이 동박 롤의 외부에 직접적으로 피복되고, 동시에 하향 이동 과정에서 슬라이딩 커팅 기구가 작동되어 여분의 폼과 가는 철사를 커팅한 후, 회전 조임 기구를 통해 조임 고정함으로써, 가공 효율을 향상시킨다.
2. 본 발명은 위치 고정 가압 기구에 위치 고정 가압 블록을 설치함으로써, 위치 고정 가압 블록의 하향 위치로의 이동을 통해 슬라이딩 커팅 기구에 대한 가압과 가압 해지를 구현하여, 슬라이딩 커팅 기구가 동박 롤의 하향 이동 과정에서 직접적인 자동화 커팅을 구현하고, 커팅 후 자동 분리를 구현하여, 공간을 만들어 회전 조임 기구가 쉽게 삽입되어 조임 고정을 구현한다.
3. 본 발명은 슬라이딩 커팅 기구에 상부 커팅판과 하부 커팅판을 설치하고, 동시에 하부 커팅판에 바이어 홀을 설치함으로써, 2개의 커팅판 사이에 커팅되지 않은 일부의 가는 철사가 잔류되어, 회전 조임 기구가 이에 대해 쉽게 클램핑 및 회전하여 조일 수 있어, 폼에 대한 고정을 구현한다.
4. 본 발명은 가압 스트립을 설치함으로써, 커팅 후 폼의 양변과 철사의 양변을 2개의 가압 스트립 사이에 가압할 수 있어, 거치하고 회전하여 조일 경우, 폼과 철사가 이동하게 된다.
본 분야의 기술자가 쉽게 이해하도록 이하에서 첨부 도면을 결합하여 본 발명에 대해 추가로 설명하기로 한다.
도 1은 본 발명의 보호 폼 피복 고정 장치의 구조를 나타내는 도면이고;
도 2는 본 발명의 전해 동박 롤을 거치대로부터 꺼내어 고정한 장치의 구조를 나타내는 도면이고;
도 3은 슬라이딩 커팅 기구 커팅 시 보호 폼 피복 고정 장치의 구조를 나타내는 도면이고;
도 4는 슬라이딩 커팅 기구 커팅 후 조여서 고정할 경우 보호 폼 피복 고정 장치의 구조를 나타내는 도면이고;
도 5는 위치 고정 베이스 구조를 나타내는 도면이고;
도 6은 압착 기구의 구조를 나타내는 도면이고;
도 7은 도 6의 국부 구조를 나타내는 도면이고;
도 8은 슬라이딩 커팅 기구의 구조를 나타내는 도면이고;
도 9은 회전 조임 기구의 구조를 나타내는 도면이고;
도 10은 도 1의 국부 기구를 나타내는 도면이다.
전해 동박 롤이 롤로 제조된 후, 동박 표면의 평탄도가 전해 동박의 사용 성능에 영향을 미치게 되며, 동박 롤 이송 과정에서 충돌 가압이 불가피하게 발생하게 되어 동박 롤의 변형이 일어나게 되므로, 본 발명은 전해 동박 롤 외부용 보호 폼 피복 고정 장치를 설치함으로써, 해당 장치를 통해 전해 동박 롤의 표면에 한 층의 보호 폼을 피복하여, 전해 동박 롤에 대한 보호를 구현하고, 전해 동박 롤의 가압 변형을 방지할 수 있다.
명세서 첨부 도면 1-4에 의하면, 본 발명에 개시된 전해 동박 롤 외부용 보호 폼 피복 고정 장치는 표면 일측에 위치 고정 베이스(2)가 일체로 연결 고정되어 있는 지지 저면판(1)을 포함하고, 위치 고정 베이스(2)에는 2개의 압착 기구(3)가 대칭되게 슬라이딩 장착되어, 보호용 폼과 가는 철사가 모두 2개의 압착 기구(3) 사이에 거치되고, 동시에 2개의 압착 기구(3)에는 각각 슬라이딩 커팅 기구(4)가 장착되며, 지지 저면판(1)의 표면의 타측에는 승하강 유압 실린더(6)가 장착되어 있는 회전 이동 기구(5)가 장착되고, 승하강 유압 실린더(6)의 동력 출력단에는 2개의 압착 기구(3)와 결합되어 사용되는 위치 고정 가압 기구(7)가 장착되되, 위치 고정 가압 기구(7)에는 복수 개의 회전 조임 시트(8)가 장착되고, 동시에 위치 고정 가압 기구(7) 일측에 위치하는 하측에 재킹 기구(9)가 설치되어, 재킹 기구(9)를 통해 전해 동박 롤의 텐션 고정을 구현하며, 회전 이동 기구(5)에 의해 위치 고정 가압 기구(7)가 2개의 압착 기구(3)의 바로 상측으로 이동하게 되고, 다음으로 승하강 유압 실린더(6)에 의해 위치 고정 가압 기구(7)가 하향 이동하게 되며, 이동 과정에서 전해 동박 롤이 2개의 압착 기구(3) 사이의 폼을 가압하게 되고, 계속하여 하향 가압 시, 폼과 가는 철사가 가압 절곡되며, 다음으로 계속하여 하향 가압하는 과정에서 슬라이딩 커팅 기구(4)에 의해 폼과 가는 철사에 대한 커팅을 구현하고, 위치 고정 가압 기구(7)와 슬라이딩 커팅 기구(4)의 결합 작용에 의해, 계속하여 하향 가압 시, 슬라이딩 커팅 기구(7)가 양측으로 이동하여 중간에 공간을 남기고, 동시에 위치 고정 가압 기구(7) 중의 회전 조임 시트(8)가 공간으로 삽입되어, 커팅 후의 가는 철사를 조임으로써, 폼의 고정을 구현하며;
이하에서 명세서 첨부 도면 1-10을 결합하여, 보호 폼 피복 고정 장치 각 부분의 구성, 연결 관계, 작업 원리 및 유익한 효과에 대해 구체적으로 설명하기로 한다:
위치 고정 베이스(2)는 지지 저면판(1) 표면 일측에 일체로 장착 고정되어 있는 위치 고정 저면판(21)을 포함하되, 위치 고정 저면판(21)의 표면 양측에는 2개의 대향 설치되는 제1 리밋 배튼(22)이 수직으로 고정되어 있고, 동시에 위치 고정 저면판(21)의 표면 중앙부에는 양 변측으로 연장되는 반 기둥형 위치 고정 홈(23)이 개구되어 있고, 2개의 제1 리밋 배튼(22)의 측벽에는 각각 제1 슬라이딩 홀(221)이 개구되어 있으며;
압착 기구(3)는 가압 블록(31)을 포함하되, 가압 블록(31)의 일측벽에는 제1 슬라이딩 홀(221)과 결합되는 2개의 제1 슬라이딩 바(32)가 수직으로 고정되고, 동시에 해당 측벽 중부에서 2개의 제1 슬라이딩 바(32) 사이에는 경사진 삼각 오목 홈(33)이 개구되어 있으며, 삼각 오목 홈(33)의 중부에는 슬라이딩 홈(34)이 수직으로 개구되어 있고, 슬라이딩 홈(34)의 측벽 중부에 제2 슬라이딩 홀(35)이 개구되어 있음과 동시에, 가압 블록(31)의 대향되는 타측벽의 중부에는 제2 슬라이딩 홀(35)과 서로 연통되는 스트립형 홀(36)이 개구되어 있고, 동시에 가압 블록(31) 표면에서 스트립형 홀(36)이 위치하는 일측에는 거치 홈(37)이 개구되고, 거치 홈(37)의 표면 중앙부에는 복수 개의 반 기둥형 오목홈(371)이 개구되어, 거치 홈(37)에는 폼이 거치되고, 동시에 반 기둥형 오목홈(371)에는 가는 철사가 거치되며, 가압 블록(31)에서 스트립형 홀(36) 일측에 위치하는 측벽에는 가압 블록(31)의 저면으로 연장되는 수용 홈(38)이 개구되어 있되, 수용 홈(38)은 1/4의 기둥형 구조로, 2개의 가압 블록(31)의 수용 홈(38)과 반 기둥형 위치 고정 홈(23) 사이가 기둥형 관통 홀을 구성할 수 있으며; 동시에 가압 블록(31) 측벽에서 수용 홈(38)이 위치하는 상측에는 가압 스트립(381)이 일체로 연결 고정되어 있어, 수용 홈(38)과 반 기둥형 위치 고정 홈(23) 사이가 원형 구조를 형성한 후, 2개의 가압 스트립(381) 사이의 거리가 0.8-1.2cm으로, 폼의 양변과 철사의 양변을 2개의 가압 스트립(381) 사이에서 가압할 수 있으며;
제1 슬라이딩 바(32)의 일단에는 차단 링(321)이 삽입 장착되고, 동시에 제1 슬라이딩 바(32)에는 제1 위치 고정 가압 스프링(39)이 삽입 장착되어, 제1 위치 고정 가압 스프링(39)의 양단이 각각 차단 링(321)과 가압 블록(31)의 측벽 사이를 가압하며;
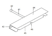
슬라이딩 커팅 기구(4)는 제2 슬라이딩 홀(35)과 슬라이딩 결합되는 제2 슬라이딩 바(41)를 포함하되, 제2 슬라이딩 바(41)의 일단에는 나선을 통해 구형 가압 헤드(42)가 장착 고정되고, 타단에는 제1 장착 배튼(43)이 수직으로 고정되며, 제2 슬라이딩 바(41)에는 제2 위치 고정 가압 스프링(47)이 삽입 장착되되, 제2 위치 고정 가압 스프링(47)의 양단은 각각 구형 가압 헤드(42)와 슬라이딩 홈(34)의 측벽과 접하며, 제1 장착 배튼(43)은 스트립형 홀(36)과 서로 결합되되, 제1 장착 배튼(43)의 상하 윗면은 각각 스트립형 홀(36)의 상하 저면과 접하고, 동시에 제1 장착 배튼(43)의 상하 측벽 일단에는 각각 상부 커팅판(44)과 하부 커팅판(45)이 수직으로 고정되어 있으며, 상부 커팅판(44)과 하부 커팅판(45)의 길이는 동일하고 일단에 각각 절삭 날이 설치되어 있고, 하부 커팅판(45) 표면에서 절삭 날이 위치하는 일측에는 절삭 날 일측으로 연장되는 복수 개의 바이어 홀(46)이 개구되어 있되, 바이어 홀(46)의 측벽에는 절삭 날이 설치되어 있지 않으며, 동시에 복수 개의 바이어 홀(46)은 복수 개의 반 기둥형 오목 홈(371)과 일일이 대응되고, 바이어 홀(46)의 직경은 1-1.5cm이며, 2개의 슬라이딩 커팅 기구(4)가 상대 이동하여 2개의 하부 커팅판(45)이 접할 경우, 폼과 가는 철사에 대한 커팅을 구현하고, 동시에 2개의 상부 커팅판(44)도 접하게 되며, 하부 커팅판(45) 커팅 후 바이어 홀(46)의 존재로 인해, 바이어 홀 위치에 위치하는 폼과 가는 철사가 절단되지 않아, 상부 커팅판(44)을 통해 폼과 가는 철사에 대해 커팅한 후 절단되지 않은 폼과 가는 철사의 상부를 절단하여, 상부 커팅판(44)과 하부 커팅판(45) 사이에 절단되지 않는 일부분의 거리를 남긴 후, 회전 조임 시트(8)를 통해 해당 부분의 가는 철사를 회전 조임으로써, 폼에 대한 고정을 구현하며;
회전 이동 기구(5)는 지지 저면판(1) 표면 일측에 수직으로 고정되는 지지 스트립(51)을 포함하되, 지지 스트립(51) 양측과 위치 고정 저면판(21)의 측벽 사이에 2개의 제3 슬라이딩 바(52)가 장착되고, 동시에 지지 스트립(51) 중부와 위치 고정 저면판(21)의 측벽 사이에는 제1 스크루(53)가 장착되어, 제1 스크루(53)의 일단이 제1 감속 모터의 동력 출력단과 서로 연결되며, 2개의 제3 슬라이딩 바(52)에는 지지판(54)이 슬라이딩 삽입 장착되되, 지지판(54)의 측벽 중부에는 제1 스크루(53)와 나선 결합되는 나선 홀(541)이 개구되어 있어, 제1 스크루(53)의 회동을 통해, 나선 작용에 의해 지지판(54)이 2개의 제3 슬라이딩 바(52)를 따라 이동하게 되고, 동시에 지지판(54)의 표면 중부에는 제1 회동축이 장착되어, 승하강 유압 실린더(6)가 제1 회동축의 상부에 고정되고, 동시에 제1 회전축에는 제1 기어(56)가 삽입 장착되고, 지지판(54)에는 제1 기어(56)와 맞물리는 제2 기어(57)가 장착되어, 제2 기어(57)가 제2 감속 모터의 동력 출력단과 서로 연결되며; 제2 감속 모터를 제어함으로써 제2 기어(57)가 회동하도록 하고, 제2 기어(57)에 의해 제1 기어(56)가 회동하고, 제1 기어(56)의 회동에 의해, 제1 회전축이 회동하고, 제1 회전축의 회동에 의해 승하강 유압 실린더(6)가 회동하여, 회전 이동 기구(5)에 의해 승하강 유압 실린더(6)가 위치 고정 베이스(2)로 왕복 이동 및 회동하도록 하며;
지지판(54)에서 위치 고정 저면판(21) 일측에 위치하는 측벽에는 2개의 접촉 스트립(58)이 일체로 연결 고정되어 있어, 지지판(54) 이동 과정에서, 2개의 접촉 스트립(58)이 위치 고정 저면판(21) 측벽과 접할 경우, 이 때 지지판(54)은 더 이상 이동할 수 없고, 제2 감속 모터도 동시에 작동을 멈추게 되어, 위치 고정 작용을 구현하며;
위치 고정 가압 기구(7)는 윗부분에 복수 개의 장착 홀(72)이 개구되어 있는 지지 고정 프레임(71)을 포함하고, 복수 개의 장착 홀(72)은 복수 개의 바이어 홀(46)과 복수 개의 반 기둥형 오목 홈(371)과 각각 일대일로 대응되며, 회전 조임 시트(8)는 장착 홀(72)에 장착되고, 지지 고정 프레임(71)의 좌우 측벽에는 2개의 가압판(73)이 대칭되게 고정되어 있되, 가압판(73)의 저면은 경사지게 설치되고, 저면은 압착 기구(3) 중 경사진 삼각 오목 홈(33) 표면과 평행 설치되며, 가압판(73)의 저면 중부에는 슬라이딩 홈(34)과 서로 대응되는 가압 홈(74)이 개구되어, 가압 홈(74)이 가압판(73)의 경사진 저면과 평행 설치되고, 동시에 가압 홈(74)의 홈 저면 중부에는 위치 고정 가압 블록(75)이 일체로 연결 고정되어 있고, 동시에 지지 고정 프레임(71)의 후측에는 고정판(77)이 일체로 연결 고정되어, 승하강 유압 실린더(6)의 동력 출력단이 고정판(77)의 일단에 장착 고정되고, 지지 고정 프레임(71)의 후측 저면부에는 제2 장착 배튼(76)이 수직으로 고정되어 있으며, 동시에, 재킹 기구(9)가 제2 장착 배튼(76)의 저면단 측벽에 장착 고정되어, 재킹 기구(9)를 통해 전해 동박 롤을 고정하고, 다음으로 작업 과정에서 2개의 가압판(73)이 2개의 삼각 오목 홈(33)으로 압입되고, 가압판(73)의 측벽이 삼각 오목 홈(33)의 측벽과 접하고, 가압판(73)의 저면이 삼각 오목 홈(33)의 경사 표면과 완전히 접하게 될 수 있으며, 다음으로 지지 고정 프레임(71)을 하향 이동할 경우, 이에 의해 2개의 가압판(73)이 동시에 하향 이동하게 되어, 2개의 가압판(73)이 2개의 삼각 오목 홈(33)으로 압입되어, 2개의 압착 기구(3)가 중부를 향해 근접하게 되고, 동시에 이 때 슬라이딩 커팅 기구(4) 중의 구형 가압 헤드(42)가 제2 위치 고정 가압 스프링(47)의 탄력 가압에 의해 가압 홈(74)으로 인입되고, 가압판(73)은 하향 이동 과정에서, 위치 고정 가압 블록(75)이 구형 가압 헤드(42) 위치로 하향 이동될 경우, 계속하여 하향 이동하여, 구형 가압 헤드(42)를 내부를 향하여 가압하고, 이에 의해 제2 위치 고정 가압 스프링(47)이 수축되며, 다음으로 이 때 제2 슬라이딩 바(41)는 2개의 슬라이딩 커팅 기구(4)의 상부 커팅판(44)과 하부 커팅판(45)이 대향되어 이동하여 각각 커팅 후 접할 때까지 제2 슬라이딩 홀(35)을 따라 중부로 슬라이딩 하고, 다음으로 계속하여 가압판(73)을 하향 가압하여, 구형 가압 헤드(42)가 위치 고정 가압 블록(75)을 넘어간 후, 이 때 제2 위치 고정 가압 스프링(47)의 탄력 작용에 의해, 제2 슬라이딩 바(41)가 제2 슬라이딩 홀(35)을 따라 외측을 향하여 이동하게 되고, 이에 의해 2개의 슬라이딩 커팅 기구(4)가 양측을 향해 이동하게 되어, 상부 커팅판(44)과 하부 커팅판(45)이 각각 이격되며, 지지 고정 프레임(71) 저면과 가압 블록(31) 표면이 서로 접할 경우 이동을 멈추고, 이 때 구형 가압 헤드(42)는 위치 고정 가압 블록(75)을 완전히 이탈하게 되며, 동시에 2개의 상부 커팅판(44)과 2개의 하부 커팅판(45) 사이에는 각각 비교적으로 큰 간격이 존재하고, 동시에 2개의 가압 블록(31)의 수용 홈(38)과 반 기둥형 위치 고정 홈(23) 사이는 기둥형 관통 홀에 가깝게 형성되어, 2개의 가압 블록(31) 측벽의 가압 스트립(381)이 근접하게 되어, 폼과 가는 철사를 클램핑함으로써, 회전 조임 시트(8)가 철사를 조이는 과정에서 이탈하는 것을 효율적으로 방지할 수 있고, 동시에 이 때 회전 조임 시트(8) 저면부가 2개의 상부 커팅판(44) 사이에 삽입되어, 회전 조임 시트(8)를 통해 커팅 후의 상부 커팅판(44)과 하부 커팅판(45) 사이의 커팅 후 남은 부분에 대해 클램핑한 후 회전하여 조이며;
회전 조임 시트(8)는 장착 홀(72)에 장착되는 회전 기둥(81)을 포함하되, 회전 기둥(81)의 상단은 제3 감속 모터의 동력 출력단과 서로 연결되고, 동시에 회전 기둥(81)의 저면단에는 클램핑 프레임(82)이 일체로 연결 고정되며, 클램핑 프레임(81)의 측벽에는 제2 스크루(83)가 장착되되, 제2 스크루(83)의 일단은 감속 모터의 동력 출력단과 서로 연결되고, 제2 스크루(83)에는 나선을 통해 2개의 대향 설치되는 클램핑 스트립(84)이 연결 삽입 장착되어 있고, 2개의 클램핑 스트립(84)의 측벽은 각각 클램핑 프레임(82)의 측벽과 접하고, 동시에 2개의 클램핑 스트립(84)의 대향되는 측벽에는 복수 개의 톱니가 설치되어, 클램핑 작용을 통해 조임 과정에서의 슬라이딩을 방지할 수 있으며;
재킹 기구(9)는 제2 장착 배튼(76) 측벽 저면부에 장착 고정되는 장착통(91)을 포함하고, 장착통(91)에는 베어링을 통해 제3 스크루(92)가 장착 고정되어 있으며, 제3 스크루(92) 외부는 나선 작용을 통해 이동 링(93)이 삽입 장착되어 있고, 제3 스크루(92)의 일단은 제4 감속 모터의 동력 출력단과 서로 연결되고, 동시에 장착통(91)에서 이동 링(93)과 이격되는 일단 측벽 외부면에는 등각도로 복수 개의 제1 힌지 블록이 일체로 연결 고정되어 있으며, 제1 힌지 블록에는 회전축을 통해 제1 연결바(94)가 힌지 결합되어 있고, 동시에 이동 링(93)의 측벽 외부면에는 등각도로 복수 개의 제2 힌지 블록이 고정되어 있고, 제1 힌지 블록과 제2 힌지 블록에는 회전축을 통해 제1 연결바(94)와 제2 연결바(95)가 힌지 결합되어 있으며, 제1 연결바(94)와 제2 연결바(95)는 교차 설치되고, 중부는 힌지 결합축을 통해 일체로 연결되며, 제1 연결바(94)와 제2 연결바(95)의 일단 사이는 지지 압출봉(96)을 통해 연결되고, 지지 압출봉(96)의 저면에는 연결 스트립(961)이 수직으로 고정되어 있고, 연결 스트립(961)의 일단은 제1 연결바(94)의 일단 사이와 회전축을 통해 연결 고정되고, 동시에 연결 스트립(961)의 타단에는 스트립형 슬라이딩 홀(962)이 개구되어 있고, 제2 연결바(95)의 일단에는 슬라이딩 축이 장착되어, 슬라이딩 축이 스트립형 슬라이딩 홀(962)에 걸리게 되어 스트립형 슬라이딩 홀(962)을 따라 이동하게 되며, 사용 과정에서 재킹 기구(9)를 전해 동박 롤 중심의 중공축으로 직접적으로 삽입한 후, 제4 감속 모터의 작동을 제어함으로써 제3 스크루가 회동하도록 하고, 나선의 작용에 의해, 이동 링(93)이 제3 스크루(92)를 따라 중부로 이동하며, 이 때 제1 연결바(94)와 제2 연결바(95) 중부의 힌지 결합 부위는 제1 힌지 결합 블록 일측을 향해 근접하게 되어, 제1 연결바(94)와 제2 연결바(95) 일단이 장착통(91)의 중심축과 서서히 이격되게 되며, 이 때 제1 연결바(94)는 지지 압출봉(96)을 밀어 함께 이동하고, 제2 연결바(95) 일단의 슬라이딩 축은 스트립형 슬라이딩 홀(962)에서 슬라이딩하여, 지지 압출봉(96)이 장착통(91) 중심축과 평행하는 설치에 계속 처하는 것을 구현하고, 제1 연결바(94)와 제2 연결바(95)의 공통 추진에 의해, 복수 개의 지지 압출봉(96)이 원주 측으로 분산되어, 전해 동박 롤 중심의 중공축 측벽 내부면에 대한 압출 가압을 구현하여, 전해 동박 롤에 대한 고정을 구현하며;
해당 보호 폼 피복 고정 장치의 구체적인 작업 과정은 다음과 같다:
제1 단계, 가는 철사를 2개의 압착 기구(3)의 반 기둥형 오목 홈(371)에 거치하고, 동시에 폼 플레이트를 2개의 압착 기구(3)의 거치홈(37)에 거치하며;
제2 단계, 승하강 유압 실린더(6)를 제어하여 거치대의 전해 동박 롤 부위로 이동시킨 후, 재킹 기구(9)를 전해 동박 롤 중심의 중공축으로 직접적으로 삽입하고, 재킹 기구(9)를 통해 전해 동박 롤에 대한 고정을 구현하며(구체적인 고정 과정은 이상에서 자세히 설명하였으므로, 여기서 생략하기로 함); 다음으로, 제2 감속 모터를 제어함으로써 제2 기어(57)를 회동시키고, 제2 기어(57)에 의해 제1 기어(56)가 회동하게 되고, 제1 기어(56)의 회동에 의해 제1 회전축이 회동하게 되고, 제1 회전축의 회동에 의해 전해 동박 롤이 위치 고정 베이스(2) 방향과 정면으로 마주볼 때까지 승하강 유압 실린더(6)가 회동하게 되며, 제1 감속 모터의 작동을 제어함으로써 제1 스크루(53)의 회동을 구현하고, 제1 스크루(53)의 회동을 통해 나선 작용에 의해 지지판(54)이 2개의 제3 슬라이딩 바(52)를 따라 이동하게 되고, 2개의 접촉 스트립(58)이 위치 고정 저면판(21) 측벽과 맞댈 경우, 이 때 지지판(54)은 더 이상 이동할 수 없게 되고, 제2 감속 모터도 동시에 작동을 멈추게 되며;
제3 단계, 승하강 유압 실린더(6)를 제어함으로써 압착 기구(3)가 하향 이동하게 되고, 전해 동박 롤이 폼의 표면과 접촉함과 동시에, 2개의 가압판(73)이 2개의 삼각 오목 홈(33)에 압입될 수 있어, 2개의 압착 기구(3)가 중부를 향해 근접하게 되며, 이 때 슬라이딩 커팅 기구(4) 중의 구형 가압 헤드(42)는 제2 위치 고정 가압 스프링(47)의 탄력 가압에 의해 가압 홈(74)으로 인입되고, 계속하여 하향 이동 시 폼과 가는 철사는 전해 동박 롤과 밀접되어 절곡되어, 2개의 가압 스트립(381) 하측으로 가압 진입되고, 다음으로 계속하여 하향 이동 시, 위치 고정 가압 블록(75)이 구형 가압 헤드(42) 부위로 하향 이동할 경우, 구형 가압 헤드(42)를 내부를 향해 가압하고, 이에 의해 제2 위치 고정 가압 스프링(47)이 수축하게 되며, 다음으로 이 때 제2 슬라이딩 바(41)는 2개의 슬라이딩 커팅 기구(4)의 상부 커팅판(44)과 하부 커팅판(45)이 대향 이동하여 각각 폼과 가는 철사에 대해 완전히 커팅 후 서로 접할 때까지 제2 슬라이딩 홀(35)을 따라 중부로 슬라이딩하게 되며, 다음으로 계속하여 가압판(73)을 하향 가압하여, 구형 가압 헤드(42)가 위치 고정 가압 블록(75)을 넘어간 후, 이 때 제2 위치 고정 가압 스프링(47)의 탄력 작용에 의해, 제2 슬라이딩 바(41)가 제2 슬라이딩 홀(35)을 따라 외측을 향하여 이동하게 되고, 이에 의해 2개의 슬라이딩 커팅 기구(4)가 양측을 향해 이동하게 되어, 상부 커팅판(44)과 하부 커팅판(45)이 각각 이격되어 간격이 생기게 되며, 지지 고정 프레임(71) 저면과 가압 블록(31) 표면이 서로 접할 경우 이동을 멈추고, 이 때 구형 가압 헤드(42)는 위치 고정 가압 블록(75)을 완전히 이탈하게 되며, 동시에 2개의 상부 커팅판(44)과 2개의 하부 커팅판(45) 사이에는 각각 비교적으로 큰 간격이 존재하고, 이 때 회전 조임 기구(8)는 2개의 슬라이딩 커팅 기구(4) 사이의 간격에 삽입됨과 동시에, 2개의 가압 블록(31)의 수용 홈(38)과 반 기둥형 위치 고정 홈(23) 사이는 기둥형 관통 홀에 가깝게 형성되어, 2개의 가압 블록(31) 측벽의 가압 스트립(381)이 근접하게 되어, 폼과 가는 철사를 가압함으로써, 회전 조임 시트(8)가 철사를 조이는 과정에서 이탈하는 것을 효율적으로 방지할 수 있고, 동시에 이 때 회전 조임 시트(8) 저면부가 2개의 상부 커팅판(44) 사이에 삽입되며, 제2 스크루를 제어함으로써 2개의 가압 스트립(84)이 대향 이동하게 되어, 커팅 후의 상부 커팅판(44)과 하부 커팅판(45) 사이에 커팅되어 잔류된 부분을 클램핑하고, 다음으로 제3 감속 모터의 회동을 제어함으로써 회전 조임 시트(8)가 회전하게 되어, 가는 철사에 대한 회전 조임을 구현하여, 폼 외부에 대한 고정을 구현한다(여기서, 하부 커팅판(45) 양단의 바이어 홀(46)이 전해 동박 롤 중심축 양단의 연장 부분의 상측에 위치하여, 회전 조임 시트(8)를 조일 경우, 전해 동박 롤 양단의 연장 부분의 사이가 작아, 견고한 고정을 구현하기 위해, 동박 롤 상측의 철사를 조인 후, 양단에 위치하는 회전 조임 시트(8)를 계속하여 회동하여, 양단 축에 고정되는 폼에 대한 조임을 구현하며, 이로써 양단을 조임으로써 동박 롤 양단이 폼에 의해 차단되어, 동박 롤 표면과 측변의 완전한 커버 보호를 구현할 수 있음).
제4 단계, 다음으로 승하강 유압 실린더(6)를 제어함으로써 위치 고정 가압 기구(7)가 상향 이동하게 되고, 이 때 제1 위치 고정 가압 스프링(39)의 탄력 작용에 의해, 2개의 압착 기구(3)가 양측으로 서서히 이동하게 되며, 다음으로 피복된 전해 동박 롤을 위로 서서히 꺼낸 후, 회전 이동 기구(5)를 통해 위치 고정 가압 기구(7)가 전체적으로 뒤를 향하여 이동하도록 제어하고, 다음으로 다시 회전시키고, 거치대까지 회전된 후, 재킹 기구(9)가 서서히 느슨해지도록 제어한 후, 재킹 기구(9)를 서서히 빼내어, 다음 동박 롤에 대한 피복을 수행한다.
이상에 개시된 본 발명의 바람직한 실시예는 본 발명을 설명하기 위한 것에 불과하다. 바람직한 실시예에서는 모든 내용에 대해 구체적으로 설명하지 않았으며, 해당 발명이 상술한 구체적인 설명에 의해 제한되는 것이 아니다. 본 명세서의 내용에 의해 많은 수정과 변화를 가질 수 있는 것은 자명한 것이다. 본 명세서에서 이러한 실시예를 선택하고 구체적으로 설명하는 것은, 본 발명의 원리와 실제 응용에 대해 더 명확하게 해석하여 해당 분야의 기술자가 본 발명을 더 쉽게 이해와 이용하도록 하기 위한 것이다. 본 발명은 청구 범위 및 그의 전체 범위와 등가물에 의해 제한된다.

Claims (7)

  1. 표면 일측에 위치 고정 베이스(2)가 일체로 연결 고정되는 지지 저면판(1)과, 동력 출력단에 2개의 압착 기구(3)와 결합 사용되는 위치 고정 가압 기구(7)가 장착되어 있는 승하강 유압 실린더(2)를 포함하며, 위치 고정 베이스(2)에는 2개의 슬라이딩 가능한 압착 기구(3)가 대칭되게 장착됨과 동시에, 2개의 압착 기구(3)에는 각각 폼과 가는 철사를 커팅하기 위한 슬라이딩 커팅 기구(4)가 장착되어 있고;
    위치 고정 베이스(2)는 지지 저면판(1) 표면의 일측에 고정되는 위치 고정 저면판(21)을 포함하고, 위치 고정 저면판(21)의 표면 양측에는 측벽에 각각 제1 슬라이딩 홀(221)이 개구되어 있는 2개의 대향 설치되는 제1 리밋 배튼(22)이 수직으로 고정되어 있으며;
    압착 기구(3)는 가압 블록(31)을 포함하여, 폼 플레이트와 가는 철사가 위로부터 아래로 순차로 2개의 가압 블록(31) 표면 사이에 거치되고, 가압 블록(31)의 일 측벽에는 제1 슬라이딩 홀(221)과 결합되는 2개의 제1 슬라이딩 바(32)가 수직으로 고정되어 있고, 제1 슬라이딩 바(32)의 일단에는 차단 링(321)이 삽입 장착됨과 동시에, 제1 슬라이딩 바(32)에는 제1 위치 고정 가압 스프링(39)이 삽입 장착되되, 제1 위치 고정 가압 스프링(39)의 양단은 각각 차단 링(321)과 가압 블록(31)의 측벽 사이를 가압하고, 동시에 가압 블록(31)의 일측벽에서 2개의 제1 슬라이딩 바(32)의 중부에는 경사진 삼각 오목홈(33)이 개구되어 있으며;
    삼각 오목 홈(33)의 중부에는 슬라이딩 홈(34)이 수직으로 개구되어 있고, 슬라이딩 홈(34)의 측벽 중부에는 제2 슬라이딩 홀(35)이 개구되어 있음과 동시에, 가압 블록(31)의 대향되는 타 측벽에는 제2 슬라이딩 홀(35)과 서로 연통되는 스트립형 홀(36)이 개구되어 있으며;
    가압 블록(31) 표면에서 스트립형 홀(36)이 위치하는 일측에는 거치 홈(37)이 개구되어 있고, 거치 홈(37)의 표면 중부에는 복수 개의 반 기둥형 오목 홈(371)이 개구되어 있어, 거치 홈(37)에는 폼이 거치됨과 동시에, 반 기둥형 오목 홈(371)에는 가는 철사가 거치되며;
    위치 고정 가압 기구(7)는 지지 고정 프레임(71)을 포함하고, 지지 고정 프레임(71) 윗부분에는 복수 개의 회전 조임 시트(8)가 장착되고, 지지 고정 프레임(71)의 좌우 측벽에는 저면이 경사지게 설치되는 2개의 가압판(73)이 대칭되게 고정되어 있으며, 위치 고정 가압 기구(7)가 압착 기구(3)의 바로 상측에 위치할 경우, 가압판(73)의 저면과 압착 기구(3) 중 경사진 삼각 오목홈(33) 표면이 동일 평면 내에 위치하고, 승하강 유압 실린더(6)의 동력 출련단이 지지 고정 프레임(71)의 후측 윗부분에 장착 고정됨과 동시에, 지지 고정 프레임(71)의 후측 저면부에 제2 장착 배튼(76)이 수직으로 고정되어, 피복 대상인 전해 동박 롤이 제2 장착 배튼(76)의 저면단 측벽에 장착되는 전해 동박 롤 외부용 보호 폼 피복 고정 장치.
  2. 제 1 항에 있어서,
    위치 고정 저면판(21)의 표면 중부에는 양 변측으로 연장되는 반 기둥형 위치 고정 홈(23)이 개구되어 있고, 가압 블록(31)에서 스트립형 홀(36) 일측에 위치하는 측벽에는 가압 블록(31) 저면으로 연장되는 수용 홈(38)이 개구되어 있되, 수용 홈(38)은 1/4의 기둥형 구조로, 2개의 가압 블록(31)의 수용 홈(38)과 반 기둥형 위치 고정 홈(23) 사이가 기둥형 관통 홀을 구성할 수 있으며; 동시에, 가압 블록(31) 측벽에서 수용 홈(38)이 위치하는 상측에는 가압 스트립(381)이 일체로 연결 고정되어 있는 것을 특징으로 하는 전해 동박 롤 외부용 보호 폼 피복 고정 장치.
  3. 제 1 항에 있어서,
    슬라이딩 커팅 기구(4)는 제2 슬라이딩 홀(35)과 슬라이딩 결합되는 제2 슬라이딩 바(41)를 포함하되, 제2 슬라이딩 바(41)의 일단에는 나선을 통해 구형 가압 헤드(42)가 장착 고정되고, 타단에는 제1 장착 배튼(43)이 수직으로 고정되어 있으며, 제2 슬라이딩 바(41)에는 양단이 각각 구형 가압 헤드(42)와 슬라이딩 홈(34)의 측벽과 접하는 제2 위치 고정 가압 스프링(47)이 삽입 장착되어 있으며, 제1 장착 배튼(43)은 스트립형 홀(36)에 위치하고, 동시에 제1 장착 배튼(43)의 상하 측벽 일단에는 각각 길이가 동일하고 일단에 각각 절삭 날이 설치되어 있는 상부 커팅판(44)과 하부 커팅판(45)이 수직으로 고정되어 있으며, 하부 커팅판(45) 표면에서 절삭 날이 위치하는 일측에는 절삭 날 일측으로 연장되는 복수 개의 바이어 홀(46)이 개구되어 있고, 동시에 복수 개의 바이어 홀(46)은 복수 개의 반 기둥형 오목 홈(371)과 일대일로 대응되는 것을 특징으로 하는 전해 동박 롤 외부용 보호 폼 피복 고정 장치.
  4. 제 3 항에 있어서,
    지지 고정 프레임(71)의 윗부분에는 복수 개의 장착 홀(72)이 개구되어 있되, 복수 개의 장착 홀(72)은 복수 개의 바이어 홀(46)과 복수 개의 반 기둥형 오목 홈(371)과 각각 일대일로 대응되고, 회전 조임 시트(8)가 장착 홀(72)에 장착되는 것을 특징으로 하는 전해 동박 롤 외부용 보호 폼 피복 고정 장치.
  5. 제 1 항에 있어서,
    가압판(73)의 저면 중부에는 슬라이딩 홈(34)과 대응되는 가압 홈(74)이 개구되어 있되, 가압 홈(74)은 가압판(73)의 경사진 저면과 평행 설치되고, 동시에 가압 홈(74)의 홈 저면 중부에는 위치 고정 가압 블록(75)이 일체로 연결 고정되어 있는 것을 특징으로 하는 전해 동박 롤 외부용 보호 폼 피복 고정 장치.
  6. 제 1 항에 있어서,
    지지 저면판(1)의 표면 타측에는 승하강 유압 실린더(6)가 장착되어 있는 회전 이동 기구(5)가 장착되어 있는 것을 특징으로 하는 전해 동박 롤 외부용 보호 폼 피복 고정 장치.
  7. 제 6 항에 있어서,
    회전 이동 기구(5)는 지지 저면판(1) 표면 일측에 수직으로 고정되는 지지 스트립(51)을 포함하고, 지지 스트립(51) 양측과 위치 고정 저면판(21)의 측벽 사이에는 2개의 제3 슬라이딩 바(52)가 장착됨과 동시에, 지지 스트립(51) 중부와 위치 고정 저면판(21)의 측벽 사이에는 제1 스크루(53)가 장착되며, 제1 스크루(53)의 일단은 제1 감속 모터의 동력 출력단과 서로 연결되고, 2개의 제3 슬라이딩 바(52)에는 지지판(54)이 슬라이딩 삽입 장착되되, 지지판(54)의 측벽 중부에는 제1 스크루(53)와 나선 결합되는 나선 홀(541)이 개구되어 있음과 동시에, 지지판(54)의 표면 중부에는 제1 회전축이 장착되어, 승하강 유압 실린더(6)가 제1 회전축의 윗부분에 고정되고, 동시에 제1 회전축에는 제1 기어(56)가 삽입 장착되고, 지지판(54)에는 제1 기어(56)와 맞물리는 제2 기어(57)가 장착되고, 제2 기어(57)는 제2 감속 모터의 동력 출력단과 서로 연결되는 것을 특징으로 하는 전해 동박 롤 외부용 보호 폼 피복 고정 장치.
KR1020210065628A 2020-05-22 2021-05-21 전해 동박 롤 외부용 보호 폼 피복 고정 장치 Active KR102534498B1 (ko)

Applications Claiming Priority (2)

Application Number Priority Date Filing Date Title
CN202010440681.9 2020-05-22
CN202010440681.9A CN111605775B (zh) 2020-05-22 2020-05-22 一种电解铜箔卷外部用防护泡棉包覆固定装置

Publications (2)

Publication Number Publication Date
KR20210145084A true KR20210145084A (ko) 2021-12-01
KR102534498B1 KR102534498B1 (ko) 2023-05-26

Family

ID=72196287

Family Applications (1)

Application Number Title Priority Date Filing Date
KR1020210065628A Active KR102534498B1 (ko) 2020-05-22 2021-05-21 전해 동박 롤 외부용 보호 폼 피복 고정 장치

Country Status (3)

Country Link
JP (1) JP7297812B2 (ko)
KR (1) KR102534498B1 (ko)
CN (1) CN111605775B (ko)

Cited By (3)

* Cited by examiner, † Cited by third party
Publication number Priority date Publication date Assignee Title
CN116331322A (zh) * 2023-04-10 2023-06-27 江苏富乐华半导体科技股份有限公司 一种具备防抖快定位功能的ldi用基板搬运载具
CN118083207A (zh) * 2024-04-22 2024-05-28 深圳市显华科技有限公司 一种真空自动灌胶装置
CN120191587A (zh) * 2025-05-26 2025-06-24 江西德尔诚半导体有限公司 一种二极管覆膜包装设备

Families Citing this family (3)

* Cited by examiner, † Cited by third party
Publication number Priority date Publication date Assignee Title
CN112721200B (zh) * 2020-09-24 2022-05-17 青岛益昕汽车模具有限公司 一种汽车内饰件凹槽的热压模具自动包覆结构
CN114906379B (zh) * 2022-06-06 2024-05-14 固丽纸业(上海)有限公司 一种瓦楞纸箱生产用便于瓦楞纸板的捆绑装置
CN115545141B (zh) * 2022-08-13 2025-09-19 全南英创电子有限公司 一种磁头的屏蔽结构

Citations (2)

* Cited by examiner, † Cited by third party
Publication number Priority date Publication date Assignee Title
JPH0872815A (ja) * 1994-09-02 1996-03-19 Toray Eng Co Ltd 糸条パッケージのフィルム包装装置
JP2018014332A (ja) * 2015-10-15 2018-01-25 長春石油化學股▲分▼有限公司 耐たるみ性を示す銅箔

Family Cites Families (11)

* Cited by examiner, † Cited by third party
Publication number Priority date Publication date Assignee Title
IT1146774B (it) * 1981-04-28 1986-11-19 Danieli Off Mecc Dispositivo per la formazione di occhielli di aggancio in legature di fasci ed occhielli di aggancio in legature di fasci
JP2858728B2 (ja) * 1994-03-24 1999-02-17 矢崎総業株式会社 自動結束機
JP3712799B2 (ja) * 1996-08-28 2005-11-02 エスアイ精工株式会社 長尺物包装装置
CN2470240Y (zh) * 2001-04-09 2002-01-09 长沙长泰输送包装设备有限公司 全自动纸卷包装机
KR100757069B1 (ko) * 2005-12-29 2007-09-10 주식회사 삼정피앤에이 금속코일의 보호시트 포장장치
ITFI20120187A1 (it) 2012-09-20 2014-03-21 Kpl Packaging Spa "macchina confezionatrice per confezionare rotoli avvolti su anime tubolari"
CN205184929U (zh) * 2015-10-12 2016-04-27 富鼎电子科技(嘉善)有限公司 泡棉裁切机
US20170267384A1 (en) 2016-03-18 2017-09-21 Cmd Corporation Method and Apparatus For Banding Rolls With Paper
CN206544621U (zh) * 2017-03-06 2017-10-10 唐山市同创机械制造有限公司 打包机及打包机系统
CN107662722A (zh) * 2017-09-30 2018-02-06 成都科创谷科技有限公司 一种使用效果好的建筑用钢筋快速自动捆扎装置
CN208439471U (zh) * 2018-04-25 2019-01-29 苏州赛腾精密电子股份有限公司 一种泡棉的包覆装置及生产线

Patent Citations (2)

* Cited by examiner, † Cited by third party
Publication number Priority date Publication date Assignee Title
JPH0872815A (ja) * 1994-09-02 1996-03-19 Toray Eng Co Ltd 糸条パッケージのフィルム包装装置
JP2018014332A (ja) * 2015-10-15 2018-01-25 長春石油化學股▲分▼有限公司 耐たるみ性を示す銅箔

Cited By (4)

* Cited by examiner, † Cited by third party
Publication number Priority date Publication date Assignee Title
CN116331322A (zh) * 2023-04-10 2023-06-27 江苏富乐华半导体科技股份有限公司 一种具备防抖快定位功能的ldi用基板搬运载具
CN116331322B (zh) * 2023-04-10 2023-09-19 江苏富乐华半导体科技股份有限公司 一种具备防抖快定位功能的ldi用基板搬运载具
CN118083207A (zh) * 2024-04-22 2024-05-28 深圳市显华科技有限公司 一种真空自动灌胶装置
CN120191587A (zh) * 2025-05-26 2025-06-24 江西德尔诚半导体有限公司 一种二极管覆膜包装设备

Also Published As

Publication number Publication date
JP7297812B2 (ja) 2023-06-26
KR102534498B1 (ko) 2023-05-26
CN111605775A (zh) 2020-09-01
CN111605775B (zh) 2021-01-19
JP2021185097A (ja) 2021-12-09

Similar Documents

Publication Publication Date Title
KR20210145084A (ko) 전해 동박 롤 외부용 보호 폼 피복 고정 장치
CN103143924B (zh) 碳刷架扭簧自动装配机
CN218344886U (zh) 一种聚四氟乙烯密封材料的制备装置
CN218519187U (zh) 一种玻璃真空覆膜治具
CN217775752U (zh) 一种铝材加工用切割设备
CN220178297U (zh) 一种铝活塞切槽装置
CN218503957U (zh) 一种汽车零部件加工用工装夹具
CN115945938B (zh) 一种发动机缸体加工带分中定位机构夹具
CN110843007A (zh) 一种往复式带锯切割装置
CN212425025U (zh) 一种化工气体钢管加工设备
CN211812507U (zh) 一种涂布机用可拆装的放卷装置
KR101882893B1 (ko) 모듈화 지지장치를 구비한 리니어 동력전달기구
CN210380750U (zh) 一种可折叠带支架的光伏组件
CN223684343U (zh) 一种铝丝绕设机构
CN116021457A (zh) 自适应式螺栓紧固头
CN202780549U (zh) 门框条柱夹紧装置
CN218193817U (zh) 一种与数控机床工作台适配的定位工装
CN118372056A (zh) 一种齿轮钻孔用可调工装夹具
CN216990685U (zh) 一种磁控管外壳扩张装置
CN223114250U (zh) 一种可调间距的分条机
CN223190617U (zh) 液压驱动柱塞泵
CN214135755U (zh) 一种轴承座安装夹具
CN110014303A (zh) 一种机制真金彩钢板生产线
CN214921029U (zh) 一种用于机械零件加工的切割装置
CN222387223U (zh) 高效芯模涨紧装置

Legal Events

Date Code Title Description
PA0109 Patent application

Patent event code: PA01091R01D

Comment text: Patent Application

Patent event date: 20210521

PA0201 Request for examination
PG1501 Laying open of application
E902 Notification of reason for refusal
PE0902 Notice of grounds for rejection

Comment text: Notification of reason for refusal

Patent event date: 20220830

Patent event code: PE09021S01D

E701 Decision to grant or registration of patent right
PE0701 Decision of registration

Patent event code: PE07011S01D

Comment text: Decision to Grant Registration

Patent event date: 20230329

GRNT Written decision to grant
PR0701 Registration of establishment

Comment text: Registration of Establishment

Patent event date: 20230516

Patent event code: PR07011E01D

PR1002 Payment of registration fee

Payment date: 20230517

End annual number: 3

Start annual number: 1

PG1601 Publication of registration