KR20180013327A - 기판 처리 장치 및 기판 처리 방법 - Google Patents

기판 처리 장치 및 기판 처리 방법 Download PDF

Info

Publication number
KR20180013327A
KR20180013327A KR1020160096872A KR20160096872A KR20180013327A KR 20180013327 A KR20180013327 A KR 20180013327A KR 1020160096872 A KR1020160096872 A KR 1020160096872A KR 20160096872 A KR20160096872 A KR 20160096872A KR 20180013327 A KR20180013327 A KR 20180013327A
Authority
KR
South Korea
Prior art keywords
substrate
nozzle
chemical liquid
tank
pipe
Prior art date
Legal status (The legal status is an assumption and is not a legal conclusion. Google has not performed a legal analysis and makes no representation as to the accuracy of the status listed.)
Ceased
Application number
KR1020160096872A
Other languages
English (en)
Inventor
박소영
김희환
Original Assignee
세메스 주식회사
Priority date (The priority date is an assumption and is not a legal conclusion. Google has not performed a legal analysis and makes no representation as to the accuracy of the date listed.)
Filing date
Publication date
Application filed by 세메스 주식회사 filed Critical 세메스 주식회사
Priority to KR1020160096872A priority Critical patent/KR20180013327A/ko
Priority to US15/655,055 priority patent/US10304687B2/en
Priority to CN201710636452.2A priority patent/CN107665842A/zh
Publication of KR20180013327A publication Critical patent/KR20180013327A/ko
Ceased legal-status Critical Current

Links

Images

Classifications

    • HELECTRICITY
    • H01ELECTRIC ELEMENTS
    • H01LSEMICONDUCTOR DEVICES NOT COVERED BY CLASS H10
    • H01L21/00Processes or apparatus adapted for the manufacture or treatment of semiconductor or solid state devices or of parts thereof
    • H01L21/02Manufacture or treatment of semiconductor devices or of parts thereof
    • H01L21/04Manufacture or treatment of semiconductor devices or of parts thereof the devices having potential barriers, e.g. a PN junction, depletion layer or carrier concentration layer
    • H01L21/18Manufacture or treatment of semiconductor devices or of parts thereof the devices having potential barriers, e.g. a PN junction, depletion layer or carrier concentration layer the devices having semiconductor bodies comprising elements of Group IV of the Periodic Table or AIIIBV compounds with or without impurities, e.g. doping materials
    • H01L21/30Treatment of semiconductor bodies using processes or apparatus not provided for in groups H01L21/20 - H01L21/26
    • H01L21/302Treatment of semiconductor bodies using processes or apparatus not provided for in groups H01L21/20 - H01L21/26 to change their surface-physical characteristics or shape, e.g. etching, polishing, cutting
    • H01L21/304Mechanical treatment, e.g. grinding, polishing, cutting
    • HELECTRICITY
    • H01ELECTRIC ELEMENTS
    • H01LSEMICONDUCTOR DEVICES NOT COVERED BY CLASS H10
    • H01L21/00Processes or apparatus adapted for the manufacture or treatment of semiconductor or solid state devices or of parts thereof
    • H01L21/02Manufacture or treatment of semiconductor devices or of parts thereof
    • H01L21/02041Cleaning
    • H01L21/02043Cleaning before device manufacture, i.e. Begin-Of-Line process
    • H01L21/02052Wet cleaning only
    • HELECTRICITY
    • H01ELECTRIC ELEMENTS
    • H01LSEMICONDUCTOR DEVICES NOT COVERED BY CLASS H10
    • H01L21/00Processes or apparatus adapted for the manufacture or treatment of semiconductor or solid state devices or of parts thereof
    • H01L21/67Apparatus specially adapted for handling semiconductor or electric solid state devices during manufacture or treatment thereof; Apparatus specially adapted for handling wafers during manufacture or treatment of semiconductor or electric solid state devices or components ; Apparatus not specifically provided for elsewhere
    • H01L21/67005Apparatus not specifically provided for elsewhere
    • H01L21/67011Apparatus for manufacture or treatment
    • H01L21/67017Apparatus for fluid treatment
    • H01L21/67023Apparatus for fluid treatment for general liquid treatment, e.g. etching followed by cleaning
    • BPERFORMING OPERATIONS; TRANSPORTING
    • B08CLEANING
    • B08BCLEANING IN GENERAL; PREVENTION OF FOULING IN GENERAL
    • B08B3/00Cleaning by methods involving the use or presence of liquid or steam
    • B08B3/02Cleaning by the force of jets or sprays
    • BPERFORMING OPERATIONS; TRANSPORTING
    • B08CLEANING
    • B08BCLEANING IN GENERAL; PREVENTION OF FOULING IN GENERAL
    • B08B3/00Cleaning by methods involving the use or presence of liquid or steam
    • B08B3/04Cleaning involving contact with liquid
    • B08B3/045Cleaning involving contact with liquid using perforated containers, e.g. baskets, or racks immersed and agitated in a liquid bath
    • B08B3/047Containers specially adapted therefor
    • BPERFORMING OPERATIONS; TRANSPORTING
    • B08CLEANING
    • B08BCLEANING IN GENERAL; PREVENTION OF FOULING IN GENERAL
    • B08B3/00Cleaning by methods involving the use or presence of liquid or steam
    • B08B3/04Cleaning involving contact with liquid
    • B08B3/08Cleaning involving contact with liquid the liquid having chemical or dissolving effect
    • BPERFORMING OPERATIONS; TRANSPORTING
    • B08CLEANING
    • B08BCLEANING IN GENERAL; PREVENTION OF FOULING IN GENERAL
    • B08B3/00Cleaning by methods involving the use or presence of liquid or steam
    • B08B3/04Cleaning involving contact with liquid
    • B08B3/10Cleaning involving contact with liquid with additional treatment of the liquid or of the object being cleaned, e.g. by heat, by electricity or by vibration
    • HELECTRICITY
    • H01ELECTRIC ELEMENTS
    • H01LSEMICONDUCTOR DEVICES NOT COVERED BY CLASS H10
    • H01L21/00Processes or apparatus adapted for the manufacture or treatment of semiconductor or solid state devices or of parts thereof
    • H01L21/02Manufacture or treatment of semiconductor devices or of parts thereof
    • H01L21/02041Cleaning
    • H01L21/02057Cleaning during device manufacture
    • HELECTRICITY
    • H01ELECTRIC ELEMENTS
    • H01LSEMICONDUCTOR DEVICES NOT COVERED BY CLASS H10
    • H01L21/00Processes or apparatus adapted for the manufacture or treatment of semiconductor or solid state devices or of parts thereof
    • H01L21/02Manufacture or treatment of semiconductor devices or of parts thereof
    • H01L21/02041Cleaning
    • H01L21/02082Cleaning product to be cleaned
    • HELECTRICITY
    • H01ELECTRIC ELEMENTS
    • H01LSEMICONDUCTOR DEVICES NOT COVERED BY CLASS H10
    • H01L21/00Processes or apparatus adapted for the manufacture or treatment of semiconductor or solid state devices or of parts thereof
    • H01L21/02Manufacture or treatment of semiconductor devices or of parts thereof
    • H01L21/02104Forming layers
    • H01L21/02107Forming insulating materials on a substrate
    • H01L21/02296Forming insulating materials on a substrate characterised by the treatment performed before or after the formation of the layer
    • H01L21/02299Forming insulating materials on a substrate characterised by the treatment performed before or after the formation of the layer pre-treatment
    • H01L21/02307Forming insulating materials on a substrate characterised by the treatment performed before or after the formation of the layer pre-treatment treatment by exposure to a liquid
    • HELECTRICITY
    • H01ELECTRIC ELEMENTS
    • H01LSEMICONDUCTOR DEVICES NOT COVERED BY CLASS H10
    • H01L21/00Processes or apparatus adapted for the manufacture or treatment of semiconductor or solid state devices or of parts thereof
    • H01L21/02Manufacture or treatment of semiconductor devices or of parts thereof
    • H01L21/02104Forming layers
    • H01L21/02107Forming insulating materials on a substrate
    • H01L21/02296Forming insulating materials on a substrate characterised by the treatment performed before or after the formation of the layer
    • H01L21/02318Forming insulating materials on a substrate characterised by the treatment performed before or after the formation of the layer post-treatment
    • H01L21/02343Forming insulating materials on a substrate characterised by the treatment performed before or after the formation of the layer post-treatment treatment by exposure to a liquid
    • HELECTRICITY
    • H01ELECTRIC ELEMENTS
    • H01LSEMICONDUCTOR DEVICES NOT COVERED BY CLASS H10
    • H01L21/00Processes or apparatus adapted for the manufacture or treatment of semiconductor or solid state devices or of parts thereof
    • H01L21/67Apparatus specially adapted for handling semiconductor or electric solid state devices during manufacture or treatment thereof; Apparatus specially adapted for handling wafers during manufacture or treatment of semiconductor or electric solid state devices or components ; Apparatus not specifically provided for elsewhere
    • H01L21/67005Apparatus not specifically provided for elsewhere
    • H01L21/67011Apparatus for manufacture or treatment
    • H01L21/67017Apparatus for fluid treatment
    • HELECTRICITY
    • H01ELECTRIC ELEMENTS
    • H01LSEMICONDUCTOR DEVICES NOT COVERED BY CLASS H10
    • H01L21/00Processes or apparatus adapted for the manufacture or treatment of semiconductor or solid state devices or of parts thereof
    • H01L21/67Apparatus specially adapted for handling semiconductor or electric solid state devices during manufacture or treatment thereof; Apparatus specially adapted for handling wafers during manufacture or treatment of semiconductor or electric solid state devices or components ; Apparatus not specifically provided for elsewhere
    • H01L21/67005Apparatus not specifically provided for elsewhere
    • H01L21/67011Apparatus for manufacture or treatment
    • H01L21/67017Apparatus for fluid treatment
    • H01L21/67028Apparatus for fluid treatment for cleaning followed by drying, rinsing, stripping, blasting or the like
    • H01L21/6704Apparatus for fluid treatment for cleaning followed by drying, rinsing, stripping, blasting or the like for wet cleaning or washing
    • H01L21/67051Apparatus for fluid treatment for cleaning followed by drying, rinsing, stripping, blasting or the like for wet cleaning or washing using mainly spraying means, e.g. nozzles
    • HELECTRICITY
    • H01ELECTRIC ELEMENTS
    • H01LSEMICONDUCTOR DEVICES NOT COVERED BY CLASS H10
    • H01L21/00Processes or apparatus adapted for the manufacture or treatment of semiconductor or solid state devices or of parts thereof
    • H01L21/67Apparatus specially adapted for handling semiconductor or electric solid state devices during manufacture or treatment thereof; Apparatus specially adapted for handling wafers during manufacture or treatment of semiconductor or electric solid state devices or components ; Apparatus not specifically provided for elsewhere
    • H01L21/67005Apparatus not specifically provided for elsewhere
    • H01L21/67011Apparatus for manufacture or treatment
    • H01L21/67098Apparatus for thermal treatment
    • HELECTRICITY
    • H01ELECTRIC ELEMENTS
    • H01LSEMICONDUCTOR DEVICES NOT COVERED BY CLASS H10
    • H01L21/00Processes or apparatus adapted for the manufacture or treatment of semiconductor or solid state devices or of parts thereof
    • H01L21/67Apparatus specially adapted for handling semiconductor or electric solid state devices during manufacture or treatment thereof; Apparatus specially adapted for handling wafers during manufacture or treatment of semiconductor or electric solid state devices or components ; Apparatus not specifically provided for elsewhere
    • H01L21/67005Apparatus not specifically provided for elsewhere
    • H01L21/67011Apparatus for manufacture or treatment
    • H01L21/67126Apparatus for sealing, encapsulating, glassing, decapsulating or the like
    • HELECTRICITY
    • H01ELECTRIC ELEMENTS
    • H01LSEMICONDUCTOR DEVICES NOT COVERED BY CLASS H10
    • H01L21/00Processes or apparatus adapted for the manufacture or treatment of semiconductor or solid state devices or of parts thereof
    • H01L21/67Apparatus specially adapted for handling semiconductor or electric solid state devices during manufacture or treatment thereof; Apparatus specially adapted for handling wafers during manufacture or treatment of semiconductor or electric solid state devices or components ; Apparatus not specifically provided for elsewhere
    • H01L21/67005Apparatus not specifically provided for elsewhere
    • H01L21/67011Apparatus for manufacture or treatment
    • H01L21/6715Apparatus for applying a liquid, a resin, an ink or the like
    • HELECTRICITY
    • H01ELECTRIC ELEMENTS
    • H01LSEMICONDUCTOR DEVICES NOT COVERED BY CLASS H10
    • H01L21/00Processes or apparatus adapted for the manufacture or treatment of semiconductor or solid state devices or of parts thereof
    • H01L21/67Apparatus specially adapted for handling semiconductor or electric solid state devices during manufacture or treatment thereof; Apparatus specially adapted for handling wafers during manufacture or treatment of semiconductor or electric solid state devices or components ; Apparatus not specifically provided for elsewhere
    • H01L21/683Apparatus specially adapted for handling semiconductor or electric solid state devices during manufacture or treatment thereof; Apparatus specially adapted for handling wafers during manufacture or treatment of semiconductor or electric solid state devices or components ; Apparatus not specifically provided for elsewhere for supporting or gripping
    • H01L21/6835Apparatus specially adapted for handling semiconductor or electric solid state devices during manufacture or treatment thereof; Apparatus specially adapted for handling wafers during manufacture or treatment of semiconductor or electric solid state devices or components ; Apparatus not specifically provided for elsewhere for supporting or gripping using temporarily an auxiliary support
    • HELECTRICITY
    • H01ELECTRIC ELEMENTS
    • H01LSEMICONDUCTOR DEVICES NOT COVERED BY CLASS H10
    • H01L21/00Processes or apparatus adapted for the manufacture or treatment of semiconductor or solid state devices or of parts thereof
    • H01L21/67Apparatus specially adapted for handling semiconductor or electric solid state devices during manufacture or treatment thereof; Apparatus specially adapted for handling wafers during manufacture or treatment of semiconductor or electric solid state devices or components ; Apparatus not specifically provided for elsewhere
    • H01L21/683Apparatus specially adapted for handling semiconductor or electric solid state devices during manufacture or treatment thereof; Apparatus specially adapted for handling wafers during manufacture or treatment of semiconductor or electric solid state devices or components ; Apparatus not specifically provided for elsewhere for supporting or gripping
    • H01L21/687Apparatus specially adapted for handling semiconductor or electric solid state devices during manufacture or treatment thereof; Apparatus specially adapted for handling wafers during manufacture or treatment of semiconductor or electric solid state devices or components ; Apparatus not specifically provided for elsewhere for supporting or gripping using mechanical means, e.g. chucks, clamps or pinches
    • H01L21/68714Apparatus specially adapted for handling semiconductor or electric solid state devices during manufacture or treatment thereof; Apparatus specially adapted for handling wafers during manufacture or treatment of semiconductor or electric solid state devices or components ; Apparatus not specifically provided for elsewhere for supporting or gripping using mechanical means, e.g. chucks, clamps or pinches the wafers being placed on a susceptor, stage or support
    • H01L21/68764Apparatus specially adapted for handling semiconductor or electric solid state devices during manufacture or treatment thereof; Apparatus specially adapted for handling wafers during manufacture or treatment of semiconductor or electric solid state devices or components ; Apparatus not specifically provided for elsewhere for supporting or gripping using mechanical means, e.g. chucks, clamps or pinches the wafers being placed on a susceptor, stage or support characterised by a movable susceptor, stage or support, others than those only rotating on their own vertical axis, e.g. susceptors on a rotating caroussel
    • HELECTRICITY
    • H01ELECTRIC ELEMENTS
    • H01LSEMICONDUCTOR DEVICES NOT COVERED BY CLASS H10
    • H01L21/00Processes or apparatus adapted for the manufacture or treatment of semiconductor or solid state devices or of parts thereof
    • H01L21/67Apparatus specially adapted for handling semiconductor or electric solid state devices during manufacture or treatment thereof; Apparatus specially adapted for handling wafers during manufacture or treatment of semiconductor or electric solid state devices or components ; Apparatus not specifically provided for elsewhere
    • H01L21/67005Apparatus not specifically provided for elsewhere
    • H01L21/67011Apparatus for manufacture or treatment
    • H01L21/67017Apparatus for fluid treatment
    • H01L21/67028Apparatus for fluid treatment for cleaning followed by drying, rinsing, stripping, blasting or the like
    • HELECTRICITY
    • H01ELECTRIC ELEMENTS
    • H01LSEMICONDUCTOR DEVICES NOT COVERED BY CLASS H10
    • H01L21/00Processes or apparatus adapted for the manufacture or treatment of semiconductor or solid state devices or of parts thereof
    • H01L21/67Apparatus specially adapted for handling semiconductor or electric solid state devices during manufacture or treatment thereof; Apparatus specially adapted for handling wafers during manufacture or treatment of semiconductor or electric solid state devices or components ; Apparatus not specifically provided for elsewhere
    • H01L21/67005Apparatus not specifically provided for elsewhere
    • H01L21/67011Apparatus for manufacture or treatment
    • H01L21/67017Apparatus for fluid treatment
    • H01L21/67063Apparatus for fluid treatment for etching
    • H01L21/67075Apparatus for fluid treatment for etching for wet etching
    • H01L21/6708Apparatus for fluid treatment for etching for wet etching using mainly spraying means, e.g. nozzles

Landscapes

  • Engineering & Computer Science (AREA)
  • Physics & Mathematics (AREA)
  • Condensed Matter Physics & Semiconductors (AREA)
  • General Physics & Mathematics (AREA)
  • Manufacturing & Machinery (AREA)
  • Computer Hardware Design (AREA)
  • Microelectronics & Electronic Packaging (AREA)
  • Power Engineering (AREA)
  • Chemical & Material Sciences (AREA)
  • Chemical Kinetics & Catalysis (AREA)
  • General Chemical & Material Sciences (AREA)
  • Cleaning Or Drying Semiconductors (AREA)

Abstract

본 발명은 기판 처리 장치에 관한 것이다. 본 발명의 일 실시 예에 따른 기판 처리 장치는 기판을 지지하는 스핀헤드; 상기 스핀헤드를 외측 둘레를 감싸는 컵; 상기 스핀헤드에 위치된 상기 기판으로 제1 약액을 토출하는 제1 노즐을 갖는 제1 분사 부재; 및 상기 스핀헤드에 위치된 상기 기판으로 상기 제1 약액과 화학 조성이 동일한 제2 약액을 토출하는 제2 노즐을 갖는 제2 분사 부재를 포함한다.

Description

기판 처리 장치 및 기판 처리 방법{Substrate treating apparatus and substrate treating method}
본 발명은 기판 처리 장치 및 기판 처리 방법에 관한 것이다.
일반적으로 반도체 디바이스는 기판상에 여러 가지 물질을 박막 형태로 증착하고 이를 패터닝하여 제조된다. 이를 위하여 증착 공정, 사진 공정, 식각 공정 및 세정 공정 등 여러 단계의 서로 다른 공정들이 요구된다.
이들 공정 중 식각 공정은 기판상에 형성된 막질을 제거하는 공정이고, 세정 공정은 반도체 제조를 위한 각 단위 공정의 진행 후 기판 표면에 잔류하는 오염 물질을 제거하는 공정이다. 식각 공정 및 세정 공정은 공정 진행 방식에 따라 습식 방식과 건식 방식으로 분류되며, 습식 방식은 배치 타입의 방식과 스핀 타입의 방식으로 분류된다.
스핀 타입의 방식은 한 장의 기판을 처리할 수 있는 척 부재에 기판을 고정한 후, 기판을 회전시키면서 분사 노즐을 통해 기판에 약액 또는 탈이온수를 공급하여, 원심력에 의해 약액 또는 탈이온수를 기판의 전면으로 퍼지게 함으로써 기판을 세정 처리한다.
본 발명은 기판을 효율적으로 처리할 수 있는 기판 처리 장치 및 기판 처리 방법을 제공하기 위한 것이다.
또한, 본 발명은 기판의 내측 및 외측을 균일하게 처리할 수 있는 기판 처리 장치 및 기판 처리 방법을 제공하기 위한 것이다.
또한, 본 발명은 기판 처리에 소요되는 약액을 절감할 수 있는 기판 처리 장치 및 기판 처리 방법을 제공하기 위한 것이다.
본 발명의 일 측면에 따르면, 기판을 지지하는 스핀헤드; 상기 스핀헤드를 외측 둘레를 감싸는 컵; 상기 스핀헤드에 위치된 상기 기판으로 제1 약액을 토출하는 제1 노즐을 갖는 제1 분사 부재; 및 상기 스핀헤드에 위치된 상기 기판으로 상기 제1 약액과 화학 조성이 동일한 제2 약액을 토출하는 제2 노즐을 갖는 제2 분사 부재를 포함하는 기판 처리 장치가 제공될 수 있다.
또한, 상기 제1 노즐은 상기 기판의 회전 중심의 위쪽에 위치된 상태로 상기 제1 약액을 토출할 수 있다.
또한, 상기 제1 노즐은 상기 기판의 반지름의 1/2 내측 영역을 이동하면서 상기 제1 약액을 토출할 수 있다.
또한, 상기 제1 노즐은 상기 기판의 회전 중심 위쪽을 지날 수 있다.
또한, 상기 제2 노즐은 상기 기판의 반지름의 1/2 외측 영역에 위치된 상태로 상기 제2 약액을 토출할 수 있다.
또한, 상기 제2 노즐은 상기 기판의 반지름의 1/2과 상기 기판의 외측 단부 사이를 이동하면서 상기 제2 약액을 토출할 수 있다.
또한, 상기 제2 약액은 상기 제1 약액보다 농도가 높게 제공될 수 있다.
또한, 상기 제2 약액은 상기 제1 약액보다 온도가 높게 제공될 수 있다.
또한, 상기 기판 처리 장치는 탱크를 더 포함하고, 상기 제1 노즐은 제1 배관으로 상기 탱크에 연결되고, 상기 제2 노즐은 제2 배관으로 상기 탱크에 연결될 수 있다.
또한, 상기 제2 배관에는 히터가 위치될 수 있다.
또한, 상기 기판 처리 장치는 보조 탱크를 더 포함하고, 상기 보조 탱크는 보조 배관으로 상기 제1 배관에 연결될 수 있다.
또한, 상기 기판 처리 장치는 제1 탱크 및 제2 탱크를 더 포함하고, 상기 제1 노즐은 제1 배관으로 상기 제1 탱크에 연결되고, 상기 제2 노즐은 제2 배관으로 상기 제2 탱크에 연결될 수 있다.
본 발명의 다른 측면에 따르면, 스핀헤드에 기판을 위치시키는 단계; 제1 노즐로 제1 약액을 토출하면서, 제2 노즐로 상기 제1 약액과 화학 조성이 동일한 제2 약액을 토출하는 단계를 포함하는 기판 처리 방법이 제공될 수 있다.
또한, 상기 제1 노즐은 상기 기판의 반지름 1/2 내측 영역에 상기 제1 약액을 토출하고, 상기 제2 노즐은 상기 기판의 반지름 1/2 외측 영역에 상기 제2 약액을 토출할 수 있다.
또한, 상기 제1 노즐은 상기 기판의 회전 중심의 위쪽에 정지된 상태로 상기 제1 약액을 토출하고, 상기 제2 노즐은 상기 기판의 반지름 1/2 외측 영역의 일 지점에 정지된 상태로 상기 제2 약액을 토출할 수 있다.
또한, 상기 제1 노즐은 상기 기판의 반지름의 1/2 내측 영역을 이동하면서 상기 제1 약액을 토출하고, 상기 제2 노즐은 상기 기판의 반지름 1/2 외측 영역의 일 지점에 정지된 상태로 상기 제2 약액을 토출할 수 있다.
또한, 상기 제2 약액은 상기 제1 약액보다 농도가 높게 제공될 수 있다.
또한, 상기 제2 약액은 상기 제1 약액보다 온도가 높게 제공될 수 있다.
본 발명의 일 실시 예에 의하면, 기판을 효율적으로 처리할 수 있는 기판 처리 장치 및 기판 처리 방법이 제공될 수 있다.
또한, 본 발명의 일 실시 예에 의하면, 기판의 내측 및 외측이 균일하게 처리될 수 있는 기판 처리 장치 및 기판 처리 방법이 제공될 수 있다.
또한, 본 발명의 일 실시 예에 의하면, 기판 처리에 소요되는 약액을 절감할 수 있는 기판 처리 장치 및 기판 처리 방법이 제공될 수 있다.
도 1은 기판 처리 설비를 나타낸 평면도이다.
도 2는 공정챔버들 가운데 하나 이상에 제공되는 기판처리장치의 일 예를 보여주는 단면도이다.
도 3은 제1 분사부재 및 제2 분사부재가 기판으로 약액을 공급하는 상태를 나타내는 도면이다.
도 4는 제1 노즐 및 제2 노즐에 연결되는 배관 구성을 나타내는 도면이다.
도 5는 제2 실시 예에 따라 제1 노즐 및 제2 노즐에 연결되는 배관 구성을 나타내는 도면이다.
도 6은 제3 실시 예에 따라 제1 노즐 및 제2 노즐에 연결되는 배관 구성을 나타내는 도면이다.
도 7는 제4 실시 예에 따라 제1 노즐 및 제2 노즐에 연결되는 배관 구성을 나타내는 도면이다.
이하, 본 발명의 실시 예를 첨부된 도면들을 참조하여 더욱 상세하게 설명한다. 본 발명의 실시 예는 여러 가지 형태로 변형할 수 있으며, 본 발명의 범위가 아래의 실시 예들로 한정되는 것으로 해석되어서는 안 된다. 본 실시 예는 당업계에서 평균적인 지식을 가진 자에게 본 발명을 더욱 완전하게 설명하기 위해 제공되는 것이다. 따라서 도면에서의 요소의 형상은 보다 명확한 설명을 강조하기 위해 과장되었다.
도 1은 기판 처리 설비를 나타낸 평면도이다.
도 1을 참조하면, 기판 처리 설비(1)는 인덱스 모듈(10)과 공정 처리 모듈(20)을 포함한다.
인덱스 모듈(10)은 로드포트(120) 및 이송프레임(140)을 포함한다. 로드포트(120), 이송프레임(140), 그리고 공정 처리 모듈(20)은 순차적으로 배열될 수 있다. 이하, 로드포트(120), 이송프레임(140), 그리고 공정 처리 모듈(20)이 배열된 방향을 제1방향(12)이라 한다. 그리고 위쪽에서 바라볼 때 제1방향(12)과 수직한 방향을 제2방향(14)이라 하고, 제1방향(12)과 제2방향(14)을 포함한 평면에 수직인 방향을 제3방향(16)이라 한다.
로드포트(120)에는 기판(W)이 수납된 캐리어(130)가 놓인다. 로드포트(120)는 복수 개가 제공되며 이들은 제2방향(14)을 따라 일렬로 배치된다. 도 1에서는 네 개의 로드포트(120)가 제공된 것으로 도시하였다. 그러나 로드포트(120)의 개수는 공정 처리 모듈(20)의 공정효율 및 풋 프린트 등의 조건에 따라 증가하거나 감소할 수도 있다. 캐리어(130)에는 기판(W)의 가장자리를 지지하도록 제공된 슬롯(도시되지 않음)이 형성된다. 슬롯은 제3방향(16)으로 복수 개가 제공된다. 기판(W)은 제3방향(16)을 따라 서로 이격된 상태로 적층되게 캐리어(130)내에 위치된다. 캐리어(130)로는 전면 개방 일체형 포드(Front Opening Unified Pod;FOUP)가 사용될 수 있다.
공정 처리 모듈(20)은 버퍼유닛(220), 이송챔버(240), 그리고 공정챔버(260)를 포함한다. 이송챔버(240)는 그 길이 방향이 제1방향(12)과 평행하게 배치된다. 제2방향(14)를 따라 이송챔버(240)의 일측 및 타측에는 각각 공정챔버들(260)이 배치된다. 공정챔버(260)들 중 일부는 이송챔버(240)의 길이 방향을 따라 배치된다. 또한, 공정챔버(260)들 중 일부는 서로 적층되게 배치된다. 즉, 이송챔버(240)의 일측에는 공정챔버(260)들이 A X B(A와 B는 각각 1이상의 자연수)의 배열로 배치될 수 있다. 여기서 A는 제1방향(12)을 따라 일렬로 제공된 공정챔버(260)의 수이고, B는 제3방향(16)을 따라 일렬로 제공된 공정챔버(260)의 수이다. 이송챔버(240)의 일측에 공정챔버(260)가 4개 또는 6개 제공되는 경우, 공정챔버(260)들은 2 X 2 또는 3 X 2의 배열로 배치될 수 있다. 공정챔버(260)의 개수는 증가하거나 감소할 수도 있다. 상술한 바와 달리, 공정챔버(260)는 이송챔버(240)의 일측에만 제공될 수 있다. 또한, 상술한 바와 달리, 공정챔버(260)는 이송챔버(240)의 일측 및 양측에 단층으로 제공될 수 있다.
버퍼유닛(220)은 이송프레임(140)과 이송챔버(240) 사이에 배치된다. 버퍼 유닛(220)은 이송챔버(240)와 이송프레임(140) 간에 기판(W)이 반송되기 전에 기판(W)이 머무르는 공간을 제공한다. 버퍼유닛(220)은 그 내부에 기판(W)이 놓이는 슬롯(미도시)이 제공되며, 슬롯(미도시)들은 서로 간에 제3방향(16)을 따라 이격되도록 복수 개 제공된다. 버퍼유닛(220)에서 이송프레임(140)과 마주보는 면과 이송챔버(240)와 마주보는 면 각각이 개방된다.
이송프레임(140)은 로드포트(120)에 위치된 캐리어(130)와 버퍼유닛(220) 간에 기판(W)을 반송한다. 이송프레임(140)에는 인덱스레일(142)과 인덱스로봇(144)이 제공된다. 인덱스레일(142)은 그 길이 방향이 제2방향(14)과 나란하게 제공된다. 인덱스로봇(144)은 인덱스레일(142) 상에 설치되며, 인덱스레일(142)을 따라 제2방향(14)으로 직선 이동된다. 인덱스로봇(144)은 베이스(144a), 바디(144b), 그리고 인덱스암(144c)을 가진다. 베이스(144a)는 인덱스레일(142)을 따라 이동 가능하도록 설치된다. 바디(144b)는 베이스(144a)에 결합된다. 바디(144b)는 베이스(144a) 상에서 제3방향(16)을 따라 이동 가능하도록 제공된다. 또한, 바디(144b)는 베이스(144a) 상에서 회전 가능하도록 제공된다. 인덱스암(144c)은 바디(144b)에 결합되고, 바디(144b)에 대해 전진 및 후진 이동 가능하도록 제공된다. 인덱스암(144c)은 복수 개 제공되어 각각 개별 구동되도록 제공된다. 인덱스암(144c)들은 제3방향(16)을 따라 서로 이격된 상태로 적층되게 배치된다. 인덱스암(144c)들 중 일부는 공정 처리 모듈(20)에서 캐리어(130)로 기판(W)을 반송할 때 사용되고, 다른 일부는 캐리어(130)에서 공정 처리 모듈(20)로 기판(W)을 반송할 때 사용될 수 있다. 이는 인덱스로봇(144)이 기판(W)을 반입 및 반출하는 과정에서 공정 처리 전의 기판(W)으로부터 발생된 입자이 공정 처리 후의 기판(W)에 부착되는 것을 방지할 수 있다.
이송챔버(240)는 버퍼유닛(220)과 공정챔버(260) 간에, 그리고 공정챔버(260)들 간에 기판(W)을 반송한다. 이송챔버(240)에는 가이드레일(242)과 메인로봇(244)이 제공된다. 가이드레일(242)은 그 길이 방향이 제1방향(12)과 나란하도록 배치된다. 메인로봇(244)은 가이드레일(242) 상에 설치되고, 가이드레일(242) 상에서 제1방향(12)을 따라 직선 이동된다. 메인로봇(244)은 베이스(244a), 바디(244b), 그리고 메인암(244c)을 가진다. 베이스(244a)는 가이드레일(242)을 따라 이동 가능하도록 설치된다. 바디(244b)는 베이스(244a)에 결합된다. 바디(244b)는 베이스(244a) 상에서 제3방향(16)을 따라 이동 가능하도록 제공된다. 또한, 바디(244b)는 베이스(244a) 상에서 회전 가능하도록 제공된다. 메인암(244c)은 바디(244b)에 결합되고, 이는 바디(244b)에 대해 전진 및 후진 이동 가능하도록 제공된다. 메인암(244c)은 복수 개 제공되어 각각 개별 구동되도록 제공된다. 메인암(244c)들은 제3방향(16)을 따라 서로 이격된 상태로 적층되게 배치된다. 버퍼유닛(220)에서 공정챔버(260)로 기판(W)을 반송할 때 사용되는 메인암(244c)과 공정챔버(260)에서 버퍼유닛(220)으로 기판(W)을 반송할 때 사용되는 메인암(244c)은 서로 상이할 수 있다.
공정챔버(260) 내에는 기판(W)을 약액으로 처리하는 기판(W) 처리 장치가 제공된다. 각각의 공정챔버(260) 내에 제공된 기판(W) 처리 장치는 수행하는 공정의 종류에 따라 상이한 구조를 가질 수 있다. 선택적으로 각각의 공정챔버(260) 내의 기판(W) 처리 장치는 동일한 구조를 가질 수 있다. 선택적으로 공정챔버(260)들은 복수 개의 그룹으로 구분되어, 동일한 그룹에 속하는 공정챔버(260)에 제공된 기판(W) 처리 장치들은 서로 동일한 구조를 가지고, 상이한 그룹에 속하는 공정챔버(260)에 제공된 기판(W) 처리 장치들은 서로 상이한 구조를 가질 수 있다. 예컨대, 공정챔버(260)가 2개의 그룹으로 나누어지는 경우, 이송챔버(240)의 일측에는 제1그룹의 공정챔버들(260)이 제공되고, 이송챔버(240)의 타측에는 제2그룹의 공정챔버들(260)이 제공될 수 있다. 선택적으로 이송챔버(240)의 일측 및 타측 각각에서 하층에는 제1그룹의 공정챔버(260)들이 제공되고, 상층에는 제2그룹의 공정챔버(260)들이 제공될 수 있다. 제1그룹의 공정챔버(260)와 제2그룹의 공정챔버(260)는 각각 사용되는 약액의 종류나, 공정 방식의 종류에 따라 구분될 수 있다.
도 2는 공정챔버들 가운데 하나 이상에 제공되는 기판처리장치의 일 예를 보여주는 단면도이다.
도 2를 참조하면, 기판처리장치(300)는 컵(320), 스핀헤드(340), 승강유닛(360), 제1 분사부재(380) 및 제2 분사부재(390)를 가진다. 컵(320)은 기판(W)처리공정이 수행되는 공간을 제공하며, 그 상부는 개방된다. 컵(320)은 내부회수통(322), 중간회수통(324), 그리고 외부회수통(326)을 가진다. 각각의 회수통(322,324,326)은 공정에 사용된 처리액 중 서로 상이한 처리액을 회수한다. 내부회수통(322)은 스핀헤드(340)를 감싸는 환형의 링 형상으로 제공되고, 중간회수통(324)은 내부회수통(322)을 감싸는 환형의 링 형상으로 제공되고, 외부회수통(326)은 중간회수통(324)을 감싸는 환형의 링 형상으로 제공된다. 내부회수통(322)의 내측공간(322a), 내부회수통(322)과 중간회수통(324)의 사이 공간(324a) 그리고 중간회수통(324)과 외부회수통(326)의 사이 공간(326a)은 각각 내부회수통(322), 중간회수통(324), 그리고 외부회수통(326)으로 처리액이 유입되는 유입구로서 기능한다. 각각의 회수통(322,324,326)에는 그 저면 아래 방향으로 수직하게 연장되는 회수라인(322b,324b,326b)이 연결된다. 각각의 회수라인(322b,324b,326b)은 각각의 회수통(322,324,326)을 통해 유입된 처리액을 배출한다. 배출된 처리액은 외부의 처리액 재생 시스템(미도시)을 통해 재사용될 수 있다.
스핀헤드(340)는 컵(320) 내에 배치된다. 스핀헤드(340)은 공정 진행 중 기판(W)을 지지하고 기판(W)을 회전시킨다. 스핀헤드(340)는 몸체(342), 지지 핀(344), 척 핀(346), 그리고 지지축(348)을 가진다. 몸체(342)는 위쪽에서 바라볼 때 대체로 원형으로 제공되는 상부면을 가진다. 몸체(342)의 저면에는 모터(349)에 의해 회전 가능한 지지축(348)이 고정 결합된다. 지지 핀(344)은 복수 개 제공된다. 지지 핀(344)은 몸체(342)의 상부면의 가장자리부에 소정 간격으로 이격되게 배치되고 몸체(342)에서 상부로 돌출된다. 지지 핀(344)들은 서로 간에 조합에 의해 전체적으로 환형의 링 형상을 가지도록 배치된다. 지지 핀(344)은 몸체(342)의 상부면으로부터 기판(W)이 일정거리 이격 되도록 기판(W)의 후면 가장자리를 지지한다. 척 핀(346)은 복수 개 제공된다. 척 핀(346)은 몸체(342)의 중심에서 지지 핀(344)보다 멀리 떨어지게 배치된다. 척 핀(346)은 몸체(342)에서 상부로 돌출되도록 제공된다. 척 핀(346)은 스핀 헤드(340)가 회전될 때 기판(W)이 정 위치에서 측 방향으로 이탈되지 않도록 기판(W)의 측부를 지지한다. 척 핀(346)은 몸체(342)의 반경 방향을 따라 대기 위치와 지지 위치 간에 직선 이동 가능하도록 제공된다. 대기 위치는 지지 위치에 비해 몸체(342)의 중심으로부터 멀리 떨어진 위치이다. 기판(W)이 스핀 헤드(340)에 로딩 또는 언 로딩시에는 척 핀(346)은 대기 위치에 위치되고, 기판(W)에 대해 공정 수행시에는 척 핀(346)은 지지 위치에 위치된다. 지지 위치에서 척 핀(346)은 기판(W)의 측부와 접촉된다.
승강유닛(360)은 컵(320)을 상하 방향으로 직선 이동시킨다. 컵(320)이 상하로 이동됨에 따라 스핀헤드(340)에 대한 컵(320)의 상대 높이가 변경된다. 승강유닛(360)은 브라켓(362), 이동축(364), 그리고 구동기(366)를 가진다. 브라켓(362)은 컵(320)의 외벽에 고정설치되고, 브라켓(362)에는 구동기(366)에 의해 상하 방향으로 이동되는 이동축(364)이 고정결합된다. 기판(W)이 스핀헤드(340)에 놓이거나, 스핀헤드(340)로부터 들어올려 질 때 스핀헤드(340)가 컵(320)의 상부로 돌출되도록 컵(320)은 하강된다. 또한, 공정이 진행될 시에는 기판(W)에 공급된 처리액의 종류에 따라 처리액이 기설정된 회수통(322,324,326)으로 유입될 수 있도록 컵(320)의 높이가 조절한다. 예컨대, 제1처리액으로 기판(W)을 처리하고 있는 동안에 기판(W)은 내부회수통(322)의 내측공간(322a)과 대응되는 높이에 위치된다. 또한, 제2처리액, 그리고 제3처리액으로 기판(W)을 처리하는 동안에 각각 기판(W)은 내부회수통(322)과 중간회수통(324)의 사이 공간(324a), 그리고 중간회수통(324)과 외부회수통(326)의 사이 공간(326a)에 대응되는 높이에 위치될 수 있다. 상술한 바와 달리 승강유닛(360)은 컵(320) 대신 스핀 헤드(340)를 상하 방향으로 이동시킬 수 있다.
도 3은 제1 분사부재 및 제2 분사부재가 기판으로 약액을 공급하는 상태를 나타내는 도면이다.
도 2 및 도 3을 참조하면, 제1 분사부재(380)는 제1 노즐(384) 지지대(382), 제1 노즐(384), 제1 지지축(386), 그리고 제1 구동기(388)를 가진다. 제1 지지축(386)은 그 길이 방향이 제3방향(16)을 따라 제공되고, 제1 지지축(386)의 하단에는 제1 구동기(388)가 결합된다. 제1 구동기(388)는 제1 지지축(386)을 회전 및 승강 운동한다. 제1 노즐(384) 지지대(382)는 제1 구동기(388)와 결합된 제1 지지축(386)의 끝단 반대편과 수직하게 결합된다. 제1 노즐(384)은 제1 노즐(384) 지지대(382)의 일측 담부 저면에 설치된다. 제1 노즐(384)은 제1 구동기(388)에 의해 공정 위치와 대기 위치로 이동된다. 공정 위치는 제1 노즐(384)이 기판(W)에 제1 약액을 토출할 수 있도록, 스핀헤드(340)의 수직 상방 영역이다. 대기 위치는 제1 노즐(384)이 스핀헤드(340)의 수직 상방 영역 외측으로 벗어난 위치이다.
제1 분사 부재(380)는 스핀헤드(340)에 기판(W)이 위치된 후, 회전되는 기판(W)의 중심 영역에 제1 약액을 공급한다. 일 예로, 제1 분사 부재(380)는 제1 노즐(384)을 기판(W)의 회전 중심의 위쪽으로 이동 시킨 후, 정지된 상태에서 기판(W)의 중심 영역으로 제1 약액을 공급할 수 있다. 또한, 제1 분사 부재(380)는 제1 노즐(384)을 설정 간격 사이에서 이동 시키면서 기판(W)의 중심 영역으로 제1 약액을 공급할 수 있다. 이 때, 제1 노즐(384)의 이동 경로는 기판(W)의 회전 중심 위쪽을 지나도록 제공된다. 또한, 제1 노즐(384)은 기판(W)의 중심을 기준으로 기판(W) 반지름의 1/2 내측 영역에서 이동될 수 있다. 따라서 제1 분사 부재(380)는 기판(W)의 중심에서 기판(W) 반지름의 1/2 내측 영역에 제1 약액을 토출한다.
제2 분사부재(390)는 스핀헤드(340)에 기판(W)이 위치된 후, 회전되는 기판(W)으로 제2 약액을 공급한다. 제2 약액은 제1 약액과 동일한 화학 조성을 가지고, 기판(W)에 대해 동일한 공정 처리를 수행한다. 제2 분사부재(390)는 제2 노즐(394) 지지대(392), 제2 노즐(394), 제2 지지축(396), 그리고 제2 구동기(398)를 가진다. 제2 지지축(396)은 그 길이 방향이 제3방향(16)을 따라 제공되고, 제2 지지축(396)의 하단에는 제2 구동기(398)가 결합된다. 제2 구동기(398)는 제2 지지축(396)을 회전 및 승강 운동한다. 제2 노즐(394) 지지대(392)는 제2 구동기(398)와 결합된 제2 지지축(396)의 끝단 반대편과 수직하게 결합된다. 제2 노즐(394)은 제2 노즐(394) 지지대(392)의 일측 담부 저면에 설치된다. 제2 노즐(394)은 제2 구동기(398)에 의해 공정 위치와 대기 위치로 이동된다. 공정 위치는 제2 노즐(394)이 기판(W)에 제2 약액을 토출할 수 있도록, 스핀헤드(340)의 수직 상방 영역이다. 대기 위치는 제2 노즐(394)이 스핀헤드(340)의 수직 상방 영역 외측으로 벗어난 위치이다.
제2 분사 부재(390)는 제1 분사 부재(380)가 제1 약액을 토출하는 영역의 외측 영역에 제2 약액을 토출한다. 일 예로, 제2 분사 부재(390)는 제2 노즐(394)을 기판(W)의 중심을 기준으로 기판(W) 반지름의 1/2 외측 영역에 위치 시킨 후, 정지된 상태에서 기판(W)의 외측 영역으로 제2 약액을 공급할 수 있다. 또한, 제2 분사 부재(390)는 제2 노즐(394)을 기판(W)의 중심을 기준으로 기판(W) 반지름의 1/2과 기판(W)의 외측 단부 사이에서 이동 시키면서 제2 약액을 토출할 수 있다.
처리액이 기판(W)에 토출될 때, 기판(W)은 회전되는 상태로 제공된다. 따라서, 기판(W)에 토출된 처리액은 원심력으로 기판(W)의 외측으로 이동된다. 하나의 노즐을 통해 기판(W)에 처리액을 공급할 때, 기판(W)에 공급되는 처리액이 충분하지 않으면 기판(W)의 중심 영역에 단속적 또는 연속적으로 처리액에 의해 덮이지 않은 영역이 발생될 수 있다. 또한, 충분한 처리액의 공급하면서 충분한 속도로 기판(W)을 회전 시키지 않으면, 기판(W)의 중심 영역과 기판(W)의 외측 영역이 처리액에 노출되는 시간, 기판(W)의 중심 영역과 기판(W)의 외측 영역에 공급되는 처리액의 양에 차이가 발생될 수 있다. 이와 같은 현상은 기판(W)의 처리 품질을 저하 시킨다. 반면, 본 발명은 기판(W)의 영역별로 상이한 제1 노즐(384) 및 제2 노즐(394)로 제1 약액 및 제2 약액을 공급하여 기판(W)의 처리 품질을 향상 시키고, 기판(W)의 처리에 사용되는 약액을 절감할 수 있다.
기판(W)에서 제1 노즐(384)에 의해 제1 약액이 공급되는 영역에 비해 제2 노즐(394)에 의해 제 2약액이 공급되는 영역은 원심력이 크게 작용한다. 따라서, 제2 노즐(394)에서 토출된 제2 약액은 제1 노즐(384)에서 토출된 제1 약액에 비해 기판(W)과의 반응 시간이 짧게 되어, 기판(W)의 처리 정도가 달라질 수 있다. 이에 제2 노즐(394)은 제1 노즐(384)과는 상이한 상태의 제2 약액을 기판(W)에 공급하여 기판(W) 처리 품질을 향상시킬 수 있다. 예를 들어 제2 노즐(394)이 공급하는 제2 약액은 제1 노즐(384)이 공급하는 제1 약액에 비해 약액의 농도가 높을 수 있다. 또한, 제2 노즐(394)이 공급하는 제2 약액은 제1 노즐(384)이 공급하는 제1 약액에 비해 약액의 온도가 높을 수 있다. 제2 노즐(394)이 공급하는 제2 약액은 제1 노즐(384)이 공급하는 제1 약액에 비해 약액의 농도 및 온도가 높을 수 있다. 따라서, 제2 노즐(394)에서 공급되는 제2 약액은 제1 노즐(384)에서 공급되는 제1 약액에 비해 기판(W)과의 반응성이 증가되어, 반응 시간 감소에 따른 기판(W) 처리 상태의 저하를 상쇄 시킬 수 있다.
도 4는 제1 노즐 및 제2 노즐에 연결되는 배관 구성을 나타내는 도면이다.
도 4를 참조하면, 제1 노즐(384)은 제1 배관(410)에 의해 탱크(400)에 연결되고, 제2 노즐(394)은 제2 배관(420)을 통해 탱크(400)에 연결된다. 탱크(400)는 기판(W)으로 토출될 약액을 공급한다. 제1 배관(410)에는 제1 밸브(411)가 위치되고, 제2 배관(420)에는 제2 밸브(421)가 위치된다. 이에 따라, 제1 노즐(384) 및 제2 노즐(394)에는 동일한 약액이 공급될 수 있다.
도 5는 제2 실시 예에 따라 제1 노즐 및 제2 노즐에 연결되는 배관 구성을 나타내는 도면이다.
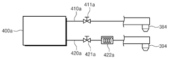
도 5를 참조하면, 제1 노즐(384)은 제1 배관(410a)에 의해 탱크(400a)에 연결되고, 제2 노즐(394)은 제2 배관(420a)을 통해 탱크(400a)에 연결된다. 탱크(400a)는 기판(W)으로 토출될 약액을 공급한다. 제1 배관(410a)에는 제1 밸브(411a)가 위치되고, 제2 배관(420a)에는 제2 밸브(421a) 및 히터(422a)가 위치된다. 히터(422a)는 제2 노즐(394)로 공급되는 약액을 가열하여, 제2 노즐(394)에서 토출되는 약액의 온도가 제1 노즐(384)에서 토출되는 약액의 온도에 비해 높게 한다.
도 6은 제3 실시 예에 따라 제1 노즐 및 제2 노즐에 연결되는 배관 구성을 나타내는 도면이다.
도 6을 참조하면, 제1 노즐(384)은 제1 배관(410b)에 의해 탱크(400b)에 연결되고, 제2 노즐(394)은 제2 배관(420b)을 통해 탱크(400b)에 연결된다. 탱크(400b)는 기판(W)으로 토출될 약액을 공급한다. 제1 배관(410b)에는 제1 밸브(411b)가 위치되고, 제2 배관(420b)에는 제2 밸브(421b)가 위치된다. 보조 배관(430b)은 보조 탱크(401b)와 제1 배관(410b)을 연결한다. 보조 탱크(401b)는 약액의 농도를 낮추기 위한 약을 공급한다. 보조 탱크(401b)가 공급하는 액은 순수 일 수 있다. 보조 배관(430b)에는 보조 밸브(431b)가 제공된다. 보조 탱크(401b)가 공급하는 액이 약액과 혼합됨에 따라, 제1 노즐(384)에서 토출되는 약액은 제2 노즐(394)에서 토출되는 약액에 비해 농도가 낮아질 수 있다. 제2 배관(420b)에는 도 5의 실시 예와 유사하게 히터가 위치될 수 있다.
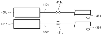
도 7는 제4 실시 예에 따라 제1 노즐 및 제2 노즐에 연결되는 배관 구성을 나타내는 도면이다.
도 5를 참조하면, 제1 노즐(384)은 제1 배관(410c)에 의해 제1 탱크(400c)에 연결되고, 제2 노즐(394)은 제2 배관(420c)을 통해 제2 탱크(401c)에 연결된다. 제1 탱크(400c) 및 제2 탱크(401c)는 기판(W)으로 토출될 약액을 공급한다. 제2 탱크(401c)가 공급하는 약액은 제1 탱크(400c)가 공급하는 약액에 비해 온도가 높은 약액, 농도가 높은 약액 또는 온도와 농도가 높은 약액일 수 있다. 제1 배관(410c)에는 제1 밸브(411c)가 위치되고, 제2 배관(420c)에는 제2 밸브(421c)가 위치된다. 제2 배관(420c)에는 도 5의 실시 예와 유사하게 히터가 위치될 수 있다.
이상의 상세한 설명은 본 발명을 예시하는 것이다. 또한 전술한 내용은 본 발명의 바람직한 실시 형태를 나타내어 설명하는 것이며, 본 발명은 다양한 다른 조합, 변경 및 환경에서 사용할 수 있다. 즉 본 명세서에 개시된 발명의 개념의 범위, 저술한 개시 내용과 균등한 범위 및/또는 당업계의 기술 또는 지식의 범위내에서 변경 또는 수정이 가능하다. 저술한 실시예는 본 발명의 기술적 사상을 구현하기 위한 최선의 상태를 설명하는 것이며, 본 발명의 구체적인 적용 분야 및 용도에서 요구되는 다양한 변경도 가능하다. 따라서 이상의 발명의 상세한 설명은 개시된 실시 상태로 본 발명을 제한하려는 의도가 아니다. 또한 첨부된 청구범위는 다른 실시 상태도 포함하는 것으로 해석되어야 한다.
10: 인덱스 모듈 20: 공정 처리 모듈
300: 기판처리장치 320: 컵
340: 스핀헤드 360: 승강유닛
380: 제1 분사부재 390: 제2 분사부재

Claims (18)

  1. 기판을 지지하는 스핀헤드;
    상기 스핀헤드를 외측 둘레를 감싸는 컵;
    상기 스핀헤드에 위치된 상기 기판으로 제1 약액을 토출하는 제1 노즐을 갖는 제1 분사 부재; 및
    상기 스핀헤드에 위치된 상기 기판으로 상기 제1 약액과 화학 조성이 동일한 제2 약액을 토출하는 제2 노즐을 갖는 제2 분사 부재를 포함하는 기판 처리 장치.
  2. 제1 항에 있어서,
    상기 제1 노즐은 상기 기판의 회전 중심의 위쪽에 위치된 상태로 상기 제1 약액을 토출하는 기판 처리 장치.
  3. 제1 항에 있어서,
    상기 제1 노즐은 상기 기판의 반지름의 1/2 내측 영역을 이동하면서 상기 제1 약액을 토출하는 기판 처리 장치.
  4. 제3 항에 있어서,
    상기 제1 노즐은 상기 기판의 회전 중심 위쪽을 지나는 기판 처리 장치.
  5. 제1 항에 있어서,
    상기 제2 노즐은 상기 기판의 반지름의 1/2 외측 영역에 위치된 상태로 상기 제2 약액을 토출하는 기판 처리 장치.
  6. 제1 항에 있어서,
    상기 제2 노즐은 상기 기판의 반지름의 1/2과 상기 기판의 외측 단부 사이를 이동하면서 상기 제2 약액을 토출하는 기판 처리 장치.
  7. 제1 항에 있어서,
    상기 제2 약액은 상기 제1 약액보다 농도가 높게 제공되는 기판 처리 장치.
  8. 제1 항에 있어서,
    상기 제2 약액은 상기 제1 약액보다 온도가 높게 제공되는 기판 처리 장치.
  9. 제1 항에 있어서,
    상기 기판 처리 장치는 탱크를 더 포함하고,
    상기 제1 노즐은 제1 배관으로 상기 탱크에 연결되고,
    상기 제2 노즐은 제2 배관으로 상기 탱크에 연결되는 기판 처리 장치.
  10. 제9 항에 있어서,
    상기 제2 배관에는 히터가 위치되는 기판 처리 장치.
  11. 제9 항에 있어서,
    상기 기판 처리 장치는 보조 탱크를 더 포함하고,
    상기 보조 탱크는 보조 배관으로 상기 제1 배관에 연결되는 기판 처리 장치.
  12. 제1 항에 있어서,
    상기 기판 처리 장치는 제1 탱크 및 제2 탱크를 더 포함하고,
    상기 제1 노즐은 제1 배관으로 상기 제1 탱크에 연결되고,
    상기 제2 노즐은 제2 배관으로 상기 제2 탱크에 연결되는 기판 처리 장치.
  13. 스핀헤드에 기판을 위치시키는 단계;
    제1 노즐로 제1 약액을 토출하면서, 제2 노즐로 상기 제1 약액과 화학 조성이 동일한 제2 약액을 토출하는 단계를 포함하는 기판 처리 방법.
  14. 제13 항에 있어서,
    상기 제1 노즐은 상기 기판의 반지름 1/2 내측 영역에 상기 제1 약액을 토출하고, 상기 제2 노즐은 상기 기판의 반지름 1/2 외측 영역에 상기 제2 약액을 토출하는 기판 처리 방법.
  15. 제14 항에 있어서,
    상기 제1 노즐은 상기 기판의 회전 중심의 위쪽에 정지된 상태로 상기 제1 약액을 토출하고, 상기 제2 노즐은 상기 기판의 반지름 1/2 외측 영역의 일 지점에 정지된 상태로 상기 제2 약액을 토출하는 기판 처리 방법.
  16. 제14 항에 있어서,
    상기 제1 노즐은 상기 기판의 반지름의 1/2 내측 영역을 이동하면서 상기 제1 약액을 토출하고, 상기 제2 노즐은 상기 기판의 반지름 1/2 외측 영역의 일 지점에 정지된 상태로 상기 제2 약액을 토출하는 기판 처리 방법.
  17. 제14 항에 있어서,
    상기 제2 약액은 상기 제1 약액보다 농도가 높게 제공되는 기판 처리 방법.
  18. 제14 항에 있어서,
    상기 제2 약액은 상기 제1 약액보다 온도가 높게 제공되는 기판 처리 방법.
KR1020160096872A 2016-07-29 2016-07-29 기판 처리 장치 및 기판 처리 방법 Ceased KR20180013327A (ko)

Priority Applications (3)

Application Number Priority Date Filing Date Title
KR1020160096872A KR20180013327A (ko) 2016-07-29 2016-07-29 기판 처리 장치 및 기판 처리 방법
US15/655,055 US10304687B2 (en) 2016-07-29 2017-07-20 Substrate treating apparatus and substrate treating method
CN201710636452.2A CN107665842A (zh) 2016-07-29 2017-07-28 基板处理装置和基板处理方法

Applications Claiming Priority (1)

Application Number Priority Date Filing Date Title
KR1020160096872A KR20180013327A (ko) 2016-07-29 2016-07-29 기판 처리 장치 및 기판 처리 방법

Related Child Applications (1)

Application Number Title Priority Date Filing Date
KR1020180118150A Division KR102012209B1 (ko) 2018-10-04 2018-10-04 기판 처리 장치 및 기판 처리 방법

Publications (1)

Publication Number Publication Date
KR20180013327A true KR20180013327A (ko) 2018-02-07

Family

ID=61009968

Family Applications (1)

Application Number Title Priority Date Filing Date
KR1020160096872A Ceased KR20180013327A (ko) 2016-07-29 2016-07-29 기판 처리 장치 및 기판 처리 방법

Country Status (3)

Country Link
US (1) US10304687B2 (ko)
KR (1) KR20180013327A (ko)
CN (1) CN107665842A (ko)

Families Citing this family (4)

* Cited by examiner, † Cited by third party
Publication number Priority date Publication date Assignee Title
JP7080114B2 (ja) * 2018-06-27 2022-06-03 株式会社Screenホールディングス 基板処理装置および基板処理方法
KR102378329B1 (ko) 2019-10-07 2022-03-25 세메스 주식회사 기판 처리 장치 및 방법
KR102586053B1 (ko) * 2020-07-08 2023-10-10 세메스 주식회사 기판 처리 장치 및 방법
KR102631612B1 (ko) * 2021-12-30 2024-02-01 세메스 주식회사 기판처리장치 및 기판처리방법

Family Cites Families (17)

* Cited by examiner, † Cited by third party
Publication number Priority date Publication date Assignee Title
JP2006093497A (ja) 2004-09-27 2006-04-06 Dainippon Screen Mfg Co Ltd 基板洗浄装置
KR20080082010A (ko) * 2006-01-31 2008-09-10 가부시키가이샤 섬코 웨이퍼의 매엽식 식각 방법
US20100163078A1 (en) * 2008-12-31 2010-07-01 Taiwan Semiconductor Manufacturing Co., Ltd. Spinner and method of cleaning substrate using the spinner
TWI567847B (zh) * 2009-12-11 2017-01-21 聯華電子股份有限公司 晶圓清洗裝置及晶圓清洗方式
CN103094148B (zh) * 2011-10-27 2015-06-17 沈阳芯源微电子设备有限公司 一种双喷嘴清洗装置
JP2014150136A (ja) 2013-01-31 2014-08-21 Dainippon Screen Mfg Co Ltd 基板処理装置
US10395915B2 (en) * 2013-02-28 2019-08-27 Semes Co., Ltd. Nozzle assembly, substrate treatment apparatus including the nozzle assembly, and method of treating substrate using the assembly
JP6203098B2 (ja) * 2013-03-29 2017-09-27 芝浦メカトロニクス株式会社 基板処理装置及び基板処理方法
KR101579509B1 (ko) 2013-06-28 2015-12-23 세메스 주식회사 기판 처리 장치 및 기판 처리 방법
JP6134673B2 (ja) * 2014-03-13 2017-05-24 株式会社Screenホールディングス 基板処理装置
KR20160015901A (ko) 2014-08-01 2016-02-15 세메스 주식회사 기판 처리 장치 및 방법
JP6587865B2 (ja) 2014-09-30 2019-10-09 芝浦メカトロニクス株式会社 基板処理装置及び基板処理方法
JP6410694B2 (ja) * 2014-10-21 2018-10-24 東京エレクトロン株式会社 基板液処理方法及び基板液処理装置並びに基板液処理プログラムを記憶したコンピュータ読み取り可能な記憶媒体
JP2016127080A (ja) * 2014-12-26 2016-07-11 株式会社Screenホールディングス 基板処理装置および基板処理方法
CN204621829U (zh) * 2015-03-18 2015-09-09 和舰科技(苏州)有限公司 一种减少晶边研磨颗粒残留的装置
JP6479641B2 (ja) * 2015-12-11 2019-03-06 東京エレクトロン株式会社 基板処理装置および基板処理方法
KR101909188B1 (ko) * 2016-06-24 2018-10-18 세메스 주식회사 기판 처리 장치 및 방법

Also Published As

Publication number Publication date
CN107665842A (zh) 2018-02-06
US10304687B2 (en) 2019-05-28
US20180033632A1 (en) 2018-02-01

Similar Documents

Publication Publication Date Title
KR101621482B1 (ko) 기판 처리 장치 및 방법
KR101870650B1 (ko) 기판 처리 장치 및 기판 처리 방법
KR101623412B1 (ko) 기판 처리 장치 및 방법
KR101885107B1 (ko) 기판 처리 방법 및 장치
CN106816399B (zh) 基板处理装置及方法
KR20180013327A (ko) 기판 처리 장치 및 기판 처리 방법
KR101910803B1 (ko) 기판처리장치
KR101817211B1 (ko) 기판 처리 장치 및 방법
KR101927919B1 (ko) 기판 처리 장치 및 기판 처리 방법
KR101471540B1 (ko) 기판처리방법 및 기판처리장치
KR20130015639A (ko) 약액공급유닛
KR102201878B1 (ko) 척핀 및 이를 포함하는 기판 처리 장치
CN107564837B (zh) 用于处理基板的装置和方法
KR102450031B1 (ko) 대기 포트 및 이를 가지는 기판 처리 장치
KR101591960B1 (ko) 기판 처리 장치
KR101570161B1 (ko) 기판 처리 장치
KR20180113946A (ko) 기판 처리 장치 및 기판 처리 방법
KR20170024213A (ko) 기판 처리 방법 및 장치
KR20170046490A (ko) 기판 처리 장치 및 방법
KR20130019543A (ko) 기판처리장치
KR102193031B1 (ko) 기판처리장치 및 방법
KR102037917B1 (ko) 기판 처리 장치 및 기판 처리 방법
KR101909191B1 (ko) 기판 지지 유닛 및 이를 가지는 기판 처리 장치
KR102497794B1 (ko) 기판 처리 장치 및 용기 세정 방법
KR20190037689A (ko) 기판 처리 장치 및 기판 처리 방법

Legal Events

Date Code Title Description
A201 Request for examination
PA0109 Patent application

Patent event code: PA01091R01D

Comment text: Patent Application

Patent event date: 20160729

PA0201 Request for examination
E902 Notification of reason for refusal
PE0902 Notice of grounds for rejection

Comment text: Notification of reason for refusal

Patent event date: 20170925

Patent event code: PE09021S01D

AMND Amendment
PG1501 Laying open of application
E601 Decision to refuse application
PE0601 Decision on rejection of patent

Patent event date: 20180523

Comment text: Decision to Refuse Application

Patent event code: PE06012S01D

Patent event date: 20170925

Comment text: Notification of reason for refusal

Patent event code: PE06011S01I

E601 Decision to refuse application
E801 Decision on dismissal of amendment
PE0601 Decision on rejection of patent

Patent event date: 20180808

Comment text: Decision to Refuse Application

Patent event code: PE06012S01D

Patent event date: 20170925

Comment text: Notification of reason for refusal

Patent event code: PE06011S01I

PE0801 Dismissal of amendment

Patent event code: PE08012E01D

Comment text: Decision on Dismissal of Amendment

Patent event date: 20180808

Patent event code: PE08011R01I

Comment text: Amendment to Specification, etc.

Patent event date: 20180723

Patent event code: PE08011R01I

Comment text: Amendment to Specification, etc.

Patent event date: 20180125

PA0107 Divisional application

Comment text: Divisional Application of Patent

Patent event date: 20181004

Patent event code: PA01071R01D