KR20150077763A - 전원 공급 장치 및 그에 포함되는 게이트 드라이버 - Google Patents

전원 공급 장치 및 그에 포함되는 게이트 드라이버 Download PDF

Info

Publication number
KR20150077763A
KR20150077763A KR1020130166583A KR20130166583A KR20150077763A KR 20150077763 A KR20150077763 A KR 20150077763A KR 1020130166583 A KR1020130166583 A KR 1020130166583A KR 20130166583 A KR20130166583 A KR 20130166583A KR 20150077763 A KR20150077763 A KR 20150077763A
Authority
KR
South Korea
Prior art keywords
switching
circuit
power
signal
inductive
Prior art date
Legal status (The legal status is an assumption and is not a legal conclusion. Google has not performed a legal analysis and makes no representation as to the accuracy of the status listed.)
Granted
Application number
KR1020130166583A
Other languages
English (en)
Other versions
KR102155031B1 (ko
Inventor
신종현
김재하
박현수
하정익
강태욱
Original Assignee
삼성전자주식회사
서울대학교산학협력단
Priority date (The priority date is an assumption and is not a legal conclusion. Google has not performed a legal analysis and makes no representation as to the accuracy of the date listed.)
Filing date
Publication date
Application filed by 삼성전자주식회사, 서울대학교산학협력단 filed Critical 삼성전자주식회사
Priority to KR1020130166583A priority Critical patent/KR102155031B1/ko
Priority to US14/564,679 priority patent/US9698666B2/en
Priority to EP14198550.7A priority patent/EP2892135B1/en
Priority to ES14198550T priority patent/ES2821130T3/es
Publication of KR20150077763A publication Critical patent/KR20150077763A/ko
Application granted granted Critical
Publication of KR102155031B1 publication Critical patent/KR102155031B1/ko
Active legal-status Critical Current
Anticipated expiration legal-status Critical

Links

Images

Classifications

    • HELECTRICITY
    • H02GENERATION; CONVERSION OR DISTRIBUTION OF ELECTRIC POWER
    • H02MAPPARATUS FOR CONVERSION BETWEEN AC AND AC, BETWEEN AC AND DC, OR BETWEEN DC AND DC, AND FOR USE WITH MAINS OR SIMILAR POWER SUPPLY SYSTEMS; CONVERSION OF DC OR AC INPUT POWER INTO SURGE OUTPUT POWER; CONTROL OR REGULATION THEREOF
    • H02M1/00Details of apparatus for conversion
    • H02M1/08Circuits specially adapted for the generation of control voltages for semiconductor devices incorporated in static converters
    • HELECTRICITY
    • H02GENERATION; CONVERSION OR DISTRIBUTION OF ELECTRIC POWER
    • H02MAPPARATUS FOR CONVERSION BETWEEN AC AND AC, BETWEEN AC AND DC, OR BETWEEN DC AND DC, AND FOR USE WITH MAINS OR SIMILAR POWER SUPPLY SYSTEMS; CONVERSION OF DC OR AC INPUT POWER INTO SURGE OUTPUT POWER; CONTROL OR REGULATION THEREOF
    • H02M3/00Conversion of DC power input into DC power output
    • H02M3/02Conversion of DC power input into DC power output without intermediate conversion into AC
    • H02M3/04Conversion of DC power input into DC power output without intermediate conversion into AC by static converters
    • H02M3/10Conversion of DC power input into DC power output without intermediate conversion into AC by static converters using discharge tubes with control electrode or semiconductor devices with control electrode
    • H02M3/145Conversion of DC power input into DC power output without intermediate conversion into AC by static converters using discharge tubes with control electrode or semiconductor devices with control electrode using devices of a triode or transistor type requiring continuous application of a control signal
    • HELECTRICITY
    • H02GENERATION; CONVERSION OR DISTRIBUTION OF ELECTRIC POWER
    • H02MAPPARATUS FOR CONVERSION BETWEEN AC AND AC, BETWEEN AC AND DC, OR BETWEEN DC AND DC, AND FOR USE WITH MAINS OR SIMILAR POWER SUPPLY SYSTEMS; CONVERSION OF DC OR AC INPUT POWER INTO SURGE OUTPUT POWER; CONTROL OR REGULATION THEREOF
    • H02M3/00Conversion of DC power input into DC power output
    • H02M3/02Conversion of DC power input into DC power output without intermediate conversion into AC
    • H02M3/04Conversion of DC power input into DC power output without intermediate conversion into AC by static converters
    • H02M3/10Conversion of DC power input into DC power output without intermediate conversion into AC by static converters using discharge tubes with control electrode or semiconductor devices with control electrode
    • H02M3/145Conversion of DC power input into DC power output without intermediate conversion into AC by static converters using discharge tubes with control electrode or semiconductor devices with control electrode using devices of a triode or transistor type requiring continuous application of a control signal
    • H02M3/155Conversion of DC power input into DC power output without intermediate conversion into AC by static converters using discharge tubes with control electrode or semiconductor devices with control electrode using devices of a triode or transistor type requiring continuous application of a control signal using semiconductor devices only
    • HELECTRICITY
    • H02GENERATION; CONVERSION OR DISTRIBUTION OF ELECTRIC POWER
    • H02MAPPARATUS FOR CONVERSION BETWEEN AC AND AC, BETWEEN AC AND DC, OR BETWEEN DC AND DC, AND FOR USE WITH MAINS OR SIMILAR POWER SUPPLY SYSTEMS; CONVERSION OF DC OR AC INPUT POWER INTO SURGE OUTPUT POWER; CONTROL OR REGULATION THEREOF
    • H02M3/00Conversion of DC power input into DC power output
    • H02M3/02Conversion of DC power input into DC power output without intermediate conversion into AC
    • H02M3/04Conversion of DC power input into DC power output without intermediate conversion into AC by static converters
    • H02M3/10Conversion of DC power input into DC power output without intermediate conversion into AC by static converters using discharge tubes with control electrode or semiconductor devices with control electrode
    • H02M3/145Conversion of DC power input into DC power output without intermediate conversion into AC by static converters using discharge tubes with control electrode or semiconductor devices with control electrode using devices of a triode or transistor type requiring continuous application of a control signal
    • H02M3/155Conversion of DC power input into DC power output without intermediate conversion into AC by static converters using discharge tubes with control electrode or semiconductor devices with control electrode using devices of a triode or transistor type requiring continuous application of a control signal using semiconductor devices only
    • H02M3/156Conversion of DC power input into DC power output without intermediate conversion into AC by static converters using discharge tubes with control electrode or semiconductor devices with control electrode using devices of a triode or transistor type requiring continuous application of a control signal using semiconductor devices only with automatic control of output voltage or current, e.g. switching regulators
    • HELECTRICITY
    • H03ELECTRONIC CIRCUITRY
    • H03KPULSE TECHNIQUE
    • H03K17/00Electronic switching or gating, i.e. not by contact-making and –breaking
    • H03K17/16Modifications for eliminating interference voltages or currents
    • H03K17/168Modifications for eliminating interference voltages or currents in composite switches
    • HELECTRICITY
    • H03ELECTRONIC CIRCUITRY
    • H03KPULSE TECHNIQUE
    • H03K17/00Electronic switching or gating, i.e. not by contact-making and –breaking
    • H03K17/51Electronic switching or gating, i.e. not by contact-making and –breaking characterised by the components used
    • H03K17/56Electronic switching or gating, i.e. not by contact-making and –breaking characterised by the components used by the use, as active elements, of semiconductor devices
    • HELECTRICITY
    • H03ELECTRONIC CIRCUITRY
    • H03KPULSE TECHNIQUE
    • H03K17/00Electronic switching or gating, i.e. not by contact-making and –breaking
    • H03K17/51Electronic switching or gating, i.e. not by contact-making and –breaking characterised by the components used
    • H03K17/56Electronic switching or gating, i.e. not by contact-making and –breaking characterised by the components used by the use, as active elements, of semiconductor devices
    • H03K17/687Electronic switching or gating, i.e. not by contact-making and –breaking characterised by the components used by the use, as active elements, of semiconductor devices the devices being field-effect transistors
    • H03K17/689Electronic switching or gating, i.e. not by contact-making and –breaking characterised by the components used by the use, as active elements, of semiconductor devices the devices being field-effect transistors with galvanic isolation between the control circuit and the output circuit
    • H03K17/691Electronic switching or gating, i.e. not by contact-making and –breaking characterised by the components used by the use, as active elements, of semiconductor devices the devices being field-effect transistors with galvanic isolation between the control circuit and the output circuit using transformer coupling
    • HELECTRICITY
    • H02GENERATION; CONVERSION OR DISTRIBUTION OF ELECTRIC POWER
    • H02MAPPARATUS FOR CONVERSION BETWEEN AC AND AC, BETWEEN AC AND DC, OR BETWEEN DC AND DC, AND FOR USE WITH MAINS OR SIMILAR POWER SUPPLY SYSTEMS; CONVERSION OF DC OR AC INPUT POWER INTO SURGE OUTPUT POWER; CONTROL OR REGULATION THEREOF
    • H02M1/00Details of apparatus for conversion
    • H02M1/0048Circuits or arrangements for reducing losses
    • H02M1/0054Transistor switching losses
    • HELECTRICITY
    • H03ELECTRONIC CIRCUITRY
    • H03KPULSE TECHNIQUE
    • H03K2217/00Indexing scheme related to electronic switching or gating, i.e. not by contact-making or -breaking covered by H03K17/00
    • H03K2217/0036Means reducing energy consumption
    • YGENERAL TAGGING OF NEW TECHNOLOGICAL DEVELOPMENTS; GENERAL TAGGING OF CROSS-SECTIONAL TECHNOLOGIES SPANNING OVER SEVERAL SECTIONS OF THE IPC; TECHNICAL SUBJECTS COVERED BY FORMER USPC CROSS-REFERENCE ART COLLECTIONS [XRACs] AND DIGESTS
    • Y02TECHNOLOGIES OR APPLICATIONS FOR MITIGATION OR ADAPTATION AGAINST CLIMATE CHANGE
    • Y02BCLIMATE CHANGE MITIGATION TECHNOLOGIES RELATED TO BUILDINGS, e.g. HOUSING, HOUSE APPLIANCES OR RELATED END-USER APPLICATIONS
    • Y02B70/00Technologies for an efficient end-user side electric power management and consumption
    • Y02B70/10Technologies improving the efficiency by using switched-mode power supplies [SMPS], i.e. efficient power electronics conversion e.g. power factor correction or reduction of losses in power supplies or efficient standby modes

Landscapes

  • Engineering & Computer Science (AREA)
  • Power Engineering (AREA)
  • Power Conversion In General (AREA)
  • Dc-Dc Converters (AREA)

Abstract

전류를 제어하는 전력 스위칭 소자, 상기 전력 스위칭 회로를 개폐하는 제어 신호를 출력하는 제어 회로, 상기 제어 신호에 따라 상기 전력 스위칭 소자를 개폐하는 게이트 드라이브 회로를 포함하되, 상기 게이트 드라이브 회로는 전원과 연결되는 제1 인덕티브 회로와 상기 고전압 전력 스위칭 소자의 입력단과 연결되는 제2 인덕티브 회로를 포함하고, 상기 제1 인덕티브 회로와 상기 제2 인덕티브 회로를 이용하여 상기 전력 스위칭 소자의 입력단에 저장된 전기 에너지를 상기 전원으로 전달하는 전원 공급 장치는 전력 스위칭 소자의 턴온 시에 전력 스위칭 소자의 입력단에 공급한 전기 에너지를 전력 스위칭 소자의 턴오프 시에 다시 회수할 수 있다.

Description

전원 공급 장치 및 그에 포함되는 게이트 드라이버{POWER SUPPLY AND GATE DRIVER THEREIN}
개시된 발명은 전원 공급 장치 및 그에 포함되는 게이트 드라이버에 관한 것으로써, 스위칭 손실을 절감하는 전원 공급 장치 및 그에 포함되는 게이트 드라이버에 관한 발명이다.
전원 공급 장치에 구비되는 DC-DC 컨버터 또는 전동기 등의 에너지 변환 장치 등은 전력 스위칭 소자들을 온/오프 스위칭하면서 에너지 변환을 수행한다. 그러나 이와 같은 에너지 변환 장치를 제어하는 회로는 논리 연산 회로이기 때문에 전류의 구동 능력이 약하다. 반면, 전력 스위칭 소자는 온/오프될 때 큰 에너지가 필요하므로 구동 능력이 약한 논리 연산 회로의 제어 신호를 바로 받을 수 없고, 게이트 드라이버라고 불리는 일종의 버퍼를 이용한다.
또한, 절연 게이트 양극성 트랜지스터, 전력 전계 효과 트랜지스터 등의 전력 스위칭 소자는 입력 임피던스가 주로 캐패시턴스 성분으로 이루어졌으므로 전력 스위칭 소자의 스위칭 시에 스위칭 손실이 발생한다.
이와 같은 전력 스위칭 소자의 스위칭 손실은 전력 스위칭 소자의 구동을 위하여 충전 또는 방전하여야 하는 전하량, 게이트 드라이버의 전원 전압, 전력 스위칭 소자의 스위칭 주파수에 의하여 결정된다.
한편 최근의 에너지 변환 장치들은 스위칭 주파수가 증가하고 있으므로 전체 손실 가운데 스위칭 손실의 비중이 증가하는 추세이다. 특히, 에너지 변환 장치의 소비 전력이 작다면 상대적으로 스위칭 손실의 비중은 더욱 커지게 된다.
상술한 문제를 해결하기 위하여 개시된 발명의 일 측면은 전력 스위칭 소자의 턴온 시에 전력 스위칭 소자의 입력단에 공급한 전기 에너지를 전력 스위칭 소자의 턴오프 시에 다시 회수하는 전원 공급 장치 및 게이트 드라이버를 제공하고자 한다.
개시된 발명의 일 측면에 따른 전원 공급 장치는 전류를 제어하는 전력 스위칭 소자, 상기 전력 스위칭 회로를 개폐하는 제어 신호를 출력하는 제어 회로, 상기 제어 신호에 따라 상기 전력 스위칭 소자를 개폐하는 게이트 드라이브 회로를 포함하되, 상기 게이트 드라이브 회로는 전원과 연결되는 제1 인덕티브 회로와 상기 고전압 전력 스위칭 소자의 입력단과 연결되는 제2 인덕티브 회로를 포함하고, 상기 제1 인덕티브 회로와 상기 제2 인덕티브 회로 사이의 상호 인덕턴스를 이용하여 상기 전력 스위칭 소자의 입력단에 저장된 전기 에너지를 상기 전원으로 전달할 수 있다.
구체적인 실시형태에 따라 상기 게이트 드라이브 회로는 상기 제1 인덕티브 회로와 제2 인덕티브 회로 사이의 상호 인덕턴스를 이용하여 상기 전원으로부터 상기 전력 스위칭 회로의 입력단으로 전기 에너지를 전달할 수 있다.
구체적인 실시형태에 따라 상기 게이트 드라이브 회로는 상기 제1 인덕티브 회로에 흐르는 전류를 제어하는 제1 스위칭 회로, 상기 제2 인덕티브 회로에 흐르는 전류를 제어하는 제2 스위칭 회로를 더 포함할 수 있다.
구체적인 실시형태에 따라 상기 게이트 드라이브 회로는 상기 전력 스위칭 소자의 입력단과 상기 전원 사이의 에너지 전달 시간을 조절하기 위하여 상기 제1 스위칭 회로 및 상기 제2 스위칭 회로의 온 시간을 조절할 수 있다.
구체적인 실시형태에 따라 상기 전력 스위칭 소자의 입력단 전압이 상승하도록 상기 게이트 드라이브 회로는 상기 제1 스위칭 회로를 턴온시킨 후 제2 스위칭 회로를 턴온시킬 수 있다.
구체적인 실시형태에 따라 상기 게이트 드라이브 회로는 상기 전력 스위칭 소자의 입력단의 전압 상승에 따라 상기 제1 스위칭 회로의 온 시간의 듀티비를 증가시킬 수 있다.
구체적인 실시형태에 따라 상기 게이트 드라이브 회로는 상기 전력 스위칭 소자의 입력단의 전압 상승에 따라 상기 제2 스위칭 회로의 온 시간을 감소시킬 수 있다.
구체적인 실시형태에 따라 상기 전력 스위칭 소자의 입력단 전압이 하강하도록 상기 게이트 드라이브 회로는 상기 제2 스위칭 회로를 턴온시킨 후 제1 스위칭 회로를 턴온시킬 수 있다.
구체적인 실시형태에 따라 상기 게이트 드라이브 회로는 상기 전력 스위칭 소자의 입력단의 전압의 하강에 따라 상기 제2 스위칭 회로의 온 시간을 증가시킬 수 있다.
구체적인 실시형태에 따라 상기 게이트 드라이브 회로는 상기 전력 스위칭 소자의 입력단의 전압의 하강에 따라 상기 제1 스위칭 회로의 온 시간의 듀티비를 감소시킬 수 있다.
구체적인 실시형태에 따라 상기 게이트 드라이브 회로는 상기 제어 신호에 따라 상기 제1 스위칭 회로를 개폐하는 제1 스위칭 신호 및 상기 제2 스위칭 회로를 개폐하는 제2 스위칭 신호를 생성하는 스위칭 신호 생성부를 더 포함할 수 있다.
구체적인 실시형태에 따라 상기 전력 스위칭 소자에 대한 온 신호가 입력되면 상기 스위칭 신호 생성부는 상기 제1 스위칭 회로를 턴온시키는 제1 스위칭 신호를 출력한 후 상기 제2 스위치 회로를 턴온시키는 제2 스위칭 신호를 출력할 수 있다.
구체적인 실시형태에 따라 상기 스위칭 신호 생성부는 상기 전력 스위칭 소자의 입력단의 전압 상승에 따라 상기 제2 스위칭 신호의 온 신호의 폭을 감소시킬 수 있다.
구체적인 실시형태에 따라 상기 전력 스위칭 소자의 오프 신호가 입력되면 상기 스위칭 신호 생성부는 상기 제2 스위칭 회로를 온시키는 제2 스위칭 신호를 출력한 후 상기 제1 스위치 회로를 온시키는 제1 스위칭 신호를 출력할 수 있다.
구체적인 실시형태에 따라 상기 스위칭 신호 생성부는 상기 전력 스위칭 소자의 입력단의 전압 하강에 따라 상기 제2 스위칭 신호의 온 신호의 폭을 증가시킬 수 있다.
개시된 발명의 일 측면에 따른 게이트 드라이버는 전력 스위칭 소자를 개폐하는 게이트 드라이버에 있어서, 전원과 연결되는 제1 인덕티브 회로, 상기 전력 스위칭 소자의 입력단과 연결되는 제2 인덕티브 회로, 상기 제1 및 제2 인덕티브 회로에 흐르는 전류를 제어하는 스위칭 회로, 상기 전력 스위칭 소자의 입력단에 저장된 전기 에너지가 상기 제1 인덕티브 회로와 상기 제2 인덕티브 회로 사이의 상호 인덕턴스를 이용하여 상기 전원으로 전달되도록 상기 스위칭 회로를 제어하는 스위칭 신호 생성부를 포함할 수 있다.
구체적인 실시형태에 따라 상기 스위칭 신호 생성부는 상기 제1 인덕티브 회로와 제2 인덕티브 회로 사이의 상호 인덕턴스를 이용하여 상기 전원의 전기 에너지가 상기 전력 스위칭 회로의 입력단으로 전달되도록 상기 스위칭 회로를 제어할 수 있다.
구체적인 실시형태에 따라 상기 스위칭 회로는, 상기 제1 인덕티브 회로에 흐르는 전류를 제어하는 제1 스위칭 회로, 상기 제2 인덕티브 회로에 흐르는 전류를 제어하는 제2 스위칭 회로를 포함할 수 있다.
구체적인 실시형태에 따라 상기 스위칭 신호 생성부는 상기 전력 스위칭 소자의 입력단과 상기 전원 사이의 에너지 전달 시간을 조절하기 위하여 상기 제1 스위칭 회로 및 상기 제2 스위칭 회로의 온 시간을 조절할 수 있다.
구체적인 실시형태에 따라 상기 전력 스위칭 소자에 대한 온 신호가 입력되면 상기 스위칭 신호 생성부는 상기 제1 스위칭 회로를 턴온시키는 제1 스위칭 신호를 출력한 후 상기 제2 스위치 회로를 턴온시키는 제2 스위칭 신호를 출력할 수 있다.
구체적인 실시형태에 따라 상기 스위칭 신호 생성부는 상기 전력 스위칭 소자의 입력단의 전압 상승에 따라 상기 제2 스위칭 신호의 온 신호의 폭을 감소시킬 수 있다.
구체적인 실시형태에 따라 상기 전력 스위칭 소자의 오프 신호가 입력되면 상기 스위칭 신호 생성부는 상기 제2 스위칭 회로를 온시키는 제2 스위칭 신호를 출력한 후 상기 제1 스위치 회로를 온시키는 제1 스위칭 신호를 출력할 수 있다.
구체적인 실시형태에 따라 상기 스위칭 신호 생성부는 상기 전력 스위칭 소자의 입력단의 전압 하강에 따라 상기 제2 스위칭 신호의 온 신호의 폭을 증가시킬 수 있다.
개시된 발명의 일 측면에 따르면, 전력 스위칭 소자의 턴온 시에 전력 스위칭 소자의 입력단에 공급한 전기 에너지를 전력 스위칭 소자의 턴오프 시에 다시 회수할 수 있다.
도 1는 일 실시예에 의한 전원 공급 장치와 부하 장치를 도시한다.
도 2는 일 실시예에 의한 전원 공급 장치의 구성을 도시한다.
도 3은 일 실시예에 의한 전원 공급 장치에 포함되는 DC-DC 컨버터의 일 예를 도시한다.
도 4는 종래 기술에 의한 게이트 드라이브 회로를 도시한다.
도 5는 일 실시예에 의한 게이트 드라이브 회로를 도시한다.
도 7은 일 실시예에 의한 게이트 드라이브 회로에 포함된 트랜스포머의 일 예를 도시한다.
도 7은 일 실시예에 의한 게이트 드라이브 회로의 제어 신호, 제1 스위칭 신호 및 제2 스위칭 신호를 도시한다.
도 8 내지 도 10는 일 실시예에 의한 게이트 드라이브 회로가 전력 스위칭 소자를 턴온시키는 일 예를 도시한다.
도 11은 일 실시예에 의한 게이트 드라이브 회로가 전원으로부터 전력 스위칭 소자로 전기 에너지를 전달하는 과정을 도시한다.
도 12 내지 도 14는 일 실시예에 의한 게이트 드라이브 회로가 전력 스위칭 소자를 턴오프시키는 일 예를 도시한다.
도 15는 일 실시예에 의한 게이트 드라이브 회로가 전력 스위칭 소자로부터 전원으로 전기 에너지를 회수하는 과정을 도시한다.
본 명세서에 기재된 실시예와 도면에 도시된 구성은 개시된 발명의 바람직한 일 예에 불과할 뿐이며, 본 출원의 출원시점에 있어서 본 명세서의 실시예와 도면을 대체할 수 있는 다양한 변형 예들이 있을 수 있다.
이하에서는 첨부한 도면을 참조하여 일 실시예에 의한 전원 공급 장치 및 그에 포함되는 게이트 드라이버에 대하여 상세하게 설명한다.
도 1는 일 실시예에 의한 전원 공급 장치와 부하 장치를 도시하고, 도 2는 일 실시예에 의한 전원 공급 장치의 구성을 도시한다.
전기 기기는 도 1에 도시된 바와 같이 전원을 공급하는 전원 공급 장치(1)와 전원을 공급받아 고유의 동작을 수행하는 부하 장치(2)를 포함하는 것이 일반적이다.
부하 장치(2)는 모터(motor) 및 모터를 구동하는 인버터(inverter), 디스플레이 패널, 스피커, 마이크로폰, 터치 패드, 반도체 소자 등 전원을 공급받아 고유의 동작을 수행하는 장치가 될 수 있다.
전기 기기가 교류 전원을 이용하는 경우 도 2에 도시된 바와 같이 전원 장치(1)는 교류 전원을 직류 전원으로 변환하는 AC-DC 컨버터(3), 변환된 직류 전원의 전압을 변경하는 DC-DC 컨버터(10)를 포함할 수 있다. 다만, 전기 기기가 직류 전원을 이용하는 경우 전원 장치(1)는 AC-DC 컨버터(3)를 포함하지 않을 수 있다.
AC-DC 컨버터(3)는 교류 전압과 교류 전류를 정류하는 정류 회로(미도시), 정류된 전원의 리플(ripple)을 제거하는 평활 회로(미도시)를 포함할 수 있다. 정류 회로는 전류가 일 방향으로 흐르도록 하는 다이오드 브리지(diode bridge)를 포함하며, 평활 회로는 전기 에너지를 저장하여 일정한 전압을 출력하는 콘덴서(condenser)를 포함한다.
DC-DC 컨버터(10)는 전력 스위칭 소자(Q10)을 포함하며, 전체 스위칭 시간에 대한 전력 스위칭 소자(Q10)의 온 시간의 비율(이하에서는 듀티비라 한다.)에 따라 직류 전압을 변경하여 출력한다.
이와 같은 DC-DC 컨버터는 대표적으로 벅 컨버터(buck converter), 부스트 컨버터(boost converter), 벅-부스트 컨버터(buck-boost converter), 포워드 컨버터(forward converter), 플라이백 컨버터(flyback converter) 등이 있다.
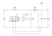
도 3은 일 실시예에 의한 전원 공급 장치에 포함되는 DC-DC 컨버터의 일 예를 도시한다. 구체적으로 도 3은 부스트 컨버터를 도시한다.
도 3을 참조하면, DC-DC 컨버터(10)는 전류를 제어하는 전력 스위칭 소자(power switching element)(Q10), 전류를 통하여 자기 에너지를 저장하는 전력 인덕티브 소자(power inductive element)(L10), 전류를 통하여 전기 에너지를 저장하는 전력 캐패시티브 소자(power capacitive element)(C10), 전류의 방향을 제한하는 전력 정류성 소자(power rectifying element)(D10), 전력 스위칭 소자(Q10)를 온 또는 오프시키는 제어회로(11), 전력 스위칭 소자(Q10)를 구동하는 게이트 드라이브 회로(gate driving circuit)(12, 100)를 포함한다.
DC-DC 컨버터(10)는 전력 스위칭 소자(Q10)의 온 또는 오프에 따라 전력 인덕티브 소자(L10) 또는 전력 캐패시티브 소자(C10)에 에너지를 저장하고, 부하 장치(2)에 전압이 변경된 직류 전원을 공급한다.
DC-DC 컨버터(10)의 일 예로 도 3에 도시된 부스트 컨버터의 동작을 간략하게 설명한다.
제어 회로(11)는 부하 장치(2, 도 1 참조)에 공급되는 전압의 크기를 감지하여 전력 스위칭 소자(Q10)를 온 또는 오프시키는 제어 신호를 출력하고, 게이트 드라이브 회로(12, 100)는 제어 회로(11)의 제어 신호에 따라 전력 스위칭 소자(Q10)를 온 또는 오프시킨다.
전력 스위칭 소자(Q10)가 온 상태이면, AC-DC 컨버터(3, 도 2 참조) 또는 외부 직류 전원으로부터 입력되는 전류는 전력 인덕티브 소자(L10)와 전력 스위칭 소자(Q10)를 통과하여 흐르며, 전력 인덕티브 소자(L10)는 전류를 통하여 자기 에너지를 저장한다. 또한, 전력 캐패시티브 소자(C10)는 그 내부에 저장된 전기 에너지를 이용하여 부하 장치(2, 도 1 참조)에 직류 전원을 공급하고, 전력 정류성 소자(D10)는 전력 캐패시티브 소자(C10)에서 출력되는 전류가 전력 스위칭 소자(Q10)로 흐르지 않도록 한다.
전력 스위칭 소자(Q10)가 오프 상태이면, 전력 인덕티브 소자(L10)에 저장된 자기 에너지에 의한 전류가 전력 캐패시티브 소자(C10)와 부하 장치(2, 도 1 참조)에 공급된다. 또한, 전력 캐패시티브 소자(C10)는 전력 인덕티브 소자(L10)로부터 입력되는 전류를 통하여 전기 에너지를 저장한다.
전력 스위칭 소자(Q10)의 온/오프 동작이 빠르게 수행되면, 전체 스위칭 시간에 대한 전력 스위칭 소자(Q10)의 온 시간의 비율 즉 듀티비에 따라 출력 전압이 결정된다.
도 3은 DC-DC 컨버터(10)로써 부스트 컨버터를 도시하였으나, 이는 DC-DC 컨버터(10)의 일 예에 불과하며, 전력 스위칭 소자(Q10)를 포함하는 DC-DC 컨버터라면 어느 것이라도 채용할 수 있다. 상술한 바와 같이 DC-DC 컨버터는 벅 컨버터, 벅-부스트 컨버터, 포워드 컨버터, 플라이백 컨버터 등을 채용할 수도 있다.
외부 교류 전원이 가정용 220V/110V 교류 전원일 경우, AC-DC 컨버터(3, 도 2 참조)에서 출력되는 직류 전원의 전압을 310V/155V가 될 것이다.
즉, DC-DC 컨버터(10)의 입력 전압(Vin)이 310V/155V가 된다. 그 결과 전력 스위칭 소자(Q10)가 오프 시에는 310V/155V의 고전압을 견뎌야 하고, 전력 스위칭 소자(Q10)가 온 시에는 전력 인덕티브 소자(L10)에 많은 자기 에너지를 저장하기 위하여 수 내지 수십 암페어(A)의 대전류를 도통시켜야 한다.
이와 같이 고전압 대전류 전력 스위칭 소자(Q10)는 대표적으로 절연 게이트 양극성 트랜지스터(Insulated Gate Bipolar Transistor: IGBT), 전계 효과 트랜지스터(Field Effect Transistor: FET) 등이 있다.
절연 게이트 양극성 트랜지스터 또는 전계 효과 트랜지스터를 이용하는 경우, 전력 스위칭 소자(Q10)의 게이트에는 게이트 캐패시터가 존재하며, 게이트 캐패시터가 충전되면 전력 스위칭 소자(Q10)가 온되고, 게이트 캐패시터가 방전되면 전력 스위칭 소자(Q10)가 오프된다.
310V/155V의 고전압을 단락 또는 개방시키기 위해서 전력 스위칭 소자(Q10)의 게이트(절연 게이트 양극성 트랜지스터 또는 전력 전계 효과 트랜지스터의 경우 게이트 단자)에 10V 내지 20V의 전압이 입력되는 것이 일반적이다. 즉, 전력 스위칭 소자(Q10)의 온 상태와 오프 상태를 명확히 구분하기 위하여 전력 스위칭 소자(Q10)의 온 상태일 때 입력되는 전압과 전력 스위칭 소자(Q10)가 오프 상태일 때 입력되는 전압 사이에는 10V 내지 20V의 차이가 요구되는 것이다.
이에 반하여, 통상적인 논리 회로 예를 들어 TTL(Transistor-Transistor Logic) 회로 또는 CMOS(Complementary Metal Oxide Semiconductor) 회로는 5V 내지 3.3V 또는 그 이하의 전압을 이용한다. 도 3에 도시된 제어 회로(11)가 이와 같은 논리 회로에 속하며, 5V 또는 3.3V 전압의 전원을 이용한다.
이와 같이, DC-DC 컨버터(10)에 이용되는 전력 스위칭 소자(Q10)를 온 또는 오프시키기 위해서는 10V 내지 20V의 전압이 요구되는 반면, 전력 스위칭 소자(Q10)를 온 또는 오프시기는 제어 신호를 생성하는 제어 회로(11)는 3.3V 내지 5V의 신호를 출력하므로, 제어 회로(11)와 전력 스위칭 소자(Q10) 사이를 매개해 주기 위한 게이트 드라이브 회로(12, 100)가 마련된다.
다시 말해, 게이트 드라이브 회로(12, 100)는 제어 회로(11)가 출력하는 제어 신호를 입력받고, 전력 스위칭 소자(Q10)를 온 또는 오프시킨다. 예를 들어, 제어 회로(11)로부터 5V 전압의 제어 신호를 입력받고, 전력 스위칭 소자(Q10)에 15V의 구동 신호를 출력할 수 있다.
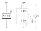
도 4는 종래 기술에 의한 게이트 드라이브 회로를 도시한다.
도 4를 참조하면, 종래 기술에 의한 게이트 드라이브 회로(이하에서는 '종래 게이트 드라이브'라 한다.)(12)는 제어 회로(11)와 별도의 전원(Vdd2)을 이용한다. 예를 들어, 제어 회로(11)가 5V의 전원(Vdd1)을 이용하면 종래 게이트 드라이브 회로(12)는 15V의 전원(Vdd2)을 이용한다.
또한, 종래 게이트 드라이브 회로(12)는 15V 전원(Vdd2)에 연결되는 제1 스위치(Q12a)과 접지에 연결되는 제2 스위치(Q12b)를 포함하고, 제1 스위치(Q12a)와 제2 스위치(Q12b)의 사이의 연결 노드가 전력 스위칭 소자(Q10)와 연결된다.
종래 게이트 드라이브 회로(12)의 동작을 살펴보면, 전력 스위칭 소자(Q10)의 턴온 시에는 제1 스위치(Q12a)가 온되어 15V 전원(Vdd2)으로부터 전력 스위칭 소자(Q10)의 게이트 캐패시터(Cg)를 충전하고, 전력 스위칭 소자(Q10)의 턴오프 시에는 제2 스위칭(Q12b)가 온되어 게이트 캐패시터(Cg)를 방전시킨다.
종래 게이트 드라이브 회로(12)에 의하면 전력 스위칭 소자(Q10)의 턴온 시에 게이트 캐패시터(Cg)에 충전된 전기 에너지가 전력 스위칭 소자(Q10)의 턴오프 시에 접지로 버려진다.
다시 말해, 전력 스위칭 소자(Q10)의 스위칭 동작에 의한 에너지 손실이 발생하며, 이와 같은 에너지 손실을 스위칭 손실(switching loss)이라 한다. 이와 같은 스위칭 손실은 전력 스위칭 소자(Q10)를 구동하기 위한 전압, 전력 스위칭 소자(Q10)의 게이트 캐패시터(Cg)의 캐패시턴스, 스위칭 주파수에 의하여 결정된다.
이하에서는 개시된 발명의 일 실시예에 의한 게이트 드라이브 회로에 대하여 설명한다.
도 5는 일 실시예에 의한 게이트 드라이브 회로를 도시한다. 도 6은 일 실시예에 의한 게이트 드라이브 회로에 포함된 트랜스포머의 일 예를 도시한다.
도 5 및 도 6을 참조하면, 일 실시예에 의한 게이트 드라이브 회로(100)는 트랜스포머(120), 스위칭 회로(130) 및 스위칭 신호 생성회로(110)를 포함한다.
특히, 도 5에 도시된 바와 같이 일 실시예에 의한 게이트 드라이브 회로(100)는 제어 회로(11)와 같은 전원(Vdd)을 이용할 수 있다. 예를 들어, 제어 회로(11)가 5V 전원을 이용하는 경우, 게이트 드라이브 회로(100) 역시 5V 전원을 이용할 수 있다.
트랜스포머(120)는 전원(Vdd)과 연결되는 제1 인덕티브 회로(L1)과 전력 스위칭 소자(Q10)의 게이트(절연 게이트 양극성 트랜지스터 또는 전력 전계 효과 트랜지스터의 경우 게이트 단자)과 연결되는 제2 인덕티브 회로(L2)을 포함한다.
또한, 제1 인덕티브 회로(L1)과 제2 인덕티브 회로(L2) 사이에는 제1 인덕티브 회로(L1)과 제2 인덕티브 회로(L2) 사이의 자기 에너지 전달을 위한 마그네틱 코어(121)이 마련되며, 마그네틱 코어(121)로 인하여 제1 인덕티브 회로(L1)과 제2 인덕티브 회로(L2) 사이에는 상호 인덕턴스(mutual inductance)가 발생한다. 즉, 마그네틱 코어(121)에 의하여 제1 인덕티브 회로(L1)과 제2 인덕티브 회로(L2)은 서로 자기 에너지를 주고 받을 수 있다.
예를 들어, 제1 인덕티브 회로(L1)에 제1 전류(i1)가 흐르면 제1 인덕티브 회로(L1)의 전류에 의하여 마그네틱 코어(121)에 자기 에너지가 저장되고, 마그네틱 코어(121)에 저장된 자기 에너지에 의하여 제2 인덕티브 회로(L2)에 제2 전류(i2)가 생성될 수 있다. 또한, 제2 인덕티브 회로(L2)에 제2 전류(i2)가 흐르면 제2 인덕티브 회로(L2)의 전류에 의하여 마그네틱 코어(121)에 자기 에너지가 저장되고, 마그네틱 코어(121)에 저장된 자기 에너지에 의하여 제1 인덕티브 회로(L1)에 제1 전류(i1)가 생성될 수 있다.
제1 인덕티브 회로(L1)의 턴수(권선이 감긴 횟수)와 제2 인덕티브 회로(L2)의 턴수는 입력 전압과 출력 전압의 비에 따라 달라진다. 다시 말해, 제1 인덕티브 회로(L1)의 턴수와 제2 인덕티브 회로(L2)의 턴수의 비는 전원(Vdd)의 전압과 전력 스위칭 소자(Q10)의 게이트 전압(Vg)의 비율에 의하여 결정된다.
또한, 도 6는 공극을 포함하는 3각 마그네틱 코어를 도시하였으나, 이는 마그네틱 코어(121)의 예시에 불과하며, 다른 형태의 마그네틱 코어를 이용할 수도 있다.
스위칭 회로(130)는 서로 병렬로 배치되는 제1 스위칭 회로(Q1)와 제2 스위칭 회로(Q2)를 포함한다. 제1 스위칭 회로(Q1)의 일단은 트랜스포머(120)의 제1 인덕티브 회로(L1)와 연결되고, 타단은 접지된다. 또한, 제2 스위칭 회로(Q2)의 일단은 제2 인덕티브 회로(L2)와 연결되고, 타단은 접지된다.
또한, 전원(Vdd)과 접지 사이에 제1 인덕티브 회로(L1)과 제1 스위칭 회로(Q1)가 직렬로 연결되고, 전력 스위칭 소자(Q10)의 게이트와 접지 사이에 제2 인덕티브 회로(L2)과 제2 스위칭 회로(Q2)가 직렬로 연결된다.
도 5는 게이트 드라이브 회로(100)에 대하여 전원(Vdd), 제1 및 제2 인덕티브 회로(L1, L2), 제1 및 제2 스위칭 회로(Q1, Q2), 접지의 순서로 도시하였으나, 이에 한정되는 것은 아니다. 예를 들어, 게이트 드라이브 회로(100)는 전원(Vdd), 제1 및 제2 스위칭 회로(Q1, Q2), 제1 및 제2 인덕티브 회로(L1, L2), 접지의 순서로 배치될 수 있다.
스위칭 신호 생성회로(110)는 제어 회로(11)로부터 제어 신호(Vpwm)를 입력받고, 스위칭 회로(130)에 포함된 제1 스위칭 회로(Q1)와 제2 스위칭 회로(Q2)를 온/오프시키는 제1 스위칭 신호(Vq1)와 제2 스위칭 신호(Vq2)를 출력한다.
여기서, 제어 신호(Vpwm)은 DC-DC 컨버터(10, 도 3 참조)의 출력 전압을 제어하기 위하여 전력 스위칭 소자(Q10)를 온/오프시키는 신호이고, 제1 및 제2 스위칭 신호(Vq1, Vq2)는 전력 스위칭 소자(Q10)의 게이트 캐패시터(Cg)를 충전 또는 방전시키기 위하여 제1 및 제2 스위칭 회로(Q1, Q2)를 온/오프시키는 신호이다.
이하에서는 제어 신호(Vpwm), 제1 스위칭 신호(Vq1) 및 제2 스위칭 신호(Vq2)에 대해서는 아래에서 자세하게 설명한다.
도 7은 일 실시예에 의한 게이트 드라이브 회로의 제어 신호, 제1 스위칭 신호 및 제2 스위칭 신호를 도시한다.
도 7을 참조하면, 제어 회로(11)에서 출력되는 제어 신호(Vpwm)가 "오프(Low)" 신호에서 "온(High)" 신호로 전이되거나, "하이" 신호에서 "로우" 신호로 전이되면 스위칭 신호 생성회로(110)는 제1 스위칭 회로(Q1)를 온/오프시키는 제1 스위칭 신호(Vq1)와 제2 스위칭 회로(Q2)를 온/오프시키는 제2 스위칭 신호(Vq2)를 출력한다.
제어 신호(Vpwm)가 "로우"에서 "하이"로 전이되면 제1 스위치 신호(Vq1)와 제2 스위칭 신호(Vq2)는 충전 시간(Tcharge) 동안 "로우" 신호와 "하이" 신호를 반복한다.
특히, 제1 스위칭 신호(Vq1)가 먼저 "하이"가 된 후 제1 스위칭 신호(Vq1)가 "로우"가 되면 제2 스위칭 신호(Vq2)가 "하이"가 되며, 제1 스위칭 신호(Vq1)와 제2 스위칭 신호(Vq2)는 동시에 온되지 않는다. 즉, 제1 스위칭 회로(Q1)가 턴온된 후 턴오프되면, 제2 스위칭 회로(Q2)가 턴온된다.
또한, 충전 시간(Tcharge) 동안 스위칭 시간에 대한 제1 스위칭 신호(Vq1)의 "하이" 신호의 시간 비율 즉 제1 스위칭 신호(Vq1)의 듀티비는 증가한다. 제1 스위칭 신호(Vq2)의 듀티비를 증가시키기 위하여 스위칭 신호 발생기(110)는 제1 스위칭 신호(Vq1)가 "하이"인 시간(제1 스위칭 회로의 온 타임)을 일정하게 유지한 채, 제1 스위칭 신호(Vq1)가 "로우"인 시간(제1 스위칭 회로의 오프 타임)을 감소시킬 수 있다.
그러나 이에 한정되는 것은 아니며 스위칭 신호 발생기(110)는 제1 스위칭 신호(Vq1)가 "하이"인 시간(제1 스위칭 회로의 온 타임)을 증가시키면서 제1 스위칭 신호(Vq1)가 "로우"인 시간(제1 스위칭 회로의 오프 타임)을 감소시킬 수 있다.
일 실시예에 의한 게이트 드라이브 회로(100)의 입력 전압(전원의 전압)에 대한 출력 전압(전력 스위칭 소자의 게이트 전압) 사이의 비율은 전체적으로 제1 인덕티브 회로(L1)와 제2 인덕티브 회로(L2)의 턴수비와 제1 스위칭 신호(Vq1)의 듀티비에 따라 결정된다.
다시 말해, 제1 인덕티브 회로(L1)와 제2 인덕티브 회로(L2)의 턴수비가 일정한 경우, 제1 스위칭 신호(Vq1)의 듀티비를 증가시키면 게이트 드라이브 회로(100)의 출력 전압을 증가시킬 수 있다. 특히, 제1 스위칭 신호(Vq1)의 듀티비를 증가시키면 전원(Vdd)의 전압보다 높은 전압을 전력 스위칭 소자(Q10)의 게이트에 출력할 수 있다.
충전 시간(Tcharge) 동안 제2 스위칭 신호(Vq2)는 제1 스위칭 신호(Vq1)와 반대가 된다. 다시 말해, 제1 스위칭 신호(Vq1)가 "하이"이면, 제2 스위칭 신호(Vq2)는 "로우"가 되고, 제1 스위칭 신호(Vq1)가 "로우"이면, 제2 스위칭 신호(Vq2)는 "하이"가 된다.
그 결과 제1 스위칭 회로(Q1)과 제2 스위칭 회로(Q2)는 교대로 온/오프된다. 다만, 제1 스위칭 신호(Vq1)과 제2 스위칭 신호(Vq2)가 항상 반대되는 것은 아니며, 제1 스위칭 신호(Vq1)와 제2 스위칭 신호(Vq2)가 모두 "로우"인 데드 타임(dead time)이 존재할 수도 있다.
또한, 충전 시간(Tcharge) 동안 스위칭 시간에 대한 제2 스위칭 신호(Vq2)의 "하이" 신호의 시간 비율 즉 제2 스위칭 신호(Vq2)의 듀티비는 감소한다. 제2 스위칭 신호(Vq2)의 듀티비를 감소시키기 위하여 스위칭 신호 발생기(110)는 제2 스위칭 신호(Vq2)가 "로우"인 시간(제2 스위칭 회로의 오프 타임)을 일정하게 유지한 채, 제2 스위칭 신호(Vq2)가 "하이"인 시간(제2 스위칭 회로의 온 타임)을 감소시킬 수 있다.
그러나 이에 한정되는 것은 아니며 스위칭 신호 발생기(110)는 제2 스위칭 신호(Vq2)가 "로우"인 시간(제2 스위칭 회로의 오프 타임)을 증가시키면서 제2 스위칭 신호(Vq2)가 "하이"인 시간(제2 스위칭 회로의 온 타임)을 감소시킬 수도 있다.
제2 스위칭 신호(Vq2)가 "하이"인 동안, 마그네틱 코어(121)에 저장된 자기 에너지에 의하여 제2 인덕티브 회로(L2)에 전류가 생성되며, 제2 인덕티브 회로(L2)에 흐르는 전류가 전력 스위칭 소자(Q10)의 게이트 캐패시터(Cg)에 전기 에너지를 공급하고, 전력 스위칭 소자(Q10)의 게이트 전압(Vg)를 상승시킨다.
충전 시간(Tcharge)이 경과한 후 제어 신호(Vpwm)가 "하이"를 유지하고 있으면 제1 스위칭 신호(Vq1)와 제2 스위칭 신호(Vq2) 모두 "로우"를 유지한다. 즉, 제1 스위칭 회로(Q1)와 제2 스위칭 회로(Q2) 모두 오프 상태를 유지한다.
제어 회로(11)에서 출력되는 제어 신호(Vpwm)가 "하이"에서 "로우"로 전이되면 제1 스위칭 신호(Vq1)와 제2 스위칭 신호(Vq2)는 방전 시간(Tdischarge) 동안 "로우" 신호와 "하이" 신호를 반복한다.
특히, 충전 시와 달리 방전 시에는 제2 스위칭 신호(Vq2)가 먼저 "하이"가 된 후 제2 스위칭 신호(Vq2)가 "로우"가 되면, 제1 스위칭 신호(Vq1)가 "하이"가 된다. 즉, 제2 스위칭 회로(Q2)가 먼저 온된 후, 제1 스위칭 신호(Q1)가 온된다.
또한, 방전 시간(Tdischarge) 동안 스위칭 시간에 대한 제2 스위칭 신호(Vq2)의 "하이" 신호의 시간 비율 즉 제2 스위칭 신호(Vq2)의 듀티비는 증가한다.
제2 스위칭 신호(Vq2)의 듀티비를 증가시키기 위하여 스위칭 신호 발생기(110)는 제2 스위칭 신호(Vq2)가 "로우"인 시간(제2 스위칭 회로의 오프 타임)을 일정하게 유지한 채, 제2 스위칭 신호(Vq2)가 "하이"인 시간(제2 스위칭 회로의 온 타임)을 증가시킬 수 있다.
그러나 이에 한정되는 것은 아니며 스위칭 신호 발생기(110)는 제2 스위칭 신호(Vq2)가 "하이"인 시간(제2 스위칭 회로의 온 타임)을 증가시키면서 제2 스위칭 신호(Vq2)가 "로우"인 시간(제2 스위칭 회로의 오프 타임)을 감소시킬 수도 있다.
제1 스위칭 신호(Vq1)는 방전 시간(Tdischarge) 동안 제2 스위칭 신호(Vq2)와 반대가 된다. 그 결과, 방전 시간(Tdischarge) 동안 제1 스위칭 회로(Q1)과 제2 스위칭 회로(Q2)는 교대로 온/오프된다. 다만, 제1 스위칭 신호(Vq1)과 제2 스위칭 신호(Vq2)가 항상 반대되는 것은 아니며, 제1 스위칭 신호(Vq1)와 제2 스위칭 신호(Vq2)가 모두 "로우"인 데드 타임(dead time)이 존재할 수도 있다.
또한, 스위칭 시간에 대한 제1 스위칭 신호(Vq1)의 "하이" 신호의 시간 비율 즉 제1 스위칭 신호(Vq1)의 듀티비는 감소한다.
제1 스위칭 신호(Vq1)의 듀티비를 감소시키기 위하여 스위칭 신호 발생기(110)는 제1 스위칭 신호(Vq1)가 "하이"인 시간(제1 스위칭 회로의 온 타임)을 일정하게 유지한 채, 제1 스위칭 신호(Vq1)가 "로우"인 시간(제1 스위칭 회로의 오프 타임)을 증가시킬 수 있다.
그러나 이에 한정되는 것은 아니며 제1 스위칭 신호(Vq1)가 "하이"인 시간(제1 스위칭 회로의 온 타임)을 감소시키면서 제1 스위칭 신호(Vq1)가 "로우"인 시간(제1 스위칭 회로의 오프 타임)을 증가시킬 수도 있다.
방전 시간(Tdischarge)이 경과한 후 제어 신호(Vpwm)가 "로우"를 유지하고 있으며 제1 스위칭 신호(Vq1)는 "로우"를 유지하고, 제2 스위칭 신호(Vq2)는 "하이"를 유지한다. 즉, 제2 스위칭 회로(Q2)를 온시켜 전력 스위칭 소자(Q10)의 게이트를 접지시킨다.
이하에서는 게이트 드라이브 회로(100)가 전력 스위칭 소자(Q10)를 턴온 또는 턴오프시키는 과정에 대하여 자세하게 설명한다.
도 8 내지 도 10은 일 실시예에 의한 게이트 드라이브 회로가 전력 스위칭 소자를 턴온시키는 일 예를 도시하고, 도 11은 일 실시예에 의한 게이트 드라이브 회로가 전원으로부터 전력 스위칭 소자로 전기 에너지를 전달하는 과정을 도시한다.
도 8의 (b)에 도시된 바와 같이 제1 스위칭 신호(Vq1)가 "하이"가 되고, 제2 스위칭 신호(Vq2)가 "로우"가 되면, 도 8의 (a)에 도시된 바와 같이 제1 스위칭 회로(Q1)는 온되고, 제2 스위칭 회로(Q2)는 오프된다.
제1 스위칭 회로(Q1)가 온되면, 도 8의 (a)에 도시된 바와 같이 전원(Vdd)으로부터 제1 인덕티브 회로(L1)을 통과하여 접지를 향하는 제1 전류(i1)가 생성된다. 이때, 제1 전류(i1)은 제1 인덕티브 회로(L1)의 인덕턴스(inductance)로 인하여 급격하게 증가하지 못하고 도 8의 (b)에 도시된 바와 같이 서서히 증가한다.
이와 같이 서서히 증가하는 제1 전류(i1)에 의하여 제1 인덕티브 회로(L1)에는 자기 에너지가 저장되고, 제1 인덕티브 회로(L1)에 저장된 자기 에너지는 제1 인덕티브 회로(L1)와 제2 인덕티브 회로(L2) 사이의 상호 인덕턴스로 인하여 제2 인덕티브 회로(L2)에도 제공된다.
제1 스위칭 회로(Q1)가 온되는 제1 온 타임(T1)이 경과하면, 도 9의 (b)에 도시된 바와 같이 제1 스위칭 신호(Vq1)은 "로우"가 되고, 제2 스위칭 신호(Vq2)는 "하이"가 된다. 그 결과, 도 9의 (a)에 도시된 바와 같이 제1 스위칭 회로(Q1)은 오프되고, 제2 스위칭 회로(Q2)는 온된다.
제2 스위칭 회로(Q2)가 온되면 제2 인덕티브 회로(L2)에 저장된 자기 에너지에 의하여 제2 인덕티브 회로(L2)에는 제2 전류(i2)가 발생한다. 이때, 제2 전류(i2)는 제1 인덕티브 회로(L1)와 제2 인덕티브 회로(L2)의 와인딩 방향에 의하여 제1 전류(i1)와 반대 방향이 된다. 즉, 제2 전류(i2)는 접지로부터 전력 스위칭 소자(Q10)를 향하여 흐른다.
제2 전류(i2)가 전력 스위칭 소자(Q10)의 게이트에 공급되는 동안 전력 스위칭 소자(Q10)의 게이트 캐패시터(Cg)는 충전된다. 또한, 게이트 캐패시터(Cg)가 충전됨에 따라 전력 스위칭 소자(Q10)의 게이트 전압(Vg)은 상승한다.
전력 스위칭 소자(Q10)의 게이트 전압(Vg)이 상승하면, 제2 인덕티브 회로(L2)의 양단에는 제2 전류(i2)와 반대 방향의 전압이 인가된다. 즉, 제2 전류(i2)는 접지로부터 전력 스위칭 소자(Q10)의 게이트를 향하여 흐르는 반면, 제2 인덕티브 회로(L2)의 전력 스위칭 소자(Q10)측 전위가 접지측 전위보다 높게 된다.
그 결과, 도 9의 (b)에 도시된 바와 같이 제2 전류(i2)는 감소하게 되며, 제2 전류(i2)가 "0"이 되기 전에 제2 스위칭 회로(Q2)를 오프시킨다. 즉, 제2 스위칭 회로(Q2)가 온되는 제2 온 타임(T2)은 제2 전류(i2)가 "0"이 될 때까지이다.
이후, 제1 스위칭 회로(Q1)와 제2 스위칭 회로(Q2)의 턴온과 턴오프를 반복하고, 제1 스위칭 회로(Q1)와 제2 스위칭 회로(Q2)의 턴온과 턴오프를 반복함에 따라 도 10에 도시된 바와 같이 전력 스위칭 소자(Q10)의 게이트 전압(Vg)는 점점 상승한다.
또한, 도 10에 의하면 제2 온 타임(T2) 즉 제2 스위칭 회로(Q2)가 온되는 시간은 전력 스위칭 소자(Q10)의 게이트 전압(Vg)이 상승함에 따라 감소한다.
상술한 바와 같이 전력 스위칭 소자(Q10)의 게이트 전압(Vg)에 의하여 제2 인덕티브 회로(L2)에 제2 전류(i2)를 방해하는 방향의 전압이 인가되며, 그로 인하여 제2 전류(i2)는 감소한다. 또한, 전력 스위칭 소자(Q10)의 게이트 전압(Vg)이 상승하면 제2 전류(i2)의 방향과 반대 방향의 전압이 상승하게 되어 제2 전류(i2)는 더욱 빠르게 감소하므로, 스위칭 신호 생성회로(110)는 제2 스위치 회로(Q2)의 온 시간 즉 제2 온 타임(T2)을 감소시킨다.
그에 따라, 제2 스위칭 신호(Vq2)의 듀티비는 감소하게 되고, 제1 스위칭 신호(Vq1)의 듀티비는 증가한다.
요약하면, 도 11에 도시된 바와 같이 전원(Vdd)의 전기 에너지는 스위칭 회로(130)의 스위칭 동작에 의하여 트랜스포머(120)를 거쳐 전력 스위칭 소자(Q10)의 게이트로 공급되어, 전력 스위칭 소자(Q10)를 턴온시킨다.
다시 말해, 일 실시예에 의한 게이트 드라이브 회로(100)는 전원(Vdd)으로부터 제1 인덕티브 회로(L1)에 제1 전류(i1)를 공급하여 제1 인덕티브 회로(L1)와 제2 인덕티브 회로(L2)에 자기 에너지를 저장하고, 제2 인덕티브 회로(L2)에 저장된 자기 에너지를 이용하여 전력 스위칭 소자(Q10)의 게이트에 제2 전류(i2)를 공급하고, 제2 전류(i2)를 통하여 전력 스위칭 소자(Q10)의 게이트 전압(Vg)을 상승시킨다.
이와 같은 일련의 과정을 통하여 일 실시예에 의한 게이트 드라이브 회로(100)는 도 11에 도시된 바와 같이 전력 스위칭 소자(Q10)를 턴온시킬 수 있다.
뿐만 아니라, 트랜스포머(120)에 포함된 제1 인덕티브 회로(L1)의 턴수와 제2 인덕티브 회로(L2)의 턴수 사이의 비율과 제1 스위칭 신호(Vq1)의 듀티비에 의하여 전원(Vdd)에서 공급되는 전압보다 높은 전압을 전력 스위칭 소자(Q10)의 게이트에 제공할 수 있다.
또한, 일 실시예에 의한 게이트 드라이브 회로(100)은 전력 스위칭 소자(Q10)의 턴온 시간 즉, 충전 시간을 조절할 수 있다.
예를 들어, 제1 스위칭 회로(Q1)과 제2 스위칭 회로(Q2)의 온/오프시간을 조절함으로써 충전 시간을 조절할 수 있다.
구체적으로, 전원(Vdd)으로부터 제1 인덕티브 회로(L1)에 공급되는 에너지는 제1 스위칭 회로(Q1)의 온시간에 의존한다. 즉, 제1 스위칭 회로(Q1)의 온 시간이 길수록 제1 인덕티브 회로(Q1)에 공급되는 전류의 크기가 증가하고, 마그네틱 코어(121)에 저장되는 자기 에너지의 양도 증가한다. 그로 인하여 제2 스위칭 회로(Q2)의 턴온시에 전력 스위칭 소자(Q10)의 게이트 커패시터(Cg)에 공급되는 전류의 크기 역시 증가한다.
또한, 제2 인덕티브 회로(L2)으로부터 전력 스위칭 소자(Q10)의 게이트 커패시터(Cg)에 공급되는 에너지는 제2 스위칭 회로(Q2)의 온시간에 의존한다. 즉, 제2 스위칭 회로(Q2)의 온 시간이 길수록 제2 인덕티브 회로(Q2)로부터 전력 스위칭 소자(Q10)의 게이트 커패시터(Cg)에 공급되는 전류의 총 양이 증가한다. 다만, 제2 스위칭 회로(Q2)의 온 시간은 제2 인덕티브 회로(Q2)의 전류의 방향이 변경되기 전까지로 제한된다.
이와 같이 제1 스위칭 소자(Q1)의 온 시간과 제2 스위칭 소자(Q2)의 온 시간에 따라 전원(Vdd)으로부터 전력 스위칭 소자(Q10)의 게이트 커패시터(Cg)에 공급되는 에너지가 변화하며, 제1 스위칭 소자(Q1)의 온 시간과 제2 스위칭 소자(Q2)의 온 시간을 조절함으로써 충전 시간을 조절할 수 있다.
다른 예로, 충전 시간을 조절하기 위하여 제1 스위칭 회로(Q1) 및 제2 스위칭 회로(Q2)의 컨덕턴스(Conductance)를 조절할 수 있다.
도 10을 참조하면, 충전 시간은 제1 스위칭 회로(Q1)가 온된 동안 전원(Vdd)으로부터 제1 인덕티브 회로(L1)에 공급되는 전류와 제2 스위칭 회로(Q2)가 온된 동안 제2 인덕티브 회로(L2)에서 게이트 캐패시터(Cg)에 공급되는 전류에 의존한다.
이때, 제1 스위칭 회로(Q1)와 제2 스위칭 회로(Q2)의 컨덕턴스를 증가시키면 제1 온 타임(T1) 동안 제1 인덕티브 회로(L1)에 공급되는 전류가 증가하고, 제2 온 타임(T2) 동안 제2 인덕티브 회로(L2)에서 게이트 캐패시터(Cg)에 공급되는 전류가 증가한다. 다시 말해, 제1 스위칭 회로(Q1)와 제2 스위칭 회로(Q2)의 컨덕턴스를 증가시키면 게이트 캐패시터(Cg) 전압의 상승 속도가 빨라진다. 즉 충전시간을 단축된다.
반대로 제1 스위칭 회로(Q1)와 제2 스위칭 회로(Q2)의 컨덕턴스를 감소시키면 충전시간이 증가한다.
또한, 제1 스위칭 회로(Q1)를 온시키는 제1 온 타임(T1)과 제2 스위칭 회로(Q2)를 온시키는 제2 온타임(T2) 이후, 스위칭 신호 생성회로(110)는 일정 시간 동안 제1 스위칭 신호(Vq1)과 제2 스위칭 신호(Vq2)를 모두 "로우"로 하여, 제1 스위칭 회로(Q1)과 제2 스위칭 회로(Q2)가 모두 오프되는 데드 타임(dead time)를 둘 수 있다.
이와 같은 데드 타임 동안 게이트 드라이브 회로(100)는 전원(Vdd)으로부터 게이트 캐패시터(Cg)로 에너지를 전달하지 않으므로 데드 타임이 증가하면 충전 시간이 증가한다.
도 12 내지 도 14는 일 실시예에 의한 게이트 드라이브 회로가 전력 스위칭 소자를 턴오프시키는 일 예를 도시하고, 도 15는 일 실시예에 의한 게이트 드라이브 회로가 전력 스위칭 소자로부터 전원으로 전기 에너지를 회수하는 과정을 도시한다.
도 12의 (b)에 도시된 바와 같이 제2 스위칭 신호(Vq2)가 "하이"가 되고, 제1 스위칭 신호(Vq1)가 "로우"가 되면, 도 12의 (a)에 도시된 바와 같이 제2 스위칭 회로(Q2)는 턴온되고, 제1 스위칭 회로(Q1)는 턴오프된다.
제2 스위칭 회로(Q2)가 턴온되면, 도 12의 (a)에 도시된 바와 같이 전력 스위칭 소자(Q10)로부터 제2 인덕티브 회로(L2)를 통과하여 접지를 향하는 제4 전류(i4)가 생성된다. 전력 스위칭 소자(Q10)를 턴오프시키는 동안의 제4 전류(i4)는 전력 스위칭 소자(Q10)를 턴온시키는 동안의 제2 전류(i2)와 반대 방향이다.
또한, 제4 전류(i4)는 제2 인덕티브 회로(L2)의 인덕턴스로 인하여 급격하게 증가하지 못하고 도 12의 (b)에 도시된 바와 같이 서서히 증가한다.
이와 같이 서서히 증가하는 제4 전류(i2)에 의하여 제2 인덕티브 회로(L2)에는 자기 에너지가 저장되고, 제2 인덕티브 회로(L2)에 저장된 자기 에너지는 제2 인덕티브 회로(L2)와 제1 인덕티브 회로(L1) 사이의 상호 인덕턴스로 인하여 제1 인덕티브 회로(L2)에도 제공된다.
또한, 전력 스위칭 소자(Q10)의 게이트로부터 제4 전류(i4)가 공급되므로 전력 스위칭 소자(Q10)의 게이트 캐패시터(Cg)는 방전된다. 게이트 캐패시터(Cg)가 방전됨에 따라 전력 스위칭 소자(Q10)의 게이트 전압(Vg)은 하강한다.
제2 스위칭 회로(Q2)가 온되는 제2 온 타임(T2)이 경과하면, 도 13의 (b)에 도시된 바와 같이 제2 스위칭 신호(Vq2)는 "로우"가 되고, 제1 스위칭 신호(Vq1)는 "하이"가 된다. 그 결과, 도 13의 (a)에 도시된 바와 같이 제2 스위칭 회로(Q2)는 턴오프되고, 제1 스위칭 회로(Q1)는 턴온된다.
제1 스위칭 회로(Q1)가 턴온되면 제1 인덕티브 회로(L1)에 저장된 자기 에너지에 의하여 제1 인덕티브 회로(L1)에는 제3 전류(i3)가 발생한다. 제3 전류(i3)는 제1 인덕티브 회로(L1)와 제2 인덕티브 회로(L2)의 와인딩 방향에 의하여 제4 전류(i4)와 반대 방향이 되며, 전력 스위칭 소자(Q10)을 턴오프시키는 동안의 제3 전류(i3)은 전력 스위칭 소자(Q10)를 턴온시키는 동안의 제1 전류(i1)과 반대 방향이다. 즉, 제3 전류는 접지로부터 전원(Vdd)을 향하여 흐른다.
또한, 전원(Vdd)에 의하여 제1 인덕티브 회로(L1)의 양단에는 제3 전류(i3)를 방해하는 방향의 전압이 인가되고, 그 결과 도 13의 (b)에 도시된 바와 같이 제3 전류(i3)는 감소하게 된다. 여기서, 제3 전류(i3)가 "0"이 되기 전에 제1 스위칭 회로(Q1)을 턴오프시킨다. 즉, 제1 스위칭 회로(Q1)가 온되는 제1 온 타임(T1)은 제3 전류(i3)가 "0" 이 될 때까지이다.
이후, 제1 스위칭 회로(Q1)와 제2 스위칭 회로(Q2)는 턴온과 턴오프를 반복하고, 제1 스위칭 회로(Q1)와 제2 스위칭 회로(Q2)의 턴온과 턴오프를 반복함에 따라 도 14에 도시된 바와 같이 전력 스위칭 소자(Q10)의 게이트 전압(Vg)는 점점 하강한다.
또한, 도 14에 의하면 제2 온 타임(T2) 즉 제2 스위칭 회로(Q2)가 온되는 시간은 전력 스위칭 소자(Q10)의 게이트 전압(Vg)이 하강함에 따라 증가한다.
상술한 바와 같이 제1 인덕티브 회로(L1) 및 제2 인덕티브 회로(L2)에 자기 에너지를 공급하는 것은 제4 전류(i4)이며, 제4 전류(i4)는 전력 스위칭 소자(Q10)의 게이트 전압(Vg)에 의하여 발생한다. 이때, 전력 스위칭 소자(Q10)의 게이트 전압(Vg)이 하강하면 제2 인덕티브 회로(L2)에 흐르는 제4 전류(i4)의 증가 속도가 감소한다.
그 결과, 전력 스위칭 소자(Q10)의 게이트로부터 마그네틱 코어(121, 도 6 참조)로의 에너지 전달 속도가 감소하므로 제2 온 시간(T2)을 증가시킴으로써 마그네틱 코어(121, 도 6 참조)에 일정한 에너지가 전달되도록 한다.
이와 같은 이유로, 제2 스위칭 신호(Vq2)의 듀티비는 증가하고, 제1 스위칭 신호(Vq1)의 듀티비는 감소한다.
요약하면, 도 14에 도시된 바와 같이 전력 스위칭 소자(Q10)에 저장된 전기 에너지는 스위칭 회로(130)의 스위칭 동작에 의하여 트랜스포머(120)를 거쳐 전원(Vdd)으로 회수된다.
구체적으로, 전력 스위칭 소자(Q10)의 게이트 캐패시터(Cg)로부터 제2 인덕티브 회로(L2)에 제4 전류(i4)를 공급하여, 제2 인덕티브 회로(L2)와 제1 인덕티브 회로(L1)에 자기 에너지를 저장하고, 제1 인덕티브 회로(L1)에 저장된 자기 에너지를 이용하여 전원(Vdd)에 제3 전류(i3)를 공급하여 전력 스위칭 소자(Q10)의 게이트에 저장된 전기 에너지를 전원(Vdd)으로 다시 회수한다.
이와 같은 일련의 과정을 통하여 일 실시예에 의한 게이트 드라이브 회로(100)는 도 15에 도시된 바와 같이 전력 스위칭 소자(Q10)를 턴오프시킴과 동시에 전력 스위칭 소자(Q10)의 게이트 캐패시터(Cg)에 저장된 전기 에너지를 다시 전원(Vdd)으로 다시 회수한다.
또한, 일 실시예에 의한 게이트 드라이브 회로(100)은 전력 스위칭 소자(Q10)의 턴오프 시간 즉, 방전 시간을 조절할 수 있다.
예를 들어, 제1 스위칭 회로(Q1)과 제2 스위칭 회로(Q2)의 온/오프시간을 조절함으로써 방전 시간을 조절할 수 있다.
구제적으로, 전력 스위칭 소자(Q10)의 게이트 커패시터(Cg)으로부터 제2 인덕티브 회로(L2)에 공급되는 에너지는 제2 스위칭 회로(Q2)의 온 시간에 의존하고, 제1 인덕티브 회로(L1)으로부터 전원(Vdd)으로 공급되는 에너지는 제1 스위칭 회로(Q1)의 온 시간에 의존한다.
이와 같이 제1 스위칭 소자(Q1)의 온 시간과 제2 스위칭 소자(Q2)의 온 시간에 따라 전력 스위칭 소자(Q10)의 게이트 커패시터(Cg)으로부터 전원(Vdd)에 공급되는 에너지가 변화하며, 제1 스위칭 소자(Q1)의 온 시간과 제2 스위칭 소자(Q2)의 온 시간을 조절함으로써 방전 시간을 조절할 수 있다.
다른 예로, 충전 시간을 조절하기 위하여 제1 스위칭 회로(Q1) 및 제2 스위칭 회로(Q2)의 컨덕턴스(Conductance)를 조절할 수 있다.
도 14을 참조하면, 방전 시간은 제2 스위칭 회로(Q2)가 온된 동안 게이트 캐패시터(Cg)으로부터 제2 인덕티브 회로(L2)에 공급되는 전류와 제1 스위칭 회로(Q1)가 온된 동안 제1 인덕티브 회로(L1)에서 전원(Vdd)에 공급되는 전류에 의존한다.
이때, 제1 스위칭 회로(Q1)와 제2 스위칭 회로(Q2)의 컨덕턴스를 증가시키면 제2 온 타임(T2) 동안 게이트 캐패시터(Cg)로부터 제2 인덕티브 회로(L2)에 공급되는 전류가 증가하고, 제1 온 타임(T1) 동안 제1 인덕티브 회로(L1)에서 전원(Vdd)에 공급되는 전류가 증가한다. 다시 말해, 제1 스위칭 회로(Q1)와 제2 스위칭 회로(Q2)의 컨덕턴스를 증가시키면 게이트 캐패시터(Cg) 전압의 하강 속도가 빨라진다. 즉 방전시간이 단축된다.
반대로 제1 스위칭 회로(Q1)와 제2 스위칭 회로(Q2)의 컨덕턴스를 감소시키면 방전시간이 증가한다.
또한, 제2 스위칭 회로(Q2)과 제1 스위칭 회로(Q1)를 교대로 턴온한 이후, 스위칭 신호 생성회로(110)는 일정 시간 동안 제1 스위칭 신호(Vq1)과 제2 스위칭 신호(Vq2)를 모두 "로우"로 하여 제1 스위칭 회로(Q1)과 제2 스위칭 회로(Q2)가 모두 오프되는 데드 타임(dead time)를 둘 수 있다.
이와 같은 데드 타임 동안 게이트 드라이브 회로(100)는 게이트 캐패시터(Cg)로부터 전원(Vdd)으로 에너지를 전달하지 않으므로 데드 타임이 증가하면 방전 시간이 증가한다.
이상에서는 개시된 발명의 일 실시예에 대하여 도시하고 설명하였지만, 개시된 발명은 상술한 특정의 실시예에 한정되지 아니하며 청구범위에서 청구하는 요지를 벗어남 없이 개시된 발명이 속하는 기술 분야에서 통상의 지식을 가진 자에 의하여 다양한 변형실시가 가능함을 물론이고 이러한 변형실시들은 개시된 발명으로부터 개별적으로 이해될 수 없다.
1: 전원 공급 장치 2: 부하 장치
3: AC-DC 컨버터 10: DC-DC 컨버터
C10: 전력 캐패시티브 소자 D10: 전력 정류성 소자
L10: 전력 인덕티브 소자 Q10: 전력 스위칭 소자
Cg: 게이트 캐패시터 Vg: 게이트 전압
11: 제어 회로 12: 종래 게이트 드라이브 회로
100: 게이트 드라이브 회로 110: 스위칭 신호 생성회로
120: 트랜스포머 121: 마그네틱 코어
L1: 제1 인덕티브 회로 L2: 제2 인덕티브 회로
130: 스위칭 회로 Q1: 제1 스위칭 회로
Q2: 제2 스위칭 회로 Vpwm: 제어 신호
Vq1: 제1 스위칭 신호 Vq2: 제2 스위칭 신호
i1: 제1 전류 i2: 제2 전류
i3: 제3 전류 i4: 제4 전류

Claims (23)

  1. 전력 스위칭 소자;
    상기 전력 스위칭 회로를 개폐하는 제어 신호를 출력하는 제어 회로;
    상기 제어 신호에 따라 상기 전력 스위칭 소자를 개폐하는 게이트 드라이브 회로를 포함하되,
    상기 게이트 드라이브 회로는 전원과 연결되는 제1 인덕티브 회로와 상기 고전압 전력 스위칭 소자의 입력단과 연결되는 제2 인덕티브 회로를 포함하고, 상기 제1 인덕티브 회로와 상기 제2 인덕티브 회로를 이용하여 상기 전력 스위칭 소자의 입력단에 저장된 전기 에너지를 상기 전원으로 전달하는 전원 공급 장치.
  2. 제1항에 있어서,
    상기 게이트 드라이브 회로는 상기 제1 인덕티브 회로와 제2 인덕티브 회로를 이용하여 상기 전원으로부터 상기 전력 스위칭 회로의 입력단으로 전기 에너지를 전달하는 전원 공급 장치.
  3. 제2항에 있어서,
    상기 게이트 드라이브 회로는,
    상기 제1 인덕티브 회로에 흐르는 전류를 제어하는 제1 스위칭 회로;
    상기 제2 인덕티브 회로에 흐르는 전류를 제어하는 제2 스위칭 회로를 더 포함하는 전원 공급 장치.
  4. 제3항에 있어서,
    상기 게이트 드라이브 회로는 상기 전력 스위칭 소자의 입력단과 상기 전원 사이의 에너지 전달 시간을 조절하기 위하여 상기 제1 스위칭 회로 및 상기 제2 스위칭 회로의 온 시간을 조절하는 전원 공급 장치.
  5. 제3항에 있어서,
    상기 전력 스위칭 소자의 입력단 전압이 상승하도록 상기 게이트 드라이브 회로는 상기 제1 스위칭 회로를 턴온시킨 후 제2 스위칭 회로를 턴온시키는 전원 공급 장치.
  6. 제5항에 있어서,
    상기 게이트 드라이브 회로는 상기 전력 스위칭 소자의 입력단의 전압 상승에 따라 상기 제1 스위칭 회로의 온 시간의 듀티비를 증가시키는 전원 공급 장치.
  7. 제5항에 있어서,
    상기 게이트 드라이브 회로는 상기 전력 스위칭 소자의 입력단의 전압 상승에 따라 상기 제2 스위칭 회로의 온 시간을 감소시키는 전원 공급 장치.
  8. 제3항에 있어서,
    상기 전력 스위칭 소자의 입력단 전압이 하강하도록 상기 게이트 드라이브 회로는 상기 제2 스위칭 회로를 턴온시킨 후 제1 스위칭 회로를 턴온시키는 전원 공급 장치.
  9. 제8항에 있어서,
    상기 게이트 드라이브 회로는 상기 전력 스위칭 소자의 입력단의 전압의 하강에 따라 상기 제2 스위칭 회로의 온 시간을 증가시키는 전원 공급 장치.
  10. 제8항에 있어서,
    상기 게이트 드라이브 회로는 상기 전력 스위칭 소자의 입력단의 전압의 하강에 따라 상기 제1 스위칭 회로의 온 시간의 듀티비를 감소시키는 전원 공급 장치.
  11. 제3항에 있어서,
    상기 게이트 드라이브 회로는 상기 제어 신호에 따라 상기 제1 스위칭 회로를 개폐하는 제1 스위칭 신호 및 상기 제2 스위칭 회로를 개폐하는 제2 스위칭 신호를 생성하는 스위칭 신호 생성부를 더 포함하는 전원 공급 장치.
  12. 제11항에 있어서,
    상기 전력 스위칭 소자에 대한 온 신호가 입력되면 상기 스위칭 신호 생성부는 상기 제1 스위칭 회로를 턴온시키는 제1 스위칭 신호를 출력한 후 상기 제2 스위치 회로를 턴온시키는 제2 스위칭 신호를 출력하는 전원 공급 장치.
  13. 제12항에 있어서,
    상기 스위칭 신호 생성부는 상기 전력 스위칭 소자의 입력단의 전압 상승에 따라 상기 제2 스위칭 신호의 온 신호의 폭을 감소시키는 전원 공급 장치.
  14. 제11항에 있어서,
    상기 전력 스위칭 소자의 오프 신호가 입력되면 상기 스위칭 신호 생성부는 상기 제2 스위칭 회로를 온시키는 제2 스위칭 신호를 출력한 후 상기 제1 스위치 회로를 온시키는 제1 스위칭 신호를 출력하는 전원 공급 장치.
  15. 제14항에 있어서,
    상기 스위칭 신호 생성부는 상기 전력 스위칭 소자의 입력단의 전압 하강에 따라 상기 제2 스위칭 신호의 온 신호의 폭을 증가시키는 전원 공급 장치.
  16. 전력 스위칭 소자를 개폐하는 게이트 드라이버에 있어서,
    전원과 연결되는 제1 인덕티브 회로;
    상기 전력 스위칭 소자의 입력단과 연결되는 제2 인덕티브 회로;
    상기 제1 및 제2 인덕티브 회로에 흐르는 전류를 제어하는 스위칭 회로;
    상기 전력 스위칭 소자의 입력단에 저장된 전기 에너지가 상기 제1 인덕티브 회로와 상기 제2 인덕티브 회로를 이용하여 상기 전원으로 전달되도록 상기 스위칭 회로를 제어하는 스위칭 신호 생성부를 포함하는 게이트 드라이버.
  17. 제16항에 있어서,
    상기 스위칭 신호 생성부는 상기 제1 인덕티브 회로와 제2 인덕티브 회로를 이용하여 상기 전원의 전기 에너지가 상기 전력 스위칭 회로의 입력단으로 전달되도록 상기 스위칭 회로를 제어하는 게이트 드라이버.
  18. 제17항에 있어서,
    상기 스위칭 회로는,
    상기 제1 인덕티브 회로에 흐르는 전류를 제어하는 제1 스위칭 회로;
    상기 제2 인덕티브 회로에 흐르는 전류를 제어하는 제2 스위칭 회로를 포함하는 게이트 드라이버.
  19. 제18항에 있어서,
    상기 스위칭 신호 생성부는 상기 전력 스위칭 소자의 입력단과 상기 전원 사이의 에너지 전달 시간을 조절하기 위하여 상기 제1 스위칭 회로 및 상기 제2 스위칭 회로의 온 시간을 조절하는 게이트 드라이버.
  20. 제18항에 있어서,
    상기 전력 스위칭 소자에 대한 온 신호가 입력되면 상기 스위칭 신호 생성부는 상기 제1 스위칭 회로를 턴온시키는 제1 스위칭 신호를 출력한 후 상기 제2 스위치 회로를 턴온시키는 제2 스위칭 신호를 출력하는 게이트 드라이버.
  21. 제20항에 있어서,
    상기 스위칭 신호 생성부는 상기 전력 스위칭 소자의 입력단의 전압 상승에 따라 상기 제2 스위칭 신호의 온 신호의 폭을 감소시키는 게이트 드라이버.
  22. 제18항에 있어서,
    상기 전력 스위칭 소자의 오프 신호가 입력되면 상기 스위칭 신호 생성부는 상기 제2 스위칭 회로를 온시키는 제2 스위칭 신호를 출력한 후 상기 제1 스위치 회로를 온시키는 제1 스위칭 신호를 출력하는 게이트 드라이버.
  23. 제22항에 있어서,
    상기 스위칭 신호 생성부는 상기 전력 스위칭 소자의 입력단의 전압 하강에 따라 상기 제2 스위칭 신호의 온 신호의 폭을 증가시키는 게이트 드라이버.
KR1020130166583A 2013-12-30 2013-12-30 전원 공급 장치 및 그에 포함되는 게이트 드라이버 Active KR102155031B1 (ko)

Priority Applications (4)

Application Number Priority Date Filing Date Title
KR1020130166583A KR102155031B1 (ko) 2013-12-30 2013-12-30 전원 공급 장치 및 그에 포함되는 게이트 드라이버
US14/564,679 US9698666B2 (en) 2013-12-30 2014-12-09 Power supply and gate driver therein
EP14198550.7A EP2892135B1 (en) 2013-12-30 2014-12-17 Power Supply and energy efficient Gate Driver
ES14198550T ES2821130T3 (es) 2013-12-30 2014-12-17 Alimentación eléctrica y accionador de puerta de bajo consumo

Applications Claiming Priority (1)

Application Number Priority Date Filing Date Title
KR1020130166583A KR102155031B1 (ko) 2013-12-30 2013-12-30 전원 공급 장치 및 그에 포함되는 게이트 드라이버

Publications (2)

Publication Number Publication Date
KR20150077763A true KR20150077763A (ko) 2015-07-08
KR102155031B1 KR102155031B1 (ko) 2020-09-11

Family

ID=52292626

Family Applications (1)

Application Number Title Priority Date Filing Date
KR1020130166583A Active KR102155031B1 (ko) 2013-12-30 2013-12-30 전원 공급 장치 및 그에 포함되는 게이트 드라이버

Country Status (4)

Country Link
US (1) US9698666B2 (ko)
EP (1) EP2892135B1 (ko)
KR (1) KR102155031B1 (ko)
ES (1) ES2821130T3 (ko)

Cited By (1)

* Cited by examiner, † Cited by third party
Publication number Priority date Publication date Assignee Title
KR20190032998A (ko) * 2017-09-20 2019-03-28 눅테크 컴퍼니 리미티드 고체 펄스 변조기의 보호회로, 발진 보상회로 및 전원 공급회로

Families Citing this family (2)

* Cited by examiner, † Cited by third party
Publication number Priority date Publication date Assignee Title
CN106685223A (zh) * 2017-01-16 2017-05-17 福州大学 一种高效低纹波双向Cuk变换电路
US10250249B1 (en) * 2017-06-30 2019-04-02 Bel Power Solutions Inc. Recuperative gate drive circuit and method

Citations (2)

* Cited by examiner, † Cited by third party
Publication number Priority date Publication date Assignee Title
EP0534013A1 (en) * 1991-09-27 1993-03-31 Alcatel Bell-Sdt S.A. Low-loss resonant circuit for capacitance driver
EP0568279A1 (en) * 1992-04-28 1993-11-03 Raytheon Company High frequency resonant gate drive for a power MOSFET

Family Cites Families (3)

* Cited by examiner, † Cited by third party
Publication number Priority date Publication date Assignee Title
US4511815A (en) * 1983-08-15 1985-04-16 International Rectifier Corporation Transformer-isolated power MOSFET driver circuit
US6107860A (en) * 1991-12-11 2000-08-22 Vlt Corporation High efficiency floating gate driver circuit using leakage-inductance transformer
EP1495531B1 (en) * 2002-04-12 2006-05-17 DET International Holding Limited High efficiency flyback converter

Patent Citations (2)

* Cited by examiner, † Cited by third party
Publication number Priority date Publication date Assignee Title
EP0534013A1 (en) * 1991-09-27 1993-03-31 Alcatel Bell-Sdt S.A. Low-loss resonant circuit for capacitance driver
EP0568279A1 (en) * 1992-04-28 1993-11-03 Raytheon Company High frequency resonant gate drive for a power MOSFET

Non-Patent Citations (1)

* Cited by examiner, † Cited by third party
Title
J. Diaz et al., A new lossless power MOSFET driver based on simple dc/dc converters, Proceedings of PESC '95 - Power Electronics Specialist Conference, vo.1, pp.37-43, IEEE 1995년(1995.6.22.)* *

Cited By (1)

* Cited by examiner, † Cited by third party
Publication number Priority date Publication date Assignee Title
KR20190032998A (ko) * 2017-09-20 2019-03-28 눅테크 컴퍼니 리미티드 고체 펄스 변조기의 보호회로, 발진 보상회로 및 전원 공급회로

Also Published As

Publication number Publication date
US20150188404A1 (en) 2015-07-02
ES2821130T3 (es) 2021-04-23
EP2892135B1 (en) 2020-06-24
KR102155031B1 (ko) 2020-09-11
US9698666B2 (en) 2017-07-04
EP2892135A1 (en) 2015-07-08

Similar Documents

Publication Publication Date Title
US10790742B1 (en) Multi-level power converter with improved transient load response
JP4995985B2 (ja) Dc/dc電力変換装置
US10622890B1 (en) Resonant rectified discontinuous switching regulator
TWI483518B (zh) 用於接收輸入電壓的開關調製器的控制電路及在開關調製器中利用接通時間恆定體系控制主開關和低端開關的方法
US8526206B2 (en) Drive circuit
US9287792B2 (en) Control method to reduce switching loss on MOSFET
US9484758B2 (en) Hybrid bootstrap capacitor refresh technique for charger/converter
CN106655747B (zh) 供电电路、开关电源系统及其供电方法
CN110875686B (zh) 电子转换器和操作电子转换器的方法
TWI487261B (zh) 電子系統、電壓轉換電路及其電壓轉換方法
US20210175801A1 (en) Implicit On-Time Regulated Hybrid Converter
TWI513164B (zh) 返馳式主動箝位電源轉換器
CN115868105A (zh) 软开关脉冲宽度调制dc-dc功率转换器
CN104756386A (zh) 开关模式电源以及包括所述类型的开关模式电源的逆变器和组串监控组件
CN109639149B (zh) 一种acf变换器、电压变换方法及电子设备
CN106059307A (zh) 采用低压电容器功率组的通用输入电压dc-dc变换器
JP2015186363A (ja) Dc−dcコンバータ
JP3655247B2 (ja) 同期整流回路及び電源装置
US8558525B1 (en) Power supply circuit and reuse of gate charge
CN103682990B (zh) 离子发生器
KR102155031B1 (ko) 전원 공급 장치 및 그에 포함되는 게이트 드라이버
KR102005880B1 (ko) Dc-dc 변환 시스템
TWI750016B (zh) 返馳式轉換器及其控制方法
TWI586092B (zh) 單級交流至直流轉換器
CN107968555A (zh) 一种用于高压输入的耐压电路及开关电路

Legal Events

Date Code Title Description
PA0109 Patent application

St.27 status event code: A-0-1-A10-A12-nap-PA0109

P11-X000 Amendment of application requested

St.27 status event code: A-2-2-P10-P11-nap-X000

P13-X000 Application amended

St.27 status event code: A-2-2-P10-P13-nap-X000

PN2301 Change of applicant

St.27 status event code: A-3-3-R10-R13-asn-PN2301

St.27 status event code: A-3-3-R10-R11-asn-PN2301

PN2301 Change of applicant

St.27 status event code: A-3-3-R10-R13-asn-PN2301

St.27 status event code: A-3-3-R10-R11-asn-PN2301

PG1501 Laying open of application

St.27 status event code: A-1-1-Q10-Q12-nap-PG1501

A201 Request for examination
PA0201 Request for examination

St.27 status event code: A-1-2-D10-D11-exm-PA0201

R18-X000 Changes to party contact information recorded

St.27 status event code: A-3-3-R10-R18-oth-X000

R18-X000 Changes to party contact information recorded

St.27 status event code: A-3-3-R10-R18-oth-X000

PN2301 Change of applicant

St.27 status event code: A-3-3-R10-R13-asn-PN2301

St.27 status event code: A-3-3-R10-R11-asn-PN2301

E902 Notification of reason for refusal
PE0902 Notice of grounds for rejection

St.27 status event code: A-1-2-D10-D21-exm-PE0902

E13-X000 Pre-grant limitation requested

St.27 status event code: A-2-3-E10-E13-lim-X000

P11-X000 Amendment of application requested

St.27 status event code: A-2-2-P10-P11-nap-X000

P13-X000 Application amended

St.27 status event code: A-2-2-P10-P13-nap-X000

E701 Decision to grant or registration of patent right
PE0701 Decision of registration

St.27 status event code: A-1-2-D10-D22-exm-PE0701

GRNT Written decision to grant
PR0701 Registration of establishment

St.27 status event code: A-2-4-F10-F11-exm-PR0701

PR1002 Payment of registration fee

St.27 status event code: A-2-2-U10-U11-oth-PR1002

Fee payment year number: 1

PG1601 Publication of registration

St.27 status event code: A-4-4-Q10-Q13-nap-PG1601

PN2301 Change of applicant

St.27 status event code: A-5-5-R10-R13-asn-PN2301

St.27 status event code: A-5-5-R10-R11-asn-PN2301

P14-X000 Amendment of ip right document requested

St.27 status event code: A-5-5-P10-P14-nap-X000

R18-X000 Changes to party contact information recorded

St.27 status event code: A-5-5-R10-R18-oth-X000

R18-X000 Changes to party contact information recorded

St.27 status event code: A-5-5-R10-R18-oth-X000

R18-X000 Changes to party contact information recorded

St.27 status event code: A-5-5-R10-R18-oth-X000

R18-X000 Changes to party contact information recorded

St.27 status event code: A-5-5-R10-R18-oth-X000

PR1001 Payment of annual fee

St.27 status event code: A-4-4-U10-U11-oth-PR1001

Fee payment year number: 4

PR1001 Payment of annual fee

St.27 status event code: A-4-4-U10-U11-oth-PR1001

Fee payment year number: 5

R18-X000 Changes to party contact information recorded

St.27 status event code: A-5-5-R10-R18-oth-X000

R18-X000 Changes to party contact information recorded

St.27 status event code: A-5-5-R10-R18-oth-X000

R18 Changes to party contact information recorded

Free format text: ST27 STATUS EVENT CODE: A-5-5-R10-R18-OTH-X000 (AS PROVIDED BY THE NATIONAL OFFICE)

R18-X000 Changes to party contact information recorded

St.27 status event code: A-5-5-R10-R18-oth-X000