KR20140124696A - System and method to air conditioning and heating using solar cell and thermoelectric module - Google Patents
System and method to air conditioning and heating using solar cell and thermoelectric module Download PDFInfo
- Publication number
- KR20140124696A KR20140124696A KR20130042568A KR20130042568A KR20140124696A KR 20140124696 A KR20140124696 A KR 20140124696A KR 20130042568 A KR20130042568 A KR 20130042568A KR 20130042568 A KR20130042568 A KR 20130042568A KR 20140124696 A KR20140124696 A KR 20140124696A
- Authority
- KR
- South Korea
- Prior art keywords
- heat
- unit
- cooling
- storage unit
- dehumidifying
- Prior art date
- Legal status (The legal status is an assumption and is not a legal conclusion. Google has not performed a legal analysis and makes no representation as to the accuracy of the status listed.)
- Withdrawn
Links
- 238000010438 heat treatment Methods 0.000 title claims abstract description 98
- 238000000034 method Methods 0.000 title claims abstract description 30
- 238000004378 air conditioning Methods 0.000 title claims abstract description 8
- 238000003860 storage Methods 0.000 claims abstract description 268
- 238000001816 cooling Methods 0.000 claims abstract description 266
- XLYOFNOQVPJJNP-UHFFFAOYSA-N water Substances O XLYOFNOQVPJJNP-UHFFFAOYSA-N 0.000 claims abstract description 79
- 238000010248 power generation Methods 0.000 claims abstract description 65
- 238000007791 dehumidification Methods 0.000 claims abstract description 57
- 238000010521 absorption reaction Methods 0.000 claims abstract description 34
- 230000009102 absorption Effects 0.000 claims abstract description 27
- 230000008929 regeneration Effects 0.000 claims abstract description 21
- 238000011069 regeneration method Methods 0.000 claims abstract description 21
- 238000001179 sorption measurement Methods 0.000 claims abstract description 18
- 239000000498 cooling water Substances 0.000 claims abstract description 7
- 238000001704 evaporation Methods 0.000 claims abstract description 7
- 230000008020 evaporation Effects 0.000 claims abstract description 7
- 238000009833 condensation Methods 0.000 claims abstract description 6
- 230000005494 condensation Effects 0.000 claims abstract description 6
- 230000020169 heat generation Effects 0.000 claims abstract 4
- 238000012546 transfer Methods 0.000 claims description 82
- 238000000926 separation method Methods 0.000 claims description 29
- 239000012528 membrane Substances 0.000 claims description 28
- 238000006243 chemical reaction Methods 0.000 claims description 25
- 238000004891 communication Methods 0.000 claims description 18
- 238000012856 packing Methods 0.000 claims description 17
- 238000013500 data storage Methods 0.000 claims description 12
- 238000007664 blowing Methods 0.000 claims description 7
- 230000001172 regenerating effect Effects 0.000 claims description 7
- 230000005540 biological transmission Effects 0.000 claims description 6
- 230000000694 effects Effects 0.000 claims description 6
- 239000004065 semiconductor Substances 0.000 claims description 6
- 238000001514 detection method Methods 0.000 claims description 5
- 238000005338 heat storage Methods 0.000 claims description 5
- 238000007599 discharging Methods 0.000 claims description 4
- 239000011810 insulating material Substances 0.000 claims description 4
- 239000008236 heating water Substances 0.000 claims description 3
- 238000001125 extrusion Methods 0.000 claims description 2
- 239000000463 material Substances 0.000 claims description 2
- 230000007480 spreading Effects 0.000 claims description 2
- 238000003892 spreading Methods 0.000 claims description 2
- 239000008399 tap water Substances 0.000 claims description 2
- 235000020679 tap water Nutrition 0.000 claims description 2
- 238000004519 manufacturing process Methods 0.000 claims 1
- 230000003287 optical effect Effects 0.000 claims 1
- 238000005057 refrigeration Methods 0.000 claims 1
- 230000006870 function Effects 0.000 description 31
- 230000001276 controlling effect Effects 0.000 description 13
- 238000010586 diagram Methods 0.000 description 12
- 230000005611 electricity Effects 0.000 description 7
- 239000003507 refrigerant Substances 0.000 description 5
- 230000009471 action Effects 0.000 description 4
- 239000002918 waste heat Substances 0.000 description 4
- 239000006096 absorbing agent Substances 0.000 description 3
- 238000010276 construction Methods 0.000 description 3
- 238000005516 engineering process Methods 0.000 description 3
- 239000007789 gas Substances 0.000 description 3
- 230000008859 change Effects 0.000 description 2
- 238000009826 distribution Methods 0.000 description 2
- 239000007788 liquid Substances 0.000 description 2
- 238000012544 monitoring process Methods 0.000 description 2
- 230000005679 Peltier effect Effects 0.000 description 1
- 230000005678 Seebeck effect Effects 0.000 description 1
- 229920006328 Styrofoam Polymers 0.000 description 1
- 230000005856 abnormality Effects 0.000 description 1
- 239000011358 absorbing material Substances 0.000 description 1
- 239000003463 adsorbent Substances 0.000 description 1
- XAGFODPZIPBFFR-UHFFFAOYSA-N aluminium Chemical compound [Al] XAGFODPZIPBFFR-UHFFFAOYSA-N 0.000 description 1
- 229910052782 aluminium Inorganic materials 0.000 description 1
- 238000004364 calculation method Methods 0.000 description 1
- 230000003247 decreasing effect Effects 0.000 description 1
- 230000002950 deficient Effects 0.000 description 1
- 238000011161 development Methods 0.000 description 1
- 230000018109 developmental process Effects 0.000 description 1
- 230000005684 electric field Effects 0.000 description 1
- 238000005265 energy consumption Methods 0.000 description 1
- 238000005242 forging Methods 0.000 description 1
- 230000006872 improvement Effects 0.000 description 1
- 238000009434 installation Methods 0.000 description 1
- 238000009413 insulation Methods 0.000 description 1
- 239000004973 liquid crystal related substance Substances 0.000 description 1
- 238000012806 monitoring device Methods 0.000 description 1
- 238000013021 overheating Methods 0.000 description 1
- 230000008569 process Effects 0.000 description 1
- 230000005855 radiation Effects 0.000 description 1
- 230000009467 reduction Effects 0.000 description 1
- 230000001105 regulatory effect Effects 0.000 description 1
- 238000011160 research Methods 0.000 description 1
- 238000007789 sealing Methods 0.000 description 1
- 239000007787 solid Substances 0.000 description 1
- 238000013517 stratification Methods 0.000 description 1
- 239000008261 styrofoam Substances 0.000 description 1
- 239000002699 waste material Substances 0.000 description 1
- 238000004078 waterproofing Methods 0.000 description 1
Images
Classifications
-
- F—MECHANICAL ENGINEERING; LIGHTING; HEATING; WEAPONS; BLASTING
- F24—HEATING; RANGES; VENTILATING
- F24F—AIR-CONDITIONING; AIR-HUMIDIFICATION; VENTILATION; USE OF AIR CURRENTS FOR SCREENING
- F24F3/00—Air-conditioning systems in which conditioned primary air is supplied from one or more central stations to distributing units in the rooms or spaces where it may receive secondary treatment; Apparatus specially designed for such systems
- F24F3/12—Air-conditioning systems in which conditioned primary air is supplied from one or more central stations to distributing units in the rooms or spaces where it may receive secondary treatment; Apparatus specially designed for such systems characterised by the treatment of the air otherwise than by heating and cooling
- F24F3/14—Air-conditioning systems in which conditioned primary air is supplied from one or more central stations to distributing units in the rooms or spaces where it may receive secondary treatment; Apparatus specially designed for such systems characterised by the treatment of the air otherwise than by heating and cooling by humidification; by dehumidification
-
- F—MECHANICAL ENGINEERING; LIGHTING; HEATING; WEAPONS; BLASTING
- F24—HEATING; RANGES; VENTILATING
- F24F—AIR-CONDITIONING; AIR-HUMIDIFICATION; VENTILATION; USE OF AIR CURRENTS FOR SCREENING
- F24F5/00—Air-conditioning systems or apparatus not covered by F24F1/00 or F24F3/00, e.g. using solar heat or combined with household units such as an oven or water heater
- F24F5/0042—Air-conditioning systems or apparatus not covered by F24F1/00 or F24F3/00, e.g. using solar heat or combined with household units such as an oven or water heater characterised by the application of thermo-electric units or the Peltier effect
-
- F—MECHANICAL ENGINEERING; LIGHTING; HEATING; WEAPONS; BLASTING
- F24—HEATING; RANGES; VENTILATING
- F24F—AIR-CONDITIONING; AIR-HUMIDIFICATION; VENTILATION; USE OF AIR CURRENTS FOR SCREENING
- F24F5/00—Air-conditioning systems or apparatus not covered by F24F1/00 or F24F3/00, e.g. using solar heat or combined with household units such as an oven or water heater
- F24F5/0046—Air-conditioning systems or apparatus not covered by F24F1/00 or F24F3/00, e.g. using solar heat or combined with household units such as an oven or water heater using natural energy, e.g. solar energy, energy from the ground
-
- F—MECHANICAL ENGINEERING; LIGHTING; HEATING; WEAPONS; BLASTING
- F24—HEATING; RANGES; VENTILATING
- F24F—AIR-CONDITIONING; AIR-HUMIDIFICATION; VENTILATION; USE OF AIR CURRENTS FOR SCREENING
- F24F5/00—Air-conditioning systems or apparatus not covered by F24F1/00 or F24F3/00, e.g. using solar heat or combined with household units such as an oven or water heater
- F24F5/0046—Air-conditioning systems or apparatus not covered by F24F1/00 or F24F3/00, e.g. using solar heat or combined with household units such as an oven or water heater using natural energy, e.g. solar energy, energy from the ground
- F24F2005/0064—Air-conditioning systems or apparatus not covered by F24F1/00 or F24F3/00, e.g. using solar heat or combined with household units such as an oven or water heater using natural energy, e.g. solar energy, energy from the ground using solar energy
-
- Y—GENERAL TAGGING OF NEW TECHNOLOGICAL DEVELOPMENTS; GENERAL TAGGING OF CROSS-SECTIONAL TECHNOLOGIES SPANNING OVER SEVERAL SECTIONS OF THE IPC; TECHNICAL SUBJECTS COVERED BY FORMER USPC CROSS-REFERENCE ART COLLECTIONS [XRACs] AND DIGESTS
- Y02—TECHNOLOGIES OR APPLICATIONS FOR MITIGATION OR ADAPTATION AGAINST CLIMATE CHANGE
- Y02E—REDUCTION OF GREENHOUSE GAS [GHG] EMISSIONS, RELATED TO ENERGY GENERATION, TRANSMISSION OR DISTRIBUTION
- Y02E10/00—Energy generation through renewable energy sources
- Y02E10/40—Solar thermal energy, e.g. solar towers
Landscapes
- Engineering & Computer Science (AREA)
- Life Sciences & Earth Sciences (AREA)
- Chemical & Material Sciences (AREA)
- Combustion & Propulsion (AREA)
- Mechanical Engineering (AREA)
- General Engineering & Computer Science (AREA)
- Sustainable Development (AREA)
- Sustainable Energy (AREA)
- Devices For Blowing Cold Air, Devices For Blowing Warm Air, And Means For Preventing Water Condensation In Air Conditioning Units (AREA)
Abstract
본 발명은 하나 이상의 태양전지를 포함하여 이루어져, 태양광 발전을 수행하는 태양광발전부; 하나 이상의 열전소자를 포함하여 이루어져, 직류 전원 공급 방향에 따라 일측면에서는 발열작용을 하고 타측면에서는 흡열작용을 하는 열원발생부; 상기 열원발생부 발열면에서 발생하는 고온의 열은 고온저장부에 저장하고, 상기 열원발생부 흡열면에서 생성되는 저온의 열은 저온저장부에 각각 분리하여 저장하는 열원저장부; 증발작용, 흡수작용, 재생작용 및 경우에 따라 응축작용 등을 더 수행하여 냉방을 수행하는 제습냉방기(흡수식 냉방기 또는 흡착식 냉방기 또는 제습로터식 냉방기)와, 상기 제습냉방기의 공기 흐름 경로 상에 설치되어 상기 제습냉방기로 유입되는 공기 또는 상기 제습냉방기에서 유출되는 공기에 포함된 수분을 제거하고 냉각시키는 제습냉각부를 포함하여 이루어져, 상기 고온저장부에 저장된 고온의 열을 상기 제습냉방기의 재생열로 사용하고, 상기 저온저장부에 저장된 저온의 열을 상기 제습냉각부의 제습 및 냉각열로 사용하는 냉방공급부; 상기 태양광발전부와 열원발생부와 냉방공급부의 동작을 제어하여, 상기 열원발생부 발열면에서 발생하는 고온의 열은 상기 고온저장부에 저장되도록 제어하고, 상기 열원발생부 흡열면에서 생성되는 저온의 열은 상기 저온저장부에 저장되도록 제어하고, 상기 고온저장부에 저장된 고온의 열을 상기 제습냉방기에 공급하여 상기 제습냉방기의 재생동작을 제어하고, 상기 저온저장부에 저장된 저온의 열을 상기 제습냉각부에 공급하여 상기 제습냉각부의 제습 및 냉각 동작을 제어하고, 상기 각 구성요소의 동작 상태를 나타내고 저장하는 동작제어부;를 포함하여 구성되어, 상기 태양광발전부에서 발전한 전력을 열원발생부에 공급하고, 상기 열원발생부에서 발생하는 고온의 열과 저온의 열을 각기 분리하여 고온저장부와 저온저장부에 저장하며, 상기 고온저장부에 저장된 고온의 열과 저온저장부에 저장된 저온의 열을 냉방공급부에 공급하여 냉방을 수행함을 특징으로 하는 태양광과 열전소자를 이용한 제습 냉난방시스템 및 방법이다.
이러한 본 발명은, 특히, 에너지 이용 효율 및 냉방 효율을 향상시키고, 환경 친화적이며, 외부 전력 없이 온수, 난방 및 냉방을 공급할 수 있는 효과 등이 있다. The present invention relates to a solar power generator comprising at least one solar cell and performing solar power generation; A heat source generating unit including one or more thermoelectric elements and having a heat generating function on one side and an endothermic function on the other side according to a DC power supply direction; A heat source storage unit for storing the high temperature heat generated from the heat generating surface of the heat source generating unit in the high temperature storage unit and the low temperature heat generated from the heat absorbing surface of the heat source generating unit separately in the low temperature storage unit; A dehumidifying cooler (an absorption type cooler or an adsorption type cooler or a dehumidifying rotor type cooler) for performing cooling by performing further evaporation, absorption, regeneration and, if necessary, condensation, And a dehumidifying cooling unit for removing and cooling water contained in the air flowing into the dehumidifying cooling unit or the air flowing out from the dehumidifying cooling unit, wherein the high temperature heat stored in the high temperature storage unit is used as a regeneration heat of the dehumidifying air conditioner A cooling supply unit that uses low temperature heat stored in the low temperature storage unit as a dehumidification and cooling heat of the dehumidification cooling unit; Wherein the control unit controls the operation of the solar power generation unit, the heat source generation unit and the cooling supply unit so that the high temperature heat generated on the heat generation surface of the heat source generation unit is stored in the high temperature storage unit, And controls the regeneration operation of the dehumidifying cooler by supplying the high temperature heat stored in the high temperature storage unit to the dehumidifying cooler so that the low temperature heat stored in the low temperature storage unit A dehumidifying and cooling unit for supplying dehumidified and cooled cooling water to the dehumidifying and cooling unit to control the dehumidifying and cooling operation of the dehumidifying and cooling unit and for displaying and storing the operating states of the respective components, And the high-temperature heat and the low-temperature heat generated in the heat source generating unit are separated and stored in the high-temperature storage unit and the low-temperature storage unit, respectively, Group is a dehumidifying air-conditioning system and a method using sunlight and the thermal element, characterized by carrying out the cooling in the low-temperature heat stored in the hot heat and cold storage unit stored in the hot storage unit to supply cooling supply.
The present invention particularly improves energy utilization efficiency and cooling efficiency, is eco-friendly, and can supply hot water, heating, and cooling without external power.
Description
본 발명은 "태양광과 열전소자를 이용한 제습 냉난방시스템 및 방법"에 관한 것으로, 특히, 태양전지(Solar cell)를 이용하여 발전한 전력을 열전소자에 공급하고, 열전소자(Thermoelectric Module) 발열면에서 발생하는 고온의 열을 고온저장부에 저장하고, 열전소자 흡열면에서 생성되는 저온의 열을 저온저장부에 저장한 후, 상기 고온의 열원과 저온의 열원을 이용하여 온수, 난방 및 냉방을 공급하기 위한 것이다.The present invention relates to a system and method for dehumidifying cooling and heating using sunlight and a thermoelectric element. More particularly, the present invention relates to a system and method for dehumidifying cooling and heating using a solar cell, The hot heat generated is stored in the high temperature storage unit and the low temperature heat generated on the heat absorbing surface of the thermoelectric element is stored in the low temperature storage unit and then the hot water is heated and cooled by using the high temperature heat source and the low temperature heat source .
즉, 고온의 열원과 저온의 열원을 분리하여 저장한 후, 열전소자 발열면에서 발생하는 고온의 열을 이용하여 온수 공급 및 난방 공급을 공급하거나 또는 흡수식 냉방기나 흡착식 냉방기, 또는 제습로터식 냉방기의 재생열로 사용하여 냉방을 공급하고, 상기 열전소자 흡열면에서 생성되는 저온의 열을 이용하여 제습 및 냉방을 수행하기 위한 것이다.
That is, after separating and storing a high-temperature heat source and a low-temperature heat source, the hot water supply and the heating supply are supplied by using the high-temperature heat generated from the heat generating surface of the thermoelectric element, or the absorption water is supplied to the absorption type cooler or the absorption type cooler And to perform dehumidification and cooling by using the low-temperature heat generated from the thermoelectric-element heat-absorbing surface.
주지하다시피 태양광 시스템은 태양 에너지를 전기 에너지로 바꾸어주는 발전 시스템으로 태양전지, 전력변환장치, 인버터 및 축전지 등으로 구성된다.As you know, solar power system is a power generation system that converts solar energy into electric energy. It consists of solar cell, power conversion device, inverter and battery.
태양전지는 빛 에너지에 포함된 광자(photon)에 의해 생성된 전자(electron)와 정공(hole) 쌍이 pn접합에서 발생한 전기장에 의해 전자는 n형 반도체 쪽으로 이동하고 정공은 p형 반도체 쪽으로 이동하여 전기를 발생시키는 소자로, 하나 이상의 태양전지를 직렬과 병렬로 접속하여(태양전지 어레이) 직류 전기를 발생시킨다.In a solar cell, electrons and holes generated by a photon contained in light energy are shifted toward the n-type semiconductor due to the electric field generated at the pn junction, and holes move toward the p-type semiconductor, . One or more solar cells are connected in series and parallel (solar cell array) to generate DC electricity.
전력변환장치는 통상 DC/DC 변환장치로 이루어지며 일사량이나 온도, 또는 주위환경에 인해 변화되는 태양전지 어레이의 DC 출력 전압을 승압이나 강압하여 항상 일정한 전압이 되도록 하는 기능을 수행하고, 축전지는 태양전지에서 발생되는 직류 전기를 저장하며, 인버터는 DC/AC 변환장치로 이루어져 직류 전압을 교류 전압으로 변환시키는 기능을 수행한다. 태양광 발전 시스템은 크게 계통 연계형과 독립형으로 구성되며, 축전지는 독립형 구성일 때 주로 사용된다.
The power conversion apparatus normally performs a function of making the DC output voltage of the solar cell array change by the solar radiation amount, the temperature, or the surrounding environment to the constant voltage by increasing or decreasing the voltage, The inverter stores the DC electricity generated by the battery. The inverter includes a DC / AC converter, and converts the DC voltage into an AC voltage. The photovoltaic power generation system is largely composed of a grid-connected type and a stand-alone type, and the battery is mainly used in a stand-alone configuration.
근래에는 신재생 에너지 이용 기술이 태양열이나 지열, 또는 폐열을 제습냉방기(흡수식 냉방기, 흡착식 냉방기, 또는 제습로터식 냉방기)의 열원으로 사용함으로써 겨울에는 온수나 난방을 공급하고 여름에는 냉방을 공급하는데 사용된다.In recent years, renewable energy technologies have been used to supply hot water or heating in winter and to provide cooling in summer by using solar heat, geothermal, or waste heat as a heat source for dehumidifying cooling systems (absorption cooling systems, adsorption cooling systems, or dehumidification rotor cooling systems) do.
흡수식 냉방기는 액체의 기체에 대한 흡수성 및 기체-액체 변환 싸이클을 이용하는 기술로, 흡수재와 냉매, 그리고 흡수기, 증발기, 발생기, 응축기, 열교환기, 가열장치(재생장치) 등으로 구성되어 증발작용과, 흡수작용, 재생작용 및 응축작용을 수행하여 냉방, 또는 난방을 수행하는 시스템이다.Absorption type cooler is a technology using absorbency and gas-liquid conversion cycle for liquid gas and is composed of absorber, refrigerant, absorber, evaporator, generator, condenser, heat exchanger, heating device (regenerator) Regeneration, and condensation, thereby performing cooling or heating.
흡착식 냉방기는 흡수식 냉방기와 거의 비슷한 사이클로 운전되며, 흡수기 대신 흡착탑에서 냉매를 흡착한다는 점에 차이점이 있는 기술이다. 즉, 흡수식의 경우에는 흡수 용액이 냉매를 흡수하여 시스템 내를 같이 순환하나 흡착식의 경우에는 흡착탑에 고정되어 있는 고체 상태의 흡착제에 냉매가 흡착 및 탈착되어 시스템 내에서는 냉매만 순환하게 된다는 점이 다르다. The adsorption type air conditioner operates in a cycle substantially similar to that of the absorption type air conditioner, and the refrigerant is adsorbed in the adsorption tower instead of the adsorption type. That is, in the case of the absorption type, the absorbing solution absorbs the refrigerant and circulates in the system, but in the case of the adsorption type, the refrigerant is adsorbed and desorbed to the adsorbent in the solid state fixed to the adsorption tower, and only the refrigerant circulates in the system.
제습로터식 냉방기는 제습로터, 현열로터, 가열장치(재생장치), 증발냉각기 등으로 구성되어 제습작용, 재생작용, 증발작용 등을 통해 냉방을 수행하는 시스템이다.The dehumidifying rotor type air conditioner is composed of a dehumidifying rotor, a sensible heat rotor, a heating device (regenerating device), an evaporation cooler, and performs cooling through dehumidification, regeneration and evaporation.
상기 흡수식 냉방기나 흡착식 냉방기 및 제습로터식 냉방기는 공통적으로 공기 중에 포함된 습기를 제거하고, 습기를 제거하는 구성요소(흡수기, 흡착기, 제습로터)에 포함된 습기를 재생장치(가열장치)를 통해 제거하여 재생함으로써 반복적으로 제습에 의한 냉방 기능을 수행할 수 있도록 한 것으로, 프레온 가스를 사용하지 않는 친환경 냉방(또는 냉난방) 시스템이다.The absorption type air conditioner, the adsorption type air conditioner and the dehumidification type air conditioner commonly remove the moisture contained in the air and remove the moisture contained in the components (absorber, adsorber, dehumidification rotor) for removing moisture through a regenerator (Or cooling / heating) system that does not use the CFC gas because it is capable of performing the cooling function by dehumidification repeatedly by removing and regenerating the air.
이러한 상기 종래의 제습냉방기들은 재생장치(가열장치)로 신재생에너지인 태양열이나 지열, 또는 폐열 등을 사용함으로써 에너지 소비 효율을 향상시키고 있다.Such conventional dehumidifying air conditioners improve the energy consumption efficiency by using renewable energy such as solar heat, geothermal heat, or waste heat as a regenerating device (heating device).
대한민국 특허등록 제10-0322260호 "흡수식 냉, 온수기", 대한민국 특허등록 제10-0180599호 "흡수식 냉, 온수기", 대한민국 실용신안등록 제20-0154750호 "흡수식 소형 냉, 난방기", 대한민국 특허출원 제10-2000-0066257호 "흡수식 냉방기의 냉온수기 분배기", 대한민국 특허등록 제10-0975864호 "태양열, 풍력 하이브리드 냉, 난방시스템" 등은 흡수식 냉방 시스템의 일례를 나타낸 것이고, 대한민국 특허등록 제10-1154466호 "흡착식 냉난방장치"는 흡착식 냉방 시스템의 일례를 나타낸 것이며, 대한민국 특허출원 제10-2010-0012390호 "하이브리드 냉방 시스템", 대한민국 특허등록 제10-1207947호 "제습 냉방 장치", 대한민국 특허출원 제10-2008-0119110호 "제습 냉방 장치", 대한민국 특허등록 제10-0795101호 "제습 장치와 그를 구비하는 공기 조화 장치 및 시스템" 등은 제습로터식 냉방 시스템의 일례를 나타낸 것이다.
Korean Patent Registration No. 10-0322260 "Absorption Cooling and Water Heater", Korea Patent No. 10-0180599 "Absorption Cooling and Water Heater", Korea Utility Model Registration No. 20-0154750 "Absorption Type Small Cooling and Heating Device", Korean Patent Application 10-2000-0066257 entitled " Cold & hot water dispenser for absorption type cooler ", Korean Patent Registration No. 10-0975864 "Solar heating, wind power hybrid cooling and heating system" 1154466 "Adsorption-type air-conditioning system" is an example of an absorption cooling system. Korean Patent Application No. 10-2010-0012390, "Hybrid Cooling System ", Korean Patent No. 10-1207947, 10-2008-0119110 "Dehumidification cooling apparatus ", Korean Patent Registration No. 10-0795101" Dehumidifying apparatus and air conditioning apparatus and system including the same " It shows an example of a system.
열전소자는 열전 변환 특성이 우수한 p형 반도체와 n형 반도체를 서로 접합시켜 구성한 것으로, 펠티에 효과(Peltier effect)에 의한 열전냉각, 또는 제베크 효과(Seebeck effect)에 의한 열전발전을 수행하는 소자이다.A thermoelectric element is formed by bonding a p-type semiconductor and an n-type semiconductor having excellent thermoelectric conversion characteristics to each other, and is a device that performs thermoelectric cooling by a Peltier effect or thermoelectric generation by a Seebeck effect .
열전소자는 구조가 간단하고, 유지보수가 용이하며, 단일 장치로 냉각과 가열이 가능하고, 온도 변화에 대한 응답이 빠르고 정밀하며, 미소부분에 대한 국소 냉각이 가능하고, 친환경적이어서 펠티에 효과를 이용한 열전냉각 분야에 주로 응용된다.The thermoelectric element is simple in structure, easy to maintain, can be cooled and heated by a single device, responds quickly and precisely to temperature changes, can be locally cooled to a small part, and is environmentally friendly. It is mainly applied to the field of thermoelectric cooling.
열전소자는 흡열면에서 흡수한 열을 발열면에서 방출하는 소자 특성과, 흡열면과 발열면이 가까운 거리에 위치해 있다는 구조적 특성 때문에 열전소자를 이용하여 냉각을 하고자 할 경우에는 발열면에서 발생하는 열을 효과적으로 방출하여야 하며, 효과적인 폐열 방출을 위해 지속적인 연구가 이루어지고 있다.When a thermoelectric element is to be cooled using a thermoelectric element, the heat generated from the heat-generating surface is absorbed by the heat generated by the heat-generating surface, , And continuous research is being conducted for effective waste heat release.
석사학위논문 "열전(반도체)소자를 이용한 냉각장치 특성에 관한 연구"(저자: 강희철)는 이러한 연구의 일례이며, 대한민국 특허 등록 제10-0834192호 "제습 기능을 구비한 기화식 냉풍기", 대한민국 실용신안등록 제20-0209762호 "에어컨디셔너", 대한민국 특허 등록 제10-0752329호 "열전소자를 이용하는 배수형 제습장치", 대한민국 특허 등록 제10-0548100호 "열전소자판을 중복 적층하는 냉난방장치 및 그 방법" 등은 열전소자의 열전냉각 특성을 이용하여 냉방, 또는 제습 등을 수행하는 장치들에 관한 것이다. 이러한 종래 발명들은 열전소자 흡열면을 이용하여 냉각을 행하고, 발열면에서 발생하는 열을 효율적으로 방출하는 구조로 이루어졌다.A master thesis "A Study on the Characteristics of a Cooling System Using a Thermoelectric (Semiconductor) Device" (author: Hee Chul Kang) is an example of such a study, Korean Patent Registration No. 10-0834192 entitled "Evaporative Cooler with Dehumidification Function" Patent Registration No. 20-0209762 "Air-conditioner", Korean Patent No. 10-0752329 "Drainage-type dehumidifying device using thermoelectric element", Korean Patent Registration No. 10-0548100 "Heating and cooling device for superimposing thermoelectric plate Quot ;, "the method ", and the like, relate to devices that perform cooling or dehumidification using the thermoelectric cooling characteristics of a thermoelectric element. These prior arts have been constructed such that cooling is performed using a thermoelectric element heat absorbing surface, and heat generated from the heat generating surface is efficiently discharged.
그러나, 상기와 같이 신재생 에너지를 재생열로 이용하는 냉방 시스템(흡수식 냉방 시스템, 흡착식 냉방 시스템, 제습로터식 냉방시스템)은 어느 하나의 에너지원에 의존하여 동작하므로 인해 에너지 이용 효율 및 시스템 운영 효율이 저하된다는 문제점이 있었다. However, as described above, the cooling system (absorption cooling system, adsorption cooling system, and dehumidification rotor cooling system) using renewable energy as the regeneration heat operates depending on any one of the energy sources, .
또한, 열전소자 이용 방법들은 열전소자 발열면에서 발생하는 열을 폐열로 인식하여 방출해 버림으로써 열전소자의 에너지 변환 효율이 저하된다는 문제점이 있었다.In addition, the methods using thermoelectric elements have a problem in that the energy conversion efficiency of the thermoelectric element is lowered because the heat generated from the heat generating surface of the thermoelectric element is recognized as waste heat and released.
즉, 종래의 기술들은 열전소자 발열면에서 발생하는 열을 어떻게 효율적으로 방출할 수 있을 지에 개발 초점이 맞추어져 있고, 에너지 변환 효율 개선보다는 간단한 냉각장치 구현에 맞추어져 있어 열전소자의 이용을 제한하게 된다는 문제점 및, 열전소자의 에너지 변환 효율을 더욱 저하시키게 된다는 문제점 등이 있었다.That is, the conventional technologies focus on development of how to efficiently emit heat generated from the heat generating surface of a thermoelectric element, and the use of the thermoelectric element is limited because it is adapted to simple cooling apparatus implementation rather than improvement in energy conversion efficiency And the energy conversion efficiency of the thermoelectric element is further lowered.
또한, 열전소자에 공급되는 소비전력으로 상용 교류 전기를 사용하고 상용 교류 전기를 사용할 경우에는 220V의 교류 전기를 저압의 직류 전압으로 바꾸어 사용하여야 한다는 문제점 및 에너지 변환 손실이 발생하게 된다는 문제점 등이 있었다.
Further, when commercial AC power is used as the power consumption supplied to the thermoelectric element and commercial AC power is used, there is a problem that the AC power of 220V must be converted to a low-voltage DC voltage and the energy conversion loss is generated .
본 발명의 목적은 상기와 같은 종래의 문제점을 해소하기 위한 것으로, 특히, 태양광 발전을 이용하여 열전소자에 소비 전력을 공급하고, 열전소자 발열면에서 발생하는 고온의 열을 고온저장부에 저장하고, 열전소자 흡열면에서 생성되는 저온의 열을 저온저장부에 분리하여 저장한 후, 상기 고온저장부에 저장된 고온의 열원을 이용하여 온수 공급, 난방 공급 및 제습 냉방 시스템의 재생열로 사용하고, 상기 저온저장부에 저장된 저온의 열원을 이용하여 제습 및 냉방을 수행하도록 함으로써, 에너지 이용 효율 및 냉방 효율을 향상시키고, 환경 친화적이며, 자체 소비 전력 충당이 가능한 "태양광과 열전소자를 이용한 제습 냉난방시스템 및 방법"을 제공하기 위한 것이다.An object of the present invention is to solve the conventional problems as described above. In particular, it is an object of the present invention to provide an apparatus and a method for supplying power to a thermoelectric element by using solar power generation, Temperature heat generated from the thermoelectric element heat absorbing surface is separated and stored in the low temperature storage section and then used as a regeneration heat of the hot water supply, heating supply and dehumidification cooling system using the high temperature heat source stored in the high temperature storage section , Dehumidification and cooling are performed using a low-temperature heat source stored in the low-temperature storage unit, thereby improving energy utilization efficiency and cooling efficiency, and environmentally friendly, Air conditioning system and method ".
또한, 상기 태양전지에서 발전되는 직류 전기를 열전소자에 공급함에 있어서는 태양전지를 직렬, 또는 병렬로 접속하고, 열전소자를 직렬, 또는 병렬로 접속하여 태양전지 어레이 발전 전압과 열전소자부 공급 전압을 맞춤으로써, 별도의 전력변환장치 없이도 태양전지에서 발전하는 직류전기를 바로 열전소자에 공급하여 사용할 수 있도록 한 것이다.In supplying the direct current electricity generated by the solar cell to the thermoelectric element, the solar cells are connected in series or in parallel, and the thermoelectric elements are connected in series or in parallel to supply the solar cell array generation voltage and the thermoelectric element portion supply voltage So that the direct current electricity generated in the solar cell can be supplied directly to the thermoelectric device without using a separate power conversion device.
또한, 열전소자부 소비 전력 이상의 전력이 태양전지 어레이에서 발전될 경우에는 이를 축전지에 저장하였다가 사용하거나, 또는 인버터를 통해 외부에 공급할 수 있도록 한 것이다.
In addition, when electric power exceeding the power consumption of the thermoelectric element is generated in the solar cell array, it can be stored in a battery and used or supplied to the outside through an inverter.
상기와 같은 목적을 달성하기 위하여 본 발명 "태양광과 열전소자를 이용한 제습 냉난방시스템 및 방법"의 구성은,In order to achieve the above object, the present invention is a system and method for dehumidifying heating and cooling using sunlight and a thermoelectric element,
하나 이상의 태양전지를 포함하여 이루어져, 태양광 발전을 수행하는 태양광발전부;A solar power generating unit including at least one solar cell and performing solar power generation;
하나 이상의 열전소자를 포함하여 이루어져, 직류 전원 공급 방향에 따라 일측면에서는 발열작용을 하고 타측면에서는 흡열작용을 하는 열원발생부;A heat source generating unit including one or more thermoelectric elements and having a heat generating function on one side and an endothermic function on the other side according to a DC power supply direction;
상기 열원발생부 발열면에서 발생하는 고온의 열은 고온저장부에 저장하고, 상기 열원발생부 흡열면에서 생성되는 저온의 열은 저온저장부에 각각 분리하여 저장하는 열원저장부;A heat source storage unit for storing the high temperature heat generated from the heat generating surface of the heat source generating unit in the high temperature storage unit and the low temperature heat generated from the heat absorbing surface of the heat source generating unit separately in the low temperature storage unit;
증발작용, 흡수작용, 재생작용 및 경우에 따라 응축작용 등을 더 수행하여 냉방을 수행하는 제습냉방기(흡수식 냉방기 또는 흡착식 냉방기 또는 제습로터식 냉방기)와, 상기 제습냉방기의 공기 흐름 경로 상에 설치되어 상기 제습냉방기로 유입되는 공기 또는 상기 제습냉방기에서 유출되는 공기에 포함된 수분을 제거하고 냉각시키는 제습냉각부를 포함하여 이루어져, 상기 고온저장부에 저장된 고온의 열을 상기 제습냉방기의 재생열로 사용하고, 상기 저온저장부에 저장된 저온의 열을 상기 제습냉각부의 제습 및 냉각열로 사용하는 냉방공급부;A dehumidifying cooler (an absorption type cooler or an adsorption type cooler or a dehumidifying rotor type cooler) for performing cooling by performing further evaporation, absorption, regeneration and, if necessary, condensation, And a dehumidifying cooling unit for removing and cooling water contained in the air flowing into the dehumidifying cooling unit or the air flowing out from the dehumidifying cooling unit, wherein the high temperature heat stored in the high temperature storage unit is used as a regeneration heat of the dehumidifying air conditioner A cooling supply unit that uses low temperature heat stored in the low temperature storage unit as a dehumidification and cooling heat of the dehumidification cooling unit;
상기 태양광발전부와 열원발생부와 냉방공급부의 동작을 제어하여, 상기 열원발생부 발열면에서 발생하는 고온의 열을 상기 고온저장부에 저장하도록 제어하고, 상기 열원발생부 흡열면에서 생성되는 저온의 열을 상기 저온저장부에 저장하도록 제어하고, 상기 고온저장부에 저장된 고온의 열을 상기 제습냉방기에 공급하여 상기 제습냉방기 흡수 물질의 재생동작을 제어하고, 상기 저온저장부에 저장된 저온의 열을 상기 제습냉각부에 공급하여 상기 제습냉각부의 제습 및 냉각 동작을 제어하고, 상기 각 구성요소의 동작 상태를 나타내고 저장하는 동작제어부;를 포함하여 구성되어,Controlling the operations of the solar power generation unit, the heat source generating unit and the cooling and supplying unit so as to store the high temperature heat generated on the heat generating surface of the heat source generating unit in the high temperature storage unit, And a controller for controlling the operation of storing the low-temperature heat in the low-temperature storage unit, the high-temperature heat stored in the high-temperature storage unit to the dehumidifying cooler to control the regeneration operation of the dehumidifying cooler absorbing material, And an operation control unit for supplying heat to the dehumidifying and cooling unit to control dehumidification and cooling operations of the dehumidifying and cooling unit and to display and store the operating states of the respective components,
상기 태양광발전부에서 발전한 전력을 열원발생부에 공급하고, 상기 열원발생부에서 발생하는 고온의 열과 저온의 열을 각기 분리하여 고온저장부와 저온저장부에 저장하며, 상기 고온저장부에 저장된 고온의 열과 저온저장부에 저장된 저온의 열을 냉방공급부에 공급하여 냉방을 수행함을 그 기술적 구성상의 특징으로 한다.The power generated by the photovoltaic power generation unit is supplied to the heat source generating unit, the high temperature heat and the low temperature heat generated by the heat source generating unit are separated and stored in the high temperature storage unit and the low temperature storage unit, And the cooling is performed by supplying the heat of high temperature and the heat of low temperature stored in the low temperature storage unit to the cooling and supplying unit.
이와 같이 구성된 본 발명은 태양광발전부를 이용하여 소비 전력을 공급하고, 열원발생부 발열면에서 발생하는 고온의 열을 고온저장부에 저장하고, 열원발생부 흡열면에서 생성되는 저온의 열을 저온저장부에 분리하여 저장하는 특징과, 상기 고온저장부에 저장된 고온의 열을 제습냉방기(흡수식 냉방기 또는 흡착식 냉방기 또는 제습로터식 냉방기)의 재생열로 이용하고, 저온저장부에 저장된 열을 이용하여 제습 및 냉각을 더 수행함에 특징이 있는 것이다.According to the present invention configured as described above, power consumption is supplied by using a solar power generator, high-temperature heat generated in a heat-generating surface of a heat-source generating unit is stored in a high-temperature storage unit, low temperature heat generated in a heat- And storing the heat in the high temperature storage part as a regenerating heat of the dehumidifying cooler (absorption type cooler or adsorption type cooler or dehumidifying rotor type cooler), and using the heat stored in the low temperature storage part Dehumidification and cooling are further performed.
상기 구성에 있어서, 상기 고온저장부에 저장된 고온의 열원과 열교환을 수행하여 온수를 공급하는 온수공급부;를 더 포함하여 구성됨을 특징으로 한다.According to another aspect of the present invention, there is further provided a hot water supply unit for supplying hot water by performing heat exchange with a high temperature heat source stored in the high temperature storage unit.
이와 같이 구성된 본 발명은 상기의 특징 외에 고온저장부에 저장된 고온의 열원을 이용하여 온수를 공급함에 특징이 있는 것이다.In addition to the features described above, the present invention is characterized in that hot water is supplied using a high-temperature heat source stored in the high-temperature storage unit.
상기 구성에 있어서, 상기 고온저장부에 저장된 고온의 열원과 열 교환을 수행하여 난방을 공급하는 난방공급부;를 더 포함하여 구성됨을 특징으로 한다.According to another aspect of the present invention, there is further provided a heating unit for supplying heat by performing heat exchange with a high-temperature heat source stored in the high-temperature storage unit.
이와 같이 구성된 본 발명은 상기의 특징 외에 고온저장부에 저장된 고온의 열을 이용하여 난방을 공급함에 특징이 있는 것이다.The present invention configured in this way is characterized in that, besides the above-mentioned features, the heating is supplied by using high-temperature heat stored in the high-temperature storage unit.
상기 구성에 있어서, 상기 고온저장부의 고온 출탕 경로에 설치되어 상기 고온저장부에 저장된 열량이 부족할 경우 열을 공급하는 보조열원공급부;를 더 포함하여 구성됨을 특징으로 한다.According to another aspect of the present invention, there is further provided an auxiliary heat source supply unit installed in the hot tap water path of the high temperature storage unit and supplying heat when the amount of heat stored in the high temperature storage unit is insufficient.
이와 같이 구성된 본 발명은 상기의 특징 외에 보조열원공급부를 통해 부족한 열원을 공급함에 특징이 있는 것이다. 즉, 날씨 상태가 불량하거나 일몰 후와 같이 태양광발전부에서 생산하는 전력이 부족하거나, 또는 열 부하량이 많아 열원발생부에서 발생하는 열로는 충당이 안될 경우 상기 보조열원공급부를 통해 고온의 열을 더 공급해주기 위한 것이다.
The present invention configured in this manner is characterized in that a deficient heat source is supplied through the auxiliary heat source supply unit in addition to the above features. That is, when the power generated by the photovoltaic power generation unit is insufficient, such as when the weather condition is poor or after the sunset, or when the heat generated by the heat source unit can not be covered due to a large heat load, To supply more.
상기 태양광발전부는,The solar power generator includes:
하나 이상의 태양전지로 이루어져 태양광 발전을 수행하는 태양전지부;A solar battery unit comprising at least one solar cell and performing solar power generation;
상기 태양전지부에서 발전하는 직류 전원을 변환하는 발전제어부; 및,A power generation control unit for converting DC power generated by the solar cell unit; And
상기 태양전지부를 지지하는 지지부;를 포함하여 구성됨을 특징으로 한다.And a support for supporting the solar cell unit.
이러한 태양광발전부는 상기 태양전지부에서 발전되는 직류 전원을 변환시켜 일정한 전압 값을 갖도록 하거나, 또는 변환된 직류 전원을 축전지에 저장하거나, 또는 상용 교류 전원으로 변환하여 출력하기 위한 것이다.The solar power generation unit converts the DC power generated by the solar cell unit to have a constant voltage value, or stores the converted DC power in a storage battery or converts the converted DC power into a commercial AC power for output.
상기 발전제어부는,Wherein the power generation control unit includes:
태양전지부에서 출력되는 직류 전압을 승압, 또는 강압하여 일정한 값의 직류 전압이 출력되도록 하는 전력변환부;A power converter for boosting or lowering the DC voltage output from the solar battery unit and outputting a DC voltage of a constant value;
하나 이상의 축전지로 이루어져 상기 전력변환부에서 출력되는 직류 전압을 저장하는 축전부; 및,A power storage unit comprising at least one battery and storing a DC voltage output from the power conversion unit; And
상기 전력변환부에서 출력되는 직류 전원, 또는 상기 축전지에 저장된 직류 전원을 교류 전원으로 변환하는 인버터;를 포함하여 구성됨을 특징으로 한다.And an inverter for converting a direct current power outputted from the power conversion unit or a direct current power stored in the battery into an alternating current power.
이러한 발전제어부는 상기 태양전지부에서 발전하는 직류 전원을 발전량에 따라 승압, 또는 강압시켜 일정한 전압의 전원으로 변환시켜 출력하거나, 또는 축전지에 저장하거나, 또는 상용 교류전원으로 변환시켜 사용하도록 하거나, 또는 계통 연계형 구성의 경우 외부로 송출할 수 있도록 한 것이다.The power generation control unit may convert the DC power generated by the solar battery unit into a power source of a constant voltage by boosting or reducing the power according to the power generation amount, storing the DC power source in a storage battery or converting it into commercial AC power, In the case of the grid-connected configuration, it can be sent out.
상기 전력변환부는 공지의 전력변환장치로 구성됨이 바람직하다. 태양전지부에서 발전하는 전원을 승압, 또는 강압시켜 일정한 직류 전원이 출력되도록 제어하는 전력변환장치의 구성은 주지하는 바와 같으므로 그 상세한 설명은 생략한다.It is preferable that the power conversion unit comprises a known power conversion device. The configuration of the power conversion device for controlling the output of the constant DC power by stepping up or down the power generated by the solar battery is well known, and a detailed description thereof will be omitted.
상기 지지부는 태양 위치에 따라 태양전지부의 위치를 제어하여 상기 태양전지부에 입사되는 태양광의 입사각을 제어하는 태양 추적장치가 포함됨을 특징으로 한다.The support unit may include a solar tracking device for controlling the position of the solar battery unit according to the sun position to control the incident angle of sunlight incident on the solar battery unit.
이러한 지지부는 태양 위치를 검출하여 태양전지부를 구성하는 각 태양전지의 방향을 조절함으로써 상기 태양전지에 입사되는 태양광이 최대가 되도록 한 것으로, 태양광 발전 효율이 최대가 되도록 하기 위한 것이다.The support unit detects the sun position and adjusts the direction of each solar cell constituting the solar cell unit to maximize the sunlight incident on the solar cell, thereby maximizing the photovoltaic power generation efficiency.
태양의 위치를 추적하여 태양전지의 각도를 제어하는 태양 추적장치에 대한 구성 및 동작을 주지하는 바와 같으므로 그 상세한 설명은 생략한다.Since the configuration and operation of the solar tracking device for tracking the position of the sun and controlling the angle of the solar cell are the same as those of the sun tracking device, detailed description thereof will be omitted.
상기 구성에 있어서, 상기 태양광발전부에서 발전되는 직류 전압 값이 특정한 값을 갖도록 태양전지를 직렬 접속하거나 병렬 접속, 또는 직병렬 접속하고, 상기 열원발생부가 상기 태양광발전부에서 발전되는 특정의 직류 전압 값으로 동작하도록 열전소자를 직렬 접속하거나 병렬 접속, 또는 직병렬 접속하여, 상기 태양광발전부에서 발전되는 직류 전압을 열원발생부에 직접 공급하도록 구성함을 특징으로 한다.In the above configuration, the solar cells may be connected in series, connected in parallel, or in series and parallel so that the DC voltage value generated by the solar power generator has a specific value, The direct current voltage generated by the solar power generation unit is directly supplied to the heat source generating unit by connecting the thermoelectric elements in series, parallel connection, or series-parallel connection so as to operate with the DC voltage value.
이는 태양광발전부에서 출력되는 직류 전압 값이 일정한 값이 되도록 함으로써 전력변환장치와 같은 별도의 부가 장치 없이 상기 태양광발전부에서 출력되는 값을 열원발생부에 직접 인가하기 위함이다. 예를 들어 열원발생부 동작 전압을 48V로 하였을 경우, 상기 태양광발전부의 태양전지 배열을 조절하여 태양광발전부의 발전량이 상기 48V가 되도록 함으로써, 별도의 전력변환장치나 축전지 없이 상기 태양광발전부에서 발전되는 전력을 직접 열원발생부에 인가할 수 있도록 하기 위한 것이다. 이러한 구성은 전력 변환 손실을 방지하고, 전력변환장치나 축전지 같은 별도의 부가 장치 설치로 인한 비용 상승을 방지하기 위한 것이다. 참고로, 상기 태양광발전부의 최대 발전량을 48V로 설정하면 기후 조건이나 환경에 따라 48V 이하의 전압을 갖는 전력이 생성되는데, 상기 열원발생부를 구성하는 열전소자의 경우에는 소자 특성상 상기 48V 이하의 값이 인가되어도 발생되는 고온이나 저온의 열량만 변화될 뿐 동작에는 이상이 없다.This is to directly apply the value output from the solar power generation unit to the heat source generation unit without a separate additional device such as a power conversion device by setting the DC voltage value outputted from the solar power generation unit to a constant value. For example, when the operating voltage of the heat source generating unit is set to 48 V, the solar cell arrangement of the solar cell unit is adjusted so that the power generation amount of the solar cell unit is 48 V, So that it is possible to directly apply the electric power generated in the heat source generating unit. Such a configuration is intended to prevent power conversion loss and to prevent an increase in cost due to the installation of a separate additional device such as a power conversion device or a battery. When the maximum power generation amount of the photovoltaic generation unit is set to 48V, power having a voltage of 48V or less is generated depending on climatic conditions or environment. In the case of the thermoelectric elements constituting the heat source generation unit, There is no abnormality in the operation although only the heat amount of the high temperature or the low temperature generated is changed.
상기 태양광발전부에서 태양전지의 배열을 조절하여 발전되는 직류 전압 값이 특정한 값이 되도록 할 경우에 있어서 상기 특정한 값은, 열원발생부 동작 전압 값의 일정 퍼센트가 되도록 함을 특징으로 한다. In the case where the direct current voltage value generated by regulating the arrangement of the solar cells in the solar power generation unit is a specific value, the specific value is a certain percentage of the operating voltage value of the heat source generating unit.
예를 들어, 태양광발전부의 최대 발전 전압 값이 열원발생부 동작 전압 값의 120%가 되도록 할 수 있다. 상기 일정 퍼센트는 열원발생부를 구성하는 열전소자의 소자 특성 및 내압 특성에 따라 다르게 설정된다.
For example, the maximum generation voltage value of the solar power generation part can be 120% of the heat source generation part operation voltage value. The predetermined percentage is set differently depending on the device characteristics and the withstand voltage characteristics of the thermoelectric elements constituting the heat source generating unit.
상기 열원발생부는,The heat source-
하나 이상의 열전소자로 이루어지며, 직류 전원 공급 방향에 따라 일측면에서는 발열작용을 하고 타측면에서는 흡열작용을 하는 열전소자부;A thermoelectric element part including at least one thermoelectric element and having a heat generating function at one side and an endothermic function at the other side according to a DC power supply direction;
일측면이 상기 열전소자부 발열면과 접촉하고, 타측면에 하나 이상의 열교환핀이 형성되어, 상기 열전소자부 발열면에서 발생하는 고온의 열을 열 교환하는 고온전달부; 및,A high temperature transmission portion having one side in contact with the heat generating surface of the thermoelectric element portion and one or more heat exchange fins formed in the other side of the thermoelectric element portion to exchange heat of high temperature generated from the heat generating surface of the thermoelectric element portion; And
일측면이 상기 열전소자부 흡열면과 접촉하고, 타측면에 하나 이상의 열교환핀이 형성되어, 상기 열전소자부 흡열면에서 생성되는 저온의 열을 열 교환하는 저온전달부;를 포함하여 구성됨을 특징으로 한다.And a low-temperature transmission part for heat-exchanging low-temperature heat generated from the heat-absorbing surface of the thermoelectric element part, one surface of which is in contact with the heat-absorbing surface of the thermoelectric element part and one or more heat- .
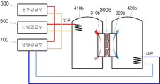
이러한 열원발생부는 상기 고온저장부와 저온저장부가 근접 설치되거나, 또는 상기 고온저장부와 저온저장부가 하나의 탱크로 구성되어, 상기 열원발생부에서 발생하는 고온의 열과 저온의 열을 자연대류에 의해 열 교환하여 상기 고온저장부와 저온저장부에 저장할 수 있을 경우에 사용하기 위한 것이다.The high-temperature storage unit and the low-temperature storage unit may be disposed adjacent to each other, or the high-temperature storage unit and the low-temperature storage unit may be formed of one tank. And can be stored in the high-temperature storage section and the low-temperature storage section by heat exchange.
상기 구성에 있어서 열원발생부는, 상기 고온전달부와 저온전달부 사이에 열전소자부가 삽입되는 공간을 마련하여 열전소자부를 삽입한 후, 상기 열전소자부 주위를 밀봉하여 방수 처리함으로써 열원저장탱크에 침수시켜 사용할 수 있도록 구성함을 특징으로 한다.In the above configuration, the heat source generating unit may include a space for inserting the thermoelectric element part between the high temperature transfer part and the low temperature transfer part, inserting the thermoelectric element part, sealing the thermoelectric element part and waterproofing the thermoelectric element part, So that it can be used.
즉, 도4와 도5에서 도시되는 바와 같이, 내열 특성과 단열 특성을 갖는 패킹(340c, 340d)과 마개(340a, 340b)를 사용하여 상기 고온전달부와 저온전달부 사이에 단열이 이루어지도록 하고, 상기 고온전달부와 저온전달부 사이에 삽입된 열전소자부 주위를 밀봉하여 방수가 되도록 함으로써 열원저장부(열원 저장 탱크)에 침수시켜 사용할 수 있도록 한 것이다. 상기 패킹(340c, 340d)과 마개(340a, 340b)는 일체화 시켜 하나의 패킹(미도시)으로 구성함이 바람직하다.That is, as shown in FIG. 4 and FIG. 5, by using the
상기 열전소자부는,The thermoelectric-
절연 특성과 내열 특성을 갖는 재질로 이루어지며, 하나 이상의 열전소자가 장착되는 절연시트; 및,An insulating sheet made of a material having an insulating property and a heat resistance property and having at least one thermoelectric element mounted thereon; And
상기 절연시트에 장착되는 하나 이상의 열전소자;를 포함하여 구성됨을 특징으로 한다.And one or more thermoelectric elements mounted on the insulating sheet.
상기 절연시트에는 상기 열전소자에 전원을 공급하는 전선이 안착되는 전선유도홈이 형성됨이 바람직하다.Preferably, the insulation sheet is provided with a wire guide groove on which a wire for supplying power to the thermoelectric element is seated.
상기 고온전달부 또는 저온전달부는, 열전소자부에 접촉하는 열전소자 접촉면과 열교환핀이 일체로 형성됨을 특징으로 한다.The high-temperature transfer part or the low-temperature transfer part is characterized in that a thermoelectric-element contact surface which contacts the thermoelectric element part and a heat-exchanging pin are integrally formed.
예를 들어, 알루미늄을 압출하여 일측면에는 열전소자부가 밀착되도록 하고, 타측면에는 하나 이상의 열교환핀이 형성되도록 하거나, 또는 단조 금형으로 열전소자부 접촉면과 열교환핀이 일체로 형성되도록 할 수 있다.For example, aluminum may be extruded so that the thermoelectric element is closely attached to one side and one or more heat exchange fins are formed on the other side. Alternatively, the thermoelectric element contact surface and the heat exchange pin may be integrally formed with a forging die.
상기 열교환핀은, 열교환핀의 길이를 각기 다르게 구성하거나, 또는 열교환핀의 간격을 다르게 구성하거나, 또는 열교환핀의 길이와 간격을 각기 다르게 구성함을 특징으로 한다. The heat exchange fins may be configured such that the lengths of the heat exchange fins are different from each other or that the intervals of the heat exchange fins are different or the length and spacing of the heat exchange fins are different from each other.
이는 상기 열전소자부 열전소자의 장착 위치와 열 분포 특성, 열 전도 특성 및 열 교환 특성에 따라 열교환핀 사이의 간격이나 길이를 조절함으로써 저장매체와의 열 교환 효율을 향상시키기 위한 것이다.
This is to improve the heat exchange efficiency with the storage medium by adjusting the interval or the length between the heat exchange fins according to the mounting position, the heat distribution characteristics, the heat conduction characteristics, and the heat exchange characteristics of the thermoelectric element thermoelectric elements.
상기 열원발생부는,The heat source-
하나 이상의 열전소자로 이루어지며, 직류 전원 공급 방향에 따라 일측면에서는 발열작용을 하고 타측면에서는 흡열작용을 하는 열전소자부;A thermoelectric element part including at least one thermoelectric element and having a heat generating function at one side and an endothermic function at the other side according to a DC power supply direction;
열전소자부 발열면에 접촉되며, 내부에 전열매체가 흐르는 공간이 마련되고, 상기 공간 내부에 전열매체와 접촉하는 하나 이상의 열교환핀이 구성되어, 상기 발열면과 전열매체 사이의 열 교환을 수행하는 고온교환부; 및A space in which a heat transfer medium flows is provided inside the space and one or more heat exchange fins are formed in the space in contact with the heat transfer medium to perform heat exchange between the heat transfer surface and the heat transfer medium High temperature exchange part; And
열전소자부 흡열면에 접촉되며, 내부에 전열매체가 흐르는 공간이 마련되고, 상기 공간 내부에 전열매체와 접촉하는 하나 이상의 열교환핀이 구성되어, 상기 흡열면과 전열매체 사이의 열 교환을 수행하는 저온교환부;를 포함하여 구성됨을 특징으로 한다.A space in which a heat transfer medium flows is provided inside the space and one or more heat exchange fins are formed in contact with the heat transfer medium to perform heat exchange between the heat absorption surface and the heat transfer medium And a low temperature exchange unit.
이러한 열원발생부는 상기 고온저장부와 저온저장부가 이격 설치되어 있을 경우 사용하기 위한 것이다. 즉, 고온저장부와 고온교환부 사이에 연결관 및 펌프를 설치하고, 저온저장부와 저온교환부 사이에 연결관 및 펌프를 설치한 후, 상기 고온저장부와 고온교환부 사이의 열 교환과, 저온저장부와 저온교환부 사이의 열 교환이 상기 펌프에 의한 전열매체의 강제순환으로 이루어지도록 하기 위한 것이다.
The heat source generating unit is for use when the high temperature storage unit and the low temperature storage unit are provided apart from each other. That is, a connection pipe and a pump are provided between the high-temperature storage section and the high-temperature exchange section, a connection pipe and a pump are provided between the low-temperature storage section and the low- temperature exchange section, , And heat exchange between the low-temperature storage section and the low-temperature exchange section is performed by forced circulation of the heat transfer medium by the pump.
상기 고온교환부는,The high-
내부에 전열매체가 흐르는 공간이 마련되고, 상기 공간 내부에 전열매체와 접촉하는 하나 이상의 열교환핀이 형성되며, 외부 일측면이 열전소자부 발열면에 접촉하는 열교환몸체;A heat exchange body having a space in which a heat transfer medium flows therein, at least one heat exchange fin in contact with the heat transfer medium in the space, and an outer side surface of the heat exchange body contacting the heat generating surface of the thermoelectric element;
상기 열교환몸체 상부에 장착되며, 상부에 전열매체가 유출되는 상부연결관이 마련되고, 내부 공간이 하부로 갈수록 넓어져 열교환몸체를 흐르던 전열매체가 고르게 모아져서 유출될 수 있도록 하는 상부캡; An upper cap mounted on the heat exchange body and provided with an upper connection pipe through which the heat transfer medium flows out, and an upper cap which is widened toward the lower side to uniformly collect and discharge the heat transfer medium flowing through the heat exchange body;
내열 및 단열 소재로 이루어지며, 상기 상부캡과 열교환몸체 사이에 삽입되어 기밀을 유지하는 상부패킹;An upper packing made of heat-resistant and heat insulating material and inserted between the upper cap and the heat exchange body to maintain airtightness;
상기 열교환몸체 하부에 장착되며, 하부에 전열매체가 유입되는 하부연결관이 마련되고, 내부 공간이 하부로 갈수록 좁아져 전열매체가 열교환몸체 전체로 고르게 퍼져 흐를 수 있도록 하는 하부캡; 및,A lower cap mounted on a lower portion of the heat exchange body and provided with a lower connection pipe through which a heat transfer medium flows into the lower portion and narrows as the inner space is lowered to allow the heat transfer medium to spread evenly throughout the heat exchange body; And
내열 및 단열 소재로 이루어지며, 상기 열교환몸체와 하부캡 사이에 삽입되어 기밀을 유지하는 하부패킹;을 포함하여 구성되어, And a lower packing inserted between the heat exchange body and the lower cap to maintain airtightness,
상기 하부캡의 하부연결관을 통해 유입되는 전열매체가 열교환몸체를 통해 상부캡의 상부연결관으로 유출되는 동안 열전소자부 발열면과의 열 교환이 이루어지도록 함을 그 기술적 구성상의 특징으로 한다.And heat exchange with the heat generating surface of the thermoelectric element is performed while the heat transfer medium flowing through the lower connecting tube of the lower cap flows out to the upper connecting tube of the upper cap through the heat exchanging body.
상기 열교환몸체와 열교환핀은 압출 성형하여 일체로 구성함을 특징으로 한다.The heat exchange body and the heat exchange fin are integrally formed by extrusion molding.
상기 열교환몸체에 형성되는 열교환핀은, 상기 열교환핀의 길이를 각기 다르게 구성하거나, 또는 열교환핀의 간격을 다르게 구성하거나, 또는 열교환핀의 길이와 간격을 각기 다르게 구성함을 특징으로 한다. The heat exchange fins formed in the heat exchange body may be configured such that the lengths of the heat exchange fins are different from each other or the intervals of the heat exchange fins are different or the length and spacing of the heat exchange fins are different from each other.
이와 같이 구성된 열교환몸체는, 상기 열전소자부 열전소자의 장착 위치와 열 전도 특성에 따라 열교환핀 사이의 간격이나 길이를 조절함으로써 전열매체와의 열 교환 효율을 향상시키기 위한 것이다.The heat exchanging body thus configured is intended to improve the heat exchange efficiency with the heat transfer medium by adjusting the interval or the length between the heat exchange fins according to the mounting position and the heat conduction characteristics of the thermoelectric element thermoelectric element.
상기 고온교환부는, 고온교환부를 흐르는 전열매체의 온도를 검출하는 온도센서가 하나 이상 장착됨을 특징으로 한다.The high temperature exchanging part is characterized in that at least one temperature sensor for detecting the temperature of the heat transfer medium flowing through the high temperature exchanging part is installed.
이러한 온도센서는 열교환몸체에 장착되거나, 또는 상부캡의 상부연결관(또는 하부캡의 하부연결관)의 전열매체 순환 경로 상에 장착되어 고온교환부를 통과하는 전열매체의 온도를 검출하기 위한 것이다.
The temperature sensor is mounted on the heat exchange body or mounted on the heat transfer medium circulation path of the upper connection pipe of the upper cap (or the lower connection pipe of the lower cap) to detect the temperature of the heat transfer medium passing through the high temperature exchange part.
상기 저온교환부는,The low-
내부에 전열매체가 흐르는 공간이 마련되고, 상기 공간 내부에 전열매체와 접촉하는 하나 이상의 열교환핀이 형성되며, 외부 일측면이 열전소자부 흡열면에 접촉하는 열교환몸체;A heat exchange body having a space in which a heat transfer medium flows, at least one heat exchange fin in contact with the heat transfer medium in the space, and an outer side surface of the heat exchange body contacting the heat absorption surface of the thermoelectric element;
상기 열교환몸체 상부에 장착되며, 상부에 전열매체가 유입되는 상부연결관이 마련되고, 내부 공간이 하부로 갈수록 넓어져 전열매체가 열교환몸체 전체로 고르게 퍼져 흐를 수 있도록 하는 상부캡;An upper cap mounted on the heat exchange body and provided with an upper connection pipe through which the heat transfer medium flows into the upper portion and an inner space spreading downward to allow the heat transfer medium to flow evenly throughout the heat exchange body;
내열 및 단열 소재로 이루어지며, 상기 상부캡과 열교환몸체 사이에 삽입되어 기밀을 유지하는 상부패킹;An upper packing made of heat-resistant and heat insulating material and inserted between the upper cap and the heat exchange body to maintain airtightness;
상기 열교환몸체 하부에 장착되며, 하부에 전열매체가 유출되는 하부연결관이 마련되고, 내부 공간이 하부로 갈수록 좁아져 열교환몸체를 흐르던 전열매체가 고르게 모아져서 유출될 수 있도록 하는 하부캡; 및,A lower cap mounted on a lower portion of the heat exchange body and provided with a lower connection pipe through which a heat transfer medium flows out downward and narrows downward as the internal space is lowered so that the heat transfer medium flowing through the heat exchange body can be uniformly collected and discharged; And
내열 및 단열 소재로 이루어지며, 상기 열교환몸체와 하부캡 사이에 삽입되어 기밀을 유지하는 하부패킹;을 포함하여 구성되어, And a lower packing inserted between the heat exchange body and the lower cap to maintain airtightness,
상기 상부캡의 상부연결관을 통해 유입되는 전열매체가 열교환몸체를 통해 하부캡의 하부연결관으로 유출되는 동안 열전소자부 흡열면과의 열 교환이 이루어지도록 함을 그 기술적 구성상의 특징으로 한다.And heat exchange with the heat absorbing surface of the thermoelectric element is performed while the heat transfer medium flowing through the upper connecting tube of the upper cap flows out to the lower connecting tube of the lower cap through the heat exchanging body.
상기 저온교환부는, 저온교환부를 흐르는 전열매체의 온도를 검출하는 온도센서가 하나 이상 장착됨을 특징으로 한다.
The low temperature exchanging part is characterized in that at least one temperature sensor for detecting the temperature of the heat transfer medium flowing through the low temperature exchanging part is installed.
상기 열원저장부의 고온저장부와 저온저장부는, 탱크 내부에 분리막을 설치하여 상기 분리막에 의해 분리된 공간의 일측을 고온저장부로 하고, 타측을 저온저장부로 함을 특징으로 한다.The high-temperature storage unit and the low-temperature storage unit of the heat source storage unit may be provided with a separation membrane inside the tank, one side of the space separated by the separation membrane is referred to as a high-temperature storage unit, and the other side thereof is referred to as a low-temperature storage unit.
이러한 열원저장부는 하나의 탱크를 사용하여 고온저장부와 저온저장부를 구성하기 위한 것이다. 즉, 탱크 내부에 분리막을 설치하여 내부 공간을 두 개로 나눈 후 상기 두 개의 공간을 사용하여 고온의 열원과 저온의 열원을 분리하여 저장하기 위한 것이다. This heat source storage part is for constituting the high temperature storage part and the low temperature storage part by using one tank. That is, a separation membrane is provided in the tank to divide the internal space into two spaces, and then the high-temperature heat source and the low-temperature heat source are separated and stored using the two spaces.
하나의 탱크 내부에 분리막을 설치하여 탱크 내부 공간을 고온저장부와 저온저장부로 나눌 경우에는, 수평으로 분리막을 설치하여 상기 수평으로 설치된 분리막을 경계로 하여 상부 공간을 고온저장부로 하고, 하부 공간을 저온저장부로 함을 특징으로 한다.When a separation membrane is provided in one tank and the space inside the tank is divided into a high-temperature storage unit and a low-temperature storage unit, a horizontal separation membrane is provided and the upper space is defined as a high- Temperature storage unit.
이러한 열원저장부는 상기 수평 분리막을 경계로 하여 상부에서는 발열작용이 일어나고 하부에서는 흡열작용이 일어나도록 열원발생부를 장착함으로써, 상기 열원발생부 발열면에서 발생하는 고온의 열은 상부에 위치한 고온저장부에 저장되도록 하고, 흡열면에서 생성되는 저온의 열은 하부에 위치한 저온저장부에 저장되도록 하기 위한 것이다. 또한 탱크 상부에 고온저장부를 구성하고, 하부에 저온저장부를 구성함으로써 자연대류에 의한 성층화가 용이하게 이루어지도록 하기 위한 것이다.The heat source storage unit is mounted with the heat source generating unit so that the heat generating action occurs at the upper portion and the endothermic action occurs at the lower portion with the horizontal separating film as a boundary. The high temperature heat generated from the heat generating surface of the heat source generating unit is stored in the high- And the low-temperature heat generated from the heat-absorbing surface is stored in the low-temperature storage portion located below. In addition, a high-temperature storage section is formed above the tank and a low-temperature storage section is provided below the tank, so that stratification by natural convection can be facilitated.
하나의 탱크 내부에 분리막을 설치하여 탱크 내부 공간을 고온저장부와 저온저장부로 나눌 경우에는, 수직으로 분리막을 설치하여 상기 수직으로 설치된 분리막을 경계로 하여 일측 공간을 고온저장부로 하고, 타측 공간을 저온저장부로 함을 특징으로 한다.When a separation membrane is provided in one tank and the space inside the tank is divided into the high-temperature storage section and the low-temperature storage section, a vertical separation membrane is provided so that one side space is defined as a high- Temperature storage unit.
이러한 열원저장부는 상기 수직 분리막을 경계로 하여 고온저장부에서는 발열작용이 일어나고 저온저장부에서는 흡열작용이 일어나도록 상기 열원발생부를 장착함으로써, 상기 열원발생부 발열면에서 발생하는 고온의 열은 고온저장부에 저장되고, 흡열면에서 생성되는 저온의 열은 저온저장부에 저장되도록 하기 위한 것이다.The heat source storage unit is mounted with the heat source generating unit so that a heat generating action occurs in the high temperature storage unit and an endothermic action occurs in the low temperature storage unit with the vertical separator as a boundary. The high temperature heat generated from the heat generating surface of the heat source generating unit is stored And the low temperature heat generated on the heat absorbing surface is stored in the low temperature storage portion.
상기 하나의 탱크 내부에 분리막을 설치하여 내부 공간을 나눌 경우에는 고온의 열원이 저장되는 공간과 저온의 열원이 저장되는 공간의 크기를 각기 다르게 구성함을 특징으로 한다.When a separation membrane is provided in the one tank to divide the internal space, a space for storing a high-temperature heat source and a space for storing a low-temperature heat source are configured differently from each other.
상기에 있어서 고온의 열원이 저장되는 공간과 저온의 열원이 저장되는 공간을 다르게 구성할 경우에는 고온의 열원이 저장되는 공간을 더 크게 구성함을 특징으로 한다.In this case, when a space for storing a high-temperature heat source and a space for storing a low-temperature heat source are configured differently, a space for storing a high-temperature heat source is made larger.
이와 같이 열 저장 용량을 각기 다르게 설계하는 이유는 상기 열전소자부에서 생성되는 고온의 열과 저온의 열 중 고온의 열이 더 많이 만들어지기 때문이다. 다시 말해, 열전소자부 흡열면에서는 흡열 당한 만큼의 저온의 열원이 생성되지만, 발열면에서는 상기 흡열면에서 흡열한 열에 열전소자부에 공급된 사용 전력이 환산된 열이 포함되기 때문이다.The reason why the heat storage capacity is designed differently is that the high temperature heat generated from the thermoelectric element and the high temperature heat generated from the low temperature heat are generated more. In other words, a low-temperature heat source as much as the endothermic heat is generated on the heat-absorbing surface of the thermoelectric element part, but the heat on the heat-absorbing surface includes the heat converted into the power used for the thermoelectric element.
상기 열원저장부의 고온저장부, 또는 저온저장부는, 내부에 하나 이상의 내부열교환기를 포함하여 구성됨이 바람직하다.The high-temperature storage unit or the low-temperature storage unit of the heat source storage unit may include at least one internal heat exchanger.
상기 열원저장부의 고온저장부, 또는 저온저장부는, 내부의 온도를 검출하는 온도센서가 하나 이상 장착됨이 바람직하다.The high-temperature storage unit or the low-temperature storage unit of the heat source storage unit may include at least one temperature sensor for detecting the internal temperature.
상기 열원발생부에서 발생하는 고온의 열과 저온의 열을 고온저장부와 저온저장부에 저장할 경우에는, 상기 고온저장부와 저온저장부에 채워지는 저장매체(물, 열매체 등)의 자연대류에 의해 열 교환이 이루어지도록 함을 특징으로 한다.When high-temperature heat and low-temperature heat generated in the heat-source generating unit are stored in the high-temperature storage unit and the low-temperature storage unit, natural convection of the storage medium (water, heat medium, etc.) filled in the high- So that heat exchange can be performed.
이는 상기 저장매체를 자연대류에 의해 순환시켜 열 교환이 이루어지도록 함으로써 저장매체를 강제 순환시키기 위한 구성요소(예: 배관, 펌프 등)를 제거하기 위한 것이다.This is for removing components (e.g., piping, pumps, etc.) for forced circulation of the storage medium by allowing the storage medium to circulate by natural convection to effect heat exchange.
상기 열원저장부의 고온저장부와 저온저장부는, 고온의 열원을 저장하는 고온저장탱크와, 저온의 열원을 저장하는 저온저장탱크로 구성됨을 특징으로 한다.The high-temperature storage unit and the low-temperature storage unit of the heat source storage unit may include a high-temperature storage tank for storing a high-temperature heat source and a low-temperature storage tank for storing a low-temperature heat source.
이러한 열원저장부는 고온저장부와 저온저장부를 각각 별개의 탱크로 구성하기 위한 것이다.The heat source storage unit is for constituting the high-temperature storage unit and the low-temperature storage unit as separate tanks.
상기 냉방공급부는, 상기 제습냉각기에서 유출되는 공기를 냉각시키는 냉각부;를 더 포함하여 구성되고, 상기 냉각부는 상기 저온저장부에 저장된 저온의 열을 이용하여 상기 제습냉각기에서 유출되는 공기를 냉각시킴을 특징으로 한다.
The cooling unit may further include a cooling unit for cooling the air flowing out of the dehumidifying cooler, wherein the cooling unit cools the air flowing out of the dehumidifying cooler using the low temperature heat stored in the low temperature storage unit .
상기 제습냉각부는,The dehumidifying-
상기 저온저장부에 저장된 저온의 열원이 공급되어 흐르는 냉각관;A cooling pipe through which a low-temperature heat source stored in the low-temperature storage unit flows;
상기 냉각관에 접촉되도록 설치되며, 상기 냉각관에 전도된 저온의 열이 전도되어 유입되는 공기를 냉각시키고 수분을 제거하는 제습망;A dehumidifying net installed to be in contact with the cooling pipe, for cooling the air introduced into the cooling pipe through the low-temperature heat to remove the moisture;
상기 제습망 하부에 장착되며, 상기 제습망에 맺힌 물방울이 저장되는 수조;A water tank installed at the bottom of the dehumidification net to store water droplets formed in the dehumidification net;
상기 제습망에 맺힌 물방울을 수조로 유도하는 배수관;A water pipe for leading water droplets formed in the dehumidifying net to a water tank;
내부에 상기 냉각관과 제습망과 수조 및 배수관이 장착되며, 공기 유입구와 유출구가 마련된 케이스; 및,A case in which the cooling pipe, the dehumidification net, the water tank, and the drain pipe are installed, the case having an air inlet and an outlet; And
상기 케이스 내부에 장착되며, 상기 공기 유입구를 통해 외부 공기를 유입시켜 제습망을 통해 유출구로 유출시키는 송풍팬;을 포함하여 구성됨을 특징으로 한다.And a blower fan installed inside the case and allowing the outside air to flow through the air inlet port and flow out to the outlet port through the dehumidifying net.
상기 구성에 있어서 상기 케이스 전면에는 안전망이 장착됨이 바람직하다.In the above configuration, a safety net is preferably mounted on the case front surface.
이러한 안전망은 제습냉각부를 제습냉각기 후단에 설치하여 상기 제습냉각부에서 토출되는 냉풍을 실내에 공급할 경우 안전사고를 방지하기 위한 것이다.This safety net is for preventing a safety accident when the dehumidifying cooling unit is installed at the downstream end of the dehumidifying cooling unit and cold air discharged from the dehumidifying cooling unit is supplied to the room.
상기 수조는 수조에 고인 물을 외부로 방출하는 배수펌프가 설치됨을 특징으로 한다. Wherein the water tank is provided with a water drain pump for discharging water to the outside.
이러한 배수펌프는 수동, 또는 자동으로 수조에 고인 물을 외부로 배출하기 위한 것이다. Such a drain pump is intended to discharge the water, which is stored in the water tank, manually or automatically.
수조의 높이를 검출하여 일정량 이상의 물이 고였을 때 이를 외부로 배출하는 자동배수펌프의 구성 및 동작은 주지하는 바와 같으므로 그 상세한 설명은 생략한다.
Since the construction and operation of the automatic drain pump for detecting the height of the water tank and discharging the water to the outside when a certain amount of water is higher than the predetermined amount are known, detailed description thereof will be omitted.
상기 냉각부는,The cooling unit includes:
상기 저온저장부에 저장된 저온의 열원이 공급되어 흐르는 냉각관;A cooling pipe through which a low-temperature heat source stored in the low-temperature storage unit flows;
상기 냉각관에 접촉되도록 설치되며, 상기 냉각관에 전도된 저온의 열이 전도되어 유입되는 공기를 냉각시키는 냉각망;A cooling net installed to be in contact with the cooling pipe and cooling the air introduced into the cooling pipe and passing low-temperature heat therethrough;
내부에 상기 냉각관과 제습망이 장착되며, 공기 유입구와 유출구가 마련된 케이스; 및,A case having the cooling pipe and the dehumidification net installed therein, the case having an air inlet and an outlet; And
상기 케이스 내부에 장착되며, 상기 공기 유입구를 통해 외부 공기를 유입시켜 제습망을 통해 유출구로 유출시키는 송풍팬;을 포함하여 구성됨을 특징으로 한다.And a blower fan installed inside the case and allowing the outside air to flow through the air inlet port and flow out to the outlet port through the dehumidifying net.
이러한 냉각부는 제습냉각기에서 토출되는 차가운 바람을 더욱 차갑게 냉각시켜주기 위한 것이다.
This cooling part is for cooling the cool wind discharged from the dehumidifying cooler more coolly.
상기 동작제어부는,The operation control unit,
하나 이상의 온도센서로 이루어져 열원저장부 온도와 냉방공급부 온도 및 실내 온도 등을 검출하는 온도센서부;A temperature sensor unit including at least one temperature sensor for detecting the temperature of the heat source storage unit, the temperature of the cooling supply unit, and the room temperature;
전열매체의 흐름 경로에 설치되는 하나 이상의 유량센서로 이루어져, 열원발생부와 열원저장부 사이를 흐르는 전열매체의 유량, 또는 냉방공급부에 공급하는 전열매체의 유량 등을 검출하는 유량검출부;A flow rate detector for detecting a flow rate of the heat transfer medium flowing between the heat source generating unit and the heat source storage unit or a flow rate of the heat transfer medium supplied to the cooling and supplying unit, the flow rate detecting unit comprising at least one flow sensor installed in the flow path of the heat transfer medium;
사용자에 의해 조작되는 스위치부;A switch unit operated by a user;
태양광발전부와, 열원발생부와, 열원저장부와, 냉방공급부의 동작 데이터 및 상태 데이터 등을 나타내는 표시부;A display unit that displays operation data and state data of the solar power generation unit, the heat source generation unit, the heat source storage unit, and the cooling and supply unit;
태양광발전부와, 열원발생부와, 열원저장부와, 냉방공급부의 동작 데이터 및 상태 데이터 등을 저장하는 데이터저장부;A data storage unit for storing operation data and state data of the solar power generation unit, the heat source generation unit, the heat source storage unit, and the cooling and supply unit;
열원발생부의 동작을 제어하는 열원발생제어부;A heat source generation control unit for controlling an operation of the heat source generation unit;
전열매체 순환 펌프의 동작을 제어하는 펌프제어부;A pump controller for controlling operation of the heat transfer medium circulation pump;
상기 온도센서부와 유량검출부와 스위치부와 표시부와 데이터저장부의 동작을 제어하여, 상기 태양광발전부에서 발전한 전력을 열원발생부에 저장하고, 열원발생부의 축열동작을 제어하며, 냉방공급부의 동작을 제어하는 제어부; 및,The control unit controls the operation of the temperature sensor unit, the flow rate detection unit, the switch unit, the display unit, and the data storage unit, stores the power generated by the solar power generation unit in the heat source generation unit, controls the heat storage operation of the heat source generation unit, ; And
상기 각 구성요소에 동작 전원을 공급하는 전원공급부;를 포함하여 구성됨을 그 기술적 구성상의 특징으로 한다.And a power supply unit for supplying operating power to each of the components.
상기 구성에 있어서 외부 기기(예: 모니터링 장치, 원격제어 시스템, 또는 다른 시스템의 동작제어부 등)와 통신을 수행하는 통신부;를 더 포함하여 구성함을 특징으로 한다.And a communication unit configured to communicate with an external device (e.g., a monitoring device, a remote control system, or an operation control unit of another system) in the above configuration.
이와 같이 구성된 통신부는 외부기기와 통신을 수행하여 동작 데이터와 상태 데이터 및, 제어명령 등을 송수신하기 위한 것이다.The communication unit configured to communicate with the external device transmits and receives operation data, status data, and control commands.
외부 기기와 유선통신, 또는 무선통신을 수행하는 유선통신장치, 또는 무선통신장치의 구성 및 동작을 주지하는 바와 같으므로 그 상세한 설명은 생략한다.A wired communication device that performs wired communication with the external device, or a wired communication device that performs wireless communication, or a configuration and operation of the wireless communication device, and thus a detailed description thereof will be omitted.
상기 온도센서부는 열원발생부 온도, 또는 온수 공급 온도, 또는 난방 공급 온도를 더 검출함을 특징으로 한다.Wherein the temperature sensor unit further detects a temperature of the heat source generating unit, a hot water supply temperature, or a heating supply temperature.
상기 유량검출부는 난방공급부에 공급하는 전열매체의 유량, 또는 제습냉각부에 공급되는 전열매체의 유량, 또는 냉각부에 공급되는 전열매체의 유량을 더 검출함을 특징으로 한다.Wherein the flow rate detecting unit further detects a flow rate of the heat transfer medium supplied to the heating supply unit, a flow rate of the heat transfer medium supplied to the dehumidification cooling unit, or a flow rate of the heat transfer medium supplied to the cooling unit.
상기 온도검출부는 온도센서에서 검출한 아날로그 값을 제어부에 입력하면, 상기 제어부에서 디지털 값으로 변환하여 온도를 검출할 수 있도록 구성함이 바람직하다.The temperature detector may be configured to detect the temperature by converting the analog value detected by the temperature sensor into a digital value in the controller.
상기 온도검출부에서 온도센서를 통해 검출한 온도를 제어부에 인터페이스 시켜 A/D 변환한 후 온도를 검출하는 구성 및 동작은 주지하는 바와 같으므로 그 상세한 설명은 생략한다.The configuration and operation of interfacing the temperature detected by the temperature detector with the temperature sensor to the control unit and A / D-converting the temperature detected by the temperature detecting unit are known, and a detailed description thereof will be omitted.
상기 유량검출부의 유량센서는 검출한 유량을 디지털 값으로 출력하는 디지털 유량센서로 구성됨이 바람직하다. 디지털 유량센서의 구성 및 동작을 주지하는 바와 같으므로 그 상세한 동작은 생략한다.Preferably, the flow rate sensor of the flow rate detecting unit is constituted by a digital flow rate sensor which outputs the detected flow rate as a digital value. Since the configuration and operation of the digital flow sensor are known, detailed operation thereof is omitted.
상기 제어부는 입출력단자, 연산모듈, 메모리, 통신모듈 및 A/D 컨버터나 D/A 컨버터 등을 선택적으로 갖는 마이컴, 또는 PLC 등으로 구성됨이 바람직하다.Preferably, the control unit comprises an input / output terminal, a calculation module, a memory, a communication module, a microcomputer selectively having an A / D converter and a D / A converter, or a PLC.
상기 데이터저장부는 상기 제어부를 이루는 마이컴의 내부메모리, 또는 상기 마이컴의 제어를 받는 외부메모리(플래시 메모리, SD 메모리카드 등)로 구성됨이 바람직하다.The data storage unit may comprise an internal memory of the microcomputer constituting the control unit or an external memory (flash memory, SD memory card, etc.) under the control of the microcomputer.
상기 표시부는 액정표시장치로 구성됨이 바람직하다.Preferably, the display unit comprises a liquid crystal display device.
상기 열원발생제어부는 하나 이상의 스위칭 소자로 이루어져 상기 제어부의 제어신호에 따라 열원발생부에 인가되는 전원 공급을 제어하도록 구성됨이 바람직하다.The heat source generation control unit may include at least one switching device, and may be configured to control power supply to the heat source generation unit according to a control signal of the control unit.
특정의 제어신호에 의해 스위칭 되어 전원 공급을 온/오프 시키는 구성 및 동작은 주지하는 바와 같으므로 그 상세한 설명은 생략한다.The configuration and operation of turning on / off the power supply by switching by a specific control signal are known, and a detailed description thereof will be omitted.
상기 열원발생제어부에서 열원발생부에 공급되는 전원을 제어할 경우에는, 열원발생부에 공급되는 직류 전원의 극성을 더 제어함을 특징으로 한다.The polarity of the DC power supplied to the heat source generating unit is further controlled when the power supplied to the heat source generating unit is controlled by the heat source generating control unit.
이러한 열원발생제어부는 열원발생부에 공급되는 전원을 제어하여 흡열면과 발열면을 바꾸어줌으로써 열원저장부 중 고온저장부의 과열을 방지하기 위한 것이다. 즉, 고온저장부에 저장된 고온의 열원이 일정 온도 이상이 되었을 경우에 열원발생부에 공급되는 전원을 차단하거나, 또는 발열면과 흡열면을 바꾸어줌으로써 고온저장부가 과열되는 것을 방지하기 위한 것이다.The heat source generation control unit controls the power source supplied to the heat source generating unit to change the heat absorbing surface and the heat generating surface to prevent overheating of the high temperature storage unit of the heat source storing unit. That is, when the high-temperature heat source stored in the high-temperature storage unit becomes a certain temperature or more, the power source supplied to the heat source generating unit is shut off, or the heat-storage surface and the heat-absorbing surface are changed to prevent the high-temperature storage unit from being overheated.
상기 펌프제어부는 하나 이상의 스위칭 소자로 이루어져 상기 제어부의 제어신호에 따라 각 펌프(열원발생부와 열원저장부 사이의 전열매체 순환펌프, 난방 공급 순환펌프, 냉방공급부 고온 순환펌프, 냉방공급부 저온 순환펌프 등)에 인가되는 전원 공급을 제어하도록 구성됨이 바람직하다.The pump control unit includes at least one switching device, and the pump control unit is connected to each pump (a heat transfer medium circulation pump, a heating supply circulation pump, a cooling and supplying unit high temperature circulation pump, a cooling and supplying unit low temperature circulation pump, And the like).
상기 전원공급부는 태양광발전부에서 발전하는 직류전원, 또는 상용 교류전원을 변환한 직류 전원을 상기 열원발생부에 공급함을 특징으로 한다.The power supply unit supplies the DC power generated by the solar power generation unit or the DC power converted from the commercial AC power to the heat source generation unit.
이러한 전원공급부는 상기 태양광발전부에서 발전하는 전력이 충분할 경우에는 태양광발전부에서 발전하는 전력을 열원발생부에 공급하고, 발전량이 충분하지 않을 경우에는 상용 교류 전원을 직류 전원으로 변환하여 열원발생부에 공급하기 위한 것이다. 즉, 태양광발전부에서 발전하는 전력이 충분할 경우에는 상기 태양광발전부에서 공급하는 전력으로 소비 전력을 충당하고, 발전량이 부족할 경우에는 220V 상용 교류 전원을 직류 전원으로 변환하여 소비 전력으로 충당시키기 위한 것이다.The power supply unit supplies the power generated by the solar power generation unit to the heat source generating unit when the power generated by the solar power generation unit is sufficient. When the generated power is insufficient, the power supply unit converts the commercial AC power into the DC power, To the generating unit. That is, when the power generated by the solar power generation unit is sufficient, the power supplied by the photovoltaic power generation unit is consumed, and when the power generation capacity is insufficient, the 220V commercial AC power is converted into the DC power, .
상용 교류전원을 직류전원으로 변환하는 직류전원 변환장치의 구성 및 동작은 주지하는 바와 같으므로 그 상세한 설명은 생략한다.Since the configuration and operation of the DC power supply apparatus for converting the commercial AC power into the DC power supply are well known, a detailed description thereof will be omitted.
상기 전원공급부는 상기 제어부의 제어에 따라 공급되는 전원의 종류를 선택함이 바람직하다. Preferably, the power supply unit selects a type of power supplied according to the control of the controller.
상기 보조열원공급부는, 기름보일러나 가스보일러, 또는 전기보일러로 구성됨이 바람직하다.
Preferably, the auxiliary heat source supply unit comprises an oil boiler, a gas boiler, or an electric boiler.
한편, 본 발명 "태양광과 열전소자를 이용한 제습 냉난방 방법"은,On the other hand, the "dehumidifying cooling and heating method using sunlight and thermoelectric element"
태양광 발전을 수행하는 하나 이상의 태양전지로 태양광발전부를 구성하여 발전 전력을 열전소자부에 공급하고, The solar power generation unit is constituted by at least one solar cell that performs solar power generation, and the generated power is supplied to the thermoelectric element unit,
하나 이상의 열전소자로 일측면에서는 발열작용을 하고 타측면에서는 흡열작용을 하도록 열전소자부를 구성하고,One or more thermoelectric elements constitute a thermoelectric element portion to exert a heat generating effect on one side and an endothermic effect on the other side,
고온의 열원을 저장하는 고온저장부와 저온의 열원을 저장하는 저온저장부로 열원저장부를 구성하고,A heat source storage unit is constituted by a high temperature storage unit for storing a high temperature heat source and a low temperature storage unit for storing a low temperature heat source,
상기 열원발생부 발열면에서 발생하는 고온의 열은 상기 고온저장부에 저장하고,The high temperature heat generated from the heat generating surface of the heat source generating unit is stored in the high temperature storage unit,
상기 열원발생부 흡열면에서 생성되는 저온의 열은 상기 저온저장부에 저장한 후,The low-temperature heat generated from the heat-absorbing surface of the heat-generating portion is stored in the low-temperature storage portion,
상기 고온저장부에 저장된 고온의 열을 이용하여 온수 공급과 난방 공급을 수행하고,The hot water supply and the heating supply are performed using the high temperature heat stored in the high temperature storage unit,
상기 고온저장부에 저장된 고온의 열을 제습냉방기(흡수식 냉방기, 또는 흡착식 냉방기, 또는 제습로터식 냉방기)의 재생열로 사용하고, 상기 저온저장부에 저장된 저온의 열을 이용하여 제습 및 냉각을 수행함을 그 방법적 구성상의 특징으로 한다.
The high-temperature heat stored in the high-temperature storage unit is used as a regenerating heat of the dehumidifying cooler (absorption type cooler, adsorption type cooler, or dehumidification rotor type cooler), and dehumidification and cooling are performed using low temperature heat stored in the low temperature storage unit Is a characteristic feature of the method construction.
본 발명 "태양광과 열전소자를 이용한 제습 냉난방 시스템의 제어방법"은, 태양광 발전을 수행하여 발전 전력을 열원발생부에 공급하는 태양광발전부와, 하나 이상의 열전소자로 이루어져 일측면에서는 발열작용을 하고 타측면에서는 흡열작용을 하는 열원발생부와, 고온저장부와 저온저장부로 이루어진 열원저장부와, 냉방을 수행하는 냉방공급부와, 난방을 공급하는 난방공급부 및 온수를 공급하는 온수공급부를 포함하여 이루어져, 상기 열원발생부 발열면에서 발생되는 고온의 열은 고온저장부에 저장하고, 상기 열원발생부 흡열면에서 생성되는 저온의 열은 저온저장부에 분리하여 저장한 후, 상기 고온저장부와 저온저장부에 저장된 열원을 이용하여 냉난방을 수행하는 태양광과 열전소자를 이용한 제습 냉난방 시스템에 있어서,A control method of a dehumidifying heating and cooling system using sunlight and a thermoelectric element according to the present invention is a method of controlling a dehumidifying heating and cooling system using a solar and a thermoelectric element, And a hot water supply unit for supplying hot water and a hot water supply unit for supplying hot water. The hot water supply unit includes a high-temperature storage unit and a low-temperature storage unit, a cooling supply unit for performing cooling, The high temperature heat generated from the heat generating surface of the heat source generating unit is stored in the high temperature storing unit and the low temperature heat generated from the heat absorbing surface of the heat generating unit is separated and stored in the low temperature storing unit, The present invention relates to a dehumidifying / heating / cooling system using sunlight and a thermoelectric element for performing cooling / heating using a heat source stored in a low-
상기 태양광과 열전소자를 이용한 제습 냉난방 시스템의 제어방법은,A method of controlling a dehumidification cooling / heating system using solar light and a thermoelectric element,
동작 조건(냉방 목표 온도, 또는 난방 목표 온도, 또는 차온 제어 온도 등)을 설정하는 동작조건설정단계;An operating condition setting step of setting an operating condition (cooling target temperature, heating target temperature, or temperature control temperature, etc.);
상기 동작조건설정단계를 수행한 후 열원저장부의 온도를 검출하여 열원발생부의 동작을 제어하는 열원발생제어단계;A heat source generation control step of controlling the operation of the heat source generation unit by detecting the temperature of the heat source storage unit after performing the operation condition setting step;
상기 열원발생제어단계를 수행한 후 냉방기능이 선택되었는지의 여부를 판단하여 냉방기능이 선택되었을 경우에는, 실내 온도 및 열원저장부의 온도를 검출하여 제어량을 산출한 후, 상기 고온저장부에 저장된 고온의 열원과 저온저장부에 저장된 저온의 열원을 냉방공급부에 공급하여 제습 및 냉방을 수행하는 냉방제어단계;The controller determines whether or not the cooling function is selected after performing the heat source generation control step. If the cooling function is selected, the control unit calculates the control amount by detecting the temperature of the room temperature and the heat source storage unit, A cooling control step of supplying a low temperature heat source stored in the low temperature storage unit to the cooling / supplying unit to perform dehumidification and cooling;
상기 냉방제어단계를 수행한 후 난방기능이 선택되었는지의 여부를 판단하여 난방기능이 선택된 것으로 판단되면, 실내 온도 및 열원저장부의 온도를 검출하여 제어량을 산출한 후, 난방 공급 순환펌프의 동작을 제어하여 난방을 실시하는 난방제어단계;After the cooling control step is performed, it is determined whether or not the heating function is selected. If it is determined that the heating function is selected, the indoor temperature and the temperature of the heat source storage unit are detected to calculate the control amount, A heating control step of performing heating;
상기 난방제어단계를 수행한 후 상기 고온저장부의 온도를 검출하고, 냉방기능이나 난방기능이 수행 중 인지의 여부, 또는 온수를 사용하고 있는지의 여부를 검출하여, 냉방기능이나 난방기능이 수행되고 있거나, 또는 온수를 사용하고 있는 상태에서 상기 고온저장부의 온도가 일정 온도 이하일 경우에는 보조열원을 동작시키는 보조열원제어단계; After the heating control step is performed, the temperature of the high-temperature storage unit is detected, and it is detected whether the cooling function or the heating function is being performed or whether the hot water is being used to determine whether the cooling function or the heating function is being performed Or an auxiliary heat source for operating the auxiliary heat source when the temperature of the high temperature storage unit is lower than a predetermined temperature in the state of using hot water;
상기 보조열원제어단계를 수행한 후, 상기 각 구성요소의 동작 상태 및 동작 데이터를 나타내는 표시단계; 및,A display step of displaying operation state and operation data of each component after performing the auxiliary heat source control step; And
상기 표시단계를 수행한 후, 상기 각 구성요소의 동작 상태 및 동작 데이터를 저장하는 데이터저장단계;를 포함하여 구성됨을 특징으로 한다.And a data storage step of storing the operation state and operation data of each component after performing the display step.
상기 구성에 있어서, 상기 데이터저장단계를 수행한 후, 외부기기와 통신을 수행하여 각 구성요소의 동작 상태, 동작 데이터 및 제어명령을 송수신하는 통신단계;를 더 포함하여 구성됨을 특징으로 한다.And a communication step of communicating with an external device after performing the data storing step to transmit and receive operation states, operation data, and control commands of the respective components.
이러한 제어방법은, 모니터링 시스템이나 원격제어 시스템, 또는 다른 동작제어부와의 통신을 수행하기 위한 것이다.Such a control method is for performing communication with a monitoring system, a remote control system, or another operation control unit.
본 발명 "태양광과 열전소자를 이용한 제습 냉난방시스템 및 방법"은 특히, 태양광 발전을 이용하여 열전소자에 소비 전력을 공급하고, 열전소자 발열면에서 발생하는 고온의 열을 고온저장공간에 저장하고, 열전소자 흡열면에서 생성되는 저온의 열을 저온저장공간에 분리하여 저장한 후, 상기 고온저장공간에 저장된 고온의 열원을 이용하여 온수 공급, 난방 공급 및 제습 냉방 시스템의 재생열로 사용하고, 상기 저온저장공간에 저장된 저온의 열원을 이용하여 제습 및 냉방을 수행하도록 함으로써, 에너지 이용 효율 및 냉방 효율을 향상시키고, 환경 친화적이며, 외부 전력 없이 온수, 난방 및 냉방을 공급할 수 있는 효과 등이 있다. The present invention relates to a system and a method for dehumidifying cooling and heating using a solar and a thermoelectric element, and more particularly to a system and method for dehumidifying cooling and heating using a solar and a thermoelectric element, in which power is supplied to a thermoelectric element by using solar power generation, Temperature heat generated from the thermoelectric element heat absorbing surface is separated and stored in the low temperature storage space and then used as a regeneration heat of the hot water supply, heating supply and dehumidification cooling system using the high temperature heat source stored in the high temperature storage space , And the dehumidification and cooling are performed using the low-temperature heat source stored in the low-temperature storage space, thereby improving energy utilization efficiency and cooling efficiency, and being environment-friendly and capable of supplying hot water, heating, and cooling without external power have.
또한, 상기 태양전지에서 발전되는 직류 전기를 열전소자에 공급함에 있어서는 태양전지를 직렬, 또는 병렬로 접속하고, 열전소자를 직렬, 또는 병렬로 접속하여 태양전지 어레이 발전 전압과 열전소자부 공급 전압을 맞춤으로써, 별도의 전력변환장치 없이도 태양전지에서 발전하는 직류전기를 바로 열전소자에 공급하여 사용할 수 있는 효과 및 이로 인해 에너지 변환 손실을 저감시킬 수 있는 효과 등이 있다.
In supplying the direct current electricity generated by the solar cell to the thermoelectric element, the solar cells are connected in series or in parallel, and the thermoelectric elements are connected in series or in parallel to supply the solar cell array generation voltage and the thermoelectric element portion supply voltage It is possible to supply the direct current electricity generated in the solar cell directly to the thermoelectric device without using a separate power conversion device, and to reduce the energy conversion loss.
도 1 은 본 발명 "태양광과 열전소자를 이용한 제습 냉난방시스템"의 구성을 나타낸 블록도,
도 2 는 본 발명에 따른 동작제어부의 구성을 나타낸 블록도,
도 3 은 본 발명에 따른 태양광발전부의 구성을 나타낸 시스템 구성도,
도 4 는 본 발명에 따른 열원발생부의 구성을 나타낸 분해 사시도,
도 5 은 도4의 일부 조립 상태를 나타낸 사시도,
도 6 는 수평분리막에 열원발생부를 장착한 상태를 나타낸 사시도,
도 7 은 수직분리막에 열원발생부를 장착한 상태를 나타낸 사시도,
도 8a 내지 도 8c는 본 발명에 따른 열교환핀의 다른 구성을 나타낸 요부 단면도,
도 9 는 본 발명에 따른 열원발생부의 다른 구성을 나타낸 분해 사시도,
도 10 은 도9의 요부 단면도,
도 11a 내지 도 11c는 도9의 구성에 있어서 열교환핀의 다른 구성을 나타낸 요부 단면도,
도 12 은 본 발명에 따른 열원저장부의 구성을 나타낸 시스템 구성도,
도 13 은 본 발명에 따른 열원저장부의 다른 구성을 나타낸 시스템 구성도,
도 14 은 본 발명에 따른 열원저장부의 또 다른 구성을 나타낸 시스템 구성도,
도 15 은 본 발명에 따른 열원저장부의 또 다른 구성을 나타낸 시스템 구성도,
도 16 은 본 발명에 따른 열원저장부의 또 다른 구성을 나타낸 시스템 구성도,
도 17 은 본 발명에 따른 냉방공급부와 온수공급와, 난방공급부와, 보조열원공급부의 구성을 나타낸 시스템 구성도,
도 18 는 본 발명에 따른 냉방공급부의 다른 구성을 나타낸 시스템 블록도,
도 19 은 본 발명에 따른 냉방공급부의 또 다른 구성을 나타낸 시스템 블록도,
도 20 은 제습냉각부의 구성을 나타낸 정면도,
도 21 는 도20의 단면도,
도 22 은 냉각부의 구성을 나타낸 정면도,
도 23 는 도22의 단면도
도 24 는 본 발명 "태양광과 열전소자를 이용한 제습 냉난방시스템"의 일 실시예를 나타낸 시스템 구성도,
도 25 은 본 발명 "태양광과 열전소자를 이용한 제습 냉난방시스템의 제어방법"을 나타낸 제어흐름도.1 is a block diagram showing a configuration of a dehumidifying cooling / heating system using solar light and a thermoelectric element according to the present invention;
2 is a block diagram showing the configuration of an operation control unit according to the present invention;
3 is a system configuration diagram showing a configuration of a solar power generation unit according to the present invention,
4 is an exploded perspective view showing a configuration of a heat source generating unit according to the present invention,
Fig. 5 is a perspective view showing a partially assembled state of Fig. 4,
6 is a perspective view showing a state in which a heat source generating unit is mounted on a horizontal separation membrane,
7 is a perspective view showing a state where a heat source generating unit is mounted on a vertical separation membrane,
8A to 8C are cross-sectional views showing other parts of a heat exchange fin according to the present invention,
9 is an exploded perspective view showing another configuration of the heat source generating unit according to the present invention,
10 is a sectional view of the main part of Fig. 9,
11A to 11C are sectional views of the main part showing other structures of the heat exchange fin in the configuration of Fig. 9,
12 is a system configuration diagram showing a configuration of a heat source storage unit according to the present invention,
13 is a system configuration diagram showing another configuration of the heat source storage unit according to the present invention,
14 is a system configuration diagram showing still another configuration of the heat source storage unit according to the present invention;
15 is a system configuration diagram showing still another configuration of the heat source storage unit according to the present invention,
16 is a system configuration diagram showing still another configuration of the heat source storage unit according to the present invention,
17 is a system configuration diagram showing the configurations of the cooling and supplying unit, the hot water supply unit, the heating supply unit, and the auxiliary heat source supply unit according to the present invention,
18 is a system block diagram showing another configuration of the cooling / supplying unit according to the present invention;
19 is a system block diagram showing still another configuration of a cooling / supplying unit according to the present invention;
20 is a front view showing the structure of the dehumidifying cooling section,
Fig. 21 is a sectional view of Fig. 20,
22 is a front view showing the configuration of the cooling section,
23 is a cross-
24 is a system configuration diagram showing one embodiment of the present invention "dehumidification cooling / heating system using sunlight and thermoelectric element"
25 is a control flowchart showing the "control method of the dehumidifying air-conditioning system using sunlight and thermoelectric element" according to the present invention.
본 발명 "태양광과 열전소자를 이용한 제습 냉난방시스템 및 방법"의 기술적 사상을 실시예를 들어 상세히 설명하면 다음과 같다.The technical idea of the " system and method of dehumidifying cooling and heating using sunlight and thermoelectric element "will be described in detail with reference to the following examples.
설명을 함에 있어서 동일, 또는 유사한 구성 및 기능을 갖는 구성요소에 대해서는 동일 또는 유사한 명칭 및 부호를 사용한다.
In the following description, the same or similar names and symbols are used for elements having the same or similar configurations and functions.
<실시예><Examples>
본 실시예에 있어서는 온수공급부와 난방공급부 및 보조열원공급부가 모두 설치된 것을 예로 하여 설명하며, 보조열원공급부는 온수공급기능이나 난방공급기능, 또는 냉방공급기능이 선택된 상태에서 고온저장부의 온도가 일정 온도 이하일 때 보조열원을 공급한 것을 예로 하여 설명한다.In the present embodiment, it is assumed that both the hot water supply unit, the heating supply unit and the auxiliary heat source supply unit are provided. In the case where the hot water supply function, the heating supply function, or the cooling supply function is selected, The auxiliary heat source is supplied as an example.
또한, 본 실시예에 있어서는 태양광발전부에서 발전한 직류전원을 직접 열원발생부의 열전소자부에 인가하는 것으로 하고, 기타 소비 전력은 축전부에 저장된 직류전원이나 인버터를 통해 변환한 교류전원을 사용하는 것을 예로 하여 설명한다. 또한, 열원발생부 동작 전압은 24V인 것으로 하고, 태양광발전부의 최대 출력 전압 값은 열원발생부 동작 전압의 125%인 것을 예로 하여 설명한다.In this embodiment, it is assumed that the DC power generated by the solar power generator is directly applied to the thermoelectric element of the heat source generator, and the other power consumed is the DC power stored in the power storage unit or the AC power converted through the inverter As an example. It is assumed that the operating voltage of the heat source generating section is 24 V and the maximum output voltage value of the solar power generating section is 125% of the operating voltage of the heat source generating section.
또한 본 실시예에 있어서 열원저장부는 하나의 탱크를 사용하여 그 내부 공간을 수평분리막을 통해 분리하여 그 상부 공간을 고온저장부로 하고, 하부 공간을 저온저장부로 한 것을 예로 하여 설명하며, 내부열교환기를 사용하여 열 교환하는 것을 예로 하여 설명한다. 따라서 열원발생부는 열전소자부와 고온전달부 및 저온전달부로 구성한 것을 예로 하여 설명하며, 자연대류에 의해 열 교환하는 것을 예로 하여 설명한다.Also, in this embodiment, the heat source storage unit uses one tank to separate its inner space through a horizontal separation membrane, and the upper space is used as a high-temperature storage unit and the lower space is used as a low-temperature storage unit. And heat exchange is performed using the heat exchanger as an example. Therefore, the heat source generating unit will be described by taking the thermoelectric element unit, the high temperature transfer unit and the low temperature transfer unit as an example, and heat exchange is performed by natural convection.
또한 본 실시예에 있어서 냉방공급부는 제습냉방기의 실내공기 유입 경로에 제습냉각부를 설치하고, 상기 제습냉방기의 냉기 유출 경로에 냉각부를 설치한 것을 예로 하여 설명한다.In this embodiment, the cooling / supplying unit is provided with a dehumidifying cooling unit in the room air inflow path of the dehumidifying air conditioner, and a cooling unit is provided in the air outflow path of the dehumidifying air conditioner.
이와 같이 본 실시예를 구성한 이유는, 본 발명의 기술적 사상에 따른 다른 실시예들은 본 실시예로부터 용이하게 알 수 있음은 물론 본 발명의 기술적 사상을 간결하고 명확하게 설명하기 위함이다.
The reason why the present embodiment is configured as described above is that other embodiments according to the technical idea of the present invention can be easily understood from the present embodiment, and the technical idea of the present invention is concisely and clearly explained.
이하, 본 실시예의 구성에 대해 첨부된 도면을 참조하여 상세히 설명하면 다음과 같다.Hereinafter, the configuration of the present embodiment will be described in detail with reference to the accompanying drawings.
본 실시예에서는 열원발생부(300)의 열전소자부(330) 동작 전압 값이 24V이고, 태양광발전부(200)의 최대 출력 전압 값이 상기 동작 전압 값의 125%인 것을 예로 하여 설명하므로, 상기 열전소자부(330)의 열전소자(333)를 직병렬 접속하여 동작 전압이 24V가 되도록 하고, 태양광발전부(200)의 최대 출력 전압 값이 상기 24V의 125%인 30V가 되도록 태양전지(210)를 직병렬 접속한다. 참고로 열전소자의 동작 값은 일반적으로 12V이며, 시중에 유통되는 250W 태양광 집열판의 경우 최대 출력 전압이 30.9V이다. 또한, 열전소자의 경우 소자 특성 상 정격 전압 이하의 전압이 인가되면 동작 효율만 저하될 뿐 동작은 지속적으로 이루어진다. 따라서, 태양광 발전 중에 구름 등으로 인하여 발전량이 변화하여도 열전소자의 동작에는 문제없다.In this embodiment, the operation voltage value of the
먼저, 도1에서 도시되는 바와 같이, 태양광발전부(200)와, 열원발생부(300)와, 난방공급부(500)와, 냉방공급부(700) 및 보조열원공급부(800)를 동작제어부(100)에 접속하고, 상기 열원발생부(300) 발열면에서 발생하는 고온의 열이 고온저장부(410)에 저장되도록 설치하고, 상기 열원발생부(300) 흡열면에서 생성되는 저온의 열이 저온저장부(420)에 저장되도록 설치한 후, 상기 고온저장부(410)에 난방공급부(500)와 온수공급부(600)와 냉방공급부(700)의 제습냉방기(720)를 연결하고, 상기 저온저장부(420)에 제습냉각부(710)와 냉각부(730)를 연결하여 본 실시예를 구성한다.1, a
상기 태양광발전부(200)는 도3과 도24에서 도시되는 바와 같이, 지지부(230)에 태양전지(210)를 장착한 후, 상기 태양전지(210) 출력단에 전력변환부(221)를 접속하고, 상기 전력변환부(221) 출력단에 축전부(222)와 인버터(223)를 접속하여 구성한다. 3 and 24, the
상기 태양광발전부(200)에서 발전되는 직류전원(DC1)은 동작제어부(100)를 통해 열원발생부(300)에 공급되고, 전력변환부(221)를 통해 출력되는 직류전원(DC2)은 직류 전원을 필요로 하는 다른 구성요소(예: 동작제어부, 센서 등)에 공급되며, 인버터(223)를 통해 출력되는 교류전원(AC)은 교류전원을 필요로 하는 구성요소(예: 전열매체 순환 펌프 등)에 공급되며, 소요 전력 이상으로 발전되는 전기는 축전부(222)에 저장한다. 축전부(222)에 저장하고 남는 전기는 계통 연계형을 구성하여 외부(예: 한국전력공사 등)로 송출한다.The DC power source DC1 generated by the solar
상기 열원발생부(300)는 도4와 도5에서 도시되는 바와 같이, 단열시트(331) 내에 열전소자(333)를 장착하여 열전소자부(330)를 구성한 후, 상기 저온전달부(320)의 열전소자 접촉면(323)에 열전소자부(330)의 흡열면이 접촉되도록 하고, 고온전달부(310)의 열전소자 접촉면(313)에 열전소자부(330)의 발열면이 접촉하도록 하며, 상기 고온전달부(310)와 저온전달부(320) 사이에 패킹(340c, 340d)과 마개(340a, 340b)를 삽입하여 열원발생부(300)를 구성한다. 4 and 5, the
이후, 도6에서 도시되는 바와 같이 고온전달부(310)가 상부로 오고, 저온전달부(320)가 하부로 오도록 열원발생부(300)를 수평 분리막(430)에 설치하여 열원저장부(400a)에 장착한다. 6, the
열원발생부(300)가 장착된 수평 분리막(430)을 열원저장부(400a) 내부에 설치할 경우에는, 상기 수평분리막(430) 하부에 삼각 받침 다리(미도시)를 부착시켜 설치함이 바람직하다. 또는 상기 수평분리막(430)을 고정쇠(미도시)를 이용하여 상기 열원저장부(400a)에 고정시키거나, 또는 부력을 발생하는 물체(예: 스티로폼(styrofoam))를 상기 수평분리막(430)에 장착시켜 설치할 수 있다. It is preferable that a triangular support leg (not shown) is attached to the lower part of the
상기 패킹(340c, 340d)과 마개(340a, 340b)는 상기 열원발생부(300)가 저장매체에 잠겼을 경우 기밀을 유지하기 위한 것이며, 도면 중 미설명 부호 (312)는 날개, (314)는 나사, (332)는 전선이 안착되는 전선유도홈을 각각 나타낸다.The packings 340c and 340d and the
상기 고온전달부(310)에 형성된 열교환핀(311)(또는 저온전달부에 형성된 열교환핀)은 도8a 내지 도8c에서 도시되는 바와 같이 열 전달 특성 및 열 분포에 따라 열교환핀(311)의 간격과 길이를 조절하여 구성한다. The
본 실시예에서는 열원저장부(400)를 하나의 탱크로 구성하고, 상기 탱크 내부에 수평분리막(430)을 설치하는 것으로 하여 도6과 같이 구성하였으나, 수직으로 분리막을 설치할 경우에는 도7과 도14에서 도시되는 바와 같이 열원발생부(300a)를 수직분리막(430a)에 장착하여 구성할 수 있다.In this embodiment, the heat
또한, 본 실시예에서는 열원저장부(400)를 하나의 탱크로 구성하고, 그 내부에 수평분리막(430)을 설치하는 것으로 하여 상기와 같이 구성하였으나, 도15와 도16에서 도시되는 바와 같이 고온저장부(410b, 410c)와 저온저장부(420b, 420c)를 별개의 탱크로 구성하고, 상기 고온저장부(410b, 410c)와 저온저장부(420b, 420c)를 근접 설치한 후, 상기 고온저장부(410b, 410c)와 저온저장부(420b, 420c) 사이에 열원발생부(300b, 300c)를 장착하여 구성할 수 있다. 도면 중 미설명 부호 (310b, 310c)는 고온전달부, (320b, 320c)는 저온전달부를 각각 나타낸다.In this embodiment, the heat
또한 열원발생부를 구성함에 있어서도 도9와 도10에서 도시되는 바와 같이, 상부연결관(351a)-상부캡(351b)-패킹(352a)-열교환몸체(353)-패킹(352b)-하부캡(351d)-하부연결관(351e)을 순차적으로 조립하여 고온교환부(350)와 저온교환부(360)를 구성한 후, 상기 고온교환부(350)와 저온교환부(360) 사이에 열전소자부를 장착하여 구성할 수 있다. 이와 같이 구성된 열원발생부(330a)는 도16에서와 같이 고온저장부(410d)를 이루는 탱크와 저온저장부(420d)를 이루는 탱크가 이격 설치되어 있을 경우, 상기 고온교환부(350) 내부와 저온교환부(360) 내부로 전열매체를 순환시켜 열 교환하기 위한 구성이다.9 and 10, the
도9에 있어서 미설명 부호 (331a)는 단열시트, (332a)는 전선유도홈, (333a)는 열전소자를 각각 나타내며, 도16에 있어서 미설명 부호 (371, 374)는 디지털 유량센서, (372, 373)은 전열매체 순환 펌프를 각각 나타낸다.In Fig. 9,
상기 고온교환부(350)에 형성된 열교환핀(353a)(또는 저온교환부에 형성된 열교환핀)은 도11a 내지 도11c에서 도시되는 바와 같이 열 전달 특성 및 열 분포에 따라 열교환핀(353a)의 간격과 길이를 조절하여 구성한다. 11A to 11C, the
열원저장부(400)는 도12와 도24에서 도시되는 바와 같이, 열원저장부(400a)를 하나의 탱크로 구성하여 상기 탱크 내부 공간을 수평분리막(430)을 통해 상부 공간과 하부 공간으로 나눈 후, 상부 공간을 고온저장부(410a)로 하고, 하부 공간을 저온저장부(420a)하여 열원발생부(300)를 장착하여 구성한다. 또한, 상기 고온저장부(410a)와 저온저장부(420a)의 상단, 중단, 하단에는 온도센서(411~413, 421~423)를 장착하고, 내부열교환기(415, 416)를 장착하여 구성한다.As shown in FIGS. 12 and 24, the heat
본 실시예에서는 열원저장부를 하나의 탱크로 하고, 내부에 수평분리막을 설치한 것을 예로 하므로 도12와 같이 구성하였으나, 도13에서 도시되는 바와 같이 수직분리막(430a)을 사용하여 좌측 공간과 우측 공간으로 분리할 수 있음은 물론, 도14 내지 도16에서 도시되는 바와 같이 고온저장부와 저온저장부를 각각 별개의 탱크로 구성할 수 있다.In this embodiment, the heat source storage unit is formed as one tank and a horizontal separation membrane is provided therein. However, as shown in FIG. 13, the
난방공급부(500)와, 온수공급부(600)와, 냉방공급부(700) 및, 보조열원공급부(800)는 도17에서 도시되는 바와 같이, 고온저장부(410)의 고온 유출 경로에 삼방밸브(603)를 통해 보조열원공급부(800)를 설치하여 보조열원이 공급될 수 있도록 구성하고, 상기 고온 유출 경로에 온수공급부(600)를 설치하고, 밸브(501)와 순환 펌프(503)를 통해 난방공급부(500)를 설치하며, 밸브(721)와 순환 펌프(722)를 통해 제습냉방기(720)에 고온의 열원이 공급될 수 있도록 구성한다.17, the
또한 저온저장부(420)에서 저온의 열원을 공급받을 수 있도록 제습냉각부(710)와 냉각부(730)를 설치하여 구성한다.The
도면 중 미설명 부호 (601, 602, 719a, 731)은 밸브를 나타내고, (719b, 732)는 순환 펌프를 나타내며, (502, 719c, 723, 733)은 온도센서를 각각 나타낸다.
본 실시예에 있어서 상기 냉방공급부(700)는 제습냉방기(720) 공기 유입 경로에 제습냉각부(710)를 설치하고, 제습냉방기(720) 공기 유출 경로에 냉각부(733)를 설치한 것을 예로 하여 구성하였으나, 상기 냉방공급부(700)는 도19와 도20에서 도시되는 바와 같이 상기 제습냉방기(720)기 전단이나 후단에 제습냉각부(710)만 설치하여 구성 할 수 있다.In this embodiment, the cooling / supplying
상기 제습냉각부(710)는, 도20과 도21에서 도시되는 바와 같이, 공기 유입구와 공기 유출구가 마련된 케이스(711) 내부에 저온저장부(420)에 저장된 저온의 열원이 흐르는 냉각관(712)를 설치하고, 상기 냉각관(712)에 밀착되도록 제습망(714)을 설치하며, 공기 유입구에 송풍팬(718)을 설치하여 상기 송풍팬(718)에 의해 유입된 공기가 제습망(714)을 거쳐 공기 유출구로 나가는 동안 제습과 냉각이 이루어지도록 구성한다. 또한, 상기 케이스(711) 하부에는 제습된 물방울이 고이는 수조(716) 및 배수관(715)을 설치하고, 공기 유출구에는 안전망(713)을 설치하여 구성한다.20 and 21, the
도면 중 미설명 부호 (717)은 수조(716)에 고인 물을 배출하는 펌프를 나타낸 것이다.In the drawing,
냉각부(730)는, 도22과 도23에서 도시되는 바와 같이, 공기 유입구와 공기 유출구가 마련된 케이스(731) 내부에 저온저장부(420)에 저장된 저온의 열원이 흐르는 냉각관(732)를 설치하고, 상기 냉각관(732)에 밀착되도록 냉각망(734)을 설치하며, 공기 유입구에 송풍팬(735)을 설치하여 상기 송풍팬(735)에 의해 유입된 공기가 냉각망(734)을 거쳐 공기 유출구로 나가는 동안 냉각이 이루어지도록 구성한다. 22 and 23, the
동작제어부(100)는 도2에서 도시되는 바와 같이, 온도검출부(110)와, 유량검출부(115)와, 스위치부(120)와, 데이터저장부(125)와, 표시부(135)와, 열원발생제어부(140)와, 펌프제어부(145)와 통신부(150)를 제어부(130)에 접속하여 구성하고, 전원공급부(355)는 상기 각 구성요소에 동작 전원을 공급하도록 구성한다. 상기 전원공급부(155)에는 태양광발전부(200)에서 인가되는 전원, 또는 상용교류전원(A)이 접속된다.
2, the
이하, 상기와 같이 구성된 본 실시예의 동작 및 작용 효과를 첨부된 도면을 참조하여 설명하면 다음과 같다.Hereinafter, operations and effects of the present embodiment will be described with reference to the accompanying drawings.
먼저, 상기 전원공급부(155)에 전원이 인가되면 상기 제어부(130)는 도25에서 도시되는 바와 같이, 동작조건설정단계(S110)를 수행하여 동작 조건을 설정하는 기능이 선택되었는지의 여부를 판단한다. 이때, 상기 판단 결과 동작 조건 설정 기능이 선택된 것으로 판단되었을 경우에는 상기 스위치부(120)를 통해 사용자가 입력하는 동작 조건을 입력받게 된다.First, when power is supplied to the
예를 들어, 고온저장부(410)나 저온저장부(420)의 축열 온도를 설정하거나, 냉방 온도, 또는 난방 온도를 설정하거나, 또는 열원발생부(300)의 동작 조건이나 가동 시간 등을 설정할 수 있다.For example, the heat storage temperature of the high-
상기 동작조건설정단계(S110)를 수행한 후 상기 제어부(130)는, 온도검출부(110)를 통해 고온저장부(410a)와 저온저장부(420a)의 온도를 검출하여 고온저장부(410a) 또는 저온저장부(420a)의 온도가 사용자에 의해 설정된 값에 도달하였는지의 여부를 판단하고, 설정값에 도달하지 않았을 경우에는 설정값 도달을 위해 필요한 열원발생부(300)의 제어 값을 산출하여 상기 산출된 값으로 열원발생부(300)의 동작을 제어하는 열원발생제어단계(S120)를 수행하게 된다.After performing the operation condition setting step S110, the
즉, 고온저장부(410a)에 설치된 온도센서 (411~413)를 통해 고온저장부(410a)의 상단, 중단, 하단에 대한 저장매체의 온도를 검출하고, 온도센서 (412~423)를 통해 저온저장공간(420a)의 상단, 중단, 하단에 대한 저장매체의 온도를 검출하여 열원발생부(300)의 제어 값을 산출한 후 상기 열원발생제어부(140)를 통해 열원발생부(300)의 동작을 제어하게 된다. That is, the temperature of the storage medium with respect to the upper end, the lower end, and the lower end of the high
이때, 상기 열원발생부(300)에 공급되는 전원은 상기 태양광발전부(200)에서 발전된 직류전원이 우선적으로 공급되도록 하고, 구름 등의 원인에 의해 발전량이 부족할 경우에는 축전부(222)에 저장된 전원을 사용하도록 제어한다. 축전부(222)에 저장된 전원으로도 부족할 경우에는 상용 교류 전원(A)을 사용한다.At this time, the power supplied to the heat
상기 고온저장부(410a)나 저온저장부(420a)의 온도는 상단 온도센서(411, 421), 중단 온도센서(412, 422), 하단 온도센서(413, 423)에서 검출하는 값을 평균하거나, 또는 어느 하나의 값을 기준으로 가중치를 부여하여 산출함이 바람직하다.The temperatures of the high
상기 열원발생부제어단계(S120)를 수행한 후 상기 제어부(130)는, 냉방제어단계(S140)를 수행하여 냉방공급부(700)의 동작을 제어한다. 즉, 사용자에 의해 냉방기능이 선택되었는지의 여부를 판단하여 냉방기능이 선택되었을 경우에는, 실내 온도 및 열원저장부(400a)의 온도를 검출하여 제어량을 산출한 후, 상기 고온저장부(410a)에 저장된 고온의 열원과 저온저장부(420a)에 저장된 저온의 열원을 냉방공급부(700)에 공급하여 제습 및 냉방을 수행하는 냉방제어단계(S130)을 수행하게 된다.After performing the step S120 of controlling the heat source generating unit, the
상기 냉방공급부(700)는 유입되는 실내 공기를 제습냉각부(710)에서 제습 및 1차 냉각을 시킨 후 제습냉방기(720)(흡수식 냉방기, 또는 흡착식 냉방기, 또는 제습로터식 냉방기)에 공급하면, 상기 제습냉방기(720)는 제습냉방기의 동작 특성에 따라 2차 냉각을 하게 되며, 상기 제습냉방기(730)에 의해 2차 냉각된 실내 공기는 냉각부(730)에 의해 3차 냉각된 후 실내로 공급되게 된다.When the indoor air to be introduced into the
이때, 고온저장부(410a)에서 공급되는 고온의 열은 제습냉방기(720)의 흡수 능력을 재생시키는 재생열로 사용되며, 저온저장부(420a)에서 공급되는 저온의 열은 제습냉각부(710)와 냉각부(730)의 냉각열로 사용된다.At this time, the high-temperature heat supplied from the high-
흡수식 냉방기나 흡착식 냉방기, 또는제습로터식 냉방기의 구성 및 동작은 주지하는 바와 같으므로 그 상세한 설명은 생략한다.Since the construction and operation of the absorption type cooler, the adsorption type cooler, and the dehumidification type rotor type cooler are well known, a detailed description thereof will be omitted.
상기 냉방제어단계(S130)를 수행 한 후 상기 제어부(130)는, 사용자에 의해 난방기능이 선택되었는지의 여부를 판단하여 난방기능이 선택된 것으로 판단되면, 실내 온도 및 열원저장부(400)의 온도를 검출하여 제어량을 산출한 후, 난방 공급 순환펌프(503)의 동작을 제어하여 난방을 실시하는 난방제어단계(S140)를 수행하게 된다.After performing the cooling control step S130, the
상기 난방제어단계(S140)를 수행 한 후 상기 제어부(130)는, 상기 고온저장부(410a)의 온도를 검출하고, 냉방기능이나 난방기능이 수행 중 인지의 여부, 또는 온수가 사용 중 인지의 여부를 검출하여 냉방기능이나 난방기능이 수행되고 있거나, 또는 온수를 사용하고 있는 상태에서 상기 고온저장부(410a)의 온도가 일정 온도 이하일 경우에는 보조열원을 동작시키는 보조열원제어단계(S150)를 수행하게 된다.After performing the heating control step S140, the
이러한 제어 방법은 냉방이나 난방, 또는 온수 사용과 같이 실질적인 열 소비가 있을 경우에만 보조열원이 동작하도록 함으로써 불필요한 에너지 손실을 방지하기 위한 것이다. 예를 들어, 고온저장부(410a)의 온도가 일정 온도 이하일 경우에 보조열원이 무조건 동작하도록 설정하면 열 부하가 없는 상태에서도 상기 고온저장부(410a)의 온도에 따라 보조열원공급부(800)가 동작하여 불필요한 에너지를 낭비하게 된다. 즉, 집이 비어 있는 경우에 보조열원공급부(800)가 동작하는 것과 같은 상황을 방지하기 위한 것이다.This control method is intended to prevent unnecessary energy loss by allowing the auxiliary heat source to operate only when there is substantial heat consumption such as cooling, heating, or hot water use. For example, if the temperature of the high-
상기 보조열원제어단계(S150)를 수행한 후 상기 제어부(130)는, 표시단계(S160)와 데이터저장단계(S170) 및 통신단계(S180)를 순차적으로 수행하여 동작 데이터 및 상태 데이터, 또는 산출 데이터(발전량, 소비전력, COP 저감량, 열 공급량 등) 등을 표시부(135)에 나타내고 데이터저장부(125)에 저장하며, 통신부(150)를 통해 외부기기(예: 모니터링 시스템, 원격 제어 시스템 등)와 데이터 교환을 하게 되는 것으로, 상기의 과정들을 반복 수행하여 난방 또는 냉방을 공급하거나, 온수를 공급하게 된다.After performing the auxiliary heat source control step S150, the
이상에서 살펴본 바와 같이, 본 실시예는 태양광 발전을 이용하여 자체 소비 전력을 충당하고, 열원발생부에서 발생하는 고온의 열과 저온의 열을 고온저장부와 저온저장부에 분리하여 저장한 후, 상기 저장된 고온의 열원과 저온의 열원을 이용하여 냉방 공급이나 난방 공급, 또는 온수 공급을 할 수 있도록 한 것이다.As described above, according to the embodiment of the present invention, the solar power is used to cover the self-power consumption, and the high-temperature heat and low-temperature heat generated in the heat source generating unit are separately stored in the high- And can supply cooling, heating, or hot water using the stored high-temperature heat source and low-temperature heat source.
그러나, 상기의 실시예는 본 발명의 기술적 사상에 의한 일 실시예에 불과한 것으로 본 발명의 기술적 사상은 이에 한정되지 않음을 밝혀둔다.
However, it should be understood that the above-described embodiments are merely one example of the technical idea of the present invention, and the technical idea of the present invention is not limited thereto.
100: 동작제어부 110: 온도검출부
115: 유량검출부 120: 스위치부
125: 데이터저장부 130: 제어부
135: 표시부 140: 열원발생제어부
145: 펌프제어부 150: 통신부
155: 전원공급부
200: 태양광발전부 210: 태양전지
220: 발전제어부 221: 전력변환부
222: 축전부 223: 인버터부
230: 지지부
300, 300a, 300b, 300c: 열원발생부
310, 310a, 310b, 310c: 고온발생부
311, 321: 열교환핀 312, 322: 날개
313, 323: 열전소자 접촉면 314: 나사
315: 전선
320, 320a, 320b, 320c: 저온발생부 330, 330a: 열전소자부
331: 단열시트(절연) 332: 전선유도홈
333: 열전소자 340a, 340b: 마개
340c, 340d: 패킹 350: 고온교환부
351a:상부연결관 351b:상부캡
351c:나사 351d:하부캡
351e:하부연결관 352a, 352b: 패킹
353:열교환몸체 353a:열교환핀
360: 저온교환부 371, 374: 유량센서
372, 373: 펌프
400, 400a, 400b: 열원저장부
410, 410a, 410b, 410c, 410d: 고온저장부
411~413, 421~423: 온도센서
415, 415a, 416, 416a: 내부열교환기
420, 420a, 420b, 420c, 420d: 저온저장부
430: 수평분리막 430a: 수직분리막
500: 난방공급부 501, 601, 602, 719a, 731: 밸브
502, 719b, 723, 733: 온도센서 503, 719b, 722, 732: 펌프
600: 온수공급부 603: 삼방밸브
700: 냉방공급부 710: 제습냉각부
711, 731: 케이스 712, 732: 냉각관
713, 733: 안전망 714: 제습망
715: 배수관 716: 수조
717: 배수펌프 718, 735: 송풍팬
720: 제습냉방기 730: 냉각부
732: 냉각관
800: 보조열원공급부
S110: 동작조건설정단계 S120: 열원발생제어단계
S130: 냉방제어단계 S140: 난방제어단계
S150: 보조열원공급부제어단계 S160: 표시단계
S170: 데이터저장단계 S180: 통신단계100: Operation controller 110: Temperature detector
115: flow rate detecting unit 120: switch unit
125: Data storage unit 130: Control unit
135: Display unit 140: Heat source generation control unit
145: pump control unit 150: communication unit
155: Power supply
200: Solar power generating part 210: Solar cell
220: power generation control section 221: power conversion section
222: power storage unit 223: inverter unit
230: Support
300, 300a, 300b, and 300c:
310, 310a, 310b, and 310c:
311, 321: heat exchange pins 312, 322:
313, 323: thermoelectric element contact surface 314: screw
315: Wires
320, 320a, 320b, and 320c: low-
331: Insulating sheet (Insulated) 332: Wire guide groove
333:
340c, 340d: packing 350: high-temperature exchanging part
351a:
351c:
351e:
353:
360: low
372, 373: pump
400, 400a, 400b: Heat source storage unit
410, 410a, 410b, 410c, 410d:
411 to 413, 421 to 423: Temperature sensor
415, 415a, 416, 416a: an internal heat exchanger
420, 420a, 420b, 420c, and 420d:
430:
500: a
502, 719b, 723, 733:
600: hot water supply unit 603: three-way valve
700: cooling and supplying part 710: dehumidifying cooling part
711, 731:
713, 733: Safety net 714: Dehumidification net
715: Water pipe 716: Water tank
717:
720: Dehumidifying cooler 730: Cooling unit
732: Cooling tube
800: auxiliary heat source supply unit
S110: Operation condition setting step S120: Heat source generation control step
S130: Cooling control step S140: Heating control step
S150: auxiliary heat source supply control step S160: display step
S170: Data storage step S180: Communication step
Claims (34)
하나 이상의 열전소자를 포함하여 이루어져, 직류 전원 공급 방향에 따라 일측면에서는 발열작용을 하고 타측면에서는 흡열작용을 하는 열원발생부;
상기 열원발생부 발열면에서 발생하는 고온의 열은 고온저장부에 저장하고, 상기 열원발생부 흡열면에서 생성되는 저온의 열은 저온저장부에 각각 분리하여 저장하는 열원저장부;
증발작용, 흡수작용, 재생작용 및 경우에 따라 응축작용 등을 더 수행하여 냉방을 수행하는 제습냉방기(흡수식 냉방기 또는 흡착식 냉방기 또는 제습로터식 냉방기)와, 상기 제습냉방기의 공기 흐름 경로 상에 설치되어 상기 제습냉방기로 유입되는 공기 또는 상기 제습냉방기에서 유출되는 공기에 포함된 수분을 제거하고 냉각시키는 제습냉각부를 포함하여 이루어져, 상기 고온저장부에 저장된 고온의 열을 상기 제습냉방기의 재생열로 사용하고, 상기 저온저장부에 저장된 저온의 열을 상기 제습냉각부의 제습 및 냉각열로 사용하는 냉방공급부;
상기 태양광발전부와 열원발생부와 냉방공급부의 동작을 제어하여, 상기 열원발생부 발열면에서 발생하는 고온의 열은 상기 고온저장부에 저장되도록 제어하고, 상기 열원발생부 흡열면에서 생성되는 저온의 열은 상기 저온저장부에 저장되도록 제어하고, 상기 고온저장부에 저장된 고온의 열을 상기 제습냉방기에 공급하여 상기 제습냉방기의 재생동작을 제어하고, 상기 저온저장부에 저장된 저온의 열을 상기 제습냉각부에 공급하여 상기 제습냉각부의 제습 및 냉각 동작을 제어하고, 상기 각 구성요소의 동작 상태를 나타내고 저장하는 동작제어부;를 포함하여 구성되어,
상기 태양광발전부에서 발전한 전력을 열원발생부에 공급하고, 상기 열원발생부에서 발생하는 고온의 열과 저온의 열을 각기 분리하여 고온저장부와 저온저장부에 저장하며, 상기 고온저장부에 저장된 고온의 열과 저온저장부에 저장된 저온의 열을 냉방공급부에 공급하여 냉방을 수행함을 특징으로 하는 태양광과 열전소자를 이용한 제습 냉난방시스템.A solar power generating unit including at least one solar cell and performing solar power generation;
A heat source generating unit including one or more thermoelectric elements and having a heat generating function on one side and an endothermic function on the other side according to a DC power supply direction;
A heat source storage unit for storing the high temperature heat generated from the heat generating surface of the heat source generating unit in the high temperature storage unit and the low temperature heat generated from the heat absorbing surface of the heat source generating unit separately in the low temperature storage unit;
A dehumidifying cooler (an absorption type cooler or an adsorption type cooler or a dehumidifying rotor type cooler) for performing cooling by performing further evaporation, absorption, regeneration and, if necessary, condensation, And a dehumidifying cooling unit for removing and cooling water contained in the air flowing into the dehumidifying cooling unit or the air flowing out from the dehumidifying cooling unit, wherein the high temperature heat stored in the high temperature storage unit is used as a regeneration heat of the dehumidifying air conditioner A cooling supply unit that uses low temperature heat stored in the low temperature storage unit as a dehumidification and cooling heat of the dehumidification cooling unit;
Wherein the control unit controls the operation of the solar power generation unit, the heat source generation unit and the cooling supply unit so that the high temperature heat generated on the heat generation surface of the heat source generation unit is stored in the high temperature storage unit, And controls the regeneration operation of the dehumidifying cooler by supplying the high temperature heat stored in the high temperature storage unit to the dehumidifying cooler so that the low temperature heat stored in the low temperature storage unit And an operation control unit for supplying the dehumidified cooling unit with the dehumidification and cooling operation of the dehumidification cooling unit and displaying and storing the operation statuses of the respective components,
The power generated by the photovoltaic power generation unit is supplied to the heat source generating unit, the high temperature heat and the low temperature heat generated by the heat source generating unit are separated and stored in the high temperature storage unit and the low temperature storage unit, And the cooling is performed by supplying the heat of the high temperature and the low temperature stored in the low temperature storage unit to the cooling and supplying unit.
하나 이상의 열전소자를 포함하여 이루어져, 직류 전원 공급 방향에 따라 일측면에서는 발열작용을 하고 타측면에서는 흡열작용을 하는 열원발생부;
상기 열원발생부 발열면에서 발생하는 고온의 열은 고온저장부에 저장하고, 상기 열원발생부 흡열면에서 생성되는 저온의 열은 저온저장부에 각각 분리하여 저장하는 열원저장부;
증발작용, 흡수작용, 재생작용 및 경우에 따라 응축작용 등을 더 수행하여 냉방을 수행하는 제습냉방기(흡수식 냉방기 또는 흡착식 냉방기 또는 제습로터식 냉방기)와, 상기 제습냉방기의 공기 흐름 경로 상에 설치되어 상기 제습냉방기로 유입되는 공기 또는 상기 제습냉방기에서 유출되는 공기에 포함된 수분을 제거하고 냉각시키는 제습냉각부를 포함하여 이루어져, 상기 고온저장부에 저장된 고온의 열을 상기 제습냉방기의 재생열로 사용하고, 상기 저온저장부에 저장된 저온의 열을 상기 제습냉각부의 제습 및 냉각열로 사용하는 냉방공급부;
상기 고온저장부에 저장된 고온의 열원과 열 교환을 수행하여 온수를 공급하는 온수공급부;
상기 태양광발전부와 열원발생부와 냉방공급부와 온수공급부의 동작을 제어하여, 상기 열원발생부 발열면에서 발생하는 고온의 열은 상기 고온저장부에 저장되도록 제어하고, 상기 열원발생부 흡열면에서 생성되는 저온의 열은 상기 저온저장부에 저장되도록 제어하고, 상기 고온저장부에 저장된 고온의 열을 상기 제습냉방기에 공급하여 상기 제습냉방기의 재생동작을 제어하고, 상기 저온저장부에 저장된 저온의 열을 상기 제습냉각부에 공급하여 상기 제습냉각부의 제습 및 냉각 동작을 제어하고, 상기 각 구성요소의 동작 상태를 나타내고 저장하는 동작제어부;를 포함하여 구성되어,
상기 태양광발전부에서 발전한 전력을 열원발생부에 공급하고, 상기 열원발생부에서 발생하는 고온의 열과 저온의 열을 각기 분리하여 고온저장부와 저온저장부에 저장하며, 상기 고온저장부에 저장된 고온의 열과 저온저장부에 저장된 저온의 열을 냉방공급부에 공급하여 냉방을 수행하고 온수를 공급함을 특징으로 하는 태양광과 열전소자를 이용한 제습 냉난방시스템.A solar power generating unit including at least one solar cell and performing solar power generation;
A heat source generating unit including one or more thermoelectric elements and having a heat generating function on one side and an endothermic function on the other side according to a DC power supply direction;
A heat source storage unit for storing the high temperature heat generated from the heat generating surface of the heat source generating unit in the high temperature storage unit and the low temperature heat generated from the heat absorbing surface of the heat source generating unit separately in the low temperature storage unit;
A dehumidifying cooler (an absorption type cooler or an adsorption type cooler or a dehumidifying rotor type cooler) for performing cooling by performing further evaporation, absorption, regeneration and, if necessary, condensation, And a dehumidifying cooling unit for removing and cooling water contained in the air flowing into the dehumidifying cooling unit or the air flowing out from the dehumidifying cooling unit, wherein the high temperature heat stored in the high temperature storage unit is used as a regeneration heat of the dehumidifying air conditioner A cooling supply unit that uses low temperature heat stored in the low temperature storage unit as a dehumidification and cooling heat of the dehumidification cooling unit;
A hot water supply unit for supplying hot water by performing heat exchange with a hot heat source stored in the hot storage unit;
And controls the operations of the solar power generation unit, the heat source generation unit, the cooling supply unit, and the hot water supply unit so that the high temperature heat generated on the heat generation surface of the heat source generation unit is stored in the high temperature storage unit, Temperature storage unit and supplies the high-temperature heat stored in the high-temperature storage unit to the dehumidifying air-conditioner to control the regeneration operation of the dehumidifying air-conditioner, and controls the low-temperature heat stored in the low- And a controller for controlling the dehumidifying and cooling operation of the dehumidifying cooling unit by supplying the heat of the dehumidifying and cooling unit to the dehumidifying and cooling unit and displaying and storing the operation states of the respective components,
The power generated by the photovoltaic power generation unit is supplied to the heat source generating unit, the high temperature heat and the low temperature heat generated by the heat source generating unit are separated and stored in the high temperature storage unit and the low temperature storage unit, Wherein the low-temperature heat stored in the high-temperature storage unit and the low-temperature heat stored in the low-temperature storage unit are supplied to the cooling and supplying unit to perform cooling and supply hot water.
하나 이상의 열전소자를 포함하여 이루어져, 직류 전원 공급 방향에 따라 일측면에서는 발열작용을 하고 타측면에서는 흡열작용을 하는 열원발생부;
상기 열원발생부 발열면에서 발생하는 고온의 열은 고온저장부에 저장하고, 상기 열원발생부 흡열면에서 생성되는 저온의 열은 저온저장부에 각각 분리하여 저장하는 열원저장부;
증발작용, 흡수작용, 재생작용 및 경우에 따라 응축작용 등을 더 수행하여 냉방을 수행하는 제습냉방기(흡수식 냉방기 또는 흡착식 냉방기 또는 제습로터식 냉방기)와, 상기 제습냉방기의 공기 흐름 경로 상에 설치되어 상기 제습냉방기로 유입되는 공기 또는 상기 제습냉방기에서 유출되는 공기에 포함된 수분을 제거하고 냉각시키는 제습냉각부를 포함하여 이루어져, 상기 고온저장부에 저장된 고온의 열을 상기 제습냉방기의 재생열로 사용하고, 상기 저온저장부에 저장된 저온의 열을 상기 제습냉각부의 제습 및 냉각열로 사용하는 냉방공급부;
상기 고온저장부에 저장된 고온의 열원과 열 교환을 수행하여 온수를 공급하는 온수공급부;
상기 고온저장부에 저장된 고온의 열원과 열 교환을 수행하여 난방을 공급하는 난방공급부;
상기 태양광발전부와 열원발생부와 냉방공급부와 온수공급부와 난방공급부의 동작을 제어하여, 상기 열원발생부 발열면에서 발생하는 고온의 열은 상기 고온저장부에 저장되도록 제어하고, 상기 열원발생부 흡열면에서 생성되는 저온의 열은 상기 저온저장부에 저장되도록 제어하고, 상기 고온저장부에 저장된 고온의 열을 상기 제습냉방기에 공급하여 상기 제습냉방기의 재생동작을 제어하고, 상기 저온저장부에 저장된 저온의 열을 상기 제습냉각부에 공급하여 상기 제습냉각부의 제습 및 냉각 동작을 제어하고, 상기 고온저장부에 저장된 고온의 열을 이용하여 난방을 공급하고, 상기 각 구성요소의 동작 상태를 나타내고 저장하는 동작제어부;를 포함하여 구성되어,
상기 태양광발전부에서 발전한 전력을 열원발생부에 공급하고, 상기 열원발생부에서 발생하는 고온의 열과 저온의 열을 각기 분리하여 고온저장부와 저온저장부에 저장하며, 상기 고온저장부에 저장된 고온의 열과 저온저장부에 저장된 저온의 열을 냉방공급부에 공급하여 냉방을 수행하고 온수와 난방을 공급함을 특징으로 하는 태양광과 열전소자를 이용한 제습 냉난방시스템.A solar power generating unit including at least one solar cell and performing solar power generation;
A heat source generating unit including one or more thermoelectric elements and having a heat generating function on one side and an endothermic function on the other side according to a DC power supply direction;
A heat source storage unit for storing the high temperature heat generated from the heat generating surface of the heat source generating unit in the high temperature storage unit and the low temperature heat generated from the heat absorbing surface of the heat source generating unit separately in the low temperature storage unit;
A dehumidifying cooler (an absorption type cooler or an adsorption type cooler or a dehumidifying rotor type cooler) for performing cooling by performing further evaporation, absorption, regeneration and, if necessary, condensation, And a dehumidifying cooling unit for removing and cooling water contained in the air flowing into the dehumidifying cooling unit or the air flowing out from the dehumidifying cooling unit, wherein the high temperature heat stored in the high temperature storage unit is used as a regeneration heat of the dehumidifying air conditioner A cooling supply unit that uses low temperature heat stored in the low temperature storage unit as a dehumidification and cooling heat of the dehumidification cooling unit;
A hot water supply unit for supplying hot water by performing heat exchange with a hot heat source stored in the hot storage unit;
A heating supply unit for performing heat exchange with the high-temperature heat source stored in the high-temperature storage unit to supply heat;
The control unit controls the operation of the solar power generation unit, the heat source generation unit, the cooling supply unit, the hot water supply unit, and the heating supply unit so that the high temperature heat generated on the heat generation surface of the heat source generation unit is stored in the high temperature storage unit, The low temperature heat generated on the secondary heat absorbing surface is stored in the low temperature storage unit, the high temperature heat stored in the high temperature storage unit is supplied to the dehumidifying air conditioner to control the regeneration operation of the dehumidifying air conditioner, To the dehumidifying cooling section to control the dehumidifying and cooling operation of the dehumidifying cooling section and to supply the heating by using the high temperature heat stored in the high temperature storage section, And an operation control unit for displaying and storing,
The power generated by the photovoltaic power generation unit is supplied to the heat source generating unit, the high temperature heat and the low temperature heat generated by the heat source generating unit are separated and stored in the high temperature storage unit and the low temperature storage unit, Wherein the low temperature heat stored in the low temperature storage unit is supplied to the cooling / supplying unit to perform cooling, and the hot water and the heating water are supplied to the dehumidifying / cooling / heating system using the solar and thermoelectric elements.
하나 이상의 태양전지로 이루어져 태양광 발전을 수행하는 태양전지부;
상기 태양전지부에서 발전하는 직류 전원을 변환하는 발전제어부; 및,
상기 태양전지부를 지지하는 지지부;를 포함하여 구성됨을 특징으로 하는 태양광과 열전소자를 이용한 제습 냉난방시스템.The solar battery module according to any one of claims 1 to 3,
A solar battery unit comprising at least one solar cell and performing solar power generation;
A power generation control unit for converting DC power generated by the solar cell unit; And
And a supporting part for supporting the solar cell part. The dehumidifying heating / cooling system using the solar light and the thermoelectric element.
태양전지부에서 출력되는 직류 전압을 승압, 또는 강압하여 일정한 값의 직류 전압이 출력되도록 하는 전력변환부;
하나 이상의 축전지로 이루어져 상기 전력변환부에서 출력되는 직류 전압을 저장하는 축전부; 및,
상기 전력변환부에서 출력되는 직류 전원, 또는 상기 축전지에 저장된 직류 전원을 교류 전원으로 변환하는 인버터;를 포함하여 특징으로 하는 태양광과 열전소자를 이용한 제습 냉난방시스템.6. The power generation control apparatus according to claim 5,
A power converter for boosting or lowering the DC voltage output from the solar battery unit and outputting a DC voltage of a constant value;
A power storage unit comprising at least one battery and storing a DC voltage output from the power conversion unit; And
And an inverter for converting the DC power outputted from the power conversion unit or the DC power stored in the battery into an AC power.
하나 이상의 열전소자로 이루어지며, 직류 전원 공급 방향에 따라 일측면에서는 발열작용을 하고 타측면에서는 흡열작용을 하는 열전소자부;
일측면이 상기 열전소자부 발열면과 접촉하고, 타측면에 하나 이상의 열교환핀이 형성되어, 상기 열전소자부 발열면에서 발생하는 고온의 열을 열 교환하는 고온전달부; 및,
일측면이 상기 열전소자부 흡열면과 접촉하고, 타측면에 하나 이상의 열교환핀이 형성되어, 상기 열전소자부 흡열면에서 생성되는 저온의 열을 열 교환하는 저온전달부;를 포함하여 특징으로 하는 태양광과 열전소자를 이용한 제습 냉난방시스템.The heat generating unit according to any one of claims 1 to 3,
A thermoelectric element part including at least one thermoelectric element and having a heat generating function at one side and an endothermic function at the other side according to a DC power supply direction;
A high temperature transmission portion having one side in contact with the heat generating surface of the thermoelectric element portion and one or more heat exchange fins formed in the other side of the thermoelectric element portion to exchange heat of high temperature generated from the heat generating surface of the thermoelectric element portion; And
And a low-temperature transmission part having one side in contact with the heat-absorbing surface of the thermoelectric-element part and one or more heat-exchanging fins formed on the other side of the thermoelectric-element part to heat-exchange low-temperature heat generated from the heat- Dehumidification cooling and heating system using sunlight and thermoelectric element.
절연 특성과 내열 특성을 갖는 재질로 이루어지며, 하나 이상의 열전소자가 장착되는 절연시트; 및,
상기 절연시트에 장착되는 하나 이상의 열전소자;를 포함하여 구성됨을 특징으로 하는 태양광과 열전소자를 이용한 제습 냉난방시스템.The thermoelectric conversion element according to claim 9,
An insulating sheet made of a material having an insulating property and a heat resistance property and having at least one thermoelectric element mounted thereon; And
And at least one thermoelectric element mounted on the insulating sheet.
하나 이상의 열전소자로 이루어지며, 직류 전원 공급 방향에 따라 일측면에서는 발열작용을 하고 타측면에서는 흡열작용을 하는 열전소자부;
열전소자부 발열면에 접촉되며, 내부에 전열매체가 흐르는 공간이 마련되고, 상기 공간 내부에 전열매체와 접촉하는 하나 이상의 열교환핀이 구성되어, 상기 발열면과 전열매체 사이의 열 교환을 수행하는 고온교환부; 및
열전소자부 흡열면에 접촉되며, 내부에 전열매체가 흐르는 공간이 마련되고, 상기 공간 내부에 전열매체와 접촉하는 하나 이상의 열교환핀이 구성되어, 상기 흡열면과 전열매체 사이의 열 교환을 수행하는 저온교환부;를 포함하여 구성됨을 특징으로 하는 태양광과 열전소자를 이용한 제습 냉난방시스템.The heat generating unit according to any one of claims 1 to 3,
A thermoelectric element part including at least one thermoelectric element and having a heat generating function at one side and an endothermic function at the other side according to a DC power supply direction;
A space in which a heat transfer medium flows is provided inside the space and one or more heat exchange fins are formed in the space in contact with the heat transfer medium to perform heat exchange between the heat transfer surface and the heat transfer medium High temperature exchange part; And
A space in which a heat transfer medium flows is provided inside the space and one or more heat exchange fins are formed in contact with the heat transfer medium to perform heat exchange between the heat absorption surface and the heat transfer medium And a low-temperature exchanging part for exchanging heat with the dehumidifying air.
내부에 전열매체가 흐르는 공간이 마련되고, 상기 공간 내부에 전열매체와 접촉하는 하나 이상의 열교환핀이 형성되며, 외부 일측면이 열전소자부 발열면에 접촉하는 열교환몸체;
상기 열교환몸체 상부에 장착되며, 상부에 전열매체가 유출되는 상부연결관이 마련되고, 내부 공간이 하부로 갈수록 넓어져 열교환몸체를 흐르던 전열매체가 고르게 모아져서 유출될 수 있도록 하는 상부캡;
내열 및 단열 소재로 이루어지며, 상기 상부캡과 열교환몸체 사이에 삽입되어 기밀을 유지하는 상부패킹;
상기 열교환몸체 하부에 장착되며, 하부에 전열매체가 유입되는 하부연결관이 마련되고, 내부 공간이 하부로 갈수록 좁아져 전열매체가 열교환몸체 전체로 고르게 퍼져 흐를 수 있도록 하는 하부캡; 및,
내열 및 단열 소재로 이루어지며, 상기 열교환몸체와 하부캡 사이에 삽입되어 기밀을 유지하는 하부패킹;을 포함하여 구성되어,
상기 하부캡의 하부연결관을 통해 유입되는 전열매체가 열교환몸체를 통해 상부캡의 상부연결관으로 유출되는 동안 열전소자부 발열면과의 열 교환이 이루어지도록 함을 특징으로 하는 태양광과 열전소자를 이용한 제습 냉난방시스템.14. The apparatus according to claim 13, wherein the high-
A heat exchange body having a space in which a heat transfer medium flows therein, at least one heat exchange fin in contact with the heat transfer medium in the space, and an outer side surface of the heat exchange body contacting the heat generating surface of the thermoelectric element;
An upper cap mounted on the heat exchange body and provided with an upper connection pipe through which the heat transfer medium flows out, and an upper cap which is widened toward the lower side to uniformly collect and discharge the heat transfer medium flowing through the heat exchange body;
An upper packing made of heat-resistant and heat insulating material and inserted between the upper cap and the heat exchange body to maintain airtightness;
A lower cap mounted on a lower portion of the heat exchange body and provided with a lower connection pipe through which a heat transfer medium flows into the lower portion and narrows as the inner space is lowered to allow the heat transfer medium to spread evenly throughout the heat exchange body; And
And a lower packing inserted between the heat exchange body and the lower cap to maintain airtightness,
And heat exchange with the heat generating surface of the thermoelectric element is performed while the heat transfer medium flowing through the lower connecting tube of the lower cap flows out to the upper connecting tube of the upper cap through the heat exchanging body. Dehumidifying & heating & cooling system.
내부에 전열매체가 흐르는 공간이 마련되고, 상기 공간 내부에 전열매체와 접촉하는 하나 이상의 열교환핀이 형성되며, 외부 일측면이 열전소자부 흡열면에 접촉하는 열교환몸체;
상기 열교환몸체 상부에 장착되며, 상부에 전열매체가 유입되는 상부연결관이 마련되고, 내부 공간이 하부로 갈수록 넓어져 전열매체가 열교환몸체 전체로 고르게 퍼져 흐를 수 있도록 하는 상부캡;
내열 및 단열 소재로 이루어지며, 상기 상부캡과 열교환몸체 사이에 삽입되어 기밀을 유지하는 상부패킹;
상기 열교환몸체 하부에 장착되며, 하부에 전열매체가 유출되는 하부연결관이 마련되고, 내부 공간이 하부로 갈수록 좁아져 열교환몸체를 흐르던 전열매체가 고르게 모아져서 유출될 수 있도록 하는 하부캡; 및,
내열 및 단열 소재로 이루어지며, 상기 열교환몸체와 하부캡 사이에 삽입되어 기밀을 유지하는 하부패킹;을 포함하여 구성되어,
상기 상부캡의 상부연결관을 통해 유입되는 전열매체가 열교환몸체를 통해 하부캡의 하부연결관으로 유출되는 동안 열전소자부 흡열면과의 열 교환이 이루어지도록 함을 특징으로 하는 태양광과 열전소자를 이용한 제습 냉난방시스템.16. The apparatus according to claim 15, wherein the low-
A heat exchange body having a space in which a heat transfer medium flows, at least one heat exchange fin in contact with the heat transfer medium in the space, and an outer side surface of the heat exchange body contacting the heat absorption surface of the thermoelectric element;
An upper cap mounted on the heat exchange body and provided with an upper connection pipe through which the heat transfer medium flows into the upper portion and an inner space spreading downward to allow the heat transfer medium to flow evenly throughout the heat exchange body;
An upper packing made of heat-resistant and heat insulating material and inserted between the upper cap and the heat exchange body to maintain airtightness;
A lower cap mounted on a lower portion of the heat exchange body and provided with a lower connection pipe through which a heat transfer medium flows out downward and narrows downward as the internal space is lowered so that the heat transfer medium flowing through the heat exchange body can be uniformly collected and discharged; And
And a lower packing inserted between the heat exchange body and the lower cap to maintain airtightness,
And heat exchange with the heat absorbing surface of the thermoelectric element is performed while the heat transfer medium flowing through the upper connecting tube of the upper cap flows out to the lower connecting tube of the lower cap through the heat exchanging body. Dehumidifying & heating & cooling system.
상기 저온저장부에 저장된 저온의 열원이 공급되어 흐르는 냉각관;
상기 냉각관에 접촉되도록 설치되며, 상기 냉각관에 전도된 저온의 열이 전도되어 유입되는 공기를 냉각시키고 수분을 제거하는 제습망;
상기 제습망 하부에 장착되며, 상기 제습망에 맺힌 물방울이 저장되는 수조;
상기 제습망에 맺힌 물방울을 수조로 유도하는 배수관;
상기 냉각관과 제습망과 수조 및 배수관이 장착되며, 공기 유입구와 유출구가 마련된 케이스; 및,
상기 케이스 내부에 장착되며, 상기 공기 유입구를 통해 외부 공기를 유입시켜 제습망을 통해 유출구로 유출시키는 송풍팬;을 포함하여 구성됨을 특징으로 하는 태양광과 열전소자를 이용한 제습 냉난방시스템.4. The dehumidifying refrigerator according to any one of claims 1 to 3,
A cooling pipe through which a low-temperature heat source stored in the low-temperature storage unit flows;
A dehumidifying net installed to be in contact with the cooling pipe, for cooling the air introduced into the cooling pipe through the low-temperature heat to remove the moisture;
A water tank installed at the bottom of the dehumidification net to store water droplets formed in the dehumidification net;
A water pipe for leading water droplets formed in the dehumidifying net to a water tank;
A case equipped with the cooling pipe, the dehumidification net, the water tank, and the drain pipe, and having an air inlet and an outlet; And
And a blower fan installed in the case and blowing outside air through the air inlet port to the outlet port through a dehumidifying net.
상기 저온저장부에 저장된 저온의 열원이 공급되어 흐르는 냉각관;
상기 냉각관에 접촉되도록 설치되며, 상기 냉각관에 전도된 저온의 열이 전도되어 유입되는 공기를 냉각시키는 냉각망;
상기 냉각관과 제습망이 장착되며, 공기 유입구와 유출구가 마련된 케이스; 및,
상기 케이스 내부에 장착되며, 상기 공기 유입구를 통해 외부 공기를 유입시켜 제습망을 통해 유출구로 유출시키는 송풍팬;을 포함하여 구성됨을 특징으로 하는 태양광과 열전소자를 이용한 제습 냉난방시스템.23. The cooling device according to claim 22,
A cooling pipe through which a low-temperature heat source stored in the low-temperature storage unit flows;
A cooling net installed to be in contact with the cooling pipe and cooling the air introduced into the cooling pipe and passing low-temperature heat therethrough;
A case equipped with the cooling pipe and the dehumidification net and having an air inlet and an outlet; And
And a blower fan installed in the case and blowing outside air through the air inlet port to the outlet port through a dehumidifying net.
하나 이상의 온도센서로 이루어져 열원저장부 온도와 냉방공급부 온도 및 실내 온도 등을 검출하는 온도센서부;
전열매체의 흐름 경로에 설치되는 하나 이상의 유량센서로 이루어져, 열원발생부와 열원저장부 사이를 흐르는 전열매체의 유량, 또는 냉방공급부에 공급하는 전열매체의 유량 등을 검출하는 유량검출부;
사용자에 의해 조작되는 스위치부;
태양광발전부와, 열원발생부와, 열원저장부와, 냉방공급부의 동작 데이터 및 상태 데이터 등을 나타내는 표시부;
태양광발전부와, 열원발생부와, 열원저장부와, 냉방공급부의 동작 데이터 및 상태 데이터 등을 저장하는 데이터저장부;
열원발생부의 동작을 제어하는 열원발생제어부;
전열매체 순환 펌프의 동작을 제어하는 펌프제어부;
상기 온도센서부와 유량검출부와 스위치부와 표시부와 데이터저장부의 동작을 제어하여, 상기 태양광발전부에서 발전한 전력을 열원발생부에 저장하고, 열원발생부의 축열동작을 제어하며, 냉방공급부의 동작을 제어하는 제어부; 및,
상기 각 구성요소에 동작 전원을 공급하는 전원공급부;를 포함하여 구성됨을 특징으로 하는 태양광과 열전소자를 이용한 제습 냉난방시스템.4. The apparatus according to any one of claims 1 to 3,
A temperature sensor unit including at least one temperature sensor for detecting the temperature of the heat source storage unit, the temperature of the cooling supply unit, and the room temperature;
A flow rate detector for detecting a flow rate of the heat transfer medium flowing between the heat source generating unit and the heat source storage unit or a flow rate of the heat transfer medium supplied to the cooling and supplying unit, the flow rate detecting unit comprising at least one flow sensor installed in the flow path of the heat transfer medium;
A switch unit operated by a user;
A display unit that displays operation data and state data of the solar power generation unit, the heat source generation unit, the heat source storage unit, and the cooling and supply unit;
A data storage unit for storing operation data and state data of the solar power generation unit, the heat source generation unit, the heat source storage unit, and the cooling and supply unit;
A heat source generation control unit for controlling an operation of the heat source generation unit;
A pump controller for controlling operation of the heat transfer medium circulation pump;
The control unit controls the operation of the temperature sensor unit, the flow rate detection unit, the switch unit, the display unit, and the data storage unit, stores the power generated by the solar power generation unit in the heat source generation unit, controls the heat storage operation of the heat source generation unit, ; And
And a power supply unit for supplying operating power to each of the components. The dehumidification heating / cooling system using the solar and the thermoelectric element.
하나 이상의 열전소자로 일측면에서는 발열작용을 하고 타측면에서는 흡열작용을 하도록 열전소자부를 구성하고,
고온의 열원을 저장하는 고온저장부와 저온의 열원을 저장하는 저온저장부로 열원저장부를 구성하고,
상기 열원발생부 발열면에서 발생하는 고온의 열은 상기 고온저장부에 저장하고,
상기 열원발생부 흡열면에서 생성되는 저온의 열은 상기 저온저장부에 저장한 후,
상기 고온저장부에 저장된 고온의 열을 이용하여 온수 공급과 난방 공급을 수행하고,
상기 고온저장부에 저장된 고온의 열을 제습냉방기(흡수식 냉방기, 또는 흡착식 냉방기, 또는 제습로터식 냉방기)의 재생열로 사용하고, 상기 저온저장부에 저장된 저온의 열을 이용하여 제습 및 냉각을 수행함을 특징으로 하는 태양광과 열전소자를 이용한 제습 냉난방 방법.The solar power generation unit is constituted by at least one solar cell that performs solar power generation, and the generated power is supplied to the thermoelectric element unit,
One or more thermoelectric elements constitute a thermoelectric element portion to exert a heat generating effect on one side and an endothermic effect on the other side,
A heat source storage unit is constituted by a high temperature storage unit for storing a high temperature heat source and a low temperature storage unit for storing a low temperature heat source,
The high temperature heat generated from the heat generating surface of the heat source generating unit is stored in the high temperature storage unit,
The low-temperature heat generated from the heat-absorbing surface of the heat-generating portion is stored in the low-temperature storage portion,
The hot water supply and the heating supply are performed using the high temperature heat stored in the high temperature storage unit,
The high-temperature heat stored in the high-temperature storage unit is used as a regenerating heat of the dehumidifying cooler (absorption type cooler, adsorption type cooler, or dehumidification rotor type cooler), and dehumidification and cooling are performed using low temperature heat stored in the low temperature storage unit Wherein the dehumidifying / heating / heating method uses solar and thermoelectric elements.
상기 태양광과 열전소자를 이용한 제습 냉난방 시스템의 제어방법은,
동작 조건(냉방 목표 온도, 또는 난방 목표 온도, 또는 차온 제어 온도 등)을 설정하는 동작조건설정단계;
상기 동작조건설정단계를 수행한 후 열원저장부의 온도를 검출하여 열원발생부의 동작을 제어하는 열원발생제어단계;
상기 열원발생제어단계를 수행한 후 냉방기능이 선택되었는지의 여부를 판단하여 냉방기능이 선택되었을 경우에는, 실내 온도 및 열원저장부의 온도를 검출하여 제어량을 산출한 후, 상기 고온저장부에 저장된 고온의 열원과 저온저장부에 저장된 저온의 열원을 냉방공급부에 공급하여 제습 및 냉방을 수행하는 냉방제어단계;
상기 냉방제어단계를 수행한 후 난방기능이 선택되었는지의 여부를 판단하여 난방기능이 선택된 것으로 판단되면, 실내 온도 및 열원저장부의 온도를 검출하여 제어량을 산출한 후, 난방 공급 순환펌프의 동작을 제어하여 난방을 공급하는 난방제어단계;
상기 난방제어단계를 수행한 후 상기 고온저장부의 온도를 검출하고, 냉방기능, 또는 난방기능이 수행 중 인지의 여부, 또는 온수를 사용하고 있는지의 여부를 검출하여, 냉방기능이나 난방기능이 수행되고 있거나, 또는 온수를 사용하고 있는 상태에서 상기 고온저장부의 온도가 일정 온도 이하가 될 경우에는 보조열원을 동작시키는 보조열원제어단계;
상기 보조열원제어단계를 수행한 후, 상기 각 구성요소의 동작 상태 및 동작 데이터를 나타내는 표시단계; 및,
상기 표시단계를 수행한 후, 상기 각 구성요소의 동작 상태 및 동작 데이터를 저장하는 데이터저장단계;를 포함하여 구성됨을 특징으로 하는 태양광과 열전소자를 이용한 제습 냉난방 시스템의 제어방법.A solar power generation unit for performing solar power generation to supply generated power to a heat source generating unit, a heat source generating unit including one or more thermoelectric elements and having a heat generating function on one side and an endothermic function on the other side, And a hot water supply unit for supplying hot water. The high temperature heat generated from the heat generating surface of the heat source generating unit is stored in the high temperature storage unit And the heat generated by the heat-source generating portion is separated and stored in the low-temperature storage portion, and then the solar and thermoelectric modules, which perform cooling and heating using the heat source stored in the high-temperature storage portion and the low- In a dehumidifying heating / cooling system using a device,
A method of controlling a dehumidification cooling / heating system using solar light and a thermoelectric element,
An operating condition setting step of setting an operating condition (cooling target temperature, heating target temperature, or temperature control temperature, etc.);
A heat source generation control step of controlling the operation of the heat source generation unit by detecting the temperature of the heat source storage unit after performing the operation condition setting step;
The controller determines whether or not the cooling function is selected after performing the heat source generation control step. If the cooling function is selected, the control unit calculates the control amount by detecting the temperature of the room temperature and the heat source storage unit, A cooling control step of supplying a low temperature heat source stored in the low temperature storage unit to the cooling / supplying unit to perform dehumidification and cooling;
After the cooling control step is performed, it is determined whether or not the heating function is selected. If it is determined that the heating function is selected, the indoor temperature and the temperature of the heat source storage unit are detected to calculate the control amount, A heating control step of supplying heating by heating;
After the heating control step is performed, the temperature of the high-temperature storage unit is detected, and it is detected whether the cooling function or the heating function is being performed or whether the hot water is being used to perform the cooling function or the heating function Or an auxiliary heat source for operating the auxiliary heat source when the temperature of the high temperature storage unit is lower than a predetermined temperature in a state of using hot water;
A display step of displaying operation state and operation data of each component after performing the auxiliary heat source control step; And
And a data storage step of storing the operation state and operation data of each of the components after performing the display step.
Priority Applications (1)
| Application Number | Priority Date | Filing Date | Title |
|---|---|---|---|
| KR20130042568A KR20140124696A (en) | 2013-04-17 | 2013-04-17 | System and method to air conditioning and heating using solar cell and thermoelectric module |
Applications Claiming Priority (1)
| Application Number | Priority Date | Filing Date | Title |
|---|---|---|---|
| KR20130042568A KR20140124696A (en) | 2013-04-17 | 2013-04-17 | System and method to air conditioning and heating using solar cell and thermoelectric module |
Publications (1)
| Publication Number | Publication Date |
|---|---|
| KR20140124696A true KR20140124696A (en) | 2014-10-27 |
Family
ID=51994858
Family Applications (1)
| Application Number | Title | Priority Date | Filing Date |
|---|---|---|---|
| KR20130042568A Withdrawn KR20140124696A (en) | 2013-04-17 | 2013-04-17 | System and method to air conditioning and heating using solar cell and thermoelectric module |
Country Status (1)
| Country | Link |
|---|---|
| KR (1) | KR20140124696A (en) |
Cited By (3)
| Publication number | Priority date | Publication date | Assignee | Title |
|---|---|---|---|---|
| KR101603084B1 (en) * | 2014-11-18 | 2016-03-15 | 한국원자력연구원 | Emergency Power Generation Device For Open Pool Type Reactor |
| CN110848837A (en) * | 2019-10-18 | 2020-02-28 | 重庆大学 | Solar semiconductor refrigeration and jet refrigeration combined air conditioning system |
| CN119720487A (en) * | 2024-11-08 | 2025-03-28 | 武汉亿纬储能有限公司 | Liquid cooling unit selection method for energy storage system, electronic device and readable storage medium |
-
2013
- 2013-04-17 KR KR20130042568A patent/KR20140124696A/en not_active Withdrawn
Cited By (3)
| Publication number | Priority date | Publication date | Assignee | Title |
|---|---|---|---|---|
| KR101603084B1 (en) * | 2014-11-18 | 2016-03-15 | 한국원자력연구원 | Emergency Power Generation Device For Open Pool Type Reactor |
| CN110848837A (en) * | 2019-10-18 | 2020-02-28 | 重庆大学 | Solar semiconductor refrigeration and jet refrigeration combined air conditioning system |
| CN119720487A (en) * | 2024-11-08 | 2025-03-28 | 武汉亿纬储能有限公司 | Liquid cooling unit selection method for energy storage system, electronic device and readable storage medium |
Similar Documents
| Publication | Publication Date | Title |
|---|---|---|
| Shen et al. | A study on thermoelectric technology application in net zero energy buildings | |
| JP6234595B2 (en) | Solar air conditioning system | |
| US9243616B2 (en) | Heat-electricity combined production system that utilizes solar energy and geothermal heat | |
| KR101084569B1 (en) | Hybrid hot water supply system using solar collector and heat pump air conditioner | |
| KR101162747B1 (en) | Field-installed photovoltaic-thermal heatpump heating and cooling experiment apparatus for education | |
| KR20120117984A (en) | Energy storage system | |
| CN204373270U (en) | PV air-conditioner Teat pump boiler | |
| KR102362508B1 (en) | Control system for a solar assisted heat pump system with hybrid solar collectors | |
| CN105222396A (en) | Solar energy air source water source combined heating system | |
| CN108980976A (en) | Solar energy composite utilizes power generation, heating and refrigeration system | |
| CN104964373A (en) | Air-conditioning system and control method thereof | |
| CN106451724B (en) | Solar energy and the temperature adjustment of standing column well heat pump, power supply, hot-water supply system and method | |
| KR20140124460A (en) | System and method to air conditioning and heating using solar energy and thermoelectric module | |
| US11480366B2 (en) | Solar water heating system | |
| CN105222397A (en) | A kind of photovoltaic and photothermal combines the solar adsorption-type refrigerating system driving enhanced heat exchange | |
| CN112484323B (en) | Phase change thermal storage Trumbo wall system | |
| CN208765044U (en) | Comprehensive utilization of solar energy for power generation, heating and cooling systems | |
| KR20140124696A (en) | System and method to air conditioning and heating using solar cell and thermoelectric module | |
| CN105737303B (en) | Self-circulating cooling system with automatic temperature control and selective cold storage | |
| JP2010159889A (en) | Multipurpose heat storage device combining high-temperature solar heat collector with electric heater | |
| KR20140124962A (en) | System and method to storing heat of a thermoelectric module using solar energy | |
| CN204830470U (en) | Solar energy air can all -weather water resource heat pump hot -water heating system of combination formula | |
| KR102538280B1 (en) | Combined water heater equipment for both heating and cooling without carbon emission | |
| JP2011080724A (en) | Solar energy utilization system | |
| KR20140124471A (en) | System and method to storing heat of a thermoelectric module using natural convection |
Legal Events
| Date | Code | Title | Description |
|---|---|---|---|
| PA0109 | Patent application |
Patent event code: PA01091R01D Comment text: Patent Application Patent event date: 20130417 |
|
| PG1501 | Laying open of application | ||
| PC1203 | Withdrawal of no request for examination | ||
| WITN | Application deemed withdrawn, e.g. because no request for examination was filed or no examination fee was paid |
