KR20140053671A - 온수공급장치 및 온수공급방법 - Google Patents

온수공급장치 및 온수공급방법 Download PDF

Info

Publication number
KR20140053671A
KR20140053671A KR1020120119892A KR20120119892A KR20140053671A KR 20140053671 A KR20140053671 A KR 20140053671A KR 1020120119892 A KR1020120119892 A KR 1020120119892A KR 20120119892 A KR20120119892 A KR 20120119892A KR 20140053671 A KR20140053671 A KR 20140053671A
Authority
KR
South Korea
Prior art keywords
hot water
initial
opening amount
temperature
water valve
Prior art date
Legal status (The legal status is an assumption and is not a legal conclusion. Google has not performed a legal analysis and makes no representation as to the accuracy of the status listed.)
Granted
Application number
KR1020120119892A
Other languages
English (en)
Other versions
KR102075912B1 (ko
Inventor
이영재
정웅
노진환
문현석
이수윤
정희도
최환석
가진성
Original Assignee
코웨이 주식회사
Priority date (The priority date is an assumption and is not a legal conclusion. Google has not performed a legal analysis and makes no representation as to the accuracy of the date listed.)
Filing date
Publication date
Application filed by 코웨이 주식회사 filed Critical 코웨이 주식회사
Priority to KR1020120119892A priority Critical patent/KR102075912B1/ko
Publication of KR20140053671A publication Critical patent/KR20140053671A/ko
Application granted granted Critical
Publication of KR102075912B1 publication Critical patent/KR102075912B1/ko
Active legal-status Critical Current
Anticipated expiration legal-status Critical

Links

Images

Classifications

    • FMECHANICAL ENGINEERING; LIGHTING; HEATING; WEAPONS; BLASTING
    • F24HEATING; RANGES; VENTILATING
    • F24HFLUID HEATERS, e.g. WATER OR AIR HEATERS, HAVING HEAT-GENERATING MEANS, e.g. HEAT PUMPS, IN GENERAL
    • F24H9/00Details
    • F24H9/20Arrangement or mounting of control or safety devices
    • F24H9/2007Arrangement or mounting of control or safety devices for water heaters
    • F24H9/2014Arrangement or mounting of control or safety devices for water heaters using electrical energy supply
    • F24H9/2028Continuous-flow heaters
    • FMECHANICAL ENGINEERING; LIGHTING; HEATING; WEAPONS; BLASTING
    • F24HEATING; RANGES; VENTILATING
    • F24HFLUID HEATERS, e.g. WATER OR AIR HEATERS, HAVING HEAT-GENERATING MEANS, e.g. HEAT PUMPS, IN GENERAL
    • F24H1/00Water heaters, e.g. boilers, continuous-flow heaters or water-storage heaters
    • F24H1/10Continuous-flow heaters, i.e. heaters in which heat is generated only while the water is flowing, e.g. with direct contact of the water with the heating medium
    • F24H1/101Continuous-flow heaters, i.e. heaters in which heat is generated only while the water is flowing, e.g. with direct contact of the water with the heating medium using electric energy supply
    • FMECHANICAL ENGINEERING; LIGHTING; HEATING; WEAPONS; BLASTING
    • F24HEATING; RANGES; VENTILATING
    • F24HFLUID HEATERS, e.g. WATER OR AIR HEATERS, HAVING HEAT-GENERATING MEANS, e.g. HEAT PUMPS, IN GENERAL
    • F24H9/00Details
    • F24H9/16Arrangements for water drainage 
    • EFIXED CONSTRUCTIONS
    • E03WATER SUPPLY; SEWERAGE
    • E03DWATER-CLOSETS OR URINALS WITH FLUSHING DEVICES; FLUSHING VALVES THEREFOR
    • E03D9/00Sanitary or other accessories for lavatories ; Devices for cleaning or disinfecting the toilet room or the toilet bowl; Devices for eliminating smells
    • E03D9/08Devices in the bowl producing upwardly-directed sprays; Modifications of the bowl for use with such devices ; Bidets; Combinations of bowls with urinals or bidets; Hot-air or other devices mounted in or on the bowl, urinal or bidet for cleaning or disinfecting
    • FMECHANICAL ENGINEERING; LIGHTING; HEATING; WEAPONS; BLASTING
    • F24HEATING; RANGES; VENTILATING
    • F24HFLUID HEATERS, e.g. WATER OR AIR HEATERS, HAVING HEAT-GENERATING MEANS, e.g. HEAT PUMPS, IN GENERAL
    • F24H2250/00Electrical heat generating means

Landscapes

  • Engineering & Computer Science (AREA)
  • Physics & Mathematics (AREA)
  • Thermal Sciences (AREA)
  • Chemical & Material Sciences (AREA)
  • Combustion & Propulsion (AREA)
  • Mechanical Engineering (AREA)
  • General Engineering & Computer Science (AREA)
  • Heat-Pump Type And Storage Water Heaters (AREA)

Abstract

본 발명은 온수공급장치 및 온수공급방법에 관한 것으로서, 본 발명의 일 실시예에 의한 온수공급방법은, 온수공급신호가 입력되면, 히터부로 유입되는 정수를 가열하여 온수를 생성하는 온수생성단계; 상기 온수공급신호 입력 후 기 설정 시간 내에 토출되는 온수의 초기출수온도를 측정하는 출수온도측정단계; 및 상기 초기출수온도에 대응하여, 상기 히터부가 토출하는 온수의 유량을 조절하는 온수밸브의 초기 개도량을 설정하는 개도량설정단계를 포함할 수 있다.

Description

온수공급장치 및 온수공급방법 {Apparatus for extracting hot water and method for the same}
본 발명은 온수공급장치 및 온수공급방법에 관한 것으로서, 특히 사용자가 원하는 목표온도를 가지는 온수를 제공할 수 있는 온수공급장치 및 온수공급방법에 관한 것이다.
비데 또는 정수기 등에서 사용되는 온수공급장치는 크게 물탱크 속에 히터를 설치하는 물탱크형과, 공급되는 물에 대하여 필요시마다 히터를 이용하여 가열하는 순간온수형으로 구별할 수 있다.
물탱크형 온수공급장치는 온수의 사용여부와 관계없이 물탱크 내의 온도를 항상 목표온도로 유지하므로 대기전력을 낭비하게 되는 문제점이 있으며, 상기 물탱크를 위한 공간이 필요하므로 물탱크형 온수공급장치의 소형화에 제한이 있다.
반면에, 순간온수형 온수공급장치는 온수추출이 요청되는 경우에만 히터를 사용하므로 대기전력 낭비가 없고, 별도의 물탱크가 필요하지 않으므로 소형화에 유리하다.
다만, 물탱크형 온수공급장치와 비교할 때 안정적으로 목표온도를 가지는 온수를 제공하기 어려울 수 있으며, 특히, 온수의 초기출수시에 목표온도와의 차이가 크게 발생할 수 있다. 구체적으로, 상기 히터에 공급되는 상용전원에 변동이 있거나 국가별로 상용전원의 크기가 다른경우 등에는 상기 초기출수온도의 차이가 발생할 수 있다. 또한, 상기 순간온수형 온수공급장치가 설치되는 지역의 수압이나 유량이 현저하게 다른 경우에도 상기 초기출수온도의 차이가 발생하는 등의 문제가 있을 수 있다.
본 발명은 사용자가 원하는 목표온도를 가지는 온수를 제공할 수 있는 온수공급장치를 제공하고자 한다.
또한, 본 발명은 사용자가 원하는 목표온도를 가지는 온수를 제공할 수 있는 온수공급방법을 제공하고자 한다.
본 발명의 일 실시예에 의한 온수공급방법은, 온수공급신호가 입력되면, 히터부로 유입되는 정수를 가열하여 온수를 생성하는 온수생성단계; 상기 온수공급신호 입력 후 기 설정 시간 내에 토출되는 온수의 초기출수온도를 측정하는 출수온도측정단계; 및 상기 초기출수온도에 대응하여, 상기 히터부가 토출하는 온수의 유량을 조절하는 온수밸브의 초기 개도량을 설정하는 개도량설정단계를 포함할 수 있다.
여기서 상기 개도량설정단계는, 상기 초기출수온도를 기 설정된 횟수만큼 적산하여 상기 초기출수온도의 평균값을 계산하고, 상기 평균값과 상기 온수의 목표온도를 비교하여 상기 온수밸브의 초기 개도량을 설정할 수 있다.
여기서 상기 개도량설정단계는, 상기 초기출수온도가 목표온도 이하이면 상기 초기 개도량을 감소시키고, 상기 초기출수온도가 목표온도 초과이면 상기 초기 개도량을 증가시킬 수 있다,
여기서 상기 개도량설정단계는, 상기 초기출수온도에 대응하는 상기 온수밸브의 초기 개도량이 설정된 테이블표를 이용하여 상기 초기 개도량을 설정할 수 있다.
여기서 상기 개도량설정단계는, 상기 온수밸브의 개폐를 조절하는 스테핑 모터(stepping motor)에 인가하는 입력펄스의 수를 조절하여 상기 온수밸브의 초기 개도량을 조절할 수 있다.
여기서 상기 개도량설정단계는, 상기 온수밸브의 개폐를 조절하는 동기모터(synchronous motor)에 전력을 인가하는 구동시간을 조절하여 상기 온수밸브의 초기 개도량을 조절할 수 있다.
본 발명의 일 실시예에 의한 온수공급장치는, 온수공급신호가 입력되면, 유입되는 정수를 가열하여 온수를 생성하는 히터부; 상기 히터부에서 토출되는 온수의 유량을 조절하는 온수밸브; 상기 온수공급신호 입력 후 기 설정 시간 내에 상기 히터부에서 토출되는 온수의 초기출수온도를 측정하는 온도센서부; 및 기 설정된 목표온도와 상기 초기출수온도를 비교하여 상기 온수밸브의 초기개도량을 조절하는 제어부를 포함할 수 있다.
여기서 상기 제어부는, 상기 초기출수온도를 기 설정된 횟수만큼 적산하여 상기 초기출수온도의 평균값을 계산하고, 상기 평균값과 상기 목표온도를 비교하여 상기 온수밸브의 초기 개도량을 조절할 수 있다.
여기서 상기 제어부는, 상기 초기출수온도가 목표온도 이하이면 상기 초기 개도량을 감소시키고, 상기 초기출수온도가 목표온도 초과이면 상기 초기 개도량을 증가시킬 수 있다.
여기서 상기 제어부는, 상기 초기출수온도에 대응하는 상기 온수밸브의 초기 개도량이 설정된 테이블표를 이용하여 상기 초기 제어량을 설정할 수 있다.
여기서 상기 제어부는, 상기 온수밸브의 개폐를 조절하는 스테핑 모터(stepping motor)에 인가하는 입력펄스의 수를 조절하여 상기 온수밸브의 초기 개도량을 조절할 수 있다.
여기서 상기 제어부는, 상기 온수밸브의 개폐를 조절하는 동기모터(synchronous motor)에 전력을 인가하는 구동시간을 조절하여 상기 온수밸브의 초기 개도량을 조절할 수 있다.
덧붙여 상기한 과제의 해결수단은, 본 발명의 특징을 모두 열거한 것이 아니다. 본 발명의 다양한 특징과 그에 따른 장점과 효과는 아래의 구체적인 실시형태를 참조하여 보다 상세하게 이해될 수 있을 것이다.
본 발명의 일 실시예에 의한 온수공급장치 및 온수공급방법에 의하면, 온수의 초기출수시부터 목표온도를 가지는 온수를 제공할 수 있다. 따라서, 초기부터 목표온도를 가지는 온수를 제공받고자 하는 사용자에 대한 신뢰도를 향상시킬 수 있다.
또한, 본 발명의 일 실시예에 의한 온수공급장치 및 온수공급방법에 의하면, 상용전원의 변동이나 국가별 전압차이, 설치지역의 수압 및 유량 차이에 따라 온수밸브의 초기개도량을 설정할 수 있다. 따라서, 설치장소의 다양한 전압사양 및 설치 수압, 유량 등에 맞추어 사용자가 원하는 목표온도를 가지는 온수를 제공하는 것이 가능하다.또한, 본 발명의 일 실시예에 의한 온수공급장치 및 온수공급방법에 의하면, 히터부에 공급되는 상용전원의 전압이나 전류를 측정하기 위한 구성 등을 포함할 필요가 없으므로, 온수공급장치 제작에 있어서 비용절감 및 제작편의성을 향상할 수 있다.
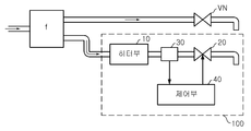
도1은 본 발명의 일 실시예에 의한 온수공급장치를 나타내는 개략도이다.
도2는 본 발명의 일 실시예에 의한 온수공급장치의 초기 개도량 설정을 위한 테이블표이다.
도3은 본 발명의 일 실시예에 의한 온수공급방법을 나타내는 순서도이다.
이하, 첨부된 도면을 참조하여 본 발명이 속하는 기술분야에서 통상의 지식을 가진 자가 본 발명을 용이하게 실시할 수 있도록 바람직한 실시예를 상세히 설명한다. 다만, 본 발명의 바람직한 실시예를 상세하게 설명함에 있어, 관련된 공지 기능 또는 구성에 대한 구체적인 설명이 본 발명의 요지를 불필요하게 흐릴 수 있다고 판단되는 경우에는 그 상세한 설명을 생략한다. 또한, 유사한 기능 및 작용을 하는 부분에 대해서는 도면 전체에 걸쳐 동일한 부호를 사용한다.
덧붙여, 명세서 전체에서, 어떤 부분이 다른 부분과 '연결'되어 있다고 할 때, 이는 '직접적으로 연결'되어 있는 경우뿐만 아니라, 그 중간에 다른 소자를 사이에 두고 '간접적으로 연결'되어 있는 경우도 포함한다. 또한, 어떤 구성요소를 '포함'한다는 것은, 특별히 반대되는 기재가 없는 한 다른 구성요소를 제외하는 것이 아니라 다른 구성요소를 더 포함할 수 있다는 것을 의미한다.
도1은 본 발명의 일 실시예에 의한 온수공급장치를 나타내는 개략도이다.
도1을 참조하면, 본 발명의 일 실시예에 의한 온수공급장치는 히터부(10), 온수밸브(20), 온도센서부(30) 및 제어부(40)를 포함할 수 있다.
이하, 도1을 참조하여 본 발명의 일 실시예에 의한 온수공급장치(100)를 설명한다.
온수공급장치(100)는, 공급되는 물을 가열하여 기 설정된 목표온도를 가지는 온수를 제공할 수 있다. 상기 온수공급장치(100)는, 특히 직수식 정수기에 적용될 수 있으며, 상기 직수식 정수기의 필터부(f)에 의하여 여과된 정수를 가열하여 온수를 생성할 수 있다. 여기서, 상기 직수식 정수기는 별도의 물탱크부를 포함하지 않는 것으로서, 사용자의 출수요청이 입력되면 상기 필터부(f)로 원수의 공급을 시작하고, 상기 필터부(f)에서 여과되어 생성된 정수는 정수밸브(VN)을 통하여 사용자에게 제공될 수 있다. 따라서, 상기 직수식 정수기가 사용자에게 온수를 제공하기 위해서는, 토출되는 정수를 순간적으로 가열하여 목표온도를 가지는 온수를 생성할 필요가 있다. 여기서 상기 본 발명의 일 실시예에 의한 온수공급장치(100)는, 히터부(10)를 이용하여 순간적으로 가열하여 목표온도를 가지는 온수를 생성할 수 있으므로, 상기 직수식 정수기에 적용될 수 있다.
구체적으로, 상기 온수공급장치(100)는 필터부(f)에 의하여 여과된 정수를 공급받을 수 있으며, 상기 정수는 상기 온수공급장치(100)의 히터부(10)로 유입될 수 있다. 즉, 사용자가 온수출수요청을 상기 직수식 정수기의 인터페이스부 등을 통하여 입력하면, 상기 직수식 정수기는 온수공급신호를 생성하여 상기 히터부(10)로 입력할 수 있다.
이 경우, 상기 히터부(10)는 상기 유입되는 정수를 가열하여 온수를 생성할 수 있다. 상기 히터부(10)는 기 설정된 가열용량으로 상기 정수를 가열하는 것으로서, 상기 정수가 상기 히터부(10)의 내부에 머무르는 시간이 길수록 상기 히터부(10)에서 토출되는 온수의 온도는 높아질 수 있다. 따라서, 상기 제어부(40)는 상기 히터부(10)에서 토출되는 온수의 유량을 조절하는 온수밸브(20)의 개도량을 조절함으로써, 상기 히터부(10)에서 토출되는 온수의 출수온도를 조절할 수 있다. 구체적으로, 온도센서부(30)를 이용하여 상기 히터부(10)에서 토출되는 온수의 출수온도를 측정한 후, 상기 출수온도가 목표온도보다 낮으면, 상기 제어부(40)는 상기 온수밸브(20)의 개도량을 감소하여 상기 히터부(10)로 유입된 정수가 상기 히터부(10) 내부에서 더 오랜 시간 가열되도록 할 수 있다. 반면에, 상기 출수온도가 목표온도보다 높으면, 상기 제어부(40)는 상기 온수밸브(20)의 개도량을 증가시켜 상기 히터부(10)로 유입된 정수가 상기 히터부(10) 내부에서 가열되는 시간을 줄일 수 있다.
여기서, 상기 히터부(10)의 가열용량은, 상기 히터부(10)가 정수를 가열하는 능력으로서, 상기 히터부(10)에 공급되는 전기적 에너지의 크기에 비례할 수 있다. 즉, 상기 히터부(10)는 상용전원이 공급하는 전기적 에너지를 열에너지로 교환하는 것으로서, 상기 교환된 열에너지를 이용하여 정수를 가열할 수 있다. 상기 상용전원이 단위시간당 공급하는 전기적 에너지는 전력의 단위로 표현될 수 있으며, 구체적으로 P = V^2/R을 이용하여 구할 수 있다. 여기서, P는 상용전원이 히터부(10)에 공급하는 전력이고, V는 상용전원이 공급하는 전압의 크기, R은 상기 히터부(10)의 저항(Registance)이다. 따라서, 상기 상용전원의 전압의 크기가 일정하게 유지되면, 상기 히터부(10)의 가열용량도 일정한 값으로 유지될 수 있다.
다만, 일반적으로 상용전원의 전압은 여러가지 요인에 의하여 약 ±10% 정도의 오차를 가질 수 있으며, 각 국가별로 특성 및 정책에 따라 서로 다른 전압크기를 가지는 상용전원을 사용할 수 있다. 예를들어, 우리나라는 220V를 상용전원의 전압의 크기로 하지만, 미국은 120V, 일본은 100V, 유럽은 230V를 상용전압의 크기로 사용하고 있다. 따라서, 상기 상용전원의 전압오차 또는 상기 온수공급장치(100)가 사용되는 지역에 따라, 상기 온수공급장치(100)의 히터부(10)의 가열용량은 달라질 수 있다.
일반적인 온수공급장치의 경우, 히터부의 가열용량을 기 설정된 값으로 가정하고 상기 히터부에서 출수되는 온수의 온도에 대한 제어를 수행할 수 있다. 따라서, 상술한 바와 같이 히터부의 가열용량이 가변하는 경우에는, 상기 히터부에서 토출되는 온수의 출수온도와 목표온도 사이에 오차가 크게 발생할 수 있다. 특히, 상기 온수의 출수초기에 상기 오차가 크게 발생하게 되므로, 출수초기부터 목표온도를 가지는 온수를 제공받기를 원하는 사용자에 대하여 요청한 온수를 제공하지 못할 수 있으며, 이 경우, 상기 온수공급장치에 대한 사용자의 신뢰도 하락으로 연결될 수 있다. 여기서, 본 발명의 일 실시예에 의한 온수공급장치(100)는, 제어부(40)를 이용하여 히터부(10)에 인가되는 상용전원의 전압크기를 예측할 수 있으며, 상기 예측한 전압크기에 따라 온수밸브(20)의 초기 개도량을 설정함으로써, 상기 초기출수온도의 오차를 최소한으로 줄일 수 있다.
먼저 상기 제어부(40)는, 종전에 출수한 온수의 초기출수온도에 기초하여 상기 히터부(10)에 인가되는 상용전원의 전압크기를 예측할 수 있다. 예를들어, 상기 히터부(10)에 220V의 상용전원이 인가되는 경우를 가정하고, 상기 220V가 인가되는 경우에 온수의 출수온도가 목표온도인 90도까지 가열되도록 하는 상기 온수밸브(20)의 초기 개도량을 미리 설정할 수 있다. 이후, 상기 온도센서부(30)에서 측정된 온수의 출수온도가 상기 목표온도인 90도 미만이면 상기 히터부(10)에 인가되는 상용전원의 전압크기가 상기 220V 미만인 것으로 판별할 수 있으며, 반대로 상기 온도센서부(30)에서 측정한 온수의 출수온도가 상기 목표온도인 90도 초과이면 상기 히터부(10)에 인가되는 상용전원의 전압의 크기가 상기 220V 이상인 것으로 판별할 수 있다. 즉, 상기 온도센서부(30)가 측정한 출수온도의 크기와 목표온도의 크기를 비교하여 상기 히터부(10)에 인가되는 상용전원의 전압크기를 예측할 수 있다.
여기서, 상기 상용전원의 전압크기를 예측하는데 사용되는 "종전에 출수한 온수의 초기출수온도"는, 직전에 출수한 온수의 초기출수온도 또는 상기 초기출수온도의 평균값일 수 있다. 예를들어, 직수식 정수기를 최초로 설치하는 경우, 상기 직수식 정수기에 포함된 온수공급장치(100)는 상기 직수식 정수기가 설치된 지역의 상용전원의 크기에 관한 정보를 알지 못할 수 있다. 이 경우, 상기 제어부(40)는 상기 온수공급장치(100)에 대한 최초 3회의 온수공급신호에 대응하는 초기출수온도를 적산할 수 있으며, 상기 적산한 값을 3으로 나누어 평균값을 구할 수 있다. 이후, 상기 평균값을 바탕으로 상기 직수식 정수기가 설치된 지역의 상용전원의 크기를 예측할 수 있다. 또한, 직전에 온수를 토출했을 때 측정한 초기출수온도를 이용하여 상기 상용전원의 전압크기를 예측하는 것도 가능하며, 이 경우 상기 상용전원에서 발생하는 전압크기의 오차에 대응할 수 있다.
여기서, 상기 출수온도의 크기와 목표온도의 크기 차이에 대응하는 상용전원의 전압크기를 테이블표 등을 통하여 미리 설정해 두거나, 상기 출수온도와 목표온도를 이용하는 실험식 등을 통하여 상기 상용전원의 전압크기를 구하도록 할 수 있다.
이후, 상기 제어부(40)는 상기 예측된 상용전원의 전압크기에 따라 상기 온수밸브(20)의 초기 개도량을 설정할 수 있다. 즉, 상기 예측된 상용전원의 전압크기에 대응하여, 상기 온수밸브(20)가 미리 설정해둔 초기 개도량을 가지도록, 상기 온수밸브(20)를 제어할 수 있다. 예를들어, 220V의 상용전원이 인가되는 경우에는 상기 온수밸브(20)의 50%를 개방하도록 초기 개도량을 설정할 수 있으며, 200V의 상용전원이 인가되는 경우에는 상기 온수밸브(20)의 40%를 개방하도록 초기 개도량을 설정할 수 있다. 또한, 230V의 상용전원이 인가되는 경우에는 상기 온수밸브(20)의 55%를 개방하도록 초기 개도량을 설정할 수 있다. 앞서 살핀바와 같이, 히터부(10)에 인가되는 상용전원의 전압의 크기가 클수록 고온의 온수가 출수되므로, 상기 상용전원의 전압이 낮은 것으로 예측되면 온수밸브(20)의 초기 개도량을 줄여 목표온도를 가지는 온수를 토출하도록 할 수 있다.
여기서, 도2에 도시된 바와 같이, 초기출수온도에 대응하는 온수밸브(20)의 초기 개도량이 설정된 테이블표를 이용하여, 상기 초기 개도량을 설정할 수 있다. 상기 테이블표를 이용하면, 측정된 초기출수온도에 따라 인가되는 상용전원의 전압크기를 예측할 수 있다. 또한, 상기 예측된 상용전원의 전압크기일 때, 목표온도(90도)를 가지는 온수를 토출하기 위한 온수밸브(20)의 초기개도량도 알 수 있다. 따라서, 온도센서부(30)에서 측정한 초기출수온도를 상기 테이블표에서 찾은 후, 이에 대응하는 초기개도량으로 상기 온수밸브(20)의 초기개도량을 설정할 수 있다. 다만, 상기 테이블표는 초기개도량이 50%인 경우에 측정되는 초기출수온도를 기준으로 작성된 것으로서, 다른 초기개도량에서 측정한 초기출수온도에 따라 작성된 테이블표가 더 있을 수 있다.
여기서, 상기 온수밸브(20)는 디스크 등 유로차단수단을 이용하여 상기 온수가 토출되는 유로의 단면적의 크기를 차단하는 방식으로 상기 히터부(10)에서 토출되는 온수의 유량을 조절하는 것일 수 있다. 상기 유로차단수단은 스테핑 모터(stepping motor) 또는 동기모터(synchronous motor)에 의하여 구동될 수 있다.
상기 스테핑 모터(stepping motor)를 이용하여 상기 온수밸브(20)의 개폐를 조절하는 경우에는, 상기 스테핑 모터에 인가하는 입력펄스의 수를 조절하여 상기 온수밸브(20)의 초기 개도량을 제어할 수 있다. 상기 스테핑 모터는 상기 스테핑 모터에 인가하는 입력펄스의 수에 대응하여 일정한 각도씩 회전하는 것으로서, 상기 입력펄스의 수와 모터의 회전각도가 비례하므로, 상기 모터의 회전각도를 정확하게 제어하는 것이 가능하다. 따라서, 상기 스테핑 모터에 인가하는 입력펄스의 수를 조절하는 방식으로 상기 온수밸브(20)의 개도량을 정확하게 제어할 수 있다.
또한, 상기 동기모터는 부하와 상관없이 일정한 회전속도가 유지되는 특징이 있다. 따라서, 상기 동기모터를 이용하여 상기 온수밸브(20)의 개도량을 조절하는 경우, 상기 동기모터에 전력을 인가하는 구동시간을 조절하는 방식으로 상기 온수밸브(20)의 초기 개도량을 조절하는 것이 가능하다.
도3은 본 발명의 일 실시예에 의한 온수공급방법을 나타내는 순서도이다.
도3을 참조하면, 본 발명의 일 실시예에 의한 온수공급방법은 온수생성단계(S10), 출수온도측정단계(S20) 및 개도량설정단계(S30)를 포함할 수 있다.
이하, 도3을 참조하여 본 발명의 일 실시예에 의한 온수공급방법을 설명한다.
온수생성단계(S10)는, 온수공급신호가 입력되면, 히터부로 유입되는 정수를 가열하여 온수를 생성할 수 있다. 상기 온수공급신호는 사용자의 온수공급요청에 대응하여 생성되는 제어신호로서, 상기 온수공급신호에 의하여 히터부로 정수가 유입되기 시작할 수 있다. 상기 히터부는 공급된 정수를 순간적으로 가열하는 것일 수 있으며, 상기 온수가 히터부에서 토출되는 속도에 따라서 상기 히터의 온도가 달라질 수 있다. 따라서, 상기 히터부에서 토출되는 온수의 온도는 상기 히터부에서 토출되는 온수의 유량을 조절하는 온수밸브의 개도량에 따라 결정될 수 있다. 상기 히터부의 일정한 히터저항을 가지는 것으로서, 상기 히터부의 가열용량은 상기 히터부에 인가되는 상용전원의 전압크기에 따라 설정될 수 있다. 앞서 살핀 바와 같이, 상기 상용전원의 전압크기는 여러가지 요인에 의한 오차가 있을 수 있으며, 상기 히터부가 위치하는 지역에 따라 달라질 수 있다.
출수온도측정단계(S20)는, 상기 온수공급신호 입력 후 기 설정 시간 내에 토출되는 온수의 초기출수온도를 측정할 수 있다. 상기 히터부에서 토출되는 온수의 출수온도는 온도센서에 의하여 측정할 수 있다. 특히, 상기 온도센서는, 상기 온수의 출수온도 중에서 상기 온수공급신호 입력 후 기 설정 시간 내에 토출되는 출수온도를 측정하여, 상기 초기출수온도로 할 수 있다.
개도량설정단계(S30)는, 상기 초기출수온도에 대응하여, 상기 히터부가 토출하는 온수의 유량을 조절하는 온수밸브의 초기 개도량을 설정할 수 있다. 앞서 살핀 바와 같이, 상기 히터부의 가열용량이 가변하는 경우에는, 온수의 초기출수온도와 목표온도의 사이에 큰 차이가 발생할 수 있다. 따라서, 상기 개도량설정단계(S30)에서는, 상기 히터부의 가열용량을 예측한 후, 상기 히터부의 가열용량에 따라 상기 온수밸브의 초기 개도량을 미리 설정하여, 초기출수시부터 목표온도에 해당하는 온수를 제공하도록 할 수 있다.
구체적으로, 직전에 측정한 초기출수온도를 이용하여 상기 히터부의 가열용량을 예측할 수 있다. 앞서 살핀 바와 같이, 히터부의 가열용량은 인가되는 상용전원의 전압크기에 따라 달라지는 것이므로, 220V가 인가될 것으로 예측하여 설정한 온수밸브의 개도량에서 측정한 초기출수온도와 목표온도를 비교하면 상기 히터부의 가열용량을 예측할 수 있다. 즉, 상기 초기출수온도가 목표온도보다 낮으면 히터부의 가열용량이 220V가 인가되는 경우의 가열용량보다 적은 것이고, 상기 초기출수온도가 목표온도보다 높으면 히터부의 가열용량이 220V가 인가되는 경우의 가열용량보다 높은 것으로 볼 수 있다. 따라서, 상기 초기출수온도가 목표온도보다 낮은 경우에는 상기 온수밸브의 개도량을 줄여서 토출되는 온수의 초기출수온도를 높일 수 있다. 반대로, 상기 초기출수온도가 목표온도보다 높은 경우에는 상기 온수밸브의 개도량을 늘려서 토출되는 온수의 초기출수온도를 낮출수 있다. 여기서, 상기 온수밸브의 초기개도량은 기 설정된 테이블표를 이용하여 설정하는 것이 가능하다. 상기 테이블표를 이용하여 온수밸브의 초기개도량을 설정하는 것은 앞서 도2를 참조하여 자세히 설명하였으므로, 여기서는 자세한 설명을 생략한다.
추가적으로, 상기 온수밸브의 초기개도량을 설정하는데 활용하는 초기출수온도는, 상기 직전에 측정한 초기출수온도 이외에 상기 초기출수온도의 평균값을 활용할 수 있다. 특히, 히터부 등이 설치되는 지역의 상용전압 크기를 모르는 경우에는, 최초 3회 온수추출시 측정한 초기출수온도의 평균값을 계산한 후, 상기 평균값을 목표온도와 비교하여 상기 상용전압의 크기를 예측하는 것이 가능하다. 이후, 상기 예측된 상용전압의 크기를 이용하여 상기 온수밸브의 초기 개도량을 설정할 수 있다.
여기서, 상기 온수밸브의 개폐는 스테핑 모터 또는 동기모터를 이용하여 조절할 수 있다. 상기 스테핑 모터는 인가되는 입력펄스의 수에 따라 일정한 각도로 회전하는 것으로서, 상기 스테핑 모터에 인가하는 입력펄스의 수를 조절하는 방식으로 상기 온수밸브의 초기 개도량을 설정할 수 있다.
또한, 동기모터의 경우 인가되는 부하와 무관하게 항상 일정한 회전속도를 유지하는 특징을 가지므로, 상기 동기모터에 전력을 인가하는 구동시간을 조절하는 방식으로 상기 온수밸브의 초기 개도량을 설정할 수 있다.
본 발명은 전술한 실시예 및 첨부된 도면에 의해 한정되는 것이 아니다. 본 발명이 속하는 기술분야에서 통상의 지식을 가진 자에게 있어, 본 발명의 기술적 사상을 벗어나지 않는 범위 내에서 본 발명에 따른 구성요소를 치환, 변형 및 변경할 수 있다는 것이 명백할 것이다.
10: 히터부 20: 온수밸브
30: 온도센서부 40: 제어부
f: 필터부 v: 정수밸브
S10: 온수생성단계 S20: 출수온도측정단계
S30: 개도량설정단계

Claims (12)

  1. 온수공급신호가 입력되면, 히터부로 유입되는 정수를 가열하여 온수를 생성하는 온수생성단계;
    상기 온수공급신호 입력 후 기 설정 시간 내에 토출되는 온수의 초기출수온도를 측정하는 출수온도측정단계; 및
    상기 초기출수온도에 대응하여, 상기 히터부가 토출하는 온수의 유량을 조절하는 온수밸브의 초기 개도량을 설정하는 개도량설정단계를 포함하는 온수공급방법.
  2. 제1항에 있어서, 상기 개도량설정단계는
    상기 초기출수온도를 기 설정된 횟수만큼 적산하여 상기 초기출수온도의 평균값을 계산하고, 상기 평균값과 상기 온수의 목표온도를 비교하여 상기 온수밸브의 초기 개도량을 설정하는 온수공급방법.
  3. 제1항에 있어서, 상기 개도량설정단계는
    상기 초기출수온도가 목표온도 이하이면 상기 초기 개도량을 감소시키고, 상기 초기출수온도가 목표온도 초과이면 상기 초기 개도량을 증가시키는 온수공급방법.
  4. 제1항에 있어서, 상기 개도량설정단계는
    상기 초기출수온도에 대응하는 상기 온수밸브의 초기 개도량이 설정된 테이블표를 이용하여 상기 초기 개도량을 설정하는 온수공급방법.
  5. 제3항에 있어서, 상기 개도량설정단계는
    상기 온수밸브의 개폐를 조절하는 스테핑 모터(stepping motor)에 인가하는 입력펄스의 수를 조절하여 상기 온수밸브의 초기 개도량을 조절하는 온수공급방법.
  6. 제3항에 있어서, 상기 개도량설정단계는
    상기 온수밸브의 개폐를 조절하는 동기모터(synchronous motor)에 전력을 인가하는 구동시간을 조절하여 상기 온수밸브의 초기 개도량을 조절하는 온수공급방법.
  7. 온수공급신호가 입력되면, 유입되는 정수를 가열하여 온수를 생성하는 히터부;
    상기 히터부에서 토출되는 온수의 유량을 조절하는 온수밸브;
    상기 온수공급신호 입력 후 기 설정 시간 내에 상기 히터부에서 토출되는 온수의 초기출수온도를 측정하는 온도센서부; 및
    기 설정된 목표온도와 상기 초기출수온도를 비교하여 상기 온수밸브의 초기개도량을 조절하는 제어부를 포함하는 온수공급장치.
  8. 제7항에 있어서, 상기 제어부는
    상기 초기출수온도를 기 설정된 횟수만큼 적산하여 상기 초기출수온도의 평균값을 계산하고, 상기 평균값과 상기 목표온도를 비교하여 상기 온수밸브의 초기 개도량을 조절하는 온수공급장치.
  9. 제7항에 있어서, 상기 제어부는
    상기 초기출수온도가 목표온도 이하이면 상기 초기 개도량을 감소시키고, 상기 초기출수온도가 목표온도 초과이면 상기 초기 개도량을 증가시키는 온수공급장치.
  10. 제7항에 있어서, 상기 제어부는
    상기 초기출수온도에 대응하는 상기 온수밸브의 초기 개도량이 설정된 테이블표를 이용하여 상기 초기 제어량을 설정하는 온수공급장치.
  11. 제9항에 있어서, 상기 제어부는
    상기 온수밸브의 개폐를 조절하는 스테핑 모터(stepping motor)에 인가하는 입력펄스의 수를 조절하여 상기 온수밸브의 초기 개도량을 조절하는 온수공급장치.
  12. 제9항에 있어서, 상기 제어부는
    상기 온수밸브의 개폐를 조절하는 동기모터(synchronous motor)에 전력을 인가하는 구동시간을 조절하여 상기 온수밸브의 초기 개도량을 조절하는 온수공급장치.
KR1020120119892A 2012-10-26 2012-10-26 온수공급장치 및 온수공급방법 Active KR102075912B1 (ko)

Priority Applications (1)

Application Number Priority Date Filing Date Title
KR1020120119892A KR102075912B1 (ko) 2012-10-26 2012-10-26 온수공급장치 및 온수공급방법

Applications Claiming Priority (1)

Application Number Priority Date Filing Date Title
KR1020120119892A KR102075912B1 (ko) 2012-10-26 2012-10-26 온수공급장치 및 온수공급방법

Publications (2)

Publication Number Publication Date
KR20140053671A true KR20140053671A (ko) 2014-05-08
KR102075912B1 KR102075912B1 (ko) 2020-02-11

Family

ID=50886234

Family Applications (1)

Application Number Title Priority Date Filing Date
KR1020120119892A Active KR102075912B1 (ko) 2012-10-26 2012-10-26 온수공급장치 및 온수공급방법

Country Status (1)

Country Link
KR (1) KR102075912B1 (ko)

Cited By (2)

* Cited by examiner, † Cited by third party
Publication number Priority date Publication date Assignee Title
CN105716251A (zh) * 2016-04-15 2016-06-29 佛山市四季茶香茶具有限公司 带过滤器寿命提示功能的水加热器
CN105716254A (zh) * 2016-04-15 2016-06-29 佛山市四季茶香茶具有限公司 带快拆式滤芯的水加热器

Families Citing this family (1)

* Cited by examiner, † Cited by third party
Publication number Priority date Publication date Assignee Title
KR102613330B1 (ko) 2023-01-18 2023-12-13 농업회사법인 참두원 주식회사 중온수 공급 시스템

Citations (6)

* Cited by examiner, † Cited by third party
Publication number Priority date Publication date Assignee Title
KR20000024110A (ko) * 2000-01-21 2000-05-06 이재곤 수온감지식 난방온도 원격조절장치 및 그 조절방법
KR20050005381A (ko) * 2004-12-22 2005-01-13 이선희 욕탕물의 공급장치
KR20050007253A (ko) * 2004-12-20 2005-01-17 이선희 욕탕물의 공급장치
KR20060092653A (ko) * 2005-02-18 2006-08-23 최은수 온수기의 온도조절장치 및 온도조절방법
KR20120088318A (ko) * 2011-01-31 2012-08-08 위니아만도 주식회사 정수기의 정수 온도 제어 장치 및 방법
KR20120112060A (ko) * 2011-04-01 2012-10-11 웅진코웨이주식회사 온수공급장치 및 온수공급방법

Patent Citations (6)

* Cited by examiner, † Cited by third party
Publication number Priority date Publication date Assignee Title
KR20000024110A (ko) * 2000-01-21 2000-05-06 이재곤 수온감지식 난방온도 원격조절장치 및 그 조절방법
KR20050007253A (ko) * 2004-12-20 2005-01-17 이선희 욕탕물의 공급장치
KR20050005381A (ko) * 2004-12-22 2005-01-13 이선희 욕탕물의 공급장치
KR20060092653A (ko) * 2005-02-18 2006-08-23 최은수 온수기의 온도조절장치 및 온도조절방법
KR20120088318A (ko) * 2011-01-31 2012-08-08 위니아만도 주식회사 정수기의 정수 온도 제어 장치 및 방법
KR20120112060A (ko) * 2011-04-01 2012-10-11 웅진코웨이주식회사 온수공급장치 및 온수공급방법

Cited By (2)

* Cited by examiner, † Cited by third party
Publication number Priority date Publication date Assignee Title
CN105716251A (zh) * 2016-04-15 2016-06-29 佛山市四季茶香茶具有限公司 带过滤器寿命提示功能的水加热器
CN105716254A (zh) * 2016-04-15 2016-06-29 佛山市四季茶香茶具有限公司 带快拆式滤芯的水加热器

Also Published As

Publication number Publication date
KR102075912B1 (ko) 2020-02-11

Similar Documents

Publication Publication Date Title
KR101977021B1 (ko) 온수공급장치 및 온수공급방법
US10604399B2 (en) Hot water supply method, hot water supply device, and water purifier using same
KR101897562B1 (ko) 온수공급장치 및 온수공급방법
CN103344046B (zh) 恒温燃气热水器控制方法及恒温燃气热水器
CA2916031C (en) Automatic set point detection for water heaters operating in a demand response
KR20230042686A (ko) 정수기의 제어장치, 정수기 및 이의 제어방법
KR101906340B1 (ko) 온수공급장치 및 온수공급방법
CN104236109A (zh) 恒温燃气热水器的控制方法及控制装置
US20120224838A1 (en) Method and apparatus for supplying hot water by controlling the number of pulses applied to a heater
WO2015122153A1 (ja) 湯水混合装置
CN104913512B (zh) 基于多发热杯并联结构即热热水器的控制方法
KR20140053671A (ko) 온수공급장치 및 온수공급방법
KR101897574B1 (ko) 온수 공급 방법, 온수 공급 장치 및 이를 이용한 정수기
JP6187911B2 (ja) 吐水装置
KR101856980B1 (ko) 온수 공급 장치 및 상기 온수 공급 장치를 구비한 비데
CN113551427B (zh) 热水器的控制方法、装置、热水器及存储介质
JP2016186764A (ja) 湯水混合装置
KR101559116B1 (ko) 난방장치
CN101673121A (zh) 一种水疗设备的水温控制方法及装置
JP6129031B2 (ja) 給湯システム
CN103418157A (zh) 一种用于脱轻组分精馏塔的自动控制系统
KR20180047683A (ko) 순간 온수 장치, 순간 온수 장치를 포함하는 수처리기 및 순간 온수 장치의 제어 방법

Legal Events

Date Code Title Description
PA0109 Patent application

St.27 status event code: A-0-1-A10-A12-nap-PA0109

PN2301 Change of applicant

St.27 status event code: A-3-3-R10-R13-asn-PN2301

St.27 status event code: A-3-3-R10-R11-asn-PN2301

PN2301 Change of applicant

St.27 status event code: A-3-3-R10-R13-asn-PN2301

St.27 status event code: A-3-3-R10-R11-asn-PN2301

PG1501 Laying open of application

St.27 status event code: A-1-1-Q10-Q12-nap-PG1501

P22-X000 Classification modified

St.27 status event code: A-2-2-P10-P22-nap-X000

PA0201 Request for examination

St.27 status event code: A-1-2-D10-D11-exm-PA0201

D13-X000 Search requested

St.27 status event code: A-1-2-D10-D13-srh-X000

D14-X000 Search report completed

St.27 status event code: A-1-2-D10-D14-srh-X000

E902 Notification of reason for refusal
PE0902 Notice of grounds for rejection

St.27 status event code: A-1-2-D10-D21-exm-PE0902

P11-X000 Amendment of application requested

St.27 status event code: A-2-2-P10-P11-nap-X000

P13-X000 Application amended

St.27 status event code: A-2-2-P10-P13-nap-X000

PN2301 Change of applicant

St.27 status event code: A-3-3-R10-R13-asn-PN2301

St.27 status event code: A-3-3-R10-R11-asn-PN2301

PN2301 Change of applicant

St.27 status event code: A-3-3-R10-R13-asn-PN2301

St.27 status event code: A-3-3-R10-R11-asn-PN2301

E90F Notification of reason for final refusal
PE0902 Notice of grounds for rejection

St.27 status event code: A-1-2-D10-D21-exm-PE0902

P11-X000 Amendment of application requested

St.27 status event code: A-2-2-P10-P11-nap-X000

P13-X000 Application amended

St.27 status event code: A-2-2-P10-P13-nap-X000

R18-X000 Changes to party contact information recorded

St.27 status event code: A-3-3-R10-R18-oth-X000

E701 Decision to grant or registration of patent right
PE0701 Decision of registration

St.27 status event code: A-1-2-D10-D22-exm-PE0701

GRNT Written decision to grant
PR0701 Registration of establishment

St.27 status event code: A-2-4-F10-F11-exm-PR0701

PR1002 Payment of registration fee

St.27 status event code: A-2-2-U10-U11-oth-PR1002

Fee payment year number: 1

PG1601 Publication of registration

St.27 status event code: A-4-4-Q10-Q13-nap-PG1601

PN2301 Change of applicant

St.27 status event code: A-5-5-R10-R13-asn-PN2301

St.27 status event code: A-5-5-R10-R11-asn-PN2301

R18-X000 Changes to party contact information recorded

St.27 status event code: A-5-5-R10-R18-oth-X000

PN2301 Change of applicant

St.27 status event code: A-5-5-R10-R13-asn-PN2301

St.27 status event code: A-5-5-R10-R11-asn-PN2301

R18-X000 Changes to party contact information recorded

St.27 status event code: A-5-5-R10-R18-oth-X000

R18-X000 Changes to party contact information recorded

St.27 status event code: A-5-5-R10-R18-oth-X000

R18-X000 Changes to party contact information recorded

St.27 status event code: A-5-5-R10-R18-oth-X000

PR1001 Payment of annual fee

St.27 status event code: A-4-4-U10-U11-oth-PR1001

Fee payment year number: 4

PR1001 Payment of annual fee

St.27 status event code: A-4-4-U10-U11-oth-PR1001

Fee payment year number: 5

PN2301 Change of applicant

St.27 status event code: A-5-5-R10-R13-asn-PN2301

St.27 status event code: A-5-5-R10-R11-asn-PN2301

PR1001 Payment of annual fee

St.27 status event code: A-4-4-U10-U11-oth-PR1001

Fee payment year number: 6

PR1001 Payment of annual fee

St.27 status event code: A-4-4-U10-U11-oth-PR1001

Fee payment year number: 7

U11 Full renewal or maintenance fee paid

Free format text: ST27 STATUS EVENT CODE: A-4-4-U10-U11-OTH-PR1001 (AS PROVIDED BY THE NATIONAL OFFICE)

Year of fee payment: 7