KR20120007409A - 층간 변형을 이용한 인방보형 이력댐퍼 - Google Patents

층간 변형을 이용한 인방보형 이력댐퍼 Download PDF

Info

Publication number
KR20120007409A
KR20120007409A KR1020100068156A KR20100068156A KR20120007409A KR 20120007409 A KR20120007409 A KR 20120007409A KR 1020100068156 A KR1020100068156 A KR 1020100068156A KR 20100068156 A KR20100068156 A KR 20100068156A KR 20120007409 A KR20120007409 A KR 20120007409A
Authority
KR
South Korea
Prior art keywords
plate
width portion
vibration absorber
long width
horizontal load
Prior art date
Legal status (The legal status is an assumption and is not a legal conclusion. Google has not performed a legal analysis and makes no representation as to the accuracy of the status listed.)
Granted
Application number
KR1020100068156A
Other languages
English (en)
Other versions
KR101186448B1 (ko
Inventor
장동운
강지훈
박홍기
김형근
박진삼
안태상
임종만
황정현
Original Assignee
쌍용건설 주식회사
동일고무벨트주식회사
에스에이치공사
Priority date (The priority date is an assumption and is not a legal conclusion. Google has not performed a legal analysis and makes no representation as to the accuracy of the date listed.)
Filing date
Publication date
Application filed by 쌍용건설 주식회사, 동일고무벨트주식회사, 에스에이치공사 filed Critical 쌍용건설 주식회사
Priority to KR1020100068156A priority Critical patent/KR101186448B1/ko
Publication of KR20120007409A publication Critical patent/KR20120007409A/ko
Application granted granted Critical
Publication of KR101186448B1 publication Critical patent/KR101186448B1/ko
Active legal-status Critical Current
Anticipated expiration legal-status Critical

Links

Images

Classifications

    • EFIXED CONSTRUCTIONS
    • E04BUILDING
    • E04HBUILDINGS OR LIKE STRUCTURES FOR PARTICULAR PURPOSES; SWIMMING OR SPLASH BATHS OR POOLS; MASTS; FENCING; TENTS OR CANOPIES, IN GENERAL
    • E04H9/00Buildings, groups of buildings or shelters adapted to withstand or provide protection against abnormal external influences, e.g. war-like action, earthquake or extreme climate
    • E04H9/02Buildings, groups of buildings or shelters adapted to withstand or provide protection against abnormal external influences, e.g. war-like action, earthquake or extreme climate withstanding earthquake or sinking of ground
    • E04H9/021Bearing, supporting or connecting constructions specially adapted for such buildings
    • EFIXED CONSTRUCTIONS
    • E04BUILDING
    • E04BGENERAL BUILDING CONSTRUCTIONS; WALLS, e.g. PARTITIONS; ROOFS; FLOORS; CEILINGS; INSULATION OR OTHER PROTECTION OF BUILDINGS
    • E04B1/00Constructions in general; Structures which are not restricted either to walls, e.g. partitions, or floors or ceilings or roofs
    • E04B1/62Insulation or other protection; Elements or use of specified material therefor
    • E04B1/92Protection against other undesired influences or dangers
    • E04B1/98Protection against other undesired influences or dangers against vibrations or shocks; against mechanical destruction, e.g. by air-raids
    • FMECHANICAL ENGINEERING; LIGHTING; HEATING; WEAPONS; BLASTING
    • F16ENGINEERING ELEMENTS AND UNITS; GENERAL MEASURES FOR PRODUCING AND MAINTAINING EFFECTIVE FUNCTIONING OF MACHINES OR INSTALLATIONS; THERMAL INSULATION IN GENERAL
    • F16FSPRINGS; SHOCK-ABSORBERS; MEANS FOR DAMPING VIBRATION
    • F16F15/00Suppression of vibrations in systems; Means or arrangements for avoiding or reducing out-of-balance forces, e.g. due to motion
    • F16F15/02Suppression of vibrations of non-rotating, e.g. reciprocating systems; Suppression of vibrations of rotating systems by use of members not moving with the rotating systems

Landscapes

  • Engineering & Computer Science (AREA)
  • Architecture (AREA)
  • Environmental & Geological Engineering (AREA)
  • Structural Engineering (AREA)
  • Civil Engineering (AREA)
  • Physics & Mathematics (AREA)
  • Business, Economics & Management (AREA)
  • Emergency Management (AREA)
  • General Engineering & Computer Science (AREA)
  • Electromagnetism (AREA)
  • Acoustics & Sound (AREA)
  • Aviation & Aerospace Engineering (AREA)
  • Mechanical Engineering (AREA)
  • Buildings Adapted To Withstand Abnormal External Influences (AREA)
  • Vibration Prevention Devices (AREA)

Abstract

본 발명은 라멘 골조의 층간 변형을 이용한 댐퍼에 관한 것으로, 특히 인방보에 설치되어 수평하중이 기둥과 보가 강접된 라멘 골조 구조물에 작용할 때 발생하는 층간 변형에 의해 작동하며 이력거동으로 수평하중을 흡수·감쇠시킬 수 있는 댐퍼에 관한 것이다.
본 발명의 적절한 실시 형태에 따른 층간 변형을 이용한 인방보형 이력댐퍼는 단폭부의 양단에 장폭부가 형성되는 시편형상의 평면을 갖는 다수의 판형 댐핑플레이트와, 댐핑플레이트의 장폭부 사이마다 위치되는 심플레이트로 이루어지고 단폭부와 장폭부를 연결하는 부분이 장폭부 측으로 갈수록 폭이 직선적으로 넓어지는 테이퍼 형상이며, 작용하는 수평하중에 대해 단폭부가 소성변형되며 수평하중을 흡수하는 진동흡수체; 진동흡수체의 일단 장폭부 상하에 각각 위치되는 제1 고정플레이트와 진동흡수체의 타단 장폭부 상하에 각각 위치되는 제2 고정플레이트; 제1 및 제2고정플레이트를 진동흡수체에 결합시키는 제1 고정볼트; 및 진동흡수체의 전면과 후면에 각각 힌지 결합되어 수평하중에 의해 단폭부가 소성변형될 때 자유롭게 회전되고 다수의 판형 댐핑플레이트의 단폭부가 모두 파단된 후 양단부의 장폭부가 서로 분리되지 않도록 하는 안전판을 포함한다.

Description

층간 변형을 이용한 인방보형 이력댐퍼{Lintel beam type hysteretic damper using interstory drift of rahmen frame}
본 발명은 라멘 골조의 층간 변형을 이용한 댐퍼에 관한 것으로, 특히 인방보에 설치되어 수평하중이 기둥과 보가 강접된 라멘 골조 구조물에 작용할 때 발생하는 층간 변형에 의해 작동하며 이력거동으로 수평하중을 흡수·감쇠시킬 수 있는 댐퍼에 관한 것이다.
제진(制振, Vibration Control)이란 건물의 경우 바람이나 지진 등에 의해 발생하는 진동을 제어하는 것을 말하고, 진동 제어를 위해 특별한 장치나 기구 즉, 제진장치를 설치한 구조를 제진구조라 한다. 제진의 목적은 바람이나 지진 등에 의해 구조물에 입력되는 진동에너지를 제진장치를 설치하여 소산시킴으로써 구조물의 안전성과 거주성을 향상시키는 데 있다.
제진의 방법으로는 외부에서 오는 진동과 이에 따른 구조물의 진동을 감지하는 기능을 구조물 자체에서 갖추고 구조물의 내부나 외부에서 구조물의 진동에 대응한 제어력을 가하여 구조물의 진동을 저감시키는 능동제어와 건물에 부가적인 에너지 소산 장치를 설치하여 구조물의 감쇠 성능을 향상함으로써 건물의 동적인 응답을 제어하는 수동제어가 있다.
수동형 제진장치는 크게 질량 동조형과 에너지 소산형으로 나눌 수 있다. 전자는 주로 건물의 최상부에 설치되어 주로 바람에 대한 거주성을 높이는 목적으로 설치되며, 후자는 주로 각 층에 설치되어 지진에 대한 안전성 및 바람에 대한 거주성을 높이기 위하여 사용된다.
에너지 소산형 제진장치는 다시 변위 의존형과 속도 의존형으로 나눌 수 있는데, 변위 의존형 장치는 재료 사이의 마찰력이나 금속의 소성변형에 의한 에너지 소산 특성을 이용한 것이고, 속도 의존형은 점성, 점탄성 물질이 변형할 때 열이 발생하며 진동에너지를 소산하는 특성을 이용하는 것으로 소산되는 에너지는 속도에 비례하여 커지는 특성이 있다.
속도 의존형인 유압댐퍼는 변위 의존형인 강재댐퍼에 비하여 내진성능이 우수하여, 중, 강진이 전국적으로 빈번하게 발생하는 일본에서 주로 사용되고 있다. 그런데, 이러한 유압댐퍼는 고가이므로, 지진의 발생빈도가 낮고 지진의 강도가 높지 않은 우리나라에는 불필요할 정도로 과다한 공법이다. 반면, 강재댐퍼는 유압댐퍼에 비하여 내진성능은 다소 떨어지지만 시공비가 저렴하므로, 철골 구조물 보강용으로 사용되고 있다.
그런데 상술한 강재댐퍼를 이용한 제진구조는 대부분 가새 형상의 타입으로 공간적 장애요인이 발생하여 가변형 구조에 적합하지 않으며, 지진발생 후 교체가 번거로운 단점이 있다. 따라서 가변형 구조를 요하는 RC구조물의 제진구조에 적용이 곤란하며, 지진발생 후 제진장치를 다시 설치하는데 비효율적이다.
따라서 상술한 유압댐퍼를 이용한 제진구조와 강재댐퍼를 이용한 제진구조가 가진 문제점, 즉 경제성 및 공간적 장애에 대한 문제점을 해결할 수 있으며, 합리적인 비용으로 최적의 지진 제어 효과를 얻을 수 있을 뿐만 아니라 지진하중 이외에 풍하중을 포함한 수평하중에 대해서도 효과를 얻을 수 있는 새로운 제진장치의 필요성이 절실히 요구되고 있는 실정이다.
특히 우리나라는 내진설계기준이 적용되기 이전에 시공된 건축물이 많이 남아 있고 오래된 건축물의 리모델링이 활성화되고 있는데 저렴한 비용으로 충분한 내진보강효과를 거둘 수 있는 수동형 제진장치의 개발이 요구되고 있다.
본 발명은 이러한 사정을 감안하여 창작된 것으로 아래와 같은 목적을 가진다.
본 발명은 인방보에 설치되어 공간의 제약을 받지 않고 수평하중이 기둥과 보가 강접된 라멘 골조 구조물에 작용할 때 발생하는 층간 변형에 의해 작동하며 효율적으로 이력거동을 이용하여 수평하중을 흡수·감쇠시킬 수 있으며 이력거동하는 댐핑플레이트가 파단되더라도 인방보의 붕괴를 방지할 수 있어 구조적 안전성을 확보할 수 있는 댐퍼를 제공하는 것을 목적으로 한다.
본 발명의 적절한 실시 형태에 따른 층간 변형을 이용한 인방보형 이력댐퍼는 단폭부의 양단에 장폭부가 형성되는 시편형상의 평면을 갖는 다수의 판형 댐핑플레이트와, 댐핑플레이트의 장폭부 사이마다 위치되는 심플레이트로 이루어지고 단폭부와 장폭부를 연결하는 부분이 장폭부 측으로 갈수록 폭이 직선적으로 넓어지는 테이퍼 형상이며, 작용하는 수평하중에 대해 단폭부가 소성변형되며 수평하중을 흡수하는 진동흡수체; 진동흡수체의 일단 장폭부 상하에 각각 위치되는 제1 고정플레이트와 진동흡수체의 타단 장폭부 상하에 각각 위치되는 제2 고정플레이트; 제1 및 제2고정플레이트를 진동흡수체에 결합시키는 제1 고정볼트; 및 진동흡수체의 전면과 후면에 각각 힌지 결합되어 수평하중에 의해 단폭부가 소성변형될 때 자유롭게 회전되고 다수의 판형 댐핑플레이트의 단폭부가 모두 파단된 후 양단부의 장폭부가 서로 분리되지 않도록 하는 안전판을 포함한다.
본 발명의 다른 적절한 실시 형태에 따르면, 고정플레이트의 길이방향을 따라 결합되어 상하의 제1 고정플레이트 및 상하의 제2 고정플레이트를 각각 연결하는 복부판; 및 고정플레이트의 폭방향을 따라 결합되어 상하의 제1 고정플레이트 및 상하의 제2 고정플레이트를 각각 연결하며 진동흡수체의 양단이 접촉하는 끼움플레이트를 더 포함한다.
본 발명의 또 다른 적절한 실시 형태에 따르면, 진동흡수체와 안전판 사이의 공간에는 콘크리트 타설시 콘크리트의 침투를 방지하여 수평하중이 인가될 경우 진동흡수체가 자유롭게 움직일 수 있도록 절연물질이 충전된다.
본 발명의 또 다른 적절한 실시 형태에 따르면, 제1 및 제2고정플레이트의 폭방향으로 등간격 이격된 2개 이상으로 이루어진 U자 형상의 주근과, 주근의 중단을 감싸고 주근의 길이방향을 따라 형성되는 다수개로 이루어진 스터럽철근을 포함하는 벽체정착철근이 제1 및 제2고정플레이트의 외측 일단에 각각 고정된다.
본 발명에 따른 인방보형 이렴댐퍼는 수평하중에 의한 라멘 골조의 층간 변형에 의해 작동하도록 고안된 것으로 댐핑플레이트의 단폭부로 변형이 집중되도록 평면을 시편형상을 구성한 것으로 인방보에 설치되어 라멘 골조의 미세한 변형을 단폭부의 소성변형으로 흡수할 수 있다. 그리고 안전판을 설치하여 갑각스럽게 큰 수평하중이 인가되어 댐핑플레이트가 파단되더라도 인방보가 급격하게 붕괴되는 것을 방지할 수 있다.
본 명세서에서 첨부되는 다음의 도면들은 본 발명의 바람직한 실시 예를 예시하는 것이며, 발명의 상세한 설명과 함께 본 발명의 기술사상을 더욱 이해시키는 역할을 하는 것이므로, 본 발명은 첨부한 도면에 기재된 사항에만 한정되어서 해석되어서는 아니된다.
도 1은 본 발명의 일 실시예에 따른 인방보형 이력댐퍼의 사시도이고, 도 2는 도 1의 중요부분 확대도이다. 또한, 도 3은 본 발명의 일 실시예에 따른 인방보형 이력댐퍼의 분해사시도이다.
도 4a, 4b는 본 발명의 일 실시예에 따른 인방보형 이력댐퍼의 사용상태도로서, 4a는 정면도 그리고 4b는 평면도이다.
도 5는 인방보의 전단거동에 따른 변형형태를 나타낸 개념도이다.
아래에서 본 발명은 첨부된 도면에 제시된 실시 예를 참조하여 상세하게 설명이 되지만 제시된 실시 예는 본 발명의 명확한 이해를 위한 예시적인 것으로 본 발명은 이에 제한되지 않는다.
도 1은 본 발명의 일 실시예에 따른 인방보형 이력댐퍼의 사시도이고, 도 2는 도 1의 중요부분 확대도이다. 또한, 도 3은 본 발명의 일 실시예에 따른 인방보형 이력댐퍼의 분해사시도이다.
도 1 내지 도 3에 도시된 바와 같이, 본 발명의 일 실시예에 따른 인방보형 이력댐퍼(10)는, 수평방향으로 이격된 한 쌍의 제1 및 제2 몸체(11a,11b)와, 제1 및 제2 몸체(11a,11b) 사이에 설치되는 진동흡수체(12)와, 진동흡수체(12)의 전, 후면에 힌지 결합되는 한 쌍의 안전판(13)과, 제1 및 제2 몸체(11a,11b)의 외측에 각각 설치되는 제1 및 제2 벽체정착철근(14a,14b)을 포함한다.
이와 같은 구성의 인방보형 이력댐퍼(10)는 진동흡수체(12)를 중심으로 대칭인 형상을 갖는다. 즉, 진동흡수체(12)의 일단에 한 쌍의 제1 몸체(11a)와 제1 벽체정착철근(14a)이, 그리고 타단에 한 쌍의 제2 몸체(11b)와 제2 벽체정착철근(14b)이 각각 설치된다.
상술한 각 구성요소에 대해 좀 더 상세히 살펴보도록 한다.
우선, 진동흡수체(12)는 다수의 댐핑플레이트(122)와 심플레이트(124)가 교대로 적층된 구조로 이루어진다.
진동흡수체(12)의 댐핑플레이트(122)는 두께가 얇은 강판이다. 그 평면은 단폭부의 양단에 장폭부가 형성된 시편형상이다. 그리고 댐핑플레이트(122)의 단폭부와 장폭부를 잇는 연결부위는 장폭부 측으로 갈수록 폭이 직선적으로 넓어지는 테이퍼 형상을 갖는다.
이러한 형상의 댐핑플레이트(122)는 다수개가 상하로 적층되며, 인접한 한 쌍의 댐핑플레이트(122) 사이에 심플레이트(124)가 위치될 수 있도록 동일한 간격으로 이격된다.
심플레이트(124)는 댐핑플레이트(122)의 양단 장폭부에 각각 위치되는 제1 및 제2 심플레이트(124a,124b)로 구성된다. 이 심플레이트(124)는 얇은 두께의 판재이며, 댐핑플레이트(122)의 장폭부와 동일한 형상 및 넓이로 형성된다.
이때, 심플레이트(124)는 그 위치에 따라 서로 다른 두께로 형성된다. 즉, 도 2에 도시된 바와 같이, 최상단 및 최하단의 심플레이트는 중단의 심플레이트에 비해 얇게 형성된다.
한편, 댐핑플레이트(122)와 심플레이트(124)는 제1 고정볼트(126)에 의해 일체로 연결되는데, 이때 고정볼트(126)는 댐핑플레이트(122)와 심플레이트(124) 외에 제1 및 제2 고정플레이트(110a,110b)를 함께 연결한다.
상술한 진동흡수체(12)는 수평하중을 흡수 및 소산시키기 위한 수단이다. 즉, 제1 및 제2 몸체(11a,11b)를 통해 수평하중이 인가되면, 강재로 이루어진 댐핑플레이트(122)의 단폭부가 소성 변형되며 이를 흡수하여 소산시킨다.
여기서 댐핑플레이트(122)는 상술한 바와 같이 상하로 적층되는 구조이며, 고정볼트(126)에 의해 결합된 형태이다. 이러한 구조의 진동흡수체(12)는 필요에 따라 댐핑플레이트(122)의 개수를 조절할 수 있다. 예컨대, 풍하중을 포함한 수평하중이 예상되는 지역에서는 댐핑플레이트(122)의 개수를 늘리고, 그렇지 않은 지역에서는 댐핑플레이트(122)의 개수를 줄여 설치할 수 있다.
상술한 이유 이외에 인방보의 높이(춤)에 따라 댐핑플레이트(122)의 개수가 조절되며, 변형이 심해 파괴된 댐핑플레이트(122)의 경우 교체 또한 가능하다.
한편, 댐핑플레이트(122)와 심플레이트(124)를 일체화하는 제1 고정볼트(126)는 제1 및 제2 고정플레이트(110a,110b)의 폭방향으로 이격 설치되는 한 쌍으로 구성된다. 이는 고정플레이트(110a,110b)가 고정볼트(126)를 중심으로 회전되는 것을 방지하기 위한 것이다.
몸체(11a,11b)는 각각 한 쌍의 고정플레이트(110a,110b)와, 고정플레이트(110a,11b)의 길이방향을 따라 결합되어 한 쌍의 고정플레이트(110a,110b)를 서로 연결하는 복부판(111a,111b)과, 고정플레이트(110a,11b)의 폭방향을 따라 결합되어 한 쌍의 고정플레이트(110a,110b)를 서로 연결하며 진동흡수체(12)의 양단이 접촉하는 끼움플레이트(112a,112b)로 이루어진다.
고정플레이트(110a,110b)는 진동흡수체(12)의 양단 장폭부에 각각 위치되는 한 쌍으로 구성된다. 또한, 제1 고정플레이트(110a)는 진동흡수체(12)의 일단 장폭부 상면과 하면에 각각 부착되는 한 쌍으로, 그리고 제2 고정플레이트(110b)는 진동흡수체(120)의 타단 장폭부 상면과 하면에 각각 부착되는 한 쌍으로 구성된다.
복부판(111a,111b)은 한 쌍의 제1 고정플레이트(110a)를 연결하여 H형단면을 이루는 제1 복부판(111a)과 한 쌍의 제2 고정플레이트(110b)를 연결하여 H형단면을 이루는 제2 복부판(111b)으로 구성되고 각 복부판(111a,111b)은 인방보에 매립되며 인방보를 구성하는 콘크리트와의 합성력을 높이기 위해 구멍(111c)이 형성되어 있다.
끼움플레이트(112a,112b)은 한 쌍의 제1 고정플레이트(110a)를 연결하여 진동흡수체(12)의 장폭부의 일단을 수용하는 공간을 구획하면서 일단 장폭부가 면접촉되도록 하는 제1 끼움플레이트(112a)와, 한 쌍의 제2 고정플레이트(110b)를 연결하여 진동흡수체(12)의 장폭부의 타단을 수용하는 공간을 구획하면서 타단 장폭부가 면접촉되도록 하는 제2 끼움플레이트(112b)으로 구성된다. 이렇게 진동흡수체(12)의 양단이 각각 끼움플레이트(112a,112b)에 접촉하도록 함으로써 한 쌍의 고정볼트(126)와 함께 진동흡수체(12)가 제1 고정볼트(126)를 중심으로 회전하는 방지하게 된다.
진동흡수체(12)의 전, 후면에는 한 쌍의 안전판(13)이 힌지 결합된다. 안전판(13)은 사각판형으로 한 쌍의 제1 고정플레이트(110a) 및 한 쌍의 제2 고정플레이트(110b) 사이의 간격보다 더 작은 높이를 가지고 모서리는 모두 둥글게 처리되어 있다. 길이는 댐핑플레이트(122)의 길이와 동일하거나 약간 더 큰 길이를 가질 수 있다. 따라서 높이방향으로 이격된 한 쌍의 제1 고정플레이트(110a) 및 한 쌍의 제2 고정플레이트(110b)와 각각 일정한 간격을 가지며 본 발명에 따른 이력댐퍼가 층간 변형에 의해 작동할 때 고정플레이트(110a,110b)에 모서리가 맞닿을 때까지 회전할 수 있게 됨으로써 댐핑플레이트(122)가 변형하면서 수평하중을 충분히 흡수할 수 있도록 한다. 안전판(13)의 크기 즉, 높이와 길이는 층간 변형에 의해 발생하는 변위각에 의해 댐핑플레이트(122)가 흡수할 수 있는 수평하중의 크기에 의해 결정될 수 있다. 이렇게 안전판(13)을 설치함으로써 댐핑플레이트(122)가 파단되더라도 인방보가 붕괴되는 것을 방지할 수 있다.
안전판(13)은 제2 고정볼트(136)를 이용해 진동흡수체(12)의 전, 후면에 각각 힌지 결합될 수 있다. 즉, 댐핑플레이트(122)의 양단 장폭부에 각각 위치되는 제1 및 제2 심플레이트(124a,124b)를 관통하는 한 쌍의 제2 고정볼트(136)에 의해 진동흡수체(12)의 전, 후면에 각각 결합되며 안전판(13)은 제2 고정볼트(136)에 대해 회전 가능하게 결합된다.
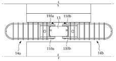
벽체정착철근(14a,14b)은 인방보형 이력댐퍼(10)의 설치 시 벽체(도 4의 30)에 매입되어 정착되는 부분이다. 이러한 벽체정착철근(14a,14b)은 제1 및 제2 고정플레이트(110a,110b)의 외측 일단에 각각 고정되는 한 쌍으로 구성된다.
그 구성을 살펴보면, 양단이 한 쌍의 제1 및 제2 고정플레이트(110a,110b)의 외측 일단에 각각 고정되는 U자 형상의 주근(142a,142b)과, 주근(142a,142b)의 중단을 감싸는 다수의 스터럽철근(144a,144b)을 포함한다.
이때, 주근(142a,142b)은 제1 및 제2 고정플레이트(110a,110b)의 폭방향으로 등간격 이격된 2개 이상(본 실시예에서는 3개)으로 이루어진다. 또한, 스터럽철근(144a,144b)은 주근(142a,142b)의 길이방향을 따라 형성되는 다수개로 이루어진다.
도 4a, 4b는 본 발명의 일 실시예에 따른 인방보형 이력댐퍼의 사용상태도로서, 4a는 정면도 그리고 4b는 평면도이다.
본 발명의 일 실시예에 따른 인방보형 이력댐퍼(10)는 인방보 상에 설치되거나 인방보 대용으로 설치된다.
이때, 진동흡수체(12)와 안전판(13) 사이의 공간은 절연물질(33)로 충전될 수 있다. 이 절연물질(33)은 진동흡수체(12)로 콘크리트가 유입되는 것을 방지하기 위한 것이다. 즉, 진동흡수체(12) 주위를 콘크리트로부터 격리시킴으로써 수평하중이 인가될 경우 해당 부위(진동흡수체)가 자유롭게 움직일 수 있도록 한다. 절연물질(33)로는 고무 소재로 이루어질 수 있고 바람직하게는 고감쇠고무가 사용될 수 있다.
따라서 제1 및 제2 고정플레이트(110a,110b)를 통해 수평하중이 인가되면, 댐핑플레이트(122)의 단폭부가 변형되며 이를 흡수하여 소멸시킨다.
상술한 바와 같은 본 발명의 일 실시예에 따른 인방보형 이력댐퍼(10)는 콘크리트를 타설하기 전 인방보 거푸집(성형틀, 합판 및 목재 등으로 가공되는 틀)의 소정 위치에 설치되므로 시공성이 매우 우수하다. 이러한 구조는 현장에서 조립 및 설치되는 가새(BRACE) 형태의 제진 장치가 가진 단점을 보완할 수 있다.
아래에서는 본 발명의 일 실시예에 따른 복합제진댐퍼가 인방보에 설치된 예를 가지고 수평하중 작용시 거동을 구체적으로 설명한다.
도 5는 인방보의 전단거동에 따른 변형형태를 나타낸 개념도이다.
도 5에 나타낸 것처럼 구조물에 바람이나 지진이 작용하면 인방보에는 전단력이 발생하고 라멘 골조에는 미세한 미소변형(변위각)이 생긴다. 도 4에서와 같이 인방보의 중앙부에 설치된 본 발명에 따른 이력댐퍼는 기본적으로 바람이나 지진에 의해 발생하는 전단력에 의해 거동하게 되고 미소변형에 대응하여 소성변형이 생긴다.
즉, 댐핑플레이트(122)의 단폭부가 소성변형되며 수평하중을 흡수하게 된다. 이때, 댐핑플레이트(122)의 평면은 단폭부의 양단에 장폭부가 형성된 시편형상이고 댐핑플레이트(122)의 단폭부와 장폭부를 잇는 연결부위는 장폭부 측으로 갈수록 폭이 직선적으로 넓어지는 테이퍼 형상을 갖도록 구성되어 있어 수평하중 작용시 단폭부에 변형이 집중되도록 유도하는 구조로서 단폭부에서의 소성변형으로 수평하중을 흡수하게 된다. 이때, 안전판(13)은 수평하중을 받지 않고 자유롭게 회전한다.
그리고 단폭부의 소성변형 영역을 넘는 수평하중이 인가되어 단폭부가 파단되더라도 안전판(13)이 양쪽의 인방보를 연결함으로써 인방보의 붕괴를 방지할 수 있다.
위에서 본 발명은 제시된 실시 예를 참조하여 상세하게 설명이 되었지만 이 분야에서 통상의 지식을 가진 자는 제시된 실시 예를 참조하여 본 발명의 기술적 사상을 벗어나지 않는 범위에서 다양한 변형 및 수정 발명을 만들 수 있을 것이다. 본 발명은 이와 같은 변형 및 수정 발명에 의하여 제한되지 않으며 다만 아래에 첨부된 청구범위에 의하여 제한된다.
110a: 제1 고정플레이트
110b: 제2 고정플레이트
12: 진동흡수체
122: 댐핑플레이트
124: 심플레이트
13: 안전판

Claims (4)

  1. 단폭부의 양단에 장폭부가 형성되는 시편형상의 평면을 갖는 다수의 판형 댐핑플레이트와, 댐핑플레이트의 장폭부 사이마다 위치되는 심플레이트로 이루어지고 단폭부와 장폭부를 연결하는 부분이 장폭부 측으로 갈수록 폭이 직선적으로 넓어지는 테이퍼 형상이며, 작용하는 수평하중에 대해 단폭부가 소성변형되며 수평하중을 흡수하는 진동흡수체;
    진동흡수체의 일단 장폭부 상하에 각각 위치되는 제1 고정플레이트와 진동흡수체의 타단 장폭부 상하에 각각 위치되는 제2 고정플레이트;
    제1 및 제2고정플레이트를 진동흡수체에 결합시키는 제1 고정볼트; 및
    진동흡수체의 전면과 후면에 각각 힌지 결합되어 수평하중에 의해 단폭부가 소성변형될 때 자유롭게 회전되고 다수의 판형 댐핑플레이트의 단폭부가 모두 파단된 후 양단부의 장폭부가 서로 분리되지 않도록 하는 안전판을 포함하는 것을 특징으로 하는 층간 변형을 이용한 인방보형 이력댐퍼.
  2. 청구항 1에 있어서,
    고정플레이트의 길이방향을 따라 결합되어 상하의 제1 고정플레이트 및 상하의 제2 고정플레이트를 각각 연결하는 복부판; 및
    고정플레이트의 폭방향을 따라 결합되어 상하의 제1 고정플레이트 및 상하의 제2 고정플레이트를 각각 연결하며 진동흡수체의 양단이 접촉하는 끼움플레이트를 더 포함하는 것을 특징으로 하는 층간 변형을 이용한 인방보형 이력댐퍼.
  3. 청구항 1에 있어서,
    진동흡수체와 안전판 사이의 공간에는 콘크리트 타설시 콘크리트의 침투를 방지하여 수평하중이 인가될 경우 진동흡수체가 자유롭게 움직일 수 있도록 절연물질이 충전된 것을 특징으로 하는 층간 변형을 이용한 인방보형 이력댐퍼.
  4. 청구항 1에 있어서,
    제1 및 제2고정플레이트의 폭방향으로 등간격 이격된 2개 이상으로 이루어진 U자 형상의 주근과, 주근의 중단을 감싸고 주근의 길이방향을 따라 형성되는 다수개로 이루어진 스터럽철근을 포함하는 벽체정착철근이 제1 및 제2고정플레이트의 외측 일단에 각각 고정되는 것을 특징으로 하는 층간 변형을 이용한 인방보형 이력댐퍼.
KR1020100068156A 2010-07-14 2010-07-14 층간 변형을 이용한 인방보형 이력댐퍼 Active KR101186448B1 (ko)

Priority Applications (1)

Application Number Priority Date Filing Date Title
KR1020100068156A KR101186448B1 (ko) 2010-07-14 2010-07-14 층간 변형을 이용한 인방보형 이력댐퍼

Applications Claiming Priority (1)

Application Number Priority Date Filing Date Title
KR1020100068156A KR101186448B1 (ko) 2010-07-14 2010-07-14 층간 변형을 이용한 인방보형 이력댐퍼

Publications (2)

Publication Number Publication Date
KR20120007409A true KR20120007409A (ko) 2012-01-20
KR101186448B1 KR101186448B1 (ko) 2012-09-27

Family

ID=45612769

Family Applications (1)

Application Number Title Priority Date Filing Date
KR1020100068156A Active KR101186448B1 (ko) 2010-07-14 2010-07-14 층간 변형을 이용한 인방보형 이력댐퍼

Country Status (1)

Country Link
KR (1) KR101186448B1 (ko)

Cited By (11)

* Cited by examiner, † Cited by third party
Publication number Priority date Publication date Assignee Title
KR101229468B1 (ko) * 2010-12-28 2013-02-04 재단법인 포항산업과학연구원 커플링 보
KR101539577B1 (ko) * 2015-04-16 2015-07-28 씨티에스엔지니어링 주식회사 전단 항복형 슬릿강재이력댐퍼
KR101694187B1 (ko) * 2016-06-02 2017-01-09 송호산 인방형 제진댐퍼
DE202012013514U1 (de) 2011-09-16 2017-05-19 Seoul Semiconductor Co., Ltd. Beleuchtungsvorrichtung mit lichtemittierenden Halbleiterdioden
KR20180136815A (ko) * 2017-06-15 2018-12-26 한국항공우주연구원 복합재 튜브를 이용한 진동충격에너지 흡수장치 및 이를 이용한 건물 제진장치
KR20190015853A (ko) * 2017-08-07 2019-02-15 인천대학교 산학협력단 자동복원이 가능한 가새 댐퍼장치
KR20190091790A (ko) * 2018-01-29 2019-08-07 주식회사 허브구조엔지니어링 제진 장치 및 이를 포함하는 제진 시스템
KR102015561B1 (ko) 2019-01-18 2019-08-28 스톤엔지니어링(주) 공동주택의 횡력 저감을 위한 제진시스템
CN111663827A (zh) * 2020-06-30 2020-09-15 广西建工集团第二安装建设有限公司 一种土木工程中梁柱节点夹角处或柱脚处的软钢阻尼器
KR102670301B1 (ko) * 2024-03-25 2024-05-29 주식회사 제이엠케이디자인 인방형 제진 댐퍼
KR102873890B1 (ko) 2024-12-04 2025-10-17 리튬코리아 주식회사 전동 지게차의 배터리를 다른 종류의 배터리로 교체 설치하는 방법

Families Citing this family (1)

* Cited by examiner, † Cited by third party
Publication number Priority date Publication date Assignee Title
KR101640350B1 (ko) 2015-12-09 2016-07-15 (주)한국방재기술 비좌굴 형강을 댐핑요소로 활용한 인방형 제진장치

Family Cites Families (2)

* Cited by examiner, † Cited by third party
Publication number Priority date Publication date Assignee Title
JP2001248331A (ja) * 1999-12-28 2001-09-14 Shimizu Corp 制震ダンパーの設置構造および設置方法
KR100943155B1 (ko) * 2009-11-10 2010-02-22 현대엠코 주식회사 압축된 고감쇠 댐퍼

Cited By (11)

* Cited by examiner, † Cited by third party
Publication number Priority date Publication date Assignee Title
KR101229468B1 (ko) * 2010-12-28 2013-02-04 재단법인 포항산업과학연구원 커플링 보
DE202012013514U1 (de) 2011-09-16 2017-05-19 Seoul Semiconductor Co., Ltd. Beleuchtungsvorrichtung mit lichtemittierenden Halbleiterdioden
KR101539577B1 (ko) * 2015-04-16 2015-07-28 씨티에스엔지니어링 주식회사 전단 항복형 슬릿강재이력댐퍼
KR101694187B1 (ko) * 2016-06-02 2017-01-09 송호산 인방형 제진댐퍼
KR20180136815A (ko) * 2017-06-15 2018-12-26 한국항공우주연구원 복합재 튜브를 이용한 진동충격에너지 흡수장치 및 이를 이용한 건물 제진장치
KR20190015853A (ko) * 2017-08-07 2019-02-15 인천대학교 산학협력단 자동복원이 가능한 가새 댐퍼장치
KR20190091790A (ko) * 2018-01-29 2019-08-07 주식회사 허브구조엔지니어링 제진 장치 및 이를 포함하는 제진 시스템
KR102015561B1 (ko) 2019-01-18 2019-08-28 스톤엔지니어링(주) 공동주택의 횡력 저감을 위한 제진시스템
CN111663827A (zh) * 2020-06-30 2020-09-15 广西建工集团第二安装建设有限公司 一种土木工程中梁柱节点夹角处或柱脚处的软钢阻尼器
KR102670301B1 (ko) * 2024-03-25 2024-05-29 주식회사 제이엠케이디자인 인방형 제진 댐퍼
KR102873890B1 (ko) 2024-12-04 2025-10-17 리튬코리아 주식회사 전동 지게차의 배터리를 다른 종류의 배터리로 교체 설치하는 방법

Also Published As

Publication number Publication date
KR101186448B1 (ko) 2012-09-27

Similar Documents

Publication Publication Date Title
KR101186448B1 (ko) 층간 변형을 이용한 인방보형 이력댐퍼
KR101321224B1 (ko) 전단벽형 제진장치
KR101936186B1 (ko) 건축구조물 진동 감쇠용 결합부재
KR101164413B1 (ko) 마찰재를 이용한 중약진 지진용 강성증대형 비좌굴가새
CN101925713A (zh) 接合金属器件及具备该接合金属器件的建筑物
KR101348577B1 (ko) 건물의 개구부에 설치된 수평보형 댐퍼를 이용한 내진보강방법
KR101236575B1 (ko) 파형 웨브가 구성된 지진하중 흡수장치를 이용한 칸막이 벽체의 시공방법
KR101297416B1 (ko) 외부 부착형 제진 댐퍼 시스템 및 이의 시공방법
KR101425444B1 (ko) 면외좌굴 방지 접합부를 구비한 가새형 제진 시스템
KR101478654B1 (ko) 다이아그리드를 이용한 내진보강구조
KR102083066B1 (ko) 고감쇠 고무 및 변형 유도 강재봉이 구성된 복합댐퍼를 포함한 프레임형 제진장치 및 이를 이용한 구조물 내진보강방법
JP2014194116A (ja) 建物の制振構造
KR101211145B1 (ko) 변위 증폭형 제진장치를 이용한 다층 변위 증폭 제진시스템
JP5596990B2 (ja) 木造建物の耐力壁構造
KR101242978B1 (ko) 슬릿형 웨브가 구성된 지진하중 흡수장치를 이용한 칸막이 벽체의 시공방법
KR101403125B1 (ko) 단위 모듈러 지진하중 흡수장치 및 이를 이용한 철골구조물 보강방법
KR101378700B1 (ko) 라멘 골조에 설치되는 단위 모듈러 지진하중 흡수장치
JP6053485B2 (ja) 既存建物への間柱の設置構造
KR102074040B1 (ko) 고감쇠 고무 및 파형 웨브가 구성된 복합댐퍼와 복합댐퍼를 포함한 프레임형 제진장치 및 이를 이용한 구조물 내진보강방법
KR102074039B1 (ko) 파형 웨브가 구성된 강재댐퍼와 강재댐퍼를 포함한 프레임형 제진장치 및 이를 이용한 구조물 내진보강방법
JP6837865B2 (ja) 制振建物
JP2017101516A (ja) 免制振併用構造物
KR101133177B1 (ko) 다층 변위 증폭 제진시스템
KR101242972B1 (ko) 단위 모듈러 지진하중 흡수장치를 이용한 칸막이 벽체의 시공방법
KR101243024B1 (ko) 칸막이 벽체 시공용 단위 모듈러 지진하중 흡수장치

Legal Events

Date Code Title Description
A201 Request for examination
PA0109 Patent application

St.27 status event code: A-0-1-A10-A12-nap-PA0109

PA0201 Request for examination

St.27 status event code: A-1-2-D10-D11-exm-PA0201

D13-X000 Search requested

St.27 status event code: A-1-2-D10-D13-srh-X000

D14-X000 Search report completed

St.27 status event code: A-1-2-D10-D14-srh-X000

E902 Notification of reason for refusal
PE0902 Notice of grounds for rejection

St.27 status event code: A-1-2-D10-D21-exm-PE0902

PG1501 Laying open of application

St.27 status event code: A-1-1-Q10-Q12-nap-PG1501

E13-X000 Pre-grant limitation requested

St.27 status event code: A-2-3-E10-E13-lim-X000

P11-X000 Amendment of application requested

St.27 status event code: A-2-2-P10-P11-nap-X000

P13-X000 Application amended

St.27 status event code: A-2-2-P10-P13-nap-X000

E701 Decision to grant or registration of patent right
PE0701 Decision of registration

St.27 status event code: A-1-2-D10-D22-exm-PE0701

GRNT Written decision to grant
PR0701 Registration of establishment

St.27 status event code: A-2-4-F10-F11-exm-PR0701

PR1002 Payment of registration fee

St.27 status event code: A-2-2-U10-U11-oth-PR1002

Fee payment year number: 1

PG1601 Publication of registration

St.27 status event code: A-4-4-Q10-Q13-nap-PG1601

PN2301 Change of applicant

St.27 status event code: A-5-5-R10-R13-asn-PN2301

St.27 status event code: A-5-5-R10-R11-asn-PN2301

PN2301 Change of applicant

St.27 status event code: A-5-5-R10-R13-asn-PN2301

St.27 status event code: A-5-5-R10-R11-asn-PN2301

R18-X000 Changes to party contact information recorded

St.27 status event code: A-5-5-R10-R18-oth-X000

PN2301 Change of applicant

St.27 status event code: A-5-5-R10-R13-asn-PN2301

St.27 status event code: A-5-5-R10-R11-asn-PN2301

FPAY Annual fee payment

Payment date: 20150901

Year of fee payment: 4

PR1001 Payment of annual fee

St.27 status event code: A-4-4-U10-U11-oth-PR1001

Fee payment year number: 4

P22-X000 Classification modified

St.27 status event code: A-4-4-P10-P22-nap-X000

FPAY Annual fee payment

Payment date: 20160902

Year of fee payment: 5

PR1001 Payment of annual fee

St.27 status event code: A-4-4-U10-U11-oth-PR1001

Fee payment year number: 5

PN2301 Change of applicant

St.27 status event code: A-5-5-R10-R13-asn-PN2301

St.27 status event code: A-5-5-R10-R11-asn-PN2301

FPAY Annual fee payment

Payment date: 20170720

Year of fee payment: 6

PR1001 Payment of annual fee

St.27 status event code: A-4-4-U10-U11-oth-PR1001

Fee payment year number: 6

P22-X000 Classification modified

St.27 status event code: A-4-4-P10-P22-nap-X000

FPAY Annual fee payment

Payment date: 20180730

Year of fee payment: 7

PR1001 Payment of annual fee

St.27 status event code: A-4-4-U10-U11-oth-PR1001

Fee payment year number: 7

FPAY Annual fee payment

Payment date: 20190902

Year of fee payment: 8

PR1001 Payment of annual fee

St.27 status event code: A-4-4-U10-U11-oth-PR1001

Fee payment year number: 8

PR1001 Payment of annual fee

St.27 status event code: A-4-4-U10-U11-oth-PR1001

Fee payment year number: 9

P22-X000 Classification modified

St.27 status event code: A-4-4-P10-P22-nap-X000

PR1001 Payment of annual fee

St.27 status event code: A-4-4-U10-U11-oth-PR1001

Fee payment year number: 10

PR1001 Payment of annual fee

St.27 status event code: A-4-4-U10-U11-oth-PR1001

Fee payment year number: 11

PR1001 Payment of annual fee

St.27 status event code: A-4-4-U10-U11-oth-PR1001

Fee payment year number: 12

PR1001 Payment of annual fee

St.27 status event code: A-4-4-U10-U11-oth-PR1001

Fee payment year number: 13

PN2301 Change of applicant

St.27 status event code: A-5-5-R10-R13-asn-PN2301

St.27 status event code: A-5-5-R10-R11-asn-PN2301

PR1001 Payment of annual fee

St.27 status event code: A-4-4-U10-U11-oth-PR1001

Fee payment year number: 14