KR20080021574A - Unit steel pipe excavation device for the construction of rail roads and underground roads and the method of constructing underground roads while filling the gap of toffee - Google Patents

Unit steel pipe excavation device for the construction of rail roads and underground roads and the method of constructing underground roads while filling the gap of toffee Download PDF

Info

Publication number
KR20080021574A
KR20080021574A KR1020070121331A KR20070121331A KR20080021574A KR 20080021574 A KR20080021574 A KR 20080021574A KR 1020070121331 A KR1020070121331 A KR 1020070121331A KR 20070121331 A KR20070121331 A KR 20070121331A KR 20080021574 A KR20080021574 A KR 20080021574A
Authority
KR
South Korea
Prior art keywords
steel pipe
unit
unit steel
excavated
construction
Prior art date
Legal status (The legal status is an assumption and is not a legal conclusion. Google has not performed a legal analysis and makes no representation as to the accuracy of the status listed.)
Granted
Application number
KR1020070121331A
Other languages
Korean (ko)
Other versions
KR100849698B1 (en
Inventor
이창원
이창열
김남선
Original Assignee
주식회사 추진건설
이창원
Priority date (The priority date is an assumption and is not a legal conclusion. Google has not performed a legal analysis and makes no representation as to the accuracy of the date listed.)
Filing date
Publication date
Application filed by 주식회사 추진건설, 이창원 filed Critical 주식회사 추진건설
Priority to KR1020070121331A priority Critical patent/KR100849698B1/en
Publication of KR20080021574A publication Critical patent/KR20080021574A/en
Application granted granted Critical
Publication of KR100849698B1 publication Critical patent/KR100849698B1/en
Expired - Fee Related legal-status Critical Current
Anticipated expiration legal-status Critical

Links

Images

Classifications

    • EFIXED CONSTRUCTIONS
    • E02HYDRAULIC ENGINEERING; FOUNDATIONS; SOIL SHIFTING
    • E02DFOUNDATIONS; EXCAVATIONS; EMBANKMENTS; UNDERGROUND OR UNDERWATER STRUCTURES
    • E02D29/00Independent underground or underwater structures; Retaining walls
    • E02D29/045Underground structures, e.g. tunnels or galleries, built in the open air or by methods involving disturbance of the ground surface all along the location line; Methods of making them
    • EFIXED CONSTRUCTIONS
    • E02HYDRAULIC ENGINEERING; FOUNDATIONS; SOIL SHIFTING
    • E02DFOUNDATIONS; EXCAVATIONS; EMBANKMENTS; UNDERGROUND OR UNDERWATER STRUCTURES
    • E02D5/00Bulkheads, piles, or other structural elements specially adapted to foundation engineering
    • E02D5/22Piles
    • E02D5/24Prefabricated piles
    • E02D5/28Prefabricated piles made of steel or other metals
    • E02D5/285Prefabricated piles made of steel or other metals tubular, e.g. prefabricated from sheet pile elements
    • EFIXED CONSTRUCTIONS
    • E02HYDRAULIC ENGINEERING; FOUNDATIONS; SOIL SHIFTING
    • E02DFOUNDATIONS; EXCAVATIONS; EMBANKMENTS; UNDERGROUND OR UNDERWATER STRUCTURES
    • E02D7/00Methods or apparatus for placing sheet pile bulkheads, piles, mouldpipes, or other moulds
    • E02D7/26Placing by using several means simultaneously
    • EFIXED CONSTRUCTIONS
    • E21EARTH OR ROCK DRILLING; MINING
    • E21DSHAFTS; TUNNELS; GALLERIES; LARGE UNDERGROUND CHAMBERS
    • E21D9/00Tunnels or galleries, with or without linings; Methods or apparatus for making thereof; Layout of tunnels or galleries
    • E21D9/04Driving tunnels or galleries through loose materials; Apparatus therefor not otherwise provided for
    • EFIXED CONSTRUCTIONS
    • E02HYDRAULIC ENGINEERING; FOUNDATIONS; SOIL SHIFTING
    • E02DFOUNDATIONS; EXCAVATIONS; EMBANKMENTS; UNDERGROUND OR UNDERWATER STRUCTURES
    • E02D2300/00Materials
    • E02D2300/0026Metals
    • E02D2300/0029Steel; Iron

Landscapes

  • Engineering & Computer Science (AREA)
  • Mining & Mineral Resources (AREA)
  • Life Sciences & Earth Sciences (AREA)
  • General Life Sciences & Earth Sciences (AREA)
  • Structural Engineering (AREA)
  • Paleontology (AREA)
  • Civil Engineering (AREA)
  • General Engineering & Computer Science (AREA)
  • Environmental & Geological Engineering (AREA)
  • Geochemistry & Mineralogy (AREA)
  • Geology (AREA)
  • Excavating Of Shafts Or Tunnels (AREA)

Abstract

An excavator of a unit steel pipe for construction of a railroad track and a road underground driveway and a method for filling cavities of earth and constructing the underground driveway using the same are provided to excavate the underground driveway safely by excavating the earth by advancing steel plate members by hydraulic cylinders and securing tunnel excavation spaces. An excavator of a unit steel pipe(10) for construction of a railroad track and a road underground driveway comprises a V shaped guide angle(50), excavation steel plate members(20), hydraulic cylinders(30), and supporting members. The unit steel pipe is formed with opened parts(12) and cut parts(15) and connected with steel pipes(11). The excavation steel plate members have guide holes(22) and excavation blades(21). The hydraulic cylinders advance the steel plate members installed at the upper ends of the unit steel pipe. The supporting members support the hydraulic cylinders. The hydraulic cylinders have one end, which is connected with the inside of the front end of the steel pipe member, and the other end, which is connected with the inside of the unit steel pipe to push forth the steel plate member.

Description

철길 및 도로지하차도의 시공을 위한 유닛강관 굴착장치 및 이를 이용하여 토피의 공극을 충진시키면서 지하차도를 시공하는 방법{The unit metal tubing constructing system for the railroad track and the road underground driveway}Unit steel pipe excavation device for the construction of railway tracks and underground roads, and a method for constructing underground roads while filling the voids of the toffee using the same. {The unit metal tubing constructing system for the railroad track and the road underground driveway}

본 발명은 철길 또는 도로의 지하 차도를 시공시 유닛강관을 설치하여 기초 굴착 공간부를 확보할 수 있도록 한 것으로 강관의 추진과 굴착이 동시에 이루어지도록 수평추진공법을 이용하고 강관이 상부의 토압하중을 그대로 지지하고 지하도를 굴착하기 위한 터널굴착 공간부를 확보하여 안전하게 지하도를 굴착할 수 있도록 한 철길 및 도로지하차도의 시공을 위한 유닛강관 굴착장치 및 이를 이용하여 토피의 공극을 충진시키면서 지하차도를 시공하는 방법에 관한 것이다.The present invention is to ensure the foundation excavation space by installing a unit steel pipe when constructing the underground roadway of railroads or roads by using a horizontal propulsion method so that the promotion and excavation of the steel pipe can be performed at the same time, the steel pipe is the earth pressure load of the upper portion as it is Unit steel pipe excavation device for the construction of railroads and road underground roadways to secure the tunnel excavation space for supporting and excavating the underground road, and the method of constructing the underground road while filling the void of the toffee using the same It is about.

종래에도 철도 및 고속도로, 국도 등을 가로지르는 지하차도, 지하보도, 지하연결통로 등을 시공하기 위해 여러 가지 시공방법이 적용되었다.Conventionally, various construction methods have been applied to construct underground roadways, underground walkways, and underground connection passages that cross railroads, highways, and national roads.

종래의 이러한 굴착 방법으로는 대표적으로 강관을 이용한 수평추진공법이 있다. 수평추진공법은 지반을 굴착해나가면서 동시에 강관을 지반에 압입해가는 병행방식이다. 통상 강관추진기의 개략적인 구조는 추진기계 레일 위에 강관 추진기 를 반력벽에 맞대어 설치하고 선단에 헤드비트가 형성된 드릴오거에 의하여 강관을 지중에 추진시키게 된다. 지반에 압입된 강관의 중공부에 콘크리트 몰탈을 충전하여 강관의 강성을 증대시키고 있다. 강관과 강관 사이의 연결은 앵글 조인트에 의하여 이루어진다. 앵글 조인트는 강관이 일체로 거동되게 하기 위한 것이다. 그러나 콘크리트가 충전된 강관의 강성에 비하면 앵글 조인트의 견고성으로는 강관전체를 일체로 거동시키기에는 취약한 구조이다.Conventional such excavation method is typically a horizontal propulsion method using a steel pipe. The horizontal propulsion method is a parallel method in which a steel pipe is pressed into the ground while digging the ground. In general, the structure of the steel pipe propeller is to install the steel pipe propeller against the reaction wall on the propulsion machine rail and to propel the steel pipe in the ground by a drill auger with a head bit formed at the tip. The rigidity of the steel pipe is increased by filling concrete mortar with the hollow part of the steel pipe pressed into the ground. The connection between the steel pipe and the steel pipe is made by an angle joint. The angle joint is for causing the steel pipe to behave in one piece. However, compared with the rigidity of concrete filled steel pipes, the rigidity of the angle joints is vulnerable to integral behavior of the entire steel pipe.

이와 같이 앵글 조인트로 연결된 강관 구조물은 상부재하하중을 지지하는데 한계가 있다. 종래기술의 수평추진공법으로 압입된 강관은 그 하부의 토사를 굴착하는 동안 상부하중을 지지하는 역할을 한다. 굴착이 완료된 후에는 별도의 2As such, the steel pipe structure connected by the angle joint has a limitation in supporting the upper load. The steel pipe press-fitted by the horizontal propulsion method of the prior art serves to support the upper load during the excavation of the soil of the lower portion. After excavation is completed, a separate 2

차 콘크리트 구조물을 설치하는 것이 통상적이다. 단독의 강관과 앵글 조인트로서는 영구적으로 상부 재하하중을 지지하기가 미흡하기 때문이다.It is common to install secondary concrete structures. This is because a single steel pipe and an angle joint are insufficient to permanently support the upper load.

또한 강관의 중공부에 콘크리트 몰탈을 충전하여 강관의 강성을 증대시킨 것이긴 하나 콘크리트 몰탈이 단독의 강관에만 갇혀있기 때문에 폐쇄적이다. 강관하나 하나가 폐쇄적이므로 강관사이에 유기적 관계가 없고 이로 인하여 강성의 상호상승작용도 없다. 아무리 강관 하나하나의 강성이 크다 할지라도 이를 유기적으로 일체화시킨 것에 비하면 그 강성은 아주 작다. 바로 여기에 종래기술의 문제점이 있다.In addition, although the concrete mortar is added to the hollow part of the steel pipe to increase the rigidity of the steel pipe, it is closed because the concrete mortar is trapped in the steel pipe alone. Since one steel pipe is closed, there is no organic relationship between the steel pipes, and thus there is no mutual synergy of rigidity. No matter how large the stiffness of each steel pipe is, the stiffness is very small compared to organic integration. Here is a problem of the prior art.

본 발명의 출원인은 상기와 같은 종래의 문제점을 해결하고자 등록특허 제0556531호를 선 출원하였으며, 등록특허 제0556531호 역시 상기에서 설명한 종래기술인 강관을 이용한 수평추진공법과 그 기술개념은 동일한 것으로, 이의 공법을 살펴보면, 유닛 강관의 개방부에도 V자형 강판 앵글의 유도구 겸 연결부를 용접하여 기준 유닛 강관을 형성하는 단계; 기준 유닛 강관의 위치를 선정하는 단계;The applicant of the present invention has previously filed a registered patent No. 0556531 in order to solve the conventional problems as described above, the registered patent No. 0556531 is also the same as the horizontal propulsion method using a conventional steel pipe as described above and the technical concept thereof, Looking at the method, the step of forming a reference unit steel pipe by welding the inlet and connecting portion of the V-shaped steel sheet angle also in the opening of the unit steel pipe; Selecting a position of the reference unit steel pipe;

기준 유닛 강관의 유도구 겸 연결부에 형성된 보강 연결대와 이와 대응되는 작은 분할편의 보강 연결대와 볼트 체결하는 단계; 작은 분할 편이 체결된 기준 유닛 강관을 지중에 압입하는 단계; 기준 유닛 강관에 작은 분할 편을 체결한 볼트를 해제하는 단계; 지중에 압입하고자 하는 유닛 강관의 유도구 겸 연결부에 형성된 보강 연결대와 이와 대응되는 작은 분할편의 보강 연결대와 볼트 체결하는 단계;Bolting the reinforcing connecting rod formed on the inlet and connecting portion of the reference unit steel pipe and the reinforcing connecting rod of the corresponding small split piece; Press-fitting the reference unit steel pipe to which the small split piece is fastened into the ground; Releasing the bolt which fastened the small split piece to the reference unit steel pipe; Bolting the reinforcing connecting rod formed on the induction port and the connecting portion of the unit steel pipe to be press-fitted into the ground and the reinforcing connecting rod of the corresponding small split piece;

작은 분할 편이 체결된 유닛 강관의 개방부를 기준 유닛 강관의 V자형 강판 앵글에 삽입하는 단계; 유닛 강관을 지중에 압입하는 단계; 지중에 압입하고자 하는 유닛 강관의 유도구 겸 연결부에 형성된 보강 연결대와 이와 대응되는 작은 분할편의 보강 연결대와 볼트 체결하는 단계; 작은 분할 편이 체결된 유닛 강관의 개방부를 유닛 강관의 V자형 강판 앵글에 삽입하는 단계; 유닛 강관을 지중에 압입하는 단계; 상기의 단계를 반복하여 유닛 강관을 지중에 압입하는 단계; 철근을 배근하고 콘크리트 몰탈을 충전하는 단계; 유닛 강관의 하부 토사를 굴착하는 단계를 포함하는 것으로 시공방법이 실시되나 강관을 다수 연결하여 유닛 강관을 형성하여 지 중에 압입하게 됨으로써, 유닛강관이 지중에 압입시 선단부가 흙을 원활하게 굴착하지 못하는 문제점이 있다. 즉, 유닛강관은 선단이 통상의 파이프와 같이 원형관으로 이루어져 압입시 원활게 압입되지 못하는 문제점이 있었다.Inserting the opening of the unit steel pipe to which the small split piece is fastened into the V-shaped steel sheet angle of the reference unit steel pipe; Pressing the unit steel pipe into the ground; Bolting the reinforcing connecting rod formed on the induction port and the connecting portion of the unit steel pipe to be press-fitted into the ground and the reinforcing connecting rod of the corresponding small split piece; Inserting the opening of the unit steel pipe to which the small split piece is fastened into the V-shaped steel sheet angle of the unit steel pipe; Pressing the unit steel pipe into the ground; Repeating the above steps to press the unit steel pipe into the ground; Reinforcing steel bars and filling concrete mortar; The construction method is carried out to include excavating the bottom soil of the unit steel pipe, but by connecting a plurality of steel pipes to form a unit steel pipe and press-fitted into the ground, when the unit steel pipe is pressed in the ground, the tip does not smoothly excavate the soil There is a problem. In other words, the unit steel pipe has a problem that the front end is made of a circular pipe like a normal pipe and cannot be press-fitted smoothly.

본 발명은 철길 또는 도로의 지하 차도를 시공시 유닛강관을 설치하여 기초 굴착 공간부를 확보할 수 있도록 한 것으로 강관의 추진과 굴착이 동시에 이루어지도록 수평추진공법을 이용하고 강관이 상부의 토압하중을 그대로 지지하고 지하도를 굴착하기 위한 터널굴착 공간부를 확보하여 안전하게 지하도를 굴착할 수 있도록 하는 동시에 유닛강관의 강관과 강관이 내접하는 정육각형의 한변을 절단하여 연결되도록함으로서 유닛강관에 충전된 몰타르에 의해 유닛관관이 일체화되도록 하며, 강관의 절개부 타측 상하부에 V자형 유도앵글을 설치하여 다른 유닛강관이 굴착 압입시 절개부의 상단면이 유도앵글에 삽입되어 전진하게 됨으로 유닛강관이 안입시 굴절되는 것을 방지할 수 있도록 함을 목적으로 한 철길 및 도로지하차도의 시공을 위한 유닛강관 굴착장치 및 이를 이용하여 토피의 공극을 충진시키면서 지하차도를 시공하는 방법을 제공할 수 있도록 한 것이다.The present invention is to ensure the foundation excavation space by installing a unit steel pipe when constructing the underground roadway of railroads or roads by using a horizontal propulsion method so that the promotion and excavation of the steel pipe can be performed at the same time, the steel pipe is the earth pressure load of the upper portion as it is Supports and secures the tunnel excavation space for excavating the underpass so that the underpass can be safely excavated, and at the same time, the unit pipe is cut by the mortar filled in the unit steel pipe by cutting one side of the regular hexagon in which the steel pipe and the steel pipe are inscribed. The V-shaped guide angle is installed on the upper and lower sides of the cutout of the steel pipe to prevent the unit steel pipe from being deflected when the other unit steel pipe is inserted into the guide angle. For the construction of railway tracks and underground roads Nisshin Steel pipe drilling apparatus and while filling the pores of the toffee use them to one to provide a process for the construction of underground roadway.

본 발명은 3개의 강관을 길이 방향으로 용착하고 중앙부에 위치하는 강관과 연결되도록 양측에 다수의 개방부및 일측변에 절개부가 형성된 유닛 강관을 구성하고, 유닛강관 선단 상부에 설치되어 압인에 의해 굴착되도록 가이드공과 굴착날을 갖는 굴착 강판부재를 형성하며, 유닛강관 상단부에 설치된 굴착 강판 부재를 전진시켜 굴착토록 하는 유압실린더를 설치하며, 유닛강관을 압입할 수 있도록 후단에 연결되어 강관추진기의 추진 유압실린더 지지되도록 받침부재가 설치된 구성 이다.The present invention constitutes a unit steel pipe welded in the longitudinal direction of the three steel pipe in the longitudinal direction and formed with a plurality of openings and cutouts on one side on both sides to be connected to the steel pipe located in the center, and is installed on the top of the unit steel pipe tip and excavated by stamping Form an excavated steel sheet member with a guide hole and an excavation blade to be installed, and install a hydraulic cylinder to advance and excavate the excavated steel sheet member installed at the upper end of the unit steel pipe, and connected to the rear end to press-in the unit steel pipe, Support member is installed to support cylinder.

이와 같이 된 본 발명은 압입된 강관이 그대로 토사 굴착시 상부하중을 지지하는 역할을 하도록 하면서 동시에 굴착이 완료된 후에는 별도의 2차 콘크리트 구조물이 필요 없이 압입된 강관만으로 상부재하하중을 지지하는 역할을 하도록 함에 있고, 또한 강관의 지반압입을 V자형 유도 앵글과 결합되도록 하여 유도함으로써 강관이 굴절되지 않고 제방향으로 수평으로 압입되도록 함으로 압입작업이 용이하고 압입작업이 완료된 후에는 유도수단이 강관 연결수단의 역할을 하여 지지력을 높이도록 한 철길 및 도로지하차도의 시공을 위한 유닛강관 굴착장치를 제공할 수 있도록 한 것이다.In the present invention, the press-fitted steel pipe serves to support the upper load during the excavation of the soil, and at the same time, after the excavation is completed, the upper pipe load is supported only by the press-fitted steel pipe without the need for a separate secondary concrete structure. In addition, the ground indentation of the steel pipe is combined with the V-shaped induction angle to induce the steel pipe to be pressed horizontally in the non-refractive direction by inducing the indentation operation is easy and after the induction means is completed, the induction means is connected to the steel pipe It is to provide a unit steel pipe excavation device for the construction of railroads and roadway roads to increase the bearing capacity.

본 발명은 유닛강관을 이용하여 지하도 또는 터널을 굴착시 지지구조로 이용 함으로서 시공이 간단 용이하고, 공사비용의 절감과 공기를 단출하는 효과를 가지며, 또한 유닛 강관을 구성하는 강관의 일측에 절개부를 형성하여 개방시킴으로서 차후 유닛강관에 충전된 몰타르에 의해 각각의 강관과 유닛강관이 일체화되 구조물을 견고하게 유지하므로 지하도 및 터널을 굴착하기 위해 내부를 굴착시 2차 콘크리트 구조물을 설치할 필요가 없고 안전하게 공사를 실시하는 효과를 가지며, 본 발명의 강관의 절개부는 정육각형의 한변을 절단하여 강관의 절단되지 않은 타측에 형성된 V자형 유도 앵글에 절개부 상단부 안내되어 지중에 안입되도록 함으로서 유닛 강관이 압입시 방향이 틀어지는 것을 방지하여 압입된 유닛강관과 유닛강관이 밀착되도록 하여 2차 콘크리트 구조물을 설치하지 않더라도 안전성을 확보할 수 있도록 한 효과와, 특히, 본 발명은 유닛 강관 선단 상부에 노즐을 설치하여 굴착작업시 상부지반에 큰돌이 이탈되어 발생된 공극 또는 자연발생적으로 형성된 공극에 벤토나이트,시멘트, 황토로 혼합된 배합토를 노즐로 공급하여 공극을 메움으로써 상부 지반이 침하되는 것을 방지하는 효과를 갖는다.The present invention uses the unit steel pipe as a support structure when excavating an underground road or a tunnel, the construction is simple and easy, it has the effect of reducing the construction cost and blowing air, and also cuts in one side of the steel pipe constituting the unit steel pipe By forming and opening, each steel pipe and unit steel pipe are united by the mortar which is filled in the unit steel pipe in the future to maintain the structure firmly, so it is not necessary to install the secondary concrete structure when excavating the interior to excavate underground tunnels and tunnels. The cutting portion of the steel pipe of the present invention is to cut the one side of the regular hexagon to the V-shaped guide angle formed on the other side of the non-cut steel pipe is guided to the upper end of the incision to be inserted into the ground by the unit when the direction is pressed To prevent twisting so that the press-fitted unit steel pipe and the unit steel pipe come into close contact with each other. The effect of ensuring safety even without installing the secondary concrete structure, and in particular, the present invention by installing a nozzle on the top of the end of the unit steel pipe, the void or spontaneous occurrence caused by large stones are separated from the upper ground during excavation work By supplying the mixed soil mixed with bentonite, cement, and ocher to the formed pores through the nozzle, the pores are filled to fill the pores, thereby preventing the upper ground from sinking.

이하 본 발명의 실시 예를 상세히 설명하면 다음과 같다.Hereinafter, an embodiment of the present invention will be described in detail.

3개의 강관(11)을 길이 방향으로 용착하고 중앙부에 위치하는 강관(11)과 연결되도록 양측에 다수의 개방부(12) 및 절개부(15)를 형성한 유닛 강관(10)과: Unit steel pipe (10) formed with a plurality of openings (12) and cutouts (15) on both sides to weld three steel pipes (11) in the longitudinal direction and to be connected to the steel pipe (11) located in the center:

유닛강관 절개부의 타측에 설치되어 다른 유닛강관의 절개부(15) 상단부가 끼워져 굴절 없이 유도되도록 형성된 V자형의 유도앵글(50)과; A V-shaped guide angle 50 installed at the other side of the unit steel pipe cutout portion and formed so that the cutout portion 15 of the other unit steel pipe is inserted and guided without refraction;

유닛강관(10) 선단 상부에 설치되어 압인에 의해 굴착되도록 가이드공(22)과 굴착날(21)을 갖는 굴착 강판부재(20)와;An excavated steel sheet member 20 installed at an upper end of the unit steel pipe 10 and having a guide hole 22 and an excavation blade 21 to be excavated by stamping;

유닛강관 상단부에 설치된 굴착 강판 부재(20)를 전진시켜 굴착토록 하는 유압실린더(30)와;A hydraulic cylinder 30 for advancing and drilling the excavated steel sheet member 20 provided at the upper end of the unit steel pipe;

유닛강관(10)을 압입할 수 있도록 후단에 연결되어 강관추진기의 추진 유압실린더(30) 지지되도록 받침부재(40)가 설치된 구성이다.It is connected to the rear end so as to press the unit steel pipe 10 is a configuration that the support member 40 is installed to support the propulsion hydraulic cylinder 30 of the steel pipe propeller.

상기 유안실린더는 일측단은 굴착강관부재 선단 내측에 연결되고 다른 일측은 유닛강관(10)의 내측에 연결되어 굴착 강판부재(20)를 전진시킬 수 있도록 구 성된다. The yuan cylinder is configured so that one end is connected to the inside of the end of the drilled steel pipe member and the other side is connected to the inside of the unit steel pipe 10 to advance the drilled steel sheet member (20).

상기 굴착강판부재(20)는 양측에 가이드공(22)이 설치되고 가이드공(22)은 유닛강관(10)의 선단 외면에 용착된 고정구(13)가 끼워진 것을 특징으로 한다. The excavated steel sheet member 20 is a guide hole 22 is installed on both sides and the guide hole 22 is characterized in that the fixing fixture 13 is welded to the outer surface of the front end of the unit steel pipe (10).

상기 굴착 강판부재(20)의 선단에 형성된 다수의 굴착날(21)은 텅스텐 등의 초경으로 이루어진 것을 특징으로한다.The plurality of excavation blades 21 formed at the tip of the excavated steel sheet member 20 is made of cemented carbide, such as tungsten.

상기 유닛강관 선단 상부 일측에는 노즐(70)을 설치하여 굴착시 발생된 공극에 벤토나이트,시멘트, 황토로 혼합된 배합토를 공급하여 공극을 메움울 수 있도록 구성된 것을 특징으로 한다.The nozzle unit 70 is installed at the upper end of the unit steel pipe to supply a mixed soil mixed with bentonite, cement, and loess to voids generated during excavation to fill the voids.

이와 같이 구성된 본 발명을 첨부도면에 의거하여 상세히 설명하면 다음과 같다. The present invention configured as described above will be described in detail with reference to the accompanying drawings.

도1은 본 발명의 유닛강관과 굴착 강판부재의 결합상태 사시도로서, 원형의 강관(11) 3개를 길이방향의 용착시키되 강관과 강관이 용착되는 면은 2중으로 겹치지 않도록 강관(11)의 우측부를 절개시켜 절개부(15)를 형성하고 이의 절개부에 절개되지 않은측의 강관면이 대응되도록 용착하여 유닛강관(10)을 형성한다.1 is a perspective view of a combined state of the unit steel pipe and the excavated steel sheet member of the present invention, in which three circular steel pipes 11 are welded in the longitudinal direction, but the surfaces on which the steel pipes and steel pipes are welded are not overlapped in duplicate to the right side of the steel pipe 11. The cut portion is formed to form the cutout portion 15, and the steel pipe surface on the side of the cutout portion is welded to correspond to the cut portion to form the unit steel pipe 10.

상기와 같이 강관 일측에 절개부를 형성하여 연결함으로써 강관에 몰타르를 충진하면 유닛강관이 몰타르에 의해 일체화할 수 있다.As described above, when the incision is formed on one side of the steel pipe and the mortar is filled in the steel pipe, the unit steel pipe can be integrated by the mortar.

본 발명에서 지칭되는 유닛강관은 강관(11) 3개를 결합한 것을 말한다. The unit steel pipe referred to in the present invention refers to a combination of three steel pipes (11).

상기 유닛강관(10)의 중앙에 위치한 강관은 양측으로 연통되도록 다수의 개방부(12)를 형성하여 굴착되는 흙을 중앙 부에 위치한 강관 내로 옮겨 중앙에 위치한 강관의 스크류에 의해 후미로 이송될 수 있도록 한다.The steel pipe located in the center of the unit steel pipe 10 forms a plurality of openings 12 so as to communicate with both sides to move the excavated soil into the steel pipe located in the center portion can be transported to the rear by the screw of the steel pipe located in the center. Make sure

또한 유닛강관 선단 상부에는 앞쪽에 다수의 굴착날(21)이 형성된 굴착강판부재(20)를 결합한다.In addition, the upper end of the unit steel pipe is coupled to the excavation steel sheet member 20 is formed with a plurality of excavation blade 21 in front.

상기 굴착 강판부재(20)는 양측에 가이드공(10)이 형성되고 이의 가이드 공에는 고정구(13)가 삽입되되 고정구(13)는 하부의 강관에 용착된 상태이다.The excavated steel sheet member 20 has guide holes 10 formed at both sides thereof, and the fixture 13 is inserted into the guide hole thereof, and the fixture 13 is welded to the lower steel pipe.

상기 굴착강판부재의 선단에 형성된 굴착날(21)은 쉽게 마모되는 것을 방지하기 위해 텅스텐 등으로 이루어진 초경으로 형성한다.The excavation blade 21 formed at the tip of the excavation steel sheet member is formed of cemented carbide, such as tungsten, to prevent wear.

또한 굴착 강판부재 선단 저면과 유닛강관 선단저면에 유압실린더(30)를 설치하여 굴착시 유압실린더(30)로 굴착 강판부재(20)를 전진시켜 굴착날(21)이 지중으로 압입굴착되도록 한다. In addition, the hydraulic cylinder 30 is installed on the bottom end surface of the excavated steel sheet member and the end surface of the unit steel pipe to advance the excavated steel sheet member 20 to the hydraulic cylinder 30 during the excavation, so that the excavation blade 21 is press-fitted into the ground.

도2는 본 발명의 유닛강관과 굴착 강판부재가 결합된 상태의 평면도로서, 본 발명의 유닛강판(10)의 후미에는 받침부재(40)가 설치되고, 유닛강관(10)의 선단 상부에는 굴착 강판부재(20)가 설치된다. 따라서, 본 발명은 굴착하기 위해서는 일측에 반력벽이 설치되고 반력벽 일측에는 강관추진기가 설치되면 강관 추 진기의 추진 유안실린더는 유닛강관 후미에 연결된 받침부재(40)와 연결된다.Figure 2 is a plan view of the unit steel pipe and the excavated steel sheet member of the present invention, the support member 40 is installed at the rear of the unit steel plate 10 of the present invention, the upper end of the unit steel pipe 10 is excavated Steel plate member 20 is installed. Therefore, in the present invention, when the reaction wall is installed on one side and the steel pipe propeller is installed on one side of the reaction wall, the propellant cylinder of the steel pipe propeller is connected to the supporting member 40 connected to the rear of the unit steel pipe.

따라서, 유압실린더(30)로 굴착강판 부재(20)를 전진시켜 지중을 굴착한 후 강관 추진기의 추진 유압실린더로 받침부재(40)를 밀면 받침부재(40)에 의해 유닛강관이 전진된다. 이와 같은 시공방법을 반복하여 철길 또는 도로의 지하 차도를 시공하게 된다. Therefore, when the drilling steel sheet member 20 is advanced by the hydraulic cylinder 30 to excavate the ground, the unit steel pipe is advanced by the supporting member 40 when the supporting member 40 is pushed by the propulsion hydraulic cylinder of the steel pipe propeller. This construction method is repeated to construct underground roadways of railroad tracks or roads.

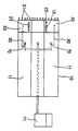
도3은 본 발명의 유닛강관 선단에 설치된 굴착 강판부재를 유압실린더로 압입하는 상태를 나타낸 단면도로서, 유압실린더를 이용하여 굴착 강판부재를 전진시 켜 굴착날로 지중을 압입하여 굴착한다.3 is a cross-sectional view showing a state in which the drilled steel sheet member installed at the tip of the unit steel pipe of the present invention is press-fitted into the hydraulic cylinder, using the hydraulic cylinder to advance the drilled steel sheet member to press the ground by the excavation blade to excavate.

상기 유압실린더 일측단은 굴착강판부재 선단 내면에 연결되고 유압실린더 다른측 단은 유닛강관(10)의 선단 내면에 설치되어 유압실린더가 작동시 굴착강판부재가 전진하며 가이드공(22)은 고정구(13)에 지지되어 앞으로 이동한다. The one end of the hydraulic cylinder is connected to the inner surface of the end of the drilling steel sheet member, the other end of the hydraulic cylinder is installed on the inner surface of the front end of the unit steel pipe (10) when the hydraulic cylinder is operated, the guide steel plate is advanced, the guide hole 22 is a fixture ( 13) to move forward.

도4는 본 발명의 유닛강관을 지중에 압인시 유닛강관과 유닛강관을 연결한 상태를 나타낸 발취구성도로서, 본 발명은 철길 또는 도로의 지하 차도를 굴착시 터널벽을 형성하기 위한 강관을 타설하게 되는데 이를 효율적으로 진행하기 위해 3개의 강관을 연결하여 경합하여 유닛강관(10)을 형성함으로 유닛강관 타설시 3개의 강관이 압입되도록 한다.4 is a drawing configuration showing a state in which the unit steel pipe and the unit steel pipe is connected when the unit steel pipe of the present invention is pressed in the ground, the present invention pours a steel pipe for forming a tunnel wall when excavating the underground roadway of a railroad or road In order to proceed efficiently, the three steel pipes are connected to compete to form a unit steel pipe 10 so that three steel pipes are press-fitted when unit steel pipes are placed.

본 발명의 유닛강관을 결합시 각각의 강관 우측부를 절개한다. 이때 절개되는 크기는 도4에 도시된 바와 같이 강관의 종단면을 정육면체로 구획(도4의 일점쇄선 육각형 참조)하여 우측의 수직변 높이 만큼 절개부(15)를 형성한다. When combining the unit steel pipe of the present invention, the right portion of each steel pipe is cut. In this case, as shown in FIG. 4, the longitudinal section of the steel pipe is partitioned into a cube (see a dashed-dotted hexagon in FIG. 4) to form an incision 15 by the height of the vertical side of the right side.

이와 같이 강관의 일측면이 절대되면 다른 강관의 절개되지 않은 죄측면 부분이 대응되는 절개부로 삽입 용착되는 방법으로 3개의 강관을 연결한다.As such, when one side of the steel pipe is absolutely connected, the three steel pipes are connected in such a way that the non-dissected sin side portions of the other steel pipes are inserted and welded into corresponding incisions.

상기와 같이 3개의 강관을 연결한 후에는 죄측에 위치한 강관 죄측 상하단부에 V자형의 유도앵글(50)을 설치한다. After connecting three steel pipes as described above, the V-shaped guide angle 50 is installed at the upper and lower ends of the steel pipe on the sin side.

상기 V자형의 유도앵글(50)은 지중에 유닛강관(10)을 박은 후 다시 다른 유닛강관을 박을 때 우측의 절개된 강관이 끼워져 압입되는 유닛강관을 유도하여 동일한 수평방향으로 압입되도록 하여 먼저 박힌 유닛강관과 차후에 막히는 유닛강관이 서로 밀착대응되어 상부의 토압을 지지할 수 있도록 한다. The V-shaped guide angle 50 drives the unit steel pipe 10 in the ground and then drives another unit steel pipe to guide the unit steel pipe that is inserted into the indented steel pipe to be press-fitted in the same horizontal direction. The embedded unit steel pipe and the subsequently blocked unit steel pipe correspond closely to each other to support the earth pressure of the upper part.

도5는 본 발명의 유닛강관 선단에 설치되는 굴착 강판부재의 연결구성도로서, 도5는 굴착 강판부재의 평면과 강관에 연결된 종단면을 도시한 것이다.FIG. 5 is a connection configuration diagram of an excavated steel sheet member installed at the end of a unit steel pipe of the present invention, and FIG. 5 illustrates a longitudinal section connected to a plane of the excavated steel sheet member and a steel pipe.

3개로 연결된 유닛강관(10)의 선단 상부에 굴착 강판부재(20)를 결합하되 굴착 강판부재 양측 단면은 대응된 강관의 곡면에 밀착되지 않고 이격되도록 형성된다.Couple the excavated steel sheet member 20 to the top of the front end of the three unit steel pipe 10 is connected to each other, the cross section of the excavated steel sheet member is formed so as not to be in close contact with the curved surface of the corresponding steel pipe.

상기 굴착 강판 부재의 양측 면을 강관에 밀착되지 않고 이격되도록 형성한 것은 V형태의 유도앵글(50)에 다른 유닛앵글(10)이 용이하게 연결될 수 있도록 한 것이다. Both sides of the excavated steel sheet members are formed to be spaced apart from each other without being in close contact with the steel pipe so that the other unit angles 10 can be easily connected to the V-shaped guide angle 50.

도6은 본 발명에 따른 실시 예로서 철길 및 도로의 지하 차도를 설치하기 위해 설치된 유닛강관 설치 실시 예로서, 먼저 굴착하고자하는 철길 및 도로의 굴착지반 선정이 끝나면 굴착하고자하는 터널의 외벽위치에 유닛강관을 박는다. 이때 유닛강관은 터널이 형성되는 외벽위치보다 더 넓게 설치하되 유닛강관과 유닛강관은 도6과 같이 밀착되도록 설치되어 상부의 토압을 지지할 수 있도록 함으로서 별도의 지지부재를 설치하지 않고 유닛강관이 설치된 내측을 굴착하여 터널 및 지하도를 시공할 수 있다. Figure 6 is an embodiment of the unit steel pipe installed to install the underground roadway of the railway tracks and roads as an embodiment according to the present invention, first, after the selection of the excavation ground of the railroads and roads to be excavated unit in the outer wall position of the tunnel to be excavated Put a steel pipe In this case, the unit steel pipe is installed wider than the outer wall where the tunnel is formed, but the unit steel pipe and the unit steel pipe are installed to be in close contact as shown in FIG. 6 to support the earth pressure of the upper part, so that the unit steel pipe is not installed. Tunnels and underpass can be constructed by digging inside.

도7은 본 발명에 따른 실시 예로서 유닛강관 선단 일측 상부에 노즐을 설치하여 굴착되는 상부토사층의 공극을 메울 수 있도록 한 예시도이다.Figure 7 is an exemplary view to fill the voids of the upper soil layer to be excavated by installing a nozzle on the upper end of the unit steel pipe as an embodiment according to the present invention.

상기 도7은 유닛강관을 이용하여 굴착시 상부 노면과 굴착되는 유닛강관과의 거리는 50㎝정도가 됨으로 굴착되는 부분에 큰돌이 박혀 있다 굴착되는 과정에서 이탈되어 공극이 형성되는 경우 상부의 노면에 침하가 발생됨으로 이의 공극부에 벤토나이트, 시멘트, 황토를 혼합한 배합토를 펌프(71)로 공급하여 노즐(70)에서 분사시켜 공극부를 메울수 있도록 함으로 지반침하를 방지할 수 있다.7 shows that the distance between the upper road surface and the unit steel pipe to be excavated using the unit steel pipe is about 50 cm, and large stones are embedded in the excavated portion. As it is generated, it is possible to prevent ground subsidence by supplying a mixed soil in which bentonite, cement, and ocher are mixed to the air gap to the pump 71 to spray the nozzle 70 to fill the air gap.

상기 유닛강관으로 굴착시 발생된 공극부는 통상의 내시경 또는 유관으로 확인하여 그때 그때 펌프(71)를 작동시킬 수 있게 된다. The air gap generated during the excavation into the unit steel pipe can be confirmed by a normal endoscope or an oil pipe, and then the pump 71 can be operated at that time.

또한, 유닛강관 상부에 설치되는 노즐(70)은 몰타르를 분사할 수 있는 노즐을 사용하고, 펌프(71)와 노즐(70)은 관으로 연결하고 벤토나이트, 시멘트, 황토를 혼합한 배합토는 유닛강관 후면에 설치된 배합기계의 펌프(71)에 의해 공급된다. In addition, the nozzle 70 is installed in the upper unit steel pipe using a nozzle capable of spraying the mortar, the pump 71 and the nozzle 70 is connected to the pipe and the mixed soil mixed with bentonite, cement, loess is unit steel pipe It is supplied by the pump 71 of the compounding machine installed in the rear side.

상기 배합토를 분사하는 노즐(70)은 유닛강관 상부 선단에 설치하되 굴착 강판부재(20)이 이동하는데 방해가 되지 않도록 설치된다.The nozzle 70 for spraying the blended soil is installed at the upper end of the unit steel pipe but is installed so as not to interfere with the movement of the excavated steel sheet member 20.

또한 배합토를 이송시키는 펌프(71)는 배합기계가 일체로 형성되어 벤토나이트, 시멘트, 황토를 혼합하고, 혼합된 배합토는 펌프에 의해 노즐로 이송된다. 이때 펌프의 압력은 상주에 위치한 지반이 손상되지 않는 범위의 압력으로 배합토를 이송시켜 공극을 메우게 된다.In addition, the pump 71 for conveying the blended soil is formed by mixing the blending machine is integrally mixed with bentonite, cement, ocher, the mixed blended soil is transferred to the nozzle by the pump. At this time, the pressure of the pump fills the void by transferring the compounding soil to a pressure in the range in which the ground located in the resident is not damaged.

도1은 본 발명의 유닛강관과 굴착 강판부재의 결합상태 사시도.1 is a perspective view of a combined state of the unit steel pipe and the excavated steel sheet member of the present invention.

도2는 본 발명의 유닛강관과 굴착 강판부재가 결합된 상태의 평면도.Figure 2 is a plan view of the unit steel pipe and the excavated steel sheet member of the present invention coupled.

도3은 본 발명의 유닛강관 선단에 설치된 굴착 강판부재를 유압실린더로 압입하는 상태를 나타낸 단면도.3 is a cross-sectional view showing a state in which the drilled steel sheet member installed on the end of the unit steel pipe of the present invention is pressed into the hydraulic cylinder.

도4는 본 발명의 유닛강관을 지중에 압인시 유닛강관과 유닛강관을 연결한 상태를 나타낸 발취구성도. Figure 4 is an extractable configuration showing a state in which the unit steel pipe and the unit steel pipe when the unit of the steel pipe stamped in the ground.

도5는 본 발명의 유닛강관 선단에 설치되는 굴착 강판부재의 연결구성도.Figure 5 is a connection configuration of the excavated steel sheet member installed on the end of the unit steel pipe of the present invention.

도6은 본 발명에 따른 실시 예로서 철길 및 도로의 지하 차도를 설치하기 위해 설치된 유닛강관의 설치 예시도. 6 is an exemplary installation diagram of a unit steel pipe installed to install an underground roadway of railroads and roads as an embodiment according to the present invention.

도7은 본 발명에 따른 실시 예로서 유닛강관 선단 일측 상부에 노즐을 설치하여 굴착되는 상부토사층의 공극을 메울 수 있도록 한 예시도.Figure 7 is an exemplary embodiment in order to fill the voids of the upper soil layer to be excavated by installing a nozzle on the upper end of the unit steel pipe as an embodiment according to the present invention.

<도면의 주요 부분 에 대한 부호 설명><Description of the symbols for the main parts of the drawings>

10:유닛강관 11:강관10: unit steel pipe 11: steel pipe

12:개방부 13:고정구12: Opening department 13: Fixed mouth

15:절개부 20:굴착 강판부재15: Incision 20: Excavated steel sheet member

21:굴착날 22:가이드공21: Excavation day 22: Guide ball

30:유압실린더 40:받침부재30: hydraulic cylinder 40: support member

50:유도앵글 60:추진유압실린더50: guide angle 60: propulsion hydraulic cylinder

70:노즐 71:펌프70: nozzle 71: pump

Claims (6)

철길 및 도로지하차도의 시공을 위한 유닛강관 굴착장치에 있어서,In the unit steel pipe excavation device for the construction of railroads and roadways, 3개의 강관(11)을 길이 방향으로 용착하고 중앙부에 위치하는 강관(11)과 연결되도록 양측에 다수의 개방부(12) 및 절개부(15)를 형성한 유닛 강관(10)과: Unit steel pipe (10) formed with a plurality of openings (12) and cutouts (15) on both sides to weld three steel pipes (11) in the longitudinal direction and to be connected to the steel pipe (11) located in the center: 유닛강관 절개부의 타측에 설치되어 다른 유닛강관의 절개부(15) 상단부가 끼워져 굴절 없이 유도되도록 형성된 V자형의 유도앵글(50)과; A V-shaped guide angle 50 installed at the other side of the unit steel pipe cutout portion and formed so that the cutout portion 15 of the other unit steel pipe is inserted and guided without refraction; 유닛강관(10) 선단 상부에 설치되어 압인에 의해 굴착되도록 가이드공(22)과 굴착날(21)을 갖는 굴착 강판부재(20)와;An excavated steel sheet member 20 installed at an upper end of the unit steel pipe 10 and having a guide hole 22 and an excavation blade 21 to be excavated by stamping; 유닛강관 상단부에 설치된 굴착 강판 부재(20)를 전진시켜 굴착토록 하는 유압실린더(30)와;A hydraulic cylinder 30 for advancing and drilling the excavated steel sheet member 20 provided at the upper end of the unit steel pipe; 유닛강관(10)을 압입할 수 있도록 후단에 연결되어 강관추진기의 추진 유압실린더(30) 지지되도록 받침부재(40)가 구성된 것을 특징으로 하는 철길 및 도로지하차도의 시공을 위한 유닛강관 굴착장치.Unit steel pipe excavation device for the construction of railroads and roads underground road, characterized in that the support member 40 is configured to be connected to the rear end so as to press-in the unit steel pipe 10 is supported by the propulsion hydraulic cylinder 30 of the steel pipe propeller. 제1항에 있어서,The method of claim 1, 유압실린더는 일측단은 굴착 강관부재 선단 내측에 연결되고 다른 일측은 유닛강관(10)의 내측에 연결되어 굴착 강판부재(20)를 전진시킬 수 있도록 구성된 것을 특징으로 하는 철길 및 도로지하차도의 시공을 위한 유닛강관 굴착장치.Construction of the rail road and roadway road, characterized in that the hydraulic cylinder is configured so that one end is connected to the inside of the end of the excavated steel pipe member and the other side is connected to the inside of the unit steel pipe 10 to advance the excavated steel sheet member 20 Unit steel pipe rig for 제1항에 있어서,The method of claim 1, 굴착 강판부재(20)는 양측에 가이드공(22)이 설치되고 가이드공(22)은 유닛강관(10)의 선단 외면에 용착된 고정구(13)가 끼워져 가이드공이 이동될 수 있도록 구성된 것을 특징으로 하는 철길 및 도로지하차도의 시공을 위한 유닛강관 굴착장치.The excavated steel sheet member 20 is provided with guide holes 22 on both sides, and the guide hole 22 is configured such that the guide hole is inserted into the fixture 13 welded to the outer surface of the front end of the unit steel pipe 10. Unit steel pipe excavation device for the construction of roads and underground roads. 제1항에 있어서,The method of claim 1, 굴착 강판부재(20)의 선단에 형성된 다수의 굴착날(21)은 텅스텐 등의 초경으로 이루어진 것을 특징으로 하는 철길 및 도로지하차도의 시공을 위한 유닛강관 굴착장치.A plurality of excavation blade 21 formed at the tip of the excavated steel sheet member 20 is a unit steel pipe excavation device for the construction of railroads and roads underground road, characterized in that consisting of cemented carbide, such as tungsten. 제1항에 있어서,The method of claim 1, 유닛강관은 선단 상부 일측에 노즐(70)을 설치하여 굴착시 발생된 공극에 벤토나이트,시멘트, 황토로 혼합된 배합토를 공급하여 공극을 메울 수 있도록 구성된 것을 특징으로 하는 철길 및 도로 지하차도의 시공을 위한 유닛강관 굴착장치.Unit steel pipe is installed on the upper end of the nozzle 70 to supply the mixed soil mixed with bentonite, cement, ocher to the voids generated during the excavation of the railroad and road underground road construction, characterized in that configured to fill the voids Unit for steel pipe drilling equipment. 철길 및 도로지하차도의 시공을 위한 유닛강관 굴착장치에 있어서,In the unit steel pipe excavation device for the construction of railroads and roadways, 3개의 강관(11)을 길이 방향으로 용착하고 중앙부에 위치하는 강관(11)과 연결되도록 양측에 다수의 개방부(12) 및 절개부(15)를 형성한 유닛 강관(10)과: Unit steel pipe (10) formed with a plurality of openings (12) and cutouts (15) on both sides to weld three steel pipes (11) in the longitudinal direction and to be connected to the steel pipe (11) located in the center: 유닛강관 절개부의 타측에 설치되어 다른 유닛강관의 절개부(15) 상단부가 끼워져 굴절 없이 유도되도록 형성된 V자형의 유도앵글(50)과; A V-shaped guide angle 50 installed at the other side of the unit steel pipe cutout portion and formed so that the cutout portion 15 of the other unit steel pipe is inserted and guided without refraction; 유닛강관(10) 선단 상부에 설치되어 압인에 의해 굴착되도록 가이드공(22)과 굴착날(21)을 갖는 굴착 강판부재(20)와;An excavated steel sheet member 20 installed at an upper end of the unit steel pipe 10 and having a guide hole 22 and an excavation blade 21 to be excavated by stamping; 유닛강관 상단부에 설치된 굴착 강판 부재(20)를 전진시켜 굴착토록 하는 유압실린더(30)와;A hydraulic cylinder 30 for advancing and drilling the excavated steel sheet member 20 provided at the upper end of the unit steel pipe; 유닛강관(10)을 압입할 수 있도록 후단에 연결되어 강관추진기의 추진 유압실린더(30) 지지되도록 받침부재(40)가 구성된 것을 특징으로 하는 철길 및 도로지하차도의 시공을 위한 유닛강관 굴착장치를 이용하여 토피의 공극을 충진시키면서 지하차도를 시공하는 방법Unit steel pipe excavation device for the construction of the railroad and road underground road, characterized in that the support member 40 is connected to the rear end so as to press-fit the unit steel pipe 10 is configured to support the propulsion hydraulic cylinder 30 of the steel pipe propeller. How to construct underground driveway while filling the void of toffee
KR1020070121331A 2007-11-27 2007-11-27 The unit metal tubing constructing system for the railroad track and the road underground driveway Expired - Fee Related KR100849698B1 (en)

Priority Applications (1)

Application Number Priority Date Filing Date Title
KR1020070121331A KR100849698B1 (en) 2007-11-27 2007-11-27 The unit metal tubing constructing system for the railroad track and the road underground driveway

Applications Claiming Priority (1)

Application Number Priority Date Filing Date Title
KR1020070121331A KR100849698B1 (en) 2007-11-27 2007-11-27 The unit metal tubing constructing system for the railroad track and the road underground driveway

Publications (2)

Publication Number Publication Date
KR20080021574A true KR20080021574A (en) 2008-03-07
KR100849698B1 KR100849698B1 (en) 2008-07-31

Family

ID=39395984

Family Applications (1)

Application Number Title Priority Date Filing Date
KR1020070121331A Expired - Fee Related KR100849698B1 (en) 2007-11-27 2007-11-27 The unit metal tubing constructing system for the railroad track and the road underground driveway

Country Status (1)

Country Link
KR (1) KR100849698B1 (en)

Cited By (3)

* Cited by examiner, † Cited by third party
Publication number Priority date Publication date Assignee Title
KR100883222B1 (en) * 2008-02-26 2009-02-13 윤인병 Steel pipe loop structure construction method
KR100920256B1 (en) * 2008-11-26 2009-10-05 주식회사 홍익기술단 Tip indentation device of steel pipe loop structure
KR100983114B1 (en) * 2008-05-15 2010-09-17 (주)경동기술공사 Tip indentation device of steel pipe loop structure

Families Citing this family (1)

* Cited by examiner, † Cited by third party
Publication number Priority date Publication date Assignee Title
KR100881021B1 (en) 2008-03-21 2009-01-30 주식회사 동호 Construction method of excavation device and underground passage space using unit steel structure and unit steel structure for construction of underground passage space

Family Cites Families (2)

* Cited by examiner, † Cited by third party
Publication number Priority date Publication date Assignee Title
KR100556531B1 (en) * 2005-11-09 2006-03-06 이창원 Unit steel pipes for the construction of railway tracks and underground roadways and construction methods for railway tracks and underground roads using them
KR200415508Y1 (en) * 2006-02-23 2006-05-03 한미기초개발주식회사 Steel pipe roof structure

Cited By (3)

* Cited by examiner, † Cited by third party
Publication number Priority date Publication date Assignee Title
KR100883222B1 (en) * 2008-02-26 2009-02-13 윤인병 Steel pipe loop structure construction method
KR100983114B1 (en) * 2008-05-15 2010-09-17 (주)경동기술공사 Tip indentation device of steel pipe loop structure
KR100920256B1 (en) * 2008-11-26 2009-10-05 주식회사 홍익기술단 Tip indentation device of steel pipe loop structure

Also Published As

Publication number Publication date
KR100849698B1 (en) 2008-07-31

Similar Documents

Publication Publication Date Title
KR20090100867A (en) Unit steel pipe excavation device and construction method for underground road construction of road
KR20170102397A (en) The Tunnel construction method to use retangular pipe
KR100849698B1 (en) The unit metal tubing constructing system for the railroad track and the road underground driveway
JP4990206B2 (en) Structure of underground structure and its construction method
JP4230386B2 (en) Tube unit
KR101018889B1 (en) Horizontal drilling device and construction method of non-adhesive underpastel using the same
KR100920256B1 (en) Tip indentation device of steel pipe loop structure
JP3889750B2 (en) Face stabilization method in underground structure construction method
KR100948059B1 (en) Constructing method for widening road using steel casing retaining wall
JP2008057184A (en) Method of constructing underground wall by using h-shaped pc pile
KR101156613B1 (en) The Construction Method of Shield Tunneling for long distacne
KR20010038697A (en) Head jacking shield tunneling apparatus and method
KR100784201B1 (en) Tunnel construction method using steel pipe loop structure in rock section
KR200175135Y1 (en) Head jacking shield tunneling apparatus
KR100955689B1 (en) Unit steel pipe excavation device with earth and sand removal screw for construction of rail road and underground road
KR102048831B1 (en) Non-excavation type tunnel structure using steel pipe loof and leading pipe and method of constructing thereof
KR20200019333A (en) Tunneling machine for non-open cut type to install excavation device
JP4736026B2 (en) Arch support construction method and apparatus for widening tunnel
KR102243586B1 (en) Two-side semicircle arch type leading pipe and structure of non-excavation type tunnel using thereof and method of constructing thereof
CN115726386A (en) A prefabricated caisson and its construction method
KR20100135525A (en) Unopened Tunnel Excavation Method by Progressive Propulsion Excavation and Its Structure
JP3894423B2 (en) Promotion method
JP4322688B2 (en) Construction method of large section tunnel
JP4731317B2 (en) How to build an underpass
KR102686751B1 (en) Tbm .

Legal Events

Date Code Title Description
PA0109 Patent application

St.27 status event code: A-0-1-A10-A12-nap-PA0109

A201 Request for examination
A302 Request for accelerated examination
PA0201 Request for examination

St.27 status event code: A-1-2-D10-D11-exm-PA0201

PA0302 Request for accelerated examination

St.27 status event code: A-1-2-D10-D17-exm-PA0302

St.27 status event code: A-1-2-D10-D16-exm-PA0302

G15R Request for early publication
PG1501 Laying open of application

St.27 status event code: A-1-1-Q10-Q12-nap-PG1501

E902 Notification of reason for refusal
PE0902 Notice of grounds for rejection

St.27 status event code: A-1-2-D10-D21-exm-PE0902

T11-X000 Administrative time limit extension requested

St.27 status event code: U-3-3-T10-T11-oth-X000

P11-X000 Amendment of application requested

St.27 status event code: A-2-2-P10-P11-nap-X000

P13-X000 Application amended

St.27 status event code: A-2-2-P10-P13-nap-X000

E701 Decision to grant or registration of patent right
GRNT Written decision to grant
PE0701 Decision of registration

St.27 status event code: A-1-2-D10-D22-exm-PE0701

PR0701 Registration of establishment

St.27 status event code: A-2-4-F10-F11-exm-PR0701

PR1002 Payment of registration fee

St.27 status event code: A-2-2-U10-U11-oth-PR1002

Fee payment year number: 1

PG1601 Publication of registration

St.27 status event code: A-4-4-Q10-Q13-nap-PG1601

R18-X000 Changes to party contact information recorded

St.27 status event code: A-5-5-R10-R18-oth-X000

PR1001 Payment of annual fee

St.27 status event code: A-4-4-U10-U11-oth-PR1001

Fee payment year number: 4

PN2301 Change of applicant

St.27 status event code: A-5-5-R10-R11-asn-PN2301

PN2301 Change of applicant

St.27 status event code: A-5-5-R10-R14-asn-PN2301

J204 Request for invalidation trial [patent]
PJ0204 Invalidation trial for patent

St.27 status event code: A-5-5-V10-V11-apl-PJ0204

J206 Request for trial to confirm the scope of a patent right
PJ0206 Trial to confirm the scope of a patent

St.27 status event code: A-5-5-V10-V11-apl-PJ0206

PR1001 Payment of annual fee

St.27 status event code: A-4-4-U10-U11-oth-PR1001

Fee payment year number: 5

J121 Written withdrawal of request for trial
PJ1201 Withdrawal of trial

St.27 status event code: A-5-5-V10-V13-apl-PJ1201

PN2301 Change of applicant

St.27 status event code: A-5-5-R10-R11-asn-PN2301

R18-X000 Changes to party contact information recorded

St.27 status event code: A-5-5-R10-R18-oth-X000

PN2301 Change of applicant

St.27 status event code: A-5-5-R10-R14-asn-PN2301

S17-X000 Non-exclusive voluntary license recorded

St.27 status event code: A-4-4-S10-S17-lic-X000

PN2301 Change of applicant

St.27 status event code: A-5-5-R10-R11-asn-PN2301

PN2301 Change of applicant

St.27 status event code: A-5-5-R10-R14-asn-PN2301

FPAY Annual fee payment

Payment date: 20140117

Year of fee payment: 6

PR1001 Payment of annual fee

St.27 status event code: A-4-4-U10-U11-oth-PR1001

Fee payment year number: 6

FPAY Annual fee payment

Payment date: 20140725

Year of fee payment: 7

PR1001 Payment of annual fee

St.27 status event code: A-4-4-U10-U11-oth-PR1001

Fee payment year number: 7

PN2301 Change of applicant

St.27 status event code: A-5-5-R10-R11-asn-PN2301

R18-X000 Changes to party contact information recorded

St.27 status event code: A-5-5-R10-R18-oth-X000

S19-X000 Recordation of non-exclusive voluntary license cancelled

St.27 status event code: A-4-4-S10-S19-lic-X000

PN2301 Change of applicant

St.27 status event code: A-5-5-R10-R14-asn-PN2301

S17-X000 Non-exclusive voluntary license recorded

St.27 status event code: A-4-4-S10-S17-lic-X000

FPAY Annual fee payment

Payment date: 20150721

Year of fee payment: 8

PR1001 Payment of annual fee

St.27 status event code: A-4-4-U10-U11-oth-PR1001

Fee payment year number: 8

R18-X000 Changes to party contact information recorded

St.27 status event code: A-5-5-R10-R18-oth-X000

P22-X000 Classification modified

St.27 status event code: A-4-4-P10-P22-nap-X000

FPAY Annual fee payment

Payment date: 20160725

Year of fee payment: 9

PR1001 Payment of annual fee

St.27 status event code: A-4-4-U10-U11-oth-PR1001

Fee payment year number: 9

FPAY Annual fee payment

Payment date: 20180125

Year of fee payment: 10

PR1001 Payment of annual fee

St.27 status event code: A-4-4-U10-U11-oth-PR1001

Fee payment year number: 10

R18-X000 Changes to party contact information recorded

St.27 status event code: A-5-5-R10-R18-oth-X000

LAPS Lapse due to unpaid annual fee
PC1903 Unpaid annual fee

St.27 status event code: A-4-4-U10-U13-oth-PC1903

Not in force date: 20180726

Payment event data comment text: Termination Category : DEFAULT_OF_REGISTRATION_FEE

P22-X000 Classification modified

St.27 status event code: A-4-4-P10-P22-nap-X000

PC1903 Unpaid annual fee

St.27 status event code: N-4-6-H10-H13-oth-PC1903

Ip right cessation event data comment text: Termination Category : DEFAULT_OF_REGISTRATION_FEE

Not in force date: 20180726