JPWO2011048704A1 - ダンパー形式の減衰機構を備えた免震装置。 - Google Patents
ダンパー形式の減衰機構を備えた免震装置。 Download PDFInfo
- Publication number
- JPWO2011048704A1 JPWO2011048704A1 JP2011537081A JP2011537081A JPWO2011048704A1 JP WO2011048704 A1 JPWO2011048704 A1 JP WO2011048704A1 JP 2011537081 A JP2011537081 A JP 2011537081A JP 2011537081 A JP2011537081 A JP 2011537081A JP WO2011048704 A1 JPWO2011048704 A1 JP WO2011048704A1
- Authority
- JP
- Japan
- Prior art keywords
- seismic isolation
- isolation device
- cylindrical material
- linear steel
- damping mechanism
- Prior art date
- Legal status (The legal status is an assumption and is not a legal conclusion. Google has not performed a legal analysis and makes no representation as to the accuracy of the status listed.)
- Granted
Links
- 230000007246 mechanism Effects 0.000 title claims abstract description 56
- 238000013016 damping Methods 0.000 title claims abstract description 51
- 238000002955 isolation Methods 0.000 title claims abstract description 25
- 239000000463 material Substances 0.000 claims abstract description 93
- 229910000831 Steel Inorganic materials 0.000 claims abstract description 34
- 239000010959 steel Substances 0.000 claims abstract description 34
- 238000006073 displacement reaction Methods 0.000 claims description 8
- 238000004804 winding Methods 0.000 claims description 4
- 238000010521 absorption reaction Methods 0.000 abstract description 13
- 230000001629 suppression Effects 0.000 abstract 1
- 238000000034 method Methods 0.000 description 7
- 230000005540 biological transmission Effects 0.000 description 2
- 230000003139 buffering effect Effects 0.000 description 2
- 230000006866 deterioration Effects 0.000 description 2
- 238000005516 engineering process Methods 0.000 description 2
- 238000004519 manufacturing process Methods 0.000 description 2
- 230000000452 restraining effect Effects 0.000 description 2
- 238000005096 rolling process Methods 0.000 description 2
- 239000006096 absorbing agent Substances 0.000 description 1
- 238000005452 bending Methods 0.000 description 1
- 230000000903 blocking effect Effects 0.000 description 1
- 238000004364 calculation method Methods 0.000 description 1
- 230000008878 coupling Effects 0.000 description 1
- 238000010168 coupling process Methods 0.000 description 1
- 238000005859 coupling reaction Methods 0.000 description 1
- 238000005520 cutting process Methods 0.000 description 1
- 238000013461 design Methods 0.000 description 1
- 238000011161 development Methods 0.000 description 1
- 238000007689 inspection Methods 0.000 description 1
- 238000009434 installation Methods 0.000 description 1
- JEIPFZHSYJVQDO-UHFFFAOYSA-N iron(III) oxide Inorganic materials O=[Fe]O[Fe]=O JEIPFZHSYJVQDO-UHFFFAOYSA-N 0.000 description 1
- 238000012423 maintenance Methods 0.000 description 1
- 239000003921 oil Substances 0.000 description 1
- 238000007747 plating Methods 0.000 description 1
- 230000008569 process Effects 0.000 description 1
- 238000012545 processing Methods 0.000 description 1
- 230000004044 response Effects 0.000 description 1
- 230000035939 shock Effects 0.000 description 1
- 229920003002 synthetic resin Polymers 0.000 description 1
- 239000000057 synthetic resin Substances 0.000 description 1
- 230000000007 visual effect Effects 0.000 description 1
- 238000003466 welding Methods 0.000 description 1
Images
Classifications
-
- E—FIXED CONSTRUCTIONS
- E04—BUILDING
- E04H—BUILDINGS OR LIKE STRUCTURES FOR PARTICULAR PURPOSES; SWIMMING OR SPLASH BATHS OR POOLS; MASTS; FENCING; TENTS OR CANOPIES, IN GENERAL
- E04H9/00—Buildings, groups of buildings or shelters adapted to withstand or provide protection against abnormal external influences, e.g. war-like action, earthquake or extreme climate
- E04H9/02—Buildings, groups of buildings or shelters adapted to withstand or provide protection against abnormal external influences, e.g. war-like action, earthquake or extreme climate withstanding earthquake or sinking of ground
- E04H9/021—Bearing, supporting or connecting constructions specially adapted for such buildings
- E04H9/023—Bearing, supporting or connecting constructions specially adapted for such buildings and comprising rolling elements, e.g. balls, pins
-
- F—MECHANICAL ENGINEERING; LIGHTING; HEATING; WEAPONS; BLASTING
- F16—ENGINEERING ELEMENTS AND UNITS; GENERAL MEASURES FOR PRODUCING AND MAINTAINING EFFECTIVE FUNCTIONING OF MACHINES OR INSTALLATIONS; THERMAL INSULATION IN GENERAL
- F16F—SPRINGS; SHOCK-ABSORBERS; MEANS FOR DAMPING VIBRATION
- F16F7/00—Vibration-dampers; Shock-absorbers
- F16F7/12—Vibration-dampers; Shock-absorbers using plastic deformation of members
- F16F7/123—Deformation involving a bending action, e.g. strap moving through multiple rollers, folding of members
-
- F—MECHANICAL ENGINEERING; LIGHTING; HEATING; WEAPONS; BLASTING
- F16—ENGINEERING ELEMENTS AND UNITS; GENERAL MEASURES FOR PRODUCING AND MAINTAINING EFFECTIVE FUNCTIONING OF MACHINES OR INSTALLATIONS; THERMAL INSULATION IN GENERAL
- F16F—SPRINGS; SHOCK-ABSORBERS; MEANS FOR DAMPING VIBRATION
- F16F2230/00—Purpose; Design features
- F16F2230/14—Ball joints; Spherical support elements
Landscapes
- Engineering & Computer Science (AREA)
- Architecture (AREA)
- Business, Economics & Management (AREA)
- Emergency Management (AREA)
- Environmental & Geological Engineering (AREA)
- General Engineering & Computer Science (AREA)
- Civil Engineering (AREA)
- Structural Engineering (AREA)
- Mechanical Engineering (AREA)
- Buildings Adapted To Withstand Abnormal External Influences (AREA)
- Vibration Prevention Devices (AREA)
Abstract
【課題】上下に重なって直交しているコロによる支承機構を持つ免震装置の、コロの直交角度を固定する方法、及び地震エネルギーに対し減衰機構のもつ減衰力過大のとき構造物は揺れるので、地震エネルギーに対応した減衰力制御抑制機能をもつ減衰機構を創出する。【解決手段】コロの直交角度を保つ為に、コロの転動を許容する僅かな空隙をもたせた拘束材を、コロの直交部分に装着して直交角度を固定し、線状の鋼材が円筒材に巻き付き水平力により連続的に変形するときのエネルギー吸収を減衰力とし、線状の鋼材の軸方向断面積を変化させることにより、エネルギー吸収量を制御し、又水平力を遮断しエネルギー吸収を解除して線状の鋼材のエネルギー吸収を小さな地震の振幅域において抑制し、減衰力を制御抑制できるようにした、ダンパー形式の減衰機構。
Description
本発明は、特願2006−539143で提案している免震装置において、コロ形式の上下に直交するコロ支承機構における、上下コロの直交角度の固定機構、並びに、減衰力を制御抑制する機能を有するダンパー形式の減衰機構を、前記免震装置に付与した技術に関する。
地震による構造物の損壊を免れるには、構造物を強固に作る方法が最良であるとされていたが、如何に構造物を強固にしても構造物の揺れを抑制しない限り、家財の転倒落下等によって身体が受ける危険は避けられない。
これを解決する方法として地盤から受ける揺れを吸収するために、基礎などの下部構造と免震対象構造物である上部構造に分け、両構造物の間に支承機能・位置復帰機能・減衰機能を構築し、免震装置とし構造物を揺れなくすることが有効であることが知られている。
免震装置は各種開発されているが、住宅等の軽量構造物から大型構造物までの汎用性をもって利用できる装置は少なく、汎用性のある装置の開発が望まれている。
既存の装置は使用材料がゴム・鉛・合成油・合成樹脂・鋼材等を用い高度な技術を要する他、劣化する材料が含まれていたり、機構が内部構造を持ち部品の精度も精密性を必要とする他、特定の製造業者、特定の材料を必要としたり、高度な加工技術や特殊な工作機械が必要である事が多く製造量も少ないため高価となり普及していない、又、長期に亘る使用期間において専門的視点からの点検部品交換等も必要となる他、内部構造の点検はできにくく維持管理上も好ましくない。
大地震域の水平力が及ぶ免震構造物に、ダンパーなどにより減衰機能を与えないと免震構造物は逸走し、過度もしくは不安定な揺れを起こすこともあるので、通常免震装置には減衰機構を備えている。
既存の減衰機構は一般的に対象とする最大地震域のエネルギー吸収量を基準とした減衰能力を持っているので、小さな地震力に対しては、大地震を基にした減衰能力では過大となり、減衰機能とは相対的な機能である支承機構の持つ水平力緩衝機能が阻害されるので、小さな地震の場合に免震装置を設置しているにも関わらず、減衰能力の過大さから構造物が揺れる結果となり解決策が望まれている。
このような揺れを回避するためには、地震の大きさに対応して、減衰力を制御抑制する必要があるが、機械的に減衰力を簡易に制御抑制する方法は確立されていない。
国土交通省住宅局他、「免震建築物の技術基準解説及び計算例とその解説」工学図書(株)、平成12年12月20日発行P−11〜12 写真4ないし6
日本建築構造技術者協会偏、「応答制御構造設計法」 彰国社 P−310〜319 図表と写真
免震装置の、支承機構であるX・Y方向の上下に重なって直交しているコロ相互の水平接触面での捩れを防止し、コロの直交角度を保ち減衰機構の安定的作動に資する機構を備えた免震装置を提供することを第1の課題とすると共に、前記減衰機構の減衰力を機械的に制御抑制できる作動原理を究明し、免震装置における新たな形式の減衰機構を提供することを第2の課題とする。
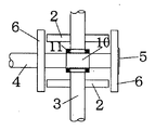
本発明は課題1を解決するために、上下に重なって直交するコロ(3)と(4)の直交角度を保つ為に、コロ(3)と(4)の転動を許容する僅かな空隙をもつが、直交角度の変位は許容しないU型断面を持つ鋼板製の拘束材(9)と(10)を、コロ(3)と(4)に、上下から直交部分にU型断面の解放側を対面的にかぶせ、該解放側先端部分を外側に直角に折り曲げ、折り曲げ面に4本の結合ボルト用の孔を開け、拘束材(9)と(10)の接触面を堅固に結合ボルト(11)によって結合し、コロ(3)と(4)の捩れを防止できる直交角度固定機構によって減衰機構の作動環境を整えた。 「請求項1」
課題2を解決するために上記固定機構を備えた免震装置における減衰機構の構成は、塑性材である線状の鋼材(14)を外側円筒材(13)に巻き付け、線状の鋼材(14)と外側円筒材(13)が相対的に変位することによる、線状の鋼材(14)の変形に伴うエネルギー吸収機能により減衰力を得られるようにした。 「請求項2」
上記減衰機構の追加機能として、前記線状の鋼材(14)と外側円筒材(13)の相対的変位に、空隙(21)と(22)を設け、円筒材(12)に空走区間を与え下部構造(1)と上部構造(8)の間の水平変位エネルギー伝達を遮断し、外側円筒材(13)に巻き付けた線状の鋼材(14)の変形を止めエネルギー吸収機能を解除しエネルギー吸収の抑制を図った。 「請求項3・4」
また、線状の鋼材(14)の軸方向断面積を変化させることによってエネルギー吸収量を変化させて制御する方法。 「請求項5」
更に、線状の鋼材(14)を右巻き、左巻き本数を同数とするか、又は、左巻き、右巻き方向の軸方向抵抗力が同一となる断面積とする方法によって、取り付け時に外側円筒材(13)に作用する偶力を除き外側円筒材の捩れを止め減衰機構の作動環境の安定を図った。 「請求項6」
以上の通り本発明による免震装置に適用して有用なコロの直交角度固定機構、並びに、減衰機構は簡易な仕組みで構成され使用素材も鋼材に統一され、部品の形状も簡易であり複雑な形状や内部構造をもたない、従って、製造時には汎用工作機械を用いて市販規格鋼材を切断、曲げ、溶接、防錆メッキ加工して軽量構造物から大型構造物まで、汎用性をもって容易に製造できる構造である。
しかも上記構成部材には、劣化する材料、高価な材料、特殊な工作機械や特殊な工程、特定の材料業者、特定の製造業者等の協力は必要としないので、極めて安価に製造できる。
又、本発明装置の使用開始後は構成部品の劣化、機能の低下もなく、部品の交換なども通常必要ない、装置の作動状態も外観目視により確認可能であり、長期に亘り安定的に機能が維持されなければならない免震装置に求められる、各種要求を充分に満たすことができるので、構造物に設置されるなら、地震災害の防止に効果が期待できる。
以下、本件発明を実施する形態を図1〜図10に基づいて説明する。
図1に示す上部構造(8)が水平方向に変位したとき、支承機構である上下に直交したコロ(3)と(4)はそれぞれ負担する方向、XとYの方向に転動し水平力を緩衝する、この時上部構造に偏心力が作用すると、図2に示すコロ(3)と(4)の直交角度は捩られ、減衰機構である円筒材(12)外側円筒材(13)と線状の鋼材(14)の交差角度も捩られ、減衰機構の作動に支承を及ぼすので、図5に示す支承機構である、上下に重なって直交するコロ(3)と(4)の直交角度を保つ為に、コロ(3)と(4)の転動を許容する僅かな空隙をもつが直交角度の変位は許容しないU型断面を持つ鋼板製の拘束材(9)と(10)を、コロ(3)と(4)に上下から直交部分にU型断面の解放側を直交する向きに対面的にかぶせ、該解放側先端部分を外側に直角に折り曲げ、折り曲げ面に4本の結合ボルト用の孔を開け、拘束材(9)と(10)の接触面を堅固に結合ボルト(11)によって結合し、コロ(3)と(4)の直交角度固定機構とし、減衰機構である図6に示す円筒材(12)に対して線状の鋼材(14)の軸方向が直角となり、図9に示す円筒材(12)と外側円筒材(13)の空隙(21)、図10に示す円筒材(12)と支持材(15)の取付け支持穴(22)の各接触面の均衡を確保して、減衰機構の安定的作動の条件を整えた。
上部構造(8)に作用する水平力によって、下部構造(1)と上部構造(8)が相対的に水平方向に変位するとき、図6ないし図8に示す下部構造に固定した持ち送り支持材(15)は凹型コロ受け(2)(6)上を転動するコロ(3)(4)によって、上部構造と下部構造が垂直方向に変位する時の、円筒材(12)の上下動に必要な垂直方向の空隙を備えた取付け支持穴(20)を持って、円筒材(12)を支持し、円筒材(12)ないし外側円筒材(13)と上部構造に固定した、持ち送り支持材(16)と外側円筒材(13)に巻き付けた線状の鋼材(14)の部材の間にも水平変位が起こる、このとき外側円筒材(13)に巻き付く、線状の鋼材(14)は、1端は円形から直線状態に、他端は直線から円形状態に変形しエネルギー吸収作用が生じる、この水平力からエネルギー吸収作用を機械的に発生させる機構を基本減衰機構とし。
図9、図10に示す空隙(21)(22)と円筒材(12)の空走作用を基本減衰機構に加えた、該空走作用とは、上部構造(8)に生じる小さな地震の水平力に対して、基本減衰機構に備わるエネルギー吸収量が水平力の持つエネルギー量を上回るとき、上部構造(8)は水平力の持つエネルギー量が減衰機構のもつエネルギー吸収量を越えるまで揺れる、この揺れを回避するためには、線状の鋼材(14)に伝達される地震エネルギーを遮断する方法が考えられ、水平力の伝達機構である内側円筒材(12)ないし支持材(15)の間に、水平力遮断のための空走用空隙(21)と(22)を創成して、該空隙部分を円筒材(12)が水平方向に空走する間、減衰機能を解除して外側円筒材(13)が回転力を受けないようにし、線状の鋼材(14)のエネルギー吸収を抑制した、これによって該空隙間を振幅する小さな地震については減衰機能が及ばず、支承機構による水平力緩衝機能だけが作用する状態を創出し、小さな地震域の振幅に対して減衰力を機械的に抑制する機能を基本減衰機構に加え、目的とする小さな地震の揺れを抑制できる減衰機構とした。
下部構造(1)と上部構造(8)が相対的に水平方向に変位するとき、線状の鋼材(14)と外側円筒材(13)の巻き付け部分に生じるエネルギー吸収の基本減衰機構に対し、線状の鋼材(14)の軸方向の断面積を連続的に変化させることによって、線状の鋼材(14)のエネルギー吸収量に連続的変化を与えることができ、線状の鋼材(14)の軸方向の振幅幅に応じて減衰力を機械的に制御する機能が得られ、これを基本減衰機構に加えた。
図6に示す線状の鋼材(14)が奇数の場合、該線状の鋼材が外側円筒材(13)に巻き付く交差部分において、線状の鋼材が相反する軸方向に向き1直線上にないために、取り付け時に偶力が起こり、この偶力によって外側円筒材(13)に捩れを生じるので、偶力を相殺する為に線状の鋼材(14)を右巻き本数、左巻き本数を同数用いるか、又は、左巻き、右巻き方向の軸方向抵抗力が同一となる断面積とすることによって、偶力の影響を除き基本減衰機構の作動環境を整えた。
以上、本実施例のごとく、本発明は簡潔な構造であるが、減衰機構の減衰力を機械的に抑制制御する構成を簡易な方法によって満たした新たな形式の減衰機構である。
1・・・は下部構造の基礎を示す。
2・・・は凹型コロ受け(下)を示す。
3・・・はコロ(下)を示す。
4・・・はコロ(上)を示す。
5・・・は突起板を示す。
6・・・は凹型コロ受け(上)を示す。
7・・・は上部構造の架台を示す。
8・・・は上部構造の構造物を示す。
9・・・はコロ拘束材(下)を示す。
10・・はコロ拘束材(上)を示す。
11・・はコロ拘束材結合ボルトを示す。
12・・は円筒材を示す。
13・・は外側円筒材を示す。
14・・は線状の鋼材を示す。
15・・は円筒材12の持ち送り支持材を示す。
16・・は線状の鋼材14の持ち送り支持材を示す。
17・・は「請求項4」の持ち送り支持材15に具備する支持穴を示す。
18・・は円筒材12の外端部に固定する持ち送り支持材15からの脱落防止材を示す。
19・・は持ち送り支持材15と基礎の固定ボルトを示す。
20・・は「請求項2」と「請求項3」の持ち送り支持材15に具備する支持穴を示す。
21・・は「請求項3」の円筒材12と外側円筒材13の間の空走用空隙を示す。
22・・は「請求項4」の持ち送り支持材15の支持穴17と円筒材12の間の空走用空隙を示す。
2・・・は凹型コロ受け(下)を示す。
3・・・はコロ(下)を示す。
4・・・はコロ(上)を示す。
5・・・は突起板を示す。
6・・・は凹型コロ受け(上)を示す。
7・・・は上部構造の架台を示す。
8・・・は上部構造の構造物を示す。
9・・・はコロ拘束材(下)を示す。
10・・はコロ拘束材(上)を示す。
11・・はコロ拘束材結合ボルトを示す。
12・・は円筒材を示す。
13・・は外側円筒材を示す。
14・・は線状の鋼材を示す。
15・・は円筒材12の持ち送り支持材を示す。
16・・は線状の鋼材14の持ち送り支持材を示す。
17・・は「請求項4」の持ち送り支持材15に具備する支持穴を示す。
18・・は円筒材12の外端部に固定する持ち送り支持材15からの脱落防止材を示す。
19・・は持ち送り支持材15と基礎の固定ボルトを示す。
20・・は「請求項2」と「請求項3」の持ち送り支持材15に具備する支持穴を示す。
21・・は「請求項3」の円筒材12と外側円筒材13の間の空走用空隙を示す。
22・・は「請求項4」の持ち送り支持材15の支持穴17と円筒材12の間の空走用空隙を示す。
Claims (6)
- 下部構造上面と上部構造下面との間に免震機構として配設される、上下に直交したコロを有する免震装置において、コロ交差部分におけるコロの接触部以外の外側を、上下のコロの回転を許容し当該コロの直交角度を拘束する拘束材を装着した、コロ直交角度の固定機構を具備した免震装置。
- 線状の鋼材と円筒材の各々の両端部を支持する持ち送り材を、下部構造上面か上部構造下面に対設して固定するとき、円筒材の持ち送り材は円筒材の上下動を許容する支持穴をもち、円筒材は外側円筒材を回転可能、かつ上部構造の水平変位に備え、該変位幅と外側円筒材長さ以上の円筒材長さを保って遊嵌し、外側円筒材に線状の鋼材を巻き付け、両端を円筒材と直交し相反する向きに向け持ち送り材に固定するとき、該持ち送り材の固定位置は外側円筒材から上部構造の水平変位幅以上となる減衰機構を具備した「請求項1」の免震装置。
- 「請求項2」の減衰機構において、円筒材の外径と外側円筒材の内径との間に空隙を設けた「請求項2」の免震装置。
- 「請求項2」の減衰機構において、円筒材の持ち送り材に具備する支持穴と円筒材の外径との間に水平方向の空隙を設けた「請求項2」の免震装置。
- 「請求項2」の減衰機構において、線状の鋼材の軸方向断面積を連続的に変化させた「請求項2」ないし「請求項4」の免震装置。
- 「請求項2」の減衰機構において、線状の鋼材を左巻き本数と右巻き本数を同数とするか、又は、線状の鋼材の左巻き方向、右巻き方向の軸方向抵抗力が同一となる断面積を有する「請求項2」ないし「請求項5」の免震装置。
Applications Claiming Priority (1)
| Application Number | Priority Date | Filing Date | Title |
|---|---|---|---|
| PCT/JP2009/068446 WO2011048704A1 (ja) | 2009-10-21 | 2009-10-21 | ダンパー形式の減衰機構を備えた免震装置 |
Publications (2)
| Publication Number | Publication Date |
|---|---|
| JPWO2011048704A1 true JPWO2011048704A1 (ja) | 2013-03-07 |
| JP5382960B2 JP5382960B2 (ja) | 2014-01-08 |
Family
ID=43899950
Family Applications (1)
| Application Number | Title | Priority Date | Filing Date |
|---|---|---|---|
| JP2011537081A Expired - Fee Related JP5382960B2 (ja) | 2009-10-21 | 2009-10-21 | ダンパー形式の減衰機構を備えた免震装置。 |
Country Status (4)
| Country | Link |
|---|---|
| US (1) | US20120260586A1 (ja) |
| JP (1) | JP5382960B2 (ja) |
| CN (1) | CN102575484A (ja) |
| WO (1) | WO2011048704A1 (ja) |
Families Citing this family (6)
| Publication number | Priority date | Publication date | Assignee | Title |
|---|---|---|---|---|
| US8857110B2 (en) * | 2011-11-11 | 2014-10-14 | The Research Foundation For The State University Of New York | Negative stiffness device and method |
| JP2015525324A (ja) * | 2012-05-30 | 2015-09-03 | ビクトリア リンク リミテッド | 支持システム |
| US9206616B2 (en) | 2013-06-28 | 2015-12-08 | The Research Foundation For The State University Of New York | Negative stiffness device and method |
| CN103590327B (zh) * | 2013-11-25 | 2015-11-11 | 中铁第四勘察设计院集团有限公司 | 环向粘滞阻尼支座 |
| IT201600119806A1 (it) * | 2016-11-25 | 2018-05-25 | Mauro Laudazi | Isolatore sismico |
| CN118461899B (zh) * | 2024-03-11 | 2024-10-11 | 北京市建筑设计研究院股份有限公司 | 一种利用抗侧力索控制框架结构温度和地震响应的方法 |
Family Cites Families (18)
| Publication number | Priority date | Publication date | Assignee | Title |
|---|---|---|---|---|
| US4408744A (en) * | 1980-12-24 | 1983-10-11 | Deere & Company | Compact, planar, multi-directional vibration attenuator seat support |
| JPS57140453A (en) * | 1981-02-20 | 1982-08-31 | Okumura Corp | Vibration dampening apparatus of construction |
| JPS58124843A (ja) * | 1982-01-20 | 1983-07-25 | Mitsubishi Steel Mfg Co Ltd | 免震装置 |
| US4941640A (en) * | 1985-03-20 | 1990-07-17 | Tokico Ltd. | Vibration isolating apparatus |
| JPS6235134U (ja) * | 1985-08-21 | 1987-03-02 | ||
| JPH0762409B2 (ja) * | 1987-12-26 | 1995-07-05 | 日本鋼管株式会社 | クーロン摩擦を利用した免震装置 |
| FR2768473B1 (fr) * | 1997-09-18 | 1999-12-03 | Cogema | Dispositif d'assemblage entre deux tubes |
| JP2000096868A (ja) * | 1998-09-24 | 2000-04-04 | Nippon Steel Corp | 極軽荷重条件にも適した免震装置 |
| US6105216A (en) * | 1999-02-25 | 2000-08-22 | Hydra-Zorb Co. | Clamp assembly |
| GB0012321D0 (en) * | 2000-05-23 | 2000-07-12 | British Nuclear Fuels Plc | Apparatus for the storage of hazardous materials |
| CN1323248C (zh) * | 2001-10-29 | 2007-06-27 | 日商·卓越系统股份有限公司 | 减震装置及减震装置的设置方法 |
| US7337586B2 (en) * | 2004-06-14 | 2008-03-04 | Chi-Chang Lin | Anti-seismic device with vibration-reducing units arranged in parallel |
| US7237364B2 (en) * | 2004-07-02 | 2007-07-03 | Chong-Shien Tsai | Foundation shock eliminator |
| EP1806464A1 (en) * | 2004-10-04 | 2007-07-11 | Hiroyasu Tubota | Device for dampimg horizontal acceleration acting on structure and device for position returning |
| US7651056B2 (en) * | 2005-02-08 | 2010-01-26 | Potential Design, Inc. | Method of mounting support assemblies for pipes, conduits and tubes |
| US7472518B2 (en) * | 2005-12-05 | 2009-01-06 | Chong-Shien Tsai | Anti-shock device |
| TW200819596A (en) * | 2006-10-31 | 2008-05-01 | Chong-Shien Tsai | Shock suppressor capable of dissipating seismic shock energy of different frequencies |
| JP4726977B2 (ja) * | 2009-08-24 | 2011-07-20 | Thk株式会社 | 減衰機構付き免震テーブル及びこれを利用した免震テーブルユニット |
-
2009
- 2009-10-21 CN CN2009801620884A patent/CN102575484A/zh active Pending
- 2009-10-21 JP JP2011537081A patent/JP5382960B2/ja not_active Expired - Fee Related
- 2009-10-21 WO PCT/JP2009/068446 patent/WO2011048704A1/ja not_active Ceased
- 2009-10-21 US US13/502,567 patent/US20120260586A1/en not_active Abandoned
Also Published As
| Publication number | Publication date |
|---|---|
| US20120260586A1 (en) | 2012-10-18 |
| JP5382960B2 (ja) | 2014-01-08 |
| WO2011048704A1 (ja) | 2011-04-28 |
| CN102575484A (zh) | 2012-07-11 |
Similar Documents
| Publication | Publication Date | Title |
|---|---|---|
| JP5382960B2 (ja) | ダンパー形式の減衰機構を備えた免震装置。 | |
| JP4831847B1 (ja) | 制振装置、風力発電装置及び制振方法 | |
| KR20110093429A (ko) | 전단형 마찰댐퍼 | |
| JP5908688B2 (ja) | 鉄骨柱の露出型柱脚構造 | |
| KR101654338B1 (ko) | 간주형 제진장치 | |
| JP2011256577A (ja) | 粘弾性ダンパーを備えた制震構造 | |
| JP6172959B2 (ja) | 粘性壁の構造 | |
| KR20190089972A (ko) | 동조 다이내믹 댐퍼 및 진동의 진폭을 감소시키는 방법 | |
| JP5975798B2 (ja) | ダンパー | |
| US10422442B2 (en) | Method for suppression of resonant vibrations in subsea pipelines | |
| JP2010037905A (ja) | 連結制震構造、及び建物 | |
| JP6247870B2 (ja) | 減震装置 | |
| JP2012246998A (ja) | 制振装置 | |
| JP2009047193A (ja) | ダンパー装置および構造物 | |
| JP3828695B2 (ja) | 三階建て住宅の制震壁 | |
| JP5713508B2 (ja) | 免振装置 | |
| KR101484087B1 (ko) | 2방향 진자-레일형 제진장치 | |
| JP2010043415A (ja) | 制震デバイス | |
| JP4355302B2 (ja) | 浮き床式制振構造 | |
| JP2005054458A (ja) | ダンパーの設置構造 | |
| JP6306416B2 (ja) | 構造物の制振装置 | |
| JP2014126122A (ja) | 配管振動の抑制装置 | |
| JP2014047539A (ja) | 振動抑制吊構造 | |
| JP2005126947A (ja) | 耐震架構における微小振動吸収構造及び微小振動吸収装置並びに微小振動吸収装置を用いた耐震架構 | |
| JP2010007395A (ja) | 波形鋼板を用いた制振壁 |
Legal Events
| Date | Code | Title | Description |
|---|---|---|---|
| A131 | Notification of reasons for refusal |
Free format text: JAPANESE INTERMEDIATE CODE: A131 Effective date: 20130430 |
|
| A521 | Request for written amendment filed |
Free format text: JAPANESE INTERMEDIATE CODE: A523 Effective date: 20130625 |
|
| TRDD | Decision of grant or rejection written | ||
| A01 | Written decision to grant a patent or to grant a registration (utility model) |
Free format text: JAPANESE INTERMEDIATE CODE: A01 Effective date: 20130903 |
|
| A61 | First payment of annual fees (during grant procedure) |
Free format text: JAPANESE INTERMEDIATE CODE: A61 Effective date: 20130930 |
|
| R150 | Certificate of patent or registration of utility model |
Free format text: JAPANESE INTERMEDIATE CODE: R150 |
|
| LAPS | Cancellation because of no payment of annual fees |