JP6902356B2 - 摩擦材補強用有機繊維コードおよびそれを用いたクラッチフェーシング - Google Patents
摩擦材補強用有機繊維コードおよびそれを用いたクラッチフェーシング Download PDFInfo
- Publication number
- JP6902356B2 JP6902356B2 JP2017011233A JP2017011233A JP6902356B2 JP 6902356 B2 JP6902356 B2 JP 6902356B2 JP 2017011233 A JP2017011233 A JP 2017011233A JP 2017011233 A JP2017011233 A JP 2017011233A JP 6902356 B2 JP6902356 B2 JP 6902356B2
- Authority
- JP
- Japan
- Prior art keywords
- latex
- fiber
- friction material
- clutch facing
- fibers
- Prior art date
- Legal status (The legal status is an assumption and is not a legal conclusion. Google has not performed a legal analysis and makes no representation as to the accuracy of the status listed.)
- Active
Links
- 239000000835 fiber Substances 0.000 title claims description 103
- 239000002783 friction material Substances 0.000 title claims description 36
- 230000002787 reinforcement Effects 0.000 title 1
- 229920000126 latex Polymers 0.000 claims description 65
- 239000004816 latex Substances 0.000 claims description 48
- 229920005989 resin Polymers 0.000 claims description 41
- 239000011347 resin Substances 0.000 claims description 41
- 150000001875 compounds Chemical class 0.000 claims description 28
- 239000000463 material Substances 0.000 claims description 17
- 230000003014 reinforcing effect Effects 0.000 claims description 16
- 239000004593 Epoxy Substances 0.000 claims description 15
- 239000004760 aramid Substances 0.000 claims description 15
- 239000000203 mixture Substances 0.000 claims description 15
- KVBYPTUGEKVEIJ-UHFFFAOYSA-N benzene-1,3-diol;formaldehyde Chemical compound O=C.OC1=CC=CC(O)=C1 KVBYPTUGEKVEIJ-UHFFFAOYSA-N 0.000 claims description 14
- 229920000459 Nitrile rubber Polymers 0.000 claims description 13
- 229920003235 aromatic polyamide Polymers 0.000 claims description 13
- 229920001187 thermosetting polymer Polymers 0.000 claims description 12
- 239000003607 modifier Substances 0.000 claims description 11
- 229920001971 elastomer Polymers 0.000 claims description 10
- 239000005060 rubber Substances 0.000 claims description 10
- 210000003666 myelinated nerve fiber Anatomy 0.000 claims 1
- WSFSSNUMVMOOMR-UHFFFAOYSA-N Formaldehyde Chemical compound O=C WSFSSNUMVMOOMR-UHFFFAOYSA-N 0.000 description 43
- 239000003795 chemical substances by application Substances 0.000 description 18
- GHMLBKRAJCXXBS-UHFFFAOYSA-N resorcinol Chemical compound OC1=CC=CC(O)=C1 GHMLBKRAJCXXBS-UHFFFAOYSA-N 0.000 description 17
- 229960001755 resorcinol Drugs 0.000 description 17
- -1 polypropylene Polymers 0.000 description 15
- 230000007423 decrease Effects 0.000 description 12
- 230000001070 adhesive effect Effects 0.000 description 11
- 229920000647 polyepoxide Polymers 0.000 description 11
- 239000000853 adhesive Substances 0.000 description 10
- 238000005299 abrasion Methods 0.000 description 8
- JBKVHLHDHHXQEQ-UHFFFAOYSA-N epsilon-caprolactam Chemical compound O=C1CCCCCN1 JBKVHLHDHHXQEQ-UHFFFAOYSA-N 0.000 description 8
- 239000007787 solid Substances 0.000 description 8
- 238000005452 bending Methods 0.000 description 7
- 239000012948 isocyanate Substances 0.000 description 7
- 238000000034 method Methods 0.000 description 6
- UPMLOUAZCHDJJD-UHFFFAOYSA-N 4,4'-Diphenylmethane Diisocyanate Chemical compound C1=CC(N=C=O)=CC=C1CC1=CC=C(N=C=O)C=C1 UPMLOUAZCHDJJD-UHFFFAOYSA-N 0.000 description 5
- 238000011156 evaluation Methods 0.000 description 5
- 238000010438 heat treatment Methods 0.000 description 5
- 230000008569 process Effects 0.000 description 5
- 229920003048 styrene butadiene rubber Polymers 0.000 description 5
- KGIGUEBEKRSTEW-UHFFFAOYSA-N 2-vinylpyridine Chemical compound C=CC1=CC=CC=N1 KGIGUEBEKRSTEW-UHFFFAOYSA-N 0.000 description 4
- KAKZBPTYRLMSJV-UHFFFAOYSA-N Butadiene Chemical compound C=CC=C KAKZBPTYRLMSJV-UHFFFAOYSA-N 0.000 description 4
- VTYYLEPIZMXCLO-UHFFFAOYSA-L Calcium carbonate Chemical compound [Ca+2].[O-]C([O-])=O VTYYLEPIZMXCLO-UHFFFAOYSA-L 0.000 description 4
- PPBRXRYQALVLMV-UHFFFAOYSA-N Styrene Chemical compound C=CC1=CC=CC=C1 PPBRXRYQALVLMV-UHFFFAOYSA-N 0.000 description 4
- 229920006231 aramid fiber Polymers 0.000 description 4
- 239000003431 cross linking reagent Substances 0.000 description 4
- 230000006872 improvement Effects 0.000 description 4
- 239000012784 inorganic fiber Substances 0.000 description 4
- 239000011159 matrix material Substances 0.000 description 4
- 239000005056 polyisocyanate Substances 0.000 description 4
- 229920001228 polyisocyanate Polymers 0.000 description 4
- 239000000243 solution Substances 0.000 description 4
- 239000000126 substance Substances 0.000 description 4
- 229920001897 terpolymer Polymers 0.000 description 4
- 229920000742 Cotton Polymers 0.000 description 3
- FBPFZTCFMRRESA-FSIIMWSLSA-N D-Glucitol Natural products OC[C@H](O)[C@H](O)[C@@H](O)[C@H](O)CO FBPFZTCFMRRESA-FSIIMWSLSA-N 0.000 description 3
- LYCAIKOWRPUZTN-UHFFFAOYSA-N Ethylene glycol Chemical compound OCCO LYCAIKOWRPUZTN-UHFFFAOYSA-N 0.000 description 3
- PEDCQBHIVMGVHV-UHFFFAOYSA-N Glycerine Chemical compound OCC(O)CO PEDCQBHIVMGVHV-UHFFFAOYSA-N 0.000 description 3
- 239000005062 Polybutadiene Substances 0.000 description 3
- VYPSYNLAJGMNEJ-UHFFFAOYSA-N Silicium dioxide Chemical compound O=[Si]=O VYPSYNLAJGMNEJ-UHFFFAOYSA-N 0.000 description 3
- 239000007795 chemical reaction product Substances 0.000 description 3
- 238000001035 drying Methods 0.000 description 3
- 239000003822 epoxy resin Substances 0.000 description 3
- 239000003365 glass fiber Substances 0.000 description 3
- RAXXELZNTBOGNW-UHFFFAOYSA-N imidazole Natural products C1=CNC=N1 RAXXELZNTBOGNW-UHFFFAOYSA-N 0.000 description 3
- YAMHXTCMCPHKLN-UHFFFAOYSA-N imidazolidin-2-one Chemical compound O=C1NCCN1 YAMHXTCMCPHKLN-UHFFFAOYSA-N 0.000 description 3
- 239000010410 layer Substances 0.000 description 3
- 230000004048 modification Effects 0.000 description 3
- 238000012986 modification Methods 0.000 description 3
- 238000013001 point bending Methods 0.000 description 3
- 229920002857 polybutadiene Polymers 0.000 description 3
- 238000012545 processing Methods 0.000 description 3
- 239000000600 sorbitol Substances 0.000 description 3
- 150000005846 sugar alcohols Polymers 0.000 description 3
- ISPYQTSUDJAMAB-UHFFFAOYSA-N 2-chlorophenol Chemical compound OC1=CC=CC=C1Cl ISPYQTSUDJAMAB-UHFFFAOYSA-N 0.000 description 2
- 244000226021 Anacardium occidentale Species 0.000 description 2
- BRLQWZUYTZBJKN-UHFFFAOYSA-N Epichlorohydrin Chemical compound ClCC1CO1 BRLQWZUYTZBJKN-UHFFFAOYSA-N 0.000 description 2
- MHAJPDPJQMAIIY-UHFFFAOYSA-N Hydrogen peroxide Chemical compound OO MHAJPDPJQMAIIY-UHFFFAOYSA-N 0.000 description 2
- 229920000877 Melamine resin Polymers 0.000 description 2
- KFSLWBXXFJQRDL-UHFFFAOYSA-N Peracetic acid Chemical compound CC(=O)OO KFSLWBXXFJQRDL-UHFFFAOYSA-N 0.000 description 2
- ISWSIDIOOBJBQZ-UHFFFAOYSA-N Phenol Chemical compound OC1=CC=CC=C1 ISWSIDIOOBJBQZ-UHFFFAOYSA-N 0.000 description 2
- 239000002174 Styrene-butadiene Substances 0.000 description 2
- NINIDFKCEFEMDL-UHFFFAOYSA-N Sulfur Chemical compound [S] NINIDFKCEFEMDL-UHFFFAOYSA-N 0.000 description 2
- 229920006311 Urethane elastomer Polymers 0.000 description 2
- 150000001412 amines Chemical class 0.000 description 2
- 239000007864 aqueous solution Substances 0.000 description 2
- TZCXTZWJZNENPQ-UHFFFAOYSA-L barium sulfate Chemical compound [Ba+2].[O-]S([O-])(=O)=O TZCXTZWJZNENPQ-UHFFFAOYSA-L 0.000 description 2
- NTXGQCSETZTARF-UHFFFAOYSA-N buta-1,3-diene;prop-2-enenitrile Chemical compound C=CC=C.C=CC#N NTXGQCSETZTARF-UHFFFAOYSA-N 0.000 description 2
- 229910000019 calcium carbonate Inorganic materials 0.000 description 2
- 239000006229 carbon black Substances 0.000 description 2
- 235000020226 cashew nut Nutrition 0.000 description 2
- 239000011248 coating agent Substances 0.000 description 2
- 238000000576 coating method Methods 0.000 description 2
- 230000000052 comparative effect Effects 0.000 description 2
- 230000000694 effects Effects 0.000 description 2
- 239000003995 emulsifying agent Substances 0.000 description 2
- 239000000839 emulsion Substances 0.000 description 2
- 229910052736 halogen Inorganic materials 0.000 description 2
- 150000002367 halogens Chemical class 0.000 description 2
- 229920006168 hydrated nitrile rubber Polymers 0.000 description 2
- 229920002681 hypalon Polymers 0.000 description 2
- 150000002513 isocyanates Chemical class 0.000 description 2
- 229920003049 isoprene rubber Polymers 0.000 description 2
- 238000002156 mixing Methods 0.000 description 2
- 230000003647 oxidation Effects 0.000 description 2
- 238000007254 oxidation reaction Methods 0.000 description 2
- 150000002924 oxiranes Chemical class 0.000 description 2
- 239000005011 phenolic resin Substances 0.000 description 2
- 150000002989 phenols Chemical class 0.000 description 2
- 229920001084 poly(chloroprene) Polymers 0.000 description 2
- 229920002577 polybenzoxazole Polymers 0.000 description 2
- 239000000758 substrate Substances 0.000 description 2
- 229910052717 sulfur Inorganic materials 0.000 description 2
- 239000011593 sulfur Substances 0.000 description 2
- 238000004073 vulcanization Methods 0.000 description 2
- SDXAWLJRERMRKF-UHFFFAOYSA-N 3,5-dimethyl-1h-pyrazole Chemical compound CC=1C=C(C)NN=1 SDXAWLJRERMRKF-UHFFFAOYSA-N 0.000 description 1
- YQUQWHNMBPIWGK-UHFFFAOYSA-N 4-isopropylphenol Chemical compound CC(C)C1=CC=C(O)C=C1 YQUQWHNMBPIWGK-UHFFFAOYSA-N 0.000 description 1
- AOYQDLJWKKUFEG-UHFFFAOYSA-N 7-oxabicyclo[4.1.0]heptan-4-ylmethyl 7-oxabicyclo[4.1.0]hept-4-ene-4-carboxylate Chemical compound C=1C2OC2CCC=1C(=O)OCC1CC2OC2CC1 AOYQDLJWKKUFEG-UHFFFAOYSA-N 0.000 description 1
- 229920002972 Acrylic fiber Polymers 0.000 description 1
- NLHHRLWOUZZQLW-UHFFFAOYSA-N Acrylonitrile Chemical compound C=CC#N NLHHRLWOUZZQLW-UHFFFAOYSA-N 0.000 description 1
- NOWKCMXCCJGMRR-UHFFFAOYSA-N Aziridine Chemical compound C1CN1 NOWKCMXCCJGMRR-UHFFFAOYSA-N 0.000 description 1
- 229920002748 Basalt fiber Polymers 0.000 description 1
- 229920000049 Carbon (fiber) Polymers 0.000 description 1
- 229920003043 Cellulose fiber Polymers 0.000 description 1
- FBPFZTCFMRRESA-JGWLITMVSA-N D-glucitol Chemical compound OC[C@H](O)[C@@H](O)[C@H](O)[C@H](O)CO FBPFZTCFMRRESA-JGWLITMVSA-N 0.000 description 1
- 239000005977 Ethylene Substances 0.000 description 1
- 244000043261 Hevea brasiliensis Species 0.000 description 1
- 239000005057 Hexamethylene diisocyanate Substances 0.000 description 1
- DGAQECJNVWCQMB-PUAWFVPOSA-M Ilexoside XXIX Chemical compound C[C@@H]1CC[C@@]2(CC[C@@]3(C(=CC[C@H]4[C@]3(CC[C@@H]5[C@@]4(CC[C@@H](C5(C)C)OS(=O)(=O)[O-])C)C)[C@@H]2[C@]1(C)O)C)C(=O)O[C@H]6[C@@H]([C@H]([C@@H]([C@H](O6)CO)O)O)O.[Na+] DGAQECJNVWCQMB-PUAWFVPOSA-M 0.000 description 1
- 239000005909 Kieselgur Substances 0.000 description 1
- 239000004640 Melamine resin Substances 0.000 description 1
- 239000004698 Polyethylene Substances 0.000 description 1
- 239000002202 Polyethylene glycol Substances 0.000 description 1
- 239000004743 Polypropylene Substances 0.000 description 1
- 229920002978 Vinylon Polymers 0.000 description 1
- PXAJQJMDEXJWFB-UHFFFAOYSA-N acetone oxime Chemical compound CC(C)=NO PXAJQJMDEXJWFB-UHFFFAOYSA-N 0.000 description 1
- 239000002313 adhesive film Substances 0.000 description 1
- 239000012790 adhesive layer Substances 0.000 description 1
- 125000001931 aliphatic group Chemical group 0.000 description 1
- 125000003118 aryl group Chemical group 0.000 description 1
- 239000010425 asbestos Substances 0.000 description 1
- 230000008901 benefit Effects 0.000 description 1
- 239000002981 blocking agent Substances 0.000 description 1
- 238000007664 blowing Methods 0.000 description 1
- QUEICCDHEFTIQD-UHFFFAOYSA-N buta-1,3-diene;2-ethenylpyridine;styrene Chemical compound C=CC=C.C=CC1=CC=CC=C1.C=CC1=CC=CC=N1 QUEICCDHEFTIQD-UHFFFAOYSA-N 0.000 description 1
- MTAZNLWOLGHBHU-UHFFFAOYSA-N butadiene-styrene rubber Chemical compound C=CC=C.C=CC1=CC=CC=C1 MTAZNLWOLGHBHU-UHFFFAOYSA-N 0.000 description 1
- 235000013877 carbamide Nutrition 0.000 description 1
- 239000004917 carbon fiber Substances 0.000 description 1
- 239000000919 ceramic Substances 0.000 description 1
- 238000006243 chemical reaction Methods 0.000 description 1
- 238000013329 compounding Methods 0.000 description 1
- 235000019329 dioctyl sodium sulphosuccinate Nutrition 0.000 description 1
- NJLLQSBAHIKGKF-UHFFFAOYSA-N dipotassium dioxido(oxo)titanium Chemical compound [K+].[K+].[O-][Ti]([O-])=O NJLLQSBAHIKGKF-UHFFFAOYSA-N 0.000 description 1
- YHAIUSTWZPMYGG-UHFFFAOYSA-L disodium;2,2-dioctyl-3-sulfobutanedioate Chemical compound [Na+].[Na+].CCCCCCCCC(C([O-])=O)(C(C([O-])=O)S(O)(=O)=O)CCCCCCCC YHAIUSTWZPMYGG-UHFFFAOYSA-L 0.000 description 1
- 239000006185 dispersion Substances 0.000 description 1
- 239000000428 dust Substances 0.000 description 1
- RTZKZFJDLAIYFH-UHFFFAOYSA-N ether Substances CCOCC RTZKZFJDLAIYFH-UHFFFAOYSA-N 0.000 description 1
- 239000000945 filler Substances 0.000 description 1
- SLGWESQGEUXWJQ-UHFFFAOYSA-N formaldehyde;phenol Chemical compound O=C.OC1=CC=CC=C1 SLGWESQGEUXWJQ-UHFFFAOYSA-N 0.000 description 1
- 230000005484 gravity Effects 0.000 description 1
- RRAMGCGOFNQTLD-UHFFFAOYSA-N hexamethylene diisocyanate Chemical compound O=C=NCCCCCCN=C=O RRAMGCGOFNQTLD-UHFFFAOYSA-N 0.000 description 1
- 238000007654 immersion Methods 0.000 description 1
- 230000010354 integration Effects 0.000 description 1
- 230000003993 interaction Effects 0.000 description 1
- 238000004519 manufacturing process Methods 0.000 description 1
- 238000000691 measurement method Methods 0.000 description 1
- JDSHMPZPIAZGSV-UHFFFAOYSA-N melamine Chemical compound NC1=NC(N)=NC(N)=N1 JDSHMPZPIAZGSV-UHFFFAOYSA-N 0.000 description 1
- 229910052751 metal Inorganic materials 0.000 description 1
- 239000002184 metal Substances 0.000 description 1
- WHIVNJATOVLWBW-UHFFFAOYSA-N n-butan-2-ylidenehydroxylamine Chemical compound CCC(C)=NO WHIVNJATOVLWBW-UHFFFAOYSA-N 0.000 description 1
- 229920003052 natural elastomer Polymers 0.000 description 1
- 229920001194 natural rubber Polymers 0.000 description 1
- 229920001778 nylon Polymers 0.000 description 1
- 230000003606 oligomerizing effect Effects 0.000 description 1
- 150000002894 organic compounds Chemical class 0.000 description 1
- 229920000620 organic polymer Polymers 0.000 description 1
- 150000002923 oximes Chemical class 0.000 description 1
- WXZMFSXDPGVJKK-UHFFFAOYSA-N pentaerythritol Chemical compound OCC(CO)(CO)CO WXZMFSXDPGVJKK-UHFFFAOYSA-N 0.000 description 1
- 230000002093 peripheral effect Effects 0.000 description 1
- 229920001568 phenolic resin Polymers 0.000 description 1
- 230000000704 physical effect Effects 0.000 description 1
- 229920001230 polyarylate Polymers 0.000 description 1
- 229920000728 polyester Polymers 0.000 description 1
- 229920000573 polyethylene Polymers 0.000 description 1
- 229920001223 polyethylene glycol Polymers 0.000 description 1
- 229920001470 polyketone Polymers 0.000 description 1
- 229920000642 polymer Polymers 0.000 description 1
- 229920001155 polypropylene Polymers 0.000 description 1
- 239000000843 powder Substances 0.000 description 1
- 238000003825 pressing Methods 0.000 description 1
- 239000000047 product Substances 0.000 description 1
- 239000012779 reinforcing material Substances 0.000 description 1
- 229910052895 riebeckite Inorganic materials 0.000 description 1
- 239000011435 rock Substances 0.000 description 1
- 238000007790 scraping Methods 0.000 description 1
- 239000000377 silicon dioxide Substances 0.000 description 1
- 239000011734 sodium Substances 0.000 description 1
- 229910052708 sodium Inorganic materials 0.000 description 1
- 239000002904 solvent Substances 0.000 description 1
- 238000005507 spraying Methods 0.000 description 1
- 230000006641 stabilisation Effects 0.000 description 1
- 238000011105 stabilization Methods 0.000 description 1
- 229910001220 stainless steel Inorganic materials 0.000 description 1
- 239000010935 stainless steel Substances 0.000 description 1
- 239000007858 starting material Substances 0.000 description 1
- 239000011115 styrene butadiene Substances 0.000 description 1
- 229920002994 synthetic fiber Polymers 0.000 description 1
- 239000012209 synthetic fiber Substances 0.000 description 1
- MHSKRLJMQQNJNC-UHFFFAOYSA-N terephthalamide Chemical compound NC(=O)C1=CC=C(C(N)=O)C=C1 MHSKRLJMQQNJNC-UHFFFAOYSA-N 0.000 description 1
- DVKJHBMWWAPEIU-UHFFFAOYSA-N toluene 2,4-diisocyanate Chemical compound CC1=CC=C(N=C=O)C=C1N=C=O DVKJHBMWWAPEIU-UHFFFAOYSA-N 0.000 description 1
- 229920006312 vinyl chloride fiber Polymers 0.000 description 1
- XLYOFNOQVPJJNP-UHFFFAOYSA-N water Substances O XLYOFNOQVPJJNP-UHFFFAOYSA-N 0.000 description 1
- 238000003466 welding Methods 0.000 description 1
- 238000004804 winding Methods 0.000 description 1
Landscapes
- Mechanical Operated Clutches (AREA)
- Treatments For Attaching Organic Compounds To Fibrous Goods (AREA)
- Yarns And Mechanical Finishing Of Yarns Or Ropes (AREA)
Description
[数1]
TM=T×√D/1055
[但し、TM;撚り係数、T;撚り数(回/m)、D;総繊度(tex)を示す。]
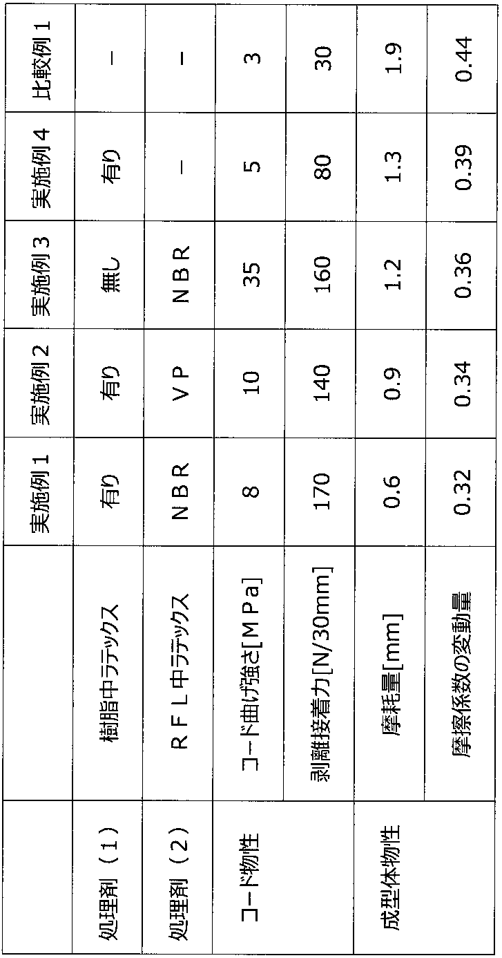
このような摩擦材は、上記の摩擦材補強用有機繊維コードと摩擦調整剤を含む基材に、熱硬化性樹脂が含浸されているものである。
このようなクラッチフェーシングは、耐摩耗特性、摩擦係数安定性が大幅に改善され、総合的に耐久性に優れるクラッチフェーシングとして好適に用いられる。
JIS K 7017の3点曲げ装置にて実施した。応力は、以下の式で計算できる。
[数2]
曲げ強さ=曲げ荷重×8Lv/(π×D3)
[但し、Lv:エッジスパン長、D;コードゲージを示す。]
摩擦材補強用有機繊維コードと摩擦材基材との剥離接着力を示すものである。有機繊維コードに対して、下記配合組成の通り摩擦材基材組成物を被覆した後、本コード30mm幅に並べた後、加圧下180℃で30分間、1MPaのプレス圧力で成形して成形サンプルを得た後、30mm幅のコードについて200mm/min.の速度で剥離するのに要した力を接着力で表示した。
(配合組成)
有機繊維コード: 50部
フェノール樹脂: 25部
炭酸カルシウム: 10部
ニトリルゴム : 10部
カーボンブラック: 2部
硫黄 : 2部
加硫促進剤 : 1部
オリエンテック株式会社製のスラストシリンダ型摩擦摩耗試験機に、(2)で得られた成形サンプルを配置し、荷重20Kg、周速1500rpm条件でステンレス製筒に押し当てながら回転させたときの摩耗量と摩擦係数の振れ幅を測定した。摩耗量が低い方が、耐磨耗性が良く、摩擦係数の振れ幅が小さい方が摩擦係数の安定性が高い。
ソルビトール系ポリエポキシド化合物(坂本薬品工業株式会社製 SR−SEP)、εカプロラクタムブロックドMDI(明成化学工業株式会社製 S3)、及び、ビニルピリジン・スチレン・ブタジエンターポリマーラテックス(日本エイアンドエル株式会社製 Pyratex)をそれぞれ固形分で30重量%、30重量%、40重量%の割合で混合した、総固形分量:10重量%の配合液を得た(処理剤(1))。
レゾルシン/ホルマリン(R/F)のモル比が1/0.6、固形分濃度が65重量%である初期縮合物をアルカリ条件下溶解し9重量%水溶液とする。これを、ニトリルゴムラテックスラテックス(日本ゼオン株式会社製 Nipol LX1562)と水を上記9%レゾルシン・ホルマリン水溶液57重量部に対し、それぞれ99重量部、104重量部添加する。この液にホルマリン3重量部、33重量%アセトキシムブロックドジフエニルメタンジイソシアネート分散体(明成化学工業株式会社製 DM6011)を30重量部添加し、48時間熟成した固形分濃度20重量%のRFL接着剤を得た(処理剤(2))。
処理剤(2)で使用するゴムラテックスをニトリルゴムラテックスからニルピリジン・スチレン・ブタジエンターポリマーラテックス(日本エイアンドエル株式会社製 Pyratex)に変更した以外は実施例1と同様に処理を行った。得られた繊維コードの性能評価を表1にまとめて示す。
処理剤(1)について、ビニルピリジン・スチレン・ブタジエンターポリマーラテックスを使用せず、ソルビトール系エポキシド化合物とεカプロラクタムブロックドMDIをそれぞれ50重量%、50重量%の割合で混合し処理した以外は実施例1と同様に処理を行った。得られた繊維コードの性能評価を表1にまとめて示す。
処理剤(2)のレゾルシン・ホルマリン・ラテックス(RFL)処理をしなかった以外は、実施例1と同様に処理を行った。得られた繊維コードの性能評価を表1にまとめて示す。
接着処理せずエポキシド化合物を含まない繊維コードを使用した場合の性能評価結果を表1にまとめて示す。
Claims (4)
- 摩擦材補強用有機繊維コードと摩擦調整剤を含む基材に、熱硬化性樹脂が含浸されているクラッチフェーシングであって、該摩擦材補強用有機繊維コードは、芳香族ポリアミド繊維からなり、該芳香族ポリアミド繊維の糸の表面にエポキシ化合物を含む樹脂皮膜を備え、該エポキシ化合物を含む樹脂被膜の外層にレゾルシン・ホルマリン・ラテックス(RFL)樹脂皮膜が存在すること、および摩擦材であるクラッチフェーシングに含まれるゴム組成物の含有量は10〜30重量%であることを特徴とする、クラッチフェーシング。
- エポキシ化合物を含む樹脂被膜がゴムラテックス成分を含むことを特徴とする請求項1に記載のクラッチフェーシング。
- レゾルシン・ホルマリン・ラテックスがニトリルゴムラテックス及び/または水素化ニトリルゴムラテックスラテックスを含むレゾルシン・ホルマリン・ゴムラテックスであることを特徴とする請求項1または2に記載のクラッチフェーシング。
- 芳香族ポリアミド繊維がコポリパラフェニレン・3,4’−オキシジフェニレンテレフタルアミド繊維であることを特徴とする請求項1〜3の何れかに記載のクラッチフェーシング。
Priority Applications (1)
| Application Number | Priority Date | Filing Date | Title |
|---|---|---|---|
| JP2017011233A JP6902356B2 (ja) | 2017-01-25 | 2017-01-25 | 摩擦材補強用有機繊維コードおよびそれを用いたクラッチフェーシング |
Applications Claiming Priority (1)
| Application Number | Priority Date | Filing Date | Title |
|---|---|---|---|
| JP2017011233A JP6902356B2 (ja) | 2017-01-25 | 2017-01-25 | 摩擦材補強用有機繊維コードおよびそれを用いたクラッチフェーシング |
Publications (2)
| Publication Number | Publication Date |
|---|---|
| JP2018119236A JP2018119236A (ja) | 2018-08-02 |
| JP6902356B2 true JP6902356B2 (ja) | 2021-07-14 |
Family
ID=63043519
Family Applications (1)
| Application Number | Title | Priority Date | Filing Date |
|---|---|---|---|
| JP2017011233A Active JP6902356B2 (ja) | 2017-01-25 | 2017-01-25 | 摩擦材補強用有機繊維コードおよびそれを用いたクラッチフェーシング |
Country Status (1)
| Country | Link |
|---|---|
| JP (1) | JP6902356B2 (ja) |
Family Cites Families (6)
| Publication number | Priority date | Publication date | Assignee | Title |
|---|---|---|---|---|
| JPS562156A (en) * | 1979-06-21 | 1981-01-10 | Teijin Ltd | Treatment of aromatic polyamide fiber used for reinforcing rubber |
| JPS61218636A (ja) * | 1985-03-25 | 1986-09-29 | Nippon Valqua Ind Ltd | クラツチフエ−シングの製造方法 |
| JP3187256B2 (ja) * | 1994-09-28 | 2001-07-11 | 帝人株式会社 | 動力伝達ベルト用アラミド繊維コード |
| JPH10279733A (ja) * | 1997-03-31 | 1998-10-20 | Nippon Zeon Co Ltd | 耐油性ゴム組成物及び該組成物と繊維との複合体 |
| JP2004092906A (ja) * | 2002-06-28 | 2004-03-25 | Du Pont Toray Co Ltd | 繊維複合材料 |
| JP2005232204A (ja) * | 2004-02-17 | 2005-09-02 | Nisshinbo Ind Inc | 摩擦材 |
-
2017
- 2017-01-25 JP JP2017011233A patent/JP6902356B2/ja active Active
Also Published As
| Publication number | Publication date |
|---|---|
| JP2018119236A (ja) | 2018-08-02 |
Similar Documents
| Publication | Publication Date | Title |
|---|---|---|
| JP6799381B2 (ja) | ゴム補強用炭素繊維コード | |
| JP5475265B2 (ja) | 補強用芳香族ポリアミド繊維コードの製造方法 | |
| JP2016176168A (ja) | ゴム補強用コード | |
| JP6623831B2 (ja) | 有機繊維コードおよびゴム製品 | |
| JP7067972B2 (ja) | ゴム補強用複合繊維コード | |
| JP4328354B2 (ja) | コード被覆用組成物、それを用いたゴム補強用コード、およびそれを用いたゴム製品 | |
| JP3754132B2 (ja) | ゴム補強用繊維処理剤、補強用繊維、およびゴム補強物 | |
| JP2009203573A (ja) | ゴム補強用ポリエステル繊維コードの製造方法およびゴムホース | |
| WO2015092874A1 (ja) | 補強用繊維コード及びその製造方法 | |
| JP6174387B2 (ja) | 補強用繊維コード及びその製造方法 | |
| JP2005171423A (ja) | ゴム製品の補強用繊維 | |
| JP6902356B2 (ja) | 摩擦材補強用有機繊維コードおよびそれを用いたクラッチフェーシング | |
| JP6877193B2 (ja) | ゴム補強用繊維コードおよびその製造方法 | |
| JP2005042229A (ja) | 伝動ベルト補強用炭素繊維コードおよびこれを用いた伝動ベルト | |
| TW202206671A (zh) | 處理劑、經該處理劑處理之合成纖維束、及橡膠製品 | |
| JP4944742B2 (ja) | ゴム補強用繊維およびその製造方法 | |
| JP2007154382A (ja) | 伝動ベルト補強用炭素繊維コード、その製造方法、およびこれを用いた伝動ベルト | |
| JP2011241503A (ja) | 補強用炭素繊維複合コードの製造方法 | |
| JP7088701B2 (ja) | ゴム補強用の複合繊維コード及びその製造方法 | |
| JP2004100113A (ja) | ゴム補強用炭素繊維コードの製造方法 | |
| JP6877155B2 (ja) | ゴム補強用炭素繊維コード | |
| JP2007154385A (ja) | ゴム補強用複合コード及び繊維強化ゴム材料 | |
| JP4126354B2 (ja) | ゴム製品の補強用繊維及びその製造方法 | |
| JPWO2020031408A1 (ja) | ゴム補強用繊維コード | |
| JP2011241502A (ja) | ゴム補強用炭素繊維の製造方法 |
Legal Events
| Date | Code | Title | Description |
|---|---|---|---|
| A621 | Written request for application examination |
Free format text: JAPANESE INTERMEDIATE CODE: A621 Effective date: 20191030 |
|
| A977 | Report on retrieval |
Free format text: JAPANESE INTERMEDIATE CODE: A971007 Effective date: 20200825 |
|
| A131 | Notification of reasons for refusal |
Free format text: JAPANESE INTERMEDIATE CODE: A131 Effective date: 20200915 |
|
| A521 | Written amendment |
Free format text: JAPANESE INTERMEDIATE CODE: A523 Effective date: 20201110 |
|
| A131 | Notification of reasons for refusal |
Free format text: JAPANESE INTERMEDIATE CODE: A131 Effective date: 20210126 |
|
| A601 | Written request for extension of time |
Free format text: JAPANESE INTERMEDIATE CODE: A601 Effective date: 20210323 |
|
| A521 | Written amendment |
Free format text: JAPANESE INTERMEDIATE CODE: A523 Effective date: 20210406 |
|
| TRDD | Decision of grant or rejection written | ||
| A01 | Written decision to grant a patent or to grant a registration (utility model) |
Free format text: JAPANESE INTERMEDIATE CODE: A01 Effective date: 20210608 |
|
| A61 | First payment of annual fees (during grant procedure) |
Free format text: JAPANESE INTERMEDIATE CODE: A61 Effective date: 20210621 |
|
| R150 | Certificate of patent or registration of utility model |
Ref document number: 6902356 Country of ref document: JP Free format text: JAPANESE INTERMEDIATE CODE: R150 |
