JP6589295B2 - Power converter - Google Patents

Power converter Download PDF

Info

Publication number
JP6589295B2
JP6589295B2 JP2015038367A JP2015038367A JP6589295B2 JP 6589295 B2 JP6589295 B2 JP 6589295B2 JP 2015038367 A JP2015038367 A JP 2015038367A JP 2015038367 A JP2015038367 A JP 2015038367A JP 6589295 B2 JP6589295 B2 JP 6589295B2
Authority
JP
Japan
Prior art keywords
power converter
cooling
cooling air
chamber
wind tunnel
Prior art date
Legal status (The legal status is an assumption and is not a legal conclusion. Google has not performed a legal analysis and makes no representation as to the accuracy of the status listed.)
Active
Application number
JP2015038367A
Other languages
Japanese (ja)
Other versions
JP2016163392A (en
Inventor
平 呉
平 呉
幸夫 福田
幸夫 福田
Current Assignee (The listed assignees may be inaccurate. Google has not performed a legal analysis and makes no representation or warranty as to the accuracy of the list.)
Fuji Electric Co Ltd
Original Assignee
Fuji Electric Co Ltd
Priority date (The priority date is an assumption and is not a legal conclusion. Google has not performed a legal analysis and makes no representation as to the accuracy of the date listed.)
Filing date
Publication date
Application filed by Fuji Electric Co Ltd filed Critical Fuji Electric Co Ltd
Priority to JP2015038367A priority Critical patent/JP6589295B2/en
Publication of JP2016163392A publication Critical patent/JP2016163392A/en
Application granted granted Critical
Publication of JP6589295B2 publication Critical patent/JP6589295B2/en
Active legal-status Critical Current
Anticipated expiration legal-status Critical

Links

Images

Landscapes

  • Stand-By Power Supply Arrangements (AREA)
  • Inverter Devices (AREA)
  • Cooling Or The Like Of Electrical Apparatus (AREA)

Description

この発明は、無停電電源装置のように半導体素子で構成された電力変換器、電源の開閉および保護を行うブレーカ、電路の選択開閉を行うコンタクタ、電圧の変換を行うトランスなどの各種電気機器を1つのキュービクル内に収めて構成した電力変換装置に関し、特に電力変換装置内の電気機器を空気により強制冷却するようにした空気冷却構造に関する。   The present invention relates to various electric devices such as a power converter composed of semiconductor elements such as an uninterruptible power supply, a breaker that opens and closes and protects a power supply, a contactor that selectively opens and closes an electric circuit, and a transformer that converts voltage. More particularly, the present invention relates to an air cooling structure in which electric equipment in the power conversion device is forcibly cooled by air.

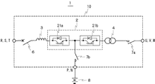
無停電電源装置を構成する一般的な電力変換装置は、図5に示すような回路構成を有する。   A general power conversion device constituting the uninterruptible power supply has a circuit configuration as shown in FIG.

すなわち、電力変換装置1は、半導体スイッチ素子21a,21bで構成された電力変換器2を備え、その入力端を、電源スイッチとなるブレーカ6およびリアクトル3を介して交流入力端子R,S,Tに接続し、出力端を、トランス4および出力スイッチとなるコンタクタ7aを介して交流出力端子U,V,Wに接続する。そして電力変換器2の直流中間端子を接続スイッチとなるコンタクタ7bを介して、バッテリ8の接続された直流端子P,Nに接続している。これらの各種電気機器を、すべてキュービクル状の盤本体10に収容して電力変換装置1を構成する。   That is, the power conversion device 1 includes a power converter 2 composed of semiconductor switch elements 21a and 21b, and the input ends thereof are connected to AC input terminals R, S, T via a breaker 6 and a reactor 3 that serve as power switches. And the output terminal is connected to AC output terminals U, V, and W via a transformer 4 and a contactor 7a serving as an output switch. The DC intermediate terminal of the power converter 2 is connected to the DC terminals P and N to which the battery 8 is connected via a contactor 7b serving as a connection switch. All of these various electric devices are accommodated in a cubicle-shaped board body 10 to constitute the power conversion device 1.

このような電力変換装置1は、従来から特許文献1および2に示されるように、電力変換器2およびトランス4やその他の電気機器を空気により強制冷却するための空気冷却構造を備える。   Conventionally, as shown in Patent Documents 1 and 2, such a power conversion apparatus 1 includes an air cooling structure for forcibly cooling the power converter 2, the transformer 4, and other electric devices with air.

特許文献1に示された従来の電力変換装置は、図6に示すように、電力変換器2とトランス4を冷却するため、これらの電気機器を、前面を開閉扉17により閉じられたキュービクルで構成した盤本体10内を隔壁11により区画形成した前室12と後室13に各別に収容する。前、後室12、13の上部に各別に冷却ファン14a,14bを設けている。前室12には、電力変換器2の他に、発熱の低い、ブレーカ6、コンタクタ7、プリント板で構成される制御装置5等が収容される。また、後室13には、トランス4の他に、発熱の高いリアクトル3が収容される。冷却ファン14a,14bは、それぞれ、外部の空気を、盤本体10の前面扉17の下方の吸気口15から各区画室内に冷却空気として吸い込み、これを、矢印で示すように、上方へ貫流させて盤本体10の天井壁に設けた排気口16a、16bから排出する。これにより、前室12に収容した電力変換器2および後室13内に収容した高発熱体であるトランス4およびリアクトル3が各別に冷却される。   As shown in FIG. 6, the conventional power conversion device disclosed in Patent Document 1 is a cubicle whose front is closed by an open / close door 17 in order to cool the power converter 2 and the transformer 4. The constructed board body 10 is housed separately in a front chamber 12 and a rear chamber 13 which are partitioned by a partition wall 11. Cooling fans 14a and 14b are separately provided above the front and rear chambers 12 and 13, respectively. In the front chamber 12, in addition to the power converter 2, a breaker 6, a contactor 7, a control device 5 including a printed board and the like having low heat generation are accommodated. In addition to the transformer 4, the reactor 3 having high heat generation is accommodated in the rear chamber 13. Each of the cooling fans 14a and 14b sucks external air as cooling air from the air inlet 15 below the front door 17 of the panel body 10 into each compartment, and causes this to flow upward as indicated by arrows. Then, the air is discharged from the exhaust ports 16a and 16b provided on the ceiling wall of the board body 10. Thereby, the power converter 2 accommodated in the front chamber 12 and the transformer 4 and the reactor 3 which are high heat generating elements accommodated in the rear chamber 13 are cooled separately.

この結果、電力変換器2を、高発熱体であるトランス4およびリアクトル3の発生する熱の影響を受けることなしに、効果的に冷却することができる。   As a result, the power converter 2 can be effectively cooled without being affected by the heat generated by the transformer 4 and the reactor 3 that are high heating elements.

また、特許文献2に示された従来の電力変換装置は、図7に示すように構成されている。すなわち、この従来例においては、2つの冷却ファン14a,14bが盤本体10の中間部に設けられており、これらの冷却ファンにより、盤本体10のトランス4およびリアクトル3の収められた区画室13に、盤本体の前面扉17の下方の吸気口15から外部の空気を冷却空気として吸引して、トランス4、リアクトル3を冷却する。そして、冷却ファン14aから排出される冷却空気を電力変換器2の半導体スイッチ素子21の取付けられた冷却フィン23を収容した風洞18に貫流させて盤本体10の天井壁に設けた排気口16から排出することにより、冷却フィン23を介して電力変換器2を冷却する。そして、冷却ファン14bから排出される冷却空気のほとんどは盤本体1の天井壁に設けた排気口16から排気されるが、一部が、風洞18内に分流されて、電力変換器2の冷却を助ける。   Moreover, the conventional power converter device shown by patent document 2 is comprised as shown in FIG. That is, in this conventional example, two cooling fans 14a and 14b are provided in the middle part of the panel main body 10, and these cooling fans provide a compartment 13 in which the transformer 4 and the reactor 3 of the panel main body 10 are stored. Next, external air is sucked as cooling air from the inlet 15 below the front door 17 of the panel body, and the transformer 4 and the reactor 3 are cooled. Then, the cooling air discharged from the cooling fan 14a is caused to flow through the wind tunnel 18 accommodating the cooling fins 23 to which the semiconductor switch elements 21 of the power converter 2 are attached, and from the exhaust port 16 provided on the ceiling wall of the panel body 10. By discharging, the power converter 2 is cooled via the cooling fins 23. And most of the cooling air discharged from the cooling fan 14 b is exhausted from the exhaust port 16 provided in the ceiling wall of the panel body 1, but a part is diverted into the wind tunnel 18 to cool the power converter 2. Help.

特開平09−213532号公報Japanese Patent Application Laid-Open No. 09-213532 特開2006‐087269号公報JP 2006-087269 A

特許文献1の従来装置は、電力変換器への冷却空気は、盤本体の前室に外部から直接吸引するので、前室に収容された電力変換器以外の制御装置やブレーカ、コンタクタなどにも直接冷却空気が当たり、冷却空気に含まれる塵埃が制御装置やブレーカおよびコンタクタに付着堆積し、制御装置の制御プリント板の絶縁低下やブレーカおよびコンタクタの接点の動作不良が生じる不都合がある。   In the conventional device of Patent Document 1, the cooling air to the power converter is directly sucked into the front chamber of the panel main body from the outside, so that the control device other than the power converter housed in the front chamber, the breaker, the contactor, etc. Direct cooling air hits, and dust contained in the cooling air adheres to and accumulates on the control device, the breaker and the contactor, and there is a disadvantage in that the control printed board of the control device is lowered in insulation and the breaker and contactor contact malfunction.

また特許文献2の従来装置は、トランスおよびリアクトルの冷却空気の排気の一部が電力変換器の冷却風洞に送られるため、発熱量の大きいトランスの場合は、トランスの冷却空気の排気温度の上昇により電力変換器の冷却不足が生じる不都合がある。   Further, in the conventional device of Patent Document 2, since a part of the exhaust air of the cooling air of the transformer and the reactor is sent to the cooling wind tunnel of the power converter, in the case of a transformer having a large calorific value, the exhaust temperature of the cooling air of the transformer increases. As a result, the power converter is not sufficiently cooled.

この発明は、このような従来装置における不都合を解消するため、電力変換器とリアクトルおよびトランスとの冷却が各別に行われ、かつ制御装置やブレーカおよびコンタクタに冷却空気に含まれる塵埃の付着することのない電力変換装置の空気冷却構造を得ることを課題とするものである。   In order to eliminate such inconveniences in the conventional apparatus, the power converter, the reactor, and the transformer are separately cooled, and dust contained in the cooling air adheres to the control device, the breaker, and the contactor. It is an object of the present invention to obtain an air cooling structure for a power conversion device without any problem.

前記の課題を解決するため、この発明は、 前記盤本体内を垂直の隔壁により前室と後室とに区画して、前記前室内に電力変換器、ブレーカ、コンタクタおよび制御装置を収容し、前記後室内にトランスおよびリアクトルを収容するとともに、前記前室内に、前記電力変換器の少なくとも半導体素子を冷却する冷却フィンを包む風洞を設け、前記盤本体の前面扉の下部に外部から前記前室へ通じる吸気口を設け、前記隔壁の下部に前記前室から後室へ通じる通気口を設け、前記盤本体の天井壁に前記後室および前記風洞から外部へ通じる排気口を設け、かつ前記風洞に吸引された冷却空気を前記排気口から排出する電力変換器用冷却ファンと、前記後室に吸引された冷却空気を前記排出口から排出するトランス用冷却ファンとを前記盤本体の天井部に並設したことを特徴とするものである。   In order to solve the above problems, the present invention divides the inside of the panel body into a front chamber and a rear chamber by a vertical partition, and houses a power converter, a breaker, a contactor and a control device in the front chamber, A transformer and a reactor are accommodated in the rear chamber, and a wind tunnel is provided in the front chamber to wrap cooling fins for cooling at least semiconductor elements of the power converter, and the front chamber is externally provided below the front door of the panel body. An air inlet that leads to the rear chamber, a vent that leads from the front chamber to the rear chamber, an exhaust port that communicates with the rear chamber and the wind tunnel on the ceiling wall of the panel body, and the wind tunnel A cooling fan for a power converter that discharges the cooling air sucked into the exhaust port from the exhaust port, and a cooling fan for a transformer that discharges the cooling air sucked into the rear chamber from the discharge port. It is characterized in that it has arranged in Ibe.

この発明においては、前記風洞の下端を前記ブレーカ、コンタクタおよび制御装置の設置位置より下方の位置まで延長するのがよく、また、前記前面扉の吸気口は、前記風洞の下端より下に設けるのがよい。   In this invention, the lower end of the wind tunnel is preferably extended to a position below the installation position of the breaker, contactor and control device, and the air inlet of the front door is provided below the lower end of the wind tunnel. Is good.

さらに、前記隔壁の通気口部分に前記後室から前室への冷却空気の逆流を抑制する逆流抑制手段を設けることができる。   Furthermore, a backflow suppressing means for suppressing a backflow of cooling air from the rear chamber to the front chamber can be provided at the vent portion of the partition wall.

前記隔壁の通気口は、前記トランスおよびリアクトルの支持位置より下方に設けるのがよい。   The vent of the partition wall is preferably provided below the support position of the transformer and the reactor.

この発明によれば、前室に収容された電力変換器と、後室に収容された高発熱体であるトランスおよびリアクトルとを各別に冷却空気を通して冷却するので、電力変換器をトランスおよびリアクトルの冷却に影響されることなく良好に冷却することができる。   According to the present invention, the power converter accommodated in the front chamber and the transformer and the reactor, which are high heating elements accommodated in the rear chamber, are separately cooled through the cooling air, so that the power converter is connected to the transformer and the reactor. It is possible to cool well without being affected by cooling.

また、前室内に吸引された冷却空気は、電力変換器へ冷却空気を導く風洞を通して流れ、この前室内に収容されたブレーカ、コンタクタおよび制御装置には流れないので、ブレーカ、コンタクタおよび制御装置に冷却空気に含まれる塵埃が付着することがなく、制御装置の絶縁性能の低下およびブレーカおよびコンタクタの接点の接触不良の発生を抑制することができる。   Also, the cooling air sucked into the front chamber flows through the wind tunnel that guides the cooling air to the power converter and does not flow to the breaker, contactor, and control device accommodated in the front chamber. Dust contained in the cooling air does not adhere, and it is possible to suppress the deterioration of the insulation performance of the control device and the occurrence of contact failure between the breaker and the contactor.

この発明の実施例の電力変換装置の外観を示す斜視構成図であり、(a)は、前面扉を閉じた状態の構成図、(b)は、前面扉を開いた状態の構成図である。BRIEF DESCRIPTION OF THE DRAWINGS It is a perspective block diagram which shows the external appearance of the power converter device of the Example of this invention, (a) is a block diagram of the state which closed the front door, (b) is a block diagram of the state which opened the front door. . この発明の実施例の電力変換装置の外周壁を外して内部構成を示す斜視図であり、(a)は、正面側から見た斜視図、(b)は、背面側から見た斜視図である。It is the perspective view which removed the outer peripheral wall of the power converter device of the Example of this invention, and shows an internal structure, (a) is the perspective view seen from the front side, (b) is the perspective view seen from the back side. is there. この発明の実施例の電力変換装置の内部構成を示す縦断面図である。It is a longitudinal cross-sectional view which shows the internal structure of the power converter device of the Example of this invention. この発明に使用する電力変換器の構成を示すもので、(a)は、左側面側から見た斜視図、(b)は、正面側から見た縦断面図である。The structure of the power converter used for this invention is shown, (a) is the perspective view seen from the left side surface side, (b) is the longitudinal cross-sectional view seen from the front side. 無停電電源装置を構成する電力変換装置の一般的な回路構成を示すブロック構成図である。It is a block block diagram which shows the general circuit structure of the power converter device which comprises an uninterruptible power supply device. 電力変換装置の従来例を示す縦断面図である。It is a longitudinal cross-sectional view which shows the prior art example of a power converter device. 電力変換装置の他の従来例を示す縦断面図である。It is a longitudinal cross-sectional view which shows the other conventional example of a power converter device.

この発明の実施の形態を図に示す実施例について説明する。   Embodiments of the present invention will be described with reference to the embodiments shown in the drawings.

図1ないし図4にこの発明の実施例を示す。   1 to 4 show an embodiment of the present invention.

この発明による電力変換装置1の外観は、図1(a)および(b)に示すように構成されている。   The external appearance of the power conversion device 1 according to the present invention is configured as shown in FIGS. 1 (a) and 1 (b).

電力変換装置1は、前面を開閉扉17により閉じたキュービクル状の盤本体10を備える。この盤本体10の前面扉17の下部に、外部から盤内に通じる吸気口15が設けられ、盤本体10の天井壁に盤内から外部へ通じる排気口16aおよび16bが設けられている。
このような盤本体10内には、図2(a)および(b)並びに図3に明示するように垂直な隔壁11が設けられ、これにより、この中が前後に2つに区画され、前室12と後室13が形成される。
The power conversion device 1 includes a cubicle-shaped panel body 10 whose front surface is closed by an opening / closing door 17. An air inlet 15 leading from the outside to the inside of the panel is provided at the lower portion of the front door 17 of the panel body 10, and exhaust ports 16 a and 16 b communicating from the inside of the panel to the outside are provided on the ceiling wall of the panel body 10.
As shown in FIGS. 2 (a) and 2 (b) and FIG. 3, a vertical partition wall 11 is provided in such a panel body 10, so that the inside of the panel body 10 is divided into two in the front and rear directions. A chamber 12 and a rear chamber 13 are formed.

前室12は、前面扉17に設けた吸気口15により外部と通じている。この前室12内には、半導体素子で構成された電力変換器2と、この電力変換器2と電源との開閉を行う保護機能付きのブレーカ6と、電力変換器2の電路の選択接続を行うコンタクタ7、および電力変換器2等を制御する制御装置5が収容される。   The front chamber 12 communicates with the outside through an air inlet 15 provided in the front door 17. In the front chamber 12, a power converter 2 composed of semiconductor elements, a breaker 6 with a protective function for opening and closing the power converter 2 and a power source, and a selective connection of the electric circuit of the power converter 2 are provided. A contactor 7 to be performed and a control device 5 for controlling the power converter 2 and the like are accommodated.

隔壁11の下端部には通気口11aが設けられており、これにより後室13は前室12と連通される。このように前室12と連通した後室13内には、高発熱体となるリアクトル3およびトランス4が収容される。   A vent 11 a is provided at the lower end of the partition wall 11, whereby the rear chamber 13 communicates with the front chamber 12. In this way, the reactor 3 and the transformer 4 serving as a high heating element are accommodated in the rear chamber 13 communicating with the front chamber 12.

隔壁11の通気口11aは、前面扉17の吸気口15の設けられた位置より下方の位置に設けるのがよく、さらに後室13に収容されたトランス4およびリアクトル3の支持位置より下方の位置に設けるのがよい。   The vent hole 11a of the partition wall 11 is preferably provided at a position below the position where the air inlet 15 of the front door 17 is provided, and further below the support position of the transformer 4 and the reactor 3 housed in the rear chamber 13. It is good to provide in.

後室13の上方には、前面扉17の吸気口15、前室12および隔壁11の通気口11aを通して外部空気を冷却空気として吸込み、後室13内を上方へ貫流させて、天井壁の排気口16bから排気することにより、リアクトル3およびトランス4を空気流により強制冷却するトランス用冷却ファン14bが設けられている。   Above the rear chamber 13, external air is sucked as cooling air through the air inlet 15 of the front door 17, the front chamber 12 and the vent 11 a of the partition wall 11, and flows through the rear chamber 13 upward to exhaust the ceiling wall. A transformer cooling fan 14b is provided for forcibly cooling the reactor 3 and the transformer 4 by an air flow by exhausting from the port 16b.

そして、前室12には、電力変換器2の半導体素子21を冷却するための冷却体22に付設された冷却フィン23を収容する通風路24(図5参照)へ冷却空気を導く風洞18を設けている。電力変換器2の通風路24の上端と盤本体10の天井壁の排気口16aとの間に電力変換器用冷却ファン14aを設ける。この冷却ファン14aは、吸気口15から前室12に吸い込んだ冷却空気を、さらに風洞18を介して電力変換器2の通風路24へ貫流させて、排気口16aから排出する過程で、冷却フィン23を介して電力変換器2を構成する半導体素子21を空気流により強制冷却する。   In the front chamber 12, a wind tunnel 18 that guides cooling air to a ventilation path 24 (see FIG. 5) that houses cooling fins 23 attached to a cooling body 22 for cooling the semiconductor element 21 of the power converter 2. Provided. A power converter cooling fan 14 a is provided between the upper end of the ventilation path 24 of the power converter 2 and the exhaust port 16 a of the ceiling wall of the panel body 10. The cooling fan 14a is a process that allows the cooling air sucked into the front chamber 12 from the intake port 15 to further flow through the wind tunnel 18 to the ventilation path 24 of the power converter 2 and is discharged from the exhaust port 16a. The semiconductor element 21 constituting the power converter 2 is forcibly cooled via the air flow 23.

前室12内には、前面扉17の吸気口15より外部から冷却空気が吸い込まれるが、この中に電力変換器2の冷却フィン23へ冷却空気を導く風洞を設けることにより、前室12内に冷却空気の貫流されない領域が形成される。ブレーカ6は、この前室12内の冷却空気の貫流されない領域に置かれた風洞18の前壁上に取付けられ、同様に冷却空気の貫流されない領域にある隔壁11の前面には、コンタクタ7および制御装置5が取付けられている。コンタクタ7は、ブレーカ6と同じ高さの位置に取付けられる。   Cooling air is sucked into the front chamber 12 from the outside through the intake port 15 of the front door 17. By providing a wind tunnel in the front chamber 12 to the cooling fins 23 of the power converter 2, A region where the cooling air is not allowed to flow is formed. The breaker 6 is mounted on the front wall of the wind tunnel 18 placed in the area where the cooling air does not flow in the front chamber 12. Similarly, the contactor 7 and the front surface of the partition wall 11 in the area where the cooling air does not flow A control device 5 is attached. The contactor 7 is attached at the same height as the breaker 6.

前室12の上方はこの中に収容した電力変換器2や上壁19によって閉塞されているが、後室13の上方は冷却ファン14bを介して天井壁の排気口16bから外部へ通じている。   The upper portion of the front chamber 12 is closed by the power converter 2 and the upper wall 19 accommodated therein, but the upper portion of the rear chamber 13 communicates to the outside through the cooling fan 14b from the exhaust port 16b of the ceiling wall. .

電力変換器2は、図4(a)、(b)に示すように、ユニットケース20内に収められる半導体素子21、冷却体22、冷却フィン23により構成されている。ユニットケース20には上下に貫通した通風路24が設けられている。この通風路24内には、半導体素子21を支持した冷却体22に間隔をおいて突出形成された複数の冷却フィン23が収容される。   As shown in FIGS. 4A and 4B, the power converter 2 includes a semiconductor element 21, a cooling body 22, and cooling fins 23 housed in the unit case 20. The unit case 20 is provided with a ventilation path 24 penetrating vertically. In this ventilation path 24, a plurality of cooling fins 23 are accommodated which are formed so as to protrude from the cooling body 22 supporting the semiconductor element 21 at intervals.

このように構成した電力変換装置1において、運転に伴い冷却ファン14aおよび14bを駆動すると、図3に示すように、盤本体10の前面扉17の吸気口15から外部空気が冷却空気として矢印Aで示されるように盤内に吸引される。   In the power conversion device 1 configured as described above, when the cooling fans 14a and 14b are driven in accordance with the operation, as shown in FIG. 3, the external air is cooled from the intake port 15 of the front door 17 of the panel body 10 as cooling air. It is sucked into the board as indicated by.

この盤内に吸引された冷却空気は、盤本体10の前室12においては、矢印B,C、Dで示すように風洞18の下端の入口から風洞18内に吸い込まれ、この風洞18内を上昇して電力変換器2の通風路24に導かれる。そして、冷却空気が通風路24を冷却フィン23と接触しながら貫流し、冷却ファン14aを通して、排気口16aから外部へ排気される。前室12内の冷却空気は風洞18内を貫流して電力変換器2の冷却フィンと接触して流れることにより冷却体22に介して半導体素子21を冷却することができる。   In the front chamber 12 of the panel body 10, the cooling air sucked into the panel is sucked into the wind tunnel 18 from the lower end entrance of the wind tunnel 18 as indicated by arrows B, C, and D. It rises and is guided to the ventilation path 24 of the power converter 2. Then, the cooling air flows through the ventilation path 24 in contact with the cooling fins 23 and is exhausted from the exhaust port 16a to the outside through the cooling fan 14a. The cooling air in the front chamber 12 flows through the wind tunnel 18 and flows in contact with the cooling fins of the power converter 2, thereby cooling the semiconductor element 21 through the cooling body 22.

また、盤本体10の後室13内には、冷却ファン14bの作動により、隔壁11の下部の通風口11aを通して前室12から冷却空気が吸い込まれ、矢印Eで示すようにリアクトル3およびトランス4の下からこれらに沿って上方へ貫流し、冷却ファン14bを通して排気口16bから外部へ排気されるようになる。このように後室13内をリアクトル3およびトランス4と接触しながら強制貫流される冷却空気により、リアクトル3およびトランス4を良好に冷却することができる。   Further, the cooling air is sucked into the rear chamber 13 of the panel body 10 from the front chamber 12 through the ventilation port 11a below the partition wall 11 by the operation of the cooling fan 14b, and as shown by the arrow E, the reactor 3 and the transformer 4 From below, the gas flows upward along these, and is exhausted from the exhaust port 16b to the outside through the cooling fan 14b. Thus, the reactor 3 and the transformer 4 can be satisfactorily cooled by the cooling air that is forced to flow through the rear chamber 13 in contact with the reactor 3 and the transformer 4.

これにより、電力変換器2と、リアクトル3およびトランス4とに各別に冷却空気を強制貫流させて冷却することができるので、高発熱体であるリアクトル3およびトランス4の熱の影響を受けないで電力変換器2を良好に冷却することができる。   As a result, it is possible to cool the power converter 2 and the reactor 3 and the transformer 4 by forcibly passing cooling air separately, so that they are not affected by the heat of the reactor 3 and the transformer 4 that are high heating elements. The power converter 2 can be cooled satisfactorily.

前室12の上部が閉塞されているので、このように冷却空気を強制貫流させて電力変換器2、リアクトル3およびトランス4を冷却する際、前室12内に吸い込まれた冷却空気は、風洞18を通してだけ流れる。一方、ブレーカ6、コンタクタ7および制御装置5は、前室12内の冷却空気の貫流されない領域に置かれた風洞18の前面壁部分および隔壁11の前面部分に取付けられているので、これらの機器の表面への冷却空気に含まれる塵埃の付着堆積を抑制することができる。   Since the upper portion of the front chamber 12 is closed, when the cooling air is forced to flow in this way to cool the power converter 2, the reactor 3 and the transformer 4, the cooling air sucked into the front chamber 12 It flows only through 18. On the other hand, since the breaker 6, the contactor 7 and the control device 5 are attached to the front wall portion of the wind tunnel 18 and the front portion of the partition wall 11 which are placed in the area where the cooling air does not flow in the front chamber 12, these devices are installed. It is possible to suppress the adhesion and accumulation of dust contained in the cooling air on the surface.

このため、長期間運転しても、接点を備えるブレーカやコンタクタの接触不良の発生や、制御装置の絶縁不良の発生を低減することができる。   For this reason, even if it operates for a long time, generation | occurrence | production of the contact failure of the breaker and contactor provided with a contact, and generation | occurrence | production of the insulation failure of a control apparatus can be reduced.

前室12において、風洞18の冷却空気の入口となる下端を前室12内に収めたブレーカ6およびコンタクタ7の設置位置より下方の位置まで延長することにより、ブレーカ6やコンタクタ7の設置領域が、冷却空気の貫流されない領域に置くことができるので、これらの機器への粉塵の付着堆積をより抑制することができる。この効果は、前面扉17に設けた吸気口15を風洞18の下端の位置より下方の位置に設けることにより、さらに高めることができる。   In the front chamber 12, the lower end serving as the cooling air inlet of the wind tunnel 18 is extended to a position below the installation position of the breaker 6 and the contactor 7 housed in the front chamber 12, so that the installation area of the breaker 6 and the contactor 7 is increased. Since the cooling air can be placed in an area where the cooling air does not flow, it is possible to further suppress the adhesion and accumulation of dust on these devices. This effect can be further enhanced by providing the intake port 15 provided in the front door 17 at a position below the position of the lower end of the wind tunnel 18.

また、隔壁11の通気口11aに、図3に示すように、冷却空気の後室13から前室12への逆流を抑制する逆流抑止片11bを設けることにより、後室13内のリアクトル3およびトランス4で加熱された冷却空気の逆流を抑制することができるので、前室12に収容した電力変換器2の冷却効果を高く維持することができる。   Further, as shown in FIG. 3, by providing a backflow suppression piece 11 b that suppresses the backflow from the rear chamber 13 to the front chamber 12 at the vent 11 a of the partition wall 11, the reactor 3 in the rear chamber 13 and Since the backflow of the cooling air heated by the transformer 4 can be suppressed, the cooling effect of the power converter 2 accommodated in the front chamber 12 can be maintained high.

さらに、隔壁11に設けた通気口11aを、後室13に収めたリアクトル3およびトランス4の支持位置よりも下方の位置に設けることにより、この通気口11aか後室13に吸い込まれた冷却空気を、リアクトル3およびトランス4の下端から上方へ接触して貫流させることができるので、リアクトル3およびトランス4の冷却効果をより高めることができる。   Further, by providing the vent 11 a provided in the partition wall 11 at a position below the support position of the reactor 3 and the transformer 4 housed in the rear chamber 13, the cooling air sucked into the vent 11 a or the rear chamber 13 is provided. Since it can be made to contact and flow upward from the lower end of the reactor 3 and the transformer 4, the cooling effect of the reactor 3 and the transformer 4 can be further enhanced.

1:電力変換装置
10:盤本体
11:隔壁
12:前室
13:後室
14a,14b:冷却ファン
15:吸気口
16a、16b:排気口
17:前面扉
18:風洞
19:上壁
2:電力変換器
20:ユニットケース
21:半導体素子
22:冷却体
23:冷却フィン
24:通風路
3:リアクトル
4:トランス
5:制御装置
6:ブレーカ
7:コンタクタ
8:バッテリ
1: Power converter 10: Panel body 11: Partition 12: Front chamber 13: Rear chamber 14a, 14b: Cooling fan 15: Inlet 16a, 16b: Exhaust 17: Front door 18: Wind tunnel 19: Upper wall 2: Electric power Converter 20: Unit case 21: Semiconductor element 22: Cooling body 23: Cooling fin 24: Ventilation path 3: Reactor 4: Transformer 5: Controller 6: Breaker 7: Contactor 8: Battery

Claims (7)

盤本体内を垂直の隔壁により前室と後室とに区画して、前記前室内に電力変換器、ブレーカ、コンタクタおよび制御装置を収容し、前記後室内にトランスおよびリアクトルを収容するとともに、
前記前室内に、前記電力変換器の少なくとも半導体素子を冷却する冷却フィンが収容された通風路へ冷却空気を導く風洞と、冷却空気の貫流されない領域とを設け、
前記冷却空気の貫流されない領域に、前記ブレーカ、コンタクタおよび制御装置を設け、
前記盤本体の前面扉の下部に外部から前記前室へ通じる吸気口を設け、前記隔壁の下部に前記前室から前記後室へ通じる通気口を設け、前記盤本体の天井壁に前記後室および前記風洞から外部へ通じる排気口を設け、
かつ前記風洞に吸引された冷却空気を前記排気口から排出する電力変換器用冷却ファンと、前記後室に吸引された冷却空気を前記排気口から排出するトランス用冷却ファンとを前記盤本体の天井部に並設したことを特徴とする電力変換装置。
The inside of the panel body is divided into a front chamber and a rear chamber by a vertical partition, and a power converter, a breaker, a contactor and a control device are accommodated in the front chamber, a transformer and a reactor are accommodated in the rear chamber,
In the front chamber, a wind tunnel for guiding cooling air to a ventilation path in which cooling fins for cooling at least semiconductor elements of the power converter are accommodated, and a region where the cooling air is not flowed through are provided.
In the region where the cooling air is not flowed through, the breaker, contactor and control device are provided,
Provided at the lower part of the front door of the panel main body is an intake port that leads from the outside to the front chamber, provided at the lower part of the partition wall is a vent hole that communicates from the front chamber to the rear chamber, And an exhaust port leading from the wind tunnel to the outside,
And a cooling fan for a power converter that discharges cooling air sucked into the wind tunnel from the exhaust port, and a cooling fan for transformer that discharges cooling air sucked into the rear chamber from the exhaust port. The power converter characterized by having arranged in parallel with the part.
前記通気口が、前記風洞の下端より下方に設けられたことを特徴とする請求項1に記載の電力変換装置。The power conversion device according to claim 1, wherein the air vent is provided below a lower end of the wind tunnel. 前記風洞の下端を、前記ブレーカ、コンタクタおよび制御装置の設置位置より下方の位置まで延長したことを特徴とする請求項1または2に記載の電力変換装置。 The power converter according to claim 1 or 2 , wherein a lower end of the wind tunnel is extended to a position below a position where the breaker, the contactor, and the control device are installed. 前記前面扉の吸気口は、前記風洞の下端より下方の位置に設けることを特徴とする請求項1ないし3の何れか1項に記載の電力変換装置。 The power converter according to any one of claims 1 to 3 , wherein an air inlet of the front door is provided at a position below a lower end of the wind tunnel. 前記隔壁の通気口部分に前記後室から前室への冷却空気の逆流を抑制する逆流抑制手段を設けたことを特徴とする請求項1ないしの何れか1項に記載の電力変換装置。 Power converter according to any one of claims 1 to 4, characterized in that a suppressing backflow inhibiting means reverse flow of cooling air from the rear chamber to the vent portion of the partition wall into the front chamber. 前記隔壁の通気口は、前記トランスおよびリアクトルの支持位置より下方の位置に設けることを特徴とする請求項1ないしの何れか1項に記載の電力変換装置。 The power converter according to any one of claims 1 to 5 , wherein the vent of the partition wall is provided at a position below a support position of the transformer and the reactor. 前記冷却空気の貫流されない領域は、上部が閉塞されていることを特徴とする請求項1ないしの何れか1項に記載の電力変換装置。 The power converter according to any one of claims 1 to 6 , wherein an upper portion of the region where the cooling air is not flowed is closed.
JP2015038367A 2015-02-27 2015-02-27 Power converter Active JP6589295B2 (en)

Priority Applications (1)

Application Number Priority Date Filing Date Title
JP2015038367A JP6589295B2 (en) 2015-02-27 2015-02-27 Power converter

Applications Claiming Priority (1)

Application Number Priority Date Filing Date Title
JP2015038367A JP6589295B2 (en) 2015-02-27 2015-02-27 Power converter

Publications (2)

Publication Number Publication Date
JP2016163392A JP2016163392A (en) 2016-09-05
JP6589295B2 true JP6589295B2 (en) 2019-10-16

Family

ID=56845662

Family Applications (1)

Application Number Title Priority Date Filing Date
JP2015038367A Active JP6589295B2 (en) 2015-02-27 2015-02-27 Power converter

Country Status (1)

Country Link
JP (1) JP6589295B2 (en)

Families Citing this family (10)

* Cited by examiner, † Cited by third party
Publication number Priority date Publication date Assignee Title
JP7122184B2 (en) * 2018-07-13 2022-08-19 株式会社日立インダストリアルプロダクツ power converter
JP7018589B2 (en) * 2018-08-29 2022-02-14 パナソニックIpマネジメント株式会社 Power conversion system and power storage system
CN110875689B (en) * 2018-08-30 2021-01-29 株洲中车时代电气股份有限公司 Rail transit bidirectional converter cabinet
CN112586102B (en) 2018-09-04 2023-10-20 西门子股份公司 Frequency converter cabinet and frequency converter
JP7256953B2 (en) * 2019-01-23 2023-04-13 東芝ライテック株式会社 Dimmers and Dimming Systems
JP7192548B2 (en) * 2019-02-08 2022-12-20 富士電機株式会社 power converter
CN113796171B (en) * 2019-06-07 2023-10-03 川崎重工业株式会社 Control device for robot
JP7115500B2 (en) * 2020-03-18 2022-08-09 富士電機株式会社 Uninterruptible power supply and controller for uninterruptible power supply
CN113133247B (en) * 2021-04-19 2023-08-25 中国煤炭科工集团太原研究院有限公司 Electrical control device and shuttle car with same
DE102024105656B3 (en) * 2024-02-28 2025-05-28 Maschinenfabrik Reinhausen Gmbh Power electronic converter cell and modular system with a variety of interchangeable power electronic converter cells

Family Cites Families (9)

* Cited by examiner, † Cited by third party
Publication number Priority date Publication date Assignee Title
JPS57115582U (en) * 1981-01-12 1982-07-17
JPH0432592U (en) * 1990-07-13 1992-03-17
JPH07131953A (en) * 1993-11-01 1995-05-19 Fuji Electric Co Ltd Air cooling structure of power equipment
JPH09213532A (en) * 1996-02-06 1997-08-15 Fuji Electric Co Ltd Air cooling structure of transformer
JP4525268B2 (en) * 2004-09-17 2010-08-18 富士電機システムズ株式会社 Cooling device for power converter
JP5525934B2 (en) * 2010-06-28 2014-06-18 東芝三菱電機産業システム株式会社 Self-cooling power converter
JP2012164939A (en) * 2011-02-09 2012-08-30 Toshiba Corp Electronic apparatus
JP5965779B2 (en) * 2012-08-24 2016-08-10 株式会社日立産機システム Power converter
JP6074346B2 (en) * 2013-09-24 2017-02-01 山洋電気株式会社 Switchboard equipment

Also Published As

Publication number Publication date
JP2016163392A (en) 2016-09-05

Similar Documents

Publication Publication Date Title
JP6589295B2 (en) Power converter
JP4525268B2 (en) Cooling device for power converter
CN102386571B (en) Transformer cooling device
JP7064998B2 (en) Stationary power converter
JP5596389B2 (en) Power supply
JP2013027247A (en) Switching power supply device
CN105392339B (en) Electrical cabinet
JP5444513B2 (en) control panel
JP2016220416A (en) Semiconductor electric power conversion device
JP5720184B2 (en) Cooling device for power converter
JP2007074865A (en) Power converter
JP5869093B1 (en) control panel
CN209930817U (en) Electrical box structure and air conditioner with same
JP2004006558A (en) Cooler for electronic apparatuses
JP2002151874A (en) Power converter
JP2002218736A (en) Power converter
JP4765095B2 (en) Box device
JP6570293B2 (en) Panel cooling system
JP2006311679A (en) Power converter panel
JP4627183B2 (en) Wall-mounted acoustic disaster prevention device
JP2013157466A (en) Electric power conversion apparatus
JP6007714B2 (en) Transformer cooling system
JP5350180B2 (en) Package for electrical equipment
JP2016116328A (en) Cooling device of power conversion apparatus
JP2014212287A (en) Enclosure unit

Legal Events

Date Code Title Description
A621 Written request for application examination

Free format text: JAPANESE INTERMEDIATE CODE: A621

Effective date: 20180112

A131 Notification of reasons for refusal

Free format text: JAPANESE INTERMEDIATE CODE: A131

Effective date: 20181016

A977 Report on retrieval

Free format text: JAPANESE INTERMEDIATE CODE: A971007

Effective date: 20181018

A521 Request for written amendment filed

Free format text: JAPANESE INTERMEDIATE CODE: A523

Effective date: 20181206

A131 Notification of reasons for refusal

Free format text: JAPANESE INTERMEDIATE CODE: A131

Effective date: 20190212

A521 Request for written amendment filed

Free format text: JAPANESE INTERMEDIATE CODE: A523

Effective date: 20190409

TRDD Decision of grant or rejection written
A01 Written decision to grant a patent or to grant a registration (utility model)

Free format text: JAPANESE INTERMEDIATE CODE: A01

Effective date: 20190820

A61 First payment of annual fees (during grant procedure)

Free format text: JAPANESE INTERMEDIATE CODE: A61

Effective date: 20190902

R150 Certificate of patent or registration of utility model

Ref document number: 6589295

Country of ref document: JP

Free format text: JAPANESE INTERMEDIATE CODE: R150

R250 Receipt of annual fees

Free format text: JAPANESE INTERMEDIATE CODE: R250

R250 Receipt of annual fees

Free format text: JAPANESE INTERMEDIATE CODE: R250

R250 Receipt of annual fees

Free format text: JAPANESE INTERMEDIATE CODE: R250

R250 Receipt of annual fees

Free format text: JAPANESE INTERMEDIATE CODE: R250