JP5953356B2 - ガスタービン発電装置 - Google Patents

ガスタービン発電装置 Download PDF

Info

Publication number
JP5953356B2
JP5953356B2 JP2014220660A JP2014220660A JP5953356B2 JP 5953356 B2 JP5953356 B2 JP 5953356B2 JP 2014220660 A JP2014220660 A JP 2014220660A JP 2014220660 A JP2014220660 A JP 2014220660A JP 5953356 B2 JP5953356 B2 JP 5953356B2
Authority
JP
Japan
Prior art keywords
generator
gas turbine
generators
turbine power
power generation
Prior art date
Legal status (The legal status is an assumption and is not a legal conclusion. Google has not performed a legal analysis and makes no representation as to the accuracy of the status listed.)
Active
Application number
JP2014220660A
Other languages
English (en)
Other versions
JP2016092856A (ja
Inventor
裕久 藤井
裕久 藤井
崇 出雲崎
崇 出雲崎
隆文 千代間
隆文 千代間
陽一 早田
陽一 早田
敏昭 杉山
敏昭 杉山
加藤 正樹
正樹 加藤
Current Assignee (The listed assignees may be inaccurate. Google has not performed a legal analysis and makes no representation or warranty as to the accuracy of the list.)
Nomura Research Institute Ltd
Daihatsu Infinearth Mfg Co Ltd
Original Assignee
Nomura Research Institute Ltd
Daihatsu Diesel Manufacturing Co Ltd
Priority date (The priority date is an assumption and is not a legal conclusion. Google has not performed a legal analysis and makes no representation as to the accuracy of the date listed.)
Filing date
Publication date
Application filed by Nomura Research Institute Ltd, Daihatsu Diesel Manufacturing Co Ltd filed Critical Nomura Research Institute Ltd
Priority to JP2014220660A priority Critical patent/JP5953356B2/ja
Publication of JP2016092856A publication Critical patent/JP2016092856A/ja
Application granted granted Critical
Publication of JP5953356B2 publication Critical patent/JP5953356B2/ja
Active legal-status Critical Current
Anticipated expiration legal-status Critical

Links

Images

Landscapes

  • Control Of Eletrric Generators (AREA)

Description

本発明は、ガスタービン発電装置に関する。
従来、ガスタービン発電装置としては、複数台のガスタービン発電設備を備えたものがある(特開2009−275624号公報(特許文献1))。このガスタービン発電装置では、複数台のガスタービン発電設備を並列に接続し、同期運転させることで、負荷に電力を供給するようにしている。
特開2009−275624号公報
ところで、複数台のガスタービン発電設備を同期運転しているとき、これらのガスタービン発電設備のうちの1台のガスタービン発電設備の故障、例えばガスタービン発電設備のガスタービン機関の燃料切れや燃料系統機器故障による燃料供給不良または燃焼器故障等に起因する燃焼停止が発生することがある。
図9に示すように、上記ガスタービン機関は、一般に、圧縮機501と、燃焼器502と、タービン503とを備えている。圧縮機501で加圧された加圧空気は、圧縮機501から燃焼器502に供給される。燃焼器502に流入した空気は燃料と混合され、この混合気が燃焼する。高温の燃焼ガスが燃焼器502からタービン503に供給されて、タービン503が駆動される。上記圧縮機501は、回転により外部から膨大な燃焼空気を自然吸気し、高圧に圧縮するので、非常に大きな駆動トルクを要する。圧縮機501は、タービン503で発生する動力によって駆動されるので、タービン503で発生する出力から圧縮機501の駆動トルクを差し引いた出力が、ガスタービン機関の外部へ取り出す出力となる。
このため、同期運転中の複数台のガスタービン発電設備のうちの1台で燃焼器502の故障等に起因する燃焼停止が発生し、タービン503で発生する出力がなくなると、故障したガスタービン発電設備の圧縮機501の駆動トルクが他の同期運転をしているガスタービン発電設備の制動トルクとなる。この制動トルクは、いわゆるモータリング負荷である。
燃焼停止が発生した故障機の回転速度が低下する一方、上記モータリング負荷によって、健全機の回転速度も低下する。このように、同期運転をしている複数台のガスタービン発電設備のうちの1台が燃焼停止すると、他のガスタービン発電設備も燃焼停止したガスタービン発電設備の影響を受けて停止するという問題がある。
また、停止したガスタービン発電設備をそれぞれ再度起動しようとすると、故障要因の確認や復旧作業等に多くの時間を要することとなる。このため、ガスタービン発電装置から負荷に電力を供給できない状態が、概ね10分以上の長い時間継続するという問題がある。
そこで、本発明の課題は、同期運転をしている複数台の発電機のうちの少なくとも1台の発電機が故障しても、故障した発電機以外の発電機への影響を低減できると共に、負荷への電力の供給を速やかに再開できるガスタービン発電装置を提供することにある。
上記課題を解決するため、本発明のガスタービン発電装置は、
複数のガスタービンと、
上記複数のガスタービンによってそれぞれ駆動されると共に、互いに並列に接続された複数の発電機と、
上記複数の発電機にそれぞれ接続された複数の発電機遮断器と、
上記複数の発電機のそれぞれの回転速度を検出する回転速度検出部と、
上記回転速度検出部により検出された上記複数の発電機のそれぞれの回転速度に基づいて、少なくとも1つの上記発電機の回転速度が予め定められた条件を満たすと判断すると、上記複数の発電機遮断器をすべて開状態に制御し、上記発電機の回転速度が予め定められた復帰条件を満たす健全機であると判断すると、上記健全機に接続された上記発電機遮断器を閉状態に制御する制御部と
を備えることを特徴としている。
上記構成のガスタービン発電装置によれば、上記制御部は、上記回転速度検出部により検出された上記複数の発電機のそれぞれの回転速度に基づいて、少なくとも1つの上記発電機の回転速度が予め定められた条件を満たすと判断すると、上記複数の発電機遮断器をすべて開状態に制御する。このとき、上記複数の発電機は、全て無負荷状態になる。このため、例えば少なくとも1つの発電機が故障していたとしても、故障機のモータリング負荷などの影響を受けて、他の健全な発電機が停止するのを防止できる。また、健全な発電機は、元の定格運転状態に速やかに復帰できる。
また、上記制御部は、上記発電機の回転速度が予め定められた復帰条件を満たす健全機であると判断すると、上記健全機に接続された上記発電機遮断器を閉状態に制御する。このため、上記健全機と、ガスタービン発電装置の出力側の負荷とを自動的に接続できる。
したがって、上記健全機を再度起動する必要がなくなり、故障要因の確認や復旧作業等も不要となるので、少なくとも1台の発電機が故障しても、他の発電機への影響を低減できると共に、負荷への電力の供給を速やかに再開できる。
また、本発明のガスタービン発電装置は、
複数のガスタービンと、
上記複数のガスタービンによってそれぞれ駆動されると共に、互いに並列に接続された複数の発電機と、
上記複数の発電機にそれぞれ接続された複数の発電機遮断器と、
上記複数の発電機のそれぞれの電圧を検出する電圧検出部と、
上記電圧検出部により検出された上記複数の発電機のそれぞれの電圧に基づいて、少なくとも1つの上記発電機の電圧が予め定められた条件を満たすと判断すると、上記複数の発電機遮断器をすべて開状態に制御し、上記発電機の電圧が予め定められた復帰条件を満たす健全機であると判断すると、上記健全機に接続された上記発電機遮断器を閉状態に制御する制御部と
を備えることを特徴としている。
上記構成のガスタービン発電装置によれば、上記制御部は、上記電圧検出部により検出された上記複数の発電機のそれぞれの電圧に基づいて、少なくとも1つの発電機の電圧が予め定められた条件を満たすと判断すると、上記複数の発電機遮断器をすべて開状態に制御する。このとき、上記複数の発電機は、全て無負荷状態になる。このため、例えば少なくとも1つの発電機が過電圧となっていても、故障機の影響を受けて、他の健全な発電機が停止するのを防止できる。また、健全な発電機は、上記無負荷状態において、元の定格運転状態に速やかに復帰できる。
また、上記制御部は、発電機の電圧が上記復帰条件を満たす健全機であると判断すると、上記健全機に接続された上記発電機遮断器を閉状態に制御する。このため、上記健全機と負荷とが自動的に接続される。
したがって、上記健全機を再度起動する必要がなくなり、故障要因の確認や復旧作業等も不要となるので、少なくとも1台の発電機が故障しても、他の発電機への影響を低減できると共に、負荷への電力の供給を速やかに再開できる。
また、上記複数の発電機のそれぞれの電圧に基づいて、少なくとも1つの発電機が上記故障機であるか否かを判断するので、特に発電機の過電圧による故障が生じたときに、的確な判断ができる。
また、一実施形態では、
上記複数の発電機にそれぞれ接続された少なくとも1つの自動電圧調整装置の界磁電流が界磁電流低下判定値以下となる状態が一定時間継続する故障機であると判断すると、上記故障機に接続された上記発電機遮断器を開状態に制御し、上記故障機のガスタービンを停止させるよう制御する故障機停止制御部を備える。
上記実施形態によれば、少なくとも1つの発電機において、断線等で自動電圧調整装置の励磁電源が断たれ発電機機能を喪失した場合でも、故障した発電機の発電機遮断器を開放するので、全ての発電機において故障機の影響による発電機周波数、電圧、負荷等の異常変動が起きることはない。
つまり、同期運転をしている複数台の発電機のうちの少なくとも1台の発電機において、励磁電源断が発生して故障しても、この故障した発電機以外の発電機への影響を低減できると共に、負荷への電力の供給を速やかに再開できる。
本発明によれば、発電機が故障しても、故障した発電機以外の発電機への影響を低減できると共に、負荷への電力の供給を速やかに再開できる。
本発明のガスタービン発電装置の第1の実施形態の概略構成を示す模式図である。 上記ガスタービン発電装置が起動する前の状態を説明する図である。 上記ガスタービン発電装置が起動したときの状態を説明する図である。 上記ガスタービン発電装置の第1のガスタービン発電設備が燃焼停止したときの上記ガスタービン発電装置の動作の流れを示すフローチャートである。 上記ガスタービン発電装置の第1のガスタービン発電設備が燃焼停止したときの上記ガスタービン発電装置の状態を説明する図である。 上記第1のガスタービン発電設備以外のガスタービン発電設備が運転を継続しているときの上記ガスタービン発電装置の状態を説明する図である。 上記ガスタービン発電装置が負荷に再給電を開始したときの状態を説明する図である。 本発明のガスタービン発電装置の第2の実施形態の概略構成を示す模式図である。 上記ガスタービン発電装置の第1のガスタービン発電設備でAVR検出断したときの上記ガスタービン発電装置の動作の流れを示すフローチャートである。 本発明のガスタービン発電装置の第3の実施形態の概略構成を示す模式図である。 上記ガスタービン発電装置の第1のガスタービン発電設備で励磁電源断したときの上記ガスタービン発電装置の動作の流れを示すフローチャートである。 ガスタービン機関の構造を説明する概略断面図である。
以下、本発明のガスタービン発電装置を図示の実施形態により詳細に説明する。
(第1実施形態)
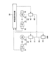
図1は、本発明のガスタービン発電装置の第1の実施形態を示している。図1に示すように、この第1実施形態のガスタービン発電装置は、2台のガスタービン11,12と、2台の発電機21,22と、2つの回転速度センサ31,32と、第1,第2の発電機遮断器41,42と、1つのフィーダー遮断器43と、発電装置制御装置90とを備えている。
上記2台の発電機21,22は、2台のガスタービン11,12によってそれぞれ駆動されると共に、互いに並列に接続されている。ここで、ガスタービン11と発電機21とは、第1のガスタービン発電設備51を構成する。また、ガスタービン12と発電機22とは、第2のガスタービン発電設備52を構成する。
上記第1の発電機遮断器41は、発電機21の出力ライン61に設けられている。また、上記第2の発電機遮断器42は、発電機22の出力ライン62に設けられている。出力ライン61,62は、それぞれ電力系統60に接続されている。電力系統60は、フィーダー遮断器43を介して負荷に接続されている。
上記回転速度センサ31は、ガスタービン11に取り付けられ、回転速度センサ32は、ガスタービン12に取り付けられている。回転速度センサ31,32は、ガスタービン11,12の回転速度をそれぞれ検出し、ガスタービン11,12に接続されている発電機21,22の回転速度を間接的に検出するようになっている。そして、回転速度センサ31,32は、発電機21,22の回転速度を表す信号を発電装置制御装置90に送るようになっている。
上記発電装置制御装置90には、2つの回転速度センサ31,32と、第1,第2の発電機遮断器41,42と、フィーダー遮断器43とが接続されている。発電装置制御装置90は、2つの回転速度センサ31,32からの発電機21,22の回転速度を表す信号に基づいて、予め定められた条件にて第1,第2の発電機遮断器41,42およびフィーダー遮断器43の開閉状態を制御する。
図2Aは、上記ガスタービン発電装置の起動前の状態を説明する図である。
図2Aに示すように、通常時、すなわち商用電源(図示しない)が停電していないとき、第1,第2のガスタービン発電設備51,52は停止している。また、第1,第2の発電機遮断器41,42およびフィーダー遮断器43は、すべて開状態である。
図2Bは、上記ガスタービン発電装置の起動後の状態を説明する図である。
図2Bに示すように、非常時になると、すなわち商用電源(図示しない)が停電すると、上記ガスタービン発電装置は起動する。このとき、第1,第2のガスタービン発電設備51,52は運転している。また、第1,第2の発電機遮断器41,42およびフィーダー遮断器43は、すべて閉状態である。そして、第1,第2のガスタービン発電設備51,52によって発電された電力は、第1,第2の発電機遮断器41,42およびフィーダー遮断器43を経て負荷に供給される。
次に、図3を参照して、上記構成のガスタービン発電装置の第1のガスタービン発電設備51が燃焼停止したときの上記ガスタービン発電装置の動作を説明する。
図3は、ガスタービン発電装置の動作の流れを示すフローチャートである。
図3に示すように、まず、ステップS1で、同期運転をしている第1,第2のガスタービン発電設備51,52のうち、第1のガスタービン発電設備51で燃焼停止が発生する。
次に、ステップS2に進んで、第1のガスタービン発電設備51の燃焼停止に起因して、第2のガスタービン発電設備52にモータリング負荷がかかる。
次に、ステップS3に進んで、故障機(第1のガスタービン発電設備51)は、回転速度が低下しており、上記モータリングの発生によって、健全機(第2のガスタービン発電設備52)も過負荷運転となり、回転速度が低下する。次に、ステップS4に進んで、いずれかのガスタービン発電設備の回転速度が定格回転速度の95%以下か否か、すなわち、遮断器を開放すべきか否か判断する。遮断器を開放すべきと判断すると、ステップS5で第1,第2の発電機遮断器41,42が閉であることを確認したうえで、ステップS6に進む。
ステップS6で、すべての遮断器を開放して、具体的には、第1,第2の発電機遮断器41,42およびフィーダー遮断器43を開状態に制御して、ステップS7に進む。
これにより、いずれかのガスタービン発電設備の回転速度が定格回転速度の95%以下と判断されると、第1,第2の発電機遮断器41,42およびフィーダー遮断器43を同じタイミングで全て開状態にすることができる。
このとき、上記健全機は、上記故障機によるモータリング負荷が取り除かれて、無負荷状態になるので、定格回転速度に復帰できる。
ステップS7で、ガスタービン発電設備の回転速度が定格回転速度の±2.0%以内の範囲に3秒間以上入っているか否か、すなわち、復帰条件を満たすか否か判断する。上記ガスタービン発電設備の回転速度が回復したと判断すると、ステップS8に進む。上記ガスタービン発電設備の回転速度が回復していないと判断すると、ステップS11に進む。
ステップS8で、健全機の発電機遮断器およびフィーダー遮断器43を再投入して、ステップS9に進む。このステップS9で、上記ガスタービン発電装置から負荷に再給電が行われる。
一方、回転速度が回復しなかったガスタービン発電設備については、ステップS11で、上記ガスタービン発電設備の回転速度が定格回転速度の90%以下の回転速度異常低下か否か判断する。上記ガスタービン発電設備の回転速度が上記回転速度異常低下と判断すると、上記ガスタービン発電設備は故障発生機と判断して重故障で停止となり、ステップS12に進む。このステップS12で、上記ガスタービン発電設備の燃料を遮断する。
図4Aは、上記ガスタービン発電装置の第1のガスタービン発電設備51が燃焼停止した瞬間(つまりステップS1発生の瞬間)の上記ガスタービン発電装置の状態を説明する図である。
図4Aに示すように、第2のガスタービン発電設備52は健全であり、運転している。また、第1,第2の発電機遮断器41,42およびフィーダー遮断器43は、すべて閉状態である。
図4Bは、健全機の回転速度が回復するまで(つまりステップS2〜S7)の上記ガスタービン発電装置の状態を説明する図である。
図4Bに示すように、第2のガスタービン発電設備52は運転を継続している。また、第1,第2の発電機遮断器41,42およびフィーダー遮断器43は、すべて開状態である。
図4Cは、第2のガスタービン発電設備52の回転速度が定格回転速度の±2.0%以内の範囲に3秒間以上入り、上記復帰条件を満たした後、つまり、第2の発電機遮断器42およびフィーダー遮断器43が再投入されて、上記ガスタービン発電装置が負荷に再給電を開始したとき(つまりステップS9〜S10)の状態を説明する図である。
図4Cに示すように、第2のガスタービン発電設備52は運転している。また、第2の発電機遮断器42およびフィーダー遮断器43は、閉状態である。
上記構成のガスタービン発電装置によれば、上記発電装置制御装置90は、回転速度センサ31,32により検出された発電機21,22の回転速度に基づいて、少なくとも1つの発電機の回転速度が低下して、この回転速度が定格回転速度の95%以下であると判断すると、第1,第2の発電機遮断器41,42およびフィーダー遮断器43をすべて開状態に制御する。このとき、発電機21,22は、全て無負荷状態になる。このため、例えば少なくとも1つの発電機が故障していたとしても、故障機のモータリング負荷などの影響を受けて、他の健全な発電機が停止するのを防止できる。また、健全な発電機は、元の定格運転状態に速やかに復帰できる。
また、上記発電装置制御装置90は、発電機の回転速度が上記復帰条件を満たす健全機であると判断すると、上記健全機に接続された上記発電機遮断器を閉状態に制御する。このため、上記健全機と負荷とを自動的に接続できる。
したがって、上記健全機を再度起動する必要がなくなり、故障要因の確認や復旧作業等も不要となるので、少なくとも1台の発電機が故障しても、他の発電機への影響を低減できると共に、負荷への電力の供給を速やかに再開できる。
(第2の実施形態)
複数台のガスタービン発電設備を同期運転しているとき、これらのガスタービン発電設備のうちの1台のガスタービン発電設備の発電機において、断線が発生し、過電圧状態となることがある。この発電機の過電圧状態に伴って、同期運転している他のガスタービン発電設備の発電機も過電圧状態となる。このように、同期運転をしている複数台のガスタービン発電設備のうちの1台の発電機が過電圧状態になると、他のガスタービン発電設備の発電機も過電圧状態になった発電機の影響を受けて停止するという問題がある。
そこで、同期運転をしている複数台の発電機のうちの少なくとも1台の発電機が過電圧状態になって故障しても、この故障した発電機以外の発電機への影響を低減できると共に、負荷への電力の供給を速やかに再開できるガスタービン発電設備を提供することも、本発明の課題である。この課題を解決する本発明のガスタービン発電装置の第2の実施形態について、以下に説明する。
図5は、本発明のガスタービン発電装置の第2の実施形態を示している。上記第1の実施形態と相違する点を説明すると、図5に示すように、この第2の実施形態では、ガスタービン発電装置が、さらに、第1,第2のAVR(自動電圧調整装置)101,102と、第1,第2のVT(計測用変圧器)71,72の2次側の電圧検出回路と、第1,第2のCT(変流器)73,74の2次側の電流検出回路と、第1,第2の励磁電源81,82とを有している。なお、その他の構造は、上記第1の実施形態と同じであるため、その説明を省略する。
上記第1の電圧検出回路は、出力ライン61から発電機21の電圧を検出し、この電圧を表す信号を第1のAVR101および発電装置制御装置90に送る。上記第2の電圧検出回路は、出力ライン62から発電機22の電圧を検出し、この電圧を表す信号を第2のAVR102および発電装置制御装置90に送る。
上記第1の励磁電源81は、出力ライン61と第1のAVR101とに接続され、第1のAVR101の励磁電源になっている。上記第2の励磁電源82は、出力ライン62と第2のAVR102とに接続され、第2のAVR102の励磁電源になっている。
上記第1のAVR101は、第1の電圧検出回路と、第1の電流検出回路と、第1の励磁電源81とに接続されている。第1のAVR101は、発電機21の電圧を調整するための界磁電流を流す配線63を有している。第1のAVR101は、第1の電圧検出回路から発電機21の電圧を表す信号を受け、この検出された発電機21の電圧に基づいて、発電機21に対する界磁電流を調整することによって、発電機21の電圧を調整している。
上記第2のAVR102は、第2の電圧検出回路と、第2の電流検出回路と、第2の励磁電源82とに接続されている。第2のAVR102は、発電機22の電圧を調整するための界磁電流を流す配線64を有している。第2のAVR102は、第2の電圧検出回路から発電機22の電圧を表す信号を受け、この検出された発電機22の電圧に基づいて、発電機22に対する界磁電流を調整することによって、発電機22の電圧を調整している。
上記発電装置制御装置90には、第1,第2の電圧検出回路と、第1,第2の発電機遮断器41,42と、フィーダー遮断器43とが接続されている。発電装置制御装置90は、第1,第2の電圧検出回路からの発電機21,22の電圧を表す信号に基づいて、予め定められた電圧条件にて第1,第2の発電機遮断器41,42と、フィーダー遮断器43の開閉状態を制御する。
発電装置制御装置90は、上記電圧条件に該当すると判断したとき、第1,第2の発電機遮断器41,42およびフィーダー遮断器43を開放して、開状態に制御する。また、発電装置制御装置90は、上記投入条件に該当すると判断したとき、第1,第2の発電機遮断器41,42およびフィーダー遮断器43を投入して、閉状態に制御する。
次に、上記構成のガスタービン発電装置の第1のガスタービン発電設備51において、第1のAVR101と第1の電圧検出回路との間の配線で例えば断線が発生した(電圧検出断)ときの上記ガスタービン発電装置の動作を説明する。
図6は、上記ガスタービン発電装置の動作の流れを示すフローチャートである。
図6に示すように、まず、ステップS101で、同期運転をしている第1,第2のガスタービン発電設備51,52のうち、第1のガスタービン発電設備51の発電機21で過電圧が発生する。この過電圧は、上記電圧検出断によって、第1のAVR101が発電機21の設定電圧が下がっていると判断することにより、第1のAVR101から発電機21への界磁電流が増加することによって生じる。
次に、ステップS102に進んで、第1のガスタービン発電設備51の過電圧に起因して、第2のガスタービン発電設備52でも過電圧が発生する。
次に、ステップS103に進んで、いずれかの発電機の電圧が過電圧判定値以上となる状態が1秒間継続するか否か、すなわち、遮断器を開放すべきか否か判断する。遮断器を開放すべきと判断すると、ステップS105で第1,第2の発電機遮断器41,42が閉であることを確認したうえで、ステップS104に進む。
ステップS104で、すべての遮断器を開放して、具体的には、第1,第2の発電機遮断器41,42およびフィーダー遮断器43を開状態に制御する。
ステップS106〜S109で、定格電圧に復帰して、過電圧を解消できた場合のガスタービン発電装置の動作の流れを説明する。
ステップS106で、上記ガスタービン発電設備の発電機の電圧が過電圧判定値以下である状態になると、ステップS107に進む。
ステップS107で、上記ガスタービン発電設備の発電機の電圧が過電圧判定値以下である状態が3秒以上継続するか否か、すなわち、復帰条件を満たすか否か判断する。発電機の電圧が上記復帰条件を満たすと判断すると、ステップS108に進む。ステップS108で、健全機の発電機遮断器およびフィーダー遮断器43を再投入して、ステップS109に進む。このステップS109で、上記ガスタービン発電装置から負荷に再給電が行われる。健全機は、これらのステップS101〜S109に基づく制御となる。
一方、ステップS110〜S112で、過電圧が継続した場合のガスタービン発電装置の動作の流れを説明する。
ステップS110で、上記ガスタービン発電設備の過電圧が継続すると、ステップS111に進む。
ステップS111で、上記ガスタービン発電設備の発電機の電圧が過電圧判定値以上となる状態が1秒継続するか否か判断する。上記ガスタービン発電設備の発電機の電圧が過電圧判定値以上となる状態が1秒継続したと判断すると、ステップS112に進む。ステップS112で、上記故障機は、重故障で停止する。故障機は、これらのステップS101〜S104およびステップS110〜S112に基づく制御となる。
上記構成のガスタービン発電装置によれば、上記発電装置制御装置90は、第1,第2の電圧検出回路により検出された発電機21,22の電圧に基づいて、少なくとも1つの発電機の電圧が過電圧判定値以上となる状態が1秒継続すると判断すると、第1,第2の発電機遮断器41,42をすべて開状態に制御する。このとき、発電機21,22は、全て無負荷状態になる。このため、例えば少なくとも1つの発電機が過電圧となっていても、故障機の影響を受けて、他の健全な発電機が停止するのを防止できる。また、健全な発電機は、上記無負荷状態において、元の定格運転状態に速やかに復帰できる。
また、上記発電装置制御装置90は、発電機の電圧が上記復帰条件を満たす健全機であると判断すると、上記健全機に接続された上記発電機遮断器を閉状態に制御する。このため、上記健全機と負荷とが自動的に接続される。
したがって、上記健全機を再度起動する必要がなくなり、故障要因の確認や復旧作業等も不要となるので、少なくとも1台の発電機が故障しても、他の発電機への影響を低減できると共に、負荷への電力の供給を速やかに再開できる。
また、発電機21,22のそれぞれの電圧に基づいて、少なくとも1つの発電機が上記故障機であるか否かを判断するので、特に発電機の過電圧による故障が生じたときに、的確な判断ができる。
(第3の実施形態)
複数台のガスタービン発電設備を同期運転しているとき、これらのガスタービン発電設備のうちの1台のガスタービン発電設備の発電機において、励磁電源断が発生したとき、同期運転している他のガスタービン発電設備の発電機を含む全ての発電機において負荷変動(パワースイング)が起こり、発電機電流、発電機の電圧、発電機の周波数が異常変動を起こして、正常に発電できなくなるという問題がある。
そこで、同期運転をしている複数台の発電機のうちの少なくとも1台の発電機において、励磁電源断が発生して故障しても、この故障した発電機以外の発電機への影響を低減できると共に、負荷への電力の供給を速やかに再開できるガスタービン発電設備を提供することも、本発明の課題である。この課題を解決する本発明のガスタービン発電装置の第3の実施形態について、以下に説明する。
図7は、本発明のガスタービン発電装置の第3の実施形態を示している。上記第2の実施形態と相違する点を説明すると、図7に示すように、この第3の実施形態では、ガスタービン発電装置が、さらに、第1,第2の界磁電流検出回路83,84を有している。なお、その他の構造は、上記第2の実施形態と同じであるため、その説明を省略する。
上記第1の界磁電流検出回路83は、第1のAVR101の配線63を流れる界磁電流を検出するようになっている。第1の界磁電流検出回路83は、検出した界磁電流を表す信号を発電装置制御装置90に送る。上記第2の界磁電流検出回路84は、第2のAVR102の配線64を流れる界磁電流を検出するようになっている。第2の界磁電流検出部84は、検出した界磁電流を表す信号を発電装置制御装置90に送る。
次に、上記構成のガスタービン発電装置の第1のガスタービン発電設備51において、第1のAVR101と第1の励磁電源81との間の配線で例えば断線が発生した(励磁電源断)ときの上記ガスタービン発電装置の動作を説明する。
図8は、上記ガスタービン発電装置の動作の流れを示すフローチャートである。
図8に示すように、まず、ステップS201で、第1のAVR101の界磁電流が界磁電流低下判定値以下となる状態が3秒間継続するか否か判断する。ここで、界磁電流低下判定値は、例えば無負荷運転時の界磁電流値の30%である。また、3秒間としたのは、上記電圧検出断の時に、界磁電流が0Aとなる状態が2秒間継続することがあり、この状態を誤って検知しないようにするためである。上記界磁電流が界磁電流低下判定値以下となる状態が3秒間継続したと判断すると、ステップS202に進む。ステップS202で、第1のAVR101の界磁電流異常と判定されて、ステップS203に進む。ステップS203で、第1のガスタービン発電設備151は、重故障で停止する。
なお、本発明は上記第1〜第3の実施形態に限定されず、上記第1〜第3の実施形態で記載した内容を適宜組み合わせたものであってもよい。
また、上記第1の実施形態では、発電装置制御装置90は、少なくとも1つの発電機の回転速度が定格回転速度の95%以下であると判断すると、第1,第2の発電機遮断器41,42およびフィーダー遮断器43をすべて開状態に制御していたが、これに限られない。例えば、少なくとも1つの発電機の回転速度が定格回転速度の90%以下や94%以下、96%以下などになったときに、発電機遮断器やフィーダー遮断器をすべて開状態に制御してもよい。
また、上記第1の実施形態では、発電装置制御装置90は、少なくとも1つの発電機の回転速度が定格回転速度の±2.0%以内の範囲に3秒間以上入っていることを上記復帰条件としていたが、これに限られない。例えば、定格回転速度の±5.0%以内の範囲に3秒間以上入っていることや、定格回転速度の±2.0%以内の範囲に5秒間以上入っていることなどを復帰条件としてもよい。
11,12 ガスタービン
21,22 発電機
31,32 回転速度センサ
41,42 発電機遮断器
71 第1のVT
72 第2のVT
90 発電装置制御装置

Claims (3)

  1. 複数のガスタービンと、
    上記複数のガスタービンによってそれぞれ駆動されると共に、互いに並列に接続された複数の発電機と、
    上記複数の発電機にそれぞれ接続された複数の発電機遮断器と、
    上記複数の発電機のそれぞれの回転速度を検出する回転速度検出部と、
    上記回転速度検出部により検出された上記複数の発電機のそれぞれの回転速度に基づいて、少なくとも1つの上記発電機の回転速度が予め定められた条件を満たすと判断すると、上記複数の発電機遮断器をすべて開状態に制御し、上記発電機の回転速度が予め定められた復帰条件を満たす健全機であると判断すると、上記健全機に接続された上記発電機遮断器を閉状態に制御する制御部と
    を備えることを特徴とするガスタービン発電装置。
  2. 複数のガスタービンと、
    上記複数のガスタービンによってそれぞれ駆動されると共に、互いに並列に接続された複数の発電機と、
    上記複数の発電機にそれぞれ接続された複数の発電機遮断器と、
    上記複数の発電機のそれぞれの電圧を検出する電圧検出部と、
    上記電圧検出部により検出された上記複数の発電機のそれぞれの電圧に基づいて、少なくとも1つの上記発電機の電圧が予め定められた条件を満たすと判断すると、上記複数の発電機遮断器をすべて開状態に制御し、上記発電機の電圧が予め定められた復帰条件を満たす健全機であると判断すると、上記健全機に接続された上記発電機遮断器を閉状態に制御する制御部と
    を備えることを特徴とするガスタービン発電装置。
  3. 請求項1または2に記載のガスタービン発電装置において、
    上記複数の発電機にそれぞれ接続された少なくとも1つの自動電圧調整装置の界磁電流が界磁電流低下判定値以下となる状態が一定時間継続する故障機であると判断すると、上記故障機に接続された上記発電機遮断器を開状態に制御し、上記故障機のガスタービンを停止させるよう制御する故障機停止制御部を備えることを特徴とするガスタービン発電装置。
JP2014220660A 2014-10-29 2014-10-29 ガスタービン発電装置 Active JP5953356B2 (ja)

Priority Applications (1)

Application Number Priority Date Filing Date Title
JP2014220660A JP5953356B2 (ja) 2014-10-29 2014-10-29 ガスタービン発電装置

Applications Claiming Priority (1)

Application Number Priority Date Filing Date Title
JP2014220660A JP5953356B2 (ja) 2014-10-29 2014-10-29 ガスタービン発電装置

Publications (2)

Publication Number Publication Date
JP2016092856A JP2016092856A (ja) 2016-05-23
JP5953356B2 true JP5953356B2 (ja) 2016-07-20

Family

ID=56019931

Family Applications (1)

Application Number Title Priority Date Filing Date
JP2014220660A Active JP5953356B2 (ja) 2014-10-29 2014-10-29 ガスタービン発電装置

Country Status (1)

Country Link
JP (1) JP5953356B2 (ja)

Families Citing this family (1)

* Cited by examiner, † Cited by third party
Publication number Priority date Publication date Assignee Title
JP2018160998A (ja) * 2017-03-23 2018-10-11 株式会社神戸製鋼所 発電システム

Family Cites Families (4)

* Cited by examiner, † Cited by third party
Publication number Priority date Publication date Assignee Title
JPH10201104A (ja) * 1996-12-27 1998-07-31 Zenshin Denryoku Eng:Kk 小型ガスタービン発電機を用いた電力供給システム
US6093975A (en) * 1998-10-27 2000-07-25 Capstone Turbine Corporation Turbogenerator/motor control with synchronous condenser
CA2840038C (en) * 2011-06-22 2016-10-11 Kawasaki Jukogyo Kabushiki Kaisha Control method and control system for parallel operation of different types of power generation apparatuses
JP5787871B2 (ja) * 2012-12-27 2015-09-30 三菱重工業株式会社 風力発電施設及びその運転方法

Also Published As

Publication number Publication date
JP2016092856A (ja) 2016-05-23

Similar Documents

Publication Publication Date Title
CA2678031C (en) Generator power plant protection system and method
US9209732B2 (en) Power supply system of marine vessel
JP6236004B2 (ja) 2軸式ガスタービン発電システム、ガスタービンシステムの制御装置および制御方法
US9899842B2 (en) Control method and control system for parallel operation between different types of power generator
US9270120B2 (en) Methods, systems, and computer readable media for adaptive out of step protection for power generators with load resynchronization capability
US20040055273A1 (en) Gas turbine control system
US10340680B2 (en) Method and device for shutting down an installation part exhibiting an insulation fault in an ungrounded power supply system
JPWO2011148503A1 (ja) 電力供給装置及び方法
US7005833B2 (en) Method of and apparatus for detecting sensor loss in a generator control system
CN103080483B (zh) 用于控制涡轮机组的方法
JP5194175B2 (ja) 火力発電所を制御する方法及びデバイス
KR20120018328A (ko) 풍력 발전기용 블레이드 각 조절 구동 장치
US11368113B2 (en) Breaker failure protection using reverse active power and negative reactive power element
JP5953356B2 (ja) ガスタービン発電装置
JP2012210084A (ja) 同期発電機の励磁制御装置および励磁制御方法
US10658958B2 (en) Genset
JP5101148B2 (ja) 自動同期化方法
KR20180000111U (ko) 비상 발전 시스템
JPS5939809Y2 (ja) 電力系統安定化装置
JP2009077612A (ja) 系統連系インバータ装置
CN104979746B (zh) 激光加工装置
KR101693949B1 (ko) 연료전지차량의 이동식 전력변환장치 고장보호시스템
JPS6117222B2 (ja)
US20250202237A1 (en) Method for operating an inverter
JPH03138462A (ja) 調速制御方法

Legal Events

Date Code Title Description
TRDD Decision of grant or rejection written
A01 Written decision to grant a patent or to grant a registration (utility model)

Free format text: JAPANESE INTERMEDIATE CODE: A01

Effective date: 20160607

A61 First payment of annual fees (during grant procedure)

Free format text: JAPANESE INTERMEDIATE CODE: A61

Effective date: 20160613

R150 Certificate of patent or registration of utility model

Ref document number: 5953356

Country of ref document: JP

Free format text: JAPANESE INTERMEDIATE CODE: R150

R250 Receipt of annual fees

Free format text: JAPANESE INTERMEDIATE CODE: R250

R154 Certificate of patent or utility model (reissue)

Free format text: JAPANESE INTERMEDIATE CODE: R154

R250 Receipt of annual fees

Free format text: JAPANESE INTERMEDIATE CODE: R250

R250 Receipt of annual fees

Free format text: JAPANESE INTERMEDIATE CODE: R250

R250 Receipt of annual fees

Free format text: JAPANESE INTERMEDIATE CODE: R250

R250 Receipt of annual fees

Free format text: JAPANESE INTERMEDIATE CODE: R250

S533 Written request for registration of change of name

Free format text: JAPANESE INTERMEDIATE CODE: R313533

R350 Written notification of registration of transfer

Free format text: JAPANESE INTERMEDIATE CODE: R350