JP5597658B2 - Frame material and additional windows - Google Patents

Frame material and additional windows Download PDF

Info

Publication number
JP5597658B2
JP5597658B2 JP2012042378A JP2012042378A JP5597658B2 JP 5597658 B2 JP5597658 B2 JP 5597658B2 JP 2012042378 A JP2012042378 A JP 2012042378A JP 2012042378 A JP2012042378 A JP 2012042378A JP 5597658 B2 JP5597658 B2 JP 5597658B2
Authority
JP
Japan
Prior art keywords
frame
window
attached
additional
locking
Prior art date
Legal status (The legal status is an assumption and is not a legal conclusion. Google has not performed a legal analysis and makes no representation as to the accuracy of the status listed.)
Active
Application number
JP2012042378A
Other languages
Japanese (ja)
Other versions
JP2013177775A (en
Inventor
敏晴 今村
淳一 高橋
Current Assignee (The listed assignees may be inaccurate. Google has not performed a legal analysis and makes no representation or warranty as to the accuracy of the list.)
Fukuvi Chemical Industry Co Ltd
Original Assignee
Fukuvi Chemical Industry Co Ltd
Priority date (The priority date is an assumption and is not a legal conclusion. Google has not performed a legal analysis and makes no representation as to the accuracy of the date listed.)
Filing date
Publication date
Application filed by Fukuvi Chemical Industry Co Ltd filed Critical Fukuvi Chemical Industry Co Ltd
Priority to JP2012042378A priority Critical patent/JP5597658B2/en
Publication of JP2013177775A publication Critical patent/JP2013177775A/en
Application granted granted Critical
Publication of JP5597658B2 publication Critical patent/JP5597658B2/en
Active legal-status Critical Current
Anticipated expiration legal-status Critical

Links

Images

Landscapes

  • Door And Window Frames Mounted To Openings (AREA)

Description

本発明は、例えば既存の窓部を二重窓構造にすることが可能な枠材および増設窓に関する。   The present invention relates to a frame member and an additional window capable of making an existing window part into a double window structure, for example.

既存窓枠に、屋内側から増設窓枠を増設する二重窓枠がある(例えば、特許文献1参照)。この二重窓枠では、既存窓枠の屋内側端面と増設窓枠の室外側端面とを接合したり、既存窓枠の内周面と増設窓枠の外周面とを接合したり、あるいは既存窓枠の内周面と増設窓枠の外周面とを連結部材により連結するようになっている。   An existing window frame includes a double window frame that adds an additional window frame from the indoor side (see, for example, Patent Document 1). In this double window frame, the indoor side end face of the existing window frame and the outdoor side end face of the additional window frame are joined, the inner peripheral face of the existing window frame and the outer peripheral face of the additional window frame are joined, or the existing The inner peripheral surface of the window frame and the outer peripheral surface of the additional window frame are connected by a connecting member.

特開2007−126913号公報JP 2007-126913 A

上記の二重窓枠では、施工が煩雑であるという問題があった。、   The double window frame has a problem that the construction is complicated. ,

本発明は、かかる問題点に鑑みてなされたものであり、窓部の増設の施工性を向上させることができる枠材および増設窓の提供を目的とする。   The present invention has been made in view of such problems, and an object of the present invention is to provide a frame material and an additional window that can improve the workability of adding a window portion.

上記目的を達成するために、本発明に係る枠材は、窓ガラスの側方にて枠内方向に突設される鍔部を有する既設のサッシ窓枠に取り付けられて増設の窓部を保持する枠材であって、前記増設の窓部が取り付けられる取付面と前記サッシ窓枠の前記窓ガラスとは反対側に係止される基端側係止部とを有する枠材本体と、前記枠材本体に対し着脱可能であって、前記鍔部の前記窓ガラス側に係止される先端側係止部と前記鍔部の枠内側端縁部を越える橋状部とを有する係止部材とを備え、前記枠材本体には前記取付面から凹むガイド溝が形成されており、前記係止部材は、前記先端側係止部前記基端側係止部に対し近接および離間させる方向に摺動可能となるように前記橋状部が前記ガイド溝に嵌合されることを特徴とする。 In order to achieve the above-mentioned object, the frame material according to the present invention is attached to an existing sash window frame having a flange projecting inward of the frame on the side of the window glass and holds an additional window portion. A frame material body having an attachment surface to which the additional window portion is attached and a base end side locking portion locked to the opposite side of the window glass of the sash window frame, A locking member that is attachable to and detachable from the frame body, and has a front end side locking portion that is locked to the window glass side of the flange portion and a bridge-shaped portion that extends beyond the frame inner edge of the flange portion. with the door, the said frame member main body is formed with a guide groove recessed from the mounting surface, the locking member is a direction to close and away the leading end side locking portion with respect to the base end side locking portion The bridge portion is fitted into the guide groove so as to be slidable .

また、本発明に係る枠材は、前記橋状部には摺動方向に延在する長穴が形成されていることを特徴とする。 The frame material according to the present invention is characterized in that an elongated hole extending in the sliding direction is formed in the bridge-shaped portion .

本発明に係る増設窓は、既設のサッシ窓枠に取り付けられる増設窓であって、前記枠材を枠状に連結してなる増設の窓枠と、該増設の窓枠に取り付けられる増設の窓部とを有することを特徴とする。   The additional window according to the present invention is an additional window attached to an existing sash window frame, and is an additional window frame formed by connecting the frame members in a frame shape, and an additional window attached to the additional window frame. Part.

本発明に係る枠材によれば、既設のサッシ窓枠の鍔部の窓ガラス側に先端側係止部が係止され、鍔部の枠内側端縁部を橋状部が越え、既設のサッシ窓枠の窓ガラスとは反対側に基端側係止部が係止されることにより、既設のサッシ窓枠に取り付けられることになるため、既設のサッシ窓枠に簡単に取り付けられることになる。したがって、この取り付けを含んだ窓部の増設の施工性を向上させることができる。   According to the frame material according to the present invention, the front end side locking portion is locked to the window glass side of the flange portion of the existing sash window frame, the bridge-shaped portion exceeds the frame inner edge of the flange portion, Since the base end side locking portion is locked to the opposite side of the sash window frame from the window glass, it can be attached to the existing sash window frame, so that it can be easily attached to the existing sash window frame. Become. Therefore, it is possible to improve the workability of adding the window part including this attachment.

本発明に係る枠材によれば、増設の窓部が取り付けられる取付面と基端側係止部とを有する枠材本体と、先端側係止部と橋状部とを有して枠材本体に対して着脱可能な係止部材とを有するため、構造を簡素化でき、コストを低減できる。   According to the frame material according to the present invention, the frame material body has a frame material body having a mounting surface to which an additional window portion is attached and a proximal end side locking portion, and a distal end side locking portion and a bridge-shaped portion. Since the engaging member is detachable from the main body, the structure can be simplified and the cost can be reduced.

本発明に係る増設窓によれば、枠材を枠状に連結してなる増設の窓枠は、既設のサッシ窓枠の鍔部の窓ガラス側に先端側係止部が係止され、鍔部の枠内側端縁部を橋状部が越え、既設のサッシ窓枠の窓ガラスとは反対側に基端側係止部が係止されることにより、既設のサッシ窓枠に取り付けられることになるため、既設のサッシ窓枠に簡単に取り付けられることになる。したがって、この取り付けを含んだ窓部の増設の施工性を向上させることができる。   According to the extension window according to the present invention, the extension window frame formed by connecting the frame members in a frame shape has the front end side locking portion locked to the window glass side of the flange portion of the existing sash window frame, The bridge-shaped part crosses the inner edge of the frame, and the base end side locking part is locked to the opposite side of the window glass of the existing sash window frame, so that it can be attached to the existing sash window frame. Therefore, it can be easily attached to an existing sash window frame. Therefore, it is possible to improve the workability of adding the window part including this attachment.

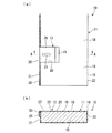
本発明の一実施形態に係る枠材を示すもので、(a)は平面図、(b)は(a)のA−A断面図である。The frame material which concerns on one Embodiment of this invention is shown, (a) is a top view, (b) is AA sectional drawing of (a). 本発明の一実施形態に係る枠材を含む増設窓を既設のサッシ窓とともに示す縦断面図である。It is a longitudinal cross-sectional view which shows the additional window containing the frame material which concerns on one Embodiment of this invention with the existing sash window. 本発明の一実施形態に係る枠材を含む増設窓を既設のサッシ窓とともに示す横断面図である。It is a cross-sectional view which shows the additional window containing the frame material which concerns on one Embodiment of this invention with the existing sash window. 本発明の一実施形態に係る枠材の既設のサッシ窓への取付手順を示す縦断面図である。It is a longitudinal cross-sectional view which shows the attachment procedure to the existing sash window of the frame material which concerns on one Embodiment of this invention. 本発明の一実施形態に係る枠材を含む増設窓の変形例を既設のサッシ窓とともに示す縦断面図である。It is a longitudinal cross-sectional view which shows the modification of the expansion window containing the frame material which concerns on one Embodiment of this invention with the existing sash window.

以下、本発明の一実施形態に係る枠材および増設窓を図面を参照して説明する。   Hereinafter, a frame member and an additional window according to an embodiment of the present invention will be described with reference to the drawings.

図1に示すように、本実施形態に係る枠材10は、枠材本体11と、枠材本体11に対し着脱可能な係止部材12とを有している。   As shown in FIG. 1, the frame member 10 according to the present embodiment includes a frame member body 11 and a locking member 12 that can be attached to and detached from the frame member body 11.

枠材本体11は、長尺状をなすもので、木材の例えば集成材からなる芯材15と、芯材15の長さ方向に沿う略全外面を被覆する耐水性に優れたポリ塩化ビニル等の合成樹脂からなる外層16とからなっている。外層16のうち枠材本体11の厚さ方向の一側の層部18には、その表面部(取付面)19から凹むようにガイド溝20が形成されている。このガイド溝20は、具体的には、層部18を厚さ方向に貫通しており、その両側壁面が層部18からなり、底面が芯材15からなっている。ガイド溝20は、枠材本体11の長さ方向に一定幅をなしており、枠材本体11の幅方向の中間位置から幅方向の一端の層部(基端側係止部)21側にのみ抜け他端の層部22側には抜けない形状をなしている。   The frame body 11 has a long shape, such as a core material 15 made of wood, for example, a laminated material, and polyvinyl chloride excellent in water resistance that covers substantially the entire outer surface along the length direction of the core material 15. And an outer layer 16 made of a synthetic resin. A guide groove 20 is formed so as to be recessed from a surface portion (attachment surface) 19 of the layer portion 18 on one side in the thickness direction of the frame body 11 in the outer layer 16. Specifically, the guide groove 20 penetrates the layer portion 18 in the thickness direction, and both side wall surfaces thereof are composed of the layer portions 18 and the bottom surface is composed of the core material 15. The guide groove 20 has a constant width in the length direction of the frame body 11, and extends from an intermediate position in the width direction of the frame body 11 to the layer portion (base end side locking portion) 21 at one end in the width direction. Only the other end has a shape that does not come out to the layer portion 22 side at the other end.

係止部材12は、ステンレス鋼材等の金属板材からなるもので、矩形の基板部(橋状部)25と、基板部25の一端縁部から基板部25に対し垂直方向に延出する係止板部(先端側係止部)26とを有している。基板部25には、係止板部26と直交する方向に延在する長穴27が幅方向の中央に形成されている。基板部25は、枠材本体11のガイド溝20に枠材本体11の幅方向に沿って摺動可能に嵌合されることになり、係止板部26は、枠材本体11の層部21と対向配置される。これにより、係止部材12の係止板部26は、これに対向する枠材本体11の層部21に対して近接および離間可能となっている。   The locking member 12 is made of a metal plate material such as a stainless steel material, and has a rectangular substrate part (bridge-like part) 25 and a latch that extends in a vertical direction from the edge of the substrate part 25 to the substrate part 25. And a plate portion (front end side locking portion) 26. A long hole 27 extending in the direction orthogonal to the locking plate portion 26 is formed in the substrate portion 25 at the center in the width direction. The substrate portion 25 is fitted into the guide groove 20 of the frame material body 11 so as to be slidable along the width direction of the frame material body 11, and the locking plate portion 26 is a layer portion of the frame material body 11. 21 and oppositely arranged. As a result, the locking plate portion 26 of the locking member 12 can be brought close to and separated from the layer portion 21 of the frame body 11 facing the locking plate portion 26.

枠材本体11は、その層部21に貼付される長尺状の水密材(基端側係止部)30を有している。この水密材30は層部21の層部18側の端縁部近傍にこの端縁部に沿って貼付されている。   The frame body 11 has a long watertight material (base end side locking portion) 30 attached to the layer portion 21. The watertight material 30 is attached along the edge portion in the vicinity of the edge portion of the layer portion 21 on the layer portion 18 side.

図2および図3に符号40で示すものは、オフィスビルや住宅等の壁38に設置された既設のサッシ窓である。この既設のサッシ窓40は、アルミニウム合金からなる矩形枠状のサッシ窓枠41と、このサッシ窓枠41にスライド可能に取り付けられる二枚の窓ガラス42,43とを有している。サッシ窓枠41は、図2に示す下枠45および上枠46と、図3に示す二本の竪枠47,47とからなっている。図2に示すように、下枠45には、屋内側の窓ガラス43の側方となる屋内側の端部位置に鍔部50が、上枠46にも、窓ガラス43の側方となる屋内側の端部位置に鍔部51が、それぞれ枠内方向に突設されており、図3に示すように、竪枠47,47にも、窓ガラス43の側方となる屋内側の端部位置に鍔部52が、それぞれ枠内方向に突設されている。   2 and FIG. 3 is an existing sash window installed on a wall 38 of an office building or a house. The existing sash window 40 includes a rectangular frame-shaped sash window frame 41 made of an aluminum alloy, and two window glasses 42 and 43 slidably attached to the sash window frame 41. The sash window frame 41 is composed of a lower frame 45 and an upper frame 46 shown in FIG. 2, and two eaves frames 47 and 47 shown in FIG. As shown in FIG. 2, the lower frame 45 has a flange portion 50 at an indoor side end position which is a side of the indoor side window glass 43, and the upper frame 46 also becomes a side of the window glass 43. A collar 51 is provided at the end of the indoor side so as to project inward in the frame. As shown in FIG. The flange portions 52 are provided so as to protrude in the frame direction at the portion positions.

このような既設のサッシ窓枠41の大きさに合わせて、上記した枠材10が四本、図2に示す下枠材10(A)および上枠材10(B)と図3に示す二本の竪枠材10(C),10(C)とをそれぞれ構成するように適宜切断され、これらが枠状に連結されて増設の窓枠55が形成される。なお、隣り合う枠材10,10同士の連結は、皿ビス等のネジ部材で行い、ネジ部材の頭部は化粧キャップ等で被覆する。   In accordance with the size of such an existing sash window frame 41, there are four frame members 10 described above, the lower frame member 10 (A) and the upper frame member 10 (B) shown in FIG. The book frame members 10 (C) and 10 (C) are appropriately cut so as to constitute the frame, and these are connected in a frame shape to form an additional window frame 55. The adjacent frame members 10 and 10 are connected to each other with a screw member such as a countersunk screw, and the head of the screw member is covered with a decorative cap or the like.

図2に示す下枠材10(A)には、枠材本体11の層部18の表面部19に、増設の窓部60を構成する建具下枠61が取り付けられている。この建具下枠61は、ポリ塩化ビニル等の合成樹脂からなるもので、長尺状の当板部62と、当板部62の幅方向の両側から当板部62と垂直をなして同側に立ち上がる一対のレール板部63,64と、当板部62の幅方向の一端から当板部62と垂直をなしてレール板部63,64と同側に立設される壁板部65とを有している。この建具下枠61は、下枠材10(A)にこれが上記のように窓枠55とされる前に予め取り付けられることになる。   In a lower frame member 10 (A) shown in FIG. 2, a fitting lower frame 61 constituting an additional window 60 is attached to the surface portion 19 of the layer portion 18 of the frame member main body 11. This lower fitting frame 61 is made of a synthetic resin such as polyvinyl chloride, and has a long abutment plate portion 62 and the same side perpendicular to the abutment plate portion 62 from both sides in the width direction of the abutment plate portion 62. A pair of rail plate portions 63 and 64 that stand up to each other, and a wall plate portion 65 that stands perpendicular to the contact plate portion 62 from one end in the width direction of the contact plate portion 62 and is erected on the same side as the rail plate portions 63 and 64 have. This joinery lower frame 61 is attached in advance to the lower frame member 10 (A) before it is used as the window frame 55 as described above.

建具下枠61は、下枠材10(A)に対し、層部21とは反対側に壁板部65を配置した状態で、当板部62において層部18の表面部19に当接させられることになり、この状態で、ネジ部材66が当板部62および枠材本体11の層部18を貫通して芯材15まで締め込まれることで、枠材本体11に固定される。   The joinery lower frame 61 is brought into contact with the surface portion 19 of the layer portion 18 at the abutting plate portion 62 in a state where the wall plate portion 65 is disposed on the side opposite to the layer portion 21 with respect to the lower frame material 10 (A). In this state, the screw member 66 passes through the abutting plate portion 62 and the layer portion 18 of the frame material body 11 and is tightened to the core material 15, thereby being fixed to the frame material body 11.

上枠材10(B)には、枠材本体11の層部18の表面部19に、増設の窓部60を構成する建具上枠71が取り付けられている。この建具上枠71は、ポリ塩化ビニル等の合成樹脂からなるもので、長尺状の当板部72と、当板部72の幅方向の両端縁部から当板部72と垂直をなして同側に立設される一対のガイド板部73,74と、当板部72の幅方向の中央部から当板部72と垂直をなしてガイド板部73,74と同側に立設されるガイド板部75とを有している。この建具上枠71は、上枠材10(B)にこれが上記のように窓枠55とされる前に予め取り付けられることになる。   In the upper frame member 10 (B), a fitting upper frame 71 constituting the additional window portion 60 is attached to the surface portion 19 of the layer portion 18 of the frame member main body 11. The joiner upper frame 71 is made of a synthetic resin such as polyvinyl chloride, and has a long abutting plate portion 72 and perpendicular to the abutting plate portion 72 from both end edges in the width direction of the abutting plate portion 72. A pair of guide plate portions 73, 74 erected on the same side and a vertical portion from the center portion in the width direction of the abutment plate portion 72 perpendicular to the abutment plate portion 72 are erected on the same side as the guide plate portions 73, 74. And a guide plate portion 75. This fitting upper frame 71 is attached in advance to the upper frame member 10 (B) before it is used as the window frame 55 as described above.

建具上枠71は、上枠材10(B)に対し、当板部72において層部18の表面部19に当接させられることになり、この状態でネジ部材76が当板部62および枠材本体11の層部18を貫通して芯材15まで締め込まれることで、枠材本体11に固定される。   The joinery upper frame 71 is brought into contact with the surface portion 19 of the layer portion 18 at the abutting plate portion 72 with respect to the upper frame material 10 (B). In this state, the screw member 76 is attached to the abutting plate portion 62 and the frame. The material body 11 is fixed to the frame material body 11 by passing through the layer part 18 of the material body 11 and tightening up to the core material 15.

図3に示す竪枠材10(C),10(C)には、枠材本体11の層部18の表面部19に、増設の窓部60を構成する建具竪枠81がそれぞれ取り付けられている。これらの建具竪枠81は、ポリ塩化ビニル等の合成樹脂からなるもので、長尺状の当板部82と、当板部82の幅方向の両端縁部から当板部82と垂直をなして同側に立設される一対のガイド板部83,84と、当板部82の幅方向の中央部から当板部82と垂直をなしてガイド板部83,84と同側に立設されるガイド板部85とを有している。これらの建具竪枠81は、竪枠材10(C),10(C)のそれぞれにこれらが上記のように窓枠55とされる前に予め取り付けられることになる。   In the frame materials 10 (C) and 10 (C) shown in FIG. 3, joinery frame frames 81 constituting the additional window 60 are attached to the surface portion 19 of the layer portion 18 of the frame body 11. Yes. These joiner frame 81 is made of a synthetic resin such as polyvinyl chloride, and has a long abutting plate portion 82 and perpendicular to the abutting plate portion 82 from both end edges in the width direction of the abutting plate portion 82. A pair of guide plate portions 83 and 84 erected on the same side, and perpendicular to the contact plate portion 82 from the center portion in the width direction of the contact plate portion 82 and erected on the same side as the guide plate portions 83 and 84 The guide plate portion 85 is provided. These joinery frame 81 are attached in advance to the frame members 10 (C) and 10 (C) before they are used as the window frame 55 as described above.

建具竪枠81は、竪枠材10(C),10(C)のそれぞれに対し、当板部82において層部18の表面部19に当接させられることになり、この状態でネジ部材86が当板部82および枠材本体11の層部18を貫通して芯材15まで締め込まれることで、枠材本体11に固定される。   The joinery frame 81 is brought into contact with the surface portion 19 of the layer portion 18 at the abutting plate portion 82 with respect to each of the frame frames 10 (C) and 10 (C), and in this state, the screw member 86. Is fixed to the frame body 11 by passing through the abutting plate portion 82 and the layer portion 18 of the frame body 11 and tightening up to the core member 15.

上記したように、図2に示す建具下枠61が取り付けられた下枠材10(A)と、建具上枠71が取り付けられた上枠材10(B)と、図3に示す建具竪枠81がそれぞれ取り付けられた二本の竪枠材10(C),10(C)とが枠状に連結されて増設の窓枠55が形成される。この窓枠55には、すべての枠材本体11の幅方向(屋内外方向)の同側にガイド溝20が配置されている。なお、図2に示す下枠材10(A)および上枠材10(B)には、それぞれ枠材本体11にガイド溝20が間隔をあけて四カ所形成されており、図3に示す両側の竪枠材10(C),10(C)には、それぞれ枠材本体11にガイド溝20が間隔をあけて二カ所ずつ形成されている。   As described above, the lower frame member 10 (A) to which the joiner lower frame 61 shown in FIG. 2 is attached, the upper frame member 10 (B) to which the joiner upper frame 71 is attached, and the joiner frame shown in FIG. The two frame frames 10 (C) and 10 (C) to which 81 is attached are connected in a frame shape to form an additional window frame 55. In the window frame 55, guide grooves 20 are arranged on the same side in the width direction (indoor / outdoor direction) of all the frame body main bodies 11. 2, four guide grooves 20 are formed in the frame main body 11 at intervals in the lower frame member 10 (A) and the upper frame member 10 (B) shown in FIG. In each of the frame members 10 (C) and 10 (C), two guide grooves 20 are formed in the frame member body 11 at intervals.

図4(a)に示すように、上記の窓枠55に対し下枠材10(A)のみに、係止部材12を仮組みしておく。つまり、四つの係止部材12を、四カ所のガイド溝20に嵌合し枠材本体11と建具下枠61とで挟持しておく。なお、この時点で図2に示す上枠材10(B)および図3に示す両側の竪枠材10(C),10(C)には係止部材12を取り付けないでおく。   As shown in FIG. 4A, the locking member 12 is temporarily assembled to the window frame 55 only on the lower frame member 10 (A). That is, the four locking members 12 are fitted into the four guide grooves 20 and are held between the frame body 11 and the joinery lower frame 61. At this time, the locking member 12 is not attached to the upper frame member 10 (B) shown in FIG. 2 and the frame members 10 (C) and 10 (C) on both sides shown in FIG.

そして、図4(a)に示すように、窓枠55の下枠材10(A)の係止部材12を、その係止板部26を水密材30を含む枠材本体11から所定距離離間させた状態として、既設のサッシ窓枠41の下枠45の鍔部50に引っかける。つまり、鍔部50の窓ガラス43側(図4の左側)の面に係止板部26を対向させ、鍔部50の枠内側端縁部に基板部25を載せ、鍔部50の窓ガラス43とは反対側(図4の右側)の面に水密材30および枠材本体11の一端の層部21を対向させる。これにより、窓枠55は、下枠材10(A)においてサッシ窓枠41に支持される。   Then, as shown in FIG. 4A, the locking member 12 of the lower frame material 10 (A) of the window frame 55 is separated from the frame material main body 11 including the watertight material 30 by a predetermined distance from the locking plate portion 26. In this state, it is hooked on the flange 50 of the lower frame 45 of the existing sash window frame 41. That is, the locking plate portion 26 is opposed to the window glass 43 side (left side in FIG. 4) of the flange portion 50, the substrate portion 25 is placed on the inner edge of the frame portion of the flange portion 50, and the window glass of the flange portion 50 is placed. The watertight material 30 and the layer portion 21 at one end of the frame body 11 are opposed to the surface opposite to the surface 43 (right side in FIG. 4). Thereby, the window frame 55 is supported by the sash window frame 41 in the lower frame material 10 (A).

この状態で、窓枠55を全周にわたってサッシ窓枠41に当接させ、図4(b)に示すように係止部材12をスライドさせて係止板部26を鍔部50に当接させる。そして、取付ネジ90を建具下枠61の当板部62にねじ込み、係止部材12の長穴27に挿通させて下枠材10(A)の芯材15に締め込み、係止部材12を下枠材10(A)に仮止めする。これにより、下枠材10(A)に設けられた係止部材12が、係止板部26において下枠45の鍔部50の窓ガラス43側に係止され、基板部25において鍔部50の枠内側端縁部を橋状に越え、枠材本体11が層部21あるいは水密材30において下枠45の窓ガラス43とは反対側に係止される状態となる。   In this state, the window frame 55 is brought into contact with the sash window frame 41 over the entire circumference, and the locking member 12 is slid to bring the locking plate portion 26 into contact with the collar portion 50 as shown in FIG. . Then, the mounting screw 90 is screwed into the abutting plate portion 62 of the joinery lower frame 61, inserted into the elongated hole 27 of the locking member 12, and tightened into the core material 15 of the lower frame material 10 (A). Temporarily fasten to the lower frame member 10 (A). As a result, the locking member 12 provided on the lower frame member 10 (A) is locked to the window glass 43 side of the flange portion 50 of the lower frame 45 in the locking plate portion 26, and the flange portion 50 in the substrate portion 25. The frame body main body 11 is locked to the side opposite to the window glass 43 of the lower frame 45 in the layer portion 21 or the watertight material 30.

次に、図2に示す窓枠55の上枠材10(B)に対し、係止部材12を、鍔部51の窓ガラス43側の面に係止板部26を対向させるようにして、基板部25においてガイド溝20に挿入しスライドさせて、係止板部26を鍔部51に当接させる。そして、取付ネジ90を建具上枠71の当板部72にねじ込み、係止部材12の長穴27に挿通させて上枠材10(B)の芯材15に締め込み、係止部材12を上枠材10(B)に仮止めする。これにより、上枠材10(B)に設けられた係止部材12が、係止板部26において下枠45の鍔部50の窓ガラス43側に係止され、基板部25において鍔部50の枠内側端縁部を橋状に越え、枠材本体11が層部21あるいは水密材30において下枠45の窓ガラス43とは反対側に係止される状態となる。   Next, with respect to the upper frame material 10 (B) of the window frame 55 shown in FIG. 2, the locking member 12 is arranged so that the locking plate portion 26 faces the surface of the flange portion 51 on the window glass 43 side, The board portion 25 is inserted into the guide groove 20 and slid to bring the locking plate portion 26 into contact with the flange portion 51. Then, the mounting screw 90 is screwed into the abutting plate portion 72 of the joinery upper frame 71, inserted into the elongated hole 27 of the locking member 12, and tightened into the core material 15 of the upper frame material 10 (B). Temporarily fasten to the upper frame member 10 (B). As a result, the locking member 12 provided on the upper frame member 10 (B) is locked to the window glass 43 side of the flange portion 50 of the lower frame 45 in the locking plate portion 26, and the flange portion 50 in the substrate portion 25. The frame body main body 11 is locked to the side opposite to the window glass 43 of the lower frame 45 in the layer portion 21 or the watertight material 30.

次に、図3に示す窓枠55の両側の竪枠材10(C),10(C)のそれぞれに対し、係止部材12を、鍔部52の窓ガラス43側の面に係止板部26を対向させるようにして、基板部25においてガイド溝20に挿入しスライドさせて、係止板部26を鍔部52に当接させる。そして、取付ネジ90を建具竪枠81の当板部82にねじ込み、係止部材12の長穴27に挿通させて竪枠材10(C),10(C)の芯材15に締め込み、係止部材12を竪枠材10(C),10(C)に仮止めする。これにより、竪枠材10(C),10(C)に設けられた係止部材12が、係止板部26において下枠45の鍔部50の窓ガラス43側に係止され、基板部25において鍔部50の枠内側端縁部を橋状に越え、枠材本体11が層部21あるいは水密材30において下枠45の窓ガラス43とは反対側に係止される状態となる。   Next, with respect to each of the frame members 10 (C) and 10 (C) on both sides of the window frame 55 shown in FIG. The locking plate portion 26 is brought into contact with the flange portion 52 by being inserted and slid into the guide groove 20 in the substrate portion 25 so that the portions 26 face each other. Then, the mounting screw 90 is screwed into the abutment plate portion 82 of the joiner frame 81, inserted into the elongated hole 27 of the locking member 12, and tightened into the core material 15 of the frame members 10 (C), 10 (C), The locking member 12 is temporarily fixed to the eaves frame members 10 (C) and 10 (C). Thereby, the locking member 12 provided in the collar frame materials 10 (C) and 10 (C) is latched to the window glass 43 side of the collar part 50 of the lower frame 45 in the latching plate part 26, and the board part In 25, the frame inner end edge of the flange portion 50 is crossed in a bridge shape, and the frame body 11 is locked to the side opposite to the window glass 43 of the lower frame 45 in the layer portion 21 or the watertight material 30.

そして、最後に、図2に示すように、下枠材10(A)に設けられた係止部材12の係止板部26を枠材本体11側に限界まで移動させて取付ネジ90を最後まで締め込むとともに、上枠材10(B)に設けられた係止部材12の係止板部26を枠材本体11側に限界まで移動させて取付ネジ90を最後まで締め込むことになり、同様に、図3に示すように、竪枠材10(C),10(C)に設けられた係止部材12の係止板部26を枠材本体11側に限界まで移動させて取付ネジ90を最後まで締め込む。これにより、層部21に貼付されていた水密材30が圧縮変形することになり、サッシ窓枠41の鍔部50,51,52,52をすべての係止部材12が、それぞれの係止板部26と、枠材本体11の水密材30あるいは層部21とで挟持することになる。   Finally, as shown in FIG. 2, the locking plate portion 26 of the locking member 12 provided on the lower frame material 10 (A) is moved to the limit toward the frame body 11 side, and the mounting screw 90 is finally moved. And the locking plate portion 26 of the locking member 12 provided on the upper frame material 10 (B) is moved to the limit to the frame material body 11 side and the mounting screw 90 is tightened to the end. Similarly, as shown in FIG. 3, the locking plate portion 26 of the locking member 12 provided on the eaves frame members 10 (C), 10 (C) is moved to the limit toward the frame main body 11 side, and the mounting screws Tighten 90 to the end. Thereby, the watertight material 30 affixed to the layer part 21 will compress-deform, and all the latching members 12 will connect the collar part 50,51,52,52 of the sash window frame 41 to each latching plate. It is sandwiched between the portion 26 and the watertight material 30 or the layer portion 21 of the frame body 11.

上記のようにして、既設のサッシ窓40に取り付けられた窓枠55の建具上枠71のガイド板部73とガイド板部75との間に上部を配置しつつ建具下枠61のレール板部63に下部を支持させるようにして窓部60の建具本体92を取り付け、ガイド板部74とガイド板部75との間に上部を配置しつつ建具下枠61のレール板部64に下部を支持させるようにして窓部60の建具本体93を取り付ける。このようにして、建具下枠61と建具上枠71と一対の建具竪枠81,81と二つの建具本体92,93とを有する増設の窓部60が、窓枠55で既設のサッシ窓枠41に保持されて二重窓構造となる。増設の窓枠55と増設の窓部60とが、既設のサッシ窓枠41に取り付けられる増設窓95を構成している。   As described above, the rail plate portion of the joinery lower frame 61 is disposed while the upper portion is disposed between the guide plate portion 73 and the guide plate portion 75 of the joinery upper frame 71 of the window frame 55 attached to the existing sash window 40. 63, the fixture main body 92 of the window portion 60 is attached so that the lower portion is supported, and the lower portion is supported by the rail plate portion 64 of the fixture lower frame 61 while the upper portion is disposed between the guide plate portion 74 and the guide plate portion 75. The joinery main body 93 of the window part 60 is attached as shown. In this way, the additional window portion 60 having the joinery lower frame 61, the joinery upper frame 71, the pair of joinery frame 81, 81, and the two joinery main bodies 92, 93 is replaced with the existing sash window frame by the window frame 55. 41 is used to form a double window structure. The additional window frame 55 and the additional window portion 60 constitute an additional window 95 that is attached to the existing sash window frame 41.

以上に述べた本実施形態によれば、枠材10を枠状に連結してなる増設の窓枠55は、既設のサッシ窓枠41の鍔部50,51,52,52の窓ガラス43側に係止板部26が係止され、鍔部50,51,52,52の枠内側端縁部を基板部25が越え、サッシ窓枠41の窓ガラス43とは反対側に層部21が係止されることにより、サッシ窓枠41に取り付けられるため、既設のサッシ窓枠41に簡単に取り付けられることになる。したがって、この取り付けを含んだ窓部60の増設の施工性を向上させることができる。   According to the present embodiment described above, the additional window frame 55 formed by connecting the frame members 10 in a frame shape is the side of the window portion 43 of the flange portions 50, 51, 52, 52 of the existing sash window frame 41. The locking plate portion 26 is locked, the substrate portion 25 crosses the frame inner edge of the flange portions 50, 51, 52, 52, and the layer portion 21 is on the opposite side of the sash window frame 41 from the window glass 43. Since it is attached to the sash window frame 41 by being locked, it can be easily attached to the existing sash window frame 41. Therefore, it is possible to improve the workability of adding the window portion 60 including this attachment.

また、本実施形態の枠材10および窓枠55は、サッシ窓枠41に直接取り付けることができるため、特に既存サッシの内側に窓木枠等が取り付けられていない仮設住宅において簡単に二重内窓を構成するための窓枠55を増設でき、好適である。   Further, since the frame member 10 and the window frame 55 of the present embodiment can be directly attached to the sash window frame 41, particularly in a temporary housing in which a window wooden frame or the like is not attached to the inside of an existing sash, A window frame 55 for configuring the window can be added, which is preferable.

また、枠材10が、増設の窓部60が取り付けられる取付面となる表面部19とサッシ窓枠41の鍔部50,51,52,52の窓ガラス43とは反対側に係止される層部21および水密材30を有する枠材本体11と、サッシ窓枠41の鍔部50,51,52,52の窓ガラス43側の面に係止される先端側係止部としての係止板部26と鍔部50,51,52,52の枠内側端縁部を越える橋状部としての基板部25とを有して枠材本体11に対して着脱可能な係止部材12とを有するため、構造を簡素化でき、コストを低減できる。   Further, the frame member 10 is locked to the opposite side of the surface portion 19 serving as a mounting surface to which the additional window portion 60 is attached and the window glass 43 of the flange portions 50, 51, 52, 52 of the sash window frame 41. Locking as a front-end side locking portion that is locked to the window glass 43 side surface of the flange portions 50, 51, 52, 52 of the sash window frame 41 and the frame body 11 having the layer portion 21 and the watertight material 30 A locking member 12 that has a plate portion 26 and a base plate portion 25 as a bridge-like portion that extends beyond the frame inner edge of the flange portions 50, 51, 52, 52 and can be attached to and detached from the frame body 11. Therefore, the structure can be simplified and the cost can be reduced.

なお、図5に示すように、窓枠55の下枠材10(A)および上枠材10(B)に断面L字状の補強ブラケット100をネジ101により固定し、これらの補強ブラケット100をスペーサ102を介して壁38にネジ103により固定することで窓枠55の取付強度を補強するようにしても良い。この構造を、下枠材10(A)および上枠材10(B)に加えて竪枠材10(C),10(C)に適用しても良い。   As shown in FIG. 5, a reinforcing bracket 100 having an L-shaped cross section is fixed to the lower frame member 10 (A) and the upper frame member 10 (B) of the window frame 55 with screws 101, and these reinforcing brackets 100 are attached to the lower frame member 10 (A) and the upper frame member 10 (B). You may make it reinforce the attachment strength of the window frame 55 by fixing to the wall 38 via the spacer 102 with the screw | thread 103. FIG. This structure may be applied to the eaves frame materials 10 (C) and 10 (C) in addition to the lower frame material 10 (A) and the upper frame material 10 (B).

10 枠材
11 枠材本体
12 係止部材
19 表面部(取付面)
21 層部(基端側係止部)
25 基板部(橋状部)
26 係止板部(先端側係止部)
30 水密材(基端側係止部)
41 既設のサッシ窓枠
42,43 窓ガラス
50,51,52 鍔部
60 増設の窓部
95 増設窓
DESCRIPTION OF SYMBOLS 10 Frame material 11 Frame material main body 12 Locking member 19 Surface part (mounting surface)
21 layer part (base end side locking part)
25 Substrate (bridge)
26 Locking plate part (tip side locking part)
30 Watertight material (base end side locking part)
41 Existing sash window frame 42, 43 Window glass 50, 51, 52 鍔 part 60 Additional window part 95 Additional window

Claims (3)

窓ガラスの側方にて枠内方向に突設される鍔部を有する既設のサッシ窓枠に取り付けられて増設の窓部を保持する枠材であって、
前記増設の窓部が取り付けられる取付面と前記サッシ窓枠の前記窓ガラスとは反対側に係止される基端側係止部とを有する枠材本体と、
前記枠材本体に対し着脱可能であって、前記鍔部の前記窓ガラス側に係止される先端側係止部と前記鍔部の枠内側端縁部を越える橋状部とを有する係止部材とを備え、
前記枠材本体には前記取付面から凹むガイド溝が形成されており、
前記係止部材は、前記先端側係止部前記基端側係止部に対し近接および離間させる方向に摺動可能となるように前記橋状部が前記ガイド溝に嵌合されることを特徴とする枠材。
A frame member that is attached to an existing sash window frame having a flange projecting inward in the frame at the side of the window glass and holds an additional window part,
A frame body having a mounting surface to which the additional window portion is attached and a proximal end side locking portion locked to the opposite side of the window glass of the sash window frame;
A latch that is detachable from the frame body and has a front-end latching portion that is latched to the window glass side of the collar and a bridge-shaped portion that extends beyond the frame inner edge of the collar. With members,
A guide groove that is recessed from the mounting surface is formed in the frame body.
Said locking member, said bridge-like portion so as to be slidable the distal end side engaging portion in a direction to close and away with respect to the base end side locking portion is fitted into the guide groove Characteristic frame material.
前記橋状部には摺動方向に延在する長穴が形成されていることを特徴とする請求項1記載の枠材。 The frame material according to claim 1, wherein an elongated hole extending in the sliding direction is formed in the bridge-shaped portion . 既設のサッシ窓枠に取り付けられる増設窓であって、
請求項1または2に記載の枠材を枠状に連結してなる増設の窓枠と、該増設の窓枠に取り付けられる増設の窓部とを有することを特徴とする増設窓。
An additional window that can be attached to an existing sash window frame,
An additional window comprising an additional window frame formed by connecting the frame members according to claim 1 or 2 in a frame shape, and an additional window portion attached to the additional window frame.
JP2012042378A 2012-02-28 2012-02-28 Frame material and additional windows Active JP5597658B2 (en)

Priority Applications (1)

Application Number Priority Date Filing Date Title
JP2012042378A JP5597658B2 (en) 2012-02-28 2012-02-28 Frame material and additional windows

Applications Claiming Priority (1)

Application Number Priority Date Filing Date Title
JP2012042378A JP5597658B2 (en) 2012-02-28 2012-02-28 Frame material and additional windows

Publications (2)

Publication Number Publication Date
JP2013177775A JP2013177775A (en) 2013-09-09
JP5597658B2 true JP5597658B2 (en) 2014-10-01

Family

ID=49269646

Family Applications (1)

Application Number Title Priority Date Filing Date
JP2012042378A Active JP5597658B2 (en) 2012-02-28 2012-02-28 Frame material and additional windows

Country Status (1)

Country Link
JP (1) JP5597658B2 (en)

Cited By (1)

* Cited by examiner, † Cited by third party
Publication number Priority date Publication date Assignee Title
KR101575670B1 (en) 2015-05-29 2015-12-08 주식회사 알프 Inner window to maximize insulation effect and installing method thereof

Family Cites Families (5)

* Cited by examiner, † Cited by third party
Publication number Priority date Publication date Assignee Title
JPS6017500Y2 (en) * 1982-07-05 1985-05-29 ワイケイケイ株式会社 Double glazed window frame structure
JP3259218B2 (en) * 1997-02-28 2002-02-25 株式会社住建産業 Width adjustment frame material
JP2000356072A (en) * 1999-06-16 2000-12-26 Ykk Architectural Products Inc Double window
JP2007126913A (en) * 2005-11-07 2007-05-24 Daiei Sangyo Kk Double window frame
GB2441136A (en) * 2006-08-25 2008-02-27 Leaderflush & Shapland Ltd Frame assembly comprising brackets which protrude from frame member

Cited By (1)

* Cited by examiner, † Cited by third party
Publication number Priority date Publication date Assignee Title
KR101575670B1 (en) 2015-05-29 2015-12-08 주식회사 알프 Inner window to maximize insulation effect and installing method thereof

Also Published As

Publication number Publication date
JP2013177775A (en) 2013-09-09

Similar Documents

Publication Publication Date Title
JP5946869B2 (en) Outer wall mounting member and outer wall structure
US20120055107A1 (en) Window casing
JP2016169502A (en) Water cut-off member and exterior wall structure
JP5597658B2 (en) Frame material and additional windows
ES2962958T3 (en) Window frame with joining means that have high positioning precision and manufacturing procedure thereof
JP4823108B2 (en) Reform sash and its construction method
KR102018426B1 (en) Dividing window being easy to adjust and assemble
JP5841927B2 (en) Joinery
JP6906297B2 (en) Joinery cover material and how to attach the joinery cover material
KR102018425B1 (en) Window fram dividing bar set being easy to install and adjust position and dividing window prepared therefrom
JP6377802B2 (en) Joinery
JP6026830B2 (en) sash
KR20160113844A (en) heat insulated structure of window frame and door provided with fittings
US20200173224A1 (en) Cover assembly for windows
KR20140127580A (en) Connection type outer structure of outer wall for building
JP2002180748A (en) Window frame for combined sash
JP5438265B2 (en) Unit room
JP3208073U (en) Multi-layer glass mounting frame
JP4056950B2 (en) Sash window frame fixing bracket and fixing method
KR200434719Y1 (en) Compound windows
JP3208073U7 (en)
JP2010275752A (en) Corner sash window
JP4939177B2 (en) Equipment for assembling indoor and outdoor components in a shoji composite downpipe
JP4635843B2 (en) How to remove the picture frame
JP4586006B2 (en) Sash window

Legal Events

Date Code Title Description
A977 Report on retrieval

Free format text: JAPANESE INTERMEDIATE CODE: A971007

Effective date: 20131120

A131 Notification of reasons for refusal

Free format text: JAPANESE INTERMEDIATE CODE: A131

Effective date: 20131126

A521 Written amendment

Free format text: JAPANESE INTERMEDIATE CODE: A523

Effective date: 20140127

TRDD Decision of grant or rejection written
A01 Written decision to grant a patent or to grant a registration (utility model)

Free format text: JAPANESE INTERMEDIATE CODE: A01

Effective date: 20140715

A61 First payment of annual fees (during grant procedure)

Free format text: JAPANESE INTERMEDIATE CODE: A61

Effective date: 20140811

R150 Certificate of patent or registration of utility model

Ref document number: 5597658

Country of ref document: JP

Free format text: JAPANESE INTERMEDIATE CODE: R150

R250 Receipt of annual fees

Free format text: JAPANESE INTERMEDIATE CODE: R250