JP4876767B2 - Trance - Google Patents

Trance Download PDF

Info

Publication number
JP4876767B2
JP4876767B2 JP2006219364A JP2006219364A JP4876767B2 JP 4876767 B2 JP4876767 B2 JP 4876767B2 JP 2006219364 A JP2006219364 A JP 2006219364A JP 2006219364 A JP2006219364 A JP 2006219364A JP 4876767 B2 JP4876767 B2 JP 4876767B2
Authority
JP
Japan
Prior art keywords
winding
bobbin
primary
flanges
transformer
Prior art date
Legal status (The legal status is an assumption and is not a legal conclusion. Google has not performed a legal analysis and makes no representation as to the accuracy of the status listed.)
Active
Application number
JP2006219364A
Other languages
Japanese (ja)
Other versions
JP2008047595A (en
Inventor
崇 黒川
貴宣 柴田
Current Assignee (The listed assignees may be inaccurate. Google has not performed a legal analysis and makes no representation or warranty as to the accuracy of the list.)
Murata Manufacturing Co Ltd
Original Assignee
Murata Manufacturing Co Ltd
Priority date (The priority date is an assumption and is not a legal conclusion. Google has not performed a legal analysis and makes no representation as to the accuracy of the date listed.)
Filing date
Publication date
Application filed by Murata Manufacturing Co Ltd filed Critical Murata Manufacturing Co Ltd
Priority to JP2006219364A priority Critical patent/JP4876767B2/en
Publication of JP2008047595A publication Critical patent/JP2008047595A/en
Application granted granted Critical
Publication of JP4876767B2 publication Critical patent/JP4876767B2/en
Active legal-status Critical Current
Anticipated expiration legal-status Critical

Links

Images

Landscapes

  • Coils Of Transformers For General Uses (AREA)
  • Coils Or Transformers For Communication (AREA)

Abstract

<P>PROBLEM TO BE SOLVED: To provide a transformer that is small in size and the degree of magnetic coupling is made high. <P>SOLUTION: The transformer is comprised of a bobbin 1, a core, primary windings A1, A2 and A3, and secondary windings B1 and B2. A plurality of winding frames 41-47 are formed around the periphery of the bobbin 1 by using flanges 31-38. The primary winding A1 is wound around the winding frame 41 between the flanges 31 and 32, the primary winding A2 is wound around the winding frame 44 between the flanges 34 and 35, and the primary winding A3 is wound around the winding frame 47 between the flanges 37 and 38. In addition, the secondary winding B1 is wound around the winding frame 42 between the flanges 32 and 33 and the winding frame 43 between the flanges 33 and 34, and the secondary winding B2 is wound around the winding frame 45 between the flanges 35 and 36 and the winding frame 46 between the flanges 36 and 37. Pins 13-24 are erected at the flanges 31 and 38 located at both ends of the bobbin 1 to connect the ends of the respective windings. <P>COPYRIGHT: (C)2008,JPO&amp;INPIT

Description

本発明は、トランス、特に、コアを備えたボビンに一次巻線及び二次巻線を軸方向に隣接して巻回したトランスに関する。   The present invention relates to a transformer, and more particularly to a transformer in which a primary winding and a secondary winding are wound adjacent to each other in an axial direction on a bobbin having a core.

従来、高圧トランスとして、一次巻線と二次巻線を分割して巻回するものは、特許文献1に記載されているように、ボビンの外周部を複数の鍔部によって複数の巻枠に分割し、これらの巻枠に巻回した巻線を鍔部ごとに植設したピンに絡げるようにしていた。鍔部ごとにピンを植設することは、機械巻きの場合にどのような巻き順にも対応でき、かつ、巻線間の接続態様をトランスを実装する配線基板上でのパターンの引き回しによって自由に設計できることになる。   Conventionally, as a high-voltage transformer, a primary winding and a secondary winding that are divided and wound, as described in Patent Document 1, the outer periphery of the bobbin is divided into a plurality of winding frames by a plurality of flanges. The windings that were divided and wound around these winding frames were entangled with pins that were planted for each buttock. In the case of mechanical winding, planting pins for each buttock can handle any winding order, and the manner of connection between windings can be freely determined by routing the pattern on the wiring board on which the transformer is mounted. You can design.

しかしながら、各鍔部ごとにピンを植設しているため、ピン植設寸法及び強度が必要となるために、鍔部の幅寸法がどうしても大きくなり、巻線ごとの結合度が小さくなり、リーケージインダクタンスが大きくなるという問題点を有していた。結合度を高くするためには巻数を少なくする方法もあるが、それではコアの断面積を大きく、即ち、トランスを大型化する必要があり、また、自己インダクタンスも小さくなってしまうため、現実的ではない。
特開2002−110439号公報
However, since the pins are planted for each flange, pin mounting dimensions and strength are required, so the width of the flange is inevitably increased, the degree of coupling for each winding is reduced, and leakage occurs. There was a problem that the inductance was increased. In order to increase the degree of coupling, there is a method of reducing the number of turns, but in that case, it is necessary to increase the cross-sectional area of the core, that is, to increase the size of the transformer and to reduce the self-inductance. Absent.
JP 2002-110439 A

そこで、本発明の目的は、小型でありながら、巻線間の磁気結合度を大きくしたトランスを提供することにある。   Accordingly, an object of the present invention is to provide a transformer having a small degree of magnetic coupling between windings while being small.

前記目的を達成するため、本発明は、貫通孔を有する筒状体をなし、複数の鍔部によって複数の巻枠が形成されたボビンと、前記貫通孔に挿入され、閉磁路を形成するコアとからなるトランスであって、
前記複数の巻枠は少なくとも5以上形成されており、
巻枠に巻回された一次巻線の両側の巻枠に二次巻線が巻回されている箇所、又は、巻枠に巻回された二次巻線の両側の巻枠に一次巻線が巻回されている箇所が、少なくとも2箇所存在し、
前記一次巻線及び前記二次巻線を絡げるためのピンが、少なくとも前記ボビンの両端に位置する鍔部に複数本植設されており
前記複数の鍔部のうち前記一次巻線と前記二次巻線の間に位置する鍔部の一つに突起を設け、前記ボビンの両端に位置する鍔部に植設されたピンに一端及び他端を絡げた二次巻線を前記突起に引っ掛けて巻枠に巻回することで、該二次巻線の巻方向を他の二次巻線の巻方向と逆方向にしたこと、
を特徴とする。
In order to achieve the above object, the present invention provides a cylindrical body having a through-hole, a bobbin having a plurality of winding frames formed by a plurality of flanges, and a core that is inserted into the through-hole to form a closed magnetic circuit A transformer consisting of
The plurality of winding frames are formed at least 5 or more,
The primary winding on the part where the secondary winding is wound on the winding frame on both sides of the primary winding wound on the winding frame, or on the winding frame on both sides of the secondary winding wound on the winding frame There are at least two places where is wound,
It said pin for Karageru the primary winding and the secondary winding are a plurality of embedded in the flange portion located at both ends of at least said bobbin,
Protrusion is provided on one of the flanges located between the primary winding and the secondary winding among the plurality of flanges, and one end and a pin implanted in the flanges located at both ends of the bobbin The winding direction of the secondary winding is reversed to the winding direction of the other secondary winding by hooking the secondary winding with the other end on the protrusion and hooking it on the winding frame.
It is characterized by.

本発明に係るトランスにおいては、一次巻線の両側を二次巻線で挟む、あるいは、二次巻線の両側を一次巻線で挟む構造が少なくとも2箇所存在し、一次巻線及び二次巻線をそれぞれ直列あるいは並列に接続することにより、分割された二次巻線あるいは一次巻線は3方向から結合されることとなり、一次巻線と二次巻線の磁気結合度が高められる。さらに、一次巻線及び二次巻線を絡げるためのピンが少なくともボビンの両端に位置する鍔部に集中的に植設することにより、全ての鍔部にピンを植設する必要がなくなり、ピンを植設しない鍔部は幅寸法を小さくできるので、巻線間の磁気結合度がより高くなり、かつ、サイズ的に小型化される。   In the transformer according to the present invention, there are at least two structures in which both sides of the primary winding are sandwiched between the secondary windings, or both sides of the secondary winding are sandwiched between the primary windings, the primary winding and the secondary winding. By connecting the lines in series or in parallel, the divided secondary winding or primary winding is coupled from three directions, and the degree of magnetic coupling between the primary winding and the secondary winding is increased. Furthermore, since the pins for linking the primary winding and the secondary winding are intensively planted in at least the collars located at both ends of the bobbin, it is not necessary to plant the pins in all the collars. Since the flange portion where no pin is implanted can be reduced in width, the degree of magnetic coupling between the windings becomes higher and the size is reduced.

本発明に係るトランスにおいては、ボビンのほぼ中央部の巻枠に巻回された一次巻線又は二次巻線は、ほぼ中央部の巻枠の両側に位置する鍔部のいずれかに植設されたピンに絡げられ、ほぼ中央部の巻枠以外の他の巻枠に巻回された一次巻線又は二次巻線は、ボビンの両端に位置する鍔部に植設されたピンに絡げられていてもよい。一方、一次巻線及び二次巻線の全てがボビンの両端に位置する鍔部に植設されたピンに絡げられていることが好ましい。   In the transformer according to the present invention, the primary winding or the secondary winding wound around the bobbin in the substantially central part of the bobbin is implanted in either of the flanges located on both sides of the substantially central part of the bobbin. The primary winding or secondary winding that is wound around the other pin other than the central frame is connected to the pins that are implanted in the collars located at both ends of the bobbin. It may be tied. On the other hand, it is preferable that all of the primary winding and the secondary winding are entangled with pins implanted in the collars located at both ends of the bobbin.

ところで、この種のトランスでは一次巻線に比べて二次巻線の電圧がかなり高く、二次巻線に対する絶縁性を十分に確保する必要があり、一次巻線と二次巻線を仕切る鍔部は、一次巻線間及び二次巻線間を仕切る鍔部よりもどうしても厚くなる。それゆえ、複数の巻枠のうち最も外側に位置する巻枠には一次巻線が巻回されていることが好ましい。最も外側に位置する巻枠に一次巻線を巻回すると、ボビンの最も外側の鍔部を薄くしてもよく、その分トランスが小型化される。   By the way, in this type of transformer, the voltage of the secondary winding is considerably higher than that of the primary winding, and it is necessary to ensure sufficient insulation against the secondary winding. The part is inevitably thicker than the flange part that partitions between the primary windings and between the secondary windings. Therefore, it is preferable that the primary winding is wound on the outermost winding frame among the plurality of winding frames. When the primary winding is wound around the outermost winding frame, the outermost flange portion of the bobbin may be thinned, and the transformer is downsized accordingly.

また、本発明に係るトランスにおいては、複数の鍔部のうち一次巻線と二次巻線の間に位置する鍔部の一つに突起を設け、ピンに絡げた二次巻線を前記突起に引っ掛けて巻枠に巻回することで、二次巻線の巻方向を逆方向にしている。それゆえ、二次巻線を直列に接続する場合、トランスを実装する配線基板上でのパターンの引き回しが簡単になる。また、二次巻線を個別に使用する場合は、各巻線の位相を変えることが可能となる。 Further, in the transformer according to the present invention, a protrusion is provided on one of the flanges located between the primary winding and the secondary winding among the plurality of flanges, and the secondary winding entangled with the pin is connected to the protrusion. The winding direction of the secondary winding is reversed by hooking onto the winding frame . Therefore, when the secondary windings are connected in series, the pattern can be easily routed on the wiring board on which the transformer is mounted. When the secondary windings are used individually, the phase of each winding can be changed.

本発明によれば、一次巻線と二次巻線を分割して隣接させ、かつ、隣接間隔を極力小さくすることで両巻線間の磁気結合度を高めることができるとともに小型化を達成することができる。   According to the present invention, the primary winding and the secondary winding are divided and adjacent to each other and the distance between adjacent windings is made as small as possible to increase the degree of magnetic coupling between the two windings and achieve miniaturization. be able to.

以下、本発明に係るトランスの実施例について添付図面を参照して説明する。なお、以下に説明する各実施例において共通する部品、部分は同じ符号を付し、重複する説明は省略する。   Embodiments of a transformer according to the present invention will be described below with reference to the accompanying drawings. Note that parts and portions common to each embodiment described below are denoted by the same reference numerals, and redundant description is omitted.

(第1実施例、図1〜図4参照)
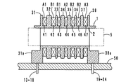
第1実施例としてのトランスは、図1及び図2に示すように、ボビン1とコア5と一次巻線A1,A2,A3と二次巻線B1,B2とで構成されている。ボビン1は、貫通孔2を有する筒状体をなし、コア5は貫通孔2に挿入されている。このトランスは貫通孔2が配線基板50の表面(実装面)に対して平行になるように実装される。
(Refer 1st Example and FIGS. 1-4)
As shown in FIGS. 1 and 2, the transformer according to the first embodiment includes a bobbin 1, a core 5, primary windings A1, A2, A3, and secondary windings B1, B2. The bobbin 1 is a cylindrical body having a through hole 2, and the core 5 is inserted into the through hole 2. This transformer is mounted such that the through hole 2 is parallel to the surface (mounting surface) of the wiring board 50.

ボビン1の外周部は複数の鍔部31〜38によって複数の巻枠41〜47が形成されている。一次巻線A1は鍔部31,32間の巻枠41に巻回され、一次巻線A2は鍔部34,35間の巻枠44に巻回され、一次巻線A3は鍔部37,38間の巻枠47に巻回されている。また、二次巻線B1は鍔部32,33間の巻枠42及び鍔部33,34間の巻枠43に巻回され、二次巻線B2は鍔部35,36間の巻枠45及び鍔部36,37間の巻枠46に巻回されている。   A plurality of winding frames 41 to 47 are formed on the outer peripheral portion of the bobbin 1 by a plurality of flange portions 31 to 38. The primary winding A1 is wound around the winding frame 41 between the flange portions 31, 32, the primary winding A2 is wound around the winding frame 44 between the flange portions 34, 35, and the primary winding A3 is wound around the flange portions 37, 38. It is wound around a winding frame 47 between them. The secondary winding B1 is wound around the winding frame 42 between the flange portions 32 and 33 and the winding frame 43 between the flange portions 33 and 34, and the secondary winding B2 is wound around the winding frame 45 between the flange portions 35 and 36. And a winding frame 46 between the flange portions 36 and 37.

本第1実施例では、最も外側の鍔部31,38の底面にそれぞれの巻線を絡げるためのピン13〜24が植設されている。ここで、各ピン13〜24と巻線の接続関係を図2〜図4を参照して説明する。   In the first embodiment, pins 13 to 24 for tying the respective windings are planted on the bottom surfaces of the outermost flange portions 31 and 38. Here, the connection relationship between the pins 13 to 24 and the windings will be described with reference to FIGS.

機械巻きの順序に従って説明すると、まず、一次巻線A1は、その一端がピン16に絡げられ、巻枠41に巻回された後、他端がピン15に絡げられる。一次巻線A3は、その一端がピン20に絡げられ、巻枠47に巻回された後、他端がピン23に絡げられる。二次巻線B1は、その一端がピン13に絡げられ、鍔部32の端面に設けた突起32aに引っ掛けて巻枠42,43に巻回された後、鍔部33の端面に設けた突起33aに引っ掛けて他端がピン18に絡げられる。二次巻線B2は、その一端がピン19に絡げられ、巻枠46,45に巻回された後、鍔部36の端面に設けた突起36aに引っ掛けて他端がピン24に絡げられる。最後に、一次巻線A2は、その一端がピン21に絡げられ、巻枠44に巻回された後、鍔部35の端面に設けた突起35aに引っ掛けて他端がピン22に絡げられる。   The description will be made according to the mechanical winding sequence. First, the primary winding A1 is wound around the pin 16 at one end, wound around the winding frame 41, and then wound around the pin 15. One end of the primary winding A <b> 3 is wound around the pin 20, wound around the winding frame 47, and the other end is wound around the pin 23. One end of the secondary winding B1 is entangled with the pin 13, hooked on the protrusion 32a provided on the end surface of the collar portion 32 and wound around the winding frames 42 and 43, and then provided on the end surface of the collar portion 33. The other end is tied to the pin 18 by being hooked on the protrusion 33a. One end of the secondary winding B2 is entangled with the pin 19 and wound around the winding frames 46 and 45, and then hooked on the protrusion 36a provided on the end surface of the flange 36, and the other end is entangled with the pin 24. It is done. Finally, one end of the primary winding A2 is entangled with the pin 21, wound around the winding frame 44, and then hooked on the protrusion 35a provided on the end surface of the flange 35, and the other end is entangled with the pin 22. It is done.

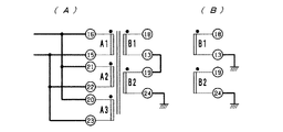
一次巻線A1,A2,A3は各ピン15,16、21,22及び20,23を介して、図3(A)に示すように並列に接続されるか、あるいは、図4に示すように直列に接続される。並列に接続される場合は、一次巻線A1,A2,A3は同一巻数でなければならない。また、直列に接続される場合は、一次巻線A1,A2,A3の巻数比はA1+A3=A2の関係を満たすほうが好ましい。また、二次巻線B1,B2は、図3(A)に示すようにピン13,19が接続されてピン24をグランドに接続した場合は、ピン18から二次出力が取り出される。あるいは、図3(B)に示すようにピン13,24をグランドに接続し、ピン18,19から二次出力が取り出される。なお、図3(A)におけるピン24及び図3(B)におけるピン13,24はグランドではなく、所定の基準電位であってもよい。ところで、図3及び図4にて各ピン15,16,20〜23,13,19を接続するライン(太線で示す)は、通常は配線基板50上に形成した導体パターン(図示せず)によって行われるが、トランス上で接続してもよい。   The primary windings A1, A2, A3 are connected in parallel as shown in FIG. 3A through the pins 15, 16, 21, 22, and 20, 23, or as shown in FIG. Connected in series. When connected in parallel, the primary windings A1, A2, A3 must have the same number of turns. When connected in series, the turn ratio of the primary windings A1, A2, A3 preferably satisfies the relationship of A1 + A3 = A2. Further, as shown in FIG. 3A, the secondary windings B1 and B2 are connected to the pins 13 and 19, and the pin 24 is connected to the ground, the secondary output is taken out from the pin 18. Alternatively, as shown in FIG. 3B, the pins 13 and 24 are connected to the ground, and the secondary outputs are taken out from the pins 18 and 19. Note that the pin 24 in FIG. 3A and the pins 13 and 24 in FIG. 3B may be a predetermined reference potential instead of the ground. By the way, the lines (indicated by bold lines) connecting the pins 15, 16, 20 to 23, 13, 19 in FIG. 3 and FIG. Although done, it may be connected on a transformer.

なお、ピン14,17間には、二次側の出力電圧を擬似的に検出するための周知の帰還巻線が巻枠41に巻回されている。   A well-known feedback winding for pseudo-detecting the output voltage on the secondary side is wound around the winding frame 41 between the pins 14 and 17.

本第1実施例においては、図2に示されるごとく、二次巻線B1,B2の両側を一次巻線A1,A2及びA2,A3で挟むサンドイッチ構造とすることで、一次巻線A1,A2,A3と二次巻線B1,B2の磁気結合度は極めて高くなる。また、図3(B)に図示するごとく、二次巻線B1,B2を別出力として個別に使用する場合においても、一次巻線A1,A2,A3と二次巻線B1,B2の磁気結合度は高くなる。さらに、一次巻線A1,A2,A3及び二次巻線B1,B2を絡げるためのピン13〜24が全てボビン1の両端に位置する鍔部31,38の台座部31a,38aに植設されているため、他の鍔部32〜37にはピンを植設する必要がなくなり、ピンを植設しない鍔部32〜37は幅寸法を小さくできるので、巻線間の磁気結合度がより高くなる。同時に、トランス自体がサイズ的に小型化される。   In the first embodiment, as shown in FIG. 2, the primary windings A1, A2 are formed by sandwiching both sides of the secondary windings B1, B2 with the primary windings A1, A2 and A2, A3. , A3 and the secondary windings B1 and B2 have extremely high magnetic coupling. Further, as shown in FIG. 3B, even when the secondary windings B1 and B2 are individually used as separate outputs, the magnetic coupling between the primary windings A1, A2, and A3 and the secondary windings B1 and B2 The degree will be higher. Further, the pins 13 to 24 for binding the primary windings A1, A2 and A3 and the secondary windings B1 and B2 are all planted in the base portions 31a and 38a of the flange portions 31 and 38 located at both ends of the bobbin 1. Therefore, it is not necessary to plant pins in the other flange portions 32 to 37, and the width portions of the flange portions 32 to 37 that do not have pins implanted can be reduced, so that the degree of magnetic coupling between the windings can be reduced. Get higher. At the same time, the transformer itself is reduced in size.

ところで、この種のトランスでは、一次巻線A1,A2,A3に比べて二次巻線B1,B2の電圧がかなり高く、二次巻線B1,B2に対する絶縁性を十分に確保する必要がある。そのため、鍔部32,34,35,37は他の鍔部31,33,36,38よりも必要に応じて僅かに厚くしている。この場合、第1実施例では、最も外側に位置する巻枠41,47には一次巻線A1,A3が巻回されているため、ボビン1の最も外側の鍔部31,38を薄くしてもよく、その分トランスが小型化される。   By the way, in this type of transformer, the voltages of the secondary windings B1, B2 are considerably higher than those of the primary windings A1, A2, A3, and it is necessary to sufficiently ensure the insulation with respect to the secondary windings B1, B2. . Therefore, the collar parts 32, 34, 35, and 37 are made slightly thicker as necessary than the other collar parts 31, 33, 36, and 38. In this case, in the first embodiment, since the primary windings A1 and A3 are wound around the outermost winding frames 41 and 47, the outermost flange portions 31 and 38 of the bobbin 1 are made thinner. Well, the transformer is downsized accordingly.

(第2実施例、図5及び図6参照)
第2実施例としてのトランスは、図5に示すように、基本的には前記第1実施例と同様の構成を備え、異なるのは、二次巻線B1に関して、その一端をピン13に絡げて鍔部32の端面に設けた突起32a,32bに引っ掛けて反対側へ引き回し、巻枠42,43に巻回した後、鍔部33の端面に設けた突起33aに引っ掛けて他端をピン18に絡げた点にある。これにより、二次巻線B1は第1実施例での二次巻線B1とは巻方向が逆方向になる。従って、二次巻線B1,B2を直列に接続するのに、図6(A)に示すようにピン13,24を接続することになるが、トランスを実装する配線基板上での導体パターン51(図5に点線で示す)を最短距離に設定でき、導体パターン51の引き回しが簡単になる。
(Refer to the second embodiment, FIGS. 5 and 6)
As shown in FIG. 5, the transformer of the second embodiment basically has the same configuration as that of the first embodiment except that one end of the secondary winding B1 is entangled with the pin 13. The hook 32 is hooked on the protrusions 32 a and 32 b provided on the end face of the hook 32, drawn to the opposite side, wound on the winding frames 42 and 43, and then hooked on the protrusion 33 a provided on the end face of the hook 33 to pin the other end It is in the point entwined in 18. As a result, the winding direction of the secondary winding B1 is opposite to that of the secondary winding B1 in the first embodiment. Therefore, in order to connect the secondary windings B1 and B2 in series, the pins 13 and 24 are connected as shown in FIG. 6A, but the conductor pattern 51 on the wiring board on which the transformer is mounted. (Indicated by a dotted line in FIG. 5) can be set to the shortest distance, and the conductor pattern 51 can be easily routed.

一次巻線A1,A2,A3の各ピン15,16、21,22及び20,23は、図6(A)に示すように並列に接続されるか、あるいは、図4に示したように直列に接続されてもよい。また、二次巻線B1,B2は、図6(A)に示すようにピン13,24が接続されてピン19をグランドに接続した場合は、ピン18から二次出力が取り出される。あるいは、図6(B)に示すように、ピン13,24をグランドに接続し、ピン18,19から二次出力が取り出される。なお、図6(A)におけるピン19及び図6(B)におけるピン13,24はグランドではなく、所定の基準電位であってもよい。   The pins 15, 16, 21, 22, and 20, 23 of the primary windings A1, A2, A3 are connected in parallel as shown in FIG. 6 (A) or in series as shown in FIG. May be connected. Further, as shown in FIG. 6A, the secondary windings B1 and B2 are connected to the pins 13 and 24, and when the pin 19 is connected to the ground, the secondary output is taken out from the pin 18. Alternatively, as shown in FIG. 6B, the pins 13 and 24 are connected to the ground, and the secondary outputs are taken out from the pins 18 and 19. Note that the pin 19 in FIG. 6A and the pins 13 and 24 in FIG. 6B may be at a predetermined reference potential instead of the ground.

二次巻線B1,B2を第1実施例である図3(B)のごとく、個別の出力として利用する場合、その出力波形は図7(A)に示すように同相となる。一方、第2実施例である図6(B)のごとく、個別の出力として利用する場合、その出力波形は図7(B)に示すように逆相となる。   When the secondary windings B1 and B2 are used as individual outputs as shown in FIG. 3B, which is the first embodiment, the output waveforms are in phase as shown in FIG. 7A. On the other hand, as shown in FIG. 6B, which is the second embodiment, when used as individual outputs, the output waveform is in reverse phase as shown in FIG. 7B.

本第2実施例での作用効果は前記第1実施例と同様であり、さらに、二次巻線B1を第1実施例とは逆方向に巻回したことにより、配線基板上でピン13,24を接続するための導体パターン51の引き回しが簡単になる効果を奏する。   The operation and effect of the second embodiment is the same as that of the first embodiment. Further, the secondary winding B1 is wound in the opposite direction to that of the first embodiment, so that the pins 13, The conductor pattern 51 for connecting 24 is easily routed.

(第3実施例、図8参照)
本第3実施例であるトランスは、前記第1実施例の変形例というべきものであり、鍔部34の幅寸法を若干厚くし、その底面にピン21,22を植設したものである。ボビン1が若干長くなるが、一次巻線A1,A3に続いて、一次巻線A2の巻回作業及びピン21,22への絡げ作業を行うことになり、一次巻線と二次巻線の巻線機の切り替えが1回で済むために作業時間が短縮できる。また、引き回しが短くなるため、作業が容易になる。
(Refer to the third embodiment, FIG. 8)
The transformer according to the third embodiment is a modification of the first embodiment, in which the width of the flange 34 is slightly increased and pins 21 and 22 are implanted on the bottom surface. Although the bobbin 1 is slightly longer, the primary winding A1 and A3 are followed by the winding operation of the primary winding A2 and the binding operation to the pins 21 and 22, and the primary winding and the secondary winding. Since the winding machine can be switched only once, the working time can be shortened. Moreover, since the routing is shortened, the operation becomes easy.

(第4実施例、図9参照)
本第4実施例であるトランスは、前記第2実施例の変形例というべきものであり、鍔部34の幅寸法を若干厚くし、その底面にピン21,22を植設したものである。ボビン1が若干長くなるが、一次巻線A2の巻回作業及びピン21,22への絡げ作業が容易になる。
(Refer to the fourth embodiment, FIG. 9)
The transformer according to the fourth embodiment is a modification of the second embodiment, in which the width of the flange 34 is slightly increased and pins 21 and 22 are implanted on the bottom surface thereof. Although the bobbin 1 is slightly longer, the winding work of the primary winding A2 and the tying work to the pins 21 and 22 are facilitated.

(他の実施例)
なお、本発明に係るトランスは前記実施例に限定するものではなく、その要旨の範囲内で種々に変更することができる。
(Other examples)
The transformer according to the present invention is not limited to the above-described embodiment, and can be variously modified within the scope of the gist.

例えば、ボビンの構造的な細部や各鍔部の形状は任意であり、各ピンの植設位置も特に両端に位置する鍔部に集中させる以外に任意である。   For example, the structural details of the bobbin and the shape of each hook are arbitrary, and the planting position of each pin is also arbitrary other than focusing on the hooks located at both ends.

特に、第3実施例及び第4実施例では中間位置にある鍔部34の幅寸法を若干大きくしてピン21,22を植設するようにしたが、中央位置にある他の鍔部35の幅寸法を若干大きくしてピン21,22を植設するようにしてもよい。この場合、鍔部35には二次巻線B2を絡げるためのピン19,24を植設してもよい。   In particular, in the third and fourth embodiments, the pins 21 and 22 are implanted by slightly increasing the width of the flange 34 at the intermediate position. The pins 21 and 22 may be implanted by slightly increasing the width dimension. In this case, pins 19 and 24 for binding the secondary winding B2 may be implanted in the flange portion 35.

本発明に係るトランスの第1実施例を示す断面図である。It is sectional drawing which shows 1st Example of the trans | transformer which concerns on this invention. 前記第1実施例であるトランスを示す底面図である。It is a bottom view which shows the transformer which is the said 1st Example. 前記第1実施例であるトランスの接続例を示す回路図である。It is a circuit diagram which shows the example of a connection of the trans | transformer which is the said 1st Example. 前記第1実施例であるトランスの他の接続例を示す回路図である。It is a circuit diagram which shows the other connection example of the trans | transformer which is the said 1st Example. 本発明に係るトランスの第2実施例を示す底面図である。It is a bottom view which shows the 2nd Example of the transformer which concerns on this invention. 前記第2実施例であるトランスの接続例を示す回路図である。It is a circuit diagram which shows the example of a connection of the trans | transformer which is the said 2nd Example. 前記第1実施例及び第2実施例での二次巻線の出力波形を示すチャート図である。It is a chart figure which shows the output waveform of the secondary winding in the said 1st Example and 2nd Example. 本発明の第3実施例であるトランスを示す底面図である。It is a bottom view which shows the transformer which is 3rd Example of this invention. 本発明の第4実施例であるトランスを示す底面図である。It is a bottom view which shows the transformer which is 4th Example of this invention.

符号の説明Explanation of symbols

1…ボビン
2…貫通孔
5…コア
13〜24…ピン
31〜38…鍔部
41〜47…巻枠
A1,A2,A3…一次巻線
B1,B2…二次巻線
DESCRIPTION OF SYMBOLS 1 ... Bobbin 2 ... Through-hole 5 ... Core 13-24 ... Pin 31-38 ... Gutter 41-47 ... Winding frame A1, A2, A3 ... Primary winding B1, B2 ... Secondary winding

Claims (4)

貫通孔を有する筒状体をなし、複数の鍔部によって複数の巻枠が形成されたボビンと、前記貫通孔に挿入され、閉磁路を形成するコアとからなるトランスであって、
前記複数の巻枠は少なくとも5以上形成されており、
巻枠に巻回された一次巻線の両側の巻枠に二次巻線が巻回されている箇所、又は、巻枠に巻回された二次巻線の両側の巻枠に一次巻線が巻回されている箇所が、少なくとも2箇所存在し、
前記一次巻線及び前記二次巻線を絡げるためのピンが、少なくとも前記ボビンの両端に位置する鍔部に複数本植設されており
前記複数の鍔部のうち前記一次巻線と前記二次巻線の間に位置する鍔部の一つに突起を設け、前記ボビンの両端に位置する鍔部に植設されたピンに一端及び他端を絡げた二次巻線を前記突起に引っ掛けて巻枠に巻回することで、該二次巻線の巻方向を他の二次巻線の巻方向と逆方向にしたこと、
を特徴とするトランス。
A transformer comprising a cylindrical body having a through hole, a bobbin in which a plurality of winding frames are formed by a plurality of flanges, and a core that is inserted into the through hole and forms a closed magnetic path,
The plurality of winding frames are formed at least 5 or more,
The primary winding on the part where the secondary winding is wound on the winding frame on both sides of the primary winding wound on the winding frame, or on the winding frame on both sides of the secondary winding wound on the winding frame There are at least two places where is wound,
It said pin for Karageru the primary winding and the secondary winding are a plurality of embedded in the flange portion located at both ends of at least said bobbin,
Protrusion is provided on one of the flanges located between the primary winding and the secondary winding among the plurality of flanges, and one end and a pin implanted in the flanges located at both ends of the bobbin The winding direction of the secondary winding is reversed to the winding direction of the other secondary winding by hooking the secondary winding with the other end on the protrusion and hooking it on the winding frame.
Transformer characterized by
前記ボビンのほぼ中央部の巻枠に巻回された一次巻線又は二次巻線は、前記ほぼ中央部の巻枠の両側に位置する鍔部のいずれかに植設されたピンに絡げられ、
前記ほぼ中央部の巻枠以外の他の巻枠に巻回された一次巻線又は二次巻線は、前記ボビンの両端に位置する鍔部に植設されたピンに絡げられていること、
を特徴とする請求項1に記載のトランス。
The primary winding or the secondary winding wound around the bobbin in the substantially central part of the bobbin is entangled with a pin implanted in either of the flanges located on both sides of the substantially central part of the bobbin. And
The primary winding or the secondary winding wound around another winding frame other than the substantially central winding frame is entangled with pins implanted in the collars located at both ends of the bobbin. ,
The transformer according to claim 1.
前記一次巻線及び前記二次巻線の全てが前記ボビンの両端に位置する鍔部に植設されたピンに絡げられていることを特徴とする請求項1に記載のトランス。   2. The transformer according to claim 1, wherein all of the primary winding and the secondary winding are entangled with pins that are implanted in flanges located at both ends of the bobbin. 前記複数の巻枠のうち最も外側に位置する巻枠には一次巻線が巻回されていることを特徴とする請求項1ないし請求項3のいずれかに記載のトランス。   The transformer according to any one of claims 1 to 3, wherein a primary winding is wound on the outermost reel among the plurality of reels.
JP2006219364A 2006-08-11 2006-08-11 Trance Active JP4876767B2 (en)

Priority Applications (1)

Application Number Priority Date Filing Date Title
JP2006219364A JP4876767B2 (en) 2006-08-11 2006-08-11 Trance

Applications Claiming Priority (1)

Application Number Priority Date Filing Date Title
JP2006219364A JP4876767B2 (en) 2006-08-11 2006-08-11 Trance

Publications (2)

Publication Number Publication Date
JP2008047595A JP2008047595A (en) 2008-02-28
JP4876767B2 true JP4876767B2 (en) 2012-02-15

Family

ID=39181074

Family Applications (1)

Application Number Title Priority Date Filing Date
JP2006219364A Active JP4876767B2 (en) 2006-08-11 2006-08-11 Trance

Country Status (1)

Country Link
JP (1) JP4876767B2 (en)

Cited By (1)

* Cited by examiner, † Cited by third party
Publication number Priority date Publication date Assignee Title
CN108039266A (en) * 2017-11-17 2018-05-15 海宁联丰东进电子有限公司 A kind of flat wire bar magnet inductance

Families Citing this family (2)

* Cited by examiner, † Cited by third party
Publication number Priority date Publication date Assignee Title
KR101365377B1 (en) 2012-12-27 2014-02-19 삼성전기주식회사 Transformer of multi output switching mode power supply and bobbin winding method
TWI635519B (en) * 2015-05-12 2018-09-11 光寶電子(廣州)有限公司 Magnetic component

Family Cites Families (9)

* Cited by examiner, † Cited by third party
Publication number Priority date Publication date Assignee Title
JP2993708B2 (en) * 1990-05-18 1999-12-27 トキコ株式会社 Industrial robot and its trajectory correction method
JP2638373B2 (en) * 1992-01-21 1997-08-06 松下電器産業株式会社 High voltage transformer
JP3130200B2 (en) * 1994-04-12 2001-01-31 松下電器産業株式会社 Trance
JP3445830B2 (en) * 1994-05-13 2003-09-08 日本特殊陶業株式会社 High voltage generator for two ports
JPH0935885A (en) * 1995-07-14 1997-02-07 Tec Corp Oscillating transformer for discharge lamp lighting device
JPH10340820A (en) * 1997-06-06 1998-12-22 Tec Corp Coil bobbin
KR100302951B1 (en) * 1997-06-13 2001-11-30 이근범 Trance
JP2000260640A (en) * 1999-03-12 2000-09-22 Cosel Co Ltd Output transformer
JP4173354B2 (en) * 2002-11-18 2008-10-29 スミダコーポレーション株式会社 High voltage transformer

Cited By (1)

* Cited by examiner, † Cited by third party
Publication number Priority date Publication date Assignee Title
CN108039266A (en) * 2017-11-17 2018-05-15 海宁联丰东进电子有限公司 A kind of flat wire bar magnet inductance

Also Published As

Publication number Publication date
JP2008047595A (en) 2008-02-28

Similar Documents

Publication Publication Date Title
JP6563089B2 (en) Common mode filter
JP2008205466A (en) Magnetic parts
JP2005311074A (en) Wound coil and wound coil manufacturing method
JP5098888B2 (en) Inductance device
JP3196424U (en) Bobbin configuration with coupling adjustment winding groove
JP6492730B2 (en) Coil parts
JP4876767B2 (en) Trance
JP5267512B2 (en) Coil parts
JP2005117821A (en) Rotating electric machine stator
US7459863B2 (en) Transformer and multi-lamp driving circuit using the same
JP2008294472A (en) Winding coil
JP5974401B2 (en) Stator for electric machine
US20160268037A1 (en) Stationary Induction Electric Apparatus and Method for Making the Same
JP2008258239A (en) Bobbin for winding wire
JP2009171695A (en) Redundant resolver stator structure
JP2002112483A (en) Rotating electric machine stator
JP2009218388A (en) High-voltage transformer
JP2020202215A (en) Reactor
US12347606B2 (en) Inductor device
JP2007073903A (en) Cored coil
JP6122904B2 (en) Leakage flux type transformer
JP2005228858A (en) Welding transformer
JP2009272438A (en) Switching transformer
KR101735645B1 (en) Inductor and transformer
JP2010140945A (en) Transformer

Legal Events

Date Code Title Description
A621 Written request for application examination

Free format text: JAPANESE INTERMEDIATE CODE: A621

Effective date: 20090604

A977 Report on retrieval

Free format text: JAPANESE INTERMEDIATE CODE: A971007

Effective date: 20110223

A131 Notification of reasons for refusal

Free format text: JAPANESE INTERMEDIATE CODE: A131

Effective date: 20110308

A521 Written amendment

Free format text: JAPANESE INTERMEDIATE CODE: A523

Effective date: 20110506

TRDD Decision of grant or rejection written
A01 Written decision to grant a patent or to grant a registration (utility model)

Free format text: JAPANESE INTERMEDIATE CODE: A01

Effective date: 20111101

A01 Written decision to grant a patent or to grant a registration (utility model)

Free format text: JAPANESE INTERMEDIATE CODE: A01

A61 First payment of annual fees (during grant procedure)

Free format text: JAPANESE INTERMEDIATE CODE: A61

Effective date: 20111114

R150 Certificate of patent or registration of utility model

Ref document number: 4876767

Country of ref document: JP

Free format text: JAPANESE INTERMEDIATE CODE: R150

Free format text: JAPANESE INTERMEDIATE CODE: R150

FPAY Renewal fee payment (event date is renewal date of database)

Free format text: PAYMENT UNTIL: 20141209

Year of fee payment: 3