JP3209111U - たて枠材およびスチールハウス - Google Patents

たて枠材およびスチールハウス Download PDF

Info

Publication number
JP3209111U
JP3209111U JP2016006052U JP2016006052U JP3209111U JP 3209111 U JP3209111 U JP 3209111U JP 2016006052 U JP2016006052 U JP 2016006052U JP 2016006052 U JP2016006052 U JP 2016006052U JP 3209111 U JP3209111 U JP 3209111U
Authority
JP
Japan
Prior art keywords
vertical frame
vertical
square steel
steel pipes
plate
Prior art date
Legal status (The legal status is an assumption and is not a legal conclusion. Google has not performed a legal analysis and makes no representation as to the accuracy of the status listed.)
Active
Application number
JP2016006052U
Other languages
English (en)
Inventor
清三郎 東
清三郎 東
藤内 繁明
繁明 藤内
田中 浩史
浩史 田中
近藤 誠
近藤  誠
Current Assignee (The listed assignees may be inaccurate. Google has not performed a legal analysis and makes no representation or warranty as to the accuracy of the list.)
Nippon Steel Corp
NS Hi Parts Corp
Original Assignee
Nippon Steel and Sumitomo Metal Corp
NS Hi Parts Corp
Priority date (The priority date is an assumption and is not a legal conclusion. Google has not performed a legal analysis and makes no representation as to the accuracy of the date listed.)
Filing date
Publication date
Application filed by Nippon Steel and Sumitomo Metal Corp, NS Hi Parts Corp filed Critical Nippon Steel and Sumitomo Metal Corp
Priority to JP2016006052U priority Critical patent/JP3209111U/ja
Application granted granted Critical
Publication of JP3209111U publication Critical patent/JP3209111U/ja
Active legal-status Critical Current
Anticipated expiration legal-status Critical

Links

Images

Landscapes

  • Rod-Shaped Construction Members (AREA)

Abstract

【課題】従来のたて枠材より低コストでかつ合理的な仕様のたて枠材およびこのたて枠材が設けられたスチールハウスを提供する。【解決手段】互いに当接して並設された複数の角形鋼管1,1からなる第1縦部材1Aと、この第1縦部材1Aの一側面に、角形鋼管1,1に当接するようにして固定されたリップ溝形鋼からなる第2縦部材2と、第1縦部材1Aの他側面に、角形鋼管1,1に当接するようにして配置された板状部材6と、板状部材6を角形鋼管1,1に止着固定する複数のドリルねじ7とを備えているので、たて枠材全体の座屈強度を十分確保できるとともに面材の斜張力に十分に抵抗でき、さらに溶接作業にかかる手間が生じない。したがって、従来のたて枠材より低コストでかつ合理的な仕様のたて枠材10を提供できる。【選択図】図1

Description

本考案は、たて枠材およびこのたて枠材が設けられたスチールハウスに関する。
スチ−ルハウスの骨組みは、布基礎上にアンカーボルトによって固定された下枠ランナーと、この下枠ランナーに複数立設されたたて枠材と、これらたて枠材の上端に設けられた上枠ランナーとを備えている(例えば、特許文献1参照)。
たて枠材は、薄板軽量形鋼によって構成されており、大きな荷重(軸力)に対して座屈強度を補強するため、例えば、2つのリップ溝形鋼のウェブを背中合わせに当接し、両ウェブを貫通してドリルねじをねじ込んで両リップ溝形鋼を結合し、これによって、たて枠材としての座屈強度を確保している。
ところで、3階または4階建てのスチールハウスでは、1階建または2階建てのスチールハウスに比して、たて枠材に大きな軸力が作用するため、上述したようなたて枠材では、座屈強度が不足する虞がある。このため、例えば、図11(a)に示すような断面を有するたて枠材10Bが採用されている。すなわち、このたて枠材10Bでは、2つの角形鋼管1,1を互いに当接するとともに、互いの当接面の両側部を角形鋼管1,1の軸方向に沿って所定間隔で溶接(溶接部をSで示す)することで、これら角形鋼管1,1を一体化している。また、一体化された角形鋼管の一方の側面にリップ溝形鋼2のウェブを当接したうえで、当該ウェブと2つの角形鋼管1,1をドリルねじ等の止着材3によって結合している。また、図11(b)に示すように、2つの角形鋼管1,1とリップ溝形鋼2とからなるたて枠材10Bに、さらに、溝形鋼4をリップ溝形鋼2の内側に配置して、そのウェブとリップ溝形鋼2のウェブとをまとめて止着材3によって角形鋼管1,1に結合する場合もある。
たて枠材10Bを図11(a),(b)に示すような断面とするとともに、角形鋼管1,1どうしを溶接したのは、(1)強軸方向の曲げや、(2)ねじれに抵抗するためである。
強軸方向の曲げに抵抗するには十分な座屈強度の確保が必要であるため、たて枠材10Bを上述したような断面にしている。
また、図11(a),(b)に示すたて枠材10Bでは、壁パネルの面材を構成するバーリング面材(鋼板等からなる面材に複数の孔を形成した面材)等の面材5が角形鋼管1にドリルねじ7bによって固定される場合がある。この場合、地震時に面材5の斜張力が角形鋼管1にねじれの力として作用するため、このねじれの力に抵抗するために、角形鋼管1,1どうしを溶接して一体化している。
特許3881601号公報
ところで、スチールハウスにたて枠材を設ける(適用する)場合、下層階ほど作用外力が大きくなり、上述した(1)および(2)に対して必要となる耐力が大きい。現状では上層階についても、下層階ほど耐力が必要でないにも関わらず同等な耐力を備えたたて枠材、つまり図11(a),(b)に示すようなたて枠材10Bを採用している。
このようなたて枠材10Bでは、2つの角形鋼管1,1を溶接しているため、この溶接作業に非常に手間がかかり、コスト高の要因の一つとなっており、低コストで合理的なたて枠材の仕様が求められている。
本考案は、前記事情に鑑みてなされたもので、従来のたて枠材より低コストでかつ合理的な仕様のたて枠材およびこのたて枠材が設けられたスチールハウスを提供することを目的としている。
前記目的を達成するために、本考案のたて枠材は、スチールハウス等に用いられるものであり、
一方向に互いに当接して並設された複数の角形鋼管からなる第1縦部材と、
この第1縦部材の前記一方向に沿う一側面に、複数の前記角形鋼管に当接するようにして固定された溝形鋼またはリップ溝形鋼からなる第2縦部材と、
前記第1縦部材の前記一側面と平行な他側面に、複数の前記角形鋼管に当接するようにして配置された板状部材と、
前記角形鋼管の軸方向に所定ピッチで配置され、前記板状部材を前記角形鋼管に止着固定する複数の止着材とを備えたことを特徴とする。
本考案においては、複数の角形鋼管からなる第1縦部材と、この第1縦部材の一側面に、複数の前記角形鋼管に当接するようにして固定された溝形鋼またはリップ溝形鋼からなる第2縦部材とを備えているので、たて枠材全体の座屈強度を十分確保できる。
また、第1縦部材の他側面に、板状部材が複数の角形鋼管に当接するようにして配置され、この板状部材が止着材(例えばドリルねじ)によって複数の角形鋼管に止着固定されているので、複数の角形鋼管は一体化される。したがって、バーリング面材等の面材の斜張力に十分に抵抗できるとともに、角形鋼管どうしは溶接されていないので、溶接作業にかかる手間が生じない。
したがって、従来のたて枠材より低コストでかつ合理的な仕様のたて枠材を提供できる。
本考案の前記構成において、前記板状部材の両側縁部に、第1縦部材側と反対側に突出するフランジ部が形成されていてもよい。
このような構成によれば、板状部材の両側縁部に、第1縦部材側と反対側に突出するフランジ部が形成されているので、第1縦部材の一側面と反対側の他側面に、板状部材とフランジ部とからなる断面コ字形の下地部を形成できる。したがって、この下地部の突出部(フランジ部)を活用することで建具を取り付けるための補助下地および枠材等を容易に固定できる。
また、本考案の前記構成において、2つの角形鋼管によって前記第1縦部材が構成され、リップ溝形鋼によって前記第2縦部材が構成され、前記止着材がドリルねじであり、このドリルねじが前記板状部材を通して前記角形鋼管にねじ込まれていることが好ましい。
このような構成によれば、スチールハウスに用いられるたて枠材として最も好適な断面形状となるととともに、板状部材がドリルねじによって複数の角形鋼管に止着固定されているので、板状部材側から当該板状部材を角形鋼管に固定できるとともに、板状部材や角形鋼管に先行の孔を形成する必要もなく、たて枠材の施工が容易となる。
また、本考案のスチールハウスは、3階建てまたは4階建てのスチールハウスであり、1階および2階のうち少なくとも2階に、前記たて枠材が設けられていることを特徴とする。
本考案においては、大きな軸力やバーリング面材等の面材の斜張力が作用するのは1、2階に設けられるたて枠材であるので、少なくとも2階に、上述したようなたて枠材を設け、1階に、同様のたて枠材または溶接された2つの角形鋼管とリップ溝形鋼とを備えたたて枠材を設けることによって、コストを低減しつつ、十分な座屈強度を確保できるとともに、バーリング面材等の面材の斜張力に十分に抵抗できる。
また、3階以上には、例えば、溝形鋼またはリップ溝形鋼で構成されたたて枠材を設けることによって、スチールハウスのコストを低減できる。
本考案によれば、従来のたて枠材より低コストでかつ合理的な仕様のたて枠材およびこのたて枠材が設けられたスチールハウスを提供できる。
本考案の第1の実施の形態に係るたて枠材を示す横断面図である。 本考案の第1の実施の形態に係るスチールハウスの一例を示す概略構成図である。 本考案の第1実施の形態に係る壁パネルの連結構造の一例を示すもので、(a)は一部を破断した正面図、(b)は(a)におけるA−A線断面図である。 同、壁パネルの平断面図である。 同、壁パネルの連結構造の要部を示す断面図である。 本考案の第1の実施の形態に係るスチールハウスの他の例を示す概略構成図である。 本考案の第2の実施の形態に係るたて枠材を示す横断面図である。 本考案の第2の実施の形態に壁パネルの要部の平断面図である。 本考案に係るたて枠材の変形例を示す横断面図である。 本実施の形態に係るたて枠材と従来のたて枠材について、せん断試験を行った結果を示すグラフである。 従来のたて枠材の例を示す横断面図である。
以下、図面を参照して本考案に係るたて枠材およびこのたて枠材が設けられたスチールハウスの実施の形態について説明する。
(第1の実施の形態)
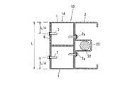
図1は、第1の実施の形態に係るたて枠材の横断面図である。図1に示すように、本実施の形態のたて枠材10は、一方向(図1において上下方向)に互いに当接して並設された2本の角形鋼管1,1からなる第1縦部材1Aと、この第1縦部材1Aの一側面(図1において右側面)に、2本の角形鋼管1,1と当接するようにして固定されたリップ溝形鋼2からなる第2縦部材2と、第1縦部材1Aの一側面と平行な他側面(図1において左側面)に、2本の角形鋼管1,1に当接するようにして配置された板状部材6と、角形鋼管1の軸方向に所定ピッチで配置され、板状部材6を角形鋼管1,1に止着固定する複数の止着材7とを備えている。
なお、本実施の形態では、互いに当接して並設される角形鋼管1は2本であるが、3本以上の角形鋼管1を並設してもよい。この場合、3本の角形鋼管1を跨るように板状部材6を設ければよい。
第1縦部材1Aは、2本の角形鋼管1,1の対向する側面(側壁)どうしを当接することによって構成され、この第1縦部材1Aの右側面にリップ溝形鋼(第2縦部材)2のウェブが当接され、後述する固定部材23を通して、ドリルねじ等の止着材7aが角形鋼管1,1にねじ込まれている。これによって、第1縦部材1Aに第2縦部材2が固定されるとともにリップ溝形鋼2に固定部材23が固定されている。
なお、リップ溝形鋼2に固定部材23を設けない場合、リップ溝形鋼2のウェブを角形鋼管1,1に止着材7aによって直接固定する。
板状部材6は厚さ1mm程度の鋼板によって構成され、その幅(図1において上下寸法)は第1縦部材1Aの幅と等しいか、または第1縦部材1Aの幅より小さく設定され、長さ(図1において紙面と直交する方向の寸法)は第1縦部材1Aの長さと等しく設定されている。
板状部材6には、その表面から止着材7としてのドリルねじ7が2列ねじ込まれている。すなわち、各列のドリルねじ7は、板状部材6の長手方向(図1において紙面と直交する方向)に所定ピッチ(例えば300mmピッチ)でねじ込まれ、一方の列のドリルねじ7が板状部材6を貫通して一方の角形鋼管1にねじ込まれ、他方の列のドリルねじ7が板状部材6を貫通して他方の角形鋼管1にねじ込まれている。
また、一方および他方の列のドリルねじ7は、板状部材6の幅方向の寸法をLとし、その幅方向に4等分した場合の板状部材6の両側縁からそれぞれL/4の位置に配置され、かつ、角形鋼管1の他側面の幅寸法の1/2の位置に配置されている。なお、一方および他方の列のドリルねじ7は、板状部材6を適切に固定できる任意の位置に配置されてもよい。
このようなたて枠材10は、例えば、3階建てのスチールハウスまたは4階建てのスチールハウスに設けられる(使用される)。
図2に示すように、4階建てのスチールハウス50の場合、1階および2階のうち少なくとも2階に本実施の形態のたて枠材10を設ければよいが、本実施の形態では、1階と2階の双方にたて枠材10を使用している。すなわち、1階および2階の壁を構成する壁パネル100の両側部に、それぞれたて枠材10が設けられている。また、3階および4階の壁を構成する壁パネル100の両側縁部には、それぞれリップ溝形鋼によって構成されたたて枠材10aが設けられている。
なお、図2は4階建てのスチールハウス50の概略構成を示す図であり、屋根は省略してある。
また、1階には、最も大きい軸力が作用するため、1階の壁を構成する壁パネル100に、前記たて枠材10に代えて、図11に示すような、溶接仕様(角形鋼管1,1が溶接接合された仕様)のたて枠材10Bを設けてもよい。
図3は、1階と2階の双方にたて枠材10を使用した場合の壁パネル100,100の連結構造を示すもので、(a)は一部を破断した正面図、(b)は(a)におけるA−A線断面図である。この連結構造では、上下階(1、2階)の壁パネル100,100の間に床パネル200が設けられるとともに、上下階(1、2階)の壁パネル100,100が連結金具11によって連結されている。
1階および2階の壁パネル100は、それぞれ矩形枠状の枠体300とこの枠体300の両面にそれぞれ取り付けられた面材400とを備えている。面材400は、バーリング面材400aまたは石膏ボード400b等である(図4参照)。
枠体300は左右一対のたて枠材10,10と、たて枠材10,10の上下端部を接続する上下一対の横枠材17,17とを備えている。
図3および図4に示すように、たて枠材10は、その角形鋼管1,1に跨って設けられるとともに、ドリルねじ7を角形鋼管1,1にねじ込むことによって、当該角形鋼管1,1を連結している板状部材6を外側に向けるとともに、リップ溝形鋼(第2縦部材)2を内側に向けて配置されている。
また、たて枠材10,10は壁パネル100の両側縁部に設けられ、壁パネル100の高さ方向全体に亙って延在している。
このように、本実施の形態では、壁パネル100のたて枠材10が2本の角形鋼管1,1からなる第1縦部材1Aとリップ溝形鋼2からなる第2縦部材2とからなる大断面となっている。
また、第1縦部材1Aの他側面に、板状部材6が角形鋼管1,1に当接するようにして配置され、この板状部材6がドリルねじ7によって角形鋼管1,1に止着固定されているので、2本の角形鋼管1,1は一体化されている。
図3に示すように、横枠材17は溝形鋼によって形成され、そのウェブを水平に向けて設けられている。上側の横枠材17の一対のフランジはウェブから下方に向けて突出しており、下側の横枠材17の一対のフランジはウェブから上方に向けて突出している。
そして、上側の横枠材17の端部において、当該横枠材17の一対のフランジ間にたて枠材10の上端部が挿入されてうえで、当該フランジにたて枠材10の上端部がドリルねじによって固定され、さらに、下側の横枠材17の端部において、当該横枠材17の一対のフランジ間にたて枠材10の下端部が挿入されてうえで、当該フランジにたて枠材10の下端部がドリルねじによって固定されている。
また、図3および図4に示すように、枠体300の内部には、補強たて材8がたて枠材10と平行に、かつ枠体300の幅方向中央部に設けられている。補強たて材8はリップ溝形鋼によって形成され、当該補強たて材8の上端部は上側の横枠材17の一対のフランジ間に挿入され、当該フランジにドリルねじ等によって固定されている。また、補強たて材8の下端部は下側の横枠材17の一対のフランジ間に挿入され、当該フランジにドリルねじ等によって固定されている。
面材400は、枠体300とほぼ等しい形状および面積となっている。面材400は、鋼製のバーリング面材と石膏ボードであり、枠体300の両面(表裏面)にそれぞれ当接されたうえでドリルねじ7bによって角形鋼管1,1に固定されている。なお、ドリルねじ7bは角形鋼管1の軸方向に沿って所定間隔で配置されている。
床パネル200は、図3および図5に示すように、矩形枠状の枠体9とこの枠体9の上面に取り付けられた石膏ボード等の窯業系の面材90とを備えている。
連結金具11は、図3に示すように、上階の壁パネル100のたて枠材10と下階の壁パネル100のたて枠材10とに渡って、たて向きに配置できる長さを有し、上下両端部に雄ねじ部21,21を有するボルト(連結軸)22と、このボルト22の上下両端部にそれぞれ設けられた固定部材23とを備えている。
固定部材23は、図4に示すように、上下方向(図4においては紙面と直交する方向)に連続する凹溝を有するU字状部と、このU字状部の両側部に一体的に設けられた、上下方向に延長する固定用フランジとを備えている。
そして、固定部材23のU字状部の凹溝にボルト22が嵌合され、図3に示すように、固定部材23の上下においてナット24,24がボルト22に螺合して締め付けられることで、固定部材23の上下部に圧着されている。したがって、ナット24,24の締め付け位置を調整することによって、固定部材23の上下方向の位置を調整でき、この調整した位置で固定部材23をボルト22に固定できるようになっている。
また、固定部材23は上下の壁パネル100のたて枠材10の第2縦部材(リップ溝形鋼)2の内側に挿入され、固定用フランジをリップ溝形鋼2のウェブに複数のドリルねじ7aによって固定することによって、リップ溝形鋼2に固定されている。
このような、連結金具11は、床パネル200を上下に貫通するようにして設けられている。すなわち床パネル200の面材90には、図5に示すように、連結金具11のボルト22を挿入するための貫通孔90aが形成されるとともに、床パネル200の床根太(端根太材)の上下のフランジにも同様の貫通孔が形成されている。さらに、上側の壁パネル100の下側の横枠材17および下側の壁パネル100の上側の横枠材17にも前記貫通孔と同軸に同様の貫通孔が形成されている。
そして、連結金具11のボルト22(連結軸)が複数の前記貫通孔(貫通孔90aを含む)に挿通されたうえで、当該のボルト22の上下端部がそれぞれ上下階の壁パネル100,100のたて枠材10を構成するリップ溝形鋼(第2縦部材)2に固定部材23を介して固定されている。この状態において、上側の壁パネル100の下側の横枠材17と下側の壁パネル100の上側の横枠材17とは、床パネル200の上下面にそれぞれ当接している。
したがって、上下の壁パネル100,100に引張力が作用すると、この引張力を連結金具11のボルト(連結軸)22が負担するとともに、圧縮力も当該ボルト(連結軸)22が負担可能となっている。
なお、壁パネル100はその左右方向の長さの異なる複数種類のものがあり、長さが長い場合、補強たて材8が複数平行離間して設けられる。その場合でも、連結金具11は、基本的に壁パネル100の両側端部に配置する。
以上のように、本実施の形態によれば、2本の角形鋼管1,1からなる第1縦部材1Aと、この第1縦部材1Aの一側面に、角形鋼管1,1に当接するようにして固定されたリップ溝形鋼2からなる第2縦部材2とを備えているので、たて枠材10全体の座屈強度を十分確保できる。
また、第1縦部材1Aの他側面に、板状部材6が2本の角形鋼管1,1に当接するようにして配置され、この板状部材6がドリルねじ7によって角形鋼管1,1に止着固定されているので、2本の角形鋼管1,1は一体化される。したがって、バーリング面材等の面材400の斜張力に十分に抵抗できるとともに、角形鋼管1,1どうしは溶接されていないので、溶接作業にかかる手間が生じない。
したがって、従来のたて枠材10Bより低コストでかつ合理的な仕様のたて枠材10を提供できる。
また、たて枠材10は、スチールハウスに用いられるたて枠材として最も好適な断面形状となるととともに、板状部材6がドリルねじ7によって角形鋼管1,1に止着固定されているので、板状部材6側から当該板状部材6を角形鋼管1,1に固定できるとともに、板状部材6や角形鋼管1に先行の孔を形成する必要もなく、たて枠材10の施工が容易となる。
また、本実施の形態の4階建てのスチールハウスは、1階および2階にたて枠材10を設けたので、十分な座屈強度を確保できるとともに、バーリング面材等の面材400の斜張力に十分に抵抗できる。
また、3階以上には、例えば、溝形鋼またはリップ溝形鋼で構成されたたて枠材を設けることによって、スチールハウスのコストを低減できる。
図6は前記たて枠材10が設けられた3階建てのスチールハウス51の概略構成を示す図であり、屋根は省略してある。
図6に示すスチールハウス51においては、1、2階にたて枠材10を設けている。
すなわち、1、2階の壁を構成する壁パネル100の両側部に、それぞれたて枠材10が設けられている。また、3階の壁を構成する壁パネル100の両側縁部には、それぞれリップ溝形鋼によって構成されたたて枠材10aが設けられている。
なお、図示は省略するが1階の壁パネル100は、基礎に設置されるとともに、この基礎から貫通して突出するアンカーボルトに1階の壁パネル100が連結固定されている。
大きな軸力やバーリング面材400の斜張力が作用するのは1、2階に設けられるたて枠材であるので、この1、2階に、たて枠材10を設けることによって、コストを低減しつつ、十分な座屈強度を確保できるとともに、バーリング面材等の面材400の斜張力に十分に抵抗できる。なお、1階については、作用軸力が大きい場合は必要に応じて溶接された2つの角形鋼管とリップ溝形鋼とを備えたたて枠材を設けてもよい。
また、3階には、例えば、リップ溝形鋼で構成されたたて枠材10aを設けることによって、スチールハウスのコストを低減できる。
(第2の実施の形態)
図7は第2の実施の形態のたて枠材10Aを示す横断面図である。この図に示すたて枠材10Aが第1の実施の形態のたて枠材10と異なる点は、板状部材6の両側縁部に、それぞれフランジ部6aが形成されている点であるので、以下ではこの点について説明し、たて枠材10と共通構成には同一符号を付してその説明を省略ないし簡略化する。
すなわち、板状部材6の両側縁部には、第1縦部材1A側と反対側に突出するフランジ部6aが形成されている。フランジ部6a,6aと板状部材6とは一体的に形成され、フランジ部6a,6aは板状部材6に対して直角に配置されている。このような板状部材6とフランジ部6a,6aが一体化された部材として、本実施の形態では溝形鋼が採用されている。また、この溝形鋼に代えてリップ溝形鋼を採用してもよい。
本実施の形態によれば、第1の実施の形態と同様の効果を得ることができるのは勿論のこと、板状部材6の両側縁部に、第1縦部材1A側と反対側に突出するフランジ部6a,6aが形成されているので、図8に示すように、第1縦部材1Aの一側面と反対側の他側面に、板状部材6とフランジ部6a,6aとからなる断面コ字形の下地部を形成できる。したがって、この下地部を利用して補助下地60aをドリルねじ7cで下地のフランジ部6aに接合し、この補助下地60aに建具60をドリルネジ7dで取り付けることができる。建具60は木材等からなるサッシ枠である。なお、この場合、たて枠材10Aの角形鋼管1,1に固定される面材400の側端部をフランジ部6aの端部まで延出して、当該面材400によってフランジ部6aを覆うようにしてもよい。
なお、第1および第2の実施の形態では、板状部材6を角形鋼管1,1の左側面(図1および図7参照)に固定したが、角形鋼管1,1の他の側面に固定してもよい。
例えば、図9(a)に示すように、板状部材6の両側縁部に、第1縦部材1A側に突出するフランジ部6b,6bを形成し、一方のフランジ部6bから止着材7を角形鋼管1の他の側面にねじ込むことによって、当該フランジ部6bを角形鋼管1に固定してもよい。
また、図9(b)に示すように、板状部材6の両側縁部に形成されたフランジ部6b,6bから止着材7を角形鋼管1,1の他の側面にねじ込むことによって、当該フランジ部6b,6bを角形鋼管1,1に固定してもよい。
また、第1および第2の実施の形態では、図2および図6に示すように、たて枠材10,10Aをスチールハウス50,51の壁パネル100のたて枠材として使用した場合を例にとって説明したが、本考案のたて枠材は、これに限ることはない。例えば、軸組工法によって建築される建物の柱として使用してもよいし、ツーバイフォー工法や木質パネル工法によって建築される建物の壁パネルのたて枠材として使用してもよい。
(試験例)
次に、試験例について説明する。
図1に示す本実施の形態に係るたて枠材10と、図11(a)に示す従来のたて枠材10Aについて、せん断試験を行った。
本実施の形態に係るたて枠材10の角形鋼管1にバーリング面材を固定し、従来のたて枠材10Aの角形鋼管1にも同様のバーリング面材を固定した。
このようなたて枠材とバーリング面材を有する壁パネルの上下の端部のうち一方の端部を固定し、他方の端部に横荷重をかけた。なお、バーリング面材は壁パネルの一方の側面にのみ固定した。
その結果を図10に示す。図10において縦軸は壁パネルにかけた荷重を示し、横軸はせん断変形角を示す。せん断変形角は壁パネルに横荷重をかけたときのたて枠材の傾き(横荷重をかける前のたて枠材に対する横荷重をかけたときのたて枠材の傾き)である。
図10に示すように、本実施の形態(本考案)に係るたて枠材(溶接レス)は、従来のたて枠材(角形鋼管どうしを溶接によって接合したもの(溶接仕様))とほぼ同等の性能(剛性、耐力)を有することが分かった。
したがって、本考案に係るたて枠材は、バーリング面材等の面材の斜張力に十分に抵抗できるとともに、角形鋼管どうしは溶接されていないので、溶接作業にかかる手間が生じない。したがって、従来のたて枠材より低コストでかつ合理的な仕様のたて枠材を提供できる。
1 角形鋼管
1A 第1縦部材
2 第2縦部材(リップ溝形鋼)
6 板状部材
6a フランジ部
7 ドリルねじ(止着材)
10,10A たて枠材
50,51 スチールハウス

Claims (4)

  1. 一方向に互いに当接して並設された複数の角形鋼管からなる第1縦部材と、
    この第1縦部材の前記一方向に沿う一側面に、複数の前記角形鋼管に当接するようにして固定された溝形鋼またはリップ溝形鋼からなる第2縦部材と、
    前記第1縦部材の前記一側面と平行な他側面に、複数の前記角形鋼管に当接するようにして配置された板状部材と、
    前記角形鋼管の軸方向に所定ピッチで配置され、前記板状部材を前記角形鋼管に止着固定する複数の止着材とを備えたことを特徴とするたて枠材。
  2. 前記板状部材の両側縁部に、第1縦部材側と反対側に突出するフランジ部が形成されていることを特徴とする請求項1に記載にたて枠材。
  3. 2つの角形鋼管によって前記第1縦部材が構成され、
    リップ溝形鋼によって前記第2縦部材が構成され、
    前記止着材がドリルねじであり、
    前記ドリルねじが前記板状部材を通して前記角形鋼管にねじ込まれていることを特徴とする請求項1または2に記載のたて枠材。
  4. 3階建てまたは4階建てのスチールハウスにおいて、
    1階および2階のうち少なくとも2階に、請求項1〜3のいずれか1項に記載のたて枠材が設けられていることを特徴とするスチールハウス。
JP2016006052U 2016-12-19 2016-12-19 たて枠材およびスチールハウス Active JP3209111U (ja)

Priority Applications (1)

Application Number Priority Date Filing Date Title
JP2016006052U JP3209111U (ja) 2016-12-19 2016-12-19 たて枠材およびスチールハウス

Applications Claiming Priority (1)

Application Number Priority Date Filing Date Title
JP2016006052U JP3209111U (ja) 2016-12-19 2016-12-19 たて枠材およびスチールハウス

Publications (1)

Publication Number Publication Date
JP3209111U true JP3209111U (ja) 2017-03-02

Family

ID=58185831

Family Applications (1)

Application Number Title Priority Date Filing Date
JP2016006052U Active JP3209111U (ja) 2016-12-19 2016-12-19 たて枠材およびスチールハウス

Country Status (1)

Country Link
JP (1) JP3209111U (ja)

Cited By (2)

* Cited by examiner, † Cited by third party
Publication number Priority date Publication date Assignee Title
CN110933987A (zh) * 2018-09-21 2020-03-31 株式会社久保田 联合收割机
JP2020048421A (ja) * 2018-09-21 2020-04-02 株式会社クボタ コンバイン

Cited By (3)

* Cited by examiner, † Cited by third party
Publication number Priority date Publication date Assignee Title
CN110933987A (zh) * 2018-09-21 2020-03-31 株式会社久保田 联合收割机
JP2020048421A (ja) * 2018-09-21 2020-04-02 株式会社クボタ コンバイン
JP7270352B2 (ja) 2018-09-21 2023-05-10 株式会社クボタ コンバイン

Similar Documents

Publication Publication Date Title
JP3782817B1 (ja) スチールハウスの構造形式および構築方法
JP4903629B2 (ja) 薄板軽量形鋼造の耐力壁と基礎との接合構造
JP3209111U (ja) たて枠材およびスチールハウス
JP2009250004A (ja) 天井板取付用横材の支持金具および天井板の取付構造
JP5891982B2 (ja) 耐力壁の接合構造
JP5400283B2 (ja) 建物ユニットの連結構造及びユニット建物
JP2001303663A (ja) 狭幅壁パネル構造、門型ラーメン構造、木造建造物
JP4710067B2 (ja) 柱梁接合構造
JP6860354B2 (ja) 建物構造
JP4260736B2 (ja) スチールハウスの耐力壁構造
JP2010053556A (ja) 鋼製の柱梁接合部の補強構造
JP5142575B2 (ja) 木造建築物及び木造建築物の耐震補強方法
JP6739175B2 (ja) 建物の構造材と面材の接合構造
JP5004434B2 (ja) スチールハウス
JP5385098B2 (ja) 建築構造用部材
JP7681242B2 (ja) 耐力壁パネル接続構造
JP5008116B2 (ja) 木造建築物における柱梁接合構造及びその柱梁接合構造に使用される柱梁接合用金具
JP2014152566A (ja) 耐震金物、及びこれを用いた耐震構造
JP7298158B2 (ja) 耐力壁の下端構造
JP3739372B2 (ja) 木造建築物における筋交い構造
JP7298157B2 (ja) 耐力壁の下端構造
JP3213425U (ja) ホールダウン金物の接合構造
JP2019011655A (ja) 建物ユニットおよび建物
JP2024035048A (ja) 建物
JP4165417B2 (ja) 間仕切り壁構造

Legal Events

Date Code Title Description
R150 Certificate of patent or registration of utility model

Ref document number: 3209111

Country of ref document: JP

Free format text: JAPANESE INTERMEDIATE CODE: R150

S533 Written request for registration of change of name

Free format text: JAPANESE INTERMEDIATE CODE: R323533

R350 Written notification of registration of transfer

Free format text: JAPANESE INTERMEDIATE CODE: R350

R250 Receipt of annual fees

Free format text: JAPANESE INTERMEDIATE CODE: R250

R250 Receipt of annual fees

Free format text: JAPANESE INTERMEDIATE CODE: R250

R250 Receipt of annual fees

Free format text: JAPANESE INTERMEDIATE CODE: R250

R250 Receipt of annual fees

Free format text: JAPANESE INTERMEDIATE CODE: R250

R250 Receipt of annual fees

Free format text: JAPANESE INTERMEDIATE CODE: R250

R250 Receipt of annual fees

Free format text: JAPANESE INTERMEDIATE CODE: R250