JP2018115570A - 悪臭防止型排水設備 - Google Patents
悪臭防止型排水設備 Download PDFInfo
- Publication number
- JP2018115570A JP2018115570A JP2017005739A JP2017005739A JP2018115570A JP 2018115570 A JP2018115570 A JP 2018115570A JP 2017005739 A JP2017005739 A JP 2017005739A JP 2017005739 A JP2017005739 A JP 2017005739A JP 2018115570 A JP2018115570 A JP 2018115570A
- Authority
- JP
- Japan
- Prior art keywords
- pipe
- submersible pump
- pump
- drainage
- water tank
- Prior art date
- Legal status (The legal status is an assumption and is not a legal conclusion. Google has not performed a legal analysis and makes no representation as to the accuracy of the status listed.)
- Pending
Links
- 230000003449 preventive effect Effects 0.000 title description 2
- XLYOFNOQVPJJNP-UHFFFAOYSA-N water Substances O XLYOFNOQVPJJNP-UHFFFAOYSA-N 0.000 claims abstract description 186
- 239000007788 liquid Substances 0.000 claims description 23
- 238000004140 cleaning Methods 0.000 claims description 18
- 230000002265 prevention Effects 0.000 claims description 15
- 238000011144 upstream manufacturing Methods 0.000 claims description 7
- 239000010865 sewage Substances 0.000 description 195
- 230000004048 modification Effects 0.000 description 41
- 238000012986 modification Methods 0.000 description 41
- 238000001514 detection method Methods 0.000 description 21
- 238000009434 installation Methods 0.000 description 18
- 230000007246 mechanism Effects 0.000 description 14
- 239000012530 fluid Substances 0.000 description 9
- 238000012423 maintenance Methods 0.000 description 9
- 238000000034 method Methods 0.000 description 8
- 238000010586 diagram Methods 0.000 description 6
- 230000013011 mating Effects 0.000 description 6
- 230000004913 activation Effects 0.000 description 5
- 230000000694 effects Effects 0.000 description 5
- 235000019645 odor Nutrition 0.000 description 4
- 230000002093 peripheral effect Effects 0.000 description 4
- 238000003860 storage Methods 0.000 description 4
- 239000002351 wastewater Substances 0.000 description 4
- 230000003247 decreasing effect Effects 0.000 description 3
- 230000003993 interaction Effects 0.000 description 2
- 230000008569 process Effects 0.000 description 2
- 238000012545 processing Methods 0.000 description 2
- 230000004044 response Effects 0.000 description 2
- 238000007789 sealing Methods 0.000 description 2
- 239000000725 suspension Substances 0.000 description 2
- 239000002341 toxic gas Substances 0.000 description 2
- 238000005406 washing Methods 0.000 description 2
- 238000009825 accumulation Methods 0.000 description 1
- 230000032683 aging Effects 0.000 description 1
- 238000013459 approach Methods 0.000 description 1
- 230000008859 change Effects 0.000 description 1
- 238000004891 communication Methods 0.000 description 1
- 239000000470 constituent Substances 0.000 description 1
- 238000010276 construction Methods 0.000 description 1
- 238000001816 cooling Methods 0.000 description 1
- 239000000428 dust Substances 0.000 description 1
- 230000003028 elevating effect Effects 0.000 description 1
- 230000006870 function Effects 0.000 description 1
- 230000014759 maintenance of location Effects 0.000 description 1
- 238000004519 manufacturing process Methods 0.000 description 1
- 238000000926 separation method Methods 0.000 description 1
- 239000007787 solid Substances 0.000 description 1
- 238000003756 stirring Methods 0.000 description 1
Images
Landscapes
- Structures Of Non-Positive Displacement Pumps (AREA)
- Sewage (AREA)
Abstract
【課題】水槽内の汚水の残留量をできるだけ少なくし、汚水の滞留を防止する手段を提供する。
【解決手段】水槽を備える排水設備で用いられる水中ポンプが提供される。水槽の底面は、水槽の流出口の縁部の少なくとも一部を形成する部分を含んでおり、水中ポンプは、流出口に接続され且つ水槽の底面よりも下側に配置される吸込口を有する。
【選択図】図1
【解決手段】水槽を備える排水設備で用いられる水中ポンプが提供される。水槽の底面は、水槽の流出口の縁部の少なくとも一部を形成する部分を含んでおり、水中ポンプは、流出口に接続され且つ水槽の底面よりも下側に配置される吸込口を有する。
【選択図】図1
Description
本発明は、悪臭防止型排水設備に関する。
一般に汚水、廃水、または河川水等を水槽に一時貯留し、ポンプで排水する設備では、その液体にごみや汚物が含まれることがある。特に地下構造を備える建築物においては、地階部分で生じた汚水等はもちろんのこと、建物内で発生した汚水も地下に設置された大きな排水槽又は汚水槽(ピット、又はビルピットとも呼ばれる)に一時貯留されることがある。これら一時貯留された液体は公共下水道管よりも下に位置しているので、ピット内に設置されたポンプによって汚水ますに汲み上げられ、汚水ますを介して公共下水道管に排水される。
また、建物の地階部分で生じた汚水及び雑排水等の汚水から発生する悪臭に対する防止策として、従来の排水槽内に小型の水槽を設置して、この水槽内に流入した汚水を汚水・雑排水用水中ポンプ(以下、水中ポンプ)で即時に下水道本管へ排出することが提案されている。こうして、底面積の小さい小型の水槽を用いることにより、水槽内に滞留する汚水の量を低減している(特許文献1)。
水中ポンプは、モータ部が気密性及び水密性を有するポンプであり、従って、水槽の中に設置して、モータ部が水没した状態でも使用できるポンプである。水中ポンプは、一般に、モータ部がポンプ部の上方に配置されるように設置され、モータ部からポンプ部方向に、水中ポンプの設置面に対して垂直となる方向に延びた主軸に羽根車が固定され、主軸が回転することにより羽根車も回転する。モータ部の下にはポンプケーシングが配置されており、羽根車が回転することにより、水中ポンプはポンプケーシングの底部に配置された吸込口からポンプ設置面に対して垂直上向きに水を吸い込む。従って、一般に水中ポンプはポンプ設置面に対して主軸が略垂直となる方向(以下、「立置き」)で設置される。
特許文献1に記載の悪臭防止型排水設備においては、バレル内に立置きの水中ポンプを設置している。一般的に立置きの水中ポンプを水槽内に設置する場合は、水槽の底面と吸込口の間に異物が挟まって吸込口を塞ぐことがないように、水槽の底面から吸込口にはある程度の高さを設けて設置する。また、水中ポンプが運転中に空気を吸わないようにするため、上述した立置き水中ポンプの吸込口より水位が下がる前にポンプを停止させる必要がある。
ここで、昨今の少子高齢化や核家族化に伴い、マンションやビルでは入居者数が減少して、建築当初より汚水の排出量が減少している場合もある。そのため、特に深夜などの水の使用量が少ない時間帯では汚水量も少なく、バレル内の水位が運転水位まで上昇せずに長時間にわたり汚水が滞留し悪臭の原因になる虞がある。
よって、汚水が水槽内に滞留するのを防止する対策として、排水運転終了時の汚水の残留量をできるだけ少なくすることが望ましい。しかし、水中ポンプを水槽内に立置きで設置した場合、水中ポンプの吸込口以下の汚水が残留し易く、水槽内の汚水を完全に空にすることは難しい。
水槽内の汚水の残留量をできるだけ少なくし、汚水の滞留を防止する手段が求められている。
形態1によれば、水槽を備える排水設備で用いられる水中ポンプであって、水槽の底面は、水槽の流出口の縁部の少なくとも一部を形成する部分を含んでおり、水中ポンプは、流出口に接続され且つ水槽の底面よりも下側に配置される吸込口を有する、水中ポンプが提供される。
形態2によれば、形態1の水中ポンプにおいて、水中ポンプが横置きで設置される。
形態3によれば、形態1または2の水中ポンプであって、吸込口が吸込配管を介して流出口と接続されており、吸込配管は、少なくとも2つの部分配管が接続されるフランジ接続部を含む、水中ポンプと、フランジ接続部を固定するフランジ固定装置であって、フランジ接続部の外形に沿うように形成された溝を有する締め付け部材を備えるフランジ固定装置と、を備える排水設備が提供される。
形態4によれば、形態3の排水設備において、溝が、フランジ接続部の軸方向面に接触可能な軸方向面を含み、溝の軸方向面が、軸方向に対して傾斜している。
形態5によれば、形態3または4の排水設備において、締め付け部材は、第1の回動軸部を介して互いに回動可能に連結される一対の締め付け部材を含み、フランジ固定装置は、第1の回動軸部と、第2の回動軸部と、第2の回動軸部を介して互いに回動可能に連結される一対の操作レバーと、一対の操作レバーと一対の締め付け部材とを連結する一対の案内部材と、を備える。
形態6によれば、形態1または2の水中ポンプと、吸込口から流出する可能性のある液体を受容可能であるように、少なくとも吸込口の下方に配置されるドレンパンと、を備える排水設備が提供される。
形態7によれば、形態6の排水設備において、排水設備が、ドレンパン内に配置されたドレンパン用ポンプを有する。
形態8によれば、形態1または2の水中ポンプと、水中ポンプの吐出口に接続される吐出配管と、吐出配管に配置される仕切弁と、吐出配管に配置される仕切弁と水中ポンプの吐出口との間に連結される洗浄用配管と、洗浄用配管に配置される逆止弁と、を有する排水設備が提供される。
形態9によれば、複数の流出口を有する水槽であって、水槽の底面は、各流出口の縁部の少なくとも一部を形成する部分を含んでいる、水槽と、複数の流出口にそれぞれ接続され且つ水槽の底面よりも下側に配置される吸込口を有する複数の水中ポンプと、制御装置と、少なくとも1つのインバータであって、複数の水中ポンプの内の少なくとも1つの水中ポンプのモータと接続され、制御装置からの指示を受けて、少なくとも1つの水中ポンプの回転数を調整する、少なくとも1つのインバータと、を備える悪臭防止型排水設備が提供される。
形態10によれば、形態9の悪臭防止型排水設備において、水中ポンプが横置きで設置される。
形態10によれば、形態9の悪臭防止型排水設備において、水中ポンプが横置きで設置される。
形態11によれば、形態1または2の水中ポンプと、水中ポンプの運転によって搬送される液体が流れる送水配管と、を備えており、送水配管は、液体が流れる方向における上流側に配置される第1の部分配管と液体が流れる方向における下流側に配置される第2の部分配管とが互いに接続される配管接続部を含み、配管接続部は、第1の部分配管の開口部に弁体を備えており、弁体は、第2の部分配管が第1の部分配管に接続されていない状態において第1の部分配管の開口部を閉じる閉蓋位置にあり、第2の部分配管が第1の部分配管に接続された時に第2の部分配管によって押されることにより第1の部分配管の内側へ向かって回転して開蓋位置へ移動する、排水設備が提供される。
形態12によれば、形態1または2の水中ポンプと、水中ポンプからの排水の一部を水槽の底部へ戻すための戻り配管と、を備えており、戻り配管の吐出口は、戻り配管から水槽の底部へ戻された水流が水槽の内壁面に対して斜めに当たるように配置され、水槽の内壁面は、内壁面に当たった水流が水槽の流出口へ向かう旋回流を形成するような面形状に構成される、排水設備が提供される。
形態13によれば、形態3または4の排水設備において、締め付け部材は、回動軸部を介して互いに回動可能に連結される一対の締め付け部材を含み、一対の締め付け部材の各々は、長さ方向両端部にそれぞれ配置される把持部と締め付け部とを含み、回動軸部は、把持部と締め付け部との間に配置され、締め付け部が、フランジ接続部の外形に沿うように形成された溝を有する。
形態14によれば、形態1または2の水中ポンプと、流出口と吸込口とを接続するポンプ着脱装置と、を備えており、ポンプ着脱装置は、吸込口に対して固定され、係止部を有する接続配管と、流出口に対して固定され、被係止部を有する固定配管と、を有し、被係止部は、水中ポンプ及び接続配管を支持する支点を形成し、支点が、接続配管と固定配管との接続面の中心に配置される、排水設備が提供される。
形態15によれば、形態3〜5のいずれかの排水設備が、フランジ接続部から流出する可能性のある液体を受容可能であるように、少なくともフランジ接続部の下方に配置されるドレンパンを備える。
形態16によれば、形態15の排水設備が、ドレンパン内に配置されたドレンパン用ポンプを有する。
形態17によれば、形態3〜5および15〜16のいずれかの排水設備が、水中ポンプの吐出口に接続される吐出配管と、吐出配管に配置される仕切弁と、吐出配管に配置される仕切弁と水中ポンプの吐出口との間に連結される洗浄用配管と、洗浄用配管に配置される逆止弁と、を有する。
形態18によれば、形態3〜5および15〜17のいずれかの排水設備が、複数の流出口を有する水槽であって、水槽の底面は、各流出口の縁部の少なくとも一部を形成する部分を含んでいる、水槽と、それぞれが形態1または2の水中ポンプである、複数の水中ポンプと、制御装置と、少なくとも1つのインバータであって、複数の水中ポンプの内の少なくとも1つの水中ポンプのモータと接続され、制御装置からの指示を受けて、少なくとも1つの水中ポンプの回転数を調整する。少なくとも1つのインバータと、を備える。
形態19によれば、形態3〜5および15〜18の排水設備において、水中ポンプの運転によって搬送される液体が流れる送水配管を備えており、送水配管は、液体が流れる方向における上流側に配置される第1の部分配管と液体が流れる方向における下流側に配置される第2の部分配管とが互いに接続される配管接続部を含んでおり、配管接続部は、第1の部分配管の開口部に弁体を備えており、弁体は、第2の部分配管が第1の部分配管に接続されていない状態において第1の部分配管の開口部を閉じる閉蓋位置にあり、第2の部分配管が第1の部分配管に接続された時に第2の部分配管によって押されることにより第1の部分配管の内側へ向かって回転して開蓋位置へ移動する。
形態20によれば、形態3〜5および15〜19のいずれかの排水設備が、水中ポンプからの排水の一部を水槽の底部へ戻すための戻り配管を備えており、戻り配管の吐出口は、戻り配管から水槽の底部へ戻された水流が水槽の内壁面に対して斜めに当たるように配置され、水槽の内壁面は、内壁面に当たった水流が水槽の流出口へ向かう旋回流を形成するような面形状に構成される。
形態21によれば、形態19の排水設備において、送水配管は、吸込配管と、水中ポンプの吐出口に接続される吐出配管と、を含み、吸込配管及び吐出配管の少なくとも一方が配管接続部を含む。
形態22によれば、形態21の排水設備において、配管接続部が、吸込配管のフランジ接続部を含む。
形態15によれば、形態3〜5のいずれかの排水設備が、フランジ接続部から流出する可能性のある液体を受容可能であるように、少なくともフランジ接続部の下方に配置されるドレンパンを備える。
形態16によれば、形態15の排水設備が、ドレンパン内に配置されたドレンパン用ポンプを有する。
形態17によれば、形態3〜5および15〜16のいずれかの排水設備が、水中ポンプの吐出口に接続される吐出配管と、吐出配管に配置される仕切弁と、吐出配管に配置される仕切弁と水中ポンプの吐出口との間に連結される洗浄用配管と、洗浄用配管に配置される逆止弁と、を有する。
形態18によれば、形態3〜5および15〜17のいずれかの排水設備が、複数の流出口を有する水槽であって、水槽の底面は、各流出口の縁部の少なくとも一部を形成する部分を含んでいる、水槽と、それぞれが形態1または2の水中ポンプである、複数の水中ポンプと、制御装置と、少なくとも1つのインバータであって、複数の水中ポンプの内の少なくとも1つの水中ポンプのモータと接続され、制御装置からの指示を受けて、少なくとも1つの水中ポンプの回転数を調整する。少なくとも1つのインバータと、を備える。
形態19によれば、形態3〜5および15〜18の排水設備において、水中ポンプの運転によって搬送される液体が流れる送水配管を備えており、送水配管は、液体が流れる方向における上流側に配置される第1の部分配管と液体が流れる方向における下流側に配置される第2の部分配管とが互いに接続される配管接続部を含んでおり、配管接続部は、第1の部分配管の開口部に弁体を備えており、弁体は、第2の部分配管が第1の部分配管に接続されていない状態において第1の部分配管の開口部を閉じる閉蓋位置にあり、第2の部分配管が第1の部分配管に接続された時に第2の部分配管によって押されることにより第1の部分配管の内側へ向かって回転して開蓋位置へ移動する。
形態20によれば、形態3〜5および15〜19のいずれかの排水設備が、水中ポンプからの排水の一部を水槽の底部へ戻すための戻り配管を備えており、戻り配管の吐出口は、戻り配管から水槽の底部へ戻された水流が水槽の内壁面に対して斜めに当たるように配置され、水槽の内壁面は、内壁面に当たった水流が水槽の流出口へ向かう旋回流を形成するような面形状に構成される。
形態21によれば、形態19の排水設備において、送水配管は、吸込配管と、水中ポンプの吐出口に接続される吐出配管と、を含み、吸込配管及び吐出配管の少なくとも一方が配管接続部を含む。
形態22によれば、形態21の排水設備において、配管接続部が、吸込配管のフランジ接続部を含む。
以下、本発明の実施形態及び変形例を添付図面とともに説明する。添付図面において、同一または類似の要素には同一または類似の参照符号が付され、各実施形態または変形例の説明において同一または類似の要素に関する重複する説明は省略することがある。また、各実施形態または変形例で示される特徴は、互いに矛盾しない限り他の実施形態または変形例にも適用可能である。尚、以下の説明において、「上」「下」等の方向を示す用語は、特に断りの無い限り、各図に示す排水設備の設置状態について用いられる。
本発明の第1実施形態による排水設備100は、例えば、汚水、廃水、または河川水等を排水槽(ピット)内の汚水槽に一時貯留し、ポンプで排水する排水設備に用いられる。
本実施形態の排水設備100は、これら排水設備内の排水槽(ピット)内に設けられてよい。一例として、河川や海などの近くの排水設備では、大雨災害で河川水面や海水面が上昇し、排水設備が水没してしまう虞がある。本実施形態では、排水設備100が水没し、排水槽(ピット)内の水中ポンプ20が水没した状態でも排水が継続できる。さらに、水中ポンプを汚水槽外に設置した場合、ポンプのメンテナンス作業時に汚水槽内から水中ポンプを引き上げる作業が軽減されるという効果がある。
本実施形態の排水設備100は、これら排水設備内の排水槽(ピット)内に設けられてよい。一例として、河川や海などの近くの排水設備では、大雨災害で河川水面や海水面が上昇し、排水設備が水没してしまう虞がある。本実施形態では、排水設備100が水没し、排水槽(ピット)内の水中ポンプ20が水没した状態でも排水が継続できる。さらに、水中ポンプを汚水槽外に設置した場合、ポンプのメンテナンス作業時に汚水槽内から水中ポンプを引き上げる作業が軽減されるという効果がある。
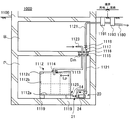
図1に示されるように、排水設備100は、汚水槽12と、汚水槽12の流出口13に接続された水中ポンプ20(以下、単にポンプ20とも称する)と、を備える。水中ポンプ20は、汚水槽12の外部に配置されている。水中ポンプ20の吸込口21が、汚水槽12の流出口13に、吸込配管14を介して連結される。尚、図1において、汚水槽12への汚水の流入口は図示を省略されている。
水中ポンプ20は、公知の水中ポンプであってよい。水中ポンプの一例としては、搬送液に含まれる固形物の大きさ20mm以下の汚水・雑排水を取り扱う片吸込単段遠心形ポンプである。また、水中ポンプ20は、気中連続運転が可能であるように、モータ部25を冷却する冷却機構(図示せず)を備えることができる。気中連続運転が可能な水中ポンプ20とは、一例として、モータ部25が汚水より露出した状態にて少なくとも30分以上は支障なく連続で運転することが可能であり、且つ気中連続運転が停止した後に直ちに再運転することが可能な水中ポンプをいう。
図1の例では、汚水槽12の流出口13が、汚水槽12の底面12aに形成されている。汚水槽12の底面12aは、流出口13に向けて低くなるように傾斜面を有していてもよいが、これには限られない。また、図1に示される汚水槽12は全体として略直方体状(箱型)であり、底面12a、側面12b、および上面12cにより画定される内部空間を有している。しかし、汚水槽12の形状は特に限られない。
また、図1の例では、流出口13は、その全体が汚水槽12の底面12aに形成されているが、流出口13は、必ずしも、その全体が汚水槽12の底面12aに形成されていなくてもよい。例えば、流出口13は、部分的に汚水槽12の側面12bに形成されていてもよい。しかし、流出口13が側面12bに形成される場合、流出口13の下端は底面12aに達している。換言すれば、第1実施形態において、流出口13の縁部の少なくとも一部は、底面12aの部分により画定される。ここで、「底面12aの部分」は、底面12aと側面12bとの境界部であってもよい。従って、流出口13が側面12bに形成される場合の流出口13の下端は、底面12aと側面12bとの境界部(換言すれば、側面12bにおける最も低い位置)で終端していてもよいし、境界部を越えて、底面12aの内側まで延びていてもよい。
図1の例において、水中ポンプ20は、その吸込口21の位置が汚水槽12の底面12aよりも下側であるように配置される。ここで、「汚水槽の底面よりも下側」とは、汚水槽12内の汚水が自然流下にてポンプの吸込口21に流入する位置関係であればよい。吸込配管14は、一例として、エルボ配管であり、流出口13の真下で横方向に屈曲し、汚水槽12の横に設置された水中ポンプ20の吸込口21に接続される。尚、吸込配管14の設置スペースを確保するように、図1の例では、汚水槽12の底面12aに支持脚15が設けられている。
このように、汚水槽12の底面12aに流出口13を設けることにより、汚水を汚水槽12の底面12aから吸い込むことができる。従って、従来の汚水槽内に水中ポンプを設置する場合に比べて、汚水槽12内に残留する汚水の量を減少させることができる。しかし、上記したように、流出口13は、必ずしも、その全体が汚水槽12の底面12aに形
成されていなくてもよい。流出口13の縁部の少なくとも一部が汚水槽12の底面12aの部分により画定されるように流出口13を形成することによって、上記と同様の効果を得ることができる。
成されていなくてもよい。流出口13の縁部の少なくとも一部が汚水槽12の底面12aの部分により画定されるように流出口13を形成することによって、上記と同様の効果を得ることができる。
ここで、図1の例では、水中ポンプ20を横置きにして使用している。「横置き」とは、水中ポンプ20の主軸(図示せず)が略水平方向に維持される向きを意味する。汚水槽12の汚水は、底面12aから吸込口21を通り、ポンプ部26内の羽根車(図示せず)により加圧され、吐出口22に接続された吐出配管23を通って、排水槽の外部に排出される。図1中、23Aは、吐出配管23に配置される逆止弁である。水中ポンプ20を横置きで使用するために、図1の例では、水中ポンプ20と設置面Msとの間に支持部材24が配置されている。これにより、水中ポンプ20の横向き姿勢を安定した状態で保持できる。支持部材24は、水中ポンプ20または設置面Msのいずれかに予め固定されていてもよいし、水中ポンプ20及び設置面Msとは独立した部材として用意されてもよい。尚、図1中、27は、ピット内への水中ポンプ20の吊下げや移動を行なう際に使用される把手である。
しかし、図1の水中ポンプ20は、立置きに設置されてもよい。その場合、汚水槽12の底面12aと吸込口21(ポンプ部26のポンプケーシングの底部に配置される)とを接続する吸込配管14として、略U字型の配管を使用することになる。具体的には、少なくとも2個のエルボ配管が必要になる。一方、水中ポンプ20を横置きとすれば、図1に示すように、吸込配管14を1個のエルボ配管で構成することが可能である。これは、水中ポンプ20を横置きとすることで、吸上げ配管がなくなり吸込配管14の形状が簡略化され、吸込配管14の圧力損失が小さくなることを意味する。例えば、汚水が大量に流れ込み汚水槽12内の水位が大きく変動すると、水位に比例して水中ポンプ20の吸込み圧が変動する。この時の比例係数は、吸込配管14の圧力損失に係数をかけた任意の値となる。よって、吸込配管14の圧力損失が小さいと、汚水槽12の水位変動による水中ポンプ20の吸込み圧の変動を小さくすることができ、結果的には、水中ポンプ20の吐出圧力の変動を小さくすることができる。本実施形態では、水中ポンプ20を横置きとした方が立置きとするよりも吸込配管14が簡略化でき、吐出圧力が安定する。
また、吸込配管14に略U字型配管を必要としない横置きの水中ポンプ20の方が、立置き水中ポンプの場合に比べて、吸込口21を設置面Msの近くに配置することができる。そのため、立置き水中ポンプの場合と比較して、横置き水中ポンプ20の方が支持部材24を小型化ならびに軽量化することができる。更に、本実施形態では、吸込口21が汚水槽12の底面12aよりも下側に配置されることから、吸込口21をより低い場所に設置できる横置き水中ポンプ20の方が、汚水槽12をより低い場所に設置することができる。これは、汚水槽12の設置作業を簡単にし、更には汚水槽12の耐震性を向上させるという効果を奏する。
第1実施形態において、複数台の水中ポンプ20を設置して汚水槽12内の汚水を排水してもよい。そうすれば、メンテナンス中でも他のポンプにて排水を継続することができる。
他の実施形態として、以下で説明するように、汚水槽12は、たとえば小型の筒形水槽(バレル)とすることができ、または、ピット内に搬入可能な小型の複数のパネル部材を結合して形成される小型の水槽とすることもできる。
図2に、本発明の第2実施形態による悪臭防止型排水設備1000を示す。悪臭防止型排水設備1000は、建築物(例えばビル)1100の地階部分Bの下側に設置されるピットPの内部空間に配置される汚水槽1112と、汚水槽1112の外側に横置きで配置
される水中ポンプ20と、を備える。第2実施形態では、汚水槽1112は、複数のパネル部材(図2では、一点鎖線によって複数のパネル部材の区切りが示される)を結合して形成される組み立て式パネルタンクである。尚、汚水槽1112は任意の枚数のパネル部材で形成されればよく、図示の例には限られない。図2中、1115は、ピットPに形成された開口(マンホール)であり、開口1115には蓋1116が取り付けられている。汚水槽1112は、全体として略直方体状(箱状)であり、底面1112a、側面1112b、及び上面1112cにより画定される内部空間を有している。上面1112cに開口部1113が形成されており、開口部1113は蓋1114で覆われている。汚水槽1112には、蓋1114を貫通して流入管1123が内部に挿入されている。流入管1123は、ピットPの蓋1116を通じて地階部分Bより配管され、地階部分Bにおいて発生した汚水等を汚水槽1112内に流入する。
される水中ポンプ20と、を備える。第2実施形態では、汚水槽1112は、複数のパネル部材(図2では、一点鎖線によって複数のパネル部材の区切りが示される)を結合して形成される組み立て式パネルタンクである。尚、汚水槽1112は任意の枚数のパネル部材で形成されればよく、図示の例には限られない。図2中、1115は、ピットPに形成された開口(マンホール)であり、開口1115には蓋1116が取り付けられている。汚水槽1112は、全体として略直方体状(箱状)であり、底面1112a、側面1112b、及び上面1112cにより画定される内部空間を有している。上面1112cに開口部1113が形成されており、開口部1113は蓋1114で覆われている。汚水槽1112には、蓋1114を貫通して流入管1123が内部に挿入されている。流入管1123は、ピットPの蓋1116を通じて地階部分Bより配管され、地階部分Bにおいて発生した汚水等を汚水槽1112内に流入する。
図2の例では、汚水槽1112の側面1112bに流出口1125が形成されている。流出口1125は、底面1112aと側面1112bとの境界部で終端している。しかし、流出口1125は、底面1112aと側面1112bとの境界部を越えて底面1112aの内側まで延びていてもよいし、流出口1125の全体が底面1112aに形成されていてもよい。これにより、汚水槽1112内に残留する汚水等を極力少なくすることができる。流出口1125は、吸込配管14を介して水中ポンプ20の吸込口21と接続されている。吸込口21は、汚水槽1112の底面1112aよりも下側に配置されている。これにより、汚水槽1112内の汚水等を自然流下により吸込口21に流入することができる。吐出配管1121が、水中ポンプ20の吐出口22に接続されると共に、ピットPの蓋1116を貫通して逆流防止弁1117と仕切弁1118を介して汚水ます1191に接続されている。
複数のパネル部材のそれぞれは、ピットPに形成されている開口(マンホール)1115を通過できるように、一辺の長さLpが開口1115の径Dmよりも小さくなっている。これにより、開口1115を通じて地階部分BからピットP内にパネル部材を搬入することができる。このため、地階部分BとピットPとに新たに開口を形成しなくても、パネル部材をピットP内に搬入できる。
第2実施形態において、複数台の水中ポンプ20を設置して汚水槽1112内の汚水を排水しても良い。そうすれば、メンテナンス中でも他のポンプにて排水を継続することができる。
図3に、本発明の第3実施形態による悪臭防止型排水設備2000を示す。悪臭防止型排水設備2000は、建築物(例えばビル)1100の地階部分Bの下側に設置されるピットPの内部空間に配置される汚水槽2112と、汚水槽2112の外側に横置きで配置される水中ポンプ20と、を備える。第3実施形態では、汚水槽2112は、バレルである。図3中、2115a、2115bは、ピットPに形成された開口(マンホール)であり、開口2115a、2115bには、それぞれ、蓋2116a、2116bが取り付けられている。マンホール2115a、2115bを通じてバレル2112をピットP内に搬入できるように、バレル2112の径はマンホール2115a、2115bの径よりも小さく設計されている。
流入管2123が、ピットPの開口2115aに取り付けられた蓋2116aを通じて地階部分Bより配管され、地階部分Bにおいて発生した汚水等がバレル2112内に流入するよう配管される。吐出配管2121は、水中ポンプ20の吐出口22に接続されると共に、ピットPの蓋2116bを貫通して汚水ます1191に接続されている。
図3の例では、バレル2112の底面Sに流出口2125が形成されている。流出口2
125は、その全体が、底面Sに形成されている。しかし、流出口2125は、バレル2112の側面Lに形成されていてもよい。その場合、流出口2125は、底面Sと側面Lとの境界部で終端するか、または、境界部を越えて底面Sの内側まで延びることができる。これにより、汚水槽2112内に残留する汚水等を極力少なくすることができる。
125は、その全体が、底面Sに形成されている。しかし、流出口2125は、バレル2112の側面Lに形成されていてもよい。その場合、流出口2125は、底面Sと側面Lとの境界部で終端するか、または、境界部を越えて底面Sの内側まで延びることができる。これにより、汚水槽2112内に残留する汚水等を極力少なくすることができる。
バレル2112はピットP内に構成された台2119の上に配置されている。バレル2112の底面Sと接する台2119の上面には、流出口2125と位置合わされた穴部2126が形成されている。水中ポンプ20は、吸込口21がバレル2112の底面Sよりも下側に配置されるように設置されている。これにより、バレル2112内の汚水等を自然流下により吸込口21に流入することができる。
第3実施形態において、複数台の水中ポンプ20を設置して汚水槽2112内の汚水を排水しても良い。そうすれば、メンテナンス中でも他のポンプにて排水を継続することができる。また、バレルは汚水量やポンプ台数にあわせて複数台設置されてもよい。
以下に記述する変形例の汚水槽12は、特に記載しない限りは、第2実施形態の汚水槽1112または第3実施形態の汚水槽2112とすることができる。また、以下に記述する流出口13は、第2実施形態の流出口1125または第3実施形態の流出口2125とし、吐出配管23は、第2実施形態の吐出配管1121または第3実施形態の吐出配管2121とすることができる。
第1〜第3実施形態において、水中ポンプ20と吸込配管14との間は、ボルト等により固定することができるが、その場合、排水槽または地下のピット内に人が立ち入ることが必要になる。しかし、吸込配管14を複数の部分配管によって形成し、水中ポンプ20側に予め固定された部分配管と汚水槽12側に予め固定された部分配管とをポンプ着脱装置により接続してもよい。これにより、排水槽またはピット内に人が立ち入ることなく水中ポンプ20を汚水槽12に接続することが可能になる。特に、第2実施形態並びに第3実施形態における悪臭防止型排水設備では、地下の排水ピットPに人が立ち入る際には、有毒ガスが発生している虞があるので専門の清掃業者による清掃が必要となる。そのため、ポンプメンテナンス時に、地下の排水ピットPに立ち入ることなくポンプ20を地下部分Bへ引き上げてメンテナンス作業をすることができれば、作業工程が大幅に軽減される。
従って、本発明の第1の変形例によれば、排水設備は、ピット内に設置されるポンプ着脱装置と昇降装置を含むことができる。この変形例は、第1〜第3実施形態の変形例として適用可能である。図4に示す例では、排水設備100Aが、ポンプ着脱装置130を含む。ポンプ着脱装置130は、汚水槽12側に固定して配置される固定配管32と、水中ポンプ20側に固定される接続配管31と、を備える。具体的には、接続配管31は、水中ポンプ20の吸込口21に予め固定されており、固定配管32は、汚水槽12の流出口13に固定された流出配管38に予め固定される。図4中、35は接続配管31のフランジ部であり、37は、固定配管32のフランジ部である。接続配管31には、一対のフック135が一体に形成されている。固定配管32の左右両側(図4では、一方の側のみが示されている)には、一対の着脱支点137が突設されており、着脱支点137にフック135が係止するようになっている。さらに、昇降装置140として、接続配管31には、フック135が着脱支点137に容易に係止するように、ガイド部139が形成されている。また、固定配管32には、ガイド部139が円滑に案内されるようにガイドパイプ33が取り付けられている。以下、ガイド部139とガイドパイプ33を昇降装置140と称する。
こうして、水中ポンプ20は、チェーン等の吊下手段(図示せず)によって垂下されて
、ピット内に搬入され、ガイド部139がガイドパイプ33でガイドされながら、ピット内を降下する。水中ポンプ20は、一対のフック135が一対の着脱支点137に係止するまで、ピット内を降下する。一対のフック135が一対の着脱支点137に係止する位置で、接続配管31が固定配管32にフランジ接続されるようになっている。ポンプ着脱装置130を使用することにより、ボルトなどを使用せずに、水中ポンプ20と汚水槽12とを接続することができる。これにより、人がピット内に立ち入らずに、水中ポンプ20を設置することができ、また、水中ポンプ20を引き上げて、ピットの開口部から引き出すことができる。
、ピット内に搬入され、ガイド部139がガイドパイプ33でガイドされながら、ピット内を降下する。水中ポンプ20は、一対のフック135が一対の着脱支点137に係止するまで、ピット内を降下する。一対のフック135が一対の着脱支点137に係止する位置で、接続配管31が固定配管32にフランジ接続されるようになっている。ポンプ着脱装置130を使用することにより、ボルトなどを使用せずに、水中ポンプ20と汚水槽12とを接続することができる。これにより、人がピット内に立ち入らずに、水中ポンプ20を設置することができ、また、水中ポンプ20を引き上げて、ピットの開口部から引き出すことができる。
図4に示されるように、着脱支点137の位置は、接続配管31のフランジ部35と固定配管32のフランジ部37との合わせ面のほぼ中心(換言すれば、図4の軸線C上)に位置している。これにより、配管内の水圧によって固定配管32と接続配管31の合わせ面を開こうとする着脱支点137周りのモーメントが抑制され、水中ポンプ20の自重によって、合わせ面の密着が確保できる。
ここで、固定配管32と接続配管31の合わせ面の密着が確保されるならば、昇降装置140は設置しなくてもよいし、もしくは昇降装置140は上記の機構に限られない。
しかし、排水設備に設けられるポンプ着脱装置は、上記のものに限られない。図5に示すように、排水設備200は、ピット内に設置されるポンプ着脱装置30と昇降装置140を 含むことができる。ポンプ着脱装置30は、水中ポンプ20の吸込口21に接続される接続配管31と、設置面Msに架台36を介して固定される固定配管32と、を有している。汚水槽12の流出口13には、流出配管38が接続され、流出配管38が固定配管32に接続される。こうして、図5の例では、汚水槽12の流出口13と水中ポンプ20の吸込口21とを接続する吸込配管は、複数の部分配管としての流出配管38、固定配管32、及び接続配管31を含み、これらは2つのフランジ部により互いに接続されている。図5では、そのうち、接続配管31側のフランジ接続部にのみ符号40を付している。フランジ接続部40は、接続配管31側のフランジ部35と固定配管32側のフランジ部37を含んでいる。
以下に説明するように、ポンプ着脱装置30を使用することにより、ボルトなどを使用せずに、水中ポンプ20と汚水槽12とを接続することができる。これにより、人がピット内に立ち入らずに、水中ポンプ20を設置することができ、また、水中ポンプ20を引き上げて、ピットの開口部から引き出すことができる。
ポンプ着脱装置30は、上記した接続配管31と固定配管32とを有し、さらに、昇降装置140として、設置面Msに対して垂直に設けられたガイドパイプ33及びガイドパイプ33にガイドされて昇降可能である摺動部34が設けられている 。ガイドパイプ33は、固定配管32に取り付けられている。摺動部34は、接続配管31に固定されている。
水中ポンプ20は、チェーン等の吊下手段(図示せず)によって垂下されて、ピット内に搬入され、ガイドパイプ33でガイドされながらピット内を降下する。水中ポンプ20は、摺動部34が固定配管32に突き当たるまで、ピット内を降下する。摺動部34が固定配管32に突き当たる位置で、接続配管31が固定配管32にフランジ接続されるようになっている。なお、接続配管31が固定配管32にフランジ接続されれば、昇降装置140を設置せずにポンプ着脱装置30のみでもよいし、他の機構の昇降装置を設置してもよい。
ポンプ着脱装置30を使用して接続された接続配管31と固定配管32とは、互いのフ
ランジ部35、37が、ボルト固定されることなく面接触状態で保持される。この場合、フランジ部35、37の軸方向面(換言すれば、合わせ面)から汚水漏れが生じる可能性がある。フランジ部35、37の合わせ面から生じる汚水漏れを防止するため、排水設備200は、さらに、フランジ部35、37を面接触状態で固定するためのフランジ固定装置50を含む。図5では、フランジ固定装置50は図示を省略されている。
ランジ部35、37が、ボルト固定されることなく面接触状態で保持される。この場合、フランジ部35、37の軸方向面(換言すれば、合わせ面)から汚水漏れが生じる可能性がある。フランジ部35、37の合わせ面から生じる汚水漏れを防止するため、排水設備200は、さらに、フランジ部35、37を面接触状態で固定するためのフランジ固定装置50を含む。図5では、フランジ固定装置50は図示を省略されている。
尚、ポンプ着脱装置30の構成要素としての接続配管31と固定配管32、及び流出配管38は、吸込配管を構成する部分配管の一例にすぎない。本実施形態では、汚水槽12と水中ポンプ20とを接続する吸込配管が、フランジ接続される複数の部分配管を含んでいればよい。以下に説明するフランジ固定装置50は、上記の例に限らず、汚水漏れが生じる可能性がある部分配管のフランジ接続部に対して好適に使用することができる。
以下、図6A〜図8Bを参照して、フランジ固定装置50の一例を説明する。図6A及び図6Bは、フランジ固定装置50の使用方法を説明する図である。図7は、フランジ固定装置50の内部構成を概略的に示す図である。図8A及び図8Bは、フランジ固定装置50の使用状態を示す概略図である。図7を参照すると、フランジ固定装置50は、第1及び第2の締め付け部材51、52と、第1及び第2の締め付け部材51、52が回動可能に連結される第1の回動軸部53と、第1及び第2の操作レバー54、55と、第1及び第2の操作レバー54、55が回動可能に連結される第2の回動軸部56と、第1の締め付け部材51と第1の操作レバー54とに固定される第1の連結部57と、第2の締め付け部材52と第2の操作レバー55とに固定される第2の連結部58とを備える。
具体的には、第1の締め付け部材51は、第2の締め付け部材52と組み合わされて実質的に環状の部分を形成する半体51aと、第1の回動軸部53を受け入れる貫通穴(符号省略)を有する突起部51bと、を有する。同様に、第2の締め付け部材52は、第1の締め付け部材51と組み合わされて実質的に環状の部分を形成する半体52aと、第1の回動軸部53を受け入れる貫通穴(符号省略)を有する突起部52bと、を有する。突起部51b、52bは、回動方向で互いに干渉しない位置に形成されている。
第1及び第2の操作レバー54、55は、それぞれ、実質的に直線状の棒状部材として形成されている。第1の操作レバー54は、第2の回動軸部56に対して外側に操作端部54aを有し、操作端部54aと反対側の端部で第1の連結部57に固定される。同様に、第2の操作レバー55は、第2の回動軸部56に対して外側に操作端部55aを有し、操作端部55aと反対側の端部で第2の連結部58に固定される。第1及び第2の操作レバー54、55とは反対の側で、第1の連結部57は第1の締め付け部材51の突起部51bに固定され、第2の連結部58は第2の締め付け部材52の突起部52bに固定される。
こうして、第1及び第2の操作レバー54、55が開閉されるのに追随して、第1及び第2の締め付け部材51、52が互いに接近または離間する方向に回動するように構成することができる。図6Aに示すように、第1及び第2の操作レバー54、55を開いた状態では、第1及び第2の締め付け部材51、52が閉じた状態にある。図6Bに示すように、第1及び第2の操作レバー54、55を閉じた状態では、第1及び第2の締め付け部材51、52は開いた状態にある。後述するように、第1及び第2の締め付け部材51、52を閉じることにより、フランジ接続部40を固定することができる。また、第1及び第2の連結部57、58の長さを調整することにより、ピットの上層階である地階部分からピットの開口部を通して、人がフランジ固定装置50を操作することができる。従って、ピット内に人が立ち入ることなく、フランジ接続部40を固定し、フランジ接続部40からの汚水漏れの可能性を無くすことができる。尚、図6A、図6Bに示すように、フランジ固定装置50は、部分的に、ケーシング60内に収容されていてよい。フランジ接続
部40が固定された後のフランジ固定装置50は、フランジ接続部40に取り付けられた状態でピット内に保持されていてよい。
部40が固定された後のフランジ固定装置50は、フランジ接続部40に取り付けられた状態でピット内に保持されていてよい。
図7に示すように、第1及び第2の締め付け部材51、52は、閉じられた状態で、空洞70を形成する。空洞70内で、フランジ接続部40が締め付けられる。空洞70の内側が、フランジ固定装置50の使用状態を示す図8A及び図8Bに示されている。図8Aは、図7のA−A線断面図であり、さらに、固定された状態のフランジ接続部40が示されている。
図8Bを参照すると、第1及び第2の締め付け部材51、52の各々の内周面は、フランジ接続部40(すなわち、面接触状態のフランジ部35、37)の外形に沿うように形成された溝71、72を備えている。
溝71、72は、フランジ接続部40の外側でフランジ接続部40の軸方向面35aに接触可能な軸方向面77、79と、フランジ接続部40の軸方向面37aに接触可能な軸方向面78、80と、を含む。第1及び第2の締め付け部材51、52を閉じることにより、軸方向面77、78、79、80をフランジ接続部40の軸方向面35a、37aに圧接させることができる。これにより、フランジ接続部40を締め付け、フランジ接続部40の合わせ面を固定することができる。
尚、溝71と溝72の両側には、接続配管31を受け入れ可能な空間を画定する平坦部73、74、及び、固定配管32を受け入れ可能な空間を画定する平坦部75、76が形成されている。
図8A及び図8Bの例では、フランジ接続部40の軸方向面35a、37aが、軸方向(換言すれば、図8A中の軸線Cの方向)に対して斜めに傾斜している。これに対応して、軸方向面77、78、79、80もまた、軸方向に対して斜めに傾斜している。これにより、フランジ接続部40の軸方向面35a、37aは、軸方向面77、78、79、80の間で楔状に挟み込まれるので、フランジ接続部40を強い力で固定することができる。
図示の例では、締め付け部材51、52の内周面が、フランジ接続部40の周方向全体にわたって延びているが、本実施形態はこれに限られない。締め付け部材51、52の内周面は、フランジ接続部40の周方向の一部のみにわたって延びていてもよい。
図9A及び図9Bは、フランジ固定装置の他の例を示す。図9A及び図9Bに示すフランジ固定装置50Aは、それぞれ、長さ方向両端に把持部554、555と締め付け部551、552とを有する一対の締め付け部材を備える。各締め付け部材は、締め付け部551、552と把持部554、555との間に配置される回動軸部553を介して互いに回動可能に連結されている。この例では、把持部554、555を開くことにより締め付け部551、552を開くことができ、把持部554、555を閉じることにより、締め付け部551、552を閉じることができる。図9Aに示すように、フランジ固定装置50Aもまた、閉じられた状態で空洞70を形成する。フランジ固定装置50Aの空洞部70を構成する締め付け部551、552の内周面の構成は、フランジ固定装置50について図8A及び図8Bに示したものと同様である。
また、図示の例では、接続配管31と固定配管32は同一の外径を有しており、フランジ部35、37は、同一形状及び同一寸法を有しているが、これは本実施形態を限定しない。
また、第2の変形例によれば、第1〜第3実施形態における排水設備は、汚水槽外に漏れた汚水を受けることのできるドレンパンを備えることができる。一例として、第1の変形例に記載したポンプ着脱装置30を設置した場合にドレンパン332を備える排水設備200Aを図10に示す。上記したフランジ固定装置50、50Aの有無に関わらず、フランジ接続部40(例えば、図5に示される)から漏れた汚水を受けることのできるドレンパンを備えるとよい。ポンプ着脱装置30を有したポンプ20の取り外し時に接続配管31やポンプ20内に残存する汚水が流れ出る虞があるため、ドレンパン332は、少なくともフランジ接続部40の下方に配置する。ドレンパン332内には、ドレンパン用ポンプ330が配置されてもよい。ドレンパン用ポンプ330は、ドレンパン332内に浸入した汚水を排水するためのポンプであり、排水槽外または地下ピット外に接続された配管342を有する。
ドレンパン332内に、汚水が流入して所定水位まで溜まると、ドレンパン用ポンプ330の側部に設けられた水位計344が、所定水位(起動水位)に達したことを検出する。水位計344からの起動水位検出信号が信号線344aを介して、ドレンパン用ポンプ330に送られる。ドレンパン用ポンプ330は、起動水位検出信号を受信すると、運転を開始して、ドレンパン332内の汚水を、ドレンパン用ポンプ330の下部にある吸込口346から吸い上げる。吸い上げられた汚水が配管342を通って公共下水道に圧送される。その他の構成において、排水設備200Aは、図5に示す排水設備200と同様の構成を有しているので詳しい説明は省略する。しかし、ドレンパン332及びドレンパン用ポンプ330と組み合わされる排水設備の例は、図5に示すものに限られない。ドレンパン332及びドレンパン用ポンプ330は、汚水漏れが生じる可能性がある接続部を有する排水設備に対して使用することができる。
図4に示したポンプ着脱装置130を有する排水設備100Aまたは図5に示したポンプ着脱装置30を有する排水設備200では、ポンプ20の着脱時に接続配管31やポンプ部26内に残存する汚水が流れ出る虞があるため、ドレンパン332は、少なくともフランジ接続部40の下方に配置するとよい。また、図1に示す排水設備100、図2に示す悪臭防止型排水設備1000または図3に示す悪臭防止型排水設備2000にドレンパン332を用いる場合には、ポンプ部26をメンテナンスする際に、ポンプ部26に残存する汚水が吸込口21より流れ出る虞があるため、ドレンパン332は、少なくともポンプ20の吸込口21の下方に配置するとよい。また、ゲリラ雷雨等の大雨時に雨水が汚水に混入し、汚水槽12より汚水が溢れる虞がある場合は、汚水槽12の下方に配置するとよい。
ドレンパン332を用いることにより、汚水槽12の外へ漏れた汚水を回収する作業が簡略化されると共に排水槽(ピット)が汚水にて汚染されることを防止することができる。また、ドレンパン332であれば、汚水で汚染されても交換ができる。更には、ドレンパン用ポンプ330を追加することにより、排水槽内に汚水が滞留することを防止することができる。
また、第3の変形例によれば、排水設備は、吐出配管に連結された洗浄用配管201を有することができる。図11は、洗浄用配管201を備える排水設備100Bを示す図である。この排水設備100Bは第1〜第3実施形態における排水設備に洗浄用配管201を備えることで適用可能である。図示の例では、洗浄用配管201は、ポンプ20の吐出口22と、吐出配管23に配置される仕切弁23Bとの間に連結されている。仕切弁23Bは、通常の排水時には開の状態にて使用する。洗浄用配管201は、流体源202に接続されており、流体源202と吐出配管23との間に逆止弁201Aが設けられている。逆止弁201Aは、吐出配管23から流体源202へ向かう流体の流れを阻止する。例えばメンテナンスのためにポンプ20をピット内から引き上げる場合等には、ポンプ20の
運転を停止した後、ポンプ20を吐出配管23から分離する前に、仕切弁23Bを閉じ、洗浄用配管201を通して吐出配管23に、例えば空気等の流体を供給する。これにより、吐出配管23及びポンプ部26の内部に付着した汚水、異物等を空気で吹き飛ばし、汚水槽12へ戻すことにより、ポンプ20並びに配管内の洗浄ができる。その他の構成において、排水設備100Bは、図1に示す排水設備100と実質的に同様の構成を有しているので詳しい説明は省略する。
運転を停止した後、ポンプ20を吐出配管23から分離する前に、仕切弁23Bを閉じ、洗浄用配管201を通して吐出配管23に、例えば空気等の流体を供給する。これにより、吐出配管23及びポンプ部26の内部に付着した汚水、異物等を空気で吹き飛ばし、汚水槽12へ戻すことにより、ポンプ20並びに配管内の洗浄ができる。その他の構成において、排水設備100Bは、図1に示す排水設備100と実質的に同様の構成を有しているので詳しい説明は省略する。
尚、流体源202から供給される流体は、例えば、上水等の液体であってもよい。上水を供給する場合は、例えば、いったん汚水槽12内を上水で満たした後、ポンプ20を通常通りに運転してポンプ20内の水を、吐出配管23を通して排出してもよい。その後、上記したように空気を流体源202から供給してもよい。
ここで、洗浄用配管201と組み合わされる排水設備の例は、図1に示す排水設備100に限られない。図2に示す悪臭防止型排水設備1000または図3に示す悪臭防止型排水設備2000に洗浄用配管201を用いる場合は、地階部分Bに洗浄用配管201を設けてもよい。これにより、ピットPに降りることなくポンプ20を洗浄することができる。また、図4に示したポンプ着脱装置130を有する排水設備100Aまたは図5に示したポンプ着脱装置30を有する排水設備200に洗浄用配管201を設けることにより、ポンプ部26を洗浄した後に、ポンプ20を引き上げることが可能となる。また、ドレンパン332やドレンパン用ポンプ330を更に追加してもよい。
また、第4の変形例によれば、第1〜第3実施形態における各排水設備は、吸込配管14における、水中ポンプ20と連結される開口部に弁体を備えていてよい。
図12A及び図12Bは、それぞれ、吸込配管14の、ポンプ20との連結部分を詳細に示す拡大断面図及び上面図である。図12Aに示されるように、吸込配管14は、開口部14−1が側方を向くようにピット内に配置される。吸込配管14は、図12Aにおいて不図示の先端部分が汚水槽12の流出口13に接続された管部14−2と、ポンプ20との連結を担う連結部14−3とを備える。連結部14−3は、管部14−2よりも大きな内径を有してもよい。連結部14−3の先端部分には、吸込配管14をポンプ20に連結する際にポンプ20と当接する円筒枠14−4が形成されている。円筒枠14−4は、吸込配管14の開口部14−1を画定する。吸込配管14の開口部14−1のすぐ内側には、弁体14−5が設けられている。弁体14−5は、ヒンジ部14−6の回転軸を中心として、図中に示す矢印方向に回転移動することが可能である。図12Aは、弁体14−5が吸込配管14の開口部14−1を塞いだ閉蓋位置にある状態を示す。弁体14−5は、図12Aに示された例において時計回り方向に略90°回転することにより、開蓋位置へ到達する。弁体14−5が閉蓋位置にある時、吸込配管14からポンプ20への汚水の流通が阻害される。弁体14−5が開蓋位置にある時、吸込配管14からポンプ20へ汚水が流通することが許容される。
なお、弁体14−5が閉蓋位置にある時に弁体14−5と接する円筒枠14−4の底面部分14−4aに、Oリングなどのシール部材(不図示)を設けてもよい。また、吸込配管14とポンプ20が連結されている時に当該連結部分から汚水が漏れ出さないように、円筒枠14−4の側面部分14−4bにも、Oリングなどのシール部材(不図示)を設けてもよい。
図13Aは、ポンプ20が吸込配管14から分離された状態を示す。図13Bは、ポンプ20が吸込配管14に連結された状態を示す。図示されるように、横置きされたポンプ20は、モータ部分25の側部にポンプケーシング260を備える。ポンプケーシング260は、その内部空間に不図示の羽根車を備える。羽根車は、モータ部分25によって駆
動される。これによって、吸込配管14からの汚水が、ポンプケーシング260に設けられた吸込口260−2を介してポンプケーシング260内へ吸い込まれ、更に吐出口22を介してポンプケーシング260から吐出配管23へ吐き出される。図示される例において、ポンプ20の吸込口260−2は、ポンプケーシング260の側部に設けられている。ポンプケーシング260の側部には、ポンプ20を吸込配管14に連結する際に吸込配管14の円筒枠14−4と当接する円筒枠260−3が形成されている。円筒枠260−3は、ポンプ20の吸込口260−2を画定する。
動される。これによって、吸込配管14からの汚水が、ポンプケーシング260に設けられた吸込口260−2を介してポンプケーシング260内へ吸い込まれ、更に吐出口22を介してポンプケーシング260から吐出配管23へ吐き出される。図示される例において、ポンプ20の吸込口260−2は、ポンプケーシング260の側部に設けられている。ポンプケーシング260の側部には、ポンプ20を吸込配管14に連結する際に吸込配管14の円筒枠14−4と当接する円筒枠260−3が形成されている。円筒枠260−3は、ポンプ20の吸込口260−2を画定する。
ポンプケーシング260は、更に、円筒枠260−3の一部分から図中左方に向かって突出する棒状突起部260−5を備える。図13Bに示されるように、棒状突起部260−5は、ポンプ20を吸込配管14に連結した際に、吸込配管14の弁体14−5を押し開いて開蓋位置まで回転させる。棒状突起部260−5は、ポンプ20の吸込口260−2の中心軸を吸込配管14の開口部14−1の中心軸と合わせた時に吸込配管14の開口部14−1と相対する位置に設けられている。これにより、棒状突起部260−5の先端は、ポンプ20を吸込配管14に近付けていった時に、吸込配管14の開口部14−1を塞いでいる弁体14−5と接触して、弁体14−5を吸込配管14の内側へ向かって回転させることで押し開き、開蓋位置まで移動させる。このようにして弁体14−5が開蓋位置まで移動することで、吸込配管14の開口部14−1が開いて、ポンプ20が吸込配管14から汚水を吸い込むことができる。
また、ポンプ20を吸込配管14から分離させるためにポンプ20を側方へ引き出すと、開蓋位置にあった弁体14−5は、閉蓋位置の方へ向かって(即ち前述とは反対向きに)回転する。したがって、図13Aに示されるように、棒状突起部260−5の先端が吸込配管14の開口部14−1から抜き去られるところまでポンプ20が引き出されると、弁体14−5は閉蓋位置へ到達して回転を止め、それ以降は、吸込配管14内の水圧によって吸込配管14の円筒枠14−4の底面部分14−4aに押し付けられて、開口部14−1を閉塞させる。このようにして弁体14−5が閉蓋位置まで移動することで、吸込配管14の開口部14−1が閉じて、吸込配管14からの汚水の漏れ出しが回避される。弁体14−5を開蓋位置から閉蓋位置へ向かって回転させる、又は弁体14−5を円筒枠14−4の側面部分14−4aに押し付けることを確実にするために、弁体14−5を閉蓋位置へ付勢する弾性部材(例えばバネ)をヒンジ部14−6に備え付けてもよい。
前述したように、開蓋位置は、弁体14−5を閉蓋位置(図12A)から吸込配管14の内側へ略90°回転させた位置である。図13Bは、弁体14−5がこのような開蓋位置にある状態を示している。図13Bにおいて、弁体14−5の先端は、吸込配管14の管部14−2の内径によって規定される空洞部分よりも外側に位置する。そのため、吸込配管14内の汚水は、開蓋位置にある弁体14−5によって流れを妨げられることがない。棒状突起部260−5は、弁体14−5を図13Bに示されるような開蓋位置まで回転させるのに十分な長さ(突出高さ)を有することが好ましい。また、棒状突起部260−5は、弁体14−5を図13Bに示されるような開蓋位置まで回転させるためには、できるだけヒンジ部14−6の近傍に設けられることが必要である。
図4、図5および図10に示したポンプ着脱装置130を有する排水設備100A、ポンプ着脱装置30を有する排水設備200、および排水設備200Aのそれぞれのフランジ接続部40においても、第4の変形例である弁体の機構を用いることにより、ポンプ20の着脱時に汚水槽12内の汚水が流れ出るのを防止することができる。具体的には、接続配管31に棒状突起部260−5側の機構を設け、固定配管32に弁体14−5側の機構を設けるとよい。そうすれば、フランジ接続部40が配管接続されている時には弁体14−5は開蓋状態にて保たれ、ポンプ20を脱着して引き上げる際には弁体14−5は閉蓋状態となり、固定配管32より汚水槽内の汚水が漏れることはない。また、本変形例に
おける弁体の機構は、ポンプ20の吐出口22と吐出配管23の接続部に設けられてもよい。その場合、吐出配管23に棒状突起部260−5側の機構を設け、吐出口22に弁体14−5側の機構を設けるとよい。
おける弁体の機構は、ポンプ20の吐出口22と吐出配管23の接続部に設けられてもよい。その場合、吐出配管23に棒状突起部260−5側の機構を設け、吐出口22に弁体14−5側の機構を設けるとよい。
上述したように、ポンプ20と吸込配管14の接続部またはフランジ接続部40に第4の変形例である弁体の機構を設けた場合、ポンプ20の運転による搬送液(汚水)の流れる方向における上流側の配管接続部に弁体14−5側の機構を設け、下流側の配管接続部に棒状突起部260−5側の機構を設けた。また、その他にも、ポンプ20の運転による搬送液の流れる送水管(具体的には、吸込配管14又は吐出配管23)に何かしらの配管接続部があれば、これらの配管接続部においても、搬送液の流れる方向における上流側に弁体14−5側の機構を設け、下流側に棒状突起部260−5側の機構を設けることにより、下流側の配管接続を外した後に上流側の配管から汚水槽12内の汚水が漏れ出すのを防止することができる。
また、第5の変形例によれば、第1〜第3実施形態における排水設備は、水中ポンプ20からの排水の一部を汚水槽12の底部へ戻すための戻り配管を備えていてよい。戻り配管430を備える排水設備の例を、図14A及び図14Bに示す。
図14Aに示すように、戻り配管430の一端431は、吐出配管23の途中に接続され、また戻り配管430の他端である吐出口432は、汚水槽12の凹部440(図14B参照)に開口している。尚、図14Aに示すように、凹部440は、汚水槽12の底面に設けられて、流入管115から流入する汚水槽12内の汚水が凹部440内に案内されるようになっている。戻り配管430の一端431は、ポンプ20のポンプケーシング260に接続されてもよい。こうして、ポンプ20から吐出配管23へ吐出された排水の一部は、吐出配管23から分流して戻り配管430の一端431へ流入し、これにより、戻り配管430は、高圧の水流を吐出口432から汚水槽12の凹部440へ噴出させることができる。汚水槽12の凹部440には汚水に含まれる汚物やスカムが蓄積されやすいが、戻り配管430からの高圧水流によって、蓄積された汚物やスカムを払拭することができる。また、汚水槽12内の汚水を撹拌することにより、有毒ガスやスカムの発生を抑制することができる。
図14A及び図14Bに示される変形例において、汚水槽12の凹部440は、戻り配管430の吐出口432が配置される側面12dと対向するように配置される。凹部440の内壁面は、曲面441と曲面442を少なくとも部分的に含む。曲面441は、戻り配管430の吐出口432とは反対側の壁面を構成し、曲面442は、汚水槽12の流出口13とは反対側の壁面を構成する。図示されるように、曲面441及び曲面442は、例えば円筒の内側の側面の4分の1部分に相当する面形状を有する。曲面441と曲面442の間の壁面は、平面であってもよいし、あるいは曲面441と曲面442が直接繋がっていてもよい。戻り配管430の吐出口432から噴出された水流は、曲面441の部分において凹部440の内壁面に斜め方向から当たる。そのため、曲面441に当たった戻り配管430からの水流は、曲面441に沿って滑らかに進路を曲げて曲面442の方へ進み、その後更に、曲面442に沿って滑らかに進路を曲げて流出口13の方へ進む。こうして、汚水槽12の凹部440の中を、戻り配管400の吐出口432から汚水槽12の流出口13へ旋回して流れる旋回流が形成される。この旋回流により、汚水槽12の凹部440の底面に溜まった汚物やスカムを汚水槽12の流出口13付近まで運ぶことができる。流出口13付近へ運ばれた汚物やスカムは、ポンプ20によって吸込配管14へ吸い込まれて、吐出配管23へ排出される。したがって、汚水槽12の凹部440に汚物やスカムが蓄積されるのを効果的に抑制することができる。
図15は、第6の変形例を示す概略側断面図である。本変形例の排水設備10Aは、第
1〜第3実施形態の排水設備にも適用可能である。図15に示すように、排水設備10Aは、汚水槽12と、汚水槽12の外側に配置されて、汚水槽12と接続される複数の横置きされた水中ポンプ20と、を備える。尚、図15では、そのうち1台のみが図示されている。また、排水設備10Aは、制御装置150およびインバータ1200を備える。
1〜第3実施形態の排水設備にも適用可能である。図15に示すように、排水設備10Aは、汚水槽12と、汚水槽12の外側に配置されて、汚水槽12と接続される複数の横置きされた水中ポンプ20と、を備える。尚、図15では、そのうち1台のみが図示されている。また、排水設備10Aは、制御装置150およびインバータ1200を備える。
汚水槽12には、上面12cに開口部113が形成されており、開口部113は蓋114で覆われてもよい。また、本変形例を第2実施形態に適用する場合は、汚水槽12は組み立て式パネルタンクとなり、本変形例を第3実施形態に適用する場合は、汚水槽12はバレルとなる。流入管115は、汚水等を汚水槽12内に流入する。汚水槽12の底面12aに形成された流出口13とポンプ20の吸込配管14とが接続される。
本変形例では、複数台のポンプ20が設けられているが、図15では、そのうち1台のみが図示されている。複数台のポンプ20のそれぞれは、吸込口21に吸込配管14が接続され、吐出口22に吐出配管23が接続される。ポンプ20毎の吸込配管14と吐出配管23とのそれぞれには、ポンプ20の交換およびメンテナンスのために仕切弁218が設けられてもよい。また、吐出配管23には、逆止弁23Aが設けられてもよい。仕切弁218を閉じることにより、汚水槽12および吐出配管23の汚水等を抜くことなく、且つ他のポンプにて排水可能な状態にて、仕切弁218を閉じたポンプ20の交換およびメンテナンス等を実施することができる。なお、逆止弁23Aは、吐出配管23に代えて、または加えて、吸込配管14に設けられてもよい。
また、図15に示すように、汚水槽12内には水位センサ126が設置されている。この水位センサ126はフロート式であり、水槽の底面12aからの水位を検出および測定できる。図示するように、水位センサ126は、ポンプ20の停止水位Hs1を検出する第1フロート126aと、停止水位Hs1より高い水位であるポンプ20の第1起動水位Hs2を検出する第2フロート126bと、を少なくとも備える。上記停止水位Hs1,第1起動水位Hs2に加え、停止水位Hs1よりも高い1つ以上の更なる起動水位Hs3,Hs4・・・を規定し、それぞれを検出する第3、第4フロート126c,d・・・が設けられてもよい。また、第1および第2フロート126a,126b等が故障した時のバックアップとして、起動水位と停止水位の他に予備のフロートが設けられてもよい。なお、水位センサ126は、フロート式に限定されず、例えば、投げ込み式水位センサのようなアナログ型水位センサとしてもよい。ここで、第1〜第3実施形態における排水設備では、汚水槽12内の汚水が無くなるまで水中ポンプ20を運転しても水中ポンプ20内に空気が入ることはない。そのため、停止水位Hs1を汚水槽12の底面12aと同等の高さ以下で、且つ停止水位Hs1は吸込口21の上端よりも高い位置とすることもできる。
本変形例による排水設備は、制御装置150と、少なくとも1つのインバータ1200と、を備える。制御装置150はインバータ1200と電気的に接続される。また、少なくとも1つのインバータ1200は、動力線を通じて、複数のポンプ20の内の少なくとも1つと1対1で接続される。制御装置150は、ポンプ20の運転制御を行う。また、インバータ1200は、通信線もしくは信号線を通じて接続された制御装置150からの指示を受けて、水中ポンプ20の運転時のモータ回転数を調整するように動作する。水中ポンプ20は、インバータ1200より出力された回転数にて運転を行う。一例として、水中ポンプ20の吐出し側の圧力を計測する圧力センサ(不図示)を設け、制御装置150にて圧力一定制御又は既知の推定末端圧一定制御を行ってもよい。
図15に示すように、制御装置150は外部信号を入力する入力部CNinを有する。入力部CNinは、複数の端子もしくはコネクタで構成されており、一例として、ポンプ20の停止に関する信号が入力される入力部CNin1と、ポンプ20の起動に関する信
号が入力される入力部CNin2と、を有する。そして、入力部CNin1にはフロート126aの接点信号が入力され、入力部CNin2にはフロート126bの接点信号が入力される。また、制御装置CNは、ポンプ20やインバータ1200の運転制御信号を出力する出力部CNoutを有する。
号が入力される入力部CNin2と、を有する。そして、入力部CNin1にはフロート126aの接点信号が入力され、入力部CNin2にはフロート126bの接点信号が入力される。また、制御装置CNは、ポンプ20やインバータ1200の運転制御信号を出力する出力部CNoutを有する。
図16は、上記制御装置150に実装される主要機能を示したブロック図である。図示のように、制御装置150は、各種センサ、ポンプ20及びインバータ1200等の状態を検出する検出部160(図5におけるCNin)と、各情報処理を実行する演算部(不図示)、演算部にて処理された各種信号を出力する出力部170(図5におけるCNout)と、各種情報を記憶する記憶部180と、を含み、それぞれの間で相互作用される。各機能ブロックは、ソフトウェアおよび/またはハードウェアの一部として実装される。図16の機能ブロックは例示のものであり、これに限定されない。図16に示す以外にも、例えば、排水設備10Aにおける各種機器の状態を表示する表示部、ポンプ20の運転停止の指令や排水設備10Aにおける各種設定値を変更するための操作を行う操作部を備えてもよい。また、制御装置150は、CPU(Central Processing Unit)、ROM(Read Only Memory)もしくはRAM(Random Access Memory)等を用いずに、リレーシーケンスのみで構成される制御盤としてもよい。
検出部160および演算部(不図示)はCPU等の処理装置によって実装される。検出部160は、水位センサ126との相互作用により汚水等の水位を検出する水位検出部162と、インバータ1200との相互作用により該インバータ1200の状態を検出するインバータ状態検出部164と、を含む。また、検出部160はポンプ温度(不図示)を検出してもよい。水位検出部162は、一例では、汚水等の水位が停止水位Hs1,第1起動水位Hs2,第2起動水位Hs3のどの間の範囲にあるかを判定するのがよい。
インバータ状態検出部164は、インバータ1200の運転並びにトリップの状態を検出することにより、または、インバータ1200から受け取る各種メッセージを解析することにより、インバータの稼働状況(特に故障状態)を判定する。例えば、インバータ状態検出部164は、ポンプ20内部の羽根車が閉塞してモータが正常に動作できない状態であることを、インバータ1200から受け取るトリップ信号を解析することで認識可能である。
出力部170は、インバータ指令部172および外部出力部174を含む。インバータ指令部172は、インバータ1200へ運転停止指令および回転数等を指示する。一例として、水位検出部162の水位レベルに応じてポンプのモータ回転数を調整するように指示するのがよい。具体的には、汚水等の水位が停止水位Hs1と第1起動水位Hs2の間にあるときはモータ回転数を小さくし、また、第2起動水位Hs3を超えているときはモータ回転数を大きくするように調整してもよい。外部出力部174は、水位検出部162、インバータ状態検出部164および設定部182から取得した各種情報に基づいて、各種信号を外部出力する。外部出力する信号の一例として各ポンプ20の運転信号や故障信号を接点出力するとよい。ここで、排水設備10Aにて電源直入れのモータが存在する場合は、この外部出力信号を用いて運転または停止させるポンプ20に指示してもよい。
記憶部180は、これに限定されないが、揮発性メモリ(例えば、RAM)、揮発性メモリ(例えば、ROM、フラッシュ・メモリ、または任意の組み合わせで実装される。なお、検出部160および演算部(不図示)に用いるCPUの記憶領域を用いてもよい。記憶部180は、排水設備10Aの駆動制御のための各種設定情報や制御情報、並びに各種履歴を格納する。例えば、ポンプ20を起動させる際に、運転ポンプをローテーションさせるスケジュール設定情報を格納してもよい。つまり、複数台のポンプ20のうちいずれかのポンプ20が交互に運転する交互運転を行うようスケジュール設定してもよい。また
、汚水槽12内が異常増水状態となったような場合に、運転ポンプを追加する設定情報を格納してもよい。つまり、複数台のポンプ20のうち何台か、もしくはすべてのポンプ20が同時に運転する並列運転を行うよう設定できてもよい。交互運転もしくは並列運転は併用してもよいし、どちらか一方の運転方式とするように設定できてもよい。
、汚水槽12内が異常増水状態となったような場合に、運転ポンプを追加する設定情報を格納してもよい。つまり、複数台のポンプ20のうち何台か、もしくはすべてのポンプ20が同時に運転する並列運転を行うよう設定できてもよい。交互運転もしくは並列運転は併用してもよいし、どちらか一方の運転方式とするように設定できてもよい。
図17は、本変形例による排水設備10Aにおいて、上記制御装置150によって、インバータ1200と共にポンプ20の動作が制御される動作例を示すフロー図である。図17のフローに基づく制御動作は、主に、排水される汚水量が多く、各ポンプ20の起動・停止の回数が多くなるような排水設備に好適である。ここでは、ポンプは20a,20bの2台を配置することとする。また、水位センサ126は、停止水位Hs1,第1起動水位Hs2、第2起動水位Hs3、異常増水水位Hs4の水位を検出可能とする。そして、停止水位Hs1以下の水位を「停止水位」、第1起動水位Hs2以上且つ第2起動水位Hs3未満の水位を水位レベル「低」、第2起動水位Hs3以上且つ異常増水水位Hs4未満の水位を水位レベル「高」、異常増水水位Hs4以上の水位を水位レベル「異常増水」と規定して、制御装置150の水位検出部162が水位レベルを特定可能とする。更に、ポンプ20の回転数は、回転レベル「高」と「低」の2段階に設定可能とする。
図17のフローは所定のトリガに従って開始(S100)される。一般的には、汚水槽12の水位が所定の起動水位まで上昇したことが検出された時に開始(S100)される。また、制御装置150の設定部(不図示)にて、任意のトリガがオペレータによって設定されてもよい。S100では、水位が起動水位まで上昇したため、ポンプ20のいずれかを先発ポンプとして起動されている状態とする。なお、先発ポンプは、起動の度にローテーションしてもよい。
S101では、水位センサ126によって検出された水位がHs1以下であるか、即ち水位レベルが「停止水位」であるかが水位検出部162によって判断(S101)される。Yesの場合は、S102で、インバータ指令部172にて、全ての運転中のポンプ20の停止指示がなされる。全ポンプが運転停止となった後は、本フローは終了し、運転待機状態となる。そして、上述した所定のトリガに従って、再度本フローが開始(S100)される。
S101にてNoの場合は、第1起動水位Hs2以上であるか、即ち水位レベルが「低」であるかが水位検出部162によって判断(S103)される。Yesの場合は、S104で、インバータ指令部172によって、運転中のポンプ20の 回転レベルが「低」に決定され、その旨がインバータ1200に指示される。S104の動作は、水位が低い状態にあるので、回転数を落として運転させれば十分であるという考察に基づく。その後、本フローは再度S101に戻る。
S103にてNoの場合は、S105にて水位センサ126によって検出された水位が第2起動水位Hs3以上であるか、即ち水位レベルが「高」であるかが水位検出部162によって判断される。Yesの場合とは、ポンプ20を運転させたにも拘わらず、水位が上がった場合である。S106では、インバータ指令部172によって、運転中のポンプ20の回転レベルが「高」に決定され、その旨がインバータ1200に指示される。S106の動作は、同一のポンプを使用し、今度は回転数を上げて運転させることで、水位の下降を試行すべきであるという考察に基づく。その後、本フローは再度S101に戻る。
S105にてNoの場合は、S107にて水位センサ126によって検出された水位が第3起動水位Hs4以上であるか、即ち水位レベルが「異常増水水位」であるかが水位検出部162によって判断される。Yesの場合とは、運転中のポンプ20を「高」回転にて運転させたにも拘わらず、水位が上がった場合である。S108では、インバータ指令
部172によって、追加可能なポンプがあれば、そのポンプを運転追加し、運転中の全てのポンプ20の回転レベルが「高」に決定され、その旨がインバータ1200に指示される。S108の動作は、全てのポンプを使用し、今度は回転数を上げて運転させることで、水位の下降を試行すべきであるという考察に基づく。その後、本フローは再度S101に戻る。
部172によって、追加可能なポンプがあれば、そのポンプを運転追加し、運転中の全てのポンプ20の回転レベルが「高」に決定され、その旨がインバータ1200に指示される。S108の動作は、全てのポンプを使用し、今度は回転数を上げて運転させることで、水位の下降を試行すべきであるという考察に基づく。その後、本フローは再度S101に戻る。
S107でNoであった場合、本フローは再度S101に戻る。
例えば、住居用ビルなど、1日を通じて継続的に汚水等が流入されて排水が必要となる場所では、特定のポンプの運転・停止の回数が多くなり過ぎ、故障の原因になる。図17に示したように、インバータ1200を通じてポンプ20の回転数を可変にして柔軟に運転させ、排水量を制御することでポンプ20の運転・停止の回数が多くならないようにセーブすることができる。また、汚水等の量に見合った適正なポンプ運転を行うことにより、汚水槽内の汚水に水流を作ることができるので、汚水の滞留によるスカムの量を少なくして悪臭の発生を防止することができる。
なお、図17では、少なくとも1つのインバータ1200が、少なくとも1つのポンプと1対1で接続されていればよい。つまり、ポンプ20a,20bのいずれか一方に1つのインバータ1200aが接続されてもよく、または、ポンプ20a,20bの両方に別個のインバータ1200a,200bが1対1で接続されてもよい。また、S108で運転が追加されるポンプは予備ポンプであってもよい。
以上、いくつかの例に基づいて本発明の実施形態または変形例について説明してきたが、上記した発明の実施形態及び変形例は、本発明の理解を容易にするためのものであり、本発明を限定するものではない。また、第1〜第3実施形態の各々において、第1〜第6の変形例を個別に適用し説明したが、第1〜第6の変形例を複数組み合わせて、本発明の実施形態とすることも可能である。本発明は、その趣旨を逸脱することなく、変更、改良され得るとともに、本発明には、その均等物が含まれることはもちろんである。また、上述した課題の少なくとも一部を解決できる範囲、または、効果の少なくとも一部を奏する範囲において、特許請求の範囲および明細書に記載された各構成要素の任意の組み合わせ、または、省略が可能である。
本発明の各実施形態は、悪臭防止型排水設備に広く適用することができる。
B 地階部分(上層階)
P ピット
C 軸線
Ms 設置面
S 底面
L 側面
10A 排水設備
12 汚水槽
12a 底面
12b、12d 側面
12c 上面
13 流出口
14 吸込配管
14−4 円筒枠
14−1 開口部
14−2 管部
14−3 連結部
14−4 円筒枠
14−5 弁体
14−4a 底面部分
14−6 ヒンジ部
15 支持脚
20 水中ポンプ
21 吸込口
22 吐出口
23 吐出配管
23A 逆止弁
23B 仕切弁
24 支持部材
25 モータ部
26 ポンプ部
27 把手
30 ポンプ着脱装置
31 接続配管
32 固定配管
33 ガイドパイプ
34 摺動部
36 架台
35、37 フランジ部
35a、37a 軸方向面
38 流出配管
40 フランジ接続部
50、50A フランジ固定装置
51 第1の締め付け部材
51a 半体
51b 突起部
52 第2の締め付け部材
52a 半体
52b 突起部
53 第1の回動軸部
54 第1の操作レバー
54a、55a 操作端部
55 第2の操作レバー
56 第2の回動軸部
57 第1の連結部
58 第2の連結部
60 ケーシング
70 空洞
71、72 溝
73、74、75、76 平坦面
77、78、79、80 軸方向面
91、93 汚水ます
100、100A、100B、200、200A 排水設備
113 開口部
114 蓋
115 流入管
124 開口
125 蓋
126 水位センサ
126a、126b フロート
130 ポンプ着脱装置
135 フック
137 着脱支点
139 ガイド部
140 昇降装置
150 制御装置
160 検出部
162 水位検出部
164 インバータ状態検出部
170 出力部
172 インバータ指令部
174 外部出力部
180 記憶部
182 設定部
191、193 汚水ます
201 洗浄配管
201A 逆止弁
202 流体源
218 仕切弁
260 ポンプケーシング
260−1 開口部
260−2 吸込口
260−3 円筒枠
260―5 棒状突起部
332 ドレンパン
330 ドレンパン用ポンプ
342 配管
344 水位計
344a 信号線
346 吸込口
430 戻り配管
431 一端
432 吐出口
440 凹部
441、442 曲面
551、552 締め付け部
553 回動軸部
554、555 把持部
1000、2000 悪臭防止型排水設備
1100 建築物
1112、2112 汚水槽
1112a 底面
1112b 側面
1112c 上面
1113 開口部
1114 蓋
1115、2115a、2115b 開口(マンホール)
1116、2116a、2116b 蓋
1117 逆流防止弁
1118 仕切弁
1121、2121 吐出配管
1123、2123 流入管
1125、2125 流出口
1180 公共下水道管
1191 汚水ます
1200 インバータ
2119 台
2126 穴部
P ピット
C 軸線
Ms 設置面
S 底面
L 側面
10A 排水設備
12 汚水槽
12a 底面
12b、12d 側面
12c 上面
13 流出口
14 吸込配管
14−4 円筒枠
14−1 開口部
14−2 管部
14−3 連結部
14−4 円筒枠
14−5 弁体
14−4a 底面部分
14−6 ヒンジ部
15 支持脚
20 水中ポンプ
21 吸込口
22 吐出口
23 吐出配管
23A 逆止弁
23B 仕切弁
24 支持部材
25 モータ部
26 ポンプ部
27 把手
30 ポンプ着脱装置
31 接続配管
32 固定配管
33 ガイドパイプ
34 摺動部
36 架台
35、37 フランジ部
35a、37a 軸方向面
38 流出配管
40 フランジ接続部
50、50A フランジ固定装置
51 第1の締め付け部材
51a 半体
51b 突起部
52 第2の締め付け部材
52a 半体
52b 突起部
53 第1の回動軸部
54 第1の操作レバー
54a、55a 操作端部
55 第2の操作レバー
56 第2の回動軸部
57 第1の連結部
58 第2の連結部
60 ケーシング
70 空洞
71、72 溝
73、74、75、76 平坦面
77、78、79、80 軸方向面
91、93 汚水ます
100、100A、100B、200、200A 排水設備
113 開口部
114 蓋
115 流入管
124 開口
125 蓋
126 水位センサ
126a、126b フロート
130 ポンプ着脱装置
135 フック
137 着脱支点
139 ガイド部
140 昇降装置
150 制御装置
160 検出部
162 水位検出部
164 インバータ状態検出部
170 出力部
172 インバータ指令部
174 外部出力部
180 記憶部
182 設定部
191、193 汚水ます
201 洗浄配管
201A 逆止弁
202 流体源
218 仕切弁
260 ポンプケーシング
260−1 開口部
260−2 吸込口
260−3 円筒枠
260―5 棒状突起部
332 ドレンパン
330 ドレンパン用ポンプ
342 配管
344 水位計
344a 信号線
346 吸込口
430 戻り配管
431 一端
432 吐出口
440 凹部
441、442 曲面
551、552 締め付け部
553 回動軸部
554、555 把持部
1000、2000 悪臭防止型排水設備
1100 建築物
1112、2112 汚水槽
1112a 底面
1112b 側面
1112c 上面
1113 開口部
1114 蓋
1115、2115a、2115b 開口(マンホール)
1116、2116a、2116b 蓋
1117 逆流防止弁
1118 仕切弁
1121、2121 吐出配管
1123、2123 流入管
1125、2125 流出口
1180 公共下水道管
1191 汚水ます
1200 インバータ
2119 台
2126 穴部
Claims (22)
- 水槽を備える排水設備で用いられる水中ポンプであって、
前記水槽の底面は、前記水槽の流出口の縁部の少なくとも一部を形成する部分を含んでおり、
前記水中ポンプは、前記流出口に接続され且つ前記水槽の底面よりも下側に配置される吸込口を有する、水中ポンプ。 - 前記水中ポンプが横置きで設置される、請求項1に記載の水中ポンプ。
- 請求項1または2に記載の水中ポンプであって、前記吸込口が吸込配管を介して前記流出口と接続されており、前記吸込配管は、少なくとも2つの部分配管が接続されるフランジ接続部を含む、水中ポンプと、
前記フランジ接続部を固定するフランジ固定装置であって、前記フランジ接続部の外形に沿うように形成された溝を有する締め付け部材を備えるフランジ固定装置と、を備える排水設備。 - 前記溝が、前記フランジ接続部の軸方向面に接触可能な軸方向面を含み、前記溝の軸方向面が、軸方向に対して傾斜している、請求項3に記載の排水設備。
- 前記締め付け部材は、第1の回動軸部を介して互いに回動可能に連結される一対の締め付け部材を含み、
前記フランジ固定装置は、
前記第1の回動軸部と、
第2の回動軸部と、
前記第2の回動軸部を介して互いに回動可能に連結される一対の操作レバーと、
前記一対の操作レバーと前記一対の締め付け部材とを連結する一対の案内部材と、を備える、請求項3または4に記載の排水設備。 - 請求項1または2に記載の水中ポンプと、
前記吸込口から流出する可能性のある液体を受容可能であるように、少なくとも前記吸込口の下方に配置されるドレンパンと、を備える排水設備。 - 前記ドレンパン内に配置されたドレンパン用ポンプを有する、請求項6に記載の排水設備 。
- 請求項1または2に記載の水中ポンプと、
前記水中ポンプの吐出口に接続される吐出配管と、
前記吐出配管に配置される仕切弁と、
前記吐出配管に配置される仕切弁と前記水中ポンプの前記吐出口との間に連結される洗浄用配管と、
前記洗浄用配管に配置される逆止弁と、を有する排水設備。 - 複数の流出口を有する水槽であって、前記水槽の底面は、各流出口の縁部の少なくとも一部を形成する部分を含んでいる、水槽と、
前記複数の流出口にそれぞれ接続され且つ前記水槽の底面よりも下側に配置される吸込口を有する複数の水中ポンプと、
制御装置と、
少なくとも1つのインバータであって、前記複数の水中ポンプの内の少なくとも1つの水中ポンプのモータと接続され、前記制御装置からの指示を受けて、前記少なくとも1つ
の水中ポンプの回転数を調整する、少なくとも1つのインバータと、を備える悪臭防止型排水設備 。 - 前記水中ポンプが横置きで設置される、請求項9に記載の 悪臭防止型排水設備。
- 請求項1または2に記載の水中ポンプと、
前記水中ポンプの運転によって搬送される液体が流れる送水配管と、を備えており、
前記送水配管は、前記液体が流れる方向における上流側に配置される第1の部分配管と前記液体が流れる方向における下流側に配置される第2の部分配管とが互いに接続される配管接続部を含み、前記配管接続部は、前記第1の部分配管の開口部に弁体を備えており、
前記弁体は、前記第2の部分配管が前記第1の部分配管に接続されていない状態において前記第1の部分配管の前記開口部を閉じる閉蓋位置にあり、前記第2の部分配管が前記第1の部分配管に接続された時に前記第2の部分配管によって押されることにより前記第1の部分配管の内側へ向かって回転して開蓋位置へ移動する、排水設備 。 - 請求項1または2に記載の水中ポンプと、
前記水中ポンプからの排水の一部を前記水槽の底部へ戻すための戻り配管と、
を備えており、
前記戻り配管の吐出口は、前記戻り配管から前記水槽の底部へ戻された水流が前記水槽の内壁面に対して斜めに当たるように配置され、
前記水槽の前記内壁面は、前記内壁面に当たった水流が前記水槽の前記流出口へ向かう旋回流を形成するような面形状に構成される、排水設備。 - 前記締め付け部材は、回動軸部を介して互いに回動可能に連結される一対の締め付け部材を含み、
前記一対の締め付け部材の各々は、長さ方向両端部にそれぞれ配置される把持部と締め付け部とを含み、前記回動軸部は、前記把持部と前記締め付け部との間に配置され、前記締め付け部が、前記フランジ接続部の外形に沿うように形成された溝を有する、請求項3または4に記載の排水設備。 - 請求項1または2に記載の水中ポンプと、
前記流出口と前記吸込口とを接続するポンプ着脱装置と、を備えており、
前記ポンプ着脱装置は、前記吸込口に対して固定され、係止部を有する接続配管と、前記流出口に対して固定され、被係止部を有する固定配管と、を有し、
前記被係止部は、前記水中ポンプ及び前記接続配管を支持する支点を形成し、
前記支点が、前記接続配管と前記固定配管との接続面の中心に配置される、排水設備。 - 前記フランジ接続部から流出する可能性のある液体を受容可能であるように、少なくとも前記フランジ接続部の下方に配置されるドレンパンを備える、請求項3〜5のいずれか一項に記載の排水設備。
- 前記ドレンパン内に配置されたドレンパン用ポンプを有する、請求項15に記載の排水設備。
- 前記水中ポンプの吐出口に接続される吐出配管と、
前記吐出配管に配置される仕切弁と、
前記吐出配管に配置される仕切弁と前記水中ポンプの前記吐出口との間に連結される洗浄用配管と、
前記洗浄用配管に配置される逆止弁と、を有する、請求項3〜5および15〜16のい
ずれか一項に記載の排水設備。 - 複数の流出口を有する水槽であって、前記水槽の底面は、各流出口の縁部の少なくとも一部を形成する部分を含んでいる、水槽と、
それぞれが請求項1または2に記載の水中ポンプである、複数の水中ポンプと、
制御装置と、
少なくとも1つのインバータであって、前記複数の水中ポンプの内の少なくとも1つの水中ポンプのモータと接続され、前記制御装置からの指示を受けて、前記少なくとも1つの水中ポンプの回転数を調整する、少なくとも1つのインバータと、を備える、請求項3〜5および15〜17のいずれか一項に記載の排水設備。 - 前記水中ポンプの運転によって搬送される液体が流れる送水配管を備えており、
前記送水配管は、前記液体が流れる方向における上流側に配置される第1の部分配管と前記液体が流れる方向における下流側に配置される第2の部分配管とが互いに接続される配管接続部を含んでおり、
前記配管接続部は、前記第1の部分配管の開口部に弁体を備えており、
前記弁体は、前記第2の部分配管が前記第1の部分配管に接続されていない状態において前記第1の部分配管の前記開口部を閉じる閉蓋位置にあり、前記第2の部分配管が前記第1の部分配管に接続された時に前記第2の部分配管によって押されることにより前記第1の部分配管の内側へ向かって回転して開蓋位置へ移動する、請求項3〜5および15〜18のいずれか一項に記載の排水設備。 - 前記水中ポンプからの排水の一部を前記水槽の底部へ戻すための戻り配管を備えており、
前記戻り配管の吐出口は、前記戻り配管から前記水槽の底部へ戻された水流が前記水槽の内壁面に対して斜めに当たるように配置され、
前記水槽の前記内壁面は、前記内壁面に当たった水流が前記水槽の前記流出口へ向かう旋回流を形成するような面形状に構成される、請求項3〜5および15〜19のいずれか一項に記載の排水設備。 - 前記送水配管は、前記吸込配管と、前記水中ポンプの吐出口に接続される吐出配管と、を含み、前記吸込配管及び前記吐出配管の少なくとも一方が前記配管接続部を含む、請求項19に記載の排水設備。
- 前記配管接続部が、前記吸込配管の前記フランジ接続部を含む、請求項21に記載の排水設備。
Priority Applications (1)
| Application Number | Priority Date | Filing Date | Title |
|---|---|---|---|
| JP2017005739A JP2018115570A (ja) | 2017-01-17 | 2017-01-17 | 悪臭防止型排水設備 |
Applications Claiming Priority (1)
| Application Number | Priority Date | Filing Date | Title |
|---|---|---|---|
| JP2017005739A JP2018115570A (ja) | 2017-01-17 | 2017-01-17 | 悪臭防止型排水設備 |
Publications (1)
| Publication Number | Publication Date |
|---|---|
| JP2018115570A true JP2018115570A (ja) | 2018-07-26 |
Family
ID=62983918
Family Applications (1)
| Application Number | Title | Priority Date | Filing Date |
|---|---|---|---|
| JP2017005739A Pending JP2018115570A (ja) | 2017-01-17 | 2017-01-17 | 悪臭防止型排水設備 |
Country Status (1)
| Country | Link |
|---|---|
| JP (1) | JP2018115570A (ja) |
Cited By (2)
| Publication number | Priority date | Publication date | Assignee | Title |
|---|---|---|---|---|
| KR102286390B1 (ko) * | 2020-12-10 | 2021-08-05 | ㈜에스피에스솔루션 | 냉각기능이 구비된 펌프를 포함하는 오수펌프 시스템 |
| US20230287899A1 (en) * | 2020-05-26 | 2023-09-14 | Ebara Corporation | Pump casing and pump apparatus |
-
2017
- 2017-01-17 JP JP2017005739A patent/JP2018115570A/ja active Pending
Cited By (2)
| Publication number | Priority date | Publication date | Assignee | Title |
|---|---|---|---|---|
| US20230287899A1 (en) * | 2020-05-26 | 2023-09-14 | Ebara Corporation | Pump casing and pump apparatus |
| KR102286390B1 (ko) * | 2020-12-10 | 2021-08-05 | ㈜에스피에스솔루션 | 냉각기능이 구비된 펌프를 포함하는 오수펌프 시스템 |
Similar Documents
| Publication | Publication Date | Title |
|---|---|---|
| CN111677085B (zh) | 一种下游管道壅水报警止回排水系统及止回排水方法 | |
| JP2018115570A (ja) | 悪臭防止型排水設備 | |
| CN111677081A (zh) | 一种故障报警止回排水系统及止回排水方法 | |
| JP5220434B2 (ja) | 揚液ポンプ及び揚液ポンプシステム | |
| JP2018105045A (ja) | ポンプシステム、悪臭防止型排水設備、ポンプ | |
| JP7162446B2 (ja) | ポンプシステム | |
| JP3306461B2 (ja) | 下水ポンプシステム | |
| CN111677062A (zh) | 一种楼宇排水系统 | |
| KR102645553B1 (ko) | 무누수 하수 유량조절장치 | |
| JP2019206837A (ja) | ポンプシステム | |
| JP2005264585A (ja) | マンホール装置 | |
| JP6946022B2 (ja) | 汚水排水設備 | |
| JP4352184B2 (ja) | ポンプ及びこれに使用される基礎台 | |
| CN212616531U (zh) | 一种双止回排水系统 | |
| CN111536277B (zh) | 一种排水止回系统及排水止回方法 | |
| CN212455627U (zh) | 一种故障报警止回排水系统 | |
| JP2025066895A (ja) | 機能枡 | |
| JP5306284B2 (ja) | ポンプ装置 | |
| JP6937601B2 (ja) | ポンプ装置、悪臭防止型排水設備、ポンプ | |
| JP2018096206A (ja) | 悪臭防止型排水設備 | |
| KR100636832B1 (ko) | 저수조의 범람 안전차단장치 | |
| CN223446300U (zh) | 一种抽水装置 | |
| US20230120401A1 (en) | Modular | |
| KR101057599B1 (ko) | 밸브가 구비된 수중펌프 탈착시스템 | |
| JP2018090972A (ja) | ポンプシステム及び悪臭防止型排水設備 |