JP2017126544A - 無アーク電流開閉装置 - Google Patents

無アーク電流開閉装置 Download PDF

Info

Publication number
JP2017126544A
JP2017126544A JP2016013814A JP2016013814A JP2017126544A JP 2017126544 A JP2017126544 A JP 2017126544A JP 2016013814 A JP2016013814 A JP 2016013814A JP 2016013814 A JP2016013814 A JP 2016013814A JP 2017126544 A JP2017126544 A JP 2017126544A
Authority
JP
Japan
Prior art keywords
contact
switch
gate
mosfet
current
Prior art date
Legal status (The legal status is an assumption and is not a legal conclusion. Google has not performed a legal analysis and makes no representation as to the accuracy of the status listed.)
Granted
Application number
JP2016013814A
Other languages
English (en)
Other versions
JP6713660B2 (ja
Inventor
嶋田 隆一
Ryuichi Shimada
隆一 嶋田
Current Assignee (The listed assignees may be inaccurate. Google has not performed a legal analysis and makes no representation or warranty as to the accuracy of the list.)
Individual
Original Assignee
Individual
Priority date (The priority date is an assumption and is not a legal conclusion. Google has not performed a legal analysis and makes no representation as to the accuracy of the date listed.)
Filing date
Publication date
Application filed by Individual filed Critical Individual
Priority to JP2016013814A priority Critical patent/JP6713660B2/ja
Publication of JP2017126544A publication Critical patent/JP2017126544A/ja
Application granted granted Critical
Publication of JP6713660B2 publication Critical patent/JP6713660B2/ja
Active legal-status Critical Current
Anticipated expiration legal-status Critical

Links

Images

Landscapes

  • Keying Circuit Devices (AREA)
  • Electronic Switches (AREA)
  • Driving Mechanisms And Operating Circuits Of Arc-Extinguishing High-Tension Switches (AREA)

Abstract

【課題】金属接点をアークの発生すること無く開極し、低ノイズで電流を遮断する。【解決手段】単極双投の金属接点開閉器のコモン電極とa接点を連続通電用の主接点として、そのa接点とコモン電極には、並列に半導体スイッチを接続し、そのゲートは絶縁された電源から電圧を与えられて半導体スイッチは常時導通状態になっているが、連動するb接点がオン状態になるとゲート抵抗Rgはミラー積分効果で再起電圧を遅らせて上昇し、電流が無アークで開極して低ノイズで遮断される。【選択図】図2

Description

本発明は、電力系のスイッチ装置に関し、直流または交流電流の、電力系統、鉄道、電気自動車、配電の施設、屋内配線等の電力を扱うにおいて必要な電流の開閉器に属し、金属接点による直流電流の遮断では発生するアークが持続することで、数十V以上数A以上の遮断は容易ではない。直流電流を遮断するにアークを発生すること無く遮断可能になるように、半導体スイッチと、導通損失の低い金属接点スイッチとで構成される無アーク電流開閉装置に関する。
半導体スイッチの進歩により、高電圧・大電流が高速に遮断可能になった。しかし、アークの消滅による遮断は数μ秒であったが、MOSFETはより速く、数10ナノ秒でオン、オフするので、インダクタンスのある回路の電流を遮断すると、高い再起電圧が発生して、バリスタやなどのスナバ回路を必要とするなど、保護回路が必要である。高速すぎる遮断は、返ってそのために開閉サージが増している。
一方、直流電流の遮断を金属接点の開極で行うと電流が遮断されずに連続する。開極時に発生するアークにより通電し、アークを消滅させなければ電流は遮断できない。アークを消弧するにはアーク長を磁気などで長くし、冷却して消弧するが、この間、電極が消耗して接点の寿命が短くなってしまう。
近年シリコン・カーバイド系の半導体が実用化されて、MOSFET(Metal Oxide Semiconductor Field Effect Transistor)で1000Vを越える高耐電圧の半導体スイッチが実用化されている。この高耐圧の半導体スイッチを使って高電圧の直流電力系の開閉、遮断スイッチが提供できるようになった。しかし、まだまだ、半導体スイッチの通電損は金属接点より大きく数10W程度あるので、半導体スイッチの冷却装置が必要となり、大型になってしまうのが欠点である。そこで、両方の利点を組み合わせて、通電は金属接点で、遮断時のみ半導体スイッチで通電、遮断する無アーク開閉器、遮断器が望まれている。
本発明は特願2015−078094に記載した金属接点と半導体スイッチの並列接続による無アーク開閉器をさらに効果を増し、応用範囲を広げるようにする改良に関するものである。
特願2015−078094 特願2015−199768
特許文献1に記載の発明の中で、先行特許中の図6では、機械接点と半導体スイッチの並列接続であって、通電は金属接点で行い、金属接点の低オン抵抗で発熱はない。電流を遮断する時は、半導体スイッチに転流して、半導体スイッチのゲート制御によって高速に遮断する。
図1は特許文献1に記載の図6の直流開閉器であるが、これには2つの特徴がある。第一の特徴はゲート回路である。直流をMOSFET、IGBT、(Insulated Gate By−polar Transistor)などの絶縁ゲートの半導体スイッチでオン・オフするが、半導体スイッチのゲートをON状態にする電圧を半導体スイッチに印加されるドレイン電圧を使っているためゲート駆動電源が不要である。MOSFETのドレインの電圧を高抵抗100kΩ以上の抵抗でゲートに接続することによって、MOSFETの閾値(Vth)で電流が流れ出し、Vth+オン抵抗の電圧以上にはならない。Vthは3V程度である。 並列に接続されている通電接点である金属接点ではアークの発生する最低電圧は10V程度であるので、アークは発生しない。接点電流は無アークで半導体スイッチに転流する。
特許文献1に記載の発明では、ドレイン電圧でゲートをオンしているのでオン電圧はVth以下にはならない。ゲートに十分大きな電圧を与えて、飽和領域で駆動できればオン電圧は電流×オン抵抗になって、Vthより小さくなる。これにより発熱が下がり、さらに大きな過電流耐量を利用できるようになる。
先行特許のもう一つの新規なところは、1極双投スイッチのa接点、b接点を利用して半導体スイッチのゲート信号を制御することを特徴としている。しかし、a接点は、大電流を通電するため、低抵抗である必要があるが、b接点はゲート電圧の制御のための接点であるから電流容量はa接点に比べてわずかである。また、b接点がオンするとMOSFETが遮断するがその遮断スピードが速いので再起電圧も急峻でサージ電圧が発生する。b接点のオン時にチャタリングを起こすと、それに伴ってサージ電圧を多数回、発生する。b接点はチャタリングの起こしにくい金属材料の接点が望ましい。チャタリングの起こさない、接触不良を起こさないスイッチとして水銀スイッチがあるが、要するに柔らかい金属材料がよい。b接点に代わるゲート、ソース間を低抵抗で短絡するスイッチであれば、連動して動作する補助接点、絶縁光カップラ、リードリレーなども可能である。
本発明は、かかる先に出願された発明をさらに電流の開閉器、遮断器への応用に鑑みなされたものであり、金属接点の問題点を解決し、また半導体スイッチの発熱などの問題点を解決して交流・直流電源を安全かつ確実に短絡、開放、遮断することが可能な開閉器、遮断器を提供することを目的とする。
上記目的を達成するために、金属接点と並列に半導体スイッチを接続される、直流電流を開閉させるスイッチは、一つのMOSFETと、そのMOSFETのドレインを金属接点のa接点に接続し、MOSFETのソースを金属接点のコモン電極に接続し、ドレイン、ゲート間に接続された抵抗器と、前記MOSFETのソース、ゲートをb接点によって短絡するスイッチを備えたことを特徴とする特許文献1に記載の発明の図6の機械接点と半導体スイッチの並列接続した無アーク遮断スイッチを基礎にさらに以下のように1から5にあげる改良をすることにより利用範囲を広げる。
1. 半導体スイッチのゲートにゲートを飽和領域の電圧を与えて、オン抵抗をさらに 小さくするために、絶縁した電源を用意してゲートを飽和状態のオンにして、半 導体をオフにする時、b接点のオンで絶縁電源をゼロにするがゲート抵抗Rgと ドレイン・ゲート間の寄生容量によるミラー積分効果で再起電圧を遅く上昇させ る。絶縁電源には太陽電池、絶縁DC電源、充電2次電池、長寿命な電池などが ある。
2. b接点のオンで半導体スイッチをオフする際に、b接点を直接には使わず、光結 合スイッチなどの組み合わせでゲート電圧を短絡する。電磁リレーでは、リレー 駆動電源のオン、オフを利用して光結合スイッチやリードリレーなどでb接点の 代わりとなるようにタイマーで然るべき時間遅れを設けて駆動してもよい。
3. b接点の信号がチャタリングを起こす場合の対策として、防止する回路を付加す る。併せて、近年の半導体スイッチの遮断スピードが速いので、高周波のノイズ を発生し、ノイズによる誤動作を発生する可能性がある。半導体スイッチの遮断 スピードを遅くする回路、再起電圧制御回路を付加する。
4. 金属接点のa接点とドレインの間にダイオードを入れて、逆電流阻止構造の直流 開閉器にする。これは負荷側に電圧が残っている場合、遮断後に電流が逆流する 可能性を除くために必要である。MOSFETなど半導体スイッチとして逆導通 型スイッチを用いる場合、逆阻止能力は必要なことである。また、ダイオードの 順方向電圧降下、約1.2Vが加わるが、MOSFETの電圧降下は下がるので 大電流を流すことができる。図11のMOSFETの損失をシミュレーションで 求めたが損失はI/3になっている。
5. 交流用の開閉器も多頻度開閉を行うと、アークによる電極消耗が開閉器の寿命と なる。アークを最小限にするか、できれば無アークで遮断するのが望ましい。3 相交流の電流瞬断は3相同時になるように、連動する補助接点のb接点からのオ ン信号で三相の3つの半導体スイッチを同時にオフする。この場合、半導体スイ ッチはトライアックでも良い。電流のゼロ点でソフトにオフする利点はある。ま た交流電流遮断でも直流分が重畳する場合があり、電流ゼロ点が無い、所謂ゼロ ミス現象時は、直流遮断と変わらないので、トライアックでは無く遮断性能のあ るMOSFETを主接点と連動する補助b接点のオンで3相とも同時に遮断を行 うのが理想である。
半導体スイッチのゲート駆動に特別な電源を必要としない構成は先の特許文献1、2に記載の発明の特徴で簡単に手動トグルスイッチへも応用できた。さらに進めて、電磁リレーや制御リレーの応用、インターネットなどの通信系統との情報交換により、電源のオン、オフを行う電流スイッチを制御管理することができる。この場合、制御電源があるのでそれを利用した絶縁ゲート駆動回路は半導体スイッチのゲートに十分な電圧を印加して確実に飽和状態のオンにして、先の特許文献1、2の場合より多くの電流を通電できる。
無アークで金属接点の遮断器を開極し、その後、十分な絶縁耐圧を持つために、b接点のオン信号を用いるのは金属接点が開極し開極距離がある距離になったことを確実に示す信号であるからである。金属接点の動作を確実に捉える信号である。開極距離が確保されてから半導体スイッチが電流遮断するので、手動の開極をおこなう場合、開極スピードが、一定しないがその場合もb接点のオンを持って遮断するので、多様な開閉スイッチでの応用が可能である。b接点をそれにかわる同期タイミングを得られるスイッチであれば、小電流の弱電圧のスイッチ、例えばマイクロスイッチ、リミットスイッチで代用できる。弱電流用の接点を持つb接点を主接点と連動させればよい。
このことによって、例えば電磁駆動のスイッチでは開極スピードが従来はアーク時間を最小にするため、高速な開極動作が必要であったが、それは、遅くても確実に動作する接点電極開閉装置であればよい。そのことで電極を駆動する機構が改良されて、より小型、省エネ、低騒音の新しい電磁開閉器が可能になる。
特許文献1に記載の先行特許中の図6の半導体スイッチを示す説明図である。 本発明に係る実施例1の絶縁された電源で駆動される回路図を示す回路図である。 本発明に係る実施例1の原理検証装置の実験時の写真 実施例1の原理検証装置の直流電流遮断時の電流、電圧波形 実施例1の絶縁電源として、フォトカップラ(赤外LED+フォトダイオード:TLP3905)を使った場合の原理検証装置 長寿命な電池をMOSFETのゲート電源として用いる場合の回路例である。 高電圧の直流電流を半導体スイッチの直列接続で遮断する場合、光カップラでb接点の代わりに短絡する構成図である。 本発明に係る直流電源の開閉スイッチの第3実施形態を示す回路図である。 図8のシミュレーション回路である。 図9のシミュレーション計算の結果である。 シミュレーション計算の結果(遮断時、時間方向拡大する)である。 本発明に係る直流電源の開閉スイッチの第4実施形態を示す回路図である。 本発明に係る交流または方向の変わる直流電力系の開閉の第5実施形態を示す回路図である。 本発明に係る1つのMOSFETで構成された交流、または方向の変わる直流電流の開閉器の第6実施形態を示す回路図である。 三相交流用に本発明を応用したスイッチの構成である。 本発明に係るトライアックを用いた交流用の無アーク低ノイズ開閉器である。
〔第1実施形態:図2〕
以下、本発明の実施形態について図面を参照しつつ詳細に説明する。
半導体スイッチのゲート電圧に十分高いゲート飽和電圧を与えてオン抵抗を最小にするために、絶縁した電源を付加してゲートをオンし、b接点のオンでゲート電圧をゼロ近くにする。図2は、本発明に係る直流電源の開閉スイッチの第1実施形態を示す回路図である。
図2において、絶縁された直流電圧源は、小型の太陽電池モジュール(7V−1mA)を使った図3の実証実験の例として説明するが、MOSFETを飽和領域で完全オンするに必要なゲート電圧が発生する。MOSFETのゲートは高い絶縁性能を持つので、ゲート駆動電流はほとんど流れない、したがって、ゲートが単極双投のトグルスイッチのb接点で短絡されない限り、MOSFETは常にON状態である。図4の実験波形によれば、接点電流の流れている金属接点a接点が開極すると、接点の電流は停止し、MOSFETに流れて、接点間はアークの発生に必要な10Vにならないので無アークで電流は半導体スイッチに転流する。双投スイッチの構造から、a接点が開極してから、バウンスする時間後に、コモン電極はb接点に接触する。絶縁DC電源の電圧をb接点がゲート抵抗Rgで短絡すると半導体スイッチはオフされ、再起電圧がミラー積分効果(ブート・ストラップ効果ともいう)でRgと寄生容量で決まる時定数で上昇するが、バリスタで抑えられている。絶縁DC電源が太陽電池である場合、好都合である。太陽電池は、弱くても光があれば無負荷解放電圧が現れ、MOSFETを飽和領域まで駆動できるし、短絡しても定電流電源であるので接点の電流はわずかである。
ゲート用電圧源はコンデンサや、充電できる2次電池に置き換えても良いし、MOSFET用のゲート駆動用絶縁電源を用いてもよい。シリコン・カーバイドのMOSFETであっても、飽和領域まで駆動する15V程度まで発生する絶縁電源であれば電流容量は問わない。前述の太陽電池と発光素子を組み込んだ出力電圧7Vの光カップラ、TLP3905は小型でよい。2次出力を2段に直列にすれば15Vの絶縁電源になる。ゲート電源の応答スピードは遅くてもa接点からb接点へのバウンス時間は数mSかかるのでこれに対して十分早ければ問題ない。また、絶縁電圧源を2次電池にして、開閉装置がオフ時の極間電圧で充電される、または電源から絶縁して充電することができる電気2重層キャパシターであっても可能である。図5は実施例1の絶縁電源として、フォトカプラ、赤外LED+フォトダイオード:TLP3905を使った場合の原理検証実験の外観写真である。
図2において、ZnOバリスタ(ZNRとも呼ばれる過電圧保護用非線形抵抗)をMOSFETの過電圧保護のために接続している。これは遮断する直流回路に大きなインダクタンスがある場合、その磁気エネルギーを吸収するので必要に応じて付加する。バリスタのエネルギー吸収能力は、半導体スイッチより10倍以上大きい。
図6は、長寿命の電池をゲート電源として遮断時、無アーク遮断が可能な直流開閉器である。主接点a接点と連動する接点、例えば補助接点、または2極双投トグルスイッチの場合は、もう一方のa接点を使ってゲートに電荷を蓄積して、b接点のオンでMOSFETのゲートの電荷を消滅するまで導通しているので、主接点a接点の開ではアークは発生しない。この連動するb接点回路を用いるとゲート電源はMOSFETのゲートをチャージ・アップするのみでよいので、絶縁された電源が長寿命の電池を使用することができる。この電池の代わりにキャパシターにして、別電源で充電する方法をとっても良い。併せて、CとRでゲート回路を構成すればMOSFETのドレイン電圧の変化率を抑えることができ、ノイズの少ない開閉が可能になる。
〔第2実施形態:図7〕
図7は、本発明に係る直流電源の開閉スイッチの第2実施形態を示す回路図である。
図7はb接点のオンで半導体スイッチをオフする際に、b接点を直接には使わず、光結合スイッチなどの組み合わせで間接的にゲート電圧をオフ状態にする。
図7は、係る先に出願された特許文献1の発明のb接点のオンが最適な半導体遮断のタイミングを与える点を利用して、かつ多数の半導体スイッチを同時にオフすることが可能になる。ここでは光カップラー(ホト・カップラーとも呼ばれる)の例を図示しているが主回路と絶縁することができるスイッチであればリレーでも可能である。LED電源は光カプラのLEDを駆動する電源で電流を約10mA程度流すことができればよい。光カプラは数kVの絶縁をしてホトトランジスタをオンすることができる。光カプラの入力を直列に接続し、出力を、遮断電流をバイパスする直列する複数のMOSFETのゲートーソース間に接続すれば、同時に遮断することができ、再起電圧を直列接続で受けることができるので高耐圧の遮断器を提供することができる。
〔第3実施形態:図8〕
図8は、本発明に係る直流電源の開閉器の第3実施形態を示す回路図である。MOSFET、特にSiCのMOSFETはの電流遮断のスピードが必要以上に速いため、再起電圧の高速な上昇を抑制する為に、絶縁ゲートを持つ半導体スイッチの特性を使って、ミラー積分回路を付加して、3V/μS程度に制限して低ノイズ化を図っている。
また、図8では、ゲート回路にC,R、R1,R2を図のように配して、金属接点S1のb接点の信号のチャタリング対策にもなっている。チャタリングを起こすと短時間に多数回のオン・オフを繰り返すことになる。b接点がチャタリングを起こしにくい構造や接点材料にするが、回路的にもその対策をすることが望ましい。それを防止する抵抗とコンデンサの電子回路を付加する。併せて、近年の半導体スイッチの遮断スピードが速いために再起電圧の上昇スピードが速く、その電圧波形は高い高周波成分を持つ。高周波ノイズを発生すると、直流スイッチが電流遮断するノイズによる関連電子回路の誤動作を発生する可能性がある。半導体スイッチの遮断スピードを遅くする回路を付加する。
これはドレイン−ゲート間の抵抗に並列の例えば0.01μFのコンデンサCを接続し、ゲート−ソース間に例えば100Ωの低抵抗Rで短絡すると遮断電圧の上昇はミラー積分効果で遅くなる。これはMOSFETのゲート電圧の活性領域を使った回路になるが、先のドレインーゲート間をつなぐ抵抗R1に並列に接続し、ゲートーソース間をつなぐb接点に並列に高抵抗R2、ここでは500kΩを挿入すれば、チャタリングの防止に効果が有る。CとRで再起電圧の立ち上がりスピードは、遅くできる。
特許文献2の特許願2015−199768「再起電圧制御装置」によれば、再起電圧Vrは、ドレイン‐ゲート間のコンデンサをC、ゲート‐ソース間の抵抗をRとすれば、ミラー積分理論から、Cに流れる電流で閾値電圧Vthが維持されると考えられるので、
Vr=Vth*Time/RC
である。Vth=3V, R=100Ω、C=0.01μFであれば、再起電圧は1マイクロ秒で3Vの上昇、3V/μSである。
このようにパワー用のスイッチ用MOSFETは近年目覚ましく発展しており、スイッチング損を少なくするために。高速動作を必要としてきたが、半導体スイッチの損失が許容するならば、遮断スピードを必要なだけ下げることができる。遮断スピードが遅いほど高周波ノイズは少なくなる。特に遮断器の補助のために用途を限った場合は、繰り返しサイクルが限られているので、半導体の発熱を除去するのが容易、パルス大電流が流せて、その後、ゆっくりと遮断が可能である。
図9は直流電流開閉の過渡状態をシミュレーションするためのシミュレーション回路図を示す。図10はシミュレーションの結果の電流、電圧波形を示す。(a)は接点とMOSFETの電流波形、バリスタの電流波形である。(b)は接点極間電圧で電源電圧100Vが遮断後インダクタンスのために300Vまで上昇、最後はバリスタによってカットされている。(c)はゲート電圧、(d)はMOSFETの電圧と電流を掛けたパワーを積分した損失をジュールで表している。逆電流阻止ダイオードを入れたことでゲート電圧が1.2V、上がった結果、損失が3分の1になっている。
図11は、図10の時間軸を拡大した図である。接点間電圧では、300Vまで300μSで上昇するのが見える。
〔第4実施形態:図12〕
図12は、本発明に係る直流電源の開閉スイッチの第4実施形態を示す回路図である。
ゲートに抵抗Rを介してドレイン電圧を印加してMOSFETをオン状態にする構成では、オン電圧は閾値電圧であるVthまでしか下がらない。オン電圧をさらに下げるには、ゲートにより高い電圧を与える必要がある。そこで、金属接点のa接点とMOSFETのドレインの間に、ダイオードを順方向に入れ、ダイオード順方向電圧を加えて抵抗Rを介してゲートに電圧を与えると、ダイオードの電圧が加わった分、MOSFETのオン電圧が下がる。実験によると、MOSFETに5Aの電流が流して、ダイオードを含めた極間電圧は4.2Vに上がったがオン電圧を測ると閾値3Vより低い1Vにさがる。ドレインにダイオードの順方向電圧1.2Vも加えて、極間電圧は1.2V上がるが、無アークの条件である10V以下であるならば良いので、MOSFETのオン電圧が3Vから1Vに下がったことで、半導体の損失が3分の1になる。また、ダイオードを入れることによって、逆電流阻止にすることができる。これは負荷側に電圧が残っている負荷の場合、遮断後に電流が逆流する可能性を除くために、必要がある。一般にMOSFETのゲート電極はソースに対して+/−15V程度以上の電圧が発生しないようにダイオードでクランプしてあるので逆電圧は問題ない。また、ダイオードの順方向電圧の代わりに1Ω以下の低い抵抗を挿入して電流による抵抗ドロップ電圧でも、半導体のオン電圧を下げる効果がある。
直流電流の逆流の阻止をダイードで可能にする前の回路をさらに応用を広くしたのが、図13である。交流または直流であっても電流の方向が場合によって変化する用途がある。直流配電の直流バス間を接続する場合、電圧は一方向であるが電流は双方向である。その場合、図12の回路を電流双方向用に改良したのが図13である。
〔第5実施形態:図14及び図15〕
交流用の開閉器も多頻度開閉を行うと、アークによる電極消耗が開閉器の寿命となる。アークを最小限にするか、無アークで遮断するのが望ましい。3相交流の電流瞬断は3相同時に遮断するように、連動する1つのb接点のオン信号で三相の3つの半導体スイッチを同時にオフする。
図14は、本発明に係る、電流が両方向の直流電力系、または交流電力系にも使用可能な開閉スイッチの第5の実施形態を示す回路図である。
図14は金属接点を連続通電する主接点S1とするとその両極にダイオードブリッジを接続し、ダイオードブリッジの直流出力プラスにMOSFETのドレインを、出力マイナスをMOSFETのソースを接続する。MOSFETのゲートは、1つ目は例えば22Ωの低抵抗Rで補助接点または連動する接点のb接点に接続する。MOSFETのゲートは、2つ目は例えば100kΩの高抵抗R1を介してMOSFETのドレインに、同じく、R1には並列にコンデンサ、例えばここでは0.1μFであるが、を並列に接続してある。MOSFETのゲートの3つ目は、例えば500kΩの高抵抗R2を介してドレインに接続してある。抵抗RとコンデンサCが連動接点Sbのb接点のオンで、半導体はオフされるがその再起電圧を緩やかに上昇させる。ダイオードブリッジを介して主接点に並列接続されているので、交流電流、方向の変化する直流にも対応できる。
シリコンカーバイトで構成されるSiC−MOSFETを用いるとSiCの性質で高耐圧のスイッチが実現できる。高耐圧の使用に耐える電流スイッチが可能になるが、SiCのMOSFETのシュレフォルド電圧VthがシリコンのMOSFETより高く7V程度あって、ダイオードブリッジによる電圧降下は2Vから3Vあるので、それを加えると主接点遮断の直後に極間電圧10V以上になる。SiCのMOSFETを用いる場合は、ゲート電圧を15V程度加えて飽和状態のオンになって、シリコンのMOSFETと同じ、数V以下にならないといけない。このために絶縁したゲート電圧をゲートに別に加えて、それをb接点で短絡、またはマイナスの電圧を印加してスイッチをオフするのを推奨する。
〔第6実施形態:図15〕
三相交流用半導体スイッチとして、従来はトライアック3つで構成される簡単な半導体スイッチでは、トライアックの性質上、電流ゼロ点で遮断する。その場合、最初の1相の電流ゼロ点で遮断された後、残り2相は単相状態になって、電流ゼロになった時点で同時に遮断される。すなわち、2相を遮断しているにすぎないので負荷の中性点電位の急峻な過電圧など過渡現象が生じる。ここで目指すのは半導体スイッチによる3相同時遮断である。
図15は3相交流用に構成された本発明の実施例である。ここでは主接点のa接点と補助接点のb接点が使われている。補助接点bがオンの場合、全てのスイッチがオフされる。b接点が離れるとゲートはオンになることで、半導体スイッチが通電され、後から、主接点のa接点がオンになって、その後、電気抵抗の低い金属接点にほとんどの電流が流れる。
補助接点bが3相交流用の3接点の開閉器に1つの場合、1つの補助接点bのオンによって、3つのゲート用絶縁された電源がゲート電圧をゼロになるようにする。図15では、さらに安全スイッチが半導体スイッチ回路に直列に接続されている。この安全スイッチがオフされると半導体スイッチ部が主回路から切り離される。安全スイッチは主回路のオンの前のタイミングで接続され、遮断完了後に速やかにオフされる。安全スイッチの存在がオフ時の安全性が接点と半導体の2重になることで信頼性が増すためであって、動作のタイミングやスピードは問わない。また、この安全スイッチは常時オフ状態で主接点の投入、遮断動作の間のみ、オン状態にするようにしてもよい。
交流専用の無アーク低ノイズ開閉器は、MOSFETをサイリスタやトライアックに置き換えることができる。MOSFETより、高耐圧で短時間の通電耐量に優れている。また電流ゼロ点で自然消弧するので、インダクタンス電流遮断による過電圧が生じないという利点もある。しかし、容量性の負荷の場合、電流ゼロで遮断した後、再起電圧がステップ的上昇の問題もある。そのため、サイリスタ、トライアックの再起電圧上昇スピードを制限するためにコンデンサと抵抗の直列接続によるサージ・アブソーバを設置する必要がある。
[実施例7:図16]
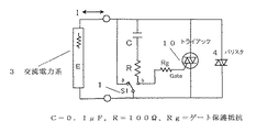
図16は、請求項7の実施例で本発明に係る直流用、無アーク低ノイズ開閉器の手法をトライアックに代えて交流用の無アーク低ノイズ開閉器に応用したものである。交流の金属接点の開閉であっても、無アークで遮断出来れば接点の寿命が延び、アークが消滅時の裁断サージの発生を防止することができる。本実施例ではa接点とb接点がともにオフの遷移状態の場合、トライアックのゲートにはCとRを介してトリガーに必要な電流が供給されるように、本実施例では、Cは0.1μF、Rは100Ωを選択している。b接点がオンになるとゲート電流はゼロになるのでトライアックは電流ゼロになるとオフになる。電流ゼロ点でオフになると再起電圧が急峻に発生するが、その電圧上昇率をb接点がオンすることでCとRの直列回路がサージ・アブソーバとなって作用し、ノイズの発生を防ぐことができる。
単に抵抗だけでもトライアックをオンすることはできるが、しかし、オフ時のリーク電流を増やすのみで、サージ発生を抑える効果はないが、CとRのサージ・アブソーバを使ってゲートをオンすることで、無アークでノイズの発生を抑えた開閉が実現できる。
1 主接点S1:金属接点
2 半導体スイッチ(MOSFET、IGBTなど絶縁ゲートのスイッチ)
3 直流電力系
4 バリスタ
5 C:コンデンサ
6 R:抵抗
7 Rg:ゲート抵抗
8 逆電流阻止ダイオード
9 ダイオードブリッジ
10 トライアック
11 安全スイッチ

Claims (8)

  1. 直流電流を開閉するための開閉器であって、無アークで遮断を可能にするために、該開閉器は、
    単極双投の金属接点開閉器のコモン電極とノルマルオープンのa接点を連続通電用の主接点として、そのa接点とコモン電極には、それぞれMOSFETのドレインとソースを接続し、ゲートはノルマルクローズのb接点にゲート抵抗Rgを介して接続して、MOSFETのゲートには別途用意した絶縁された電源から電圧を与えられてMOSFETはオン状態になっているが、b接点がオンになるとゲート電圧が減少するのでMOSFETがオフになる。主接点極間の電圧はアーク発生に必要な電圧、約10V以下であるので、無アークで接点電流がMOSFETに転流し、バウンス時間後にb接点がオンになると、ゲート抵抗のミラー積分効果でソフトにオフ状態になることを特徴とする直流電流の無アーク開閉装置。
  2. 直流電流を開閉するための開閉器であって、電流を無アークで、ソフトに遮断するために、該開閉器は、MOSFETのゲートを飽和領域で導通する状態にするために絶縁した電圧源を用いるが、その絶縁電源として、太陽電池、絶縁DC電源、2次電池、長寿命の電池を用いた請求項1に記載の無アーク電流開閉器。
  3. 前記MOSFETが絶縁ゲートバイポーラトランジスタ(以下「IGBT」という)であって、前記ベースが前記IGBTのゲートであることを特徴とする請求項1、及び2に記載の無アーク電流開閉器。
  4. 前記主接点のb接点または、連動する補助スイッチのb接点のオンのタイミングで半導体スイッチをオフ状態にするが、b接点を直接には使わず、光結合スイッチなどの組み合わせで直列接続された複数のMOSFETのゲート電圧を同時にオフにする無アーク電流開閉器。
  5. 金属接点の連続通電する主接点S1とその両極にダイオードブリッジを接続し、ダイオードブリッジの直流出力プラスにMOSFETのドレインを、出力マイナスをMOSFETのソースを接続する。MOSFETのゲートは、1つ目は低抵抗Rで、主接点S1の補助接点または連動するノルマルクローズのb接点に接続する。MOSFETのゲートは、2つ目は高抵抗R1を介してMOSFETのドレインに、同じく、R1には並列にコンデンサを並列に接続してある。MOSFETのゲートの3つ目は、高抵抗R2を介してドレインに接続してある。抵抗RとコンデンサCが連動接点Sbのb接点のオンで、半導体はオフされるがその再起電圧はCとRのミラー積分効果で緩やかに変化させ、交流電流、方向の変化する直流にも対応できる無アークで開閉し、再起電圧の上昇率が制御された交流または直流開閉器
  6. 開閉器の信頼性を上げるために、機械接点の安全スイッチが半導体スイッチ回路部に直列に接続されて、この安全スイッチがオフされると半導体スイッチ回路部が主回路から切り離されるが、安全スイッチは主回路の投入の前のタイミングでオンされ、主回路の遮断動作の完了後に速やかにオフされることで、半導体スイッチ回路をノイズなどで誤導通させない請求項1から6のいずれかに記載の開閉器。
  7. 交流電力系専用のトライアックを用いた無アークで低ノイズの開閉器は、単極双投スイッチの金属接点のa接点とコモン電極を通電接点とし、そのa接点とコモン電極にそれぞれトライアックのアノードとカソードを接続、さらにコンデンサCと抵抗Rの直列回路をa接点と他方をb接点に接続し、さらにb接点はトライアックのゲート保護抵抗を介してゲートに接続することで、無アークで遮断し、コンデンサCと抵抗Rが電流遮断時のサーブアブソーバとしても働く交流用開閉器。
  8. 前記、無アーク低ノイズの開閉スイッチはスイッチ固有のアドレス番号を持ち、そのアドレスに対して、外部からの通信手段によってオン/オフ制御を行い、さらにオン/オフの状態を通信手段により送出することを特徴とする請求項1から7のいずれかに記載の電流開閉器。
JP2016013814A 2016-01-11 2016-01-11 無アーク電流開閉装置 Active JP6713660B2 (ja)

Priority Applications (1)

Application Number Priority Date Filing Date Title
JP2016013814A JP6713660B2 (ja) 2016-01-11 2016-01-11 無アーク電流開閉装置

Applications Claiming Priority (1)

Application Number Priority Date Filing Date Title
JP2016013814A JP6713660B2 (ja) 2016-01-11 2016-01-11 無アーク電流開閉装置

Publications (2)

Publication Number Publication Date
JP2017126544A true JP2017126544A (ja) 2017-07-20
JP6713660B2 JP6713660B2 (ja) 2020-06-24

Family

ID=59364314

Family Applications (1)

Application Number Title Priority Date Filing Date
JP2016013814A Active JP6713660B2 (ja) 2016-01-11 2016-01-11 無アーク電流開閉装置

Country Status (1)

Country Link
JP (1) JP6713660B2 (ja)

Cited By (4)

* Cited by examiner, † Cited by third party
Publication number Priority date Publication date Assignee Title
CN108309443A (zh) * 2018-04-12 2018-07-24 上海昊从医疗科技有限公司 带蠕动泵控制的低温单双极电极系统
CN110690078A (zh) * 2019-09-30 2020-01-14 国源容开国际科技(北京)股份有限公司 一种带有故障保护的二极管等零相位开关
JP7250266B1 (ja) 2022-07-19 2023-04-03 隆一 嶋田 直流電流遮断装置
CN116260436A (zh) * 2022-12-30 2023-06-13 合肥仙湖半导体科技有限公司 一种无拉弧绝缘三相开关及其应用电路

Families Citing this family (1)

* Cited by examiner, † Cited by third party
Publication number Priority date Publication date Assignee Title
JP7165317B1 (ja) 2022-06-13 2022-11-04 隆一 嶋田 直流電流開閉装置

Citations (6)

* Cited by examiner, † Cited by third party
Publication number Priority date Publication date Assignee Title
JPS61138125U (ja) * 1985-02-18 1986-08-27
JPH04354374A (ja) * 1991-05-31 1992-12-08 Fuji Electric Co Ltd ハイブリッドスイッチ
US5652688A (en) * 1995-09-12 1997-07-29 Schweitzer Engineering Laboratories, Inc. Hybrid circuit using miller effect for protection of electrical contacts from arcing
JP2000036238A (ja) * 1998-04-06 2000-02-02 Shigeisa Imoto スイッチ回路
JP2009267742A (ja) * 2008-04-24 2009-11-12 Panasonic Electric Works Co Ltd 操作端末器
JP2014216056A (ja) * 2013-04-22 2014-11-17 富士電機株式会社 直流回路遮断装置

Patent Citations (6)

* Cited by examiner, † Cited by third party
Publication number Priority date Publication date Assignee Title
JPS61138125U (ja) * 1985-02-18 1986-08-27
JPH04354374A (ja) * 1991-05-31 1992-12-08 Fuji Electric Co Ltd ハイブリッドスイッチ
US5652688A (en) * 1995-09-12 1997-07-29 Schweitzer Engineering Laboratories, Inc. Hybrid circuit using miller effect for protection of electrical contacts from arcing
JP2000036238A (ja) * 1998-04-06 2000-02-02 Shigeisa Imoto スイッチ回路
JP2009267742A (ja) * 2008-04-24 2009-11-12 Panasonic Electric Works Co Ltd 操作端末器
JP2014216056A (ja) * 2013-04-22 2014-11-17 富士電機株式会社 直流回路遮断装置

Cited By (5)

* Cited by examiner, † Cited by third party
Publication number Priority date Publication date Assignee Title
CN108309443A (zh) * 2018-04-12 2018-07-24 上海昊从医疗科技有限公司 带蠕动泵控制的低温单双极电极系统
CN110690078A (zh) * 2019-09-30 2020-01-14 国源容开国际科技(北京)股份有限公司 一种带有故障保护的二极管等零相位开关
JP7250266B1 (ja) 2022-07-19 2023-04-03 隆一 嶋田 直流電流遮断装置
JP2024012743A (ja) * 2022-07-19 2024-01-31 隆一 嶋田 直流電流遮断装置
CN116260436A (zh) * 2022-12-30 2023-06-13 合肥仙湖半导体科技有限公司 一种无拉弧绝缘三相开关及其应用电路

Also Published As

Publication number Publication date
JP6713660B2 (ja) 2020-06-24

Similar Documents

Publication Publication Date Title
EP3651175B1 (en) Circuit-breaker with reduced breakdown voltage requirement
US7079363B2 (en) Hybrid DC electromagnetic contactor
Shukla et al. A survey on hybrid circuit-breaker topologies
EP3093941B1 (en) Direct current circuit breaker and method using the same
CN108141209B (zh) 一种用于将负载与源极隔离的电路
Peng et al. Current commutation in a medium voltage hybrid DC circuit breaker using 15 kV vacuum switch and SiC devices
JP2016541088A (ja) 高圧直流電流遮断装置及び方法
US11108320B2 (en) Method and voltage multiplier for converting an input voltage, and disconnector
JP6713660B2 (ja) 無アーク電流開閉装置
CN104779593A (zh) 一种直流固态断路器及其控制方法
JP2017191764A (ja) 無アーク電流接続装置
CN115065039A (zh) 混合式断路器
JP6694177B2 (ja) 直流遮断装置
KR102898305B1 (ko) 펄스-테스트 능력을 갖춘 직렬 z-소스 회로 차단기
KR20210092826A (ko) 직류 전원 장치
JP2018125270A (ja) 直流電力系の安全開閉装置
JP6646902B2 (ja) 再起電圧制御装置
JP2018032611A (ja) 交流電流開閉装置
CN203368431U (zh) 容性无触点开关
JP7017758B2 (ja) リードリレーを利用した直流電流開閉装置
JP2021034124A (ja) 直流電流開閉装置
CN210780712U (zh) 一种高压大电流双向半导体开关
JP7250266B1 (ja) 直流電流遮断装置
CN114221309B (zh) 一种由电流互感器构成的短路电流双向阻断电路及故障阻断方法
CN110635458B (zh) 基于晶闸管的固态交流断路器及其控制方法

Legal Events

Date Code Title Description
RD02 Notification of acceptance of power of attorney

Free format text: JAPANESE INTERMEDIATE CODE: A7422

Effective date: 20181114

A621 Written request for application examination

Free format text: JAPANESE INTERMEDIATE CODE: A621

Effective date: 20181115

A521 Request for written amendment filed

Free format text: JAPANESE INTERMEDIATE CODE: A821

Effective date: 20181115

A977 Report on retrieval

Free format text: JAPANESE INTERMEDIATE CODE: A971007

Effective date: 20190808

A131 Notification of reasons for refusal

Free format text: JAPANESE INTERMEDIATE CODE: A131

Effective date: 20190925

A601 Written request for extension of time

Free format text: JAPANESE INTERMEDIATE CODE: A601

Effective date: 20191120

A521 Request for written amendment filed

Free format text: JAPANESE INTERMEDIATE CODE: A523

Effective date: 20200114

TRDD Decision of grant or rejection written
A01 Written decision to grant a patent or to grant a registration (utility model)

Free format text: JAPANESE INTERMEDIATE CODE: A01

Effective date: 20200518

A61 First payment of annual fees (during grant procedure)

Free format text: JAPANESE INTERMEDIATE CODE: A61

Effective date: 20200521

R150 Certificate of patent or registration of utility model

Ref document number: 6713660

Country of ref document: JP

Free format text: JAPANESE INTERMEDIATE CODE: R150

R250 Receipt of annual fees

Free format text: JAPANESE INTERMEDIATE CODE: R250

R250 Receipt of annual fees

Free format text: JAPANESE INTERMEDIATE CODE: R250

R250 Receipt of annual fees

Free format text: JAPANESE INTERMEDIATE CODE: R250