JP2016223233A - Vibration control structure - Google Patents
Vibration control structure Download PDFInfo
- Publication number
- JP2016223233A JP2016223233A JP2015112897A JP2015112897A JP2016223233A JP 2016223233 A JP2016223233 A JP 2016223233A JP 2015112897 A JP2015112897 A JP 2015112897A JP 2015112897 A JP2015112897 A JP 2015112897A JP 2016223233 A JP2016223233 A JP 2016223233A
- Authority
- JP
- Japan
- Prior art keywords
- vertical
- tmd
- building
- rigidity
- center
- Prior art date
- Legal status (The legal status is an assumption and is not a legal conclusion. Google has not performed a legal analysis and makes no representation as to the accuracy of the status listed.)
- Granted
Links
Images
Landscapes
- Buildings Adapted To Withstand Abnormal External Influences (AREA)
- Vibration Prevention Devices (AREA)
Abstract
【課題】塔状比が大きく、かつ偏心率が大きいことに加えて設置可能な面積が小さい構造物においても、1つのTMDによって効果的に並進振動とねじれ振動を抑制することができる制振構造を提供する。
【解決手段】重心に対して剛心が偏心した構造物1の上部にTMD3が設置された制振構造において、TMD3は、その重心に対して剛心を構造物1の上記剛心側に偏心させて設置されている。
【選択図】図1Disclosed is a damping structure capable of effectively suppressing translational vibration and torsional vibration with a single TMD even in a structure having a large tower ratio and a large eccentricity and a small area that can be installed. I will provide a.
In a vibration control structure in which a TMD 3 is installed on an upper portion of a structure 1 whose eccentricity is decentered with respect to the center of gravity, the TMD 3 is eccentric with respect to its center of gravity toward the rigid side of the structure 1. Installed.
[Selection] Figure 1
Description
本発明は、建物の上部にチューンド・マス・ダンパ(TMD)を設置した制振構造に関するものである。 The present invention relates to a vibration control structure in which a tuned mass damper (TMD) is installed in an upper part of a building.
従来から、下記特許文献1に見られるように、地震等によって建物に生じる揺れを低減させるために、建物の揺れに同調する質量を備えた錘を最上階に設置するTMD(チューンド・マス・ダンパー)が用いられている。このTMDは、外部動力を必要としないところから、簡便な制振装置として多く実用に供されている。
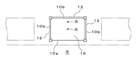
Conventionally, as can be seen in
ところで、例えば図10に示すような、水平構面が1スパン×1スパンの概正方形で、外周の4つの鉛直構面を有し、そのうちの2つの鉛直構面1aが道路Rに面した角地に建設される建物1にあっては、意匠上道路に面する鉛直構面1aにはブレースや耐震壁等の構成要素を多数設けることができない。このため、上記建物1においては、重心Gに対して剛心Qがブレース2等の構成要素がより多く設けられた鉛直構面1b側に大きく偏心することになる。
By the way, as shown in FIG. 10, for example, the horizontal plane is an approximate square of 1 span × 1 span, and has four vertical planes on the outer periphery, of which two vertical planes 1a face the road R. In the
このため、このような建物1の屋上にTMD3を設置した場合に、地震動に対して並進方向の変位によって生じる振動に対しては、上記TMD3によって揺れを抑えることができるものの、上記偏心に基づく水平方向や回転方向(捻れ)の変位に起因する振動に対しては有効に機能させることができない。
For this reason, when TMD3 is installed on the roof of such a
このような場合に、偏心による水平方向や回転方向の振動を抑制するために、剛心Qを間に挟んで複数のTMDを並列に配置することが一般的であるが、狭小な角地に建つペンシルビル等のように屋上面積が小さい建物には適用することができないという問題点があった。 In such a case, in order to suppress the vibration in the horizontal direction and the rotation direction due to the eccentricity, it is common to arrange a plurality of TMDs in parallel with the rigid core Q interposed therebetween, but it is built on a narrow corner. There is a problem that it cannot be applied to a building having a small roof area such as a pencil building.
また、下記特許文献2においては、下部構造体に積層ゴム支承を介して支持された上部構造体を有する構造物が、所定の軸芯周りに捻れ振動すると想定される場合に、上部構造体の回転慣性質量を用いて下部構造体の捻れ振動を抑制すべく、上部構造体の軸芯周りの回転慣性質量I2[kN×m×s2/rad]、下部構造体の軸芯周りの回転慣性質量I1[kN×m×s2/rad]、上部構造体と地盤との間の軸芯周りの回転剛性値K1[kN×m/rad]、免震層の軸芯周りの回転剛性値K2[kN×m/rad]、および免震層が上部構造体と下部構造体との間の軸芯周りの捻れ振動を減衰する際の回転減衰係数C2[kN×m×s/rad]を捻れ振動の制振に係るパラメータとし、これらパラメータI1,I2,K1,K2,C2に基づいて、下部構造体の軸芯周りの回転角θ1[rad]の伝達関数を求め、得られた伝達関数に基づいてパラメータI1,I2,K1,K2,C2の値を決めることを特徴とする構造物の捻れ振動の制振に係るパラメータの設定方法が提案されている。
Further, in
ところが、上記パラメータの設定方法にあっては、上述したような塔状比が大きく、かつ偏心率が大きくて屋上面積が小さい建物の揺れを、積層ゴム支承による1つのTMDで抑制しようとする場合に、決定されたパラメータを具体的に実現することに困難性があった。 However, in the method of setting the above parameters, when one tries to suppress the shaking of a building having a large tower ratio, a large eccentricity, and a small roof area as described above with one TMD by a laminated rubber bearing. However, there is a difficulty in concretely realizing the determined parameters.
本発明は、上記事情に鑑みてなされたものであり、塔状比が大きく、かつ偏心率が大きいことに加えて設置可能な面積が小さい構造物においても、1つのTMDによって効果的に並進振動とねじれ振動を抑制することができる制振構造を提供することを課題とするものである。 The present invention has been made in view of the above circumstances, and even in a structure having a large tower ratio and a large eccentricity and a small area that can be installed, one TMD effectively translates vibration. It is an object of the present invention to provide a damping structure that can suppress torsional vibration.
上記課題を解決するため、請求項1に記載の発明は、重心に対して剛心が偏心した構造物の上部にTMDが設置された制振構造において、上記TMDは、その重心に対して剛心を上記構造物の上記剛心側に偏心させて設置されていることを特徴とするものである。
In order to solve the above-mentioned problems, the invention according to
また、請求項2に記載の発明は、請求項1に記載の発明において、上記構造物は、外周に4つの鉛直構面を有し、角隅部を介して隣接する2つの上記鉛直構面の剛性が、当該2つの鉛直構面と対向する他の2つの鉛直構面の剛性よりも低い構造であるとともに、上記TMDは、上記角隅部と対角方向に対向する角隅部側が積層ゴム支承により、かつ他の部分が滑り支承または転がり支承により支持されていることを特徴とするものである。
The invention according to
また、請求項3に記載の発明は、請求項1に記載の発明において、上記構造物は、外周に4つの鉛直構面を有し、1つの上記鉛直構面の剛性が、他の3つの上記鉛直構面の剛性よりも低い構造であるとともに、上記TMDは、上記1つの鉛直構面側に位置する辺部の両端が滑り支承または転がり支承により、かつ当該1つの鉛直構面と対向する上記鉛直構面側に位置する辺部の両端が積層ゴム支承により支持されていることを特徴とするものである。
The invention according to
さらに、請求項4に記載の発明は、請求項2または3に記載の発明において、上記構造物は、ラーメン構造であり、かつ水平構面が1スパン×1スパンの概正方形であって、4つの上記鉛直構面のうちの少なくとも1つの上記鉛直構面は、他の上記鉛直構面よりもブレースの本数が少なく配置されることにより、上記他の鉛直構面よりも剛性が低いことを特徴とするものである。
Furthermore, the invention according to
請求項1〜4のいずれかに記載の発明によれば、TMDの剛心を構造物の剛心と同じ方向に偏心させて設置しているために、1つのTMDによって、地震時に上記構造物の並進方向への振動のみならず、偏心に起因する水平方向およびねじれ方向の振動にも同調させて効率的にエネルギーを吸収することができる。
According to the invention described in any one of
特に、TMDの偏心量を調整して、その剛心が構造物の剛心と一致するように設置すれば、上記構造物の並進方向、水平方向およびねじれ方向の振動にTMDの動きを同期させて極めて優れた制振効果を発揮させることができる。このため、塔状比が大きく、かつ偏心率が大きいことに加えて設置可能な面積が小さいペンシルベル等の構造物に対しても、簡易な構造によって効果的な制振を行うことができる。 In particular, by adjusting the amount of eccentricity of the TMD so that its rigid center coincides with the rigid center of the structure, the movement of the TMD is synchronized with the translational, horizontal and torsional vibrations of the structure. Can exhibit an extremely excellent vibration damping effect. For this reason, effective vibration suppression can be performed with a simple structure even for a structure such as a pencil bell having a large tower ratio and a large eccentricity and a small area that can be installed.
ここで、上記TMDを偏心させて構造物の上部に設置する態様としては、例えば請求項2または3に記載の発明のように、構造物の剛心に近い位置において積層ゴム支承により設置し、上記剛心から離間した位置においては上記積層ゴム支承よりも初期剛性が小さい滑り支承または転がり支承によって支持する構造を採用することができる。
Here, as an aspect of decentering the TMD and installing it at the top of the structure, for example, as in the invention of
当該構成によれば、構造物の偏心量に基づいて、積層ゴム支承と滑り支承または転がり支承の初期剛性との比を適宜調整することにより、容易にTMDの剛心を構造物の剛心に一致させることができる。 According to this configuration, by appropriately adjusting the ratio of the laminated rubber bearing to the initial rigidity of the sliding bearing or the rolling bearing based on the amount of eccentricity of the structure, the TMD rigid core can be easily changed to the structural rigidity of the structure. Can be matched.
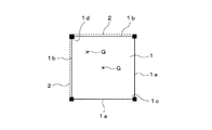
図1〜図3は、本発明に係る制振構造を、図10に示した角地に建設される建物(構造物)1に適用した一実施形態を示すものである。
これらの図において、この建物1は、ラーメン構造であり、かつ水平構面が1スパン×1スパンの概正方形に形成され、外周に4つの鉛直構面1a、1bを有している。そして、角隅部1cを介して隣接する道路側の2つの鉛直構面1aよりも、これら2つの鉛直構面1aと対向する道路に面していない他の2つの鉛直構面1bに、より多くのブレース2等の構成要素が配置されている。
1 to 3 show an embodiment in which the vibration damping structure according to the present invention is applied to a building (structure) 1 constructed in the corner shown in FIG.
In these drawings, this
これにより、道路側の2鉛直構面1aの剛性が、他の2鉛直構面1bの剛性よりも低くなる結果、この建物1においては、重心Gに対して剛心Qが上記角隅部1cと対角方向に対向する角隅部1d側に偏心している。
As a result, the rigidity of the two vertical structural surfaces 1a on the road side is lower than the rigidity of the other two vertical structural surfaces 1b. As a result, in this
そして、この制振構造においては、建物1の屋上部に1基のTMD3が設置されている。このTMD3は、上記角隅部1d側の角部においては積層ゴム支承4を介して、他の3箇所の角部においては弾性滑り支承5を介して上記屋上部に支持されることにより、その剛心が建物1の剛心Qと一致するように偏心して設置されている。また、隣接する弾性滑り支承5間には、一端部が建物1の屋上部に固定されるとともに他端部がTMD3の基台に固定されたオイルダンパー6が配置されている。
In this vibration damping structure, one TMD 3 is installed on the roof of the
以上の構成からなる制振構造においては、図4に示すように、X方向に地震力が作用した場合に、建物1の並進方向の変位δXが生じるとともに、これと併行して、図5に示すように、建物1の剛心Qが重心Gに対して角隅部1d側に偏心していることに起因して、水平方向の変位δXYおよびねじれ変位δθが発生する。
In the vibration damping structure having the above configuration, as shown in FIG. 4, when a seismic force acts in the X direction, a displacement δ X in the translational direction of the
この結果、図6に示すように、建物1には、水平方向の変位の合成成分δX+δXYの振動とねじれ変位δθによる振動が発生する。
As a result, as shown in FIG. 6, the
そして、この制振構造においては、TMD3を、その剛心が建物1の剛心Qと一致するように偏心させて設置しているために、その付加質量を建物1の水平方向変位δX+δXYの振動とねじれ変位δθによる振動に同調させて作動させることができる。この結果、上記振動のエネルギーを効果的に吸収して建物1の偏心に起因する振動を抑制することができる。
In this vibration damping structure, the TMD 3 is installed eccentrically so that its rigid center coincides with the rigid center Q of the
ここで、図7に基づいて、TMD3の剛心を建物1の剛心Qと一致させるための一態様について説明する。まず、以下の解析に用いる変数を以下のように定義する。
Here, based on FIG. 7, one mode for making the rigid center of the TMD 3 coincide with the rigid center Q of the
TMD3の付加質量を建物1の水平方向の変位δX+δXYに同調させるための条件は、下式によって表すことができる。
The condition for tuning the additional mass of the
次いで、TMD3の付加質量を建物1のねじれ方向の変位δθに同調させるための条件は、並進方向の振動とねじれ方向の振動の周期が等しいことから、建物1の振動に同調させるTMD3の付加質量の周期TXとTθも等しいとすると下式によって表すことができる。
Then, the condition for tuning the added mass of TMD3 the displacement [delta] theta twist direction of the
したがって、弾性滑り支承5として、初期剛性が積層ゴム支承4の約1/19のものを用いることにより、地震時に建物1の並進方向、水平方向およびねじれ方向の変位に同調させながら付加質量が建物1の変形に追従可能な制震装置とすることができる。
Therefore, by using an elastic sliding bearing 5 having an initial rigidity of about 1/19 of that of the laminated rubber bearing 4, the additional mass can be adjusted while synchronizing with the translational, horizontal and torsional displacement of the
以上説明したように、上記構成からなる制振構造によれば、建物1の屋上部にTMD3を、その剛心が建物1の剛心Qと一致するように設置しているために、地震時に建物1に生じる並進方向、水平方向およびねじれ方向の振動にTMD3の付加質量の動きを同期させて効率的にエネルギーを吸収することにより、極めて優れた制振効果を発揮させることができる。
As described above, according to the vibration damping structure having the above-described configuration, the
この結果、ペンシルビルのような塔状比が大きく、かつ偏心率が大きいことに加えて設置可能な面積が小さい建物1に対しても、1つのTMD3によって効果的な制振を行うことができる。
As a result, a
加えて、TMD3の付加質量のねじれ変位を許容しているために、オイルダンパー6の設置数を、一般的な4箇所から2箇所に減らすことも可能になる。
In addition, since the torsional displacement of the additional mass of the
なお、上記実施形態においては、積層ゴム支承4と弾性すべり支承5によってTMD3を偏心させて設置させた場合に付いてのみ示したが、本発明はこれに限定されるものではなく、上述した積層ゴム水平剛性k1と弾性滑り支承水平剛性k2との比a(=k1/k2)が小さく、よって剛性が小さい(径が小さい)側の積層ゴム支承に所定の変形量が確保し得る場合には、上記剛性比aを満足する積層ゴム支承のみを用いてTMD3を偏心させて設置してもよい。
In the above embodiment, only the case where the
また、上記実施形態においては、道路側の2鉛直構面1aの剛性が、他の2鉛直構面1bの剛性よりも低くなる結果、重心Gに対して剛心Qが、上記角隅部1cと対角方向に対向する角隅部1d側に偏心している建物1に対して、上記角隅部1d側の角部においては積層ゴム支承4を介して、他の3箇所の角部においては弾性滑り支承5を介してTMD3を、その剛心が建物1の剛心Qと一致するように偏心させて設置した場合について説明したが、音発明はこれに限るものではなく。
In the above embodiment, the rigidity of the two vertical composition surfaces 1a on the road side is lower than the rigidity of the other two vertical composition surfaces 1b. For the
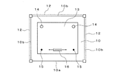
すなわち、図8および図9は、本発明に係る制振構造を、1鉛直構面10aが道路R側に面して建物10に適用した他の実施形態を示すものである。
この制振構造においては、建物10の道路に面していない3つの鉛直構面10bにブレース12等の構成要素が配置されることにより、道路R側の1つの鉛直構面10aの剛性が他の3つの鉛直構面10bの剛性よりも低くなり、この結果重心Gに対して剛心Qが、上記1つの鉛直構面10aと対向する鉛直構面10b側に偏心している。
That is, FIG. 8 and FIG. 9 show another embodiment in which the vibration damping structure according to the present invention is applied to the
In this vibration damping structure, the structural elements such as the
そして、建物10の屋上部に1基のTMD13が設置されるとともに、このTMD13は、上記1鉛直構面10a側に位置する辺部13aの両端が滑り支承15により、また1鉛直構面10aと対向する鉛直構面10b側に位置する辺部13bの両端が積層ゴム支承14により支持されている。
One
これにより、TMD13は、その剛心を建物10の剛心Qに一致させて建物10の屋上部に設置されている。なお、図中符号16は、隣接するすべり支承15間に配置され、一端部が建物10の屋上部に固定されるとともに他端部がTMD13の基台に固定されたオイルダンパーである。
As a result, the
以上の構成からなる制振構造によっても、図1〜図3に示したものと同様の作用効果を得ることができる。
なお、上記実施形態においては、いずれも積層ゴム支承4、14と、滑り支承5、15とを組み合わせた場合に付いてのみ説明したが、本発明はこれに限定されるものではなく、上記滑り支承5、15の一部または全部に代えて、ローラー等を用いた転がり支承を用いても同様の効果を得ることが可能である。
The same effect as that shown in FIGS. 1 to 3 can be obtained also by the vibration damping structure having the above-described configuration.
In the above embodiment, the description has been made only for the case where the
1、10 建物(構造物)
1a、1b、10a、10b 鉛直構面
3、13 TMD
4、14 積層ゴム支承
5、15 弾性滑り支承
G 重心
Q 剛心
1, 10 Building (structure)
1a, 1b, 10a,
4,14
Claims (4)
上記TMDは、その重心に対して剛心を上記構造物の上記剛心側に偏心させて設置されていることを特徴とする制振構造。 In the damping structure in which the TMD is installed on the upper part of the structure whose eccentricity is eccentric with respect to the center of gravity,
The TMD is installed with a rigid center eccentric to the center of gravity of the structure with respect to its center of gravity.
Priority Applications (1)
| Application Number | Priority Date | Filing Date | Title |
|---|---|---|---|
| JP2015112897A JP6456774B2 (en) | 2015-06-03 | 2015-06-03 | Vibration control structure |
Applications Claiming Priority (1)
| Application Number | Priority Date | Filing Date | Title |
|---|---|---|---|
| JP2015112897A JP6456774B2 (en) | 2015-06-03 | 2015-06-03 | Vibration control structure |
Publications (2)
| Publication Number | Publication Date |
|---|---|
| JP2016223233A true JP2016223233A (en) | 2016-12-28 |
| JP6456774B2 JP6456774B2 (en) | 2019-01-23 |
Family
ID=57747754
Family Applications (1)
| Application Number | Title | Priority Date | Filing Date |
|---|---|---|---|
| JP2015112897A Active JP6456774B2 (en) | 2015-06-03 | 2015-06-03 | Vibration control structure |
Country Status (1)
| Country | Link |
|---|---|
| JP (1) | JP6456774B2 (en) |
Cited By (3)
| Publication number | Priority date | Publication date | Assignee | Title |
|---|---|---|---|---|
| WO2018092514A1 (en) | 2016-11-16 | 2018-05-24 | 株式会社神戸製鋼所 | Method of detecting amount of discrepancy in arc tracking welding |
| JP2022107290A (en) * | 2021-01-08 | 2022-07-21 | 株式会社川金コアテック | Additional mass type vibration control device |
| JP7658763B2 (en) | 2021-03-12 | 2025-04-08 | 清水建設株式会社 | Vibration control device |
Citations (1)
| Publication number | Priority date | Publication date | Assignee | Title |
|---|---|---|---|---|
| JPH01315567A (en) * | 1988-06-14 | 1989-12-20 | Mitsui Constr Co Ltd | Arrangement for damping device in structure |
-
2015
- 2015-06-03 JP JP2015112897A patent/JP6456774B2/en active Active
Patent Citations (1)
| Publication number | Priority date | Publication date | Assignee | Title |
|---|---|---|---|---|
| JPH01315567A (en) * | 1988-06-14 | 1989-12-20 | Mitsui Constr Co Ltd | Arrangement for damping device in structure |
Cited By (4)
| Publication number | Priority date | Publication date | Assignee | Title |
|---|---|---|---|---|
| WO2018092514A1 (en) | 2016-11-16 | 2018-05-24 | 株式会社神戸製鋼所 | Method of detecting amount of discrepancy in arc tracking welding |
| JP2022107290A (en) * | 2021-01-08 | 2022-07-21 | 株式会社川金コアテック | Additional mass type vibration control device |
| JP7573144B2 (en) | 2021-01-08 | 2024-10-25 | 株式会社川金コアテック | Added mass type vibration control device |
| JP7658763B2 (en) | 2021-03-12 | 2025-04-08 | 清水建設株式会社 | Vibration control device |
Also Published As
| Publication number | Publication date |
|---|---|
| JP6456774B2 (en) | 2019-01-23 |
Similar Documents
| Publication | Publication Date | Title |
|---|---|---|
| JP6694672B2 (en) | Vibration control device and building equipped with the same | |
| JP5403372B2 (en) | Truss beam structure | |
| JP2011256591A (en) | Seismic control system for plural structures using large roof | |
| JP6456774B2 (en) | Vibration control structure | |
| JP5516934B2 (en) | Vibration control mechanism | |
| JP2009007916A (en) | Damping structure and its specification method | |
| JP5238701B2 (en) | Damping structure and method for designing damping structure | |
| JP2009155801A (en) | Vibration control structure | |
| JP5316849B2 (en) | Damping structure | |
| JP5473000B2 (en) | Vertical vibration control system for building floor | |
| JP6622568B2 (en) | Building vibration control structure | |
| JP6289929B2 (en) | Structure damping device and specification setting method thereof | |
| JP2012167820A (en) | Vibration reduction mechanism and specification setting method for the same | |
| JP2010189902A (en) | Vibration control structure and method for setting specification thereof | |
| JP5252227B2 (en) | Seismic isolation system | |
| JP6502116B2 (en) | Vibration control device | |
| JP6098866B2 (en) | Vertical vibration control structure | |
| JP6143058B2 (en) | Vibration control structure | |
| JP6210668B2 (en) | Seismic isolation structure | |
| JP2013096205A (en) | Seismic control structure | |
| JP5146754B2 (en) | Damping structure | |
| JPH11343755A (en) | Earthquake damping structure | |
| JP2011017167A (en) | Vibration control system | |
| JP6306373B2 (en) | Structure damping device | |
| JP6538325B2 (en) | Vibration suppressor for structure |
Legal Events
| Date | Code | Title | Description |
|---|---|---|---|
| RD01 | Notification of change of attorney |
Free format text: JAPANESE INTERMEDIATE CODE: A7421 Effective date: 20180124 |
|
| A621 | Written request for application examination |
Free format text: JAPANESE INTERMEDIATE CODE: A621 Effective date: 20180320 |
|
| A977 | Report on retrieval |
Free format text: JAPANESE INTERMEDIATE CODE: A971007 Effective date: 20181210 |
|
| TRDD | Decision of grant or rejection written | ||
| A01 | Written decision to grant a patent or to grant a registration (utility model) |
Free format text: JAPANESE INTERMEDIATE CODE: A01 Effective date: 20181218 |
|
| A61 | First payment of annual fees (during grant procedure) |
Free format text: JAPANESE INTERMEDIATE CODE: A61 Effective date: 20181219 |
|
| R150 | Certificate of patent or registration of utility model |
Ref document number: 6456774 Country of ref document: JP Free format text: JAPANESE INTERMEDIATE CODE: R150 |
|
| R250 | Receipt of annual fees |
Free format text: JAPANESE INTERMEDIATE CODE: R250 |
|
| R250 | Receipt of annual fees |
Free format text: JAPANESE INTERMEDIATE CODE: R250 |
