JP2014086233A - Led照明器具の取付・落下防止装置 - Google Patents

Led照明器具の取付・落下防止装置 Download PDF

Info

Publication number
JP2014086233A
JP2014086233A JP2012233366A JP2012233366A JP2014086233A JP 2014086233 A JP2014086233 A JP 2014086233A JP 2012233366 A JP2012233366 A JP 2012233366A JP 2012233366 A JP2012233366 A JP 2012233366A JP 2014086233 A JP2014086233 A JP 2014086233A
Authority
JP
Japan
Prior art keywords
base plate
engagement
engaging
main body
piece
Prior art date
Legal status (The legal status is an assumption and is not a legal conclusion. Google has not performed a legal analysis and makes no representation as to the accuracy of the status listed.)
Granted
Application number
JP2012233366A
Other languages
English (en)
Other versions
JP6004476B2 (ja
Inventor
Noriyoshi Asada
規義 浅田
Susumu Cho
進 長
Current Assignee (The listed assignees may be inaccurate. Google has not performed a legal analysis and makes no representation or warranty as to the accuracy of the list.)
FKK Corp
Original Assignee
FKK Corp
Priority date (The priority date is an assumption and is not a legal conclusion. Google has not performed a legal analysis and makes no representation as to the accuracy of the date listed.)
Filing date
Publication date
Application filed by FKK Corp filed Critical FKK Corp
Priority to JP2012233366A priority Critical patent/JP6004476B2/ja
Publication of JP2014086233A publication Critical patent/JP2014086233A/ja
Application granted granted Critical
Publication of JP6004476B2 publication Critical patent/JP6004476B2/ja
Expired - Fee Related legal-status Critical Current
Anticipated expiration legal-status Critical

Links

Images

Landscapes

  • Fastening Of Light Sources Or Lamp Holders (AREA)
  • Non-Portable Lighting Devices Or Systems Thereof (AREA)

Abstract

【課題】LED照明器具の天井面への取り付けをスムーズにして作業性を大幅に向上させ、しかも、取り付けた後は、何の部材を用いることなく、照明器具の落下を防止すること。
【解決手段】天井面にネジ止めされるベース板2の側板12に突リブ13にて溝14を形成する。側板12の両端側に第1の嵌合穴15を穿孔する。ベース板2の下面側に装着する器具本体3の突リブ13の両端側に前記嵌合穴15に対応した位置で第2の嵌合穴28を穿孔する。溝14内には係合片46を有するバネ性の係合体40をスライド自在に装着する。係合体40を右方へスライドさせて、係合体40の係合片46を嵌合穴15、28に挿通して嵌合穴15、28より内方に突出させる。これにより、器具本体3をベース板2に簡単に装着でき、器具本体3がベース板2から落下するのを確実に防止できる。
【選択図】図26

Description

本発明は、光源を発光ダイオードとしたLED照明器具に関するものであり、より詳しくはLED照明器具の取付・落下防止装置に関するものである。
近年、節電指向から光源が低消費電力の発光ダイオード(LED)としたLED照明器具が急速に販売されてきている。会社、工場、事務所では一般に直管型の蛍光灯が使用されており、蛍光灯から発光ダイオードの照明器具に変更する場合には、蛍光灯の照明器具を設置されている天井面から取り外し、LED照明器具を新たに設置するのが通常である。また、その際、電源の工事も必要になってくる。
図33は、光源に発光ダイオードを用いた従来の照明器具本体80の正面図を示しており、横方向の寸法は、例えば100cmであるが、便宜上、横方向の寸法は圧縮して描いている。
図34は照明器具本体80の分解図を示しており、この照明器具本体80は、金属製のケース本体81と、このケース本体81の下面の開口面を覆う金属製のカバー82と、このカバー82の下面側に着脱自在に装着される発光部83とで構成されている。
上記ケース本体81は、長方形状で下面が開口されており、天井面に取り付けられ発光ダイオードを駆動点灯する電源回路を納装している。また、ケース本体81の上面には図35に示すように、天井面にネジ止めする際のネジを挿通させる取付穴84が穿孔されている。
また、図36に示すように、ケース本体81の両側にはソケット85が設けられており、このソケット85は、ケース本体81の天井面に固着された略S字型の取付金具86の下面に取り付けられている。なお、89は発光部83のピン90(図34参照)が挿入されるピン穴である。
また、取付金具86の端部には後述するねじ穴87が螺刻されている。さらに、ソケット85側には略U字状のランプホルダー87が揺動自在に設けられている。
図37はカバー82を示し、このカバー82は略平板状であって、両側にはリブ91が一体に形成されている。また、カバー82の両端には発光部83の両端のコネクタ92(図34参照)を逃がすための切欠部93が切り欠き形成されている。この切欠部93の内方には、ネジ挿通用の穴94がそれぞれ穿孔されている。
発光部83は、図34に示すように、略円柱状に形成されていて、内部には発光ダイオードを直線状に実装したプリント基板が納装されている。発光部83の外殻の下部は樹脂製で乳白色の透光性となっている。また、発光部83の両端の上面にはピン90を突設したコネクタ92がそれぞれ形成されている。
次に、従来の照明器具本体80の天井面への取り付けについて説明する。先ず、図38(a)に示すように、天井面の所定の位置にケース本体81を配置し、ケース本体81の下方からネジ95をケース本体81の取付穴84に挿通して該ネジ95を天井面に螺着する。これによりケース本体81を天井面に取り付けることができる。
次に、図38(b)に示すように、ケース本体81の下面の開口面にカバー82を、該カバー82のリブ91がケース本体81の内側に挿入する形で嵌め込む。このカバー82をケース本体81の下面に嵌め込んだまま、手でカバー82を押さえておき、下方からネジ96にてカバー82をケース本体81に取り付ける。
具体的には、ネジ96をカバー82の穴94に挿通し、さらに、ケース本体81内の取付金具86のねじ穴87に螺進していくことで、ネジ96によりカバー82がケース本体81に装着される。
次に、図39に示すように、カバー82の下方から発光部83の両側のコネクタ92をカバー82の切欠部93に挿入して、コネクタ92のピン90をケース本体81のソケット85のピン穴89に挿入することで、発光部83がケース本体81に装着される。
そして、最後に、図40及び図41に示すように、ランプホルダー88を発光部83側に回動させて、ランプホルダー88の中央部分を発光部83の下面側に位置させる。これにより、発光部83のコネクタ92のピン90がケース本体81のソケット85のピン穴89より脱落しても、ランプホルダー88にて発光部83を受けることができ、発光部83の落下を防止している。
しかしながら、上記の照明器具本体80では以下に示すように種々な問題点を有している。すなわち、図38(a)に示すように、ケース本体81を天井面に取り付けた後、ケース本体81の下面にカバー82を取り付ける場合に、ネジ96にてカバー82を取り付けている。
そのため、ネジ96を挿通させるための穴94の位置を捜す必要があり、特に、この種の照明器具は天井面に取り付けるため、高所作業となり、ネジ96をカバー82の穴94に挿入して、さらに、ねじ穴87に螺着する作業は、非常に危険を伴うことになる。また、照明器具を設置する場合には、その作業部位は明かりが無く、薄暗いので、ネジ96を挿通させる穴94も見つけにくいという問題もある。すなわち、従来の照明器具本体80の天井面への取り付けは作業性が非常に悪いという問題があった。
さらに、発光部83をケース本体81に装着した後に、ランプホルダー88を回動させて、該ランプホルダー88にて発光部83の落下を防止するようにしているが、多くの照明器具本体80を取り付ける場合には、ランプホルダー88を回動させるのを忘れてしまう場合もある。
かかる場合には、発光部83を下方からピン90をケース本体81のピン穴89に挿入している構造のため、ランプホルダー88を回動させるのを忘れた場合には、発光部83が自重により自然に落下したり、あるいは、小さな地震でも発光部83が落下する恐れがある。
また、大地震が起こった場合には、ランプホルダー88自体は強固に固定されているのではなく、揺動状態なので、ランプホルダー88が外側に回動して発光部83から外れる恐れがある。かかる場合には、発光部83が落下し、より危険な状態となるという問題がある。
本発明は上述の問題点に鑑みて提供したものであって、LED照明器具の天井面への取り付けをスムーズにして作業性を大幅に向上させ、しかも、取り付けた後は、何の部材を用いることなく、照明器具の落下を防止することを目的としたLED照明器具の取付・落下防止装置を提供するものである。
そこで、本発明の請求項1に記載のLED照明器具の取付・落下防止装置では、設置面に一面側が天井面にネジ止めされるベース板2と、このベース板2の他面側に装着されて発光ダイオードの光源を備えた器具本体3とで長尺物の照明器具本体1を構成し、
前記ベース板2の前後方向の両側に該ベース板2の横方向の略全長にわたって側板12をそれぞれ設けると共に、前記側板12の少なくとも両端に第1の嵌合穴15を穿孔し、
前記器具本体3の前後方向の両側に該器具本体3の横方向の略全長にわたってリブ23をそれぞれ設けると共に、前記第1の嵌合穴15の位置に対応させた前記リブ23の位置に第2の嵌合穴28をそれぞれ穿孔し、
前記ベース板2または器具本体3の外側面に該ベース板2または器具本体3の横方向の略全長にわたって溝14を設け、
前記ベース板2の下面側に前記器具本体3を合わせた際に前後方向に連通した前記第1の嵌合穴15と第2の嵌合穴28に挿通し、両嵌合穴15、28より内方に突出する係合片46を有するバネ性の係合体40を前記溝14内に横方向にスライド自在に設けていることを特徴としている。
請求項2に記載のLED照明器具の取付・落下防止装置では、設置面に一面側がネジ止めされるベース板2と、このベース板2の他面側に装着されて発光ダイオードの光源を備えた器具本体3とで長尺物の照明器具本体1を構成し、
前記ベース板2の前後方向の両側に該ベース板2の横方向の略全長にわたって側板12をそれぞれ垂設すると共に、前記側板12の外側面に断面を略L型とした上下一対の突リブ13を一体的に突設し、
前記上下一対の突リブ13の内面と前記側板12の外側面とでベース板2の横方向の略全長にわたる溝14を構成し、
前記溝14に位置し、前記側板12の少なくとも両端に第1の嵌合穴15を穿孔し、
前記器具本体3の前後方向の両側に該器具本体3の横方向の略全長にわたってリブ23をそれぞれ設けると共に、前記第1の嵌合穴15の位置に対応させた前記リブ23の位置に第2の嵌合穴28をそれぞれ穿孔し、
前記両嵌合穴15、28に挿通して係合する係合片46を有するバネ性の係合体40を前記溝14内にスライド自在に装着し、
前記ベース板2の下面側であって前記器具本体3のリブ23を前記ベース板2の側板12の内側に合わせて前記係合体40をスライドさせることで、該係合体40の係合片46を前後方向に連通した前記両嵌合穴15、28より内方に突出させていることを特徴としている。
請求項3に記載のLED照明器具の取付・落下防止装置では、前記係合体(40)は略平板状のバネ体であり、係合体(40)のバネ撓み方向とは直交する方向で前記器具本体(3)を受けていることを特徴としている。
請求項4に記載のLED照明器具の取付・落下防止装置では、前記係合体40の係合片46は、前記照明器具本体1の前後方向に傾斜する傾斜片44を有していることを特徴としている。
請求項5に記載のLED照明器具の取付・落下防止装置では、前記係合体40の係合片46は、該係合体40を前記照明器具本体1の端部側にスライドさせた際に、前記嵌合穴15、28の内縁に当接して該係合体40のスライドを阻止するL型片45を有していることを特徴としている。
本発明の請求項1に記載のLED照明器具の取付・落下防止装置によれば、ベース板2の他面側に前記器具本体3を合わせた際に前後方向に連通した前記第1の嵌合穴15と第2の嵌合穴28に挿通し、両嵌合穴15、28より内方に突出する係合片46を有するバネ性の係合体40を前記溝14内に横方向にスライド自在に設けており、係合体40を溝14に沿ってスライドさせて該係合体40の係合片46を両嵌合穴15、28より内方に突出させることで、係合片46が嵌合穴15、28に係合する形となり、器具本体3をベース板2に確実に取り付けることができる。
また、係合片46が第2の嵌合穴28より内方に突出しているので、係合片46により器具本体3を支持している状態となり、器具本体3がベース板2から落下するのを確実に防止することができる。
さらに、設置面に取り付けたベース板2に対して、他面側から器具本体3を位置合わせをした後に、係合体40を溝14に沿って横方向にスライドさせるだけで、器具本体3をベース板2に簡単で確実に且つスムーズに取り付けることができる。
従来のように、カバー82をもケース本体81にネジ止めしているのとは異なり、単に係合体40をスライドさせるだけなので、照明器具本体1の設置工事をスムーズにでき、取り付けの作業性を大幅に向上させることができる。
しかも、照明器具本体1の取り付けが天井面の場合、高所作業の場合でも、スムーズに取り付けることができるので、安全性も向上させることができる。また、照明器具本体1を天井面や壁面に設置した後に、従来のように別途の部材を用いて器具本体3が落下しないようにするのではなく、係合体40の係合片46を第1の嵌合穴15と第2の嵌合穴28とに嵌め込むだけで、器具本体3の取り付けはもちろん、器具本体3がベース板2から落下するのを確実に防止することができる。
請求項2に記載のLED照明器具の取付・落下防止装置によれば、ベース板2の他面側であって前記器具本体3のリブ23を前記ベース板2の側板12の内側に合わせて前記係合体40をスライドさせることで、該係合体40の係合片46を前後方向に連通した前記両嵌合穴15、28より内方に突出させていることで、係合片46が嵌合穴15、28に係合する形となり、器具本体3をベース板2に確実に取り付けることができる。
また、係合片46が第2の嵌合穴28より内方に突出しているので、係合片46により器具本体3を支持している状態となり、器具本体3がベース板2から落下するのを確実に防止することができる。
さらに、例えば、設置面を天井面とした場合、該天井面に取り付けたベース板2に対して、下方から器具本体3を位置合わせをした後に、係合体40を溝14に沿って横方向にスライドさせるだけで、器具本体3をベース板2に簡単で確実に且つスムーズに取り付けることができる。
従来のように、カバー82をもケース本体81にネジ止めしているのとは異なり、単に係合体40をスライドさせるだけなので、照明器具本体1の設置工事をスムーズにでき、取り付けの作業性を大幅に向上させることができる。
しかも、照明器具本体1の取り付けを天井面とした場合、高所作業の場合でも、スムーズに取り付けることができるので、安全性も向上させることができる。また、照明器具本体1を天井面に設置した後に、従来のように別途の部材を用いて器具本体3が落下しないようにするのではなく、係合体40の係合片46を第1の嵌合穴15と第2の嵌合穴28とに嵌め込むだけで、器具本体3の取り付けはもちろん、器具本体3がベース板2から落下するのを確実に防止することができる。
請求項3に記載のLED照明器具の取付・落下防止装置によれば、係合体40は略平板状のバネ体であり、係合体40のバネ撓み方向とは直交する方向で前記器具本体3を受けるようにしているので、該係合片46が撓むことはなく、そのため、係合片46により器具本体3を支持することができる。そのため、器具本体3がベース板2から落下する恐れを100%回避することができる。
請求項4に記載のLED照明器具の取付・落下防止装置によれば、係合体40の係合片46は、前記照明器具本体1の前後方向に傾斜する傾斜片44を有しているので、係合体40を溝14内に装着する場合、係合体40の傾斜片44により嵌合穴15、28の端面を容易に乗り越えることができ、係合体40を溝14内に容易にスライド自在に装着することができる。
請求項5に記載のLED照明器具の取付・落下防止装置によれば、係合体40の係合片46は、該係合体40を前記照明器具本体1の端部側にスライドさせた際に、前記嵌合穴15、28の内縁に当接して該係合体40のスライドを阻止するL型片45を有しているので、係合体40を右方へスライドさせても、L型片45が嵌合穴15、28の内縁に当たって、係合体40をそれ以上スライドさせることができない。これにより、係合体40を溝14から容易に外すことはできないようになっている。
(a)(b)は本発明の実施の形態における照明器具本体の正面図及び側面図である。 (a)(b)は本発明の実施の形態における照明器具本体の平面図及び底面図である。 (a)(b)は本発明の実施の形態におけるベース板の平面図及び正面図である。 本発明の実施の形態における図3(a)のA方向から見た場合のベース板の拡大側面図である。 本発明の実施の形態におけるベース板の要部拡大斜視図である。 (a)(b)は本発明の実施の形態における器具本体の平面図及び正面図である。 本発明の実施の形態における図6(b)のB−B断面の拡大図である。 本発明の実施の形態における照明器具本体の両側の係合体の部分を示す要部拡大正面図である。 本発明の実施の形態における係合体の斜視図である。 (a)(b)は本発明の実施の形態における係合体の平面図及び正面図である。 本発明の実施の形態における係合体をベース板の溝に挿入する場合の説明図である。 (a)(b)は本発明の実施の形態における係合体をベース板の溝に挿入する場合の説明図である。 (a)(b)は本発明の実施の形態における係合体をベース板の溝に挿入する場合の説明図である。 (a)(b)は本発明の実施の形態における係合体をベース板の溝に挿入する場合の説明図である。 (a)(b)は本発明の実施の形態における係合体をベース板の溝に挿入する場合の説明図である。 (a)(b)は本発明の実施の形態における係合体をベース板の溝に挿入する場合の説明図である。 (a)(b)は本発明の実施の形態における係合体をベース板の溝に挿入して保持している状態を示す図である。 本発明の実施の形態における天井面に設置されたベース板に器具本体を装着する場合の説明図である。 本発明の実施の形態における天井面に設置されたベース板に器具本体を装着する場合の説明図である。 本発明の実施の形態における天井面に設置されたベース板に器具本体を装着する場合の説明図である。 本発明の実施の形態における天井面に設置されたベース板に器具本体を装着する場合の説明図である。 本発明の実施の形態における天井面に設置されたベース板に器具本体を装着する場合の説明図である。 (a)(b)は本発明の実施の形態における係合体をスライドさせて嵌合穴に係合する場合の説明図である。 (a)(b)は本発明の実施の形態における係合体をスライドさせて嵌合穴に係合する場合の説明図である。 (a)(b)は本発明の実施の形態における係合体をスライドさせて嵌合穴に係合する場合の説明図である。 (a)(b)は本発明の実施の形態における係合体をスライドさせて嵌合穴に係合する場合の説明図である。 本発明の実施の形態における図26(a)のC−C断面の拡大図である。 (a)(b)は本発明の実施の形態における係合体が溝から外れないことを示す説明図である。 本発明の実施の形態における係合体が溝から外れないことを示す説明図である。 本発明の実施の形態におけるベース板から器具本体を取り外す場合の説明図である。 本発明の実施の形態におけるベース板から器具本体を取り外す場合の説明図である。 本発明の実施の形態におけるベース板から器具本体を取り外す場合の説明図である。 従来例の照明器具本体の正面図である。 従来例の照明器具本体の分解図である。 (a)(b)は従来例の照明器具本体のケース本体の平面図及び側面図である。 (a)(b)は従来例の照明器具本体のソケット側の要部底面図及び要部断面図である。 (a)(b)は従来例の照明器具本体のカバーの平面図及び側面図である。 (a)(b)は従来例の照明器具本体の天井面への取り付けを示す説明図である。 従来例の照明器具本体の天井面への取り付けを示す説明図である。 従来例の照明器具本体の天井面への取り付けを示す説明図である。 従来例の照明器具本体の天井面への取り付けを示す説明図である。
以下、本発明の実施の形態を図面を参照して詳細に説明する。図1(a)は照明器具本体1の正面図を示し、図1(b)は照明器具本体1の側面図を示している。また、図2(a)は照明器具本体1の平面図を、図2(b)は照明器具本体1の底面図をそれぞれ示している。なお、本実施形態を説明している図面では照明器具本体1の電源コードは図示省略している。
照明器具本体1は長尺ものであり、横方向の寸法は従来例と同様に、例えば100cmであるが、図面では便宜上、横方向の寸法を圧縮して描いている。
本実施形態の照明器具本体1は、上部の天井面に取り付けるベース板2と、下部の発光ダイオードや該発光ダイオードを駆動点灯するための電源回路を納装している。器具本体3とで構成されている。
図3(a)はベース板2の平面図を示し、図3(b)はベース板2の正面図を示している。また、図4は図3(a)のA方向から見たベース板2の拡大側面図を示し、図5はベース板2の要部拡大斜視図を示している。
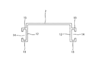
ベース板2は、金属製、例えばアルミ材からなり、押し出し成形により形成されている。図3〜図5に示すように、ベース板2は断面を略コ字型として下面及び両側の側面は開口されている。ベース板2の天板10の両側と中央部分には、該ベース板2を天井面に取り付けるためのネジ挿通用の取付穴11がそれぞれ穿孔されている。なお、この取付穴11の数は、照明器具本体1の横方向の寸法に応じて適宜設定されるものである。
ベース板2の両側の側板12の外側面には、断面を略L型として互いに先端部分を対向させた一対の突リブ13がベース板2の横方向の全長にわたってそれぞれ一体に形成されている。この上下一対の突リブ13の内面と、側板12の外側面とで、スライド用の溝14を形成している。
また、図3(b)に示すように、ベース板2の両側の側板12の両側には長孔状の第1の嵌合穴15がそれぞれ穿設されている。
図6(a)は器具本体3の平面図を、図6(b)は器具本体3の正面図を示しており、また、図7は図6(a)のB−B拡大断面図を示している。器具本体3は金属製、例えばアルミ材からなるケーシング20と、このケーシング20の下面開口部を閉塞する形で設けられている樹脂製のカバー21とで構成され、このケーシング20とカバー21とで器具本体3の外殻を構成している。
図6及び図7に示すように、上記ケーシング20の上面の両側には平板状のリブ23が該ケーシング20の長手方向の全長にわたって一体に立設してそれぞれ形成されている。また、ケーシング20の両側の縁部より断面を略円弧状とした袖片24が該ケーシング20の長手方向の全長にわたって一体に形成されている。
ケーシング20の下面には、該ケーシング20の長手方向の略全長にわたって多数の発光ダイオード(LED)25を直線状に実装したプリント基板26が配設されている。また、ケーシング20の上面には、上記発光ダイオード25を駆動点灯するための電源回路部27が配設されている。
また、ケーシング20の両側のリブ23の端部には長孔状の第2の嵌合穴28がそれぞれ穿孔されている。ここで、ベース板2の横方向の寸法と、ケーシング20の横方向の寸法とは同一に設定されていて、ケーシング20の4つの第2の嵌合穴28の位置は、ベース板2の4つの第1の嵌合穴15の位置と対応させている。そのため、ベース板2にケーシング20を下方から嵌めた場合には、各第1の嵌合穴15と第2の嵌合穴28とはほぼ完全にそれぞれ前後方向に連通した状態となる。
樹脂製で透光性のカバー21は、断面を略半円状に形成されており、両側の縁部より横リブ30が、該カバー21の長手方向の全長にわたって一体に形成されている。カバー21の横リブ30をケーシング20内に挿入し、カバー21の端部をケーシング20の端部から挿入していくことで、カバー21の横リブ30がケーシング20の袖片24の上面に載置されることで、カバー21がケーシング20に保持される。
また、ベース板2及び器具本体3の両側の端面は開口した状態となっているので、樹脂製のプレート31を配設している。このプレート31によりベース板2及び器具本体3の両側の開口面を閉塞している。
次に、上記ベース板2に器具本体3を取り付ける場合に、器具本体3をベース板2に簡単且つスムーズに取り付けることができ、しかも、器具本体3をベース板2に取り付けた後は、器具本体3がベース板2から脱落しないようにした構成について説明する。
図8は照明器具本体1の両側の部分を拡大した図面を示し、ベース板2の溝14には、図9及び図10に示す係合体40を溝14の長手方向にスライド自在に装着している。この係合体40は、金属製で全体がバネ体で形成されており、全体が平板状のバネ体を折曲形成したものである。そして、係合体40の中央片41の両側には切り込みを入れて該中央片41の一面側に折曲した押さえ片42が一体にそれぞれ形成されている。
これらの押さえ片42の先端は少し折曲され、その折曲部43の凸側が上記溝14を形成している側板12の外面に摺接するようにしている。
また、係合体40の一方側には中央片41より傾斜片44が一体に延設され、さらに傾斜片44より略L型としてL型片45が一体に延設されている。この傾斜片44とL型片45とで係合片46を構成している。
さらに、係合体40の他方側には中央片41より断面を略コ字型とした把持部47が一体に延設形成されている。なお、係合体40の幅寸法は、ベース板2の溝14の幅寸法よりは若干短くしている。
次に、図11に示すように、係合体40をベース板2の溝14に装着する場合について説明する。図11及び図12に示すように、係合体40の把持部47を外側にして係合体40を溝14内に挿入していく。
図13に示すように、係合体40の一方側の両押さえ片42、42が溝14の突リブ13の内側に入っていき、他方側の押さえ片42が溝14内に挿入されると、押さえ片42のバネ性の復帰力にて係合体40は溝14内で保持される状態となる。
図14に示すように、係合体40をさらに溝14内で内側(図では左方)にスライドさせていくと、係合体40の係合片46が溝14内に入っていく。係合片46が溝14内に入ると、溝14の面(側板12の外側面)により係合片46は外側に付勢され、中央片41と傾斜片44とが開拡する。
係合体40を溝14内でそのまま挿入していくと、図15に示すように、係合片46がベース板2の第1の嵌合穴15に嵌まり込む。係合片46が第1の嵌合穴15に嵌まり込むと、係合片46は復帰力により元の形状に復帰する。
さらに、係合体40を溝14内で内側にスライドさせていくと、図16に示すように、係合体40の傾斜片44が第1の嵌合穴15の縁部に接触していく。係合体40をさらにスライドさせると、傾斜片44は傾斜していることとバネ性とで係合片46は第1の嵌合穴15の縁部を乗り上げ、さらに係合体40をスライドさせると、係合片46は図17に示すように、第1の嵌合穴15から離れて溝14内に位置して、係合体40が溝14内に保持された状態となる。
この図17に示す状態が、照明器具本体1を天井面に設置する前のベース板2の溝14に係合体40を装着した状態である。
次に、照明器具本体1の天井面への取り付けについて説明する。先ず、ベース板2を天井面の所定の位置に合わせ、その状態でネジをベース板2の取付穴11を介して天井面に螺着する。これで、ベース板2を天井面に取り付けた状態となる。
次に、図18〜図20に示すように、天井面に取り付けられているベース板2の下方から、ケーシング20にカバー21を装着した器具本体3を持ち上げて、器具本体3の両側の突リブ13がベース板2の両側の側板12内に入るように挿入する。
図21及び図22に示すように、器具本体3をベース板2の下面側に挿入して、器具本体3とベース板2との横方向の位置を合わせることで、ベース板2の第1の嵌合穴15と、器具本体3の第2の嵌合穴28との位置が重なる。この状態を図22及び図23に示す。
次に、図23に示すように、係合体40の把持部47を持ち、あるいは把持部47を指で外側(図23の右方)に押していく。そして、図24に示すように、係合体40を外側に溝14内でスライドさせていくと、図25に示すように、係合体40の係合片46がベース板2の第1の嵌合穴15に入っていく。
さらに係合体40をスライドさせていくと、図26に示すように、係合体40の係合片46は、ベース板2の第1の嵌合穴15と器具本体3の第2の嵌合穴28とに弾性復帰して嵌まり込む。図27は図26(a)のC−C断面を示している。
図26及び図27に示すように、係合体40の係合片46が第1の嵌合穴15と第2の嵌合穴28とに嵌まり込み、係合片46が器具本体3のリブ23より内側に突出した状態となる。
このように、ベース板2の溝14に装着した係合体40の係合片46が第1の嵌合穴15より突出して係合片46の上端面にて第2の嵌合穴28の上側の内面を支持する形で係合することで、器具本体3をベース板2に確実且つ強固に取り付けることができる。また、係合体40は押さえ片42により溝14内で保持されているので、自然にスライドすることはなく、係合片46が第1の嵌合穴15と第2の嵌合穴28から脱落することはない。
特に、係合体40の係合片46は図26(b)及び図27に示すように、器具本体3の第2の嵌合穴28より内方に突出して、係合体40のバネ撓み方向とは直交する方向で係合片46により器具本体3を受けているので、該係合片46が撓むことはなく、そのため、係合片46により器具本体3を支持することができる。そのため、器具本体3がベース板2から落下する恐れを100%回避することができる。
このように、本実施形態では、天井面に取り付けたベース板2に対して、下方から器具本体3を位置合わせをした後に、係合体40を溝14に沿って横方向にスライドさせるだけで、器具本体3をベース板2に簡単で確実に且つスムーズに取り付けることができる。
従来のように、カバー82をもケース本体81にネジ止めしているのとは異なり、単に係合体40をスライドさせるだけなので、照明器具本体1の設置工事をスムーズにでき、取り付けの作業性を大幅に向上させることができる。
しかも、照明器具本体1の取り付けは天井面であり、高所作業の場合でも、スムーズに取り付けることができるので、安全性も向上させることができる。また、照明器具本体1を天井面に設置した後に、従来のように別途の部材を用いて器具本体3が落下しないようにするのではなく、係合体40の係合片46を第1の嵌合穴15と第2の嵌合穴28とに嵌め込むだけで、器具本体3の取り付けはもちろん、器具本体3がベース板2から落下するのを確実に防止することができる。
次に、図26の状態から係合体40をさらに右方へスライドさせた場合について説明する。図26の状態から係合体40を右方へスライドさせていくと、図28及び図29に示すように、係合片46のL型片45の両側の端縁が第1の嵌合穴15と第2の嵌合穴28の内縁に当接してそれ以上係合体40をスライドさせることができない状態となる。
すなわち、係合体40の係合片46のL型片45の先部が立設した状態であり、L型片45の先端面が両嵌合穴15、28の内縁と対向した状態となり、係合体40を右方へスライドさせても、L型片45の端縁が嵌合穴15、28の内縁に当たって、係合体40をそれ以上スライドさせることができない。これにより、係合体40を溝14から容易に外すことはできないようになっている。
なお、嵌合穴15、28の縁部は、円弧状の場合としていたが、嵌合穴15、28の形状を長方形状とした場合は、係合片46の先端面が嵌合穴15、28の内縁に当接して、上記と同様にそれ以上スライドさせることは困難である。
なお、ベース板2の溝14に係合体40を最初に挿入する場合は、係合体40に傾斜片44を設けているので、嵌合穴15に入った後も、該傾斜片44にて嵌合穴15の内縁を容易に乗り越えることができる。
次に、照明器具本体1を天井面に設置した後に、故障などの何らかの原因で器具本体3をベース板2から取り外す場合について説明する。図30に示すように、係合体40の係合片46が嵌合穴15、28に嵌まり込んで係合している状態において、係合体40を図中の左方にスライドさせていく。
係合体40を左方にスライドさせていくと、図31に示すように、係合体40の傾斜片44が嵌合穴15の内縁に当たるが、傾斜片44としているので、係合体40は嵌合穴15から容易に乗り越えることができる。
さらに、図32に示すように、係合体40を左方へスライドさせていくと、係合片46は嵌合穴15から完全に乗り越えて、溝14内に位置する。これにより、係合体40の係合片46は嵌合穴15、28から完全に移動させることができるので、器具本体3をそのまま下方へずらすことで、器具本体3をベース板2から容易に取り外すことができる。
なお、上記実施形態では、係合体40の係合片46と係合する嵌合穴15、28の数を照明器具本体1の両側の2カ所として説明していたが、照明器具本体1の横方向の寸法等に応じて2カ所以上設けても良い。
また、ベース板2の第1の嵌合穴15と、器具本体3の第2の嵌合穴28とが前後方向に完全に一致していなくても、係合体40の係合片46が挿通される大きさで嵌合穴15、28が連通する形状でも良い。つまり、嵌合穴15、28の横方向の位置が多少ずれていても良い。
また、上記実施形態では、係合体40をスライドさせる溝14をベース板2に形成していたが、ベース板2には第1の嵌合穴15だけを穿孔し、器具本体3のケーシング20の外側面に係合体40をスライドさせる溝14を形成するようにしても良い。
この場合、ケーシング20のリブ23がベース板2の側板12の外側になるようにし、リブ23の外側面に突リブ13にて溝14を形成する。
また、照明器具本体1の設置面を天井面として説明したが、天井面に限られるものではない。例えば、照明器具本体1を壁面に設置したり、また、照明器具本体1を間接照明として用いる場合では、ベース板2を下側にし、ベース板2の上面に器具本体3を嵌合し、器具本体3からの光を天井面にて下方へと反射させるようにして用いるようにしても良い。
1 照明器具本体
2 ベース板
3 器具本体
12 側板
13 突リブ
14 溝
15 第1の嵌合穴
20 ケーシング
21 カバー
23 リブ
25 発光ダイオード
28 第2の嵌合穴
40 係合体
42 押さえ片
44 傾斜片
45 L型片
46 係合片
47 把持部

Claims (5)

  1. 設置面に一面側がネジ止めされるベース板(2)と、このベース板(2)の他面側に装着されて発光ダイオードの光源を備えた器具本体(3)とで長尺物の照明器具本体(1)を構成し、
    前記ベース板(2)の前後方向の両側に該ベース板(2)の横方向の略全長にわたって側板(12)をそれぞれ設けると共に、前記側板(12)の少なくとも両端に第1の嵌合穴(15)を穿孔し、
    前記器具本体(3)の前後方向の両側に該器具本体(3)の横方向の略全長にわたってリブ(23)をそれぞれ設けると共に、前記第1の嵌合穴(15)の位置に対応させた前記リブ(23)の位置に第2の嵌合穴(28)をそれぞれ穿孔し、
    前記ベース板(2)または器具本体(3)の外側面に該ベース板(2)または器具本体(3)の横方向の略全長にわたって溝(14)を設け、
    前記ベース板(2)の下面側に前記器具本体(3)を合わせた際に前後方向に連通した前記第1の嵌合穴(15)と第2の嵌合穴(28)に挿通し、両嵌合穴(15)(28)より内方に突出する係合片(46)を有するバネ性の係合体(40)を前記溝(14)内に横方向にスライド自在に設けている
    ことを特徴とするLED照明器具の取付・落下防止装置。
  2. 設置面に一面側がネジ止めされるベース板(2)と、このベース板(2)の他面側に装着されて発光ダイオードの光源を備えた器具本体(3)とで長尺物の照明器具本体(1)を構成し、
    前記ベース板(2)の前後方向の両側に該ベース板(2)の横方向の略全長にわたって側板(12)をそれぞれ垂設すると共に、前記側板(12)の外側面に断面を略L型とした上下一対の突リブ(13)を一体的に突設し、
    前記上下一対の突リブ(13)の内面と前記側板(12)の外側面とでベース板(2)の横方向の略全長にわたる溝(14)を構成し、
    前記溝(14)に位置し、前記側板(12)の少なくとも両端に第1の嵌合穴(15)を穿孔し、
    前記器具本体(3)の前後方向の両側に該器具本体(3)の横方向の略全長にわたってリブ(23)をそれぞれ設けると共に、前記第1の嵌合穴(15)の位置に対応させた前記リブ(23)の位置に第2の嵌合穴(28)をそれぞれ穿孔し、
    前記両嵌合穴(15)(28)に挿通して係合する係合片(46)を有するバネ性の係合体(40)を前記溝(14)内にスライド自在に装着し、
    前記ベース板(2)の下面側であって前記器具本体(3)のリブ(23)を前記ベース板(2)の側板(12)の内側に合わせて前記係合体(40)をスライドさせることで、該係合体(40)の係合片(46)を前後方向に連通した前記両嵌合穴(15)(28)より内方に突出させている
    ことを特徴とするLED照明器具の取付・落下防止装置。
  3. 前記係合体(40)は略平板状のバネ体であり、係合体(40)のバネ撓み方向とは直交する方向で前記器具本体(3)を受けていることを特徴とする請求項1または請求項2に記載のLED照明器具の取付・落下防止装置。
  4. 前記係合体(40)の係合片(46)は、前記照明器具本体(1)の前後方向に傾斜する傾斜片(44)を有していることを特徴とする請求項1〜請求項3のいずれかに記載のLED照明器具の取付・落下防止装置。
  5. 前記係合体(40)の係合片(46)は、該係合体(40)を前記照明器具本体(1)の端部側にスライドさせた際に、前記嵌合穴(15)(28)の内縁に当接して該係合体(40)のスライドを阻止するL型片(45)を有していることを特徴とする請求項1〜請求項4のいずれかに記載のLED照明器具の取付・落下防止装置。
JP2012233366A 2012-10-23 2012-10-23 Led照明器具の取付・落下防止装置 Expired - Fee Related JP6004476B2 (ja)

Priority Applications (1)

Application Number Priority Date Filing Date Title
JP2012233366A JP6004476B2 (ja) 2012-10-23 2012-10-23 Led照明器具の取付・落下防止装置

Applications Claiming Priority (1)

Application Number Priority Date Filing Date Title
JP2012233366A JP6004476B2 (ja) 2012-10-23 2012-10-23 Led照明器具の取付・落下防止装置

Publications (2)

Publication Number Publication Date
JP2014086233A true JP2014086233A (ja) 2014-05-12
JP6004476B2 JP6004476B2 (ja) 2016-10-12

Family

ID=50789112

Family Applications (1)

Application Number Title Priority Date Filing Date
JP2012233366A Expired - Fee Related JP6004476B2 (ja) 2012-10-23 2012-10-23 Led照明器具の取付・落下防止装置

Country Status (1)

Country Link
JP (1) JP6004476B2 (ja)

Cited By (4)

* Cited by examiner, † Cited by third party
Publication number Priority date Publication date Assignee Title
JP2016213077A (ja) * 2015-05-11 2016-12-15 株式会社新陽社 分離型のled照明器具の接続構造
JP2016212994A (ja) * 2015-04-30 2016-12-15 コイズミ照明株式会社 照明器具
JP2018077997A (ja) * 2016-11-08 2018-05-17 パナソニックIpマネジメント株式会社 照明装置
JP2019149294A (ja) * 2018-02-27 2019-09-05 三菱電機株式会社 照明器具

Citations (4)

* Cited by examiner, † Cited by third party
Publication number Priority date Publication date Assignee Title
JPH0636120U (ja) * 1992-10-20 1994-05-13 松下電工株式会社 埋込型照明器具の枠取付装置
JP2002075043A (ja) * 2000-09-04 2002-03-15 Toshiba Lighting & Technology Corp 照明器具
JP2012003993A (ja) * 2010-06-17 2012-01-05 Toshiba Lighting & Technology Corp 照明器具
WO2012056856A1 (ja) * 2010-10-25 2012-05-03 シャープ株式会社 照明装置

Patent Citations (4)

* Cited by examiner, † Cited by third party
Publication number Priority date Publication date Assignee Title
JPH0636120U (ja) * 1992-10-20 1994-05-13 松下電工株式会社 埋込型照明器具の枠取付装置
JP2002075043A (ja) * 2000-09-04 2002-03-15 Toshiba Lighting & Technology Corp 照明器具
JP2012003993A (ja) * 2010-06-17 2012-01-05 Toshiba Lighting & Technology Corp 照明器具
WO2012056856A1 (ja) * 2010-10-25 2012-05-03 シャープ株式会社 照明装置

Cited By (5)

* Cited by examiner, † Cited by third party
Publication number Priority date Publication date Assignee Title
JP2016212994A (ja) * 2015-04-30 2016-12-15 コイズミ照明株式会社 照明器具
JP2016213077A (ja) * 2015-05-11 2016-12-15 株式会社新陽社 分離型のled照明器具の接続構造
JP2018077997A (ja) * 2016-11-08 2018-05-17 パナソニックIpマネジメント株式会社 照明装置
JP2019149294A (ja) * 2018-02-27 2019-09-05 三菱電機株式会社 照明器具
JP7065641B2 (ja) 2018-02-27 2022-05-12 三菱電機株式会社 照明器具

Also Published As

Publication number Publication date
JP6004476B2 (ja) 2016-10-12

Similar Documents

Publication Publication Date Title
JP5885985B2 (ja) 照明装置
KR101420351B1 (ko) 조명기구의 감전 방지장치
JP6004476B2 (ja) Led照明器具の取付・落下防止装置
JP2017050124A (ja) Led照明器具
CN105135296A (zh) 快装吸顶灯
JP5938200B2 (ja) 直管形発光源内装ランプ、直管形発光源内装ランプ用ソケット、および照明装置
JP2012230864A (ja) ソケット対及びそのソケット対を備えた照明器具
JP2016149208A (ja) 口金、直管形ledランプ及び照明装置
KR101748681B1 (ko) 조명등 천장 결합장치
KR101853187B1 (ko) 라인 타입 조명장치
JP6279333B2 (ja) 照明用ユニット
JP5030294B2 (ja) 照明器具
KR101783106B1 (ko) 조명등 장착장치
KR101796981B1 (ko) 매립형 등기구의 안정기 조립구조
KR101633555B1 (ko) 엘이디 모듈을 이용한 조명등의 다방향 설치가 가능한 구조를 갖는 전원공급 램프 베이스
CN110906218B (zh) 一种吸顶灯
JP2019106257A (ja) 照明器具
KR101063313B1 (ko) 엘이디 조명장치
KR20190035200A (ko) 조명유닛
JP2017079204A (ja) 照明装置、照明装置の配置構造、及び発光ユニット
JP5219257B2 (ja) 照明装置
JP2020167119A (ja) 照明装置
CN203375215U (zh) 照明装置
KR100920799B1 (ko) 매입등용 케이스
KR101621417B1 (ko) 엘이디 조명장치

Legal Events

Date Code Title Description
A621 Written request for application examination

Free format text: JAPANESE INTERMEDIATE CODE: A621

Effective date: 20151020

A977 Report on retrieval

Free format text: JAPANESE INTERMEDIATE CODE: A971007

Effective date: 20160819

TRDD Decision of grant or rejection written
A01 Written decision to grant a patent or to grant a registration (utility model)

Free format text: JAPANESE INTERMEDIATE CODE: A01

Effective date: 20160831

A61 First payment of annual fees (during grant procedure)

Free format text: JAPANESE INTERMEDIATE CODE: A61

Effective date: 20160901

R150 Certificate of patent or registration of utility model

Ref document number: 6004476

Country of ref document: JP

Free format text: JAPANESE INTERMEDIATE CODE: R150

RD03 Notification of appointment of power of attorney

Free format text: JAPANESE INTERMEDIATE CODE: R3D03

R250 Receipt of annual fees

Free format text: JAPANESE INTERMEDIATE CODE: R250

R250 Receipt of annual fees

Free format text: JAPANESE INTERMEDIATE CODE: R250

LAPS Cancellation because of no payment of annual fees