JP2012143088A - モータ - Google Patents

モータ Download PDF

Info

Publication number
JP2012143088A
JP2012143088A JP2011000177A JP2011000177A JP2012143088A JP 2012143088 A JP2012143088 A JP 2012143088A JP 2011000177 A JP2011000177 A JP 2011000177A JP 2011000177 A JP2011000177 A JP 2011000177A JP 2012143088 A JP2012143088 A JP 2012143088A
Authority
JP
Japan
Prior art keywords
magnetic pole
core
magnet
rotor
opening angle
Prior art date
Legal status (The legal status is an assumption and is not a legal conclusion. Google has not performed a legal analysis and makes no representation as to the accuracy of the status listed.)
Granted
Application number
JP2011000177A
Other languages
English (en)
Other versions
JP5687072B2 (ja
Inventor
Yusuke Tateishi
祐介 立石
Keisuke Koide
圭祐 小出
Current Assignee (The listed assignees may be inaccurate. Google has not performed a legal analysis and makes no representation or warranty as to the accuracy of the list.)
Asmo Co Ltd
Original Assignee
Asmo Co Ltd
Priority date (The priority date is an assumption and is not a legal conclusion. Google has not performed a legal analysis and makes no representation as to the accuracy of the date listed.)
Filing date
Publication date
Application filed by Asmo Co Ltd filed Critical Asmo Co Ltd
Priority to JP2011000177A priority Critical patent/JP5687072B2/ja
Priority to US13/335,000 priority patent/US8916999B2/en
Priority to CN201110462000.XA priority patent/CN102593976B/zh
Publication of JP2012143088A publication Critical patent/JP2012143088A/ja
Application granted granted Critical
Publication of JP5687072B2 publication Critical patent/JP5687072B2/ja
Expired - Fee Related legal-status Critical Current
Anticipated expiration legal-status Critical

Links

Images

Landscapes

  • Permanent Field Magnets Of Synchronous Machinery (AREA)

Abstract

【課題】コギングトルクを抑えてより回転性能を向上させることが可能なモータを提供する。
【解決手段】ロータ12は、ロータコア32の周方向に一方の磁極のマグネット33が複数配置されるとともに、ロータコア32に一体形成されたコア磁極部35が各マグネット33間に空隙Xを以て配置され、コア磁極部35を他方の磁極として機能するように構成されて2×p極(但しpは極対数)の磁極を有する。ロータ12は、マグネット33(マグネット磁極部34)とコア磁極部35との開角度θm,θgが互いに異なるように構成される。
【選択図】図1

Description

本発明は、コンシクエントポール型構造を採用したロータを有するモータに関するものである。
従来、モータにおいて、例えば特許文献1にて示されているように、ロータコアの周方向に一方の磁極のマグネットが複数配置され、該コアに一体形成されたコア磁極部が各マグネット間に配置され、該コア磁極部を他方の磁極として機能させる所謂コンシクエントポール型構造のロータを有するものが知られている。このようなモータでは、性能の低下を小さく抑えつつもロータのマグネットを半数に減らすことが可能となるため、省資源化や低コスト化等の点で有利である。
特開平9−327139号公報
ところで、特許文献1のようなコンシクエントポール型構造のロータは、磁束の強制力(誘導)のあるマグネットと、磁束の強制力のないコア磁極部とが混在する磁極にて構成されているため、磁気的にアンバランスが生じ易く、このことが例えばコギングトルクの発生による振動増加等の回転性能の悪化に繋がっている。
本発明は、上記課題を解決するためになされたものであって、その目的は、コギングトルクを抑えてより回転性能を向上させることが可能なモータを提供することにある。
上記課題を解決するために、請求項1に記載の発明は、ロータコアの周方向に一方の磁極のマグネットが複数配置されるとともに、前記ロータコアに一体形成されたコア磁極部が各マグネット間に空隙を以て配置され、前記コア磁極部を他方の磁極として機能するように構成されて2×p極(但しpは極対数)の磁極を有するロータと、周方向等間隔に複数設けられるとともに前記ロータと径方向に対向して2×p×m×n個(但しmはステータ巻線の相数、nは自然数)のティースを有するコアと前記ティースに装着された多相の巻線とを有するステータとを備えたモータであって、前記ロータは、前記マグネットと前記コア磁極部との開角度が互いに異なるように構成されたことをその要旨とする。
この発明では、ロータは、マグネットとコア磁極部との開角度が互いに異なるように構成される。ここで、本発明のロータはコンシクエントポール(ハーフマグネット)型構造のロータであるため、全周に亘ってマグネットを配置したフルマグネット型構造のロータと比較してマグネットの個数を減らすことが可能となる。このため、本発明のロータは、比較的形状変更が容易なロータコアと一体形成されたコア磁極部の開角度の変更などの形状変更を行うことで、各磁極部で発生し得るコギングトルクがずれるため、それらの合成コギングトルクを抑えることが可能となる。
請求項2に記載の発明は、請求項1に記載のモータにおいて、前記マグネットの開角度θm及び前記コア磁極部の開角度θgを、θm=360/2pmn×(a+1)−(θt/2)×2、θg=θm−(360/2pmn−θt)×2、となるように設定したことをその要旨とする。
この発明では、マグネットの開角度θm及び前記コア磁極部の開角度θgを、θm=360/2pmn×(a+1)−(θt/2)×2、θg=θm−(360/2pmn−θt)×2、となるように設定する。このような構成とすることで、図3に示すように、各磁極部で発生し得るコギングトルクがずれて、モータ全体としての合成コギングトルクを抑えることができる。
請求項3に記載の発明は、請求項1に記載のモータにおいて、前記マグネットが径方向に対向するティースの個数をaとして前記ティースの開角度をθtとした場合に、前記マグネットの開角度θm及び前記コア磁極部の開角度θgを、θm=360/2pmn×(a+1)−(θt/2)×2、θg=θm−(360/2pmn―θt)×2×b(但し、0<b<1を満たす)、となるように設定したことをその要旨とする。
この発明では、コア磁極部の開角度θgを、θg=θm−(360/2pmn―θt)×2×b(但し、0<b<1を満たす)、となるように設定する。このような構成とすることで、例えばロータコアのコア磁極部の外径(径方向長さ)をマグネット磁極部の外径(径方向長さ)を小さくすることに対応することができる。このため、コア磁極部の外径をマグネット磁極部の外径と同じとした場合と比較して、振動に繋がるラジアル方向(径方向)への加振力を抑えることができるとともに、各磁極部のパーミアンスのバランスを整えることが可能となる。
請求項4に記載の発明は、請求項1に記載のモータにおいて、前記マグネットの周方向両端位置と前記コア磁極部の周方向両端位置が対向する前記ティースの周方向位置に対して周方向に相対的にずれるよう設定されたことをその要旨とする。
この発明では、マグネットの周方向両端位置とコア磁極部の周方向両端位置が対向するティースに対して周方向に相対的にずれるように設定されるため、マグネット及びコア磁極部が同期せず、合成コギングトルクを抑えることができる。
請求項5に記載の発明は、請求項1に記載のモータにおいて、前記マグネットの周方向両端位置と前記コア磁極部の周方向両端位置が対向する前記ティース間の間隙に対して周方向に相対的にずれるように設定されたことをその要旨とする。
この発明では、マグネットの周方向両端位置とコア磁極部の周方向両端位置が対向するティース間の間隙に対して周方向に相対的にずれるように設定されるため、マグネット及びコア磁極部が同期せず、合成コギングトルクを抑えることができる。
請求項6に記載の発明は、請求項1〜5のいずれか一項に記載のモータにおいて、前記ロータコアに設けられる前記マグネット及び前記コア磁極部と、前記ロータコアを固定する固定部材との間にロータコア材より比重及び磁性が小さい小磁性軽量部分が形成されたことをその要旨とする。
この発明では、ロータコアに設けられるマグネット及びコア磁極部と、ロータコアを固定する固定部材との間に形成される小磁性軽量部分がロータコア材より比重が小さいことからモータの重量を軽量化でき、これに伴い機動性を向上させることができる。また、前記小磁性軽量部分はロータコア材より磁性が小さいことから、磁極の磁束が磁極から遠ざかる方向である固定部材側に流れ難くなり、磁気変動を抑えてよりコギングトルクを低減させることができる。これとともに、ロータコア内に発生する渦電流が抑制され高効率(高出力)のモータを提供することができる。しかも、高出力化により出力当たりのモータの大きさを小型化することができる。
請求項7に記載の発明は、請求項6に記載のモータにおいて、前記小磁性軽量部分は前記コア磁極部の背部に形成された複数の空隙であり、該空隙の周方向の開角度は前記コア磁極部の開角度より大きくなるように構成されたことをその要旨とする。
この発明では、小磁性軽量部分は前記コア磁極部の背部に形成された複数の空隙であり、該空隙の周方向の開角度は前記コア磁極部の開角度より大きくなるように構成される。このように、空隙の周方向の開角度をコア磁極部の開角度より大きくなるように設定することで、周方向に配置される空隙間のロータコア材の周方向幅を極力狭めることができる。これにより、ロータコアを固定する固定部材側にマグネットからの磁束が流れにくくなり、好適にコア磁極部側に磁束を集中させることができる。この結果、ロータの周方向に交互に形成されるマグネット及びコア磁極部の磁気バランスが向上し、コギングトルクの低減、低騒音化、低振動化、高出力化につながる。しかも、高出力化により出力当たりのモータの大きさを小型化することができる。
請求項8に記載の発明は、請求項1〜7のいずれか一項に記載のモータにおいて、前記ロータコアは、ロータコア材を複数積層して構成されることその要旨とする。
この発明では、ロータコアは、ロータコア材を複数積層して構成されるため、ロータコアが一体物である場合と比べて軸方向への磁気抵抗が高くなりコギングトルクを抑えることができる。これに加えて、ロータコア内に発生する渦電流が抑制されて効率的(高出力)なモータを提供することができる。
従って、上記記載の発明によれば、コギングトルクを抑えてより回転性能を向上させることが可能なモータを提供することができる。
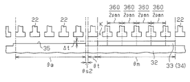
(a)は本実施形態におけるモータの概略構成図であり、(b)はモータの一部を示す平面図である。 同上におけるティースと各磁極との関係を説明するための模式図である。 同上におけるコギングトルクについて説明するための特性図である。 別例におけるティースと各磁極部との関係を説明するための模式図である。 別例におけるモータの概略構成図である。 別例におけるモータの一部を示す平面図である。 別例におけるティースと各磁極部との関係を説明するための模式図である。 別例におけるティースと各磁極部との関係を説明するための模式図である。 別例におけるロータの斜視図である。 別例におけるロータの平面図である。
以下、本発明を具体化した一実施形態を図面に従って説明する。
図1(a)に示すように、本実施形態のモータ10は、略円環状のステータ11の内側にロータ12が配置されて構成されている。
ステータ11は、図1(a)に示すように、円筒部21とこの円筒部21から径方向内側に延びて周方向に複数(本実施形態では60個)設けられるティース22とを有するステータコア13を備える。なお、ステータコア13は、透磁率の高い金属性の板状部材よりなる積層部材が軸方向に積層されて構成されている。ステータコア13の各ティース22間には、ロータ12を回転させる磁界を発生させるためのセグメント巻線23が挿入されるスロットが形成されている。スロットは、軸方向から見て断面が径方向に沿った長方形であり、スロットの個数は、ティース22の個数と同数(本実施形態では60個)となっている。なお、ティース22とセグメント巻線23との間には、図示しないインシュレータが介在されている。
ステータ11のセグメント巻線23は、断面略四角形状であり、多相(本実施形態では3相)の分布巻とされている。セグメント巻線23は、ティース22間のスロットを軸方向(紙面直交方向)に貫通するスロット内に配置されるスロット挿入部24と、スロットから軸方向に突出するスロット突出部(図示略)とを有する複数のセグメント導体25を相毎に有している。そして、その相毎のセグメント導体25は、径方向に隣り合うスロット突出部同士にて溶着により電気的に接続されて周方向に連続する導線として構成される。なお、各セグメント導体25は、導体板が折り曲げ加工されてなり、略U字状に形成されており、U字の平行直線部に相当する一対のスロット挿入部24は、周方向に複数(例えば6個)のティース22を跨いで離間した2つのスロット内にそれぞれ配置されている。
ロータ12は、回転軸31の外周面に磁性金属材料よりなる略円環状のロータコア32が固着されており、このロータコア32の外周部の周方向等間隔に外周側がN極のマグネット33が複数個(本実施形態では5個)配置されてマグネット磁極部34が形成されている。マグネット磁極部34を構成するマグネット33は、ロータ12の軸方向から見て長手方向が径方向の直交方向に沿って配置されている。なお、外周側がS極のマグネットとしてもよい。
各マグネット磁極部34間には、ロータコア32に一体形成されたコア磁極部35がそれぞれマグネット磁極部34との各境界部に軸方向から見て一定面積の空隙Xを以て配置されている。
そして、各マグネット33(マグネット磁極部34)及びコア磁極部35は略等角度間隔に交互に配置(この場合、マグネット33(マグネット磁極部34)とコア磁極部35とが180°反対位置に配置)される。ロータ12は、径方向外側がN極のマグネット33(マグネット磁極部34)に対してコア磁極部35をS極として機能させる10極の所謂コンシクエントポール型にて構成されている。なお、ロータ12の極対数はマグネット33と同数であり、本実施形態では極対数「5」となっている。なお、セグメント導体25がティース22を跨ぐ本数は、(スロット数/磁極数)により決定されるようになっている。
なお、本実施形態のステータ11は、ロータ12のマグネット33(マグネット磁極部34)の個数(=極対数)を「p」(但しpは2以上の整数)、セグメント巻線23の相数を「m」として、ティース22の個数「L」が、「L=2×p×m×n(個)」(但し「n」は自然数)となるように構成されている。そして、本実施形態では、この数式に基づいて、ティース22の個数「L」は、L=2×5(マグネット23の個数)×3(相数)×2=60(個)に設定されている。
ロータ12のマグネット33は、湾曲形状をなす外側面33aと平坦な内側面33bとを有する略四角柱状に形成されている。マグネット33の外側面33aは、軸線Cを中心とする円弧状をなし、ティース22の先端部22a(径方向において内側部位)と径方向に対向している。マグネット33は、その内側面33bがロータコア32の隣接するコア磁極部35間に設けた固着面に固着され、隣接のコア磁極部35との間には周方向の空隙Xが設けられている。なお、マグネット33は、そのそれぞれの外側面33aが同一円周上に位置するように構成されている。
コア磁極部35は、略扇状に径方向外側に突出する形状をなしており、湾曲形状をなす外側面を有している。
このような本実施形態のモータ10は、ロータコア32のコア磁極部35を磁極として機能するように構成された所謂コンシクエントポール型構造のロータ12と、複数のセグメント導体25からなるセグメント巻線23を有するステータ11とから構成されている。セグメント巻線23は、従来技術のような連続線をティースに巻回して構成される巻線と比較して占積率を高く構成できるため、高出力化が可能となっている。このため、ロータ12をコンシクエントポール型とすることで、マグネット33の個数を少なく抑えて省資源化や低コスト化等に貢献しつつも、ステータ11の巻線をセグメント巻線とすることで高出力化が可能となっている。
次に、本実施形態のモータ10の特徴部位である各磁極部34,35の開角度について詳細に説明する。
図1(b)及び図2に示すように、コア磁極部35の軸線Cを中心とする開角度θgは、マグネット磁極部34の軸線Cを中心とする開角度θmと異なる角度に設定されている。
具体的には、マグネットが径方向に対向するティースの個数をaとして前記ティースの開角度をθtとした場合に、マグネット磁極部34の開角度θmを下記式のように
θm=360/2pmn×(a+1)−(θt/2)×2・・・(1)
と設定する。
そして、コア磁極部35の開角度θgを下記式のように
θg=θm−(360/2pmn−θt)×2・・・(2)
と設定する。
そして、本実施形態では、マグネット33(マグネット磁極部34)が常時少なくとも5つのティース22と対向するため、上記式(1)の右辺が「360/2pmn×(5+1)−(θt/2)×2」となる。ここで、「360/2pmn」は、ティース22の開角度θtと、隣接する2つのティース22間(間隙K)の周方向における軸線Cを中心とする開角度θs1とを足し合わせた角度である。このため、図2に示すように6つのティース22の開角度θtと6つの開角度θs1からθt×2だけ差し引いた分の角度が前記開角度θmとなる。一方、前記開角度θmと比較してθs1×2だけ小さくなる角度がコア磁極部35の開角度θgとなる。この結果、マグネット33(マグネット磁極部34)の周方向両端位置とコア磁極部35の周方向両端位置が対向するティース22に対して周方向に相対的にずれる。更に、マグネット33(マグネット磁極部34)の周方向両端位置とコア磁極部35の周方向両端位置が対向するティース22間の間隙K(図2参照)に対して周方向に相対的にずれるように設定される。
上述の各式を用いて各磁極部34,35の開角度θm,θgを設定して各磁極部34,35の開角度θm,θgを異なるようにすることで、図3に示すように各磁極部34,35で発生し得るコギングトルクがずれるため、それらの合成コギングトルクを抑えることが可能となっている。このように本実施形態では、ロータ12の回転時の振動に繋がる合成コギングトルクが抑えられてロータ12の回転性能の向上が図られている。
次に、本実施形態の特徴的な効果を記載する。
(1)ロータ12は、マグネット33(マグネット磁極部34)とコア磁極部35との開角度θm,θgが互いに異なるように構成される。ここで、ロータ12はコンシクエントポール(ハーフマグネット)型構造のロータであるため、全周に亘ってマグネットを配置したフルマグネット型構造のロータと比較してマグネットの個数を減らすことが可能となる。このため、本実施形態のロータ12は、比較的形状変更が容易なロータコア32と一体形成されたコア磁極部35の開角度θgの変更などの形状変更を行うことで、各磁極部34,35で発生し得るコギングトルクがずれるため、それらの合成コギングトルクを抑えることが可能となる。
(2)マグネット33(マグネット磁極部34)の開角度θm及びコア磁極部35の開角度θgを、θm=360/2pmn×(a+1)−(θt/2)×2、θg=θm−(360/2pmn−θt)×2、となるように設定する。このような構成とすることで、図3に示すように、各磁極部で発生し得るコギングトルクがずれて、モータ10全体としての合成コギングトルクを抑えることができる。
(3)マグネット33(マグネット磁極部34)の周方向両端位置とコア磁極部35の周方向両端位置が対向するティース22に対して周方向に相対的にずれるように設定される。更にマグネット33(マグネット磁極部34)の周方向両端位置とコア磁極部35の周方向両端位置が対向するティース22間の間隙Kに対して周方向に相対的にずれるように設定される。このような構成とすることで、マグネット33及びコア磁極部35が同期せず、合成コギングトルクを抑えることができる。
尚、本発明の実施形態は、以下のように変更してもよい。
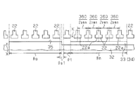
・上記実施形態では、ロータコア32の外表面(外周面)にマグネット33が固着される所謂SPM構造としたが、これに限らず、例えば図5及び図6に示すようにロータコア32にマグネット33が埋設される所謂IPM構造としてもよい。この場合であっても、各式コア磁極部35の開角度θgとマグネット磁極部34の開角度θmとが互いに異なるように構成することが望ましい。
・上記実施形態では、式(2)にてコア磁極部35の開角度θgを設定する構成としたが、これに限らず、例えば下記式(3)にてコア磁極部35の開角度θgを設定する構成としてもよい。なお、下記式(3)の係数bは、コア磁極部35の外径変更に伴う、開角度変更を示す係数である。この係数bは、コア磁極部35の外径が小さくなればなるほどその値も小さくなり、マグネット磁極部34と外径が同じである場合はb=1である。
θg=θm−(360/2pmn−θt)×2×b・・・(3)
(但し、0<b<1を満たす)
このような構成とすることで、図4に示すように例えばロータコア32のコア磁極部35の外径(径方向長さ)をマグネット磁極部34の外径(径方向長さ)をΔtだけ小さくすることに対応することができる。これに伴い、コア磁極部35の開角度θgが前記開角度θs1と図4に示すように開角度θs2との差分だけ小さくなるように構成される。このように、コア磁極部35の外径を小さくすることでコア磁極部35の外径をマグネット磁極部34の外径と同じとした場合と比較して、振動に繋がるラジアル方向への加振力を抑えることができるとともに、各磁極部34,35のパーミアンスのバランスを整えることが可能となる。
・上記実施形態では、式(1)及び式(2)にて各磁極部34,35の開角度θm,θgを設定する構成としたが、これに限らず、各磁極部34,35の開角度θm,θgを次のように設定してもよい。
図7に示すように、コア磁極部35の周方向幅(開角度θg)を周方向両側(周方向外側)にそれぞれティース22間の周方向における軸線Cを中心とする開角度θs1の略半分の長さ分だけ広げた構成を採用してもよい。これにより、コア磁極部35の開角度θgとマグネット磁極部34の開角度θmとを異なる角度と設定することができ、コア磁極部35とマグネット磁極部34の周方向両端部位がティース22間の間隙Kに対する相対的な位置がずれて同期しないため、各磁極部34,35のコギングトルクを抑えることが可能となる。
図8に示すように、マグネット磁極部34(マグネット33)の周方向幅(開角度θm)を周方向内側にそれぞれティース22間の周方向における軸線Cを中心とする開角度θs1の略半分の長さ分だけ狭めた構成を採用してもよい。これにより、コア磁極部35の開角度θgとマグネット磁極部34の開角度θmとを異なる角度と設定することができ、コア磁極部35とマグネット磁極部34のそれぞれがティース22間の間隙Kに対する相対的な位置がずれて同期しないため、各磁極部34,35のコギングトルクを抑えることが可能となる。
・上記実施形態では、特に言及していないが、例えば図9,10に示すようにロータ12を厚さL1の鋼鈑よりなるロータコア片32a(ロータコア材)を複数積層する構成を採用してもよい。ここで、コンシクエントポール型構造のロータ12は、ロータ12内で磁気変動が生じるが、積層タイプのロータコア32で構成することで、磁気変動に伴う渦電流損を抑えることができる。
また、同図9,10に示すようにロータコア32内に空隙Y(小磁性軽量部分)を形成する構成を採用してもよい。このようにロータコア32内に空隙Yを形成することで、軽量化することができ、これに伴いロータ12回転時の機動性を高めることができる。
また、前記ロータコア32内の空隙Yを各磁極部34,35の背部(径方向内側)に形成することで、ロータコア32(ロータコア片32a)より磁性を小さくなるため、各磁極部34,35の磁束が各磁極部34,35から遠ざかる方向である回転軸31側に流れにくくすることができる。これにより、磁気変動を抑えてよりコギングトルクを低減させることができる。これとともに、ロータコア32に発生する渦電流が抑制され高効率(高出力)のモータを提供することができる。しかも高出力化により出力当たりのモータ10の大きさを小型化することが可能となる。
また、同図9,10に示すように、小磁性軽量部分としての空隙Yの軸線Cに対する開角度θh(周方向幅)をコア磁極部35の開角度θgより大きくなるように構成してもよい。勿論、空隙Yの周方向の開角度θhをマグネット磁極部34(マグネット33)の開角度θmよりも大きくなるように構成してもよい。このように、空隙Yの周方向の開角度θhをコア磁極部35の開角度θgより大きくなるように設定することで、周方向に配置される空隙Y間のロータコア32の周方向幅を極力狭めることができる。これにより、ロータコア32を固定する固定部材としての回転軸31側にマグネット33(マグネット磁極部34)からの磁束が流れにくくなり、好適にコア磁極部35側に磁束を集中させることができる。この結果、ロータ12の周方向に交互に形成されるマグネット33及びコア磁極部35の磁気バランスが向上し、コギングトルクの低減、低騒音化、低振動化、高出力化につながる。しかも、高出力化により出力当たりのモータの大きさを小型化することができる。
また、図9に示すようなロータコア片32aを複数積層する積層タイプのロータ12において、各磁極部34,35間の空隙Xの周方向幅L2がロータコア32を構成するロータコア片32aの厚さL1よりも大きく設定する構成を採用してもよい。これにより、磁気が軸方向へ乱れること抑えて磁気の流れを良好とすることが可能となる。
・上記実施形態のモータ10では、ロータ12がステータ11の径方向内側に配置される所謂インナロータタイプで構成したが、ロータ12が径方向外側に配置される所謂アウタロータタイプで構成してもよい。
・上記実施形態では、n=2として本発明を適用したが、前記nは任意に変更してもよい。
次に、上記実施形態及び別例から把握できる技術的思想を以下に追記する。
(イ) 請求項1〜8のいずれか一項に記載のモータにおいて、前記ロータは、前記マグネットが鉄心部の径方向外側の外周面に配置されるSPM構造であることを特徴とするモータ。
これにより、SPM構造のロータを有するモータにおいてコギングトルクを抑えて、モータの回転性能の向上を可能とできる。
(ロ) 請求項1〜8のいずれか一項に記載のモータにおいて、前記ロータは、前記マグネットが鉄心部内径側に配置されるIPM構造であることを特徴とするモータ。
これにより、IPM構造のロータを有するモータにおいてコギングトルクを抑えて、モータの回転性能の向上を可能とできる。
10…モータ、11…ステータ、12…ロータ、22…ティース、31…回転軸(固定部材)、32…ロータコア、32a…ロータコア片(ロータコア材)、33…マグネット、34…マグネット磁極部、35…コア磁極部、K…間隙、L1…厚み、L2…空隙Xの周方向幅、X…空隙、Y…空隙(小磁性軽量部分)、θh,θg,θm,θt,θs1,θs2…開角度。

Claims (8)

  1. ロータコアの周方向に一方の磁極のマグネットが複数配置されるとともに、前記ロータコアに一体形成されたコア磁極部が各マグネット間に空隙を以て配置され、前記コア磁極部を他方の磁極として機能するように構成されて2×p極(但しpは極対数)の磁極を有するロータと、
    周方向等間隔に複数設けられるとともに前記ロータと径方向に対向して2×p×m×n個(但しmはステータ巻線の相数、nは自然数)のティースを有するコアと前記ティースに装着された多相の巻線とを有するステータと
    を備えたモータであって、
    前記ロータは、前記マグネットと前記コア磁極部との開角度が互いに異なるように構成されたことを特徴とするモータ。
  2. 請求項1に記載のモータにおいて、
    前記マグネットが径方向に対向するティースの個数をaとして前記ティースの開角度をθtとした場合に、前記マグネットの開角度θm及び前記コア磁極部の開角度θgを、
    θm=360/2pmn×(a+1)−(θt/2)×2、
    θg=θm−(360/2pmn−θt)×2、
    となるように設定したことを特徴とするモータ。
  3. 請求項1に記載のモータにおいて、
    前記マグネットが径方向に対向するティースの個数をaとして前記ティースの開角度をθtとした場合に、前記マグネットの開角度θm及び前記コア磁極部の開角度θgを、
    θm=360/2pmn×(a+1)−(θt/2)×2、
    θg=θm−(360/2pmn―θt)×2×b(但し、0<b<1を満たす)、
    となるように設定したことを特徴とするモータ。
  4. 請求項1に記載のモータにおいて、
    前記マグネットの周方向両端位置と前記コア磁極部の周方向両端位置が対向する前記ティースの周方向位置に対して周方向に相対的にずれるよう設定されたことを特徴とするモータ。
  5. 請求項1に記載のモータにおいて、
    前記マグネットの周方向両端位置と前記コア磁極部の周方向両端位置が対向する前記ティース間の間隙に対して周方向に相対的にずれるように設定されたことを特徴とするモータ。
  6. 請求項1〜5のいずれか一項に記載のモータにおいて、
    前記ロータコアに設けられる前記マグネット及び前記コア磁極部と、前記ロータコアを固定する固定部材との間にロータコア材より比重及び磁性が小さい小磁性軽量部分が形成されたことを特徴とするモータ。
  7. 請求項6に記載のモータにおいて、
    前記小磁性軽量部分は前記コア磁極部の背部に形成された複数の空隙であり、該空隙の周方向の開角度は前記コア磁極部の開角度より大きくなるように構成されたことを特徴とするモータ。
  8. 請求項1〜7のいずれか一項に記載のモータにおいて、
    前記ロータコアは、ロータコア材を複数積層して構成されることを特徴とするモータ。
JP2011000177A 2011-01-01 2011-01-04 モータ Expired - Fee Related JP5687072B2 (ja)

Priority Applications (3)

Application Number Priority Date Filing Date Title
JP2011000177A JP5687072B2 (ja) 2011-01-04 2011-01-04 モータ
US13/335,000 US8916999B2 (en) 2011-01-01 2011-12-22 Motors containing segment conductor coils
CN201110462000.XA CN102593976B (zh) 2011-01-04 2011-12-29 电动机

Applications Claiming Priority (1)

Application Number Priority Date Filing Date Title
JP2011000177A JP5687072B2 (ja) 2011-01-04 2011-01-04 モータ

Publications (2)

Publication Number Publication Date
JP2012143088A true JP2012143088A (ja) 2012-07-26
JP5687072B2 JP5687072B2 (ja) 2015-03-18

Family

ID=46678799

Family Applications (1)

Application Number Title Priority Date Filing Date
JP2011000177A Expired - Fee Related JP5687072B2 (ja) 2011-01-01 2011-01-04 モータ

Country Status (1)

Country Link
JP (1) JP5687072B2 (ja)

Cited By (2)

* Cited by examiner, † Cited by third party
Publication number Priority date Publication date Assignee Title
WO2016129330A1 (ja) * 2015-02-10 2016-08-18 三菱電機株式会社 回転電機、エレベータ用巻上機、および回転電機の永久磁石の着磁および脱磁方法
WO2021171476A1 (ja) * 2020-02-27 2021-09-02 三菱電機株式会社 電動機、ファン、及び空気調和機

Citations (2)

* Cited by examiner, † Cited by third party
Publication number Priority date Publication date Assignee Title
JPH1118328A (ja) * 1997-06-26 1999-01-22 Aisin Aw Co Ltd 永久磁石式同期電動機
JP2010263774A (ja) * 2009-04-10 2010-11-18 Asmo Co Ltd ロータ及びモータ

Patent Citations (2)

* Cited by examiner, † Cited by third party
Publication number Priority date Publication date Assignee Title
JPH1118328A (ja) * 1997-06-26 1999-01-22 Aisin Aw Co Ltd 永久磁石式同期電動機
JP2010263774A (ja) * 2009-04-10 2010-11-18 Asmo Co Ltd ロータ及びモータ

Cited By (6)

* Cited by examiner, † Cited by third party
Publication number Priority date Publication date Assignee Title
WO2016129330A1 (ja) * 2015-02-10 2016-08-18 三菱電機株式会社 回転電機、エレベータ用巻上機、および回転電機の永久磁石の着磁および脱磁方法
JPWO2016129330A1 (ja) * 2015-02-10 2017-09-14 三菱電機株式会社 回転電機、エレベータ用巻上機、および回転電機の永久磁石の着磁および脱磁方法
CN107251382A (zh) * 2015-02-10 2017-10-13 三菱电机株式会社 旋转电机、电梯用曳引机、以及旋转电机的永磁铁的磁化及消磁方法
CN107251382B (zh) * 2015-02-10 2019-05-14 三菱电机株式会社 旋转电机、电梯用曳引机、以及旋转电机的永磁铁的磁化及消磁方法
US10432070B2 (en) 2015-02-10 2019-10-01 Mitsubishi Electric Corporation Rotating electric machine, elevator hoist, and method for magnetizing and demagnetizing permanent magnet of rotating electric machine
WO2021171476A1 (ja) * 2020-02-27 2021-09-02 三菱電機株式会社 電動機、ファン、及び空気調和機

Also Published As

Publication number Publication date
JP5687072B2 (ja) 2015-03-18

Similar Documents

Publication Publication Date Title
JP4926107B2 (ja) 回転電機
US7781931B2 (en) Switched reluctance motor
JP5774081B2 (ja) 回転電機
JP5008462B2 (ja) ハイブリッド式永久磁石回転電機
JPWO2019064801A1 (ja) 永久磁石式回転電機
JP5385077B2 (ja) 回転電動機
JP2013005683A (ja) ステータ及びモータ
JPWO2014038062A1 (ja) 永久磁石埋込型電動機
JP6048191B2 (ja) マルチギャップ型回転電機
JP2007074870A (ja) 永久磁石埋込型ロータおよび永久磁石埋込型モータ
US10020717B2 (en) Dual stator, flux switching permanent magnet machine
JP2014180193A (ja) 高い応答性を有する同期電動機
JP5483582B2 (ja) モータ
JP5687072B2 (ja) モータ
JP2009027849A (ja) 永久磁石式回転電機
JP2012080697A (ja) モータ
TWI685188B (zh) 電動機
JP2013132154A (ja) 回転電機および回転電機のロータ
CN102396137B (zh) 发电装置
JP5491344B2 (ja) モータ
CN102754318B (zh) 同步发电机
JP5587683B2 (ja) モータ
JP2008263681A (ja) 交流モータ
US12525860B2 (en) Rotor for synchronous motor
US20240063671A1 (en) Rotor

Legal Events

Date Code Title Description
A621 Written request for application examination

Free format text: JAPANESE INTERMEDIATE CODE: A621

Effective date: 20130925

A977 Report on retrieval

Free format text: JAPANESE INTERMEDIATE CODE: A971007

Effective date: 20140611

A131 Notification of reasons for refusal

Free format text: JAPANESE INTERMEDIATE CODE: A131

Effective date: 20140617

A521 Request for written amendment filed

Free format text: JAPANESE INTERMEDIATE CODE: A523

Effective date: 20140723

TRDD Decision of grant or rejection written
A01 Written decision to grant a patent or to grant a registration (utility model)

Free format text: JAPANESE INTERMEDIATE CODE: A01

Effective date: 20150120

A61 First payment of annual fees (during grant procedure)

Free format text: JAPANESE INTERMEDIATE CODE: A61

Effective date: 20150121

R150 Certificate of patent or registration of utility model

Ref document number: 5687072

Country of ref document: JP

Free format text: JAPANESE INTERMEDIATE CODE: R150

R250 Receipt of annual fees

Free format text: JAPANESE INTERMEDIATE CODE: R250

S111 Request for change of ownership or part of ownership

Free format text: JAPANESE INTERMEDIATE CODE: R313111

R360 Written notification for declining of transfer of rights

Free format text: JAPANESE INTERMEDIATE CODE: R360

R360 Written notification for declining of transfer of rights

Free format text: JAPANESE INTERMEDIATE CODE: R360

R371 Transfer withdrawn

Free format text: JAPANESE INTERMEDIATE CODE: R371

S111 Request for change of ownership or part of ownership

Free format text: JAPANESE INTERMEDIATE CODE: R313111

R350 Written notification of registration of transfer

Free format text: JAPANESE INTERMEDIATE CODE: R350

R250 Receipt of annual fees

Free format text: JAPANESE INTERMEDIATE CODE: R250

R250 Receipt of annual fees

Free format text: JAPANESE INTERMEDIATE CODE: R250

R250 Receipt of annual fees

Free format text: JAPANESE INTERMEDIATE CODE: R250

R250 Receipt of annual fees

Free format text: JAPANESE INTERMEDIATE CODE: R250

R250 Receipt of annual fees

Free format text: JAPANESE INTERMEDIATE CODE: R250

LAPS Cancellation because of no payment of annual fees