JP2010155754A - オゾン水の製造装置及び製造方法 - Google Patents
オゾン水の製造装置及び製造方法 Download PDFInfo
- Publication number
- JP2010155754A JP2010155754A JP2008335315A JP2008335315A JP2010155754A JP 2010155754 A JP2010155754 A JP 2010155754A JP 2008335315 A JP2008335315 A JP 2008335315A JP 2008335315 A JP2008335315 A JP 2008335315A JP 2010155754 A JP2010155754 A JP 2010155754A
- Authority
- JP
- Japan
- Prior art keywords
- ozone
- water
- gas
- pump
- pure water
- Prior art date
- Legal status (The legal status is an assumption and is not a legal conclusion. Google has not performed a legal analysis and makes no representation as to the accuracy of the status listed.)
- Pending
Links
Images
Landscapes
- Oxygen, Ozone, And Oxides In General (AREA)
Abstract
【課題】高濃度のオゾン水を、安定して製造でき、製造装置内の部材、特に、ポンプの寿命も長くして、オゾン水の製造を効率よく行うことができるオゾン水の製造方法及び製造装置を提供する。
【解決手段】純水を純水配管2に流通させる純水供給手段3と、オゾンガスをオゾンガス配管4に流通させるオゾンガス供給手段5と、純水配管2及びオゾンガス配管4に接続され、純水とオゾンガスとを混合してオゾン混合水とするエゼクタ6と、エゼクタ6が吸引側に配設され、オゾン混合水を吸引、吐出して撹拌する、ダイヤフラムポンプ又はベローズポンプからなるポンプ7と、ポンプ7から吐出されたオゾン混合水の一部又は全部を、純水配管2に循環が可能なように設けられたバイパス流路8と、を有するオゾン水の製造装置1。
【選択図】図1
【解決手段】純水を純水配管2に流通させる純水供給手段3と、オゾンガスをオゾンガス配管4に流通させるオゾンガス供給手段5と、純水配管2及びオゾンガス配管4に接続され、純水とオゾンガスとを混合してオゾン混合水とするエゼクタ6と、エゼクタ6が吸引側に配設され、オゾン混合水を吸引、吐出して撹拌する、ダイヤフラムポンプ又はベローズポンプからなるポンプ7と、ポンプ7から吐出されたオゾン混合水の一部又は全部を、純水配管2に循環が可能なように設けられたバイパス流路8と、を有するオゾン水の製造装置1。
【選択図】図1
Description
本発明は、オゾン水の製造装置及び製造方法に関し、高濃度のオゾン水を安定して製造することができる装置及び方法に関する。
オゾン水は半導体製造における洗浄工程で利用されており、その製造には、電解法、放電法などの方法により製造したオゾンガスを被処理水(超純水)中に溶解させて製造されている。
このとき、オゾンガスと被処理水を接触させ、被処理水中にオゾンガスを溶解させる手段としては、純水とオゾンガスとを混合して渦巻き式ポンプで撹拌、混合してオゾンガスを純水中に溶解させる方法や、ポンプ吐出配管にエゼクタ等を設置してオゾンガスを吸引させて原料水とオゾンガスの混合溶解をする方法、例えば、エゼクタを用いて被処理水とオゾンガスとの混合水を形成し、この混合水を加圧ポンプによる加圧下にオリフィスアトマイザから溶解槽内に噴射してオゾンガスを微細気泡とした後、溶解槽内の内槽に滞留させる加圧式オゾン処理方法が知られている(例えば、特許文献1参照。)。
また、エゼクタを用いずに、オゾンガスと被処理水とを気液混合し、これを一軸偏心ネジポンプ(回転容積型ポンプ)の回転により水を系内で循環送液しつつ、オゾナイザで生成したオゾンガスを原水供給管路に吸い込み、原水にオゾンガスを気泡懸濁させた状態で加圧オゾン溶解槽内に押し込み導入して、加圧オゾン水を製造する方法が知られている(例えば、特許文献2参照。)。
特開平10−225696号公報
特開平6−64904号公報
このように従来の方法により得られるオゾン水は半導体製造におけるウェハの洗浄等に用いるには十分な濃度を有するものであったが、同様の半導体製造におけるリソグラフ工程におけるウェハ上に塗布したレジストを剥離する工程においては、さらなる高濃度のオゾン水が求められていた。
ところが、従来方式である渦巻き式ポンプ等の吸引側に純水とオゾンガスを供給する方法では、被処理水に供給するオゾンガスの流量が制限され、体積比で、純水:オゾンガス=5:1以上となるような物理的に大流量のオゾンガスを供給することは不可能であった。ここでいう物理的に不可能とは、渦巻き式ポンプにおいてポンプ内部に気体を巻き込んだときにおきるキャビテーションが生じ、ポンプ内部が気体による空転を起こしてしまうことをいい、この状態になると、ポンプが純水を吸引できなくなるばかりでなく、過負荷によりモータが加熱しポンプ自体が使用不可能になってしまう可能性が高い。
よって、渦巻き式ポンプでは、所定量以上のオゾンガス流量を供給することが困難であるため、オゾン水濃度を高くするためにオゾンガス流量を増やしても上限が低く、本発明において求めるような高濃度のオゾン水を製造するのは不可能であった。
また、それ以前に用いられていた溶解膜を用いる方法では、オゾンガスの流量は大きくでき高濃度のオゾン水を製造することができるが、製造条件によって濃度が安定しない場合があり、さらに効率良く高濃度のオゾン水を安定して製造することが求められている。
また、高濃度のオゾン水を製造しようとするときには、オゾンによる部材の腐食等にも注意しなければならない。このとき回転容積型ポンプを用いる方法においてはポンプ内部の接液部全てを樹脂等で覆うのが困難であるため部材の寿命を長くすることが困難であり、また、所定流量以上のオゾンガスを混合するとキャビテーションが生じるため供給オゾンガス量が制限され、高濃度のオゾン水を製造することが困難であった。
そこで、本願発明は、高濃度のオゾン水を製造でき、製造装置内の部材、特に、ポンプの寿命を長くして、濃度の安定したオゾン水の製造を効率よく行うことができるオゾン水の製造方法及び製造装置を提供しようとするものである。
上記目的を達成するために、本発明のオゾン水の製造装置は、純水を純水配管に流通させる純水供給手段と、オゾンガスをオゾンガス配管に流通させるオゾンガス供給手段と、純水配管及びオゾンガス配管に接続され、純水とオゾンガスとを混合してオゾン混合水とするエゼクタと、エゼクタが吸引側になるように配設され、オゾン混合水を吸引、吐出して撹拌する、ダイヤフラムポンプ又はベローズポンプからなるポンプと、ポンプから吐出されたオゾン混合水の一部又は全部を、純水配管に循環が可能なように設けられたバイパス流路と、を有することを特徴とするものである。
また、本発明のオゾン水の製造方法は、純水配管に純水を流通させる純水供給工程と、オゾンガス配管にオゾンガスを流通させるオゾンガス供給工程と、純水及び前記オゾンガスを、エゼクタにより混合してオゾン混合水とする気液混合工程と、混合工程により得られたオゾン混合水を、ダイヤフラムポンプ又はベローズポンプからなるポンプにより吸引、吐出して撹拌する吸引撹拌工程と、吸引撹拌工程により得られたオゾン混合水の一部又は全部を、純水配管に循環させる循環工程と、を有することを特徴とするものである。
本発明のオゾン水の製造装置及び製造方法によれば、製造装置内の部材の寿命を長く保ちながら、高濃度のオゾン水を製造でき、しかも、濃度の安定したオゾン水を効率良く製造することができる。特に、オゾン水の製造の際に装置内部のポンプによる脈動を抑制することで濃度の安定したオゾン水を製造することができる。
以下、本発明のオゾン水の製造装置及び製造方法について図面を参照しながら詳細に説明する。
(第1の実施形態)
以下、本発明の第1の実施形態について説明する。
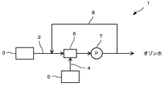
図1は、本発明の一実施形態であるオゾン水の製造装置を示したものである。このオゾン水の製造装置1は、純水配管2に純水を供給する純水供給手段3と、オゾンガス配管4にオゾンガスを供給するオゾンガス供給手段5と、純水配管2とオゾンガス配管4とに接続され、純水とオゾンガスとを混合してオゾン混合水とするエゼクタ6と、オゾン水を吸引、吐出して撹拌するポンプ7と、ポンプ7から吐出されたオゾン水の一部を、純水配管2に循環が可能なように設けられたバイパス流路8と、から構成されているものである。
以下、本発明の第1の実施形態について説明する。
図1は、本発明の一実施形態であるオゾン水の製造装置を示したものである。このオゾン水の製造装置1は、純水配管2に純水を供給する純水供給手段3と、オゾンガス配管4にオゾンガスを供給するオゾンガス供給手段5と、純水配管2とオゾンガス配管4とに接続され、純水とオゾンガスとを混合してオゾン混合水とするエゼクタ6と、オゾン水を吸引、吐出して撹拌するポンプ7と、ポンプ7から吐出されたオゾン水の一部を、純水配管2に循環が可能なように設けられたバイパス流路8と、から構成されているものである。
本発明に用いる純水配管2及びオゾンガス配管4は、通常の配管を使用できるが、純水配管2は、途中で純水とオゾンガスの接触によりオゾン水を流通させるものであるため、配管自体又は配管表面をオゾン耐性に優れた部材、例えば、四フッ化物、純チタン、石英等で製造されているものであることが好ましい。また、本発明におけるオゾン水と接触する可能性のある配管は全て同様の部材を用いたものであることが好ましい。
そして、本発明に用いる純水供給手段3は、純水製造装置等で製造した純水を純水配管2に流通させて、後述するエゼクタ6を介してオゾンガスを溶解しつつ、ポンプ7にまで供給するものであり、純水製造装置本体や製造した純水を貯留したタンクから純水配管2に流通させるようにしたポンプ等が挙げられる。
オゾンガス供給手段5は、オゾナイザ等で製造したオゾンガスをオゾンガス配管4に流通させ、純水が供給される純水配管2にエゼクタ6を介してオゾンガスを供給するものであり、オゾナイザそのものが好適に挙げられる。
次に、エゼクタ6は、純水とオゾンガスとを混合してオゾン混合水とするものであるが、例えば、ベンチュリ管状のエゼクタが挙げられ、この場合、純水がベンチュリ管内を高速流で通過する際にベンチュリ管の側面にあいたオゾンガス流入口が負圧となり、オゾンガスを泡として引き込むことにより、純水にオゾンガスが混合される。ベンチュリ管内部にはオゾンガス流入口の部分でより高速流になるように設計される。生成されたオゾン水は、次に説明するポンプにより吸引される。
ポンプ7は、ダイヤフラムポンプ又はベローズポンプからなるものである。これらのポンプは、その表面がオゾン等の耐性に優れた樹脂、例えば、テトラフルオロエチレン/パーフルオロアルコキシエチレンの共重合体(PFA)、テトラフルオロエチレン/ヘキサフルオロプロピレンの共重合体(FEP)、ポリテトラフルオロエチレン(PTFE)等のフッ素樹脂で加工されたものを用いることが好ましい。表面を加工することで高濃度のオゾンを用いた場合でもポンプ自体がオゾンにより腐食されることがない。
また、このポンプ7は、吸引側にエゼクタ6が配設されており、エゼクタ6で混合されたオゾン混合水を吸引し、さらに撹拌混合して、純水にオゾンガスが溶解するのを促進させ、高濃度のオゾン水を含むオゾン混合水を吐出するものである。ここで、オゾン混合水とは、純水とオゾンガスとを混合することによりオゾンガスが純水中に溶解して製造されるオゾン水と一部余剰のオゾンガスとで構成されるものである。
そして、このポンプ7は、液体と気体の混合量を適宜調整することができ、高濃度のオゾン水を製造しようとする場合にポンプ7の吸引側においてオゾンガスの供給量を多くして、エゼクタ6を介して多量のオゾンガスを純水中に混合することができるものである。この点において、回転容積型ポンプに比べ、その量比は顕著であり、高濃度のオゾン水を製造する本発明における必須の構成要素である。
さらに、ダイヤフラムポンプ又はベローズポンプは、その構成が簡易で、汎用されているため安価に入手することができ、これらポンプを用いることによりオゾン水の製造を低コストに抑えるのに効果的でもある。
そして、このポンプ7により、オゾナイザからのオゾンガスを安定して発生させてオゾン水を効率的に製造することができるようになっている。すなわち、オゾナイザは、その原理として、対向した電極間に高周波高電圧を印加することで、電極の間で無声放電が発生し、供給した酸素ガスの一部をオゾンガスとしているが、当然のことながら、供給する酸素ガスは定常的に流したほうが、オゾンガスの発生が安定し、かつその濃度を高く保つことができ、オゾンガス流量に脈動があった場合、オゾンガス濃度は1割から、2割程度減少してしまう。
渦巻き式ポンプと比較してダイヤフラムポンプ又はベローズポンプは、その構造から、供給する流量に脈動を生じる。機種にもよるが、流量が多くなると、ポンプの内容量は増える分1分間当たりのストローク数(送液回数)は減ってしまい、脈動が増えることになる。脈動が生じるとオゾンガスが円滑に供給できない時間が長くなり、その影響でオゾナイザから発生するオゾンガス濃度が下がってしまい、ひいては製造されるオゾン水の濃度が上下して不安定になったり、オゾンガスが安定供給される場合と比べてオゾン濃度が低くなったりして、オゾン水を安定して製造することができない。
そこで、本発明において設けられているバイパス流路8は、ポンプ7から吐出されたオゾン水の一部を、エゼクタ6の前段の純水配管2に循環が可能なように設けられており、このように、オゾン水を循環可能なようにバイパス流路8を設けることで、ポンプ7の動作に起因する装置内部での脈動が生じるのを抑制することができる。
ここで脈動を抑制することにより、純水及びオゾンガスの供給、純水へのオゾンガスの溶解が円滑に行われ、オゾナイザから供給されるオゾンガスの濃度も安定するため、オゾン水中のオゾン濃度が安定し、かつ高濃度のオゾン水を効率的に製造することができる。
このとき、製造されたオゾン混合水はユースポイントへ供給されるようになっているが、そのユースポイントへオゾン混合水を送液する配管の途中には、バイパス流路8の入り口が設けられ、純水配管2にはバイパス流路8の出口が設けられており、オゾン混合水の一部が循環可能なように構成されている。
このようにバイパス流路8が設けられていることで、ポンプによる脈動をバイパス流路8に存在する気体等が吸収することができるため、オゾナイザにより供給されるオゾンガス濃度も安定にすることができ、ひいては製造されるオゾン水のオゾン濃度も安定するのである。
次に、オゾン水の製造装置1を用いたオゾン水の製造方法について説明する。
まず、純水配管2に純水供給手段3から純水を供給し、一方では、オゾンガス配管4にオゾンガス供給手段5からオゾンガスを供給する。
まず、純水配管2に純水供給手段3から純水を供給し、一方では、オゾンガス配管4にオゾンガス供給手段5からオゾンガスを供給する。
このとき供給する純水は、例えば、抵抗率が10MΩ・cm以上であるような純度のものが挙げられ、その目的に応じて適した純度の純水を使用するようにすればよい。半導体製造のレジスト剥離に使用する場合には、例えば、抵抗率が18MΩ・cm以上の超純水であることが好ましい。
また、ここで供給されるオゾンガスはその濃度を適宜調節することができるが、オゾン濃度が40mg/L以上のオゾン水を製造するためにはオゾンガス濃度が150〜300g/m3であることが好ましく、その中でも200g/m3以上であることが特に好ましい。
このとき、純水とオゾンガスのそれぞれの供給流量は、高濃度オゾンガスの製造効率の観点から、純水:オゾンガスの体積比で1:0.5〜1:20の範囲であることが好ましく、1:0.5〜1:2であることがより好ましく、1:0.8〜1:1.2であることが特に好ましい。
これら純水及びオゾンガスを配管中でエゼクタ6を介して接触させた後、ポンプ7により両者を吸引し、純水とオゾンガスとをポンプ内で十分に混合してオゾン混合水として吐出する。なお、ここでオゾン混合水は、上記したように、純水とオゾンガスとを混合することによりオゾンガスが純水中に溶解して製造されるオゾン水と一部余剰のオゾンガスとで構成されるものである。
このときオゾン混合水は、ポンプ7で加圧されユースポイントに供給される。このとき、このポンプ7の後段にはポンプ7から吐出されたオゾン混合水の一部又は全部を、純水配管2に循環が可能なように設けられたバイパス流路8の入り口が設けられており、ポンプ7から吐出されたオゾン水を純水配管2に循環させる。この循環により、装置内部のオゾン水の脈動を抑えることができ、所定の濃度のオゾン水を安定して製造することができる。ただし、このバイパス流路8は、必ずしもオゾン水を循環させなくてもよく、バイパスが存在するだけでも、その流路内部に存在する気体等が装置内部のオゾン水の脈動を吸収して抑える働きをすることができる。
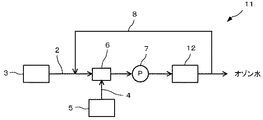
また、本発明のオゾン水の製造装置においては、さらに、気液分離手段を設けることが好ましく、例えば、図2に示したオゾン水製造装置11のように、図1に示したオゾン水製造装置1のポンプ7の後段に気液分離手段12を設けるようにしてオゾン水の製造装置を構成することが好ましい。
この気液分離手段12は、ポンプ7から吐出されたオゾン混合水を収容するタンクと、タンク内部の圧力を調整する圧力調整手段を有しており、タンク内部の余剰のオゾンガスを外部に排出することにより、オゾンガスとオゾン水とを分離することができるようになっている。
この気液分離手段12としては、従来公知のものを使用することができ、例えば、遠心力を利用してオゾン水とオゾンガスとを分離するサイクロン式、気液二相流をバッフル板に衝突させるバッフル式、金網を用いて気液分離するデミスタ式等を挙げることができる。
このような構成とした場合、その後にユースポイントに供給されるオゾン水の濃度を安定したものとすることができ、例えば、タンクの内圧を大気圧より高く維持するようにすると、タンク中のオゾン水からオゾンが排気オゾンガス(気相)側に出て行くのを抑制して、オゾン水中のオゾン濃度を高いまま維持することができるようになり好ましい。
また、このタンクの内圧を利用してオゾン水を供給するようにすれば、ダイヤフラムポンプやベローズポンプで生じる脈動の影響をほとんど受けずにオゾン水を供給することもできる。
そして、オゾンガスを大気中に排気するときには、環境を汚染することがないように、大気中への放出前にオゾンガスを分解することが好ましく、オゾンガス分解を行なうものとしては、紫外線照射手段、触媒等の公知の手段を用いることができる。
さらに、この気液分離手段12は、その後段にバイパス流路の入り口が設けられていることが好ましく、このようにすると、使用するオゾン水を効率よくユースポイントに供給できるとともに、バイパス流路により純水配管2に循環させることができ、循環させた場合には、そのオゾン水は純水と混合されるものの再度オゾンガスとの接触によりさらに高濃度のオゾン水を製造することもできる。
なお、このときの気液分離手段12のタンクの内圧は、0.15〜0.5MPaの範囲とすることが好ましく、0.3〜0.5MPaであることがより好ましい。
また、このタンクの内圧を利用し高濃度のオゾン水とし、この内圧を利用してオゾン水をユースポイントへと送液することもでき、さらに、この内圧でオゾン水を供給するようにすれば、ダイヤフラムポンプやベローズポンプで生じる脈動の影響をほとんどうけずにオゾン水を供給することが出来る。
また、この実施形態において、純水配管2に、酸又は炭酸ガス等を少量添加してオゾン水のpHを下げるpH調整手段を設けてもよく、この場合、オゾン水を高濃度で維持し易くなる。そして、本実施形態のオゾン水の製造装置は循環配管8を有するため、系内に添加した酸又は炭酸ガスは結果として循環されるので、純水配管2ではなく、気液分離手段12のオゾン水が貯留するタンクに酸又は炭酸ガスを直接注入するようにしてもよい。
(第2の実施形態)
図3は、本発明の別の実施形態であるオゾン水の製造装置を示したものである。このオゾン水の製造装置21は、純水配管2に純水を供給する純水供給手段3と、オゾンガス配管4にオゾンガスを供給するオゾンガス供給手段5と、純水配管2とオゾンガス配管4とに接続され、純水とオゾンガスとを混合してオゾン混合水とするエゼクタ6と、オゾン混合水を吸引、吐出して撹拌するポンプ7と、ポンプ7から吐出されたオゾン混合水の全部を、純水配管に循環が可能なように設けられたバイパス流路8と、純水配管2のバイパス流路8との接続部の後段であって、エゼクタ6の前段に設けられた気液分離手段12と、純水配管2のバイパス流路8との接続部の後段であって、気液分離手段12の前段に設けられたオゾン水をユースポイントまで供給するオゾン水配管と、から構成されているものである。
図3は、本発明の別の実施形態であるオゾン水の製造装置を示したものである。このオゾン水の製造装置21は、純水配管2に純水を供給する純水供給手段3と、オゾンガス配管4にオゾンガスを供給するオゾンガス供給手段5と、純水配管2とオゾンガス配管4とに接続され、純水とオゾンガスとを混合してオゾン混合水とするエゼクタ6と、オゾン混合水を吸引、吐出して撹拌するポンプ7と、ポンプ7から吐出されたオゾン混合水の全部を、純水配管に循環が可能なように設けられたバイパス流路8と、純水配管2のバイパス流路8との接続部の後段であって、エゼクタ6の前段に設けられた気液分離手段12と、純水配管2のバイパス流路8との接続部の後段であって、気液分離手段12の前段に設けられたオゾン水をユースポイントまで供給するオゾン水配管と、から構成されているものである。
本実施形態では、図2で示したオゾン水の製造装置11とは、気液分離手段12の位置がエゼクタ6の前段に設けられ、ポンプ7で吐出されたオゾン混合水は、その全てがバイパス流路8により循環され、純水配管2に返送される点で異なるものである。そして、循環されたオゾン混合水は、純水供給手段3から供給される純水と混合され、純水配管2中を気液分離手段12まで送液されるようになっている。
ここで、気液分離手段12により、先に説明しように、気液分離手段12のタンク内は所定の圧力になるように、オゾン混合水のオゾンガスが排出され、オゾンガスとオゾン水とを分離するものである。ここで得られたオゾン水は、さらにオゾンガスと混合され、より高濃度のオゾン水が製造されるように動作される。
そして、オゾン水はバイパス流路8により純水配管2に循環され、気液分離手段12に到達する前に、純水配管2の途中でユースポイントに導出されるようになっている。これは、所望のオゾン水が製造されるまで循環しながら操作を行うことができ、使用するタイミングでユースポイントまで導くようにすればよい。
また、ユースポイントまで導くオゾン水配管は、ポンプ7の後段であって、バイパス流路8により純水配管2へ循環される前にユースポイントに送液できるように設けることもでき、この場合、純水によりオゾン濃度が薄まらない点で好ましい。
(実施例1)
図2で説明した構成を有するオゾン水の製造装置を用い、供給するオゾンガス濃度を変動させながらオゾン水を製造した実施例を以下に示す。
図2で説明した構成を有するオゾン水の製造装置を用い、供給するオゾンガス濃度を変動させながらオゾン水を製造した実施例を以下に示す。
純水供給手段3である超純水製造装置から水温24.5℃、抵抗率18MΩ・cm以上の水質の超純水を5L/分供給した。供給圧は、0.2MPaであった。この超純水には炭酸ガスを300mL/分で供給してpH4.5程度となるようにした。
また、オゾンガス供給手段5であるオゾナイザで発生させたオゾンガスを、オゾンガス配管4を通じて供給した。オゾナイザは、住友精密工業株式会社製の商品(型式:GR−RG)を用いて、酸素ガスを供給してオゾンガスを製造したものである。
また、純水とオゾンガスとを混合するのには、エゼクタ(東フロコーポレーション株式会社製、商品名:CF−EM−A03)を用い、ポンプとしてはベローズポンプ(株式会社IWAKI製、商品名:WD−10TTD)を用いた。気液分離手段のタンク内圧は0.4MPaとなるように制御し、この条件下で、ユースポイントに供給されたオゾン水濃度をオゾン水濃度計(堀場アドバンスドテクノ株式会社製、型式:CZ−300i)で調べた。
このとき供給されるオゾンガス濃度を0、57、105、142、179、204、224mg/m3として、製造されるオゾン水のオゾン濃度を測定したところ、それぞれ、0、14.1、26.3、34.4、41.5、46.7、50.7ppmであった。この結果を図4にグラフで示した。
(比較例1)
ベローズポンプの吐出側にエゼクタを用いた装置として、図6に示した構成のオゾン水製造装置により、純水及びオゾンガスの供給条件を同様にして、製造されるオゾン濃度を調べた。
ベローズポンプの吐出側にエゼクタを用いた装置として、図6に示した構成のオゾン水製造装置により、純水及びオゾンガスの供給条件を同様にして、製造されるオゾン濃度を調べた。
このオゾン水製造装置は、純水をベローズポンプで吸引、吐出して、吐出された純水とオゾンガスとをエゼクタで混合するようになっており、混合されて得られたオゾン混合水は、気液分離手段に供給され、オゾン水がユースポイントに供給されるようになっている。また、バイパス流路は形成されていない。
実施例1と同様に、超純水製造装置から水温24.5℃、抵抗率18MΩ・cm以上の水質の超純水を5L/分供給した。超純水の供給圧は、0.2MPaとした。炭酸ガスは、超純水に300mL/分で供給した。
このとき供給されるオゾンガス濃度を0、67、88、106、155、192、215mg/m3として、製造されるオゾン水のオゾン濃度を測定したところ、それぞれ、0、12.0、15.0、19.0、25.1、31.1、33.1ppmであった。この結果を図7にグラフで示した。
(実施例2)
図3で説明した構成を有するオゾン水の製造装置を用い、供給するオゾンガス濃度を変動させた実施例を以下に示す。
図3で説明した構成を有するオゾン水の製造装置を用い、供給するオゾンガス濃度を変動させた実施例を以下に示す。
実施例1と同様に、超純水製造装置から水温24.5℃、抵抗率18MΩ・cm以上の水質の超純水を5L/分供給した。超純水の供給圧は、0.2MPaとした。炭酸ガスは、超純水に300mL/分で供給した。
このとき供給されるオゾンガス濃度を0、78、122、190、230、282mg/m3として、製造されるオゾン水のオゾン濃度を測定したところ、それぞれ、0、19.7、32.4、48.1、57.7、68.5ppmであった。この結果を図5にグラフで示した。
また、この結果から、高濃度のオゾン水を得るためには、高濃度のオゾンガスと、多量の酸素ガス流量が必要であることがわかった。しかしながら、オゾンガス濃度は、市販製品であるオゾナイザの性能に依存し、上限に限界があるため、高濃度のオゾン水を製造するためには、必然的に、大量の酸素ガスを供給しなければならない。
したがって、従来式である渦巻きポンプを用いたオゾン水製造では、多量の酸素ガスを吸引できないため、本発明のような高濃度オゾン水を製造することは不可能であることが確認できた。
以上の実施例及び比較例から、本発明のオゾン水製造装置及び方法は、ベローズポンプ又はダイヤフラムポンプを、エゼクタを吸引側に配設することで、純水とオゾンガスとを混合し、オゾン混合水を循環させる手段を用いることで、多量のオゾンガスを純水と接触させ混合することができ、かつ、オゾン混合水を循環可能なようにすることで装置内部での脈動も抑えられ、高濃度のオゾン水を安定して得ることが可能となった。
1…オゾン水の製造装置、2…純水配管、3…純水供給手段、4…オゾンガス配管、5…オゾンガス供給手段、6…エゼクタ、7…ポンプ、8…バイパス流路、11…オゾン水の製造装置、12…気液分離手段、21,31…オゾン水の製造装置、32…ポンプ
Claims (8)
- 純水を純水配管に流通させる純水供給手段と、
オゾンガスをオゾンガス配管に流通させるオゾンガス供給手段と、
前記純水配管及び前記オゾンガス配管に接続され、純水とオゾンガスとを混合してオゾン混合水とするエゼクタと、
前記エゼクタが吸引側に配設され、前記オゾン混合水を吸引、吐出して撹拌する、ダイヤフラムポンプ又はベローズポンプからなるポンプと、
前記ポンプから吐出されたオゾン混合水の一部又は全部を、前記純水配管に循環が可能なように設けられたバイパス流路と、
を有することを特徴とするオゾン水の製造装置。 - さらに、前記ポンプから吐出されたオゾン混合水に含まれるオゾンガスを分離することができる気液分離手段を有することを特徴とする請求項1記載のオゾン水の製造装置。
- 前記気液分離手段が、前記ポンプの後段に設けられていることを特徴とする請求項2記載のオゾン水の製造装置。
- 前記純水配管内に、炭酸ガスを添加することができる炭酸ガス添加手段を設けたことを特徴とする請求項1乃至3のいずれか1項記載のオゾン水の製造装置。
- 純水配管に純水を流通させる純水供給工程と、
オゾンガス配管にオゾンガスを流通させるオゾンガス供給工程と、
前記純水及び前記オゾンガスを、エゼクタにより混合してオゾン混合水とする気液混合工程と、
前記混合工程により得られたオゾン混合水を、ダイヤフラムポンプ又はベローズポンプからなるポンプにより吸引、吐出して撹拌する吸引撹拌工程と、
前記吸引撹拌工程により得られたオゾン混合水の一部又は全部を、前記純水配管に循環させる循環工程と、
を有することを特徴とするオゾン水の製造方法。 - 前記吸引撹拌工程によりポンプから吐出されたオゾン混合水から、そこに含まれるオゾンガスを分離する気液分離工程を有することを特徴とする請求項5記載のオゾン水の製造方法。
- 前記気液分離工程が、前記ポンプによる吸引撹拌工程の後段で行われることを特徴とする請求項6記載のオゾン水の製造方法。
- 前記純水配管内において、炭酸ガスを添加する炭酸ガス添加工程を有することを特徴とする請求項5乃至7のいずれか1項記載のオゾン水の製造方法。
Priority Applications (1)
| Application Number | Priority Date | Filing Date | Title |
|---|---|---|---|
| JP2008335315A JP2010155754A (ja) | 2008-12-26 | 2008-12-26 | オゾン水の製造装置及び製造方法 |
Applications Claiming Priority (1)
| Application Number | Priority Date | Filing Date | Title |
|---|---|---|---|
| JP2008335315A JP2010155754A (ja) | 2008-12-26 | 2008-12-26 | オゾン水の製造装置及び製造方法 |
Publications (1)
| Publication Number | Publication Date |
|---|---|
| JP2010155754A true JP2010155754A (ja) | 2010-07-15 |
Family
ID=42573965
Family Applications (1)
| Application Number | Title | Priority Date | Filing Date |
|---|---|---|---|
| JP2008335315A Pending JP2010155754A (ja) | 2008-12-26 | 2008-12-26 | オゾン水の製造装置及び製造方法 |
Country Status (1)
| Country | Link |
|---|---|
| JP (1) | JP2010155754A (ja) |
Cited By (4)
| Publication number | Priority date | Publication date | Assignee | Title |
|---|---|---|---|---|
| JP2012107270A (ja) * | 2010-11-15 | 2012-06-07 | Citizen Finetech Miyota Co Ltd | オゾン水による金属表面の改質方法 |
| JP2020065988A (ja) * | 2018-10-26 | 2020-04-30 | リオウ、フエイ タルングLiou, Huei Tarng | ダブルミキサーを備えた気体溶解システム |
| JP2020179372A (ja) * | 2019-04-26 | 2020-11-05 | オルガノ株式会社 | ガス溶解水製造装置および方法 |
| CN114151730A (zh) * | 2021-12-13 | 2022-03-08 | 拓荆科技股份有限公司 | 提供气体切换的气体供应系统及气体切换的方法 |
Citations (7)
| Publication number | Priority date | Publication date | Assignee | Title |
|---|---|---|---|---|
| JPS4968354A (ja) * | 1972-11-02 | 1974-07-02 | ||
| JPH03217294A (ja) * | 1990-01-19 | 1991-09-25 | Mitsubishi Heavy Ind Ltd | オゾン水、オゾン氷の製造方法 |
| JPH0429798A (ja) * | 1990-05-25 | 1992-01-31 | Fuso Kensetsu Kogyo Kk | 浄水処理におけるオゾン接触法 |
| JPH06142662A (ja) * | 1992-11-02 | 1994-05-24 | Ishikawajima Harima Heavy Ind Co Ltd | オゾン水製造装置 |
| WO1999054256A1 (de) * | 1998-04-20 | 1999-10-28 | Hoelter Heinrich | Vorrichtung zum einbringen von ozon in flüssige medien |
| JP2002166147A (ja) * | 2000-12-04 | 2002-06-11 | Sasakura Engineering Co Ltd | オゾン水製造装置 |
| JP2007237113A (ja) * | 2006-03-10 | 2007-09-20 | Sasakura Engineering Co Ltd | オゾン水供給装置 |
-
2008
- 2008-12-26 JP JP2008335315A patent/JP2010155754A/ja active Pending
Patent Citations (7)
| Publication number | Priority date | Publication date | Assignee | Title |
|---|---|---|---|---|
| JPS4968354A (ja) * | 1972-11-02 | 1974-07-02 | ||
| JPH03217294A (ja) * | 1990-01-19 | 1991-09-25 | Mitsubishi Heavy Ind Ltd | オゾン水、オゾン氷の製造方法 |
| JPH0429798A (ja) * | 1990-05-25 | 1992-01-31 | Fuso Kensetsu Kogyo Kk | 浄水処理におけるオゾン接触法 |
| JPH06142662A (ja) * | 1992-11-02 | 1994-05-24 | Ishikawajima Harima Heavy Ind Co Ltd | オゾン水製造装置 |
| WO1999054256A1 (de) * | 1998-04-20 | 1999-10-28 | Hoelter Heinrich | Vorrichtung zum einbringen von ozon in flüssige medien |
| JP2002166147A (ja) * | 2000-12-04 | 2002-06-11 | Sasakura Engineering Co Ltd | オゾン水製造装置 |
| JP2007237113A (ja) * | 2006-03-10 | 2007-09-20 | Sasakura Engineering Co Ltd | オゾン水供給装置 |
Cited By (6)
| Publication number | Priority date | Publication date | Assignee | Title |
|---|---|---|---|---|
| JP2012107270A (ja) * | 2010-11-15 | 2012-06-07 | Citizen Finetech Miyota Co Ltd | オゾン水による金属表面の改質方法 |
| JP2020065988A (ja) * | 2018-10-26 | 2020-04-30 | リオウ、フエイ タルングLiou, Huei Tarng | ダブルミキサーを備えた気体溶解システム |
| JP2020179372A (ja) * | 2019-04-26 | 2020-11-05 | オルガノ株式会社 | ガス溶解水製造装置および方法 |
| JP7292957B2 (ja) | 2019-04-26 | 2023-06-19 | オルガノ株式会社 | ガス溶解水製造装置および方法 |
| CN114151730A (zh) * | 2021-12-13 | 2022-03-08 | 拓荆科技股份有限公司 | 提供气体切换的气体供应系统及气体切换的方法 |
| CN114151730B (zh) * | 2021-12-13 | 2023-09-29 | 拓荆科技股份有限公司 | 提供气体切换的气体供应系统及气体切换的方法 |
Similar Documents
| Publication | Publication Date | Title |
|---|---|---|
| JP5020784B2 (ja) | オゾン水の製造装置及び製造方法 | |
| JP6734621B2 (ja) | オゾン水供給方法及びオゾン水供給装置 | |
| JP5950790B2 (ja) | 廃水処理方法およびシステム | |
| JP2009297588A (ja) | 加熱オゾン水の製造方法 | |
| JP2010155754A (ja) | オゾン水の製造装置及び製造方法 | |
| JP2007326101A (ja) | オゾン水処理方法 | |
| CN1309095A (zh) | 溶解有气体的清洗水用配水管路 | |
| US10865130B2 (en) | Apparatus and method for producing alkaline water for cleaning electronic device | |
| JP4108798B2 (ja) | オゾン含有超純水供給方法及びオゾン含有超純水供給装置 | |
| JP2003260341A (ja) | オゾン水供給装置 | |
| JP2010199124A (ja) | オゾン水供給装置 | |
| KR101634667B1 (ko) | 전자기장을 이용한 고농도 오존수 생성 장치 | |
| JP2010199124A5 (ja) | ||
| CN1310843C (zh) | 输送臭氧化水的方法 | |
| JP2018051533A (ja) | 水素水の製造装置及び製造方法 | |
| JP3748865B2 (ja) | 脱酸素方法 | |
| JP7204211B2 (ja) | バッチ式マイクロバブル液生成装置および生成方法 | |
| JP2003164861A (ja) | オゾン水脱オゾンシステム | |
| JP7764927B1 (ja) | 電子デバイス用洗浄水の製造装置および該洗浄水の製造方法 | |
| JP2003117570A (ja) | オゾン水の製造方法および製造装置 | |
| JP2005186067A (ja) | オゾン含有超純水供給方法及び装置 | |
| JP3509091B2 (ja) | オゾン含有超純水の供給装置 | |
| JP2007075674A (ja) | 微細気泡発生装置とそれを備えた衛生洗浄装置 | |
| EP4338825A1 (en) | Gas solution supply apparatus and method | |
| JP2881529B2 (ja) | オゾン水製造装置 |
Legal Events
| Date | Code | Title | Description |
|---|---|---|---|
| A621 | Written request for application examination |
Free format text: JAPANESE INTERMEDIATE CODE: A621 Effective date: 20111207 |
|
| A977 | Report on retrieval |
Effective date: 20130220 Free format text: JAPANESE INTERMEDIATE CODE: A971007 |
|
| A131 | Notification of reasons for refusal |
Free format text: JAPANESE INTERMEDIATE CODE: A131 Effective date: 20130305 |
|
| A02 | Decision of refusal |
Free format text: JAPANESE INTERMEDIATE CODE: A02 Effective date: 20130625 |