JP2007217984A - 柱梁接合構造 - Google Patents

柱梁接合構造 Download PDF

Info

Publication number
JP2007217984A
JP2007217984A JP2006040801A JP2006040801A JP2007217984A JP 2007217984 A JP2007217984 A JP 2007217984A JP 2006040801 A JP2006040801 A JP 2006040801A JP 2006040801 A JP2006040801 A JP 2006040801A JP 2007217984 A JP2007217984 A JP 2007217984A
Authority
JP
Japan
Prior art keywords
shaped steel
column
steel column
flange portion
outer diaphragm
Prior art date
Legal status (The legal status is an assumption and is not a legal conclusion. Google has not performed a legal analysis and makes no representation as to the accuracy of the status listed.)
Pending
Application number
JP2006040801A
Other languages
English (en)
Inventor
Hiroshi Tagawa
浩 田川
Harukatsu Kadoya
治克 角屋
Toru Watanabe
亨 渡辺
Shunji Fujii
俊二 藤井
Current Assignee (The listed assignees may be inaccurate. Google has not performed a legal analysis and makes no representation or warranty as to the accuracy of the list.)
Nagoya University NUC
Okabe Co Ltd
Original Assignee
Nagoya University NUC
Okabe Co Ltd
Priority date (The priority date is an assumption and is not a legal conclusion. Google has not performed a legal analysis and makes no representation as to the accuracy of the date listed.)
Filing date
Publication date
Application filed by Nagoya University NUC, Okabe Co Ltd filed Critical Nagoya University NUC
Priority to JP2006040801A priority Critical patent/JP2007217984A/ja
Publication of JP2007217984A publication Critical patent/JP2007217984A/ja
Pending legal-status Critical Current

Links

Images

Landscapes

  • Joining Of Building Structures In Genera (AREA)

Abstract

【課題】H形鋼柱に対してH形鋼梁を接合する柱梁接合部における補強構造を見直し、十分な接合強度や剛性を確保しやすく、しかもH形鋼柱の内部空間の有効利用が可能な柱梁接合構造を提供する。
【解決手段】H形鋼柱1の外周部に設置する外ダイアフラム2を介してH形鋼梁3,4を接合するとともに、そのH形鋼梁のフランジ部の幅Wfより外側に垂直スチフナ7,8を設置する。前記外ダイアフラム2とH形鋼梁3,4のフランジ部の板厚及び材料強度をほぼ等しく設定するとともに、H形鋼柱1のフランジ部5,6縁端の外側に位置する両側の外ダイアフラムの幅Waを加えた値をH形鋼梁3,4のフランジ部の幅より小さく設定する。さらに、H形鋼柱1のフランジ部5,6縁端の外側に位置する両側の外ダイアフラムの断面性能を加えた値をH形鋼梁3,4のフランジ部の断面性能の0.5倍以上1.0倍未満に設定する。
【選択図】図2

Description

本発明は、H形鋼柱に対してそのH形鋼柱の少なくとも強軸方向にH形鋼梁を接合する柱梁接合構造に関する。
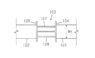
従来から角形鋼管柱に対してH形鋼梁を接合する柱梁接合構造において、角形鋼管柱の外周部に外ダイアフラムを設置し、その外ダイアフラムを介してH形鋼梁を接合する柱梁接合構造は広く知られている(特許文献1参照)。また、H形鋼柱に対してH形鋼梁を接合する柱梁接合構造において、図6に示したように、H形鋼梁のフランジ部101,102の幅Wfより若干内側に位置する、H形鋼柱103のフランジ部104,105の間の両側部分に垂直スチフナ106,107を設置して接合部の補強を図る柱梁接合構造も知られている。
特開2001−65052号公報
ところで、前者の外ダイアフラムを用いた柱梁接合構造においては、角形鋼管柱の面外方向の剛性が小さいため、図7に示したように外ダイアフラム108,109の部分に多くの応力が集中する傾向にあり、それらの外ダイアフラムの補強作用に依存するところが大きいことから、角形鋼管柱の性能に関わらず、梁フランジ部からの荷重を外ダイアフラムのみで負担し得るように設計するのが一般的であり、外ダイアフラムが大型化する要因にもなっていた。また、後者の垂直スチフナ106,107を用いて補強する従来の柱梁接合構造においては、とりわけ梁フランジ部から圧縮荷重を受けた場合に、垂直スチフナ106,107に座屈が生じて耐力が急激に低下するという危険があった。特に、垂直スチフナ106,107のH形鋼柱103のフランジ部104,105に対する溶接部に問題があると、更に座屈が生じやすくなるため、溶接の品質管理にも高い精度が必要とされ、コスト高の要因にもなっていた。さらに、それらの垂直スチフナや柱ウェブの面と梁フランジ面とは直交するため、十分な接合強度や剛性を確保することが容易ではないという技術的問題もあった。しかも、図8に示したようにH形鋼柱の内部空間を利用して配管110を通す際などには、それらの垂直スチフナによってH形鋼柱内の利用スペースが制約されるといった問題があった。
本発明は、以上のような従来の技術的状況に鑑み、H形鋼柱に対してH形鋼梁を接合する柱梁接合部における補強構造を見直し、十分な接合強度や剛性を確保しやすく、しかもH形鋼柱の内部空間の有効利用が可能な柱梁接合構造を提供することを目的とするものである。
前記課題を解決するため、請求項1の発明では、H形鋼柱に対して少なくとも該H形鋼柱の強軸方向にH形鋼梁を接合する柱梁接合構造において、前記H形鋼柱の外周部に設置する外ダイアフラムを介してH形鋼梁を接合するとともに、そのH形鋼梁のフランジ部の幅より外側に位置する前記H形鋼柱のフランジ部間の両側に垂直スチフナを設置するという技術手段を採用した。さらに、請求項2の発明では、前記外ダイアフラムと前記H形鋼梁のフランジ部の板厚及び材料強度をほぼ等しく設定するとともに、前記H形鋼柱のフランジ部縁端の外側に位置する両側の外ダイアフラムの幅を加えた値をH形鋼梁のフランジ部の幅より小さく設定するという技術手段を採用した。また、請求項3の発明では、前記H形鋼柱のウェブ部と前記垂直スチフナの板厚をほぼ等しく設定するとともに、前記H形鋼柱のフランジ部縁端の外側に位置する両側の外ダイアフラムの断面性能を加えた値を前記H形鋼梁のフランジ部の断面性能の0.5倍以上1.0倍未満に設定するという技術手段を採用した。なお、ここでの断面性能は、当該部分の断面積と材料強度から決り、実際には断面積と設計基準強度を用いて算出される。
本発明によれば、次の効果を得ることができる。
(1)請求項1の発明によれば、柱梁接合部に圧縮荷重が作用した際、外ダイアフラムの補剛作用により垂直スチフナの座屈が生じにくくなるとともに、それらの外ダイアフラムと垂直スチフナとが相俟って効果的な補強作用が得られ、しかもH形鋼柱の内部空間の有効利用が可能である。
(2)H形鋼柱のウェブ部によって該H形鋼柱のフランジ部の面外変形が拘束され、前記H形鋼柱のウェブ部にもH形鋼梁のフランジ部からの荷重が一定の割合で流れるので、その分、従来の角形鋼管柱の場合に比べて外ダイアフラムの幅を縮小できる。
(3)柱梁接合部に圧縮荷重が作用した際、外ダイアフラムの補剛作用により垂直スチフナの座屈が生じにくくなる結果、垂直スチフナの座屈による急激な耐力低下の危険が緩和されるとともに、溶接等に関する品質管理上の負担も軽減可能であり、コストの削減にも有効である。
(4)請求項2の発明によれば、H形鋼柱のフランジ部の外側に位置する両側の外ダイアフラムの幅を加えた値をH形鋼梁のフランジ部の幅より小さく設定するようにしたので、外ダイアフラムと垂直スチフナとによる効果的な補強作用に基づく外ダイアフラムの小型化が可能である。
(5)請求項3の発明によれば、両側の外ダイアフラムの断面性能を加えた値を前記H形鋼梁のフランジ部の断面性能の0.5倍以上1.0倍未満に設定するようにしたので、更にH形鋼柱のウェブ部及び両側の垂直スチフナの応力伝達機能を加味した外ダイアフラムの小型化が可能である。
図1は本発明の一実施形態を示した斜視図であり、図2はその平面図である。図中1はH形鋼柱であり、そのH形鋼柱1の外周部に設置した外ダイアフラム2を介してH形鋼梁3,4を接合する柱梁接合構造を採用している。図2に示したように、H形鋼梁3,4のフランジ部の幅Wfより外側に位置するH形鋼柱1のフランジ部5,6間の両側には、補強手段として垂直スチフナ7,8を設置している。この場合、垂直スチフナ7,8の両端部のH形鋼柱1のフランジ部5,6に対する溶接形態に関しては、前述の図6に示した従来技術の場合には、垂直スチフナに生じる座屈防止の観点から完全溶け込み溶接が必要とされるのに対して、本実施形態の場合には、外ダイアフラム2の垂直スチフナの座屈に対する補剛作用により、片側隅肉溶接の採用も強度的に可能であり、作業負担の軽減にも有効である。また、本実施形態においては、H形鋼柱1のフランジ部5,6の両側に位置する部分の外ダイアフラム2の幅を同じ幅Waに設定し、それらを加えた2WaをH形鋼梁3,4のフランジ部の幅Wfより小さく設定している。なお、H形鋼柱1のフランジ部5,6の両側に位置する部分の外ダイアフラム2の幅に関しては、各々変えることも可能であり、その場合には、両側の幅を加えた値がH形鋼梁3,4のフランジ部の幅Wfより小さくなるように設定する。因みに、以上の図1及び図2に示した実施形態においては、H形鋼柱1に対して強軸方向のみにH形鋼梁3,4を接合した場合について説明したが、その強軸方向の接合に加え、前記垂直スチフナ7,8等を利用して弱軸方向にも他のH形鋼梁を接合する実施形態も可能である。
本発明においては、H形鋼柱に対してH形鋼梁を接合する柱梁接合構造における補強作用を検討するため、図3に示した試験体を用いて単純引張試験を行い、前記H形鋼梁3,4に作用する引張力Pと前記外ダイアフラム2に作用する引張力Tとの関係を調べた。図示のように、本引張試験では、前述のように、H形鋼梁3,4のフランジ部の幅Wfより外側に位置するH形鋼柱1のフランジ部5,6間の両側に垂直スチフナ7,8を設置するとともに、前記H形鋼柱1の外周部に外ダイアフラム2を設置し、その外ダイアフラム2を介して前記H形鋼梁3,4を接合した本発明の前記実施形態(A)、角形鋼管柱9の外周部に外ダイアフラム10を設置し、その外ダイアフラム10を介して前記H形鋼梁3,4を接合した比較例1に係る形態(B)、及び前記角形鋼管柱9と同じ構成からなる角形鋼管柱11の外周部に外ダイアフラム12を設置し、その外ダイアフラム12を介して前記H形鋼梁3,4を接合した比較例2に係る形態(C)を用いて比較試験を行った。なお、柱部分の両側に位置する外ダイアフラム2の幅Waと、外ダイアフラム10の幅Wbは同じ幅に設定し、外ダイアフラム12の幅Wcはそれらの幅Wa,Wbの1.5倍の幅に設定した。また、形態(A)におけるH形鋼柱1のウェブ部13の板厚は8mm、垂直スチフナ7,8の板厚は9mmで、H形鋼梁3,4の接合方向に直交する方向のトータルの板厚が26mmに、他方、形態(B)及び(C)における角形鋼管柱9,11の板厚は12mmで、H形鋼梁3,4の接合方向に直交する方向のトータルの板厚が24mmにそれぞれ設定され、形態(A)〜(C)におけるH形鋼梁3,4の接合方向に直交する方向のトータルの板厚がほぼ同じ板厚になるように設定している。因みに、本発明においては、一般的に使用されている柱等を前提としており、ここで使用した具体的な各寸法も、柱等において一般的に使用されている寸法を使用したものである。
図4は前記比較試験の結果を示したグラフであり、横軸はH形鋼梁3,4に作用する引張力P(kN)、縦軸に各外ダイアフラム2,10,12に作用する引張力T(kN)を示したものである。図示のように、本グラフによれば、本発明に係る形態(A)において外ダイアフラム2に作用する引張力T(kN)は、比較例1に係る形態(B)及び比較例2に係る形態(C)の場合に比べて半分程度であることが判る。これにより、本発明に係る形態(A)における外ダイアフラム2の断面積は、比較例1に係る形態(B)及び比較例2に係る形態(C)の場合に比べて半分程度で十分足りることが判る。すなわち、本発明に係る実施形態(A)の場合には、H形鋼柱1のフランジ部5,6の外側に位置する部分の両側の外ダイアフラム2の断面性能を加えた値をH形鋼梁3,4のフランジ部の断面性能の半分程度に設定しても強度的に十分であることが判る。なお、図5は前記比較試験において検出された前記形態(A)〜(C)における歪の分布状態を例示したものである。なお、図中14は外ダイアフラムの各位置に設置した歪みゲージである。図示のように、本発明に係る形態(A)における歪の分布状態は、比較例1に係る形態(B)及び比較例2に係る形態(C)の場合に比べて、H形鋼梁3,4の接合方向に直交する方向に設定した各測定点における検出値の差がきわめて小さいことが判る。すなわち、本発明に係る形態(A)の場合には、H形鋼梁3,4の接合方向に直交する方向に対してほぼ均等な応力伝達が行われていることが判り、これが図4の前記比較試験の結果に結び付いているものと推測される。
なお、以上ではH形鋼梁3,4に対して引張力Pが作用した場合に関して説明したが、圧縮力が作用した場合には、前述のように外ダイアフラム2の垂直スチフナ7,8に対する補剛作用によって、それらの垂直スチフナ7,8の座屈が生じにくくなることから、垂直スチフナの座屈による急激な耐力の低下が緩和され、圧縮力作用時における安全性の観点からもきわめて有効である。
以上の結果からみて、次の補強構造は、柱梁接合部における所期の接合強度や剛性を確保しながら、外ダイアフラムの小型化を図る上で有効であると判断される。(1)H形鋼柱の外周部に設置する外ダイアフラムを介してH形鋼梁を接合するとともに、そのH形鋼梁のフランジ部の幅より外側に位置するH形鋼柱のフランジ部間の両側に垂直スチフナを設置してなる補強構造。(2)外ダイアフラムとH形鋼梁のフランジ部の板厚及び材料強度をほぼ等しく設定するとともに、H形鋼柱のフランジ部の外側に位置する両側の外ダイアフラムの幅を加えた値をH形鋼梁のフランジ部の幅より小さく設定してなる補強構造。さらに、一般的に使用されている断面寸法を用いた柱等を前提とした前記実験の結果、前述の外ダイアフラムの垂直スチフナの座屈に対する補剛作用や、外ダイアフラムの幅を縮小した場合に派生する、寸法誤差や製作精度、不測の応力などに基づく危険性を勘案すると、(3)H形鋼柱のウェブ部と垂直スチフナの板厚をほぼ等しく設定するとともに、H形鋼柱のフランジ部の外側に位置する両側の外ダイアフラムの断面性能を加えた値を前記H形鋼梁のフランジ部の断面性能の0.5倍以上1.0倍未満に設定してなる補強構造も、外ダイアフラムの小型化を図る上での目安として有効である。
本発明の一実施形態を示した斜視図である。 同実施形態の平面図である。 単純引張試験に用いた試験体を示した説明図である。 比較試験の結果を示したグラフである。 比較試験において検出された歪の分布状態を例示した説明図である。 従来の柱梁接合部を示した平面図である。 角形鋼管柱の外周部に外ダイアフラムを設置した場合の応力の分布状態を示した説明図である。 柱梁接合部に配管を通す状態を例示した斜視図である。
符号の説明
1…H形鋼柱、2…外ダイアフラム、3,4…H形鋼梁、5,6…フランジ部、7,8…垂直スチフナ、9…角形鋼管柱、10…外ダイアフラム、11…角形鋼管柱、12…外ダイアフラム、13…ウェブ部、14…歪みゲージ、(A)…本発明の実施形態、(B)…比較例1に係る形態、(C)…比較例2に係る形態

Claims (3)

  1. H形鋼柱に対して少なくとも該H形鋼柱の強軸方向にH形鋼梁を接合する柱梁接合構造において、前記H形鋼柱の外周部に設置する外ダイアフラムを介してH形鋼梁を接合するとともに、そのH形鋼梁のフランジ部の幅より外側に位置する前記H形鋼柱のフランジ部間の両側に垂直スチフナを設置したことを特徴とする柱梁接合構造。
  2. 前記外ダイアフラムと前記H形鋼梁のフランジ部の板厚及び材料強度をほぼ等しく設定するとともに、前記H形鋼柱のフランジ部縁端の外側に位置する両側の外ダイアフラムの幅を加えた値をH形鋼梁のフランジ部の幅より小さく設定したことを特徴とする請求項1に記載の柱梁接合構造。
  3. 前記H形鋼柱のウェブ部と前記垂直スチフナの板厚をほぼ等しく設定するとともに、前記H形鋼柱のフランジ部縁端の外側に位置する両側の外ダイアフラムの断面性能を加えた値を前記H形鋼梁のフランジ部の断面性能の0.5倍以上1.0倍未満に設定したことを特徴とする請求項1又は2に記載の柱梁接合構造。


JP2006040801A 2006-02-17 2006-02-17 柱梁接合構造 Pending JP2007217984A (ja)

Priority Applications (1)

Application Number Priority Date Filing Date Title
JP2006040801A JP2007217984A (ja) 2006-02-17 2006-02-17 柱梁接合構造

Applications Claiming Priority (1)

Application Number Priority Date Filing Date Title
JP2006040801A JP2007217984A (ja) 2006-02-17 2006-02-17 柱梁接合構造

Publications (1)

Publication Number Publication Date
JP2007217984A true JP2007217984A (ja) 2007-08-30

Family

ID=38495559

Family Applications (1)

Application Number Title Priority Date Filing Date
JP2006040801A Pending JP2007217984A (ja) 2006-02-17 2006-02-17 柱梁接合構造

Country Status (1)

Country Link
JP (1) JP2007217984A (ja)

Cited By (4)

* Cited by examiner, † Cited by third party
Publication number Priority date Publication date Assignee Title
JP2010047941A (ja) * 2008-08-20 2010-03-04 Kobe Steel Ltd 柱梁接合構造
CN106193662A (zh) * 2016-08-26 2016-12-07 云南建工钢结构股份有限公司 一种用于工业化装配式可移动环保厕所的金属结构架
CN109944333A (zh) * 2019-03-19 2019-06-28 北京城建集团有限责任公司 一种斜钢骨柱与斜钢骨梁的连接结构及其施工方法
CN112878697A (zh) * 2019-11-29 2021-06-01 中冶(上海)钢结构科技有限公司 一种用于倾斜十字钢柱鼓形连接结构施工方法

Citations (6)

* Cited by examiner, † Cited by third party
Publication number Priority date Publication date Assignee Title
JPS50132714A (ja) * 1974-04-06 1975-10-21
JPS50155014A (ja) * 1974-06-03 1975-12-13
JP2000160686A (ja) * 1998-11-24 2000-06-13 Ohbayashi Corp 鉄筋コンクリート柱と鉄骨梁の混合構造およびその施工方法
JP2002173978A (ja) * 2000-12-07 2002-06-21 Arai Gumi Ltd 鋼管柱と鉄骨梁の接合構造
JP2004263366A (ja) * 2003-01-27 2004-09-24 Hiroshi Tagawa 柱と梁との接合構造及び補強構造
JP2005054394A (ja) * 2003-07-31 2005-03-03 Chikara Uto 柱と梁の接合構造及びその接合方法

Patent Citations (6)

* Cited by examiner, † Cited by third party
Publication number Priority date Publication date Assignee Title
JPS50132714A (ja) * 1974-04-06 1975-10-21
JPS50155014A (ja) * 1974-06-03 1975-12-13
JP2000160686A (ja) * 1998-11-24 2000-06-13 Ohbayashi Corp 鉄筋コンクリート柱と鉄骨梁の混合構造およびその施工方法
JP2002173978A (ja) * 2000-12-07 2002-06-21 Arai Gumi Ltd 鋼管柱と鉄骨梁の接合構造
JP2004263366A (ja) * 2003-01-27 2004-09-24 Hiroshi Tagawa 柱と梁との接合構造及び補強構造
JP2005054394A (ja) * 2003-07-31 2005-03-03 Chikara Uto 柱と梁の接合構造及びその接合方法

Cited By (6)

* Cited by examiner, † Cited by third party
Publication number Priority date Publication date Assignee Title
JP2010047941A (ja) * 2008-08-20 2010-03-04 Kobe Steel Ltd 柱梁接合構造
CN106193662A (zh) * 2016-08-26 2016-12-07 云南建工钢结构股份有限公司 一种用于工业化装配式可移动环保厕所的金属结构架
CN109944333A (zh) * 2019-03-19 2019-06-28 北京城建集团有限责任公司 一种斜钢骨柱与斜钢骨梁的连接结构及其施工方法
CN109944333B (zh) * 2019-03-19 2024-05-03 北京城建集团有限责任公司 一种斜钢骨柱与斜钢骨梁的连接结构及其施工方法
CN112878697A (zh) * 2019-11-29 2021-06-01 中冶(上海)钢结构科技有限公司 一种用于倾斜十字钢柱鼓形连接结构施工方法
CN112878697B (zh) * 2019-11-29 2023-08-08 中冶(上海)钢结构科技有限公司 一种用于倾斜十字钢柱鼓形连接结构施工方法

Similar Documents

Publication Publication Date Title
JP4203533B1 (ja) 鉄骨柱及び鉄骨梁の接合構造
JP5285452B2 (ja) 座屈拘束ブレース及びそれを用いた耐力フレーム
JP5808593B2 (ja) 鉄骨有孔梁の補強構造
JP4649360B2 (ja) 耐震用接合構造及びその構築方法
JP7110000B2 (ja) 柱梁接合部構造
JP6261976B2 (ja) 変断面梁
KR20110098713A (ko) 주량 접합부 구조
JP2007217984A (ja) 柱梁接合構造
JP5635734B2 (ja) 柱梁接合部および柱梁接合部の補強金物
JP7362455B2 (ja) 架構式構造
JP2018172892A (ja) 梁の補強構造および梁の補強工法
JP2018168653A (ja) 異径柱梁接合構造及びその製造方法
JP6427917B2 (ja) 柱梁接合構造
JP2012097496A (ja) 座屈拘束ブレース
JP2009161984A (ja) 波形鋼板耐震壁
JP2015161148A (ja) 座屈拘束ブレースの接合構造
JP6268998B2 (ja) 鋼製部材の端部構造
JP4305230B2 (ja) 柱と梁の接合構造
JP4984908B2 (ja) 開口を有するコンクリート梁の補強構造、開口を有するコンクリート梁の製造方法、梁構造、開口補強用鋼管
JP2019065594A (ja) 柱梁接合部の補強構造
JP2017198028A (ja) 横座屈補剛材の取付構造
JP2009161983A (ja) 波形鋼板耐震壁
JP2003003568A (ja) 鋼管柱の管壁補強構造
JP7750709B2 (ja) 柱梁接合構造
JP7687378B1 (ja) 鋼材の接続構造及び建築物

Legal Events

Date Code Title Description
A621 Written request for application examination

Free format text: JAPANESE INTERMEDIATE CODE: A621

Effective date: 20090108

A977 Report on retrieval

Effective date: 20110513

Free format text: JAPANESE INTERMEDIATE CODE: A971007

A131 Notification of reasons for refusal

Effective date: 20110527

Free format text: JAPANESE INTERMEDIATE CODE: A131

A521 Written amendment

Effective date: 20110714

Free format text: JAPANESE INTERMEDIATE CODE: A523

A131 Notification of reasons for refusal

Effective date: 20111202

Free format text: JAPANESE INTERMEDIATE CODE: A131

A521 Written amendment

Effective date: 20120127

Free format text: JAPANESE INTERMEDIATE CODE: A523

A02 Decision of refusal

Free format text: JAPANESE INTERMEDIATE CODE: A02

Effective date: 20120706