EP4124060A1 - Hearing instrument - Google Patents

Hearing instrument Download PDF

Info

Publication number
EP4124060A1
EP4124060A1 EP21186454.1A EP21186454A EP4124060A1 EP 4124060 A1 EP4124060 A1 EP 4124060A1 EP 21186454 A EP21186454 A EP 21186454A EP 4124060 A1 EP4124060 A1 EP 4124060A1
Authority
EP
European Patent Office
Prior art keywords
signal
hearing device
transfer
transducer
input
Prior art date
Legal status (The legal status is an assumption and is not a legal conclusion. Google has not performed a legal analysis and makes no representation as to the accuracy of the status listed.)
Granted
Application number
EP21186454.1A
Other languages
German (de)
French (fr)
Other versions
EP4124060B1 (en
Inventor
Thomas ZURBRÜGG
Antonio Hölzl
Markus Hofbauer
Erwin Kuipers
Current Assignee (The listed assignees may be inaccurate. Google has not performed a legal analysis and makes no representation or warranty as to the accuracy of the list.)
Sonova Holding AG
Original Assignee
Sonova AG
Priority date (The priority date is an assumption and is not a legal conclusion. Google has not performed a legal analysis and makes no representation as to the accuracy of the date listed.)
Filing date
Publication date
Application filed by Sonova AG filed Critical Sonova AG
Priority to DK21186454.1T priority Critical patent/DK4124060T3/en
Priority to EP21186454.1A priority patent/EP4124060B1/en
Publication of EP4124060A1 publication Critical patent/EP4124060A1/en
Application granted granted Critical
Publication of EP4124060B1 publication Critical patent/EP4124060B1/en
Active legal-status Critical Current
Anticipated expiration legal-status Critical

Links

Images

Classifications

    • HELECTRICITY
    • H04ELECTRIC COMMUNICATION TECHNIQUE
    • H04RLOUDSPEAKERS, MICROPHONES, GRAMOPHONE PICK-UPS OR LIKE ACOUSTIC ELECTROMECHANICAL TRANSDUCERS; DEAF-AID SETS; PUBLIC ADDRESS SYSTEMS
    • H04R1/00Details of transducers, loudspeakers or microphones
    • H04R1/10Earpieces; Attachments therefor ; Earphones; Monophonic headphones
    • H04R1/1016Earpieces of the intra-aural type
    • HELECTRICITY
    • H04ELECTRIC COMMUNICATION TECHNIQUE
    • H04RLOUDSPEAKERS, MICROPHONES, GRAMOPHONE PICK-UPS OR LIKE ACOUSTIC ELECTROMECHANICAL TRANSDUCERS; DEAF-AID SETS; PUBLIC ADDRESS SYSTEMS
    • H04R2420/00Details of connection covered by H04R, not provided for in its groups
    • H04R2420/07Applications of wireless loudspeakers or wireless microphones
    • HELECTRICITY
    • H04ELECTRIC COMMUNICATION TECHNIQUE
    • H04RLOUDSPEAKERS, MICROPHONES, GRAMOPHONE PICK-UPS OR LIKE ACOUSTIC ELECTROMECHANICAL TRANSDUCERS; DEAF-AID SETS; PUBLIC ADDRESS SYSTEMS
    • H04R2460/00Details of hearing devices, i.e. of ear- or headphones covered by H04R1/10 or H04R5/033 but not provided for in any of their subgroups, or of hearing aids covered by H04R25/00 but not provided for in any of its subgroups
    • H04R2460/05Electronic compensation of the occlusion effect
    • HELECTRICITY
    • H04ELECTRIC COMMUNICATION TECHNIQUE
    • H04RLOUDSPEAKERS, MICROPHONES, GRAMOPHONE PICK-UPS OR LIKE ACOUSTIC ELECTROMECHANICAL TRANSDUCERS; DEAF-AID SETS; PUBLIC ADDRESS SYSTEMS
    • H04R2460/00Details of hearing devices, i.e. of ear- or headphones covered by H04R1/10 or H04R5/033 but not provided for in any of their subgroups, or of hearing aids covered by H04R25/00 but not provided for in any of its subgroups
    • H04R2460/11Aspects relating to vents, e.g. shape, orientation, acoustic properties in ear tips of hearing devices to prevent occlusion

Definitions

  • Hearing devices as described in this text are hearing aids, i.e., medical devices that help someone hard of hearing to better hear ambient sound. Hearing aids are configured to capture ambient sound, to process the thus obtained signal in a frequency dependent manner, and to emit a processed sound signal, which is usually amplified at least for some frequencies, into the hear canal.
  • hearing devices as described in this text comprise other devices that produce sound in the ear, especially consumer electronic devices, such as earphones or hearables.
  • a hearing device has an electroacoustic transducer ('loudspeaker', 'speaker', also called 'receiver', especially if the hearing device is a hearing aid) and is equipped to feed a wanted signal to the electroacoustic transducer for producing a wanted sound signal in a volume in front of the eardrum.
  • a hearing device may comprise one or more outer microphones to pick up ambient sound and/or an interface to an external device, for example a phone or other consumer electronics device for obtaining the wanted signal.
  • Hearing devices often comprise an earpiece (they may consist of such earpiece) placed in an outer part of the ear canal and closing off the ear canal.
  • earpiece they may consist of such earpiece
  • hearing aids in such a case one often speaks about 'closed fitting' hearing aids.
  • a first category of solutions comprises accepting trade-offs: One can either decide on open fittings and accept that there are limited benefits (this is mostly the preferred approach in cases of mild hearing losses), or one decides on closed fittings accompanied by counseling.
  • a second category of solution focuses on active noise control (ANC) involving a closed-loop feedback using an ear canal microphone.
  • ANC active noise control
  • the sound in the ear canal is picked up, and a counter noise is generated, i.e., sound waves equal to the emitted sound but with opposed polarity are emitted into the ear canal.
  • the use of ear canal microphones has both, limits and disadvantages.
  • the discriminator circuit requires a transformer in the hearing aid electronics. Therefore, implementation of the active sound absorber in a hearing aid comes with substantial additional cost and substantial space requirements both, in the transducer and in the electronic, as well as with additional power consumption due to the discriminator circuit.
  • a hearing device hearing aid, earphone, hearable, etc.
  • the hearing device comprising an earpiece, which may be adapted to separate an ear canal volume of a user's ear canal from an outside.
  • the ear canal volume may comprise the entire ear canal or only a portion thereof, for example only an inner portion (portion close to the eardrum).
  • the ear canal volume is often termed "inner ear canal volume”.
  • the earpiece may be an earpiece adapted to fit to the ear canal of the user so as to at least partially sit in the ear canal or at its entrance.
  • the hearing device is a behind-the ear hearing aid
  • the earpiece is connected, by a connection comprising a tube and/or a wire, to a behind-the-ear component of the hearing aid.
  • the hearing device may consist of the earpiece, i.e., the earpiece may constitute the entire hearing device.
  • the hearing device's receiver may be in the ear canal or may at least partially be outside of the ear canal, for example in the concha, such as by a retaining structure.
  • the earpiece is an earpiece that may provide occlusion. More in general, the earpiece may be configured to act as an acoustical barrier between the outside and a volume between earpiece and eardrum.
  • the earpiece may be an individually adapted earpiece or alternatively a generic earpiece fitting to the ear canal (to lie within the ear canal and/or at its entrance) without individual adaptation (generic domes or the like). Also, the earpiece may be adapted to sit entirely within the ear canal, or alternatively it may be adapted to partially or fully occlude the ear canal by being placed at its entrance. Further, the earpiece may be one side of a circum-aural headphone that separates the inner ear canal volume from the outside by sitting on the user's head and surrounding the ear.
  • the hearing device comprises an electroacoustic transducer (receiver, loudspeaker) in acoustic communication with the inner ear canal volume.
  • the electroacoustic transducer has, as known in the art, two electrical terminals (one of the terminals for example being connected to ground and thereby for example being constituted by an electrically conducting housing) between which an electrical transducer input signal can be applied, so that the transducer transforms it into an acoustic signal.
  • the hearing device further has a wanted sound signal path, i.e., it is equipped to process a hearing device input into a wanted signal, and to produce the (electrical) transducer input signal applied to the terminals of the electroacoustic transducer from the wanted signal.
  • the hearing device input may comprise an ambient signal picked up by one or more outer microphones. In addition or as an alternative, it may comprise an audio signal received from an external device via an appropriate interface.
  • the hearing device input in general comprises a signal or signal combination that is incident on the hearing device and from which the hearing instrument derives the wanted signal.
  • the hearing aid input may comprise acoustic input (such as incident ambient sound) and/or an electrical signal as input (such as audio signal picked up by a communication interface).
  • the wanted signal is an electrical signal that represents the acoustic signal the user of the hearing device should hear.
  • the hearing device is further equipped to measure a physical signal between the two terminals of the receiver and to use the measured physical signal as an input quantity for obtaining the transducer input signal.
  • the invention proposes to measure directly how the electroacoustic transducer itself 'responds' to the applied transducer input signal. This is based on the insight that the electroacoustic transducer is a bi-directional element - the voltage at the electrical input (between the terminals) depends on the acoustic load condition and on the acoustic signal present in the ear canal.
  • the present invention is based on the approach that the electroacoustic transducer is used both, for producing sound and sensing sound concurrently.
  • the measured physical signal may thus for example be a voltage between the terminals if the electrical transducer input signal is applied as a current signal, or it may be a current flowing into the electroacoustic transducer if the electrical transducer input signal is applied as a voltage signal.
  • the invention effectively proposes to apply a frequency dependent, possibly negative, constant or possibly not constant electrical shunt to the terminals of the electroacoustic transducer.
  • the possibly preprocessed measured physical signal may be subject to an admittance transfer function or an impedance transfer function (depending on whether it is a voltage or a current) to yield a transfer signal.
  • the transfer signal may result from a transfer impedance or transfer admittance applied to the quantity derived from the measured physical signal.
  • the transfer impedance or transfer admittance may be frequency dependent. However, in embodiments it may be constant over time, or it may be constant over time at least for a certain hearing device program.
  • the admittance transfer function or impedance transfer function may be implemented by adaptive filtering so as to yield adaptation to the environment ('adaptive sensorless control').
  • the transfer signal may then be added to the wanted signal to yield the transducer input signal.
  • the transducer input signal may effectively correspond to a signal that results from applying the wanted signal to the transducer if the transducer is shunted by a frequency dependent, possibly negative electrical shunt.
  • the acoustic impedance of the transducer can be adjusted to a desired value.
  • the acoustic impedance may be adjusted to be close to zero, so that a vibrational source such as the own voice gives rise to a minimal sound pressure only, whereby the occlusion effect is efficiently eliminated.
  • the admittance/impedance transfer may be adapted to individual properties, such as the resonance situation in the ear canal, and/or on possible hearing loss. It is even possible that the admittance/impedance transfer function is different from being constant and is for example dynamically adapted to the situation. For example, the admittance/impedance transfer may be chosen to be different in quiet environments compared to noisy environments, etc., and/or may be actively adjustable by the wearer to meet their comfort needs.
  • the admittance/impedance transfer function may in embodiments be an adaptive filter.
  • the feedback loop according to the present invention allows to give the electroacoustic transducer a desired sound absorbing characteristic or even the characteristic of a negative sound reflector, i.e., an in-the ear canal sound attenuation characteristic.
  • a desired sound absorbing characteristic or even the characteristic of a negative sound reflector i.e., an in-the ear canal sound attenuation characteristic.
  • the present invention is therefore suited for in-ear voice attenuation especially for reducing occlusion in closed fitting set-ups. By attenuating direct sound, it may in addition or as an alternative contribute to an improved signal-to-noise ratio.
  • the electroacoustic transducer may be a standard speaker, such as a single coil speaker, for example a moving coil receiver or a balanced armature receiver.
  • the electroacoustic transducer may especially have exactly two terminals. It is possible, that, as usual, one of the terminals is connected to ground so that effectively only one dedicated electrical lead connects the electroacoustic transducer with the hearing device's electronics.
  • the receiver in contrast to the prior art does, therefore not require any measuring coil or similar and hence does not require any modifications compared to known and widely used receivers for hearing aids or consumer electronic hearing devices.
  • the physical signal may also be corrected for an influence of the wanted signal on the physical signal to be reduced or eliminated.
  • the wanted signal may be combined with (for example subtracted from; possibly after appropriate filtering) the physical signal to account for the fact that the measured physical signal in addition to the sound pressure in the ear canal is also influenced by the transducer input signal and hence also by the wanted signal.
  • the hearing device For obtaining the electrical transducer input signal from the hearing device input and the measured physical signal, the hearing device comprises a signal processing stage, especially a digital signal processing stage.
  • the impedance transfer function may be implemented digitally, i.e., in embodiments, for example, the frequency dependent shunt admittance/impedance may be determined by digital filter coefficients.
  • the hearing device may comprise an analog-to-digital converter for converting the measured physical signal into a digital signal.
  • the hearing device may comprise a voltage-to-current conversion stage, such as a voltage-controlled-current-source (VCCS).
  • VCCS voltage-controlled-current-source
  • This voltage-to-current conversion stage may be an analog device.
  • the adding of the transfer signal to the wanted signal may take place in the digital domain, before the conversion into an analog signal.
  • the wanted signal may then be provided as a digital representation of the voltage signal, too, i.e., the effect of the voltage-to-current transfer (which takes place in the analog domain after the summation) is compensated in an according calculation step.
  • the hearing device may comprise one or more of the following:
  • Processing the hearing device input into the wanted signal may comprise the digital signal processing steps as known per se for signal processing in hearing aids, namely one or more of monaural beamforming (if more than one outer microphone is present), binaural beamforming, sound cleaning, in particular noise cancelling (cancelling of wind noise, reverberation, feedback, etc.), applying a frequency dependent, user specific gain, influencing the dynamics (suppression of too loud sound), frequency shifting, etc.
  • Signal processing may optionally comprise new approaches like Artificial Intelligence (AI), use of a Neural Networks (NN), such as aDeep Neural Networks (DNN), and/or machine learning, etc.
  • processing the hearing device input may comprise receiving the input as wireless signal and transforming it into a voltage or current signal.
  • the hearing device input comprises both, ambient sound picked up by at least one microphone and an audio signal from an external device, and the wanted signal is based on both.
  • the signal processing stage may be equipped for comparing the wanted signal and the measured physical signal to obtain information on sound portions in the ear canal that do not stem from the transducer output.
  • a subtraction of the wanted signal and the measured physical signal from each other may yield an adjusted physical signal being the physical signal with eliminated (for example subtracted) portions stemming from the wanted signal, and it is this adjusted physical signal that may be processed into the transfer signal.
  • Such adjusted physical signal may serve as an estimate of acoustic signal portions not corresponding to the wanted signal, i.e., the bone conducted sound portions, especially of the own voice, as well as ambient signal portions propagating into the ear canal.
  • the electroacoustic transducer serves as a kind of inner microphone simultaneously with serving as a loudspeaker producing the wanted sound, and simultaneously with serving as a sound attenuation or sound cancelling device.
  • the adjusted physical signal therefore, provides an estimate of bone conducted sound as a by-product of the approach according to aspects of the present invention.
  • the estimate may be used for special purposes, such as for discriminating between situation in which the user speaks and situations in which she/he doesn't, and/or such as using the estimate (possible after appropriate filtering, for example equalizing to correct for a predominance of low frequency portions) for communication with a further user or device, in that the estimate is sent to a remote device via an appropriate interface.
  • the present invention also concerns a method of processing a signal in a hearing device, substantially as described in this text referring to the hearing device and as defined in the claims.
  • the method may comprise the additional step of calculating, from the measured receiver signal and from the calculated wanted sound signal, an estimate of the own voice, especially be a comparison of the measured receiver signal and of the wanted sound signal as described in this text.
  • estimate may be used for influencing the processing in the hearing device - for example, the processing may be made dependent on whether or not the user speaks.
  • estimate of the own voice may be subject to a filtering and then may be used as voice signal for communicating with a remote device.
  • an own voice estimate being a by-product of the occlusion suppression approach taught in this text.
  • Figure 1 illustrates an ear canal 1 that on one side is terminated by the tympanic membrane (eardrum) 2.
  • An inner ear canal volume 3 is terminated by the eardrum 2 on one side and by a closed-fitting earpiece 10 on the other side.
  • the closed-fitting earpiece 10 may comprise a receiver 11 (electroacoustic transducer), or may be, for example via tubing, in acoustic communication with a receiver.
  • Bone conducted sound leading to a bone conduction caused volume flow q bc is coupled into the inner ear canal volume 3. Due to the earpiece 10 closing off the inner ear canal volume and the rather high impedance Z dr of the eardrum, this volume flow encounters a high resistance, i.e.
  • a first prior art solution to this problem is to provide the earpiece with a vent 12.
  • the aspect ratio of the vent 12 must not be too high, and for high aspect ratios (to be more precise: high ratios between the length and the cross section areas for a given residual volume), the benefits of the closed fitting approach, especially high possible amplification without any feedback problems, are at least partially lost.
  • a second prior art solution ( Figure 3 ) is active occlusion control (active noise control ANC).
  • An ear canal microphone 14 in the earpiece or in acoustic communication therewith picks up sound in the ear canal.
  • An active occlusion control electronic unit 15 separates undesired bone conducted sound from possible desired sound emitted into the ear by the receiver and eliminates this by active noise reduction (ANR) in a closed feedback loop.
  • ANR active noise reduction
  • the present invention is directed to resolving the own-voice (bone conducted sound) problem in closed fittings without the use of an ear canal microphone ("sensorless control").
  • a possible principle is illustrated in Figure 4 .
  • the two terminals 16, 17 of the receiver are connected via a shunt 21 having a shunt impedance Z sh .
  • the impedance Z sh of the shunt is frequency-dependent and may be negative. It may be chosen so that the resulting acoustic impedance is close to zero, i.e., so that a sound flow originating from bone conduction q bc results in only minimal sound pressure.
  • the acoustic impedance may be smaller than the far field acoustic impedance ⁇ ⁇ c, whereby the electroacoustic transducer effectively serves as negative reflector, especially, for example at least for some frequencies between 100 Hz and 250 Hz.
  • DSP digital signal processor
  • a hardware accelerator for example having further functions, such as serving as dedicated digital filter
  • FIG. 5 depicts an according scheme.
  • the thus calculated signal ('transfer signal') is transformed into a physical current I by a for example analog voltage-to-current conversion stage 32, and the receiver is subject to this current.
  • the receiver may be a receiver of the known kind and may be an off-the-shelf product.
  • the receiver may be a receiver as known for hearing devices of the kind described herein.
  • the receiver may have the two terminals 16, 17 only, i.e. may be a single coil receiver.
  • the admittance can have small (frequency dependent) values and can even be negative.
  • the receiver may have the mentioned negative reflection coefficient, i.e. it can minimize sound than is incident on it, so that the receiver may effectively act as noise canceller without the need for an inner microphone.
  • the receiver 11 effectively acts to reduce sound in the ear canal.
  • the receiver 11 in addition has the function of producing a sound signal in the ear canal.
  • the wanted sound signal has to be added to the calculated admittance transfer signal.
  • the hearing device is a hearing aid having two outer microphones 41 picking up ambient sound.
  • the according signals are subject to a hearing aid gain stage 42 in which a frequency dependent signal processing, which depends on the needs of the person wearing the hearing aid, is carried out.
  • This signal processing may include sound cleaning and a user adapted gain model as well as, possibly, beamforming.
  • Frequency dependent signal processing in hearing aids is known in the art, and the details of the model are not relevant for the present invention. Therefore, the particulars of the hearing aid gain stage 42, as well as a possible equalizing stage 43 (that may be integrated in the gain stage), are not described in any more detail here.
  • a summation stage 44 adds the hearing aid gain signal (wanted sound signal) to the impedance transfer signal.
  • a dashed connection 45 between the hearing aid gain stage 42 (and/or the equalizing stage 43) and the admittance transfer calculation stage 31 illustrates the possibility that the wanted sound signal - or other information about the incident sound and/or the sound produced in the ear canal - may be used as a further input quantity for calculating the transfer signal.
  • the impedance at the receiver input side may be made dependent on the wanted signal, i.e. depending on the acoustic situation the wearer is in, the impedance need not be constant.
  • the admittance transfer function implementation 31 may be switched off, or the admittance may be set to a lower value than in a speaking situation, so as to provide more acoustic gain.
  • the hearing device wanted signal may be combined with - optionally after some filtering (not shown in Fig. 7 ) -the measured receiver signal, especially by subtracting the wanted signal from the measured receiver signa, or vice versa (the sign not being of importance, as the sign of the admittance transfer function can be positive or negative), so that the signal that is subject to the admittance transfer function comprises those parts of the signal that do not come from the receiver itself.
  • a comparison of the measured receiver signal and of the wanted sound signal - especially a subtraction of the measured receiver signal from the wanted sound signal - also yields information on those parts of the acoustic signal in the ear canal that do not stem from the wanted sound signal, but especially from the own voice of the wearer of the hearing device. This may be used to pick up the own voice in the ear canal without the need for an inner microphone.
  • Figure 8 shows an according example with analog-to-digital converters 51 between the microphones 41 and the hearing aid gain stage ( FIG. 8 illustrates a combined hearing aid gain and equalizing stage 46) and with digital-to-analog converters 52 at the output of the hearing aid gain calculation stage (and optional equalizing stage) 46 on the one hand and at the output of the admittance transfer calculation stage 31 on the other hand. The summation then takes place in the analog domain (summation stage 44).
  • FIG. 8 This set-up of Fig. 8 features the disadvantage that two digital-to-analog converters are required.
  • Figure 9 depicts an alternative architecture with just a single digital-to-analog converter 52. The summation then takes place in the digital domain (summation stage 44). Because the voltage-to-current conversion stage 32 is necessarily in the analog domain, in this architecture the sum of the wanted hearing aid signal and the transfer signal is subject to the voltage-to-current conversion and not only the admittance transfer signal as in the embodiment of Fig. 8 .
  • the hearing aid wanted signal is subject to a voltage-to-current transfer compensation (voltage-to-current transfer compensation stage 61, especially implemented by a digital filter) prior to being subject to summation, i.e., the wanted signal is represented as a digital voltage signal when subject to the summation and not as a current signal as for example in Fig. 8 .
  • the voltage-to-current transfer compensation may be integrated in the calculation of the wanted signal.
  • the topology of the system includes a feedback loop
  • signal processing has to be very fast. Delays of a plurality of milliseconds are in many situations not tolerable.
  • the impedance transfer calculation stage 31 and the summation stage 44 are in the digital domain. In order to keep latency low, the different stages may be physically implemented in different parts of the hearing device digital electronics.
  • the hearing aid gain calculating and equalizing stage may be implemented in the hearing aid's digital signal processor (DSP), it is an option to realize the impedance transfer calculation stage 31 in a hearing aid's hardware accelerator (such as a dedicated Bi-Quad filter), this having the advantage that calculation is very quick and does not load the DSP.
  • a hearing aid's hardware accelerator such as a dedicated Bi-Quad filter
  • the summation stage in the digital-to-analog converter 52.
  • the voltage-to-current transfer compensation stage 61 may be realized by the hearing aid's digital signal processor (DSP), i.e. the DSP may directly output the wanted signal as a signal compensated for the voltage-to-current transfer.
  • Figure 10 shows an alternative principle:
  • the receiver 11 is fed with a voltage signal from the digital-to-analog converter 52 without any voltage-to-current conversion, and a current measuring stage 64 measures the current drawn by the receiver.
  • the measured current signal is then (after analog-to-digital conversion and optionally subtraction of the possibly filtered (Filter 71) wanted hearing aid signal) fed to an impedance transfer calculation stage 63.
  • the resulting transfer signal is, for example still in the digital domain so that only one digital-to-analog converter is needed, added to the hearing aid wanted signal (summation stage 44) to yield the voltage signal fed to the receiver 11 after digital-to-analog conversion.
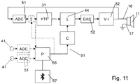
  • Figure 11 depicts a variant in which the outer microphones 41 and the associated analog-to-digital converters 51 are replaced (for a hearing device being different from a hearing aid, for example a hearable) or supplemented (dashed line; if the hearing device is a hearing aid or other hearing device that is equipped to pick up ambient sound) by a wireless communication interface 67.
  • a processing stage 66 may optionally, in addition to processing the hearing device input into the wanted signal, also estimate the (mainly bone conducted) own voice portion of the measured physical signal and for example transfer the same to a remote device via the wireless communication interface 67.
  • the admittance transfer function or impedance transfer function will be determined so that a desired target acoustic impedance (of for example close to zero for the frequencies of interest that are generally in the range between 20 Hz and 5 kHz (especially if reduction of ambient sound is important),for example 50-500 Hz (especially if the reduction of bone conducted sound is the primary issue), especially around 100-250 Hz) is reached.
  • the electrical admittance/impedance will in addition to depending on the target acoustic impedance also depend on the transducer characteristics. Determination of the electrical impedance may be done by simulation on the basis of known characteristics of the electroacoustic transducer or experiment, or both.
  • the choice of the electroacoustic transducer may be made in view of the desired property that the acoustic impedance in the range of 100-250 Hz is substantially reduced by the approach according to the present invention, compared to the prior art.
  • Simulations show that it is beneficial to have a receiver with at least one of a high force factor (Bl), a high effective area (Sd), low mechanical stiffness, i.e. high mechanical compliance (Cms), low moving mass (Mms).
  • a small DC resistance (Re) and/or a small mechanical friction value (Rms) may be beneficial
  • the design of the volumes (front/back/others) of the electroacoustic transducer and the connections between these and to the environment (front- and back-vents front-back connections etc.) may be influenced by the application taught herein (sensorless control).
  • the purpose of the entire acoustic design, including the speaker, may be to achieve a minimal output impedance.
  • system calibration may include an individualization step in which the frequency dependent, possibly negative shunt impedance (shunt admittance) is calibrated during usage, for example by continuously measuring the electric or acoustic impedance.
  • the shunt control may be steered during usage, for example based on clipping detection and/or instability detection.

Landscapes

  • Physics & Mathematics (AREA)
  • Engineering & Computer Science (AREA)
  • Acoustics & Sound (AREA)
  • Signal Processing (AREA)
  • Circuit For Audible Band Transducer (AREA)

Abstract

A hearing device comprises an earpiece adapted to fit the ear canal of a user, so as to separate an inner ear canal volume rom an outside. The hearing device comprises an electroacoustic transducer (11) in acoustic communication with the inner ear canal volume, the electroacoustic transducer (11) being capable of transforming an electrical signal between terminals (16, 17) into an acoustic signal. The hearing device is also equipped to process hearing device input into a wanted signal, to use the wanted signal to obtain a transducer input signal, and to apply the transducer input signal to the terminals (16, 17) of the electroacoustic transducer (11). The hearing device is further equipped to measure a physical signal at the terminals (16, 17) and to use the measured physical signal as another input quantity for obtaining the transducer input signal.

Description

  • The invention is in the field hearing devices. Hearing devices as described in this text on the one hand are hearing aids, i.e., medical devices that help someone hard of hearing to better hear ambient sound. Hearing aids are configured to capture ambient sound, to process the thus obtained signal in a frequency dependent manner, and to emit a processed sound signal, which is usually amplified at least for some frequencies, into the hear canal. On the other hand, hearing devices as described in this text comprise other devices that produce sound in the ear, especially consumer electronic devices, such as earphones or hearables.
  • Thus, a hearing device according to the definition used herein has an electroacoustic transducer ('loudspeaker', 'speaker', also called 'receiver', especially if the hearing device is a hearing aid) and is equipped to feed a wanted signal to the electroacoustic transducer for producing a wanted sound signal in a volume in front of the eardrum. A hearing device may comprise one or more outer microphones to pick up ambient sound and/or an interface to an external device, for example a phone or other consumer electronics device for obtaining the wanted signal.
  • Hearing devices often comprise an earpiece (they may consist of such earpiece) placed in an outer part of the ear canal and closing off the ear canal. In case of hearing aids, in such a case one often speaks about 'closed fitting' hearing aids.
  • Closed fittings of hearing aids on the one hand provide benefits in terms of "sound cleaning" (because there is less direct sound the beamformer provides more benefit) and in terms of sound reproduction (there is less low-frequency loss of aided sound, and there are less feedback problems). On the other hand, they cause a well-known own-voice problem, the so-called "Occlusion effect". Such occlusion effect may also be experienced - and perceived to be uncomfortable - by wearers of other hearing devices than hearing aids, such as earphones or hearables. It is - in all kinds of hearing devices - also present if there is a remaining, well-defined acoustical path between ambient and the inner canal volume, such as a via Back-Vent of the receiver and from there via the receiver to the inner ear canal volume.
  • According to the prior art, a first category of solutions comprises accepting trade-offs: One can either decide on open fittings and accept that there are limited benefits (this is mostly the preferred approach in cases of mild hearing losses), or one decides on closed fittings accompanied by counseling.
  • A second category of solution focuses on active noise control (ANC) involving a closed-loop feedback using an ear canal microphone. The sound in the ear canal is picked up, and a counter noise is generated, i.e., sound waves equal to the emitted sound but with opposed polarity are emitted into the ear canal. The use of ear canal microphones has both, limits and disadvantages.
  • An even further principle is a so-called "active sound absorber" suggested by Langberg in US 5,267,321 . Langberg suggest to measure the velocity of the diaphragm of the electroacoustic transducer of a hearing aid by a sensing winding in the transducer and by using a discriminator circuit to subtract the driver-current induced voltage portion across the sensing winding from the total voltage across the sensing winding. The resulting sensed motional signal is fed to a frequency-shaping network that determines a feedback transimpedance and is combined with a reference signal to yield the driver current for the electroacoustic transducer, whereby the sensed motional signal acts as a positive feedback signal. This approach in contrast to ANC does not require an inner microphone. However, it makes a sensing winding in the electroacoustic transducer necessary, and this necessitates a different transducer design, including the additional sensing winding and a further, third terminal. Also, the discriminator circuit requires a transformer in the hearing aid electronics. Therefore, implementation of the active sound absorber in a hearing aid comes with substantial additional cost and substantial space requirements both, in the transducer and in the electronic, as well as with additional power consumption due to the discriminator circuit.
  • It is an object of the present invention to provide approaches overcoming drawbacks of prior art approaches, and especially to provide ways of resolving the own-voice problem in closed or semi-closed/semi-open fittings without the need for an ear canal microphone (a so-called "sensorless control") and without the disadvantages of the prior art "acoustic sound absorber".
  • According to the invention, a hearing device (hearing aid, earphone, hearable, etc.) is provided, the hearing device comprising an earpiece, which may be adapted to separate an ear canal volume of a user's ear canal from an outside. The ear canal volume may comprise the entire ear canal or only a portion thereof, for example only an inner portion (portion close to the eardrum). In this text, the ear canal volume is often termed "inner ear canal volume".
  • For example, the earpiece may be an earpiece adapted to fit to the ear canal of the user so as to at least partially sit in the ear canal or at its entrance..
  • If the hearing device is a behind-the ear hearing aid, the earpiece is connected, by a connection comprising a tube and/or a wire, to a behind-the-ear component of the hearing aid. If the hearing device is an in-the-ear hearing aid, an in-the-canal hearing aid or a completely-in-the-canal hearing aid, an earphone or a hearable, the hearing device may consist of the earpiece, i.e., the earpiece may constitute the entire hearing device. For in-the-ear hearing devices, the hearing device's receiver may be in the ear canal or may at least partially be outside of the ear canal, for example in the concha, such as by a retaining structure. The earpiece is an earpiece that may provide occlusion. More in general, the earpiece may be configured to act as an acoustical barrier between the outside and a volume between earpiece and eardrum.
  • The earpiece may be an individually adapted earpiece or alternatively a generic earpiece fitting to the ear canal (to lie within the ear canal and/or at its entrance) without individual adaptation (generic domes or the like). Also, the earpiece may be adapted to sit entirely within the ear canal, or alternatively it may be adapted to partially or fully occlude the ear canal by being placed at its entrance. Further, the earpiece may be one side of a circum-aural headphone that separates the inner ear canal volume from the outside by sitting on the user's head and surrounding the ear.
  • The hearing device comprises an electroacoustic transducer (receiver, loudspeaker) in acoustic communication with the inner ear canal volume. The electroacoustic transducer has, as known in the art, two electrical terminals (one of the terminals for example being connected to ground and thereby for example being constituted by an electrically conducting housing) between which an electrical transducer input signal can be applied, so that the transducer transforms it into an acoustic signal. The hearing device further has a wanted sound signal path, i.e., it is equipped to process a hearing device input into a wanted signal, and to produce the (electrical) transducer input signal applied to the terminals of the electroacoustic transducer from the wanted signal.
  • In this, the hearing device input may comprise an ambient signal picked up by one or more outer microphones. In addition or as an alternative, it may comprise an audio signal received from an external device via an appropriate interface. The hearing device input in general comprises a signal or signal combination that is incident on the hearing device and from which the hearing instrument derives the wanted signal. The hearing aid input may comprise acoustic input (such as incident ambient sound) and/or an electrical signal as input (such as audio signal picked up by a communication interface).
  • The wanted signal is an electrical signal that represents the acoustic signal the user of the hearing device should hear.
  • The hearing device is further equipped to measure a physical signal between the two terminals of the receiver and to use the measured physical signal as an input quantity for obtaining the transducer input signal.
  • Thus, for obtaining the electrical transducer input signal, in addition to the hearing device input, also the measured physical signal is used as an input quantity, in a feedback loop. Hence, the invention proposes to measure directly how the electroacoustic transducer itself 'responds' to the applied transducer input signal. This is based on the insight that the electroacoustic transducer is a bi-directional element - the voltage at the electrical input (between the terminals) depends on the acoustic load condition and on the acoustic signal present in the ear canal. While in the prior art there have been suggestions to use a speaker as a microphone instead of using it to produce an acoustic signal, the present invention is based on the approach that the electroacoustic transducer is used both, for producing sound and sensing sound concurrently.
  • The measured physical signal may thus for example be a voltage between the terminals if the electrical transducer input signal is applied as a current signal, or it may be a current flowing into the electroacoustic transducer if the electrical transducer input signal is applied as a voltage signal.
  • By the approach of using the measured physical signal as a further input quantity, in addition to the wanted signal, for calculating the transducer input signal, the invention effectively proposes to apply a frequency dependent, possibly negative, constant or possibly not constant electrical shunt to the terminals of the electroacoustic transducer.
  • In particular, the possibly preprocessed measured physical signal may be subject to an admittance transfer function or an impedance transfer function (depending on whether it is a voltage or a current) to yield a transfer signal. Thus, the transfer signal may result from a transfer impedance or transfer admittance applied to the quantity derived from the measured physical signal. In this, the transfer impedance or transfer admittance may be frequency dependent. However, in embodiments it may be constant over time, or it may be constant over time at least for a certain hearing device program. Especially, the admittance transfer function or impedance transfer function may be implemented by adaptive filtering so as to yield adaptation to the environment ('adaptive sensorless control').
  • The transfer signal may then be added to the wanted signal to yield the transducer input signal. Thereby, the transducer input signal may effectively correspond to a signal that results from applying the wanted signal to the transducer if the transducer is shunted by a frequency dependent, possibly negative electrical shunt.
  • By choosing, in the described manner, the electrical impedance between the terminals, the acoustic impedance of the transducer can be adjusted to a desired value. For example, the acoustic impedance may be adjusted to be close to zero, so that a vibrational source such as the own voice gives rise to a minimal sound pressure only, whereby the occlusion effect is efficiently eliminated.
  • The admittance/impedance transfer may be adapted to individual properties, such as the resonance situation in the ear canal, and/or on possible hearing loss. It is even possible that the admittance/impedance transfer function is different from being constant and is for example dynamically adapted to the situation. For example, the admittance/impedance transfer may be chosen to be different in quiet environments compared to noisy environments, etc., and/or may be actively adjustable by the wearer to meet their comfort needs.
  • The admittance/impedance transfer function may in embodiments be an adaptive filter.
  • In contrast to the prior art solutions ANC and "active sound absorber", in the approach according to aspects of the invention neither a separate inner microphone is necessary for yielding a feedback signal, nor a separate sensing winding inside the electroacoustic transducer, but a signal resulting at the terminal itself is used for obtaining a feedback.
  • Nevertheless, the feedback loop according to the present invention allows to give the electroacoustic transducer a desired sound absorbing characteristic or even the characteristic of a negative sound reflector, i.e., an in-the ear canal sound attenuation characteristic. By giving the electroacoustic transducer a double function and causing it to produce a sound signal and at the same time, while the sound signal is being produced, using the electroacoustic transducer for sensing a feedback signal, an efficient way to implement an in-the-ear canal sound pressure reduction is achieved - without any requirement of there being a modified electroacoustic transducer with a separate, third terminal, or of there being an additional, inner microphone. Thereby, compared to the prior art the cost is lower, as are the space requirement and maintenance requirements. Also, integration in existing systems is more straightforward.
  • The present invention is therefore suited for in-ear voice attenuation especially for reducing occlusion in closed fitting set-ups. By attenuating direct sound, it may in addition or as an alternative contribute to an improved signal-to-noise ratio.
  • While the approach described in this text may replace the feedback-active noise control (and thereby make a separate, inner microphone obsolete), it is also possible to combine these two approaches. In this the approach according to the present invention (possibly even implemented in an analog manner) will provide additional robustness.
  • Rather, the electroacoustic transducer may be a standard speaker, such as a single coil speaker, for example a moving coil receiver or a balanced armature receiver.
  • The electroacoustic transducer may especially have exactly two terminals. It is possible, that, as usual, one of the terminals is connected to ground so that effectively only one dedicated electrical lead connects the electroacoustic transducer with the hearing device's electronics. The receiver, in contrast to the prior art does, therefore not require any measuring coil or similar and hence does not require any modifications compared to known and widely used receivers for hearing aids or consumer electronic hearing devices.
  • The fact that the admittance transfer function or impedance transfer function may be applied to a preprocessed measured physical signal (and not necessarily directly to the unprocessed measured physical signal) means the following: In addition to being subject to analog-to-digital conversion if the admittance transfer function or impedance transfer function is applied in the digital domain, the physical signal may also be corrected for an influence of the wanted signal on the physical signal to be reduced or eliminated. Especially, the wanted signal may be combined with (for example subtracted from; possibly after appropriate filtering) the physical signal to account for the fact that the measured physical signal in addition to the sound pressure in the ear canal is also influenced by the transducer input signal and hence also by the wanted signal.
  • For obtaining the electrical transducer input signal from the hearing device input and the measured physical signal, the hearing device comprises a signal processing stage, especially a digital signal processing stage. Especially, for example in addition to processing of the hearing device input into the wanted signal, also the impedance transfer function may be implemented digitally, i.e., in embodiments, for example, the frequency dependent shunt admittance/impedance may be determined by digital filter coefficients. For enabling digital processing, the hearing device may comprise an analog-to-digital converter for converting the measured physical signal into a digital signal.
  • If the measured physical signal is a voltage signal, and the transducer input signal is a current signal, the hearing device may comprise a voltage-to-current conversion stage, such as a voltage-controlled-current-source (VCCS). This voltage-to-current conversion stage may be an analog device. Then, in order to avoid any necessity for more than one digital-to-analog converter, the adding of the transfer signal to the wanted signal may take place in the digital domain, before the conversion into an analog signal. The wanted signal may then be provided as a digital representation of the voltage signal, too, i.e., the effect of the voltage-to-current transfer (which takes place in the analog domain after the summation) is compensated in an according calculation step.
  • For receiving the hearing device input, the hearing device may comprise one or more of the following:
    • An outer microphone or a plurality of outer microphones for picking up an incident ambient sound signal.
    • An interface, such as a wireless interface for receiving an audio signal from a remote device. An example of such interface is a Bluetooth interface.
    • An interface, such as a wireless interface, for receiving a signal from the other hearing device in case of a binaural hearing device system.
  • Processing the hearing device input into the wanted signal may comprise the digital signal processing steps as known per se for signal processing in hearing aids, namely one or more of monaural beamforming (if more than one outer microphone is present), binaural beamforming, sound cleaning, in particular noise cancelling (cancelling of wind noise, reverberation, feedback, etc.), applying a frequency dependent, user specific gain, influencing the dynamics (suppression of too loud sound), frequency shifting, etc. Signal processing may optionally comprise new approaches like Artificial Intelligence (AI), use of a Neural Networks (NN), such as aDeep Neural Networks (DNN), and/or machine learning, etc.
  • Alternatively (this applies both, to hearing aids and to other hearing devices), processing the hearing device input may comprise receiving the input as wireless signal and transforming it into a voltage or current signal. Of course, also combinations are possible, in which the hearing device input comprises both, ambient sound picked up by at least one microphone and an audio signal from an external device, and the wanted signal is based on both.
  • As briefly mentioned hereinbefore, according to a group of embodiments, the signal processing stage may be equipped for comparing the wanted signal and the measured physical signal to obtain information on sound portions in the ear canal that do not stem from the transducer output. Especially, a subtraction of the wanted signal and the measured physical signal from each other (either one or both appropriately filtered) may yield an adjusted physical signal being the physical signal with eliminated (for example subtracted) portions stemming from the wanted signal, and it is this adjusted physical signal that may be processed into the transfer signal.
  • Such adjusted physical signal, due to the fact that the portions stemming from the wanted signal are eliminated, may serve as an estimate of acoustic signal portions not corresponding to the wanted signal, i.e., the bone conducted sound portions, especially of the own voice, as well as ambient signal portions propagating into the ear canal. Thereby, the electroacoustic transducer serves as a kind of inner microphone simultaneously with serving as a loudspeaker producing the wanted sound, and simultaneously with serving as a sound attenuation or sound cancelling device.
  • The adjusted physical signal, therefore, provides an estimate of bone conducted sound as a by-product of the approach according to aspects of the present invention. The estimate may be used for special purposes, such as for discriminating between situation in which the user speaks and situations in which she/he doesn't, and/or such as using the estimate (possible after appropriate filtering, for example equalizing to correct for a predominance of low frequency portions) for communication with a further user or device, in that the estimate is sent to a remote device via an appropriate interface.
  • In addition to concerning a hearing device, the present invention also concerns a method of processing a signal in a hearing device, substantially as described in this text referring to the hearing device and as defined in the claims.
  • In special embodiments, the method may comprise the additional step of calculating, from the measured receiver signal and from the calculated wanted sound signal, an estimate of the own voice, especially be a comparison of the measured receiver signal and of the wanted sound signal as described in this text. Such estimate may be used for influencing the processing in the hearing device - for example, the processing may be made dependent on whether or not the user speaks. In addition or as an alternative, such estimate of the own voice may be subject to a filtering and then may be used as voice signal for communicating with a remote device. There are also other possible uses for an own voice estimate being a by-product of the occlusion suppression approach taught in this text.
  • Hereinafter, basic principles as well as embodiments of the invention are described referring to drawings. The drawings show:
  • Fig. 1
    an occluded ear canal;
    Fig. 2
    an occluded ear canal with a vent, according to the prior art;
    Fig.3
    an occluded ear canal with Active Noise Cancelling (ANC), according to the prior art;
    Fig. 4
    the principle of shunting an electroacoustic transducer, as used in embodiments of the present invention;
    Fig. 5
    a scheme of shunting an electroacoustic transducer by using a physical signal at the entrance of the electroacoustic transducer for shunting the electroacoustic transducer;
    Fig. 6
    an embodiment of a hearing device according to the present invention, the hearing device being hearing aid including a wanted signal path;
    Fig. 7
    a variant of the embodiment of Fig. 6;
    Figs. 8-10
    embodiments of hearing aids with different measurement principles; and
    Fig. 11
    an embodiment of a hearing device with a communication interface.
  • Figure 1 illustrates an ear canal 1 that on one side is terminated by the tympanic membrane (eardrum) 2. An inner ear canal volume 3 is terminated by the eardrum 2 on one side and by a closed-fitting earpiece 10 on the other side. The closed-fitting earpiece 10 may comprise a receiver 11 (electroacoustic transducer), or may be, for example via tubing, in acoustic communication with a receiver. Bone conducted sound leading to a bone conduction caused volume flow qbc is coupled into the inner ear canal volume 3. Due to the earpiece 10 closing off the inner ear canal volume and the rather high impedance Zdr of the eardrum, this volume flow encounters a high resistance, i.e. the impedance Z=p/q (p being the pressure) of the ear canal becomes very high due to the closed fitting earpiece 10. This leads to a high sound pressure pdr at the eardrum, especially at low frequencies. This high sound pressure caused by bone conducted sound is perceived by the user as the occlusion effect.
  • A first prior art solution to this problem ( Figure 2 ) is to provide the earpiece with a vent 12. However, in order to be sufficiently effective also for low frequencies, the aspect ratio of the vent 12 must not be too high, and for high aspect ratios (to be more precise: high ratios between the length and the cross section areas for a given residual volume), the benefits of the closed fitting approach, especially high possible amplification without any feedback problems, are at least partially lost.
  • A second prior art solution ( Figure 3 ) is active occlusion control (active noise control ANC). An ear canal microphone 14 in the earpiece or in acoustic communication therewith picks up sound in the ear canal. An active occlusion control electronic unit 15 separates undesired bone conducted sound from possible desired sound emitted into the ear by the receiver and eliminates this by active noise reduction (ANR) in a closed feedback loop.
  • In contrast to active occlusion control, the present invention is directed to resolving the own-voice (bone conducted sound) problem in closed fittings without the use of an ear canal microphone ("sensorless control"). A possible principle is illustrated in Figure 4. The two terminals 16, 17 of the receiver are connected via a shunt 21 having a shunt impedance Zsh. The impedance Zsh of the shunt is frequency-dependent and may be negative. It may be chosen so that the resulting acoustic impedance is close to zero, i.e., so that a sound flow originating from bone conduction qbc results in only minimal sound pressure. Especially, at frequencies of for example between 100 Hz and 250 Hz (the frequency range of fundamental frequencies of the human voice, where the occlusion effect is especially pronounced), the acoustic impedance may be smaller than the far field acoustic impedance ρc, whereby the electroacoustic transducer effectively serves as negative reflector, especially, for example at least for some frequencies between 100 Hz and 250 Hz.
  • As an alternative to an analog implementation, it is possible to implement the shunt impedance by digital electronics. Thereby, impedances of almost any desired value, including negative values, can be implemented. The impedance may especially have frequency dependent values. Implementation is possible both, by means of the digital signal processor (DSP) of the hearing device, as well as by means of a hardware accelerator (for example having further functions, such as serving as dedicated digital filter)) - or alternatively by any digital electronic device available, including a special-purpose device.
  • Figure 5 depicts an according scheme. The voltage signal U measured on the input side of the receiver 11 between the terminals 16, 17 is subject to a digitally implemented admittance transfer function (admittance transfer calculation stage 31), i.e., a current I signal is calculated to correspond to I=YU with Y being a generally frequency dependent desired admittance. The thus calculated signal ('transfer signal') is transformed into a physical current I by a for example analog voltage-to-current conversion stage 32, and the receiver is subject to this current.
  • In this - and generally in all embodiments of the present invention, as described hereinafter - the receiver may be a receiver of the known kind and may be an off-the-shelf product. For example, the receiver may be a receiver as known for hearing devices of the kind described herein. Especially, the receiver may have the two terminals 16, 17 only, i.e. may be a single coil receiver.
  • The admittance can have small (frequency dependent) values and can even be negative. Thereby, the receiver may have the mentioned negative reflection coefficient, i.e. it can minimize sound than is incident on it, so that the receiver may effectively act as noise canceller without the need for an inner microphone.
  • If the concept of Fig. 5 is implemented, the receiver 11 effectively acts to reduce sound in the ear canal. In reality, in a hearing device, the receiver 11 in addition has the function of producing a sound signal in the ear canal. Thus, the wanted sound signal has to be added to the calculated admittance transfer signal.
  • This is illustrated in Figure 6 . In the shown embodiment, the hearing device is a hearing aid having two outer microphones 41 picking up ambient sound. The according signals are subject to a hearing aid gain stage 42 in which a frequency dependent signal processing, which depends on the needs of the person wearing the hearing aid, is carried out. This signal processing may include sound cleaning and a user adapted gain model as well as, possibly, beamforming. Frequency dependent signal processing in hearing aids is known in the art, and the details of the model are not relevant for the present invention. Therefore, the particulars of the hearing aid gain stage 42, as well as a possible equalizing stage 43 (that may be integrated in the gain stage), are not described in any more detail here. A summation stage 44 adds the hearing aid gain signal (wanted sound signal) to the impedance transfer signal.
  • A dashed connection 45 between the hearing aid gain stage 42 (and/or the equalizing stage 43) and the admittance transfer calculation stage 31 illustrates the possibility that the wanted sound signal - or other information about the incident sound and/or the sound produced in the ear canal - may be used as a further input quantity for calculating the transfer signal.
  • For example, the impedance at the receiver input side may be made dependent on the wanted signal, i.e. depending on the acoustic situation the wearer is in, the impedance need not be constant. For example, if the hearing aid perceives that the user is in a non-speaking situation (or if the hearing aid is set into an according mode), the admittance transfer function implementation 31 may be switched off, or the admittance may be set to a lower value than in a speaking situation, so as to provide more acoustic gain. Also, it is possible to implement the admittance transfer function by an adaptive filter, thus resulting in adaptive sensorless control.
  • Especially, as schematically shown in Figure 7 , the hearing device wanted signal may be combined with - optionally after some filtering (not shown in Fig. 7) -the measured receiver signal, especially by subtracting the wanted signal from the measured receiver signa, or vice versa (the sign not being of importance, as the sign of the admittance transfer function can be positive or negative), so that the signal that is subject to the admittance transfer function comprises those parts of the signal that do not come from the receiver itself.
  • A comparison of the measured receiver signal and of the wanted sound signal - especially a subtraction of the measured receiver signal from the wanted sound signal - also yields information on those parts of the acoustic signal in the ear canal that do not stem from the wanted sound signal, but especially from the own voice of the wearer of the hearing device. This may be used to pick up the own voice in the ear canal without the need for an inner microphone.
  • In Figs. 5-7, conversions between the analog domain and the digital domain are not illustrated. In reality, there has to be such transformation if the hearing aid gain stage 42 and the admittance transfer calculation stage 31 work in the digital domain.
  • Figure 8 shows an according example with analog-to-digital converters 51 between the microphones 41 and the hearing aid gain stage (Fig. 8 illustrates a combined hearing aid gain and equalizing stage 46) and with digital-to-analog converters 52 at the output of the hearing aid gain calculation stage (and optional equalizing stage) 46 on the one hand and at the output of the admittance transfer calculation stage 31 on the other hand. The summation then takes place in the analog domain (summation stage 44).
  • This set-up of Fig. 8 features the disadvantage that two digital-to-analog converters are required. Figure 9 depicts an alternative architecture with just a single digital-to-analog converter 52. The summation then takes place in the digital domain (summation stage 44). Because the voltage-to-current conversion stage 32 is necessarily in the analog domain, in this architecture the sum of the wanted hearing aid signal and the transfer signal is subject to the voltage-to-current conversion and not only the admittance transfer signal as in the embodiment of Fig. 8. Therefore, the hearing aid wanted signal is subject to a voltage-to-current transfer compensation (voltage-to-current transfer compensation stage 61, especially implemented by a digital filter) prior to being subject to summation, i.e., the wanted signal is represented as a digital voltage signal when subject to the summation and not as a current signal as for example in Fig. 8. In practice, the voltage-to-current transfer compensation may be integrated in the calculation of the wanted signal.
  • Because the topology of the system includes a feedback loop, signal processing has to be very fast. Delays of a plurality of milliseconds are in many situations not tolerable. In set-ups as shown for example in Fig. 9, in addition to the hearing aid gain and equalizing stage 46, also the impedance transfer calculation stage 31 and the summation stage 44 are in the digital domain. In order to keep latency low, the different stages may be physically implemented in different parts of the hearing device digital electronics. For example, while the hearing aid gain calculating and equalizing stage may be implemented in the hearing aid's digital signal processor (DSP), it is an option to realize the impedance transfer calculation stage 31 in a hearing aid's hardware accelerator (such as a dedicated Bi-Quad filter), this having the advantage that calculation is very quick and does not load the DSP. In addition or as an alternative, it is an option to implement the summation stage in the digital-to-analog converter 52. Also in embodiments with these stages implemented in the hardware accelerator and/or the DAC , the voltage-to-current transfer compensation stage 61 may be realized by the hearing aid's digital signal processor (DSP), i.e. the DSP may directly output the wanted signal as a signal compensated for the voltage-to-current transfer.
  • Figure 10 shows an alternative principle: The receiver 11 is fed with a voltage signal from the digital-to-analog converter 52 without any voltage-to-current conversion, and a current measuring stage 64 measures the current drawn by the receiver. The measured current signal is then (after analog-to-digital conversion and optionally subtraction of the possibly filtered (Filter 71) wanted hearing aid signal) fed to an impedance transfer calculation stage 63. The resulting transfer signal is, for example still in the digital domain so that only one digital-to-analog converter is needed, added to the hearing aid wanted signal (summation stage 44) to yield the voltage signal fed to the receiver 11 after digital-to-analog conversion.
  • Figure 11 depicts a variant in which the outer microphones 41 and the associated analog-to-digital converters 51 are replaced (for a hearing device being different from a hearing aid, for example a hearable) or supplemented (dashed line; if the hearing device is a hearing aid or other hearing device that is equipped to pick up ambient sound) by a wireless communication interface 67. A processing stage 66 may optionally, in addition to processing the hearing device input into the wanted signal, also estimate the (mainly bone conducted) own voice portion of the measured physical signal and for example transfer the same to a remote device via the wireless communication interface 67.
  • In many embodiments, the admittance transfer function or impedance transfer function will be determined so that a desired target acoustic impedance (of for example close to zero for the frequencies of interest that are generally in the range between 20 Hz and 5 kHz (especially if reduction of ambient sound is important),for example 50-500 Hz (especially if the reduction of bone conducted sound is the primary issue), especially around 100-250 Hz) is reached. The electrical admittance/impedance will in addition to depending on the target acoustic impedance also depend on the transducer characteristics. Determination of the electrical impedance may be done by simulation on the basis of known characteristics of the electroacoustic transducer or experiment, or both.
  • Also the choice of the electroacoustic transducer may be made in view of the desired property that the acoustic impedance in the range of 100-250 Hz is substantially reduced by the approach according to the present invention, compared to the prior art. Simulations show that it is beneficial to have a receiver with at least one of a high force factor (Bl), a high effective area (Sd), low mechanical stiffness, i.e. high mechanical compliance (Cms), low moving mass (Mms). Also, a small DC resistance (Re) and/or a small mechanical friction value (Rms) may be beneficial
  • Also the design of the volumes (front/back/others) of the electroacoustic transducer and the connections between these and to the environment (front- and back-vents front-back connections etc.) may be influenced by the application taught herein (sensorless control). The purpose of the entire acoustic design, including the speaker, may be to achieve a minimal output impedance.
  • Especially, system calibration may include an individualization step in which the frequency dependent, possibly negative shunt impedance (shunt admittance) is calibrated during usage, for example by continuously measuring the electric or acoustic impedance. The shunt control may be steered during usage, for example based on clipping detection and/or instability detection.
  • For fitting, in principle same aspects/considerations apply as for Active Occlusion Control / Feedback-Active Noise Control.
  • The embodiments described in this text so far all have one speaker. However, the approach according to the invention also works for more than one electroacoustic transducer, for example two electroacoustic transducers. If two receivers are used, two digital-to-analog converters (DACs) may be required. The use of an analog audio crossover instead of a second DAC is not excluded, however.

Claims (15)

  1. A hearing device, comprising an earpiece, the hearing device comprising an electroacoustic transducer (11) in acoustic communication with an ear canal volume (3), the electroacoustic transducer (11) being capable of transforming an electrical signal between terminals (16, 17) into an acoustic signal, the hearing device being equipped to process a hearing device input into a wanted signal, to use the wanted signal to obtain a transducer input signal, and to apply the transducer input signal to the terminals (16, 17) of the electroacoustic transducer (11), characterized in that the hearing device is equipped to measure a physical signal at the terminals (16, 17) and to use the measured physical signal as an input quantity for obtaining the transducer input signal.
  2. The hearing device according to claim 2, wherein the earpiece is adapted to separate the ear canal volume (3) of an ear canal of a user from an outside
  3. The hearing device according to claim 1 or 2, being equipped to determine, from the measured physical signal, a transfer signal, wherein determining the transfer signal comprises applying an admittance transfer function or an impedance transfer function to a quantity derived from the measured physical signal.
  4. The hearing device according to claim 3, being equipped to add the transfer signal to the wanted signal to obtain the transducer input signal.
  5. The hearing device according to claim 3 or 4, wherein the quantity to which the admittance transfer function or impedance transfer function is applied is a difference between the measured physical signal and the wanted signal.
  6. The hearing device according to claim 5, wherein the wanted signal and/or the measured physical signal is subject to filtering before the combination is made.
  7. The hearing device according to any one claims 3-6, comprising a digital signal processing stage, wherein the digital signal processing stage is equipped to apply the admittance transfer function or the impedance transfer function.
  8. The hearing device according to any one of claims 3-7, wherein the transfer signal corresponds to a transfer impedance or transfer admittance being applied to the quantity derived from the measured physical signal, wherein the transfer impedance or transfer admittance is frequency dependent but independent of the time and/or wherein transfer impedance or transfer admittance is time variant and is implemented by an adaptive filter.
  9. The hearing device according to any one of claims 3-8, wherein the admittance transfer function or impedance transfer function causes the electroacoustic transducer (11) to act as a negative reflector for sound in the inner ear canal volume (3).
  10. The hearing device according to any one of the previous claims, wherein the transducer input signal is a current signal, and wherein the measured physical signal is a voltage between the terminals.
  11. The hearing device according to claim 10, further comprising an analog voltage-to-current conversion stage (32).
  12. The hearing device according to claim 11, comprising a digital signal processing stage, and further comprising a digital-to-analog converter (52), wherein an output of the a digital-to-analog converter (52) is connected to an input of the voltage-to-current conversion stage (32), and wherein the digital signal processing stage is equipped to add the transfer signal and the wanted signal and to feed the result to an input of the digital-to-analog converter (52)
  13. The hearing device according to any one claims 1-9, wherein the transducer input signal is a voltage signal, and wherein the measured physical signal is a current flowing into one of the terminals.
  14. The hearing device according to any one of the previous claims, further comprising at least one outer microphone (41), wherein the hearing device input comprises a signal measured by the at least one outer microphone (41).
  15. A method of processing a signal in a hearing device that comprises an earpiece and that comprises an electroacoustic transducer (11) in acoustic communication with an ear canal volume (3), the method comprising the steps of processing a hearing device input into a wanted signal, from using the wanted signal to obtain a transducer input signal, and applying the transducer input signal to terminals (16, 17) of the electroacoustic transducer (11), characterized by the further step of measuring a physical signal at the terminals (16, 17) and of using the physical signal as an input quantity for obtaining the transducer input signal.
EP21186454.1A 2021-07-19 2021-07-19 Hearing instrument Active EP4124060B1 (en)

Priority Applications (2)

Application Number Priority Date Filing Date Title
DK21186454.1T DK4124060T3 (en) 2021-07-19 2021-07-19 Høreapparat
EP21186454.1A EP4124060B1 (en) 2021-07-19 2021-07-19 Hearing instrument

Applications Claiming Priority (1)

Application Number Priority Date Filing Date Title
EP21186454.1A EP4124060B1 (en) 2021-07-19 2021-07-19 Hearing instrument

Publications (2)

Publication Number Publication Date
EP4124060A1 true EP4124060A1 (en) 2023-01-25
EP4124060B1 EP4124060B1 (en) 2025-03-26

Family

ID=76971761

Family Applications (1)

Application Number Title Priority Date Filing Date
EP21186454.1A Active EP4124060B1 (en) 2021-07-19 2021-07-19 Hearing instrument

Country Status (2)

Country Link
EP (1) EP4124060B1 (en)
DK (1) DK4124060T3 (en)

Citations (2)

* Cited by examiner, † Cited by third party
Publication number Priority date Publication date Assignee Title
US5267321A (en) 1991-11-19 1993-11-30 Edwin Langberg Active sound absorber
US20180084328A1 (en) * 2015-03-26 2018-03-22 Carl Von Ossietzky Universität Oldenburg Method for operating an electroacoustic system and electroacoustic system

Patent Citations (2)

* Cited by examiner, † Cited by third party
Publication number Priority date Publication date Assignee Title
US5267321A (en) 1991-11-19 1993-11-30 Edwin Langberg Active sound absorber
US20180084328A1 (en) * 2015-03-26 2018-03-22 Carl Von Ossietzky Universität Oldenburg Method for operating an electroacoustic system and electroacoustic system

Non-Patent Citations (1)

* Cited by examiner, † Cited by third party
Title
SCHWEITZER C ET AL: "SOLVING THE "OCCLUSION EFFECT" ELECTRONICALLY", HEARING INSTRUMENTS, HARCOURT BRACE JOVANOVICH PUBL. DULUTH, MINNESOTA, US, vol. 43, no. 6, 1 June 1992 (1992-06-01), pages 30, 32 - 33, XP000291648, ISSN: 0092-4466 *

Also Published As

Publication number Publication date
DK4124060T3 (en) 2025-04-28
EP4124060B1 (en) 2025-03-26

Similar Documents

Publication Publication Date Title
CN110636424B (en) Hearing devices including feedback reduction systems
US10957301B2 (en) Headset with active noise cancellation
US11729557B2 (en) Hearing device comprising a microphone adapted to be located at or in the ear canal of a user
US9374638B2 (en) Method of performing an RECD measurement using a hearing assistance device
US8144891B2 (en) Earphone set
JP6495448B2 (en) Self-voice blockage reduction in headset
US20230421971A1 (en) Hearing aid comprising an active occlusion cancellation system
CN102972043A (en) headset
US20220279288A1 (en) Binaural hearing system comprising bilateral compression
Kumar et al. Acoustic Feedback Noise Cancellation in Hearing Aids Using Adaptive Filter
EP1093700A1 (en) High quality open-canal sound transduction device and method
US11862138B2 (en) Hearing device comprising an active emission canceller
CN116709116A (en) Sound signal processing method and earphone device
EP4124060B1 (en) Hearing instrument
WO2021058506A1 (en) A method of operating an ear level audio system and an ear level audio system
US12238473B2 (en) Apparatus and method for performing active occlusion cancellation with audio hear-through
US20210368280A1 (en) Method for operating a hearing aid and hearing aid
US20250301251A1 (en) Hearing device and a method of adjusting a sidetone gain in a hearing device
CN121418745A (en) Method for operating a hearing instrument
CN121099246A (en) Methods of operating hearing devices and hearing devices
Chaisakul et al. On the use of linear prediction for Acoustic Feedback Cancellation in multi-band hearing aids

Legal Events

Date Code Title Description
PUAI Public reference made under article 153(3) epc to a published international application that has entered the european phase

Free format text: ORIGINAL CODE: 0009012

STAA Information on the status of an ep patent application or granted ep patent

Free format text: STATUS: THE APPLICATION HAS BEEN PUBLISHED

AK Designated contracting states

Kind code of ref document: A1

Designated state(s): AL AT BE BG CH CY CZ DE DK EE ES FI FR GB GR HR HU IE IS IT LI LT LU LV MC MK MT NL NO PL PT RO RS SE SI SK SM TR

STAA Information on the status of an ep patent application or granted ep patent

Free format text: STATUS: REQUEST FOR EXAMINATION WAS MADE

17P Request for examination filed

Effective date: 20230724

RBV Designated contracting states (corrected)

Designated state(s): AL AT BE BG CH CY CZ DE DK EE ES FI FR GB GR HR HU IE IS IT LI LT LU LV MC MK MT NL NO PL PT RO RS SE SI SK SM TR

GRAP Despatch of communication of intention to grant a patent

Free format text: ORIGINAL CODE: EPIDOSNIGR1

STAA Information on the status of an ep patent application or granted ep patent

Free format text: STATUS: GRANT OF PATENT IS INTENDED

INTG Intention to grant announced

Effective date: 20241016

GRAS Grant fee paid

Free format text: ORIGINAL CODE: EPIDOSNIGR3

GRAA (expected) grant

Free format text: ORIGINAL CODE: 0009210

STAA Information on the status of an ep patent application or granted ep patent

Free format text: STATUS: THE PATENT HAS BEEN GRANTED

AK Designated contracting states

Kind code of ref document: B1

Designated state(s): AL AT BE BG CH CY CZ DE DK EE ES FI FR GB GR HR HU IE IS IT LI LT LU LV MC MK MT NL NO PL PT RO RS SE SI SK SM TR

REG Reference to a national code

Ref country code: GB

Ref legal event code: FG4D

REG Reference to a national code

Ref country code: CH

Ref legal event code: EP

REG Reference to a national code

Ref country code: DE

Ref legal event code: R096

Ref document number: 602021028040

Country of ref document: DE

REG Reference to a national code

Ref country code: IE

Ref legal event code: FG4D

REG Reference to a national code

Ref country code: DK

Ref legal event code: T3

Effective date: 20250423

PG25 Lapsed in a contracting state [announced via postgrant information from national office to epo]

Ref country code: RS

Free format text: LAPSE BECAUSE OF FAILURE TO SUBMIT A TRANSLATION OF THE DESCRIPTION OR TO PAY THE FEE WITHIN THE PRESCRIBED TIME-LIMIT

Effective date: 20250626

PG25 Lapsed in a contracting state [announced via postgrant information from national office to epo]

Ref country code: FI

Free format text: LAPSE BECAUSE OF FAILURE TO SUBMIT A TRANSLATION OF THE DESCRIPTION OR TO PAY THE FEE WITHIN THE PRESCRIBED TIME-LIMIT

Effective date: 20250326

REG Reference to a national code

Ref country code: LT

Ref legal event code: MG9D

PG25 Lapsed in a contracting state [announced via postgrant information from national office to epo]

Ref country code: NO

Free format text: LAPSE BECAUSE OF FAILURE TO SUBMIT A TRANSLATION OF THE DESCRIPTION OR TO PAY THE FEE WITHIN THE PRESCRIBED TIME-LIMIT

Effective date: 20250626

PG25 Lapsed in a contracting state [announced via postgrant information from national office to epo]

Ref country code: HR

Free format text: LAPSE BECAUSE OF FAILURE TO SUBMIT A TRANSLATION OF THE DESCRIPTION OR TO PAY THE FEE WITHIN THE PRESCRIBED TIME-LIMIT

Effective date: 20250326

PG25 Lapsed in a contracting state [announced via postgrant information from national office to epo]

Ref country code: LV

Free format text: LAPSE BECAUSE OF FAILURE TO SUBMIT A TRANSLATION OF THE DESCRIPTION OR TO PAY THE FEE WITHIN THE PRESCRIBED TIME-LIMIT

Effective date: 20250326

PG25 Lapsed in a contracting state [announced via postgrant information from national office to epo]

Ref country code: GR

Free format text: LAPSE BECAUSE OF FAILURE TO SUBMIT A TRANSLATION OF THE DESCRIPTION OR TO PAY THE FEE WITHIN THE PRESCRIBED TIME-LIMIT

Effective date: 20250627

Ref country code: BG

Free format text: LAPSE BECAUSE OF FAILURE TO SUBMIT A TRANSLATION OF THE DESCRIPTION OR TO PAY THE FEE WITHIN THE PRESCRIBED TIME-LIMIT

Effective date: 20250326

REG Reference to a national code

Ref country code: NL

Ref legal event code: MP

Effective date: 20250326

PG25 Lapsed in a contracting state [announced via postgrant information from national office to epo]

Ref country code: NL

Free format text: LAPSE BECAUSE OF FAILURE TO SUBMIT A TRANSLATION OF THE DESCRIPTION OR TO PAY THE FEE WITHIN THE PRESCRIBED TIME-LIMIT

Effective date: 20250326

PG25 Lapsed in a contracting state [announced via postgrant information from national office to epo]

Ref country code: SE

Free format text: LAPSE BECAUSE OF FAILURE TO SUBMIT A TRANSLATION OF THE DESCRIPTION OR TO PAY THE FEE WITHIN THE PRESCRIBED TIME-LIMIT

Effective date: 20250326

REG Reference to a national code

Ref country code: AT

Ref legal event code: MK05

Ref document number: 1780186

Country of ref document: AT

Kind code of ref document: T

Effective date: 20250326

PG25 Lapsed in a contracting state [announced via postgrant information from national office to epo]

Ref country code: SM

Free format text: LAPSE BECAUSE OF FAILURE TO SUBMIT A TRANSLATION OF THE DESCRIPTION OR TO PAY THE FEE WITHIN THE PRESCRIBED TIME-LIMIT

Effective date: 20250326

PG25 Lapsed in a contracting state [announced via postgrant information from national office to epo]

Ref country code: PT

Free format text: LAPSE BECAUSE OF FAILURE TO SUBMIT A TRANSLATION OF THE DESCRIPTION OR TO PAY THE FEE WITHIN THE PRESCRIBED TIME-LIMIT

Effective date: 20250728

Ref country code: ES

Free format text: LAPSE BECAUSE OF FAILURE TO SUBMIT A TRANSLATION OF THE DESCRIPTION OR TO PAY THE FEE WITHIN THE PRESCRIBED TIME-LIMIT

Effective date: 20250326

PGFP Annual fee paid to national office [announced via postgrant information from national office to epo]

Ref country code: DK

Payment date: 20250725

Year of fee payment: 5

Ref country code: DE

Payment date: 20250729

Year of fee payment: 5

PG25 Lapsed in a contracting state [announced via postgrant information from national office to epo]

Ref country code: PL

Free format text: LAPSE BECAUSE OF FAILURE TO SUBMIT A TRANSLATION OF THE DESCRIPTION OR TO PAY THE FEE WITHIN THE PRESCRIBED TIME-LIMIT

Effective date: 20250326

Ref country code: IT

Free format text: LAPSE BECAUSE OF FAILURE TO SUBMIT A TRANSLATION OF THE DESCRIPTION OR TO PAY THE FEE WITHIN THE PRESCRIBED TIME-LIMIT

Effective date: 20250326

PGFP Annual fee paid to national office [announced via postgrant information from national office to epo]

Ref country code: GB

Payment date: 20250728

Year of fee payment: 5

PG25 Lapsed in a contracting state [announced via postgrant information from national office to epo]

Ref country code: AT

Free format text: LAPSE BECAUSE OF FAILURE TO SUBMIT A TRANSLATION OF THE DESCRIPTION OR TO PAY THE FEE WITHIN THE PRESCRIBED TIME-LIMIT

Effective date: 20250326

PGFP Annual fee paid to national office [announced via postgrant information from national office to epo]

Ref country code: FR

Payment date: 20250725

Year of fee payment: 5

PG25 Lapsed in a contracting state [announced via postgrant information from national office to epo]

Ref country code: EE

Free format text: LAPSE BECAUSE OF FAILURE TO SUBMIT A TRANSLATION OF THE DESCRIPTION OR TO PAY THE FEE WITHIN THE PRESCRIBED TIME-LIMIT

Effective date: 20250326

PG25 Lapsed in a contracting state [announced via postgrant information from national office to epo]

Ref country code: RO

Free format text: LAPSE BECAUSE OF FAILURE TO SUBMIT A TRANSLATION OF THE DESCRIPTION OR TO PAY THE FEE WITHIN THE PRESCRIBED TIME-LIMIT

Effective date: 20250326

PG25 Lapsed in a contracting state [announced via postgrant information from national office to epo]

Ref country code: SK

Free format text: LAPSE BECAUSE OF FAILURE TO SUBMIT A TRANSLATION OF THE DESCRIPTION OR TO PAY THE FEE WITHIN THE PRESCRIBED TIME-LIMIT

Effective date: 20250326

PG25 Lapsed in a contracting state [announced via postgrant information from national office to epo]

Ref country code: IS

Free format text: LAPSE BECAUSE OF FAILURE TO SUBMIT A TRANSLATION OF THE DESCRIPTION OR TO PAY THE FEE WITHIN THE PRESCRIBED TIME-LIMIT

Effective date: 20250726

PG25 Lapsed in a contracting state [announced via postgrant information from national office to epo]

Ref country code: CZ

Free format text: LAPSE BECAUSE OF FAILURE TO SUBMIT A TRANSLATION OF THE DESCRIPTION OR TO PAY THE FEE WITHIN THE PRESCRIBED TIME-LIMIT

Effective date: 20250326

PLBE No opposition filed within time limit

Free format text: ORIGINAL CODE: 0009261

STAA Information on the status of an ep patent application or granted ep patent

Free format text: STATUS: NO OPPOSITION FILED WITHIN TIME LIMIT

REG Reference to a national code

Ref country code: CH

Ref legal event code: L10

Free format text: ST27 STATUS EVENT CODE: U-0-0-L10-L00 (AS PROVIDED BY THE NATIONAL OFFICE)

Effective date: 20260211