CN2612205Y - Dual-purpose electronic ballast for fluorescent lamp and gas discharge lamp - Google Patents
Dual-purpose electronic ballast for fluorescent lamp and gas discharge lamp Download PDFInfo
- Publication number
- CN2612205Y CN2612205Y CN03242397.7U CN03242397U CN2612205Y CN 2612205 Y CN2612205 Y CN 2612205Y CN 03242397 U CN03242397 U CN 03242397U CN 2612205 Y CN2612205 Y CN 2612205Y
- Authority
- CN
- China
- Prior art keywords
- circuit
- gas discharge
- dual
- mos transistors
- electronic ballast
- Prior art date
- Legal status (The legal status is an assumption and is not a legal conclusion. Google has not performed a legal analysis and makes no representation as to the accuracy of the status listed.)
- Expired - Fee Related
Links
- 238000004804 winding Methods 0.000 claims abstract description 35
- 239000007858 starting material Substances 0.000 claims abstract description 8
- 238000002955 isolation Methods 0.000 claims abstract 20
- 239000003990 capacitor Substances 0.000 claims description 22
- 230000010356 wave oscillation Effects 0.000 claims description 12
- 238000006243 chemical reaction Methods 0.000 abstract description 3
- 230000004048 modification Effects 0.000 description 7
- 238000012986 modification Methods 0.000 description 7
- 238000010586 diagram Methods 0.000 description 6
- 238000007599 discharging Methods 0.000 description 5
- 239000004065 semiconductor Substances 0.000 description 4
- 238000005516 engineering process Methods 0.000 description 2
- 230000008676 import Effects 0.000 description 2
- 239000000463 material Substances 0.000 description 2
- 230000001681 protective effect Effects 0.000 description 2
- 230000002159 abnormal effect Effects 0.000 description 1
- 230000008901 benefit Effects 0.000 description 1
- 238000010891 electric arc Methods 0.000 description 1
- 230000006872 improvement Effects 0.000 description 1
- 239000000696 magnetic material Substances 0.000 description 1
- 238000000034 method Methods 0.000 description 1
- 230000002093 peripheral effect Effects 0.000 description 1
- 230000002035 prolonged effect Effects 0.000 description 1
- 230000001737 promoting effect Effects 0.000 description 1
- 230000009467 reduction Effects 0.000 description 1
- 238000004904 shortening Methods 0.000 description 1
- 230000007704 transition Effects 0.000 description 1
Images
Classifications
-
- Y—GENERAL TAGGING OF NEW TECHNOLOGICAL DEVELOPMENTS; GENERAL TAGGING OF CROSS-SECTIONAL TECHNOLOGIES SPANNING OVER SEVERAL SECTIONS OF THE IPC; TECHNICAL SUBJECTS COVERED BY FORMER USPC CROSS-REFERENCE ART COLLECTIONS [XRACs] AND DIGESTS
- Y02—TECHNOLOGIES OR APPLICATIONS FOR MITIGATION OR ADAPTATION AGAINST CLIMATE CHANGE
- Y02B—CLIMATE CHANGE MITIGATION TECHNOLOGIES RELATED TO BUILDINGS, e.g. HOUSING, HOUSE APPLIANCES OR RELATED END-USER APPLICATIONS
- Y02B20/00—Energy efficient lighting technologies, e.g. halogen lamps or gas discharge lamps
Landscapes
- Circuit Arrangements For Discharge Lamps (AREA)
Abstract
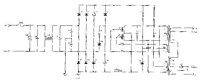
本实用新型涉及一种荧光灯/气体放电灯两用电子镇流器,对现有“气体放电灯用电子镇流器”电路进行改进性设计,而能用于气体放电灯和荧光灯。包括顺序连接的直流电源电路,无源功率因数校正电路,逆变电路和升压启辉电路。由低通滤波电路和二极管桥式整流电路连接构成直流电源电路,完成交直流变换;无源功率因数校正电路可由典型的逐流电路构成,用于提高对电网的利用率和降低镇流器对电网的干扰;逆变电路可采用推挽式或半桥式变型劳耶尔正弦波振荡电路,将输入信号变为高频高压正弦波信号;升压启辉电路则采用多个隔离变压器,初级绕组并联、次级绕组串联,进行变压器升压输出,启动放电灯,或通过增设次级绕组预热灯丝点燃荧光灯。
The utility model relates to a dual-purpose electronic ballast for fluorescent lamps/gas discharge lamps, which is designed to improve the existing "electronic ballasts for gas discharge lamps" circuit and can be used for both gas discharge lamps and fluorescent lamps. It includes a sequentially connected DC power supply circuit, a passive power factor correction circuit, an inverter circuit and a step-up starter circuit. The DC power supply circuit is composed of a low-pass filter circuit and a diode bridge rectifier circuit to complete the AC-DC conversion; the passive power factor correction circuit can be composed of a typical flow-by-flow circuit, which is used to improve the utilization of the power grid and reduce the impact of the ballast on the power grid. Power grid interference; the inverter circuit can use a push-pull or half-bridge modified Lauyer sine wave oscillator circuit to convert the input signal into a high-frequency and high-voltage sine wave signal; the boost starter circuit uses multiple isolation transformers, and the primary The windings are connected in parallel and the secondary windings are connected in series to boost the output of the transformer to start the discharge lamp, or preheat the filament to ignite the fluorescent lamp by adding a secondary winding.
Description
Claims (10)
Priority Applications (1)
| Application Number | Priority Date | Filing Date | Title |
|---|---|---|---|
| CN03242397.7U CN2612205Y (en) | 2003-03-26 | 2003-03-26 | Dual-purpose electronic ballast for fluorescent lamp and gas discharge lamp |
Applications Claiming Priority (1)
| Application Number | Priority Date | Filing Date | Title |
|---|---|---|---|
| CN03242397.7U CN2612205Y (en) | 2003-03-26 | 2003-03-26 | Dual-purpose electronic ballast for fluorescent lamp and gas discharge lamp |
Publications (1)
| Publication Number | Publication Date |
|---|---|
| CN2612205Y true CN2612205Y (en) | 2004-04-14 |
Family
ID=34168714
Family Applications (1)
| Application Number | Title | Priority Date | Filing Date |
|---|---|---|---|
| CN03242397.7U Expired - Fee Related CN2612205Y (en) | 2003-03-26 | 2003-03-26 | Dual-purpose electronic ballast for fluorescent lamp and gas discharge lamp |
Country Status (1)
| Country | Link |
|---|---|
| CN (1) | CN2612205Y (en) |
Cited By (3)
| Publication number | Priority date | Publication date | Assignee | Title |
|---|---|---|---|---|
| CN102316653A (en) * | 2011-09-05 | 2012-01-11 | 日银Imp微电子有限公司 | Electronic ballast for cold cathode fluorescent lamp |
| CN101626195B (en) * | 2008-07-11 | 2012-02-29 | 广州金升阳科技有限公司 | Micropower power supply converting circuit |
| CN109121272A (en) * | 2018-09-15 | 2019-01-01 | 徐宇伟 | A kind of discharge lamp with low-voltage intelligent formula starting ballasting circuit |
-
2003
- 2003-03-26 CN CN03242397.7U patent/CN2612205Y/en not_active Expired - Fee Related
Cited By (5)
| Publication number | Priority date | Publication date | Assignee | Title |
|---|---|---|---|---|
| CN101626195B (en) * | 2008-07-11 | 2012-02-29 | 广州金升阳科技有限公司 | Micropower power supply converting circuit |
| CN102316653A (en) * | 2011-09-05 | 2012-01-11 | 日银Imp微电子有限公司 | Electronic ballast for cold cathode fluorescent lamp |
| CN102316653B (en) * | 2011-09-05 | 2013-08-14 | 日银Imp微电子有限公司 | Electronic ballast for cold cathode fluorescent lamp |
| CN109121272A (en) * | 2018-09-15 | 2019-01-01 | 徐宇伟 | A kind of discharge lamp with low-voltage intelligent formula starting ballasting circuit |
| CN109121272B (en) * | 2018-09-15 | 2024-04-02 | 徐宇伟 | Discharge lamp with low-voltage intelligent starting ballasting circuit |
Similar Documents
| Publication | Publication Date | Title |
|---|---|---|
| CN1348676A (en) | High power electronic ballast with an integrated magnetic component | |
| US8427064B2 (en) | Electronic ballast circuit for fluorescent lamps | |
| KR20030022413A (en) | High efficiency driver apparatus for driving a cold cathode fluorescent lamp | |
| Tao et al. | Self-oscillating electronic ballast with dimming control | |
| US20120194070A1 (en) | Operating an electrodeless discharge lamp | |
| Tsay et al. | Development of the versatile electronic ballast for metal halide lamps with phase-shift soft-switching control | |
| CN2612205Y (en) | Dual-purpose electronic ballast for fluorescent lamp and gas discharge lamp | |
| Lin et al. | A novel single-stage push-pull electronic ballast with high input power factor | |
| CN201114931Y (en) | Electronic Ballast for Low Power Metal Halide Lamp | |
| CN101518159B (en) | Electronic ballast with improved inverter starting circuit | |
| Zhao et al. | A high efficiency DC/DC converter as the front-end stage of high intensity discharge lamp ballasts for automobiles | |
| CN2694703Y (en) | High intensity gas-discharge lamp electronic ballast | |
| CN2543321Y (en) | Low-cost electronic ballast for high-intensity gas discharge lamp | |
| van Casteren et al. | Transition mode stacked buck converter for HID lamps | |
| CN2507134Y (en) | High-frequency electrode free lamp | |
| CN2438295Y (en) | Low cost electronic ballast for high-power and high-intensity gas discharge lamp | |
| CN100553397C (en) | An electronic ballast for high-intensity gas discharge lamps | |
| CN2465438Y (en) | High pressure gas lamp power supply | |
| US8138682B2 (en) | Symmetrical RF power supply for inductively coupled electrodeless lamps | |
| TWI448203B (en) | Full-bridge electronic ballast with continuous-current-mode charge pump pfc circuit having resonant tank | |
| CN201467547U (en) | Electronic ballasts for high pressure gas lamps | |
| CN101336034B (en) | Dielectric barrier discharge lamp system and driving method thereof | |
| Díaz Rodríguez et al. | Power source electronic ballast for electrodeless fluorescent lamps | |
| Campos et al. | Fixed frequency self-oscillating electronic ballast to supply multiple lamps | |
| Lam et al. | A novel concept of employing current source inverter in valley fill electronic ballasts with dimming capability and low crest factor |
Legal Events
| Date | Code | Title | Description |
|---|---|---|---|
| C14 | Grant of patent or utility model | ||
| GR01 | Patent grant | ||
| ASS | Succession or assignment of patent right |
Owner name: BEIJING TAITONG LIGHTING TECHNOLOGY CO., LTD. Free format text: FORMER OWNER: BEIJING TAIGE FENGLIAN TECHNOLOGY DEVELOPMENT CO., LTD. Effective date: 20050121 |
|
| C41 | Transfer of patent application or patent right or utility model | ||
| TR01 | Transfer of patent right |
Effective date of registration: 20050121 Address after: 100085 Beijing city Haidian Qinghe Xiao Ying Dong Lu Hou Tun Bada Industrial Park Patentee after: Taitong Lighting Technology Co., Ltd., Beijing Address before: 100085, Beijing, Haidian District, 11 clear road 2877 box, Beijing tiger Feng Technology Development Co., Ltd. Patentee before: Taigefenglian Sci-Tech Development Co Ltd |
|
| C19 | Lapse of patent right due to non-payment of the annual fee | ||
| CF01 | Termination of patent right due to non-payment of annual fee |
