CN219238704U - 一种喷墨打印用相片纸生产复卷设备 - Google Patents
一种喷墨打印用相片纸生产复卷设备 Download PDFInfo
- Publication number
- CN219238704U CN219238704U CN202320157855.XU CN202320157855U CN219238704U CN 219238704 U CN219238704 U CN 219238704U CN 202320157855 U CN202320157855 U CN 202320157855U CN 219238704 U CN219238704 U CN 219238704U
- Authority
- CN
- China
- Prior art keywords
- connecting pipe
- fixedly connected
- paper production
- base
- wall
- Prior art date
- Legal status (The legal status is an assumption and is not a legal conclusion. Google has not performed a legal analysis and makes no representation as to the accuracy of the status listed.)
- Active
Links
- 238000007641 inkjet printing Methods 0.000 title claims abstract description 29
- 238000004519 manufacturing process Methods 0.000 title claims abstract description 21
- 238000004804 winding Methods 0.000 claims description 8
- 230000000149 penetrating effect Effects 0.000 claims description 3
- 230000006978 adaptation Effects 0.000 description 2
- 238000012986 modification Methods 0.000 description 2
- 230000004048 modification Effects 0.000 description 2
- 238000007639 printing Methods 0.000 description 2
- 239000000853 adhesive Substances 0.000 description 1
- 230000001070 adhesive effect Effects 0.000 description 1
- 230000009286 beneficial effect Effects 0.000 description 1
- 238000005056 compaction Methods 0.000 description 1
- 238000005516 engineering process Methods 0.000 description 1
- 238000001125 extrusion Methods 0.000 description 1
- 238000009434 installation Methods 0.000 description 1
Images
Classifications
-
- Y—GENERAL TAGGING OF NEW TECHNOLOGICAL DEVELOPMENTS; GENERAL TAGGING OF CROSS-SECTIONAL TECHNOLOGIES SPANNING OVER SEVERAL SECTIONS OF THE IPC; TECHNICAL SUBJECTS COVERED BY FORMER USPC CROSS-REFERENCE ART COLLECTIONS [XRACs] AND DIGESTS
- Y02—TECHNOLOGIES OR APPLICATIONS FOR MITIGATION OR ADAPTATION AGAINST CLIMATE CHANGE
- Y02P—CLIMATE CHANGE MITIGATION TECHNOLOGIES IN THE PRODUCTION OR PROCESSING OF GOODS
- Y02P70/00—Climate change mitigation technologies in the production process for final industrial or consumer products
- Y02P70/10—Greenhouse gas [GHG] capture, material saving, heat recovery or other energy efficient measures, e.g. motor control, characterised by manufacturing processes, e.g. for rolling metal or metal working
Landscapes
- Replacement Of Web Rolls (AREA)
Abstract
本实用新型公开了一种喷墨打印用相片纸生产复卷设备,包括底座,所述底座内固定连接有工作台,所述底座尾端对称的固定连接有安装座,两个所述安装座相对一侧分别设置有第一连接管和第二连接管,所述第一连接管和第二连接管外壁均套设有回转支承,所述回转支承外圈通过螺栓与安装座侧壁固定连接,所述第一连接管和第二连接管外套设有连接环,本实用新型通过将套设有收卷辊的转轴放置在支撑板顶部的凹槽中,通过环板滑动插头,插头插入转轴的插孔中,环板侧壁与支撑板侧壁贴合,并转动第一连接管和第二连接管上的顶紧螺栓,将插头锁紧,实现转轴的快速安装,反之实现转轴的快速安装,方便收卷辊的拆卸和安装。
Description
技术领域
本实用新型涉及相片纸生产技术领域,具体是一种喷墨打印用相片纸生产复卷设备。
背景技术
相片纸,是指打印相片时使用的一种纸,有一定的厚度和硬度要求,分为高光相片纸、绒面相片纸、亚高光相片纸、专业相片纸、无光泽相片纸和背胶相片纸等。目前,在相片纸的生产过程中,需要对相片纸进行复卷操作,以将比较松软纸卷进行更加紧实的卷绕,因此在进行复卷时需要用到相应的喷墨打印用相片纸生产复卷设备。
申请号为202122041024.X公开了一种喷墨打印用相片纸生产复卷设备,包括底座和挤压轮,所述底座顶部的一端通过紧固螺钉安装有第一U形支架,所述底座顶部的另一端通过紧固螺钉安装有第二U形支架,所述第一U形支架的一端设置有第一切割刀片,所述第二U形支架的一端设置有第二切割刀片,所述底座顶部的两侧均开设有预留槽,但是,装置中收卷辊的安装和拆卸比较麻烦,不方便收卷辊的更换。
实用新型内容
本实用新型的目的在于提供一种喷墨打印用相片纸生产复卷设备,以解决上述背景技术中提出的问题。
为实现上述目的,本实用新型提供如下技术方案:
一种喷墨打印用相片纸生产复卷设备,包括底座,所述底座内固定连接有工作台,所述底座尾端对称的固定连接有安装座,两个所述安装座相对一侧分别设置有第一连接管和第二连接管,所述第一连接管和第二连接管外壁均套设有回转支承,所述回转支承外圈通过螺栓与安装座侧壁固定连接,所述第一连接管和第二连接管外套设有连接环,所述连接环通过螺栓与回转支承内圈固定连接,所述第一连接管和第二连接管中滑动卡接有插头,所述第一连接管和第二连接管外壁螺纹连接有顶紧螺栓,安装有第一连接管的安装座外侧固定连接有电机,所述电机输出端贯穿安装座与第一连接管端部固定连接,所述安装座之间设置有转轴,所述转轴两端开设有与插头相适配的卡孔,所述卡孔与插头卡接,所述转轴上套设有收卷辊。
作为本实用新型进一步的方案:所述插头外壁按圆周均匀的固定连接有限位条,所述第一连接管和第二连接管以及卡孔内壁开设有限位条相适配的导向槽。
作为本实用新型再进一步的方案:所述插头外壁固定连接有环板。
作为本实用新型再进一步的方案:所述转轴外壁在收卷辊两端对称的固定连接有限位套,所述限位套上贯穿的螺纹连接有锁紧螺栓。
作为本实用新型再进一步的方案:所述安装座顶部固定连接有支撑板,所述支撑板顶部设置有凹槽。
作为本实用新型再进一步的方案:所述工作台两侧与底座之间均设置有预留槽,所述工作台两侧在预留槽内固定连接有刀片。
作为本实用新型再进一步的方案:所述底座上方跨设有门型安装架,所述门型安装架通过螺栓与底座侧壁固定连接,所述门型安装架内壁顶部在工作台顶部均匀等距的设置有连接管,所述连接管顶部固定连接有连接板,所述连接板顶部通过螺栓与门型安装架内壁顶部固定连接,所述连接管底部转动连接有螺纹套,所述连接管内设置有螺杆,所述螺杆顶部固定连接有滑块,所述滑块与连接管内壁滑动连接,所述螺杆底端贯穿螺纹套,且螺杆与螺纹套螺纹连接,所述螺杆底端固定连接有连接座,所述连接座上转动连接有滚轮。
与现有技术相比,本实用新型的有益效果是:
本实用新型通过将套设有收卷辊的转轴放置在支撑板顶部的凹槽中,通过环板滑动插头,插头插入转轴的插孔中,环板侧壁与支撑板侧壁贴合,并转动第一连接管和第二连接管上的顶紧螺栓,将插头锁紧,实现转轴的快速安装,反之实现转轴的快速安装,方便收卷辊的拆卸和安装。
本实用新型通过转动螺纹套,螺纹套驱动螺杆移动,螺杆带着连接座上的滚轮对需要复卷的喷墨打印用相片纸进行轻微压紧,减少喷墨打印用相片纸复卷时产生偏移。
附图说明
图1为一种喷墨打印用相片纸生产复卷设备的结构示意图。
图2为一种喷墨打印用相片纸生产复卷设备中门型安装架的结构示意图。
图3为一种喷墨打印用相片纸生产复卷设备中收卷机构的侧视图。
图4为图3中A处的局部放大图。
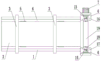
图中:1、底座;2、工作台;3、门型安装架;4、预留槽;5、刀片;6、安装座;7、电机;8、连接板;9、连接管;10、螺纹套;11、连接座;12、滚轮;13、滑块;14、螺杆;15、回转支承;16、第一连接管;17、第二连接管;18、转轴;19、收卷辊;20、支撑板;21、限位套;22、连接环;23、插头;24、环板;25、限位条;26、导向槽;27、卡孔。
实施方式
下面将结合本实用新型实施例中的附图,对本实用新型实施例中的技术方案进行清楚、完整地描述,显然,所描述的实施例仅仅是本实用新型一部分实施例,而不是全部的实施例。基于本实用新型中的实施例,本领域普通技术人员在没有做出创造性劳动前提下所获得的所有其他实施例,都属于本实用新型保护的范围。
请参阅图1~4,本实用新型实施例中,一种喷墨打印用相片纸生产复卷设备,包括底座1,底座1内固定连接有工作台2,底座1尾端对称的固定连接有安装座6,两个安装座6相对一侧分别设置有第一连接管16和第二连接管17,第一连接管16和第二连接管17外壁均套设有回转支承15,回转支承15外圈通过螺栓与安装座6侧壁固定连接,第一连接管16和第二连接管17外套设有连接环22,连接环22通过螺栓与回转支承15内圈固定连接,第一连接管16和第二连接管17中滑动卡接有插头23,第一连接管16和第二连接管17外壁螺纹连接有顶紧螺栓,安装有第一连接管16的安装座6外侧固定连接有电机7,电机7输出端贯穿安装座6与第一连接管16端部固定连接,安装座6之间设置有转轴18,转轴18两端开设有与插头23相适配的卡孔27,卡孔27与插头23卡接,转轴18上套设有收卷辊19,电机7外接有电机7和控制器。
插头23外壁按圆周均匀的固定连接有限位条25,第一连接管16和第二连接管17以及卡孔27内壁开设有限位条25相适配的导向槽26,插头23外壁固定连接有环板24。
转轴18外壁在收卷辊19两端对称的固定连接有限位套21,限位套21上贯穿的螺纹连接有锁紧螺栓,限位套21避免收卷辊19收卷时产生偏移。
安装座6顶部固定连接有支撑板20,支撑板20顶部设置有凹槽,支撑板20对收卷辊19进行支撑。
工作台2两侧与底座1之间均设置有预留槽4,工作台2两侧在预留槽4内固定连接有刀片5,刀片5对需要复卷的喷墨打印用相片纸进行切边,同时预留槽4对切边产生的碎屑进行收集,减少碎屑四处飞溅。
底座1上方跨设有门型安装架3,门型安装架3通过螺栓与底座1侧壁固定连接,门型安装架3内壁顶部在工作台2顶部均匀等距的设置有连接管9,连接管9顶部固定连接有连接板8,连接板8顶部通过螺栓与门型安装架3内壁顶部固定连接,连接管9底部转动连接有螺纹套10,连接管9内设置有螺杆14,螺杆14顶部固定连接有滑块13,滑块13与连接管9内壁滑动连接,螺杆14底端贯穿螺纹套10,且螺杆14与螺纹套10螺纹连接,螺杆14底端固定连接有连接座11,连接座11上转动连接有滚轮12,滚轮12方向与喷墨打印用相片纸运动方向相同,通过转动螺纹套10,螺纹套10驱动螺杆14移动,螺杆14带着连接座11上的滚轮12对需要复卷的喷墨打印用相片纸进行轻微压紧,减少喷墨打印用相片纸复卷时产生偏移。
本实用新型的工作原理是:
使用时,通过将套设有收卷辊19的转轴18放置在支撑板20顶部的凹槽中,通过环板24滑动插头23,插头23插入转轴18的卡孔27中,环板24侧壁与支撑板20侧壁贴合,并转动第一连接管16和第二连接管17上的顶紧螺栓,将插头23锁紧,需要复卷的喷墨打印用相片纸依次穿过滚轮12下方,并与收卷辊19相连接,动螺纹套10,螺纹套10驱动螺杆14移动,螺杆14带着连接座11上的滚轮12对需要复卷的喷墨打印用相片纸进行轻微压紧,减少喷墨打印用相片纸复卷时产生偏移,电机7工作,电机7输出端通过第一连接管16驱动转轴18转动,转轴18带着收卷辊19对需要复卷的喷墨打印用相片纸进行复卷,移动的喷墨打印用相片纸被刀片5进行切边,预留槽4对切边产生的碎屑进行收集,减少碎屑四处飞溅。
尽管参照前述实施例对本实用新型进行了详细的说明,对于本领域的技术人员来说,其依然可以对前述各实施例所记载的技术方案进行修改,或者对其中部分技术特征进行等同替换,凡在本实用新型的精神和原则之内,所作的任何修改、等同替换、改进等,均应包含在本实用新型的保护范围之内。
Claims (7)
1.一种喷墨打印用相片纸生产复卷设备,包括底座(1),其特征在于:所述底座(1)内固定连接有工作台(2),所述底座(1)尾端对称的固定连接有安装座(6),两个所述安装座(6)相对一侧分别设置有第一连接管(16)和第二连接管(17),所述第一连接管(16)和第二连接管(17)外壁均套设有回转支承(15),所述回转支承(15)外圈通过螺栓与安装座(6)侧壁固定连接,所述第一连接管(16)和第二连接管(17)外套设有连接环(22),所述连接环(22)通过螺栓与回转支承(15)内圈固定连接,所述第一连接管(16)和第二连接管(17)中滑动卡接有插头(23),所述第一连接管(16)和第二连接管(17)外壁螺纹连接有顶紧螺栓,安装有第一连接管(16)的安装座(6)外侧固定连接有电机(7),所述电机(7)输出端贯穿安装座(6)与第一连接管(16)端部固定连接,所述安装座(6)之间设置有转轴(18),所述转轴(18)两端开设有与插头(23)相适配的卡孔(27),所述卡孔(27)与插头(23)卡接,所述转轴(18)上套设有收卷辊(19)。
2.根据权利要求1所述的一种喷墨打印用相片纸生产复卷设备,其特征在于:所述插头(23)外壁按圆周均匀的固定连接有限位条(25),所述第一连接管(16)和第二连接管(17)以及卡孔(27)内壁开设有限位条(25)相适配的导向槽(26)。
3.根据权利要求1所述的一种喷墨打印用相片纸生产复卷设备,其特征在于:所述插头(23)外壁固定连接有环板(24)。
4.根据权利要求1所述的一种喷墨打印用相片纸生产复卷设备,其特征在于:所述转轴(18)外壁在收卷辊(19)两端对称的固定连接有限位套(21),所述限位套(21)上贯穿的螺纹连接有锁紧螺栓。
5.根据权利要求1所述的一种喷墨打印用相片纸生产复卷设备,其特征在于:所述安装座(6)顶部固定连接有支撑板(20),所述支撑板(20)顶部设置有凹槽。
6.根据权利要求1所述的一种喷墨打印用相片纸生产复卷设备,其特征在于:所述工作台(2)两侧与底座(1)之间均设置有预留槽(4),所述工作台(2)两侧在预留槽(4)内固定连接有刀片(5)。
7.根据权利要求1所述的一种喷墨打印用相片纸生产复卷设备,其特征在于:所述底座(1)上方跨设有门型安装架(3),所述门型安装架(3)通过螺栓与底座(1)侧壁固定连接,所述门型安装架(3)内壁顶部在工作台(2)顶部均匀等距的设置有连接管(9),所述连接管(9)顶部固定连接有连接板(8),所述连接板(8)顶部通过螺栓与门型安装架(3)内壁顶部固定连接,所述连接管(9)底部转动连接有螺纹套(10),所述连接管(9)内设置有螺杆(14),所述螺杆(14)顶部固定连接有滑块(13),所述滑块(13)与连接管(9)内壁滑动连接,所述螺杆(14)底端贯穿螺纹套(10),且螺杆(14)与螺纹套(10)螺纹连接,所述螺杆(14)底端固定连接有连接座(11),所述连接座(11)上转动连接有滚轮(12)。
Priority Applications (1)
| Application Number | Priority Date | Filing Date | Title |
|---|---|---|---|
| CN202320157855.XU CN219238704U (zh) | 2023-02-08 | 2023-02-08 | 一种喷墨打印用相片纸生产复卷设备 |
Applications Claiming Priority (1)
| Application Number | Priority Date | Filing Date | Title |
|---|---|---|---|
| CN202320157855.XU CN219238704U (zh) | 2023-02-08 | 2023-02-08 | 一种喷墨打印用相片纸生产复卷设备 |
Publications (1)
| Publication Number | Publication Date |
|---|---|
| CN219238704U true CN219238704U (zh) | 2023-06-23 |
Family
ID=86804850
Family Applications (1)
| Application Number | Title | Priority Date | Filing Date |
|---|---|---|---|
| CN202320157855.XU Active CN219238704U (zh) | 2023-02-08 | 2023-02-08 | 一种喷墨打印用相片纸生产复卷设备 |
Country Status (1)
| Country | Link |
|---|---|
| CN (1) | CN219238704U (zh) |
-
2023
- 2023-02-08 CN CN202320157855.XU patent/CN219238704U/zh active Active
Similar Documents
| Publication | Publication Date | Title |
|---|---|---|
| CN210973419U (zh) | 一种标签印刷用送纸卷纸机 | |
| CN219238704U (zh) | 一种喷墨打印用相片纸生产复卷设备 | |
| CN216335526U (zh) | 一种聚乙烯薄膜分切装置 | |
| CN217102405U (zh) | 一种清洁造纸用分切复卷机 | |
| CN218201561U (zh) | 一种离型纸收卷机构 | |
| CN223722304U (zh) | 一种屏幕防爆膜卷料快速换卷连接组件 | |
| CN212372938U (zh) | 一种不干胶标签加工使用的印刷机 | |
| CN218909238U (zh) | 一种印刷网加工用收卷机 | |
| CN209381619U (zh) | 一种用于圆管的滚印机 | |
| CN223136063U (zh) | 一种钻机旋转平台定位装置 | |
| CN217148158U (zh) | 一种便于更换收卷筒的薄膜卷收装置 | |
| CN220722949U (zh) | 一种多层复合厚膜收卷装置 | |
| CN220097962U (zh) | 一种数码印花进布装置 | |
| CN222181282U (zh) | 一种应用于分切机的新型辊轮 | |
| CN217229573U (zh) | 一种面料加工用卷布设备 | |
| CN222573796U (zh) | 一种膜材料生产用收卷装置 | |
| CN223303835U (zh) | 一种浸胶帆布生产用自动收卷装置 | |
| CN222714663U (zh) | 一种分切机的退纸架 | |
| CN221158116U (zh) | 一种钢材加工用调直装置 | |
| CN219582551U (zh) | 一种数控磨床用主轴支撑装置 | |
| CN223372408U (zh) | 一种薄膜分切装置 | |
| CN222004614U (zh) | 一种具有定位功能的压痕装置 | |
| CN221607283U (zh) | 一种薄膜收卷设备 | |
| CN221343208U (zh) | 一种送纸机构及其分切机 | |
| CN223225434U (zh) | 一种电子胶带复卷机 |
Legal Events
| Date | Code | Title | Description |
|---|---|---|---|
| GR01 | Patent grant | ||
| GR01 | Patent grant |