CN219214726U - Dual electro-mechanical drive assembly and vehicle - Google Patents
Dual electro-mechanical drive assembly and vehicle Download PDFInfo
- Publication number
- CN219214726U CN219214726U CN202320353876.9U CN202320353876U CN219214726U CN 219214726 U CN219214726 U CN 219214726U CN 202320353876 U CN202320353876 U CN 202320353876U CN 219214726 U CN219214726 U CN 219214726U
- Authority
- CN
- China
- Prior art keywords
- planetary
- gear
- drive assembly
- motor
- dual
- Prior art date
- Legal status (The legal status is an assumption and is not a legal conclusion. Google has not performed a legal analysis and makes no representation as to the accuracy of the status listed.)
- Active
Links
Images
Landscapes
- Retarders (AREA)
Abstract
本申请提供一种双电机电驱总成及车辆,双电机电驱总成包括两个电机、两个行星减速器以及两个输出半轴,两个电机、两个行星减速器以及两个输出半轴一一对应传动连接;每个行星减速器包括太阳轮、第一行星轮、第二行星轮、行星架以及齿圈,太阳轮传动连接至电机;第一行星轮与第二行星轮中的一个啮合于太阳轮,另一个啮合于齿圈;行星架设置于第二行星轮远离电机的一侧,行星架与输出半轴传动连接。本申请的双电机电驱总成无需额外机械结构即可实现差速器、差速锁、矢量控制等功能,功率密度大。
The application provides a dual-motor electric drive assembly and a vehicle. The dual-motor electric drive assembly includes two motors, two planetary reducers and two output half shafts, two motors, two planetary reducers and two output shafts. One-to-one transmission connection of half shafts; each planetary reducer includes sun gear, first planetary gear, second planetary gear, planet carrier and ring gear, and the sun gear is connected to the motor; the first planetary gear and the second planetary gear One of them meshes with the sun gear, and the other meshes with the ring gear; the planetary carrier is arranged on the side of the second planetary wheel away from the motor, and the planetary carrier is connected with the output half shaft in transmission. The dual-motor electric drive assembly of the present application can realize functions such as differential gear, differential lock, and vector control without additional mechanical structure, and has high power density.
Description
技术领域technical field
本申请涉及车辆技术领域,尤其涉及一种双电机电驱总成及车辆。The present application relates to the technical field of vehicles, in particular to a dual-motor electric drive assembly and a vehicle.
背景技术Background technique
目前,随着新能源汽车行业的发展,电动汽车已成为发展趋势,电动车的性能越来越受关注。目前市场上的纯电动汽车大多采用单电机或前后双电机方案。由于上述方案需要单电机同时传动连接两个车轮,对单个电机的性能要求较高。并且,为了实现差速器、差速锁、矢量控制等功能,需要在单电机系统中增加大量机械结构,占用较大的空间且体积大以及重量重,限制了高性能电动汽车的发展。At present, with the development of the new energy vehicle industry, electric vehicles have become a development trend, and the performance of electric vehicles has attracted more and more attention. Most of the pure electric vehicles currently on the market use a single motor or front and rear dual motor solutions. Since the above solution requires a single motor to drive and connect two wheels at the same time, the performance requirements for a single motor are relatively high. Moreover, in order to realize functions such as differential, differential lock, and vector control, a large number of mechanical structures need to be added to the single-motor system, which takes up a large space and is bulky and heavy, which limits the development of high-performance electric vehicles.
实用新型内容Utility model content
本申请提供了一种功率密度大的双电机电驱总成及车辆。The present application provides a dual-motor electric drive assembly and a vehicle with high power density.
本申请公开了一种双电机电驱总成,包括两个电机、两个行星减速器以及两个输出半轴,两个所述电机、两个所述行星减速器以及两个所述输出半轴一一对应传动连接;每个所述行星减速器包括太阳轮、第一行星轮、第二行星轮、行星架以及齿圈,所述太阳轮传动连接至所述电机;所述第一行星轮与所述第二行星轮中的一个啮合于所述太阳轮,另一个啮合于所述齿圈;所述行星架设置于所述第二行星轮远离所述电机的一侧,所述行星架与所述输出半轴传动连接。The present application discloses a dual-motor electric drive assembly, including two motors, two planetary reducers and two output half shafts, two motors, two planetary reducers and two output half shafts The shafts are connected in one-to-one correspondence; each of the planetary reducers includes a sun gear, a first planetary gear, a second planetary gear, a planet carrier and a ring gear, and the sun gear is connected to the motor in transmission; the first planetary gear One of the wheel and the second planetary gear is meshed with the sun gear, and the other is meshed with the ring gear; the planet carrier is arranged on the side of the second planetary wheel away from the motor, and the planetary The frame is in transmission connection with the output half shaft.
进一步地,所述第一行星轮与所述太阳轮啮合,所述第二行星轮与所述齿圈啮合。Further, the first planetary gear meshes with the sun gear, and the second planetary gear meshes with the ring gear.
进一步地,所述齿圈位于所述第二行星轮远离所述输出半轴的一侧,且与所述第二行星轮内啮合。Further, the ring gear is located on a side of the second planetary gear away from the output half shaft, and is internally meshed with the second planetary gear.
进一步地,所述行星减速器还包括行星轮轴,所述第一行星轮及所述第二行星轮均围绕所述行星轮轴转动,所述行星轮轴与所述行星架传动连接。Further, the planetary reducer further includes a planetary gear shaft, both the first planetary gear and the second planetary gear rotate around the planetary gear shaft, and the planetary gear shaft is in transmission connection with the planetary carrier.
进一步地,所述电机包括定子与转子,所述转子通过一传动轴与所述太阳轮传动连接。Further, the motor includes a stator and a rotor, and the rotor is in transmission connection with the sun gear through a transmission shaft.
进一步地,所述行星减速器包括多个所述第一行星轮和多个所述第二行星轮,所述第一行星轮与所述第二行星轮数量相等。Further, the planetary reducer includes a plurality of the first planetary gears and a plurality of the second planetary gears, and the number of the first planetary gears is equal to the number of the second planetary gears.
进一步地,两个所述电机位于两个所述行星减速器之间,两个所述输出半轴分别位于两个所述行星减速器的两侧。Further, the two motors are located between the two planetary reducers, and the two output half shafts are respectively located on both sides of the two planetary reducers.
进一步地,两个所述电机、两个所述减速器组件以及两个所述输出半轴分别对称设置。Further, the two motors, the two reducer assemblies and the two output half shafts are respectively arranged symmetrically.
进一步地,所述双电机电驱总成还包括车轮,所述输出半轴传动连接至所述车轮。Further, the dual-motor electric drive assembly further includes wheels, and the output shaft shaft is connected to the wheels.
本申请还公开了一种车辆,包括如上所述的双电机电驱总成。The present application also discloses a vehicle, including the above-mentioned dual-motor electric drive assembly.
本申请的有益效果在于:本申请的双电机电驱总成包括两个电机、两个行星减速器以及两个输出半轴。可通过对两个电机的控制,在无需增加机械机构的情况下实现差速器、差速锁、矢量控制等功能,降低了额外的重量与空间,提升了双电机电驱总成整体的功率密度。The beneficial effect of the present application is that: the dual-motor electric drive assembly of the present application includes two electric motors, two planetary reducers and two output half shafts. Through the control of two motors, functions such as differential, differential lock, and vector control can be realized without adding mechanical mechanisms, which reduces additional weight and space and improves the overall power of the dual-motor electric drive assembly density.
应当理解的是,以上的一般描述和后文的细节描述仅是示例性和解释性的,并不能限制本说明书。It is to be understood that both the foregoing general description and the following detailed description are exemplary and explanatory only and are not restrictive of the specification.
附图说明Description of drawings
此处的附图被并入说明书中并构成本说明书的一部分,示出了符合本说明书的实施例,并与说明书一起用于解释本说明书的原理。The accompanying drawings, which are incorporated in and constitute a part of this specification, illustrate embodiments consistent with the specification and together with the description serve to explain the principles of the specification.
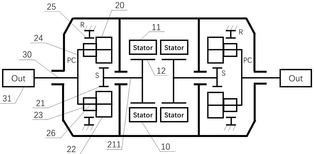
图1是本申请双电机电驱总成的结构示意图。FIG. 1 is a schematic structural view of the dual-motor electric drive assembly of the present application.
图2是图1中行星减速器在直行工作模式下各部件的转速图。Fig. 2 is a rotational speed diagram of various components of the planetary reducer in Fig. 1 in the straight-running working mode.
附图标号说明:10、电机;11、定子;12、转子;20、行星减速器;21、太阳轮;211、传动轴;22、第一行星轮;23、第二行星轮;24、行星架;25、齿圈;26、行星轮轴;30、输出半轴;31、车轮。Description of reference numerals: 10, motor; 11, stator; 12, rotor; 20, planetary reducer; 21, sun gear; 211, transmission shaft; 22, first planetary gear; 23, second planetary gear; 24, planet frame; 25, ring gear; 26, planetary gear shaft; 30, output half shaft; 31, wheel.
具体实施方式Detailed ways
这里将详细地对示例性实施例进行说明,其示例表示在附图中。下面的描述涉及附图时,除非另有表示,不同附图中的相同数字表示相同或相似的要素。以下示例性实施例中所描述的实施方式并不代表与本说明书相一致的所有实施方式。相反,它们仅是与如所附权利要求书中所详述的、本说明书的一些方面相一致的装置和方法的例子。Reference will now be made in detail to the exemplary embodiments, examples of which are illustrated in the accompanying drawings. When the following description refers to the accompanying drawings, the same numerals in different drawings refer to the same or similar elements unless otherwise indicated. The implementations described in the following exemplary examples do not represent all implementations consistent with this specification. Rather, they are merely examples of apparatuses and methods consistent with aspects of the present specification as recited in the appended claims.
在本说明书使用的术语是仅仅出于描述特定实施例的目的,而非旨在限制本说明书。在本说明书和所附权利要求书中所使用的单数形式的“一种”、“所述”和“该”也旨在包括多数形式,除非上下文清楚地表示其他含义。还应当理解,本文中使用的术语“和/或”是指并包含一个或多个相关联的列出项目的任何或所有可能组合。The terms used in this specification are for the purpose of describing particular embodiments only, and are not intended to limit the specification. As used in this specification and the appended claims, the singular forms "a", "the", and "the" are intended to include the plural forms as well, unless the context clearly dictates otherwise. It should also be understood that the term "and/or" as used herein refers to and includes any and all possible combinations of one or more of the associated listed items.
应当理解,尽管在本说明书可能采用术语第一、第二、第三等来描述各种信息,但这些信息不应限于这些术语。这些术语仅用来将同一类型的信息彼此区分开。例如,在不脱离本说明书范围的情况下,第一信息也可以被称为第二信息,类似地,第二信息也可以被称为第一信息。取决于语境,如在此所使用的词语“如果”可以被解释成为“在……时”或“当……时”或“响应于确定”。It should be understood that although the terms first, second, third, etc. may be used in this specification to describe various information, the information should not be limited to these terms. These terms are only used to distinguish information of the same type from one another. For example, without departing from the scope of this specification, first information may also be called second information, and similarly, second information may also be called first information. Depending on the context, the word "if" as used herein may be interpreted as "at" or "when" or "in response to a determination."
接下来对本说明书实施例进行详细说明。Next, the embodiments of this specification will be described in detail.
如图1所示,本申请提供了一种双电机电驱总成,包括两个电机10、两个行星减速器20以及两个输出半轴30。两个电机10、两个行星减速器20及两个输出半轴30一一对应传动连接。As shown in FIG. 1 , the present application provides a dual-motor electric drive assembly, including two
在本实施例中,两个电机10位于两个行星减速器20之间,两个输出半轴30分别位于两个行星减速器20的两侧。并且,两个电机10、两个行星减速器20以及两个输出半轴30分别对称设置。In this embodiment, the two
每个电机10包括固定的定子11与旋转的转子12。转子12可绕自身轴线转动。电机10通过一传动轴211输出扭矩至行星减速器20。传动轴211与转子12传动连接,且传动轴211设置在转子12的旋转轴线上。Each
每个行星减速器20包括太阳轮21、第一行星轮22、第二行星轮23、行星架24、齿圈25以及行星轮轴26。太阳轮21通过传动轴211传动连接至电机10。第一行星轮22与第二行星轮23中的一个啮合于太阳轮21,另一个啮合于齿圈25。在本实施例中,第一行星轮22与太阳轮21啮合,第二行星轮23与齿圈25啮合。Each
每个行星减速器20包括多个第一行星轮22和多个第二行星轮23。第一行星轮22与第二行星轮23的数量相等。可选地,第一行星轮22与第二行星轮23为双联齿轮。第一行星轮22与第二行星轮23均围绕行星轮轴26进行转动。行星轮轴26平行于传动轴211。在行星轮轴26的轴线方向上,第一行星轮22相对靠近电机10,第二行星轮23相对远离电机10。Each
本申请将第一行星轮22与第二行星轮23设置为一体连接的双联齿轮,使电驱总成的整体结构更加紧凑,速比范围更加宽广,极大地优化了电驱总成的工作范围区间。In this application, the first
行星架24与行星轮轴26传动连接,行星架24设置于第二行星轮23远离电机10的一侧。也就是说,第一行星轮22与第二行星轮23均位于行星架24的同一侧,即行星架24靠近电机10的一侧。这种设置方式在电机10的设计与实际生产过程中布置起来更为方便,且便于产业化。The
齿圈25为固定设置。在垂直于行星轮轴26轴线的方向上,齿圈25设置在第二行星轮23远离输出半轴30轴线的一侧。并且,齿圈25与第二行星轮23内啮合,进一步拓宽了行星减速器20的减速比范围。The
输出半轴30与传动轴211同轴设置。输出半轴30的一端与行星架24传动连接,另一端与车轮31传动连接。The
在本实施例中,电机10的转子12转动时带动传动轴211转动,传动轴211将扭矩传递至太阳轮21,太阳轮21驱动第一行星轮22与第二行星轮23转动,第二行星轮23带动行星架24转动,行星架24将扭矩传递至输出半轴30,最终带动车轮31转动。In this embodiment, when the
图2为本实施例行星减速器20在车辆直行工作模式下,右侧太阳轮S1、左侧太阳轮S2、右侧行星架PC1、左侧行星架PC2、右侧齿圈R1以及左侧齿圈R2的转速之间的关系。由于右侧齿圈R1和左侧齿圈R2为固定设置,故转速为0。在此工作情况下,右侧太阳轮S1与左侧太阳轮S2的转速相同,右侧行星架PC1和左侧行星架PC2的转速也相同,以保证两侧车轮转速相同,实现相同的转速和扭矩输出。Fig. 2 shows the right sun gear S1, left sun gear S2, right planetary carrier PC1, left planetary carrier PC2, right ring gear R1 and left The relationship between the speed of the ring gear R2. Since the right ring gear R1 and the left ring gear R2 are fixedly set, the rotational speed is 0. In this working condition, the rotation speed of the right sun gear S1 and the left sun gear S2 are the same, and the rotation speeds of the right planetary carrier PC1 and the left planetary carrier PC2 are also the same, so as to ensure the same rotation speed of the wheels on both sides and achieve the same rotation speed and torque output.
当车辆在左转弯工作模式下,右侧车轮的转速需要高于左侧车轮的转速。在此工作情况下,右侧太阳轮S1的转速大于左侧太阳轮S2的转速,右侧行星架PC1的转速大于左侧行星架PC2的转速。当车辆在右转弯工作模式下,右侧车轮的转速需要低于左侧车轮的转速。在此工作情况下,右侧太阳轮S1的转速小于左侧太阳轮S2的转速,右侧行星架PC1的转速小于左侧行星架PC2的转速。When the vehicle is in the left turning mode, the rotation speed of the right wheel needs to be higher than that of the left wheel. In this working condition, the rotational speed of the right sun gear S1 is greater than that of the left sun gear S2, and the rotational speed of the right planet carrier PC1 is greater than that of the left planet carrier PC2. When the vehicle is in the right turning mode, the speed of the right wheel needs to be lower than that of the left wheel. In this working condition, the rotation speed of the right sun gear S1 is smaller than the rotation speed of the left sun gear S2, and the rotation speed of the right planet carrier PC1 is lower than the rotation speed of the left planet carrier PC2.
由于两侧的电机10可以各自单独控制,可以根据车辆在不同工作状态下的动力需求相应改变单侧或两侧的动力输出。通过对两侧电机的分别控制,以实现差速器、差速锁、矢量控制等功能,使转速控制更为精准。Since the
本申请还提供了一种车辆,包括上述双电机电驱总成。The present application also provides a vehicle, including the above-mentioned dual-motor electric drive assembly.
本申请的双电机电驱总成包括两个电机10、两个行星减速器20以及两个输出半轴30,可分布布局,增加了双电机电驱总成布局的灵活性,无需额外增加机械结构即可实现差速器、差速锁、矢量控制等功能,节省了双电机电驱总成的体积与重量,提升了双电机电驱总成的功率密度;行星减速器20采用NW行星排结构,能实现较大速比,优化电机的工作区间;同时,将两个电机10分布在单个驱动桥上,单个电机10驱动单个车轮31,对单个电机10的性能要求降低,通过双电机的工作提高单个驱动桥的动力输出。The dual-motor electric drive assembly of the present application includes two
以上所述仅是本申请的较佳实施方式而已,并非对本申请做任何形式上的限制,虽然本申请已以较佳实施方式揭露如上,然而并非用以限定本申请,任何熟悉本专业的技术人员,在不脱离本申请技术方案的范围内,当可利用上述揭示的技术内容做出些许更动或修饰为等同变化的等效实施方式,但凡是未脱离本申请技术方案的内容,依据本申请的技术实质对以上实施方式所作的任何简单修改、等同变化与修饰,均仍属于本申请技术方案的范围内。The above description is only the preferred implementation mode of the application, and does not limit the application in any form. Although the application has disclosed the above with the preferred implementation mode, it is not used to limit the application. Anyone who is familiar with this professional technology Personnel, without departing from the scope of the technical solution of the present application, when using the technical content disclosed above to make some changes or modifications to equivalent implementations with equivalent changes, but any content that does not depart from the technical solution of the present application, according to the technical content of the present application Any simple modifications, equivalent changes and modifications made by the technical essence of the application to the above implementation methods still fall within the scope of the technical solution of the application.
Claims (10)
Priority Applications (1)
| Application Number | Priority Date | Filing Date | Title |
|---|---|---|---|
| CN202320353876.9U CN219214726U (en) | 2023-03-01 | 2023-03-01 | Dual electro-mechanical drive assembly and vehicle |
Applications Claiming Priority (1)
| Application Number | Priority Date | Filing Date | Title |
|---|---|---|---|
| CN202320353876.9U CN219214726U (en) | 2023-03-01 | 2023-03-01 | Dual electro-mechanical drive assembly and vehicle |
Publications (1)
| Publication Number | Publication Date |
|---|---|
| CN219214726U true CN219214726U (en) | 2023-06-20 |
Family
ID=86735455
Family Applications (1)
| Application Number | Title | Priority Date | Filing Date |
|---|---|---|---|
| CN202320353876.9U Active CN219214726U (en) | 2023-03-01 | 2023-03-01 | Dual electro-mechanical drive assembly and vehicle |
Country Status (1)
| Country | Link |
|---|---|
| CN (1) | CN219214726U (en) |
Cited By (2)
| Publication number | Priority date | Publication date | Assignee | Title |
|---|---|---|---|---|
| CN117284068A (en) * | 2023-10-08 | 2023-12-26 | 东风汽车集团股份有限公司 | Distributed driving system and driving assembly of vehicle |
| CN119412475A (en) * | 2024-11-04 | 2025-02-11 | 中国第一汽车股份有限公司 | A single motor torque vectoring planetary gear reducer |
-
2023
- 2023-03-01 CN CN202320353876.9U patent/CN219214726U/en active Active
Cited By (2)
| Publication number | Priority date | Publication date | Assignee | Title |
|---|---|---|---|---|
| CN117284068A (en) * | 2023-10-08 | 2023-12-26 | 东风汽车集团股份有限公司 | Distributed driving system and driving assembly of vehicle |
| CN119412475A (en) * | 2024-11-04 | 2025-02-11 | 中国第一汽车股份有限公司 | A single motor torque vectoring planetary gear reducer |
Similar Documents
| Publication | Publication Date | Title |
|---|---|---|
| CN219214726U (en) | Dual electro-mechanical drive assembly and vehicle | |
| CN105443707B (en) | A kind of electric driver based on two shift transmissions | |
| CN217401607U (en) | A dual motor direct drive system and vehicle | |
| CN113696676A (en) | Torque-oriented distribution electric drive axle using planet row and double gear | |
| CN104842781A (en) | Middle-engine integrated electric bridge with driving force distribution function | |
| CN205523681U (en) | Electric drive axle based on single file star row | |
| CN216708994U (en) | Double-motor stepless speed regulation electric drive transmission | |
| CN218287331U (en) | Double-motor single-gear electric drive axle | |
| CN217401609U (en) | Double-motor direct drive system and vehicle | |
| CN209079653U (en) | One kind two keeps off coaxial-type electric drive axle | |
| CN209581123U (en) | Increase journey drive system and the vehicle with it | |
| CN208306352U (en) | The electric drive axle of double electric machine double row planetary gear differential mechanism | |
| CN203713556U (en) | Motor for pure electric vehicle and transmission-integrated power assembly | |
| CN109941092A (en) | Dual Motor Hybrid Engine Planetary Powertrain | |
| CN114312269A (en) | A dual-motor stepless speed-regulating electric drive bridge | |
| CN109572413B (en) | Speed reducer of hub motor | |
| CN118578866A (en) | Electric drive assembly and vehicle | |
| CN102377280A (en) | Electric motor with dual output shafts | |
| CN117052877A (en) | A coaxial reduction mechanism and differential mechanism assembly | |
| CN116985626A (en) | Motor drive assembly, automobile transmission system and automobile | |
| CN220199041U (en) | Electric drive device and vehicle | |
| CN114211947A (en) | A dual-motor stepless speed-regulating electric drive transmission | |
| CN116620014A (en) | A kind of power drive system and vehicle | |
| CN108482097A (en) | A kind of Automobile hybrid power device and its working method | |
| CN206633789U (en) | Bi-motor couples two level nutating speed change gear |
Legal Events
| Date | Code | Title | Description |
|---|---|---|---|
| GR01 | Patent grant | ||
| GR01 | Patent grant |
