CN219154177U - Variable-pitch operation carrier - Google Patents
Variable-pitch operation carrier Download PDFInfo
- Publication number
- CN219154177U CN219154177U CN202220805230.5U CN202220805230U CN219154177U CN 219154177 U CN219154177 U CN 219154177U CN 202220805230 U CN202220805230 U CN 202220805230U CN 219154177 U CN219154177 U CN 219154177U
- Authority
- CN
- China
- Prior art keywords
- vehicle body
- shaft sleeve
- swing
- double
- steering
- Prior art date
- Legal status (The legal status is an assumption and is not a legal conclusion. Google has not performed a legal analysis and makes no representation as to the accuracy of the status listed.)
- Active
Links
- 239000000725 suspension Substances 0.000 claims description 28
- 239000006096 absorbing agent Substances 0.000 claims description 12
- 230000035939 shock Effects 0.000 claims description 12
- 230000033001 locomotion Effects 0.000 claims description 10
- 230000001105 regulatory effect Effects 0.000 claims description 9
- 230000001276 controlling effect Effects 0.000 claims description 7
- 238000009434 installation Methods 0.000 claims description 3
- 238000006073 displacement reaction Methods 0.000 claims 2
- 230000009977 dual effect Effects 0.000 description 3
- 238000010586 diagram Methods 0.000 description 2
- 230000009286 beneficial effect Effects 0.000 description 1
- 230000005540 biological transmission Effects 0.000 description 1
- 238000013016 damping Methods 0.000 description 1
Images
Classifications
-
- Y—GENERAL TAGGING OF NEW TECHNOLOGICAL DEVELOPMENTS; GENERAL TAGGING OF CROSS-SECTIONAL TECHNOLOGIES SPANNING OVER SEVERAL SECTIONS OF THE IPC; TECHNICAL SUBJECTS COVERED BY FORMER USPC CROSS-REFERENCE ART COLLECTIONS [XRACs] AND DIGESTS
- Y02—TECHNOLOGIES OR APPLICATIONS FOR MITIGATION OR ADAPTATION AGAINST CLIMATE CHANGE
- Y02T—CLIMATE CHANGE MITIGATION TECHNOLOGIES RELATED TO TRANSPORTATION
- Y02T30/00—Transportation of goods or passengers via railways, e.g. energy recovery or reducing air resistance
Landscapes
- Vehicle Body Suspensions (AREA)
Abstract
The utility model discloses a variable-pitch operation carrier which comprises a vehicle body and wheels, wherein a plurality of quadrilateral double-variable hangers are arranged at the bottom of the vehicle body; the four-side variable-distance mechanism can drive the wheels at the rear side of the vehicle body to swing 180 degrees relative to the vehicle body, and the positions of the wheels at the rear side of the vehicle body are always parallel to the vehicle body; when the quadrilateral distance-changing mechanism drives wheels at the rear side of the vehicle body to swing towards the front end of the vehicle body, the wheel distance at the rear side of the vehicle body becomes smaller, and the wheel distance at the front and rear sides of the vehicle body becomes smaller; when the quadrilateral distance-changing mechanism drives wheels at the rear side of the vehicle body to swing 90 degrees towards the two side ends of the vehicle body, the wheel distance at the rear side of the vehicle body becomes large, and the wheel distance at the front and rear sides of the vehicle body becomes large; when the quadrilateral distance-changing mechanism drives wheels at the rear side of the vehicle body to swing towards the rear end of the vehicle body, the wheel distance at the rear side of the vehicle body becomes smaller, and the wheel distance at the front and rear sides of the vehicle body becomes larger. The distance-changing operation carrier can change the wheelbase and the wheel tread through the quadrilateral double-changing hanging frame, so that the operation carrier can meet various operation environments.
Description
Technical Field
The utility model relates to the technical field of vehicle engineering, in particular to a variable-pitch operation carrier.
Background
The work vehicle is a four-wheeled vehicle loaded with special equipment or tools for a specific work. The working vehicle needs to be suitable for various medium working environments, the existing working vehicle adopts a common vehicle body, and the wheelbase and the wheel track of the working vehicle cannot be adjusted, so that the existing working vehicle can only run on relatively flat and wide roads and cannot be well suitable for narrow and rugged mountain roads.
Disclosure of Invention
In order to solve the problems, the utility model provides a variable-pitch operation carrier, which can change the wheelbase and the wheel track, further enable the operation carrier to run on a relatively flat and wide road surface and also run on a narrow and rugged mountain road so as to meet various operation environments.
The utility model adopts the technical scheme that:
the variable-pitch operation carrier comprises a vehicle body, wheels and a power device, wherein a plurality of quadrilateral double-variable hanging frames are arranged at the bottom of the vehicle body; the quadrilateral double-variable hanging frame is symmetrically arranged at two sides of the middle section and/or the rear end of the bottom of the automobile body through an automobile body lower connecting hanging lug and an automobile body upper connecting hanging lug; the quadrilateral double-deformation hanger comprises a connecting rocker arm, a rear suspension shock absorber and a quadrilateral deformation distance mechanism; the connecting rocker arm is parallel to the vehicle body, one end of the connecting rocker arm is hinged with the lower connecting hanging lug of the vehicle body, and the other end of the connecting rocker arm is connected with the upper connecting hanging lug of the vehicle body through the rear suspension damper; one end of the quadrilateral distance-changing mechanism is arranged on the connecting rocker arm, and the other end of the quadrilateral distance-changing mechanism is provided with wheels at the rear side of the vehicle body; the four-side variable-distance mechanism can drive the wheels at the rear side of the vehicle body to swing 180 degrees relative to the vehicle body, and the positions of the wheels at the rear side of the vehicle body are always parallel to the vehicle body; when the quadrilateral distance-changing mechanism drives wheels at the rear side of the vehicle body to swing towards the front end of the vehicle body, the wheel distance at the rear side of the vehicle body becomes smaller, and the wheel distance at the front and rear sides of the vehicle body becomes smaller; when the quadrilateral distance-changing mechanism drives wheels at the rear side of the vehicle body to swing 90 degrees towards the two side ends of the vehicle body, the wheel distance at the rear side of the vehicle body becomes large, and the wheel distance at the front and rear sides of the vehicle body becomes large; when the quadrilateral distance-changing mechanism drives wheels at the rear side of the vehicle body to swing towards the rear end of the vehicle body, the wheel distance at the rear side of the vehicle body becomes smaller, and the wheel distance at the front and rear sides of the vehicle body becomes larger.
Further, the quadrilateral distance-changing mechanism is integrally in a parallelogram structure and comprises a positioning connecting plate, four single-hole shaft sleeve connecting rods, four double-hole shaft sleeve connecting rods, two swinging spandrel girders, a swinging regulation and control girder and a trapezoid positioning connecting plate; the positioning connecting plate is fixedly arranged on the connecting rocker arm through a clamping plate on the connecting rocker arm; the four single-hole shaft sleeve connecting rods and the four double-hole shaft sleeve connecting rods are symmetrically and fixedly arranged on the positioning connecting plate and the trapezoid positioning connecting plate respectively, the four single-hole shaft sleeve connecting rods are positioned at the upper part and the lower part of the positioning connecting plate and the trapezoid positioning connecting plate, and the four double-hole shaft sleeve connecting rods are positioned at the middle part of the positioning connecting plate and the trapezoid positioning connecting plate; the two swing spandrel girders are positioned on the same horizontal plane in the vertical direction, the two swing spandrel girders are parallel, the swing regulation and control girders are parallel to the two swing spandrel girders in the horizontal direction and keep a certain distance with the two swing spandrel girders, the swing spandrel girders are arranged between a single-hole shaft sleeve connecting rod and a double-hole shaft sleeve connecting rod, the swing regulation and control girders are arranged between the double-hole shaft sleeve connecting rods, one ends of the swing spandrel girders and the swing regulation and control girders are rotationally connected with the positioning connecting plate through the single-hole shaft sleeve connecting rod and the double-hole shaft sleeve connecting rod, and the other ends of the swing spandrel girders and the swing regulation and control girders are rotationally connected with the trapezoid positioning connecting plate through the single-hole shaft sleeve connecting rod and the double-hole shaft sleeve connecting rod; the wheels are arranged at the bottom or the outer side of the single-hole shaft sleeve connecting rod at the lower part of the trapezoid positioning connecting plate.
Further, the swing spandrel girder, the swing regulation and control girder and the positioning connecting plate are matched with a single-hole shaft sleeve connecting rod, a double-hole shaft sleeve connecting rod and a trapezoid positioning connecting plate to form a parallelogram structure on a horizontal plane; wherein, the positioning connection plate is matched with a single-hole shaft sleeve connecting rod and a double-hole shaft sleeve connecting rod, and when the rear suspension shock absorber does not stretch, the positioning connection plate is fixed relative to the vehicle body; the trapezoid positioning connecting plate is matched with the single-hole shaft sleeve connecting rod, and the double-hole shaft sleeve connecting rod can drive the wheels to swing 180-degree relative to the vehicle body through the swing spandrel girder and the swing regulating and controlling girder.
Further, a double-beam self-balancing bogie is arranged in the middle of the front end of the bottom of the automobile body, and the double-beam self-balancing bogie is connected with the automobile body through an automobile body connecting upright post and an automobile body bottom beam; the double-beam self-balancing bogie comprises a main combination body, an auxiliary combination body, a vertical direction moving main body, a vertical direction moving auxiliary body and a stress balancing mechanism; the main combination body is fixedly connected with the vehicle body bottom beam; the vertical direction moving main body is symmetrically arranged on two sides of the main combined body and is positioned on the same plane with the main combined body in the vertical direction, the vertical direction moving main body is connected with the main combined body through a pair of parallel connecting lower beams and a pair of parallel connecting upper beams, the vertical direction moving main body can swing relative to the main combined body through the connecting lower beams and the connecting upper beams, and the position of the vertical direction moving main body is always parallel to the main combined body; the vertical direction moving auxiliary body is symmetrically arranged on two sides of the auxiliary combination body, is positioned on the same plane with the auxiliary combination body in the vertical direction, is connected with the auxiliary combination body through a steering connecting rod, can perform swinging movement relative to the auxiliary combination body through the steering connecting rod, and is always parallel to the auxiliary combination body; the auxiliary combination body is parallel to the main combination body, the auxiliary combination body is close to the front end of the vehicle body, the auxiliary combination body is connected with the top of the main combination body through a pair of parallel steering lump rods, the bottoms of the two vertical direction moving auxiliary bodies are connected with the vertical direction moving main body through a pair of parallel steering arm rods, the auxiliary combination body can swing relative to the main combination body through the steering lump rods, and the position of the auxiliary combination body is always parallel to the main combination body; the stress balance mechanism can be rotatably arranged on the vehicle body connecting upright post, and the tops of the two vertical direction moving main bodies are respectively connected with the stress balance mechanism, so that the stress of the two vertical direction moving main bodies and the two vertical direction moving auxiliary bodies is balanced; the wheels are mounted on the bottom or outside of the steering arm.
Further, the main combination body, the auxiliary combination body and the steering lump bars form a parallelogram structure on a horizontal plane; the main combination body, the vertical direction moving main body, the connecting lower beam and the connecting upper beam form a parallelogram structure on a vertical plane; the connecting lower beam, the connecting upper beam, the steering arm rod and the steering lump rod form a parallelogram structure in the horizontal projection direction.
Further, the main combination body comprises four right-angle lifting lug connecting plates and two bearing sleeves; the two sides of each bearing are symmetrically provided with right-angle lifting lug connecting plates, the outer wall of each bearing is fixedly connected with the right-angle lifting lug connecting plates, gaps which can be penetrated by the vehicle body bottom beam are reserved among the four right-angle lifting lug connecting plates, and two bearing sleeves are symmetrically and fixedly arranged on the vehicle body bottom beam through the four right-angle lifting lug connecting plates; a radial bearing is arranged in the bearing sleeve, and the bearing sleeve is rotatably provided with a steering control shaft with one end exposed outside the bearing sleeve through the radial bearing; one end of the steering lump rod is fixedly sleeved and connected with one end of the steering control shaft exposed out of the bearing sleeve; the right-angle lifting lug connecting plate and the bearing sleeve are provided with screw holes for being matched and connected with the lower beam and the upper beam in a hinged mode, one ends of the pair of connecting lower beams and the pair of parallel connecting upper beams are hinged with the right-angle lifting lug connecting plate and the bearing sleeve through the screw holes, and the connecting lower beams are parallel to the connecting upper beams.
Further, the vertical direction moving body comprises a shaft sleeve, a radial bearing, a thrust bearing and a steering shaft; the shaft sleeve is of a cylindrical structure, the top of the shaft sleeve is provided with a mounting hole hinged with the stress balance mechanism, the inside of the shaft sleeve is hollow, and the bottom of the shaft sleeve is open; the upper end of the steering shaft is inserted into the shaft sleeve from the opening at the bottom of the shaft sleeve, and is rotationally connected with the shaft sleeve through a radial bearing and a thrust bearing, and the lower end of the steering shaft is exposed outside the shaft sleeve and is fixedly sleeved and connected with one end of the steering arm rod; the outer wall of the shaft sleeve is provided with screw holes which are matched with the hinged installation of the connecting lower beams and the connecting upper beams, the other ends of the pair of connecting lower beams and the pair of parallel connecting upper beams are hinged with the shaft sleeve through the screw holes, and the connecting lower beams are parallel to the connecting upper beams; the axial leads of the two shaft sleeves and the axial leads of the two bearing sleeves of the main combination body are parallel or intersected on the same plane.
Further, the auxiliary combination body comprises a lower port cross connector and a linkage connector; the linkage connector is n-shaped, the lower port cross connectors are symmetrically arranged on two sides of the linkage connector, and the lower port cross connectors penetrate through the linkage connector and can rotate relative to the linkage connector; the lower port cross connector penetrates through the upper end of the linkage connector and is rotationally sleeved with the other end of the steering lump rod, and the lower end of the lower port cross connector exposed outside the linkage connector is connected with one end pin shaft of the steering connecting rod; the vertical direction kinematic pair body is an upper port cross connector, the upper end of the upper port cross connector is connected with one end pin shaft of the steering connecting rod, and the lower end of the upper port cross connector is rotationally sleeved and connected with the other end of the steering arm rod.
Further, the stress balance mechanism comprises a front suspension shock absorber, a self-balancing rocker, a rocker connecting column head and a rocker connecting nut; the middle of the self-balancing rocker is rotationally sleeved with a rocker connecting column head, and the rocker connecting column head penetrates through the vehicle body connecting column to be in threaded connection with a rocker connecting nut; the self-balancing seesaw can rotate relative to the seesaw connecting column head, and mounting holes hinged with the front suspension damper are formed in two sides of the self-balancing seesaw; the front suspension shock absorber is symmetrically arranged, one end of the front suspension shock absorber is hinged through a self-balancing wane, and the other end of the front suspension shock absorber is hinged to the top of the vertical direction moving main body.
Further, the power device is a hub motor, and the hub motor is arranged on a wheel; when in two-wheel driving, the motor wheel with the wheel hub is arranged on one set of quadrilateral double-variable hanging frame, and when in four-wheel driving, the motor wheel with the wheel hub is arranged on one set of quadrilateral double-variable hanging frame and double-beam self-balancing bogie.
The beneficial effects of the utility model are as follows:
the bottom of the vehicle body of the variable-pitch operation carrier is provided with a plurality of sets of quadrilateral double-variable hangers, the quadrilateral variable-pitch mechanism can drive wheels at the rear side of the vehicle body to swing 180 degrees relative to the vehicle body, and the positions of the wheels at the rear side of the vehicle body are always parallel to the vehicle body; when the quadrilateral distance-changing mechanism drives wheels at the rear side of the vehicle body to swing towards the front end of the vehicle body, the wheel distance at the rear side of the vehicle body is reduced, the wheel distance at the front and rear sides of the vehicle body is reduced, and in the adjusting state, the working vehicle can meet the working environment of narrow road surfaces and multiple curves, and can adapt to the narrow road surfaces due to the reduced wheel distance, and the turning radius of the working vehicle is reduced due to the reduced wheel distance at the front and rear sides of the vehicle body; when the quadrilateral distance-changing mechanism drives wheels at the rear side of the vehicle body to swing 90 degrees towards two side ends of the vehicle body, the wheel distance at the rear side of the vehicle body becomes maximum, and the wheel distance at the front and rear sides of the vehicle body becomes large; when the quadrilateral distance-changing mechanism drives wheels at the rear side of the vehicle body to swing towards the rear end of the vehicle body, the wheel distance at the rear side of the vehicle body is reduced, the wheel distance between the front side and the rear side of the vehicle body is maximized, and in the adjusting state, the working vehicle can meet the working environment of a slope section of a narrow road surface, and can adapt to the narrow road surface due to the reduced wheel distance, and the wheel distance between the front side and the rear side of the vehicle body is maximized, so that the pitching resistance and the yaw resistance of the working vehicle are improved.
The middle part of the front end of the bottom of the vehicle body of the variable-pitch operation carrier is also provided with the double-beam self-balancing bogie, the normal vehicle driving and steering requirements can be met through the double-beam self-balancing bogie, the stress balance of the wheels on the front side of the vehicle body can be ensured, the wheels on the front side of the vehicle body are always in contact with the ground, the condition that the operation vehicle drives on a pothole road surface is met, and the vehicle has higher stability.
Drawings
In order to more clearly illustrate the technical solutions of the embodiments of the present utility model, the drawings that are needed in the description of the embodiments will be briefly described below, it being obvious that the drawings in the following description are only some embodiments of the present utility model, and that other drawings may be obtained according to these drawings without inventive effort for a person skilled in the art. Wherein:
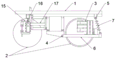
FIG. 1 is a schematic view of the overall structure of a side of a vehicle body according to the present utility model;
FIG. 2 is a schematic top view of a quadrangular double-variation hanger according to the present utility model;
FIG. 3 is a schematic view of the front structure of the quadrangular double-variation hanger of the present utility model;
FIG. 4 is a schematic side view of a quadrilateral double-variation hanger of the present utility model;
FIG. 5 is a schematic top view of a double beam self-balancing bogie of the present utility model;
FIG. 6 is a schematic side elevational view of the dual beam self-balancing truck of the present utility model;
FIG. 7 is a schematic diagram of the connection of the main complex of the dual beam self-balancing bogie of the present utility model to the vertically moving body;
FIG. 8 is a schematic diagram of the connection of a secondary complex of the dual beam self-balancing bogie of the present utility model to a vertically moving secondary complex;
in fig. 1-8, 1-body, 2-wheel, 3-quadrilateral double-change hanger, 4-body lower connection hanger, 5-body upper connection hanger, 6-connection rocker arm, 7-rear suspension damper, 8-quadrilateral distance-changing mechanism, 9-positioning connection plate, 10-single-hole shaft sleeve connecting rod, 11-double-hole shaft sleeve connecting rod, 12-swing spandrel girder, 13-swing regulation and control girder, 14-trapezoid positioning connection plate, 15-double-girder self-balancing bogie, 16-body connection upright column, 17-body bottom girder, 18-main combination, 19-auxiliary combination, 20-vertical direction movement main body, 21-vertical direction movement auxiliary body, 22-stress balance mechanism, 23-connection lower beam, 24-connection upper beam, 25-steering connection rod, 26-steering lump rod, 27-steering arm rod, 28-right angle connection plate, 29-bearing sleeve, 30-centripetal bearing, 31-steering control shaft, 32-screw hole, 33-shaft sleeve, 34-centripetal bearing, 35-bearing, 36-steering shaft, 37-mounting cross-mounting hole 38-lower connection head, 39-column head connector, 40-lifting lug, 45-connection head connector, 45-connecting head connector, 45-lifting lug, and 45-connection rocker.
Detailed Description
The technical solutions in the embodiments of the present utility model will be clearly and completely described below with reference to the accompanying drawings of the embodiments of the present utility model. It will be apparent that the described embodiments are only some, but not all, embodiments of the utility model. All other embodiments, which can be made by those skilled in the art based on the embodiments of the utility model without any inventive effort, are intended to be within the scope of the utility model.
Example 1
As shown in fig. 1, the embodiment discloses a distance-changing operation carrier, which comprises a vehicle body 1, wheels 2 and a power device, wherein a plurality of quadrilateral double-changing hangers 3 are arranged at the bottom of the vehicle body 1; when the length of the vehicle body 1 of the working vehicle is not large, the quadrilateral double-variable hanging frame 3 is symmetrically arranged on two sides of the rear end of the bottom of the vehicle body 1 through the lower connecting hanging lugs 4 of the vehicle body and the connecting hanging lugs 5 of the vehicle body, and when the length of the vehicle body 1 of the working vehicle is large, the quadrilateral double-variable hanging frame 3 is symmetrically arranged on two sides of the middle section and the rear end of the bottom of the vehicle body 1 through the lower connecting hanging lugs 4 of the vehicle body and the connecting hanging lugs 5 of the vehicle body.
Specifically, in this embodiment, a specific structure of the quadrangular double-variable hanger 3 is provided, and as shown in fig. 1-2, the quadrangular double-variable hanger 3 includes a connecting rocker arm 6, a rear suspension damper 7 and a quadrangular variable-pitch mechanism 8. The connecting rocker arm 6 is parallel to the vehicle body 1, one end of the connecting rocker arm 6 is hinged with the lower connecting hanging lug 4 of the vehicle body, and the other end of the connecting rocker arm 6 is connected with the upper connecting hanging lug 5 of the vehicle body through the rear suspension damper 7. One end of the quadrilateral distance-changing mechanism 8 is fixedly arranged on the connecting rocker 6, and the other end of the quadrilateral distance-changing mechanism 8 is provided with wheels 2 at the rear side of the vehicle body 1; the quadrilateral variable-pitch mechanism 8 can drive the rear wheels 2 of the vehicle body 1 to swing 180 degrees relative to the vehicle body 1, and the positions of the rear wheels 2 of the vehicle body 1 are always parallel to the vehicle body 1.
In this embodiment, a specific structure of the quadrilateral distance-varying mechanism 8 is also provided, as shown in fig. 2-4, the quadrilateral distance-varying mechanism 8 is in a parallelogram structure as a whole, and the quadrilateral distance-varying mechanism 8 includes a positioning connection plate 9, four single-hole shaft sleeve connecting rods 10, four double-hole shaft sleeve connecting rods 11, two swing spandrel girders 12, a swing regulation and control girder 13 and a trapezoid positioning connection plate 14. Wherein, the positioning connecting plate 9 is fixedly arranged on the connecting rocker arm 6 through a clamping plate on the connecting rocker arm 6; the four single-hole shaft sleeve connecting rods 10 and the four double-hole shaft sleeve connecting rods 11 are symmetrically and fixedly arranged on the positioning connecting plate 9 and the trapezoid positioning connecting plate 14 respectively, the four single-hole shaft sleeve connecting rods 10 are positioned at the upper part and the lower part of the positioning connecting plate 9 and the trapezoid positioning connecting plate 14, and the four double-hole shaft sleeve connecting rods 11 are positioned at the middle of the positioning connecting plate 9 and the trapezoid positioning connecting plate 14; the two swing spandrel girders 12 are positioned on the same horizontal plane in the vertical direction, the two swing spandrel girders 12 are parallel, the swing regulating and controlling girder 13 is parallel to the two swing spandrel girders 12 in the horizontal direction, a certain distance is reserved between the two swing spandrel girders 12 and the two swing spandrel girders 12, the swing spandrel girders 12 are arranged between the single-hole shaft sleeve connecting rod 10 and the double-hole shaft sleeve connecting rod 11, the swing regulating and controlling girder 13 is arranged between the double-hole shaft sleeve connecting rod 11, one ends of the swing spandrel girders 12 and the swing regulating and controlling girder 13 are rotationally connected with the positioning connecting plate 9 through the single-hole shaft sleeve connecting rod 10 and the double-hole shaft sleeve connecting rod 11, and the other ends of the swing spandrel girders 12 and the swing regulating and controlling girder 13 are rotationally connected with the trapezoid positioning connecting plate 14 through the single-hole shaft sleeve connecting rod 10 and the double-hole shaft sleeve connecting rod 11; the wheel 2 is mounted at the bottom or outside of the single hole bushing link 10 at the lower part of the trapezoidal positioning link plate 14.
The distance-changing operation carrier is based on the principle that the wheel distance and the wheel base of a vehicle body 1 are adjusted through a quadrilateral double-changing hanging frame 3:
because the swing spandrel girder 12 and the swing regulating and controlling girder 13 of the quadrilateral distance-changing mechanism 8 are matched with the single-hole shaft sleeve connecting rod 10, the double-hole shaft sleeve connecting rod 11 and the trapezoid positioning connecting plate 14, the single-hole shaft sleeve connecting rod 10 and the double-hole shaft sleeve connecting rod 11 form a parallelogram structure on a horizontal plane; therefore, by utilizing the instability of the quadrilateral structure, the bearing beam and the swing regulating beam 13 can drive the trapezoid positioning connecting plate 14 and the wheel 2 to rotate by taking the positioning connecting plate 9 as the axis through the single-hole shaft sleeve connecting rod 10 and the double-hole shaft sleeve connecting rod 11; specifically, the trapezoid positioning connecting plate 14 is matched with the single-hole shaft sleeve connecting rod 10 and the double-hole shaft sleeve connecting rod 11, and can drive the wheel 2 to perform swinging motion with 180 degrees relative to the vehicle body 1 through the swinging spandrel girder 12 and the swinging regulation and control girder 13. When the quadrilateral distance-changing mechanism 8 drives the wheels 2 at the rear side of the vehicle body 1 to swing towards the front end of the vehicle body 1, the wheel distance at the rear side of the vehicle body 1 is reduced, and the wheel distance at the front and rear sides of the vehicle body 1 is reduced; when the quadrilateral distance-changing mechanism 8 drives the wheels 2 at the rear side of the vehicle body 1 to swing 90 degrees towards the two side ends of the vehicle body 1, the wheel distance at the rear side of the vehicle body 1 becomes larger, and the wheel distance at the front and rear sides of the vehicle body 1 becomes larger; when the quadrilateral distance-changing mechanism 8 drives the wheels 2 at the rear side of the vehicle body 1 to swing towards the rear end of the vehicle body 1, the wheel distance at the rear side of the vehicle body 1 becomes smaller, and the wheel distance at the front and rear sides of the vehicle body 1 becomes larger; the working vehicle can adapt to various responsible road surface working environments through the change of the wheel track and the wheel base.
When the quadrilateral distance-changing mechanism 8 drives the wheels 2 at the rear side of the vehicle body 1 to swing towards the front end of the vehicle body 1, the wheel distance at the rear side of the vehicle body 1 is reduced, and the wheel distance at the front and rear sides of the vehicle body 1 is reduced; when the quadrilateral distance-changing mechanism 8 drives the wheels 2 at the rear side of the vehicle body 1 to swing 90 degrees towards the two side ends of the vehicle body 1, the wheel distance at the rear side of the vehicle body 1 becomes maximum, and the wheel distance at the front and rear sides of the vehicle body 1 becomes large; when the quadrilateral distance-changing mechanism 8 drives the wheels 2 at the rear side of the vehicle body 1 to swing towards the rear end of the vehicle body 1, the wheel distance at the rear side of the vehicle body 1 is reduced, the wheel distance at the front and rear sides of the vehicle body 1 is maximized, and in the adjustment state, the working vehicle can meet the working environment of a slope section of a narrow road surface, and can adapt to the narrow road surface due to the reduced wheel distance, and the wheel distance at the front and rear sides of the vehicle body 1 is maximized, so that the pitching and yaw resistance of the working vehicle is improved.
In addition, when the vehicle body 1 of the working vehicle is kept stable and the rear suspension damper 7 does not stretch, the positioning connecting plate 9 and the single-hole shaft sleeve connecting rod 10 and the double-hole shaft sleeve connecting rod 11 on the positioning connecting plate are fixed relative to the vehicle body; when the rear suspension damper 7 stretches out and draws back, the positioning connecting plate 9, the single-hole shaft sleeve connecting rod 10 and the double-hole shaft sleeve connecting rod 11 on the positioning connecting plate perform swinging motion by taking the connecting suspension loop 4 below the vehicle body as a shaft through the connecting rocker 6, so that the rear suspension damper 7 can effectively play a role in damping when the ground is uneven.
Example 2
As a preferred mode of the technical scheme, in addition to the structure in the embodiment 1, as shown in fig. 1, a double-beam self-balancing bogie 15 is further arranged in the middle of the front end of the bottom of the vehicle body 1, and the double-beam self-balancing bogie 15 is connected with the vehicle body 1 through a vehicle body connecting upright post 16 and a vehicle body bottom beam 17; as shown in fig. 5 to 8, the double-beam self-balancing bogie 15 includes a main complex 18, a sub complex 19, a vertically moving body 20, a vertically moving sub complex 21, and a force-receiving balance mechanism 22.
As shown in fig. 5-7, the main complex 18 includes four right angle shackle plates 28 and two bearing sleeves 29; the two sides of each bearing are symmetrically provided with right-angle lifting lug connecting plates 28, the outer walls of the bearings are fixedly connected with the right-angle lifting lug connecting plates 28, gaps which can be penetrated by the vehicle body bottom beam 17 are reserved among the four right-angle lifting lug connecting plates 28, and two bearing sleeves 29 are symmetrically and fixedly arranged on the vehicle body bottom beam 17 through the four right-angle lifting lug connecting plates 28 to form the integral main combination 18. The main combination body 18 is connected with the vertical direction moving main body 20 through a connecting lower beam 23 and a connecting upper beam 24, is connected with the auxiliary combination body 19 through a steering lump bar 26, and is connected with the vehicle body 1 through a vehicle body bottom beam 17; specifically, the right-angle lifting lug connecting plate 28 and the bearing sleeve 29 are provided with screw holes 32 which are matched with the hinged installation of the connecting lower beam 23 and the connecting upper beam 24, one ends of the pair of connecting lower beams 23 and the pair of parallel connecting upper beams 24 are hinged with the connecting plate and the bearing sleeve 29 through the screw holes 32, and the connecting lower beams 23 are parallel to the connecting upper beams 24; a radial bearing 30 is arranged in the bearing sleeve 29, and the bearing sleeve 29 is rotatably provided with a steering control shaft 31 with one end exposed outside the bearing sleeve 29 through the radial bearing 30; one end of the steering lump bar 26 is fixedly sleeved and connected with one end of the steering control shaft 31 exposed outside the bearing sleeve 29.
As shown in fig. 5 to 7, the vertical moving body 20 is symmetrically disposed at two sides of the main unit 18 and is located at the same plane A-A with the main unit 18 in the vertical direction, the vertical moving body 20 is connected with the main unit 18 through a pair of parallel connecting lower beams 23 and a pair of parallel connecting upper beams 24, the vertical moving body 20 can perform swinging motion relative to the main unit 18 through the connecting lower beams 23 and the connecting upper beams 24, and the position of the vertical moving body 20 is always kept parallel to the main unit 18; the vertical direction moving body 20 is connected to the vertical direction moving sub-body 21 through a steering arm lever 27. Specifically, the vertical direction moving body 20 includes a sleeve 33, a radial bearing 34, a thrust bearing 35, and a steering shaft 36; the shaft sleeve 33 is of a cylindrical structure, a mounting hole 37 hinged with the stress balance mechanism 22 is formed in the top of the shaft sleeve 33, the interior of the shaft sleeve 33 is hollow, and the bottom of the shaft sleeve 33 is open. The upper end of the steering shaft 36 is inserted into the shaft sleeve 33 from the bottom opening of the shaft sleeve 33, and is rotationally connected with the shaft sleeve 33 through the radial bearing 34 and the thrust bearing 35, and the lower end of the steering shaft 36 is exposed outside the shaft sleeve 33 and is fixedly sleeved and connected with one end of the steering arm rod 27; the outer wall of the shaft sleeve 33 is provided with screw holes for hinging the connecting lower beams 23 and the connecting upper beams 24, the other ends of the pair of parallel connecting lower beams 23 and the pair of parallel connecting upper beams 24 are hinged with the shaft sleeve 33 through the screw holes, and the connecting lower beams 23 are parallel to the connecting upper beams 24.
Further, the axial lines of the two shaft sleeves 33 are parallel to or intersect with the axial lines of the two bearing sleeves 29 of the main combination body 18 on the same plane, and when the axial lines of the two shaft sleeves 33 intersect with the axial lines of the two bearing sleeves 29 of the main combination body 18 on the same plane, the inclination angle of the wheel 2 can be changed; specifically, in the threaded holes on the outer wall of the shaft sleeve 33, when the central axes of the two screw holes are perpendicular to the central axis of the shaft sleeve 33, the axial leads of the two shaft sleeves 33 and the axial leads of the two bearing sleeves 29 of the main combination body 18 are parallel to each other on the same plane; when the central axis of one screw hole perpendicularly intersects with the central axis of the sleeve 33 and the central axis of the other screw hole perpendicularly intersects with the central axis of the sleeve 33, the axial leads of the two sleeves 33 intersect with the axial leads of the two bearing sleeves 29 of the main joint body 18 on the same plane, and at this time, the wheel 2 can be made to grow in inclination.
As shown in fig. 5, 6 and 8, the auxiliary combined body 19 is parallel to the main combined body 18, the auxiliary combined body 19 is close to the front end of the vehicle body 1, the auxiliary combined body 19 is connected with the top of the main combined body 18 through a pair of parallel steering lump bars 26, the bottoms of the two vertical direction moving auxiliary bodies 21 are connected with the vertical direction moving main body 20 through a pair of parallel steering arm bars 27, the auxiliary combined body 19 can perform swinging motion relative to the main combined body 18 through the steering lump bars 26, and the position of the auxiliary combined body 19 is always kept parallel to the main combined body 18. Specifically, the auxiliary combination 19 includes a lower cross connector 38 and a linkage connector 39; the linkage connector 39 is n-shaped, the lower cross connectors 38 are symmetrically arranged at two sides of the linkage connector 39, and the lower cross connectors 38 can rotate relative to the linkage connector 39 through the linkage connector 39; the lower cross connector 38 passes through the upper end of the linkage connector 39 and is rotationally sleeved with the other end of the steering lump bar 26, and the lower end of the lower cross connector 38 exposed outside the linkage connector 39 is in pin connection with one end of the steering connecting rod 25.
As shown in fig. 5, 6 and 8, the vertically moving auxiliary body 21 is symmetrically disposed on two sides of the auxiliary combined body 19 and is located on the same plane B-B with the auxiliary combined body 19 in the vertical direction, the vertically moving auxiliary body 21 is connected with the auxiliary combined body 19 through a steering connecting rod 25, the vertically moving auxiliary body 21 can perform swinging motion relative to the auxiliary combined body 19 through the steering connecting rod 25, and the position of the vertically moving auxiliary body 21 is always kept parallel to the auxiliary combined body 19.
The vertical direction kinematic pair body 21 is an upper port cross connector 40, the upper end of the upper port cross connector 40 is in pin shaft connection with one end of the steering connecting rod 25, and the lower end of the upper port cross connector 40 is in rotary sleeved connection with the other end of the steering arm rod 27. The wheel 2 is mounted on the bottom or outside of the steering arm 27.
As shown in fig. 6-7, the force balance mechanism 22 is rotatably mounted on the vehicle body connecting upright post 16, and the tops of the two vertical moving bodies 20 are respectively connected with the force balance mechanism 22, so that the two vertical moving bodies 20 and the two vertical moving auxiliary bodies 21 are in force balance. Specifically, the force balance mechanism 22 includes a front suspension damper 41, a self-balancing rocker 42, a rocker connecting stud 43, and a rocker connecting nut 44; the middle of the self-balancing rocker 42 is rotationally sleeved with a rocker connecting column head 43, and the rocker connecting column head 43 penetrates through the vehicle body connecting upright column 16 to be in threaded connection with a rocker connecting nut 44; the self-balancing rocker 42 can rotate relative to the rocker connecting column head 43, and mounting holes hinged with the front suspension damper 41 are formed in two sides of the self-balancing rocker 42; the front suspension damper 41 is symmetrically disposed, one end of the front suspension damper 41 is hinged from the balance rocker 42, and the other end is hinged to the top of the vertical direction moving body 20.
Specific functions of the double-beam self-balancing bogie 15:
through the specific structures and connection relationships of the main combined body 18, the auxiliary combined body 19, the vertical direction moving main body 20, the vertical direction moving auxiliary body 21 and the stress balance mechanism 22 in the embodiment, as shown in fig. 5, the main combined body 18, the auxiliary combined body 19 and the steering lump bar 26 form a parallelogram structure aa-bb on a horizontal plane; the connecting lower beam 23, the connecting upper beam 24, the steering arm rod 27 and the steering lump rod 26 form a parallelogram structure ab-cd in the horizontal projection direction; as shown in fig. 7, the main complex 18, the vertically movable body 20, the connecting lower beam 23, and the connecting upper beam 24 constitute a parallelogram structure ef-gh on a vertical plane. Because the parallelogram structure has instability, the parallelogram structure aa-bb formed by the main combination body 18, the auxiliary combination body 19 and the steering lump bar 26 can meet the steering function of the operation vehicle; when the working vehicle turns, the vertical direction plane B-B where the vertical direction moving auxiliary body 21 and the auxiliary combination body 19 are located moves left and right in parallel with respect to the vertical direction plane A-A where the vertical direction moving main body 20 and the main combination body 18 are located, so that the wheels 2 mounted on the bottom or the outer side of the steering arm lever 27 can realize a steering function.
Because the parallelogram structure has instability, the parallelogram structure ef-gh formed by the main combination body 18, the vertical direction moving main body 20, the connecting lower beam 23 and the connecting upper beam 24 on a vertical plane can meet the requirement that the wheels 2 of the working vehicle are always contacted with the ground, and meanwhile, the stress balance mechanism 22 is matched to ensure the stress balance of the wheels 2 at the front side of the vehicle body 1. Specifically, when the road surface is convex and concave, the vertical moving body 20 is subjected to the force of the wheel 2 contacting the convex road surface, and the vertical moving body 20 moves upward relative to the main complex 18 through a pair of parallel connecting lower beams 23 and a pair of parallel connecting upper beams 24 and is kept parallel to the main complex 18; the vertical direction moving auxiliary body 21 moves upwards relative to the auxiliary combined body 19 through the steering connecting rod 25 and is kept parallel to the auxiliary combined body 19; when the vertical direction moving main body 20 moves upwards, acting force is transmitted to one side of the self-balancing rocker 42 through the front suspension damper 41, and the self-balancing rocker 42 can rotate relative to the vehicle body connecting upright post 16, so that when one side of the self-balancing rocker 42 receives acting force, the other side of the self-balancing rocker is reacted, and then the vertical direction moving main body 20 and the vertical direction moving auxiliary body 21 at the other side are subjected to downward movement, so that the stress balance of the wheels 2 at the front side of the vehicle body 1 is ensured, the wheels 2 at the front side of the vehicle body 1 are always in contact with the ground, the condition that the operation vehicle runs on a pothole road surface is met, and the operation vehicle has higher stability.
In the above embodiments, the specific configuration and form of the power unit, the control device for the quadrangular double-variable hanger 3, and the vehicle body direction control device are not limited, and examples thereof include:
the power device can adopt a hub motor which is arranged on the wheel 2; when the operation vehicle is in two-drive, the motor wheel 2 with the hub is arranged on a set of quadrilateral double-variable hanging frames 3 to form a rear-drive mode; when the operation vehicle is four-wheel driven, the motor wheel 2 with the wheel hub is arranged on a set of quadrilateral double-variable hanging frame 3 and a double-beam self-balancing bogie 15 to form a four-wheel driving mode. The quadrilateral double-variable hanging frame 3 can be controlled by adopting the existing control devices such as a motor, a gear transmission structure and the like. The double-beam self-balancing bogie 15 can be connected with the existing steering wheel, steering shaft and other vehicle body direction control devices through a conventional connecting mechanism, and a control relationship is established.
Claims (10)
1. The utility model provides a displacement operation carrier, this displacement operation carrier includes automobile body, wheel and power device, its characterized in that: a plurality of quadrilateral double-change hangers are arranged at the bottom of the vehicle body;
the quadrilateral double-variable hanging frame is symmetrically arranged at two sides of the middle section and/or the rear end of the bottom of the automobile body through an automobile body lower connecting hanging lug and an automobile body upper connecting hanging lug; the quadrilateral double-deformation hanger comprises a connecting rocker arm, a rear suspension shock absorber and a quadrilateral deformation distance mechanism; the connecting rocker arm is parallel to the vehicle body, one end of the connecting rocker arm is hinged with the lower connecting hanging lug of the vehicle body, and the other end of the connecting rocker arm is connected with the upper connecting hanging lug of the vehicle body through the rear suspension damper; one end of the quadrilateral distance-changing mechanism is arranged on the connecting rocker arm, and the other end of the quadrilateral distance-changing mechanism is provided with wheels at the rear side of the vehicle body;
the four-side variable-distance mechanism can drive the wheels at the rear side of the vehicle body to swing 180 degrees relative to the vehicle body, and the positions of the wheels at the rear side of the vehicle body are always parallel to the vehicle body; when the quadrilateral distance-changing mechanism drives wheels at the rear side of the vehicle body to swing towards the front end of the vehicle body, the wheel distance at the rear side of the vehicle body becomes smaller, and the wheel distance at the front and rear sides of the vehicle body becomes smaller; when the quadrilateral distance-changing mechanism drives wheels at the rear side of the vehicle body to swing 90 degrees towards the two side ends of the vehicle body, the wheel distance at the rear side of the vehicle body becomes large, and the wheel distance at the front and rear sides of the vehicle body becomes large; when the quadrilateral distance-changing mechanism drives wheels at the rear side of the vehicle body to swing towards the rear end of the vehicle body, the wheel distance at the rear side of the vehicle body becomes smaller, and the wheel distance at the front and rear sides of the vehicle body becomes larger.
2. The range-changing work truck of claim 1, wherein: the quadrilateral distance-changing mechanism is integrally in a parallelogram structure and comprises a positioning connecting plate, four single-hole shaft sleeve connecting rods, four double-hole shaft sleeve connecting rods, two swing spandrel beams, a swing regulating beam and a trapezoid positioning connecting plate;
the positioning connecting plate is fixedly arranged on the connecting rocker arm through a clamping plate on the connecting rocker arm; the four single-hole shaft sleeve connecting rods and the four double-hole shaft sleeve connecting rods are symmetrically and fixedly arranged on the positioning connecting plate and the trapezoid positioning connecting plate respectively, the four single-hole shaft sleeve connecting rods are positioned at the upper part and the lower part of the positioning connecting plate and the trapezoid positioning connecting plate, and the four double-hole shaft sleeve connecting rods are positioned at the middle part of the positioning connecting plate and the trapezoid positioning connecting plate; the two swing spandrel girders are positioned on the same horizontal plane in the vertical direction, the two swing spandrel girders are parallel, the swing regulation and control girders are parallel to the two swing spandrel girders in the horizontal direction and keep a certain distance with the two swing spandrel girders, the swing spandrel girders are arranged between a single-hole shaft sleeve connecting rod and a double-hole shaft sleeve connecting rod, the swing regulation and control girders are arranged between the double-hole shaft sleeve connecting rods, one ends of the swing spandrel girders and the swing regulation and control girders are rotationally connected with the positioning connecting plate through the single-hole shaft sleeve connecting rod and the double-hole shaft sleeve connecting rod, and the other ends of the swing spandrel girders and the swing regulation and control girders are rotationally connected with the trapezoid positioning connecting plate through the single-hole shaft sleeve connecting rod and the double-hole shaft sleeve connecting rod; the wheels are arranged at the bottom or the outer side of the single-hole shaft sleeve connecting rod at the lower part of the trapezoid positioning connecting plate.
3. The roll-off work carrier of claim 2, wherein: the swinging spandrel girder, the swinging regulation and control girder and the positioning connecting plate are matched with a single-hole shaft sleeve connecting rod, a double-hole shaft sleeve connecting rod and a trapezoid positioning connecting plate to form a parallelogram structure on a horizontal plane; wherein, the positioning connection plate is matched with a single-hole shaft sleeve connecting rod and a double-hole shaft sleeve connecting rod, and when the rear suspension shock absorber does not stretch, the positioning connection plate is fixed relative to the vehicle body; the trapezoid positioning connecting plate is matched with the single-hole shaft sleeve connecting rod, and the double-hole shaft sleeve connecting rod can drive the wheels to swing 180-degree relative to the vehicle body through the swing spandrel girder and the swing regulating and controlling girder.
4. The range-changing work truck of claim 1, wherein: the middle part of the front end of the bottom of the automobile body is also provided with a double-beam self-balancing bogie, and the double-beam self-balancing bogie is connected with the automobile body through an automobile body connecting upright post and an automobile body bottom beam; the double-beam self-balancing bogie comprises a main combination body, an auxiliary combination body, a vertical direction moving main body, a vertical direction moving auxiliary body and a stress balancing mechanism;
the main combination body is fixedly connected with the vehicle body bottom beam; the vertical direction moving main body is symmetrically arranged on two sides of the main combined body and is positioned on the same plane with the main combined body in the vertical direction, the vertical direction moving main body is connected with the main combined body through a pair of parallel connecting lower beams and a pair of parallel connecting upper beams, the vertical direction moving main body can swing relative to the main combined body through the connecting lower beams and the connecting upper beams, and the position of the vertical direction moving main body is always parallel to the main combined body; the vertical direction moving auxiliary body is symmetrically arranged on two sides of the auxiliary combination body, is positioned on the same plane with the auxiliary combination body in the vertical direction, is connected with the auxiliary combination body through a steering connecting rod, can perform swinging movement relative to the auxiliary combination body through the steering connecting rod, and is always parallel to the auxiliary combination body; the auxiliary combination body is parallel to the main combination body, the auxiliary combination body is close to the front end of the vehicle body, the auxiliary combination body is connected with the top of the main combination body through a pair of parallel steering lump rods, the bottoms of the two vertical direction moving auxiliary bodies are connected with the vertical direction moving main body through a pair of parallel steering arm rods, the auxiliary combination body can swing relative to the main combination body through the steering lump rods, and the position of the auxiliary combination body is always parallel to the main combination body; the stress balance mechanism can be rotatably arranged on the vehicle body connecting upright post, and the tops of the two vertical direction moving main bodies are respectively connected with the stress balance mechanism, so that the stress of the two vertical direction moving main bodies and the two vertical direction moving auxiliary bodies is balanced; the wheels are mounted on the bottom or outside of the steering arm.
5. The roll-off work truck of claim 4 wherein: the main combined body, the auxiliary combined body and the steering lump bars form a parallelogram structure on a horizontal plane; the main combination body, the vertical direction moving main body, the connecting lower beam and the connecting upper beam form a parallelogram structure on a vertical plane; the connecting lower beam, the connecting upper beam, the steering arm rod and the steering lump rod form a parallelogram structure in the horizontal projection direction.
6. The roll-off work truck of claim 4 wherein: the main combination body comprises four right-angle lifting lug connecting plates and two bearing sleeves; the two sides of each bearing are symmetrically provided with right-angle lifting lug connecting plates, the outer wall of each bearing is fixedly connected with the right-angle lifting lug connecting plates, gaps which can be penetrated by the vehicle body bottom beam are reserved among the four right-angle lifting lug connecting plates, and two bearing sleeves are symmetrically and fixedly arranged on the vehicle body bottom beam through the four right-angle lifting lug connecting plates; a radial bearing is arranged in the bearing sleeve, and the bearing sleeve is rotatably provided with a steering control shaft with one end exposed outside the bearing sleeve through the radial bearing; one end of the steering lump rod is fixedly sleeved and connected with one end of the steering control shaft exposed out of the bearing sleeve; the right-angle lifting lug connecting plate and the bearing sleeve are provided with screw holes for being matched and connected with the lower beam and the upper beam in a hinged mode, one ends of the pair of connecting lower beams and the pair of parallel connecting upper beams are hinged with the right-angle lifting lug connecting plate and the bearing sleeve through the screw holes, and the connecting lower beams are parallel to the connecting upper beams.
7. The roll-off work truck of claim 4 wherein: the vertical direction moving main body comprises a shaft sleeve, a radial bearing, a thrust bearing and a steering shaft; the shaft sleeve is of a cylindrical structure, the top of the shaft sleeve is provided with a mounting hole hinged with the stress balance mechanism, the inside of the shaft sleeve is hollow, and the bottom of the shaft sleeve is open; the upper end of the steering shaft is inserted into the shaft sleeve from the opening at the bottom of the shaft sleeve, and is rotationally connected with the shaft sleeve through a radial bearing and a thrust bearing, and the lower end of the steering shaft is exposed outside the shaft sleeve and is fixedly sleeved and connected with one end of the steering arm rod; the outer wall of the shaft sleeve is provided with screw holes which are matched with the hinged installation of the connecting lower beams and the connecting upper beams, the other ends of the pair of connecting lower beams and the pair of parallel connecting upper beams are hinged with the shaft sleeve through the screw holes, and the connecting lower beams are parallel to the connecting upper beams; the axial leads of the two shaft sleeves and the axial leads of the two bearing sleeves of the main combination body are parallel or intersected on the same plane.
8. The roll-off work truck of claim 4 wherein: the auxiliary combination body comprises a lower port cross connector and a linkage connector; the linkage connector is n-shaped, the lower port cross connectors are symmetrically arranged on two sides of the linkage connector, and the lower port cross connectors penetrate through the linkage connector and can rotate relative to the linkage connector; the lower port cross connector penetrates through the upper end of the linkage connector and is rotationally sleeved with the other end of the steering lump rod, and the lower end of the lower port cross connector exposed outside the linkage connector is connected with one end pin shaft of the steering connecting rod;
the vertical direction kinematic pair body is an upper port cross connector, the upper end of the upper port cross connector is connected with one end pin shaft of the steering connecting rod, and the lower end of the upper port cross connector is rotationally sleeved and connected with the other end of the steering arm rod.
9. The roll-off work truck of claim 4 wherein: the stress balance mechanism comprises a front suspension shock absorber, a self-balancing rocker, a rocker connecting column head and a rocker connecting nut; the middle of the self-balancing rocker is rotationally sleeved with a rocker connecting column head, and the rocker connecting column head penetrates through the vehicle body connecting column to be in threaded connection with a rocker connecting nut; the self-balancing seesaw can rotate relative to the seesaw connecting column head, and mounting holes hinged with the front suspension damper are formed in two sides of the self-balancing seesaw; the front suspension shock absorber is symmetrically arranged, one end of the front suspension shock absorber is hinged through a self-balancing wane, and the other end of the front suspension shock absorber is hinged to the top of the vertical direction moving main body.
10. The roll-off work truck of claim 4 wherein: the power device is a hub motor, and the hub motor is arranged on a wheel; when in two-wheel driving, the motor wheel with the wheel hub is arranged on one set of quadrilateral double-variable hanging frame, and when in four-wheel driving, the motor wheel with the wheel hub is arranged on one set of quadrilateral double-variable hanging frame and double-beam self-balancing bogie.
Priority Applications (1)
| Application Number | Priority Date | Filing Date | Title |
|---|---|---|---|
| CN202220805230.5U CN219154177U (en) | 2022-04-08 | 2022-04-08 | Variable-pitch operation carrier |
Applications Claiming Priority (1)
| Application Number | Priority Date | Filing Date | Title |
|---|---|---|---|
| CN202220805230.5U CN219154177U (en) | 2022-04-08 | 2022-04-08 | Variable-pitch operation carrier |
Publications (1)
| Publication Number | Publication Date |
|---|---|
| CN219154177U true CN219154177U (en) | 2023-06-09 |
Family
ID=86638263
Family Applications (1)
| Application Number | Title | Priority Date | Filing Date |
|---|---|---|---|
| CN202220805230.5U Active CN219154177U (en) | 2022-04-08 | 2022-04-08 | Variable-pitch operation carrier |
Country Status (1)
| Country | Link |
|---|---|
| CN (1) | CN219154177U (en) |
Cited By (1)
| Publication number | Priority date | Publication date | Assignee | Title |
|---|---|---|---|---|
| CN114683792A (en) * | 2022-04-08 | 2022-07-01 | 曾兵 | Variable-pitch operation carrier |
-
2022
- 2022-04-08 CN CN202220805230.5U patent/CN219154177U/en active Active
Cited By (2)
| Publication number | Priority date | Publication date | Assignee | Title |
|---|---|---|---|---|
| CN114683792A (en) * | 2022-04-08 | 2022-07-01 | 曾兵 | Variable-pitch operation carrier |
| CN114683792B (en) * | 2022-04-08 | 2025-05-13 | 曾兵 | A variable-distance transport vehicle |
Similar Documents
| Publication | Publication Date | Title |
|---|---|---|
| JP6435417B2 (en) | Multiple support point independent suspension system | |
| US10077090B2 (en) | Inverted tricycle | |
| US4583759A (en) | Upper suspension arm support structure | |
| WO2012155857A1 (en) | Independent suspension system with self-compensated floating swing arms | |
| CN111572629A (en) | Robot chassis with four independently steered wheels | |
| JPH04500647A (en) | Vehicle suspension equipment | |
| EP3397547A1 (en) | Forecarriage of a rolling motor vehicle | |
| CN112440647A (en) | Mobile robot chassis with suspension structure | |
| US7722062B2 (en) | Torque reaction control link | |
| CN219154177U (en) | Variable-pitch operation carrier | |
| CN105129110B (en) | A kind of planetary vehicle | |
| US3567243A (en) | Vehicular undercarriage and suspension | |
| CN105292250A (en) | Reverse tricycle | |
| KR910006830B1 (en) | Anti-roll Mechanism by Castor Control | |
| PL195629B1 (en) | Bogie construction | |
| CN208802068U (en) | A kind of new vehicle | |
| CN114683792B (en) | A variable-distance transport vehicle | |
| WO2025232502A1 (en) | Single-arm independent suspension, multi-axle steering vehicle chassis and vehicle | |
| JPH0811516A (en) | Car stabilizer device | |
| CN100386233C (en) | Independent Steering Suspension Mechanism of Large Power Flatbed Transporter | |
| CN114056088B (en) | Chassis assembly with independent steering and independent driving functions | |
| CN114771713A (en) | All-wheel drive active roll positive three-wheel chassis | |
| CN110562352B (en) | Four-wheel differential sliding steering power balancing device for independent suspension mobile robot | |
| CN222116466U (en) | Single-arm independent suspension, multi-axle steering vehicle chassis and vehicle | |
| CN100460235C (en) | Double oscillating arms linked suspension |
Legal Events
| Date | Code | Title | Description |
|---|---|---|---|
| GR01 | Patent grant | ||
| GR01 | Patent grant |