CN219130925U - Cutting equipment is used in processing of electromechanical device accessory - Google Patents
Cutting equipment is used in processing of electromechanical device accessory Download PDFInfo
- Publication number
- CN219130925U CN219130925U CN202223300422.XU CN202223300422U CN219130925U CN 219130925 U CN219130925 U CN 219130925U CN 202223300422 U CN202223300422 U CN 202223300422U CN 219130925 U CN219130925 U CN 219130925U
- Authority
- CN
- China
- Prior art keywords
- plate
- mounting
- movable
- wheel
- rod
- Prior art date
- Legal status (The legal status is an assumption and is not a legal conclusion. Google has not performed a legal analysis and makes no representation as to the accuracy of the status listed.)
- Expired - Fee Related
Links
Images
Classifications
-
- Y—GENERAL TAGGING OF NEW TECHNOLOGICAL DEVELOPMENTS; GENERAL TAGGING OF CROSS-SECTIONAL TECHNOLOGIES SPANNING OVER SEVERAL SECTIONS OF THE IPC; TECHNICAL SUBJECTS COVERED BY FORMER USPC CROSS-REFERENCE ART COLLECTIONS [XRACs] AND DIGESTS
- Y02—TECHNOLOGIES OR APPLICATIONS FOR MITIGATION OR ADAPTATION AGAINST CLIMATE CHANGE
- Y02P—CLIMATE CHANGE MITIGATION TECHNOLOGIES IN THE PRODUCTION OR PROCESSING OF GOODS
- Y02P70/00—Climate change mitigation technologies in the production process for final industrial or consumer products
- Y02P70/10—Greenhouse gas [GHG] capture, material saving, heat recovery or other energy efficient measures, e.g. motor control, characterised by manufacturing processes, e.g. for rolling metal or metal working
Landscapes
- Processing Of Stones Or Stones Resemblance Materials (AREA)
Abstract
本实用新型公开了一种机电设备配件加工用切割设备,包括安装固定板,其下端固定安装有连接支撑板,且安装固定板的内部左侧连接有移动限位板,所述安装固定板的上端右侧设置有配件本体;安装板,其固定连接在安装固定板的上端外侧,且位于安装固定板右端安装板的内部转动连接有连接安装杆,并且连接安装杆的外侧螺纹连接有移动连接板;衔接轮,其转动连接在移动连接板的中部,且衔接轮的上端转动连接有活动块,所述活动板的内部固定连接有连接电机,且连接电机的左端连接有切割组件。该机电设备配件加工用切割设备,对机电设备配件的固定效果好,方便调节切割刀片的角度,且方便对切割刀片进行更换。
The utility model discloses a cutting device for processing electromechanical equipment accessories, which comprises a fixed plate, the lower end of which is fixedly installed with a connecting support plate, and the inner left side of the fixed plate is connected with a movable limit plate, the fixed plate is installed The right side of the upper end is provided with an accessory body; the mounting plate is fixedly connected to the outer side of the upper end of the mounting plate, and the inside of the mounting plate at the right end of the mounting plate is rotatably connected to a mounting rod, and the outer threaded connection of the mounting rod is connected to a mobile connection plate; an engaging wheel, which is rotatably connected to the middle of the moving connecting plate, and the upper end of the engaging wheel is rotatably connected to a movable block, and the inside of the movable plate is fixedly connected to a connecting motor, and the left end of the connecting motor is connected to a cutting assembly. The cutting device for processing electromechanical equipment accessories has a good fixing effect on the electromechanical equipment accessories, and is convenient for adjusting the angle of the cutting blade and convenient for replacing the cutting blade.
Description
技术领域technical field
本实用新型涉及机电设备配件加工技术领域,具体为一种机电设备配件加工用切割设备。The utility model relates to the technical field of processing electromechanical equipment accessories, in particular to a cutting device for processing electromechanical equipment accessories.
背景技术Background technique
切割设备是指用刀等利器将物体切开的设备,机电设备配件加工是指对机械、电器及电气自动化设备中的零件进行加工处理,在机电设备配件加工用切割设备使用过程中需要用到固定结构对机电设备配件进行固定,比如:Cutting equipment refers to the equipment that cuts objects with sharp tools such as knives. The processing of mechanical and electrical equipment accessories refers to the processing of parts in machinery, electrical appliances and electrical automation equipment. It is necessary to use cutting equipment for the processing of mechanical and electrical equipment accessories. The fixed structure fixes the accessories of electromechanical equipment, such as:
中国专利授权公告号CN214417812U,公开了一种机电设备配件加工用切割设备,包括底板、工作台、切割装置、冷却装置和调节装置,所述底板的顶端通过四个矩形阵列分布的支撑腿固定焊接有工作台,所述底板的顶端设置有冷却装置,所述工作台的顶端设置有切割装置和调节装置;所述切割装置包括切割电机、安装板、液压杆和切割刀,所述切割电机通过螺栓固定安装在安装板的顶端,所述安装板的顶端固定焊接有辅助板,所述切割电机的输出轴贯穿辅助板上的通孔,且输出轴通过联轴器传动连接有传动轴,传动轴的另一侧焊接有法兰。该机电设备配件加工用切割设备,不仅能有效降低切割作业时的温度,且可以满足不同工件的加工需求。Chinese patent authorization announcement number CN214417812U discloses a cutting device for processing electromechanical equipment accessories, including a base plate, a workbench, a cutting device, a cooling device and an adjustment device, and the top of the base plate is fixed and welded by four support legs distributed in a rectangular array There is a workbench, the top of the bottom plate is provided with a cooling device, and the top of the workbench is provided with a cutting device and an adjustment device; the cutting device includes a cutting motor, a mounting plate, a hydraulic rod and a cutting knife, and the cutting motor passes through Bolts are fixedly installed on the top of the mounting plate, the top of the mounting plate is fixedly welded with an auxiliary plate, the output shaft of the cutting motor runs through the through hole on the auxiliary plate, and the output shaft is connected to the transmission shaft through a coupling transmission, and the transmission The other side of the shaft has a flange welded on it. The cutting equipment for processing electromechanical equipment accessories can not only effectively reduce the temperature during cutting operations, but also meet the processing requirements of different workpieces.
上述中的现有技术方案存在以下缺陷:对机电设备配件进行加工需要将机电设备配件用手按住进行切割,同时普通切割机只能进行单一角度的切割,对于切割刀片的更换不够便捷,因此,本实用新型提供一种机电设备配件加工用切割设备,以解决上述提出的问题。The above-mentioned existing technical solutions have the following defects: to process the electromechanical equipment accessories, the electromechanical equipment accessories need to be cut by hand, and the ordinary cutting machine can only cut at a single angle, and the replacement of the cutting blade is not convenient enough, so , The utility model provides a cutting device for processing electromechanical equipment accessories to solve the above-mentioned problems.
实用新型内容Utility model content
本实用新型的目的在于提供一种机电设备配件加工用切割设备,以解决上述背景技术中提出的对机电设备配件进行加工需要将机电设备配件用手按住进行切割,同时普通切割机只能进行单一角度的切割,对于切割刀片的更换不够便捷的问题。The purpose of this utility model is to provide a kind of cutting equipment for processing electromechanical equipment accessories, to solve the problem of processing electromechanical equipment accessories proposed in the above-mentioned background technology that the electromechanical equipment accessories need to be cut by hand, and ordinary cutting machines can only Cutting at a single angle is not convenient enough for the replacement of cutting blades.
为实现上述目的,本实用新型提供如下技术方案:一种机电设备配件加工用切割设备,包括安装固定板,其下端固定安装有连接支撑板,且安装固定板的内部左侧连接有移动限位板,并且移动限位板的下端螺纹连接有连接固定杆,所述安装固定板的上端右侧设置有配件本体;In order to achieve the above purpose, the utility model provides the following technical solutions: a cutting device for processing electromechanical equipment accessories, including a fixed plate, the lower end of which is fixedly installed with a connecting support plate, and the inner left side of the fixed plate is connected with a movement limiter plate, and the lower end of the moving limit plate is threadedly connected with a connection fixing rod, and the right side of the upper end of the installation and fixing plate is provided with an accessory body;
安装板,其固定连接在安装固定板的上端外侧,且位于安装固定板右端安装板的内部转动连接有连接安装杆,并且连接安装杆的外侧螺纹连接有移动连接板;The mounting plate is fixedly connected to the outer side of the upper end of the mounting plate, and the inside of the mounting plate at the right end of the mounting plate is rotatably connected to a connecting mounting rod, and the outer thread of the connecting mounting rod is connected to a mobile connecting plate;
衔接轮,其转动连接在移动连接板的中部,且衔接轮的上端转动连接有活动块,并且活动块的中部连接有限位杆,所述衔接轮的左端连接有安装轮,且安装轮的下端固定安装有活动板,所述活动板的内部固定连接有连接电机,且连接电机的左端连接有切割组件。An engaging wheel, which is rotatably connected to the middle of the moving connecting plate, and the upper end of the engaging wheel is rotatably connected to a movable block, and the middle part of the movable block is connected to a limit rod, and the left end of the engaging wheel is connected to a mounting wheel, and the lower end of the mounting wheel A movable plate is fixedly installed, and a connecting motor is fixedly connected to the inside of the movable plate, and a cutting assembly is connected to the left end of the connecting motor.
优选的,所述移动限位板与安装固定板之间采用滑动的方式相连接,且移动限位板的竖截面形状为“L”字型结构。Preferably, the moving limiting plate is connected to the fixing plate in a sliding manner, and the vertical section of the moving limiting plate is an "L"-shaped structure.
优选的,所述衔接轮与安装轮之间采用啮合的方式相连接,且安装轮与移动连接板之间采用转动的方式相连接。Preferably, the engagement wheel is connected to the installation wheel in a meshing manner, and the installation wheel is connected to the moving connecting plate in a rotational manner.
优选的,所述切割组件包括连接杆、安装连接块和切割刀片;Preferably, the cutting assembly includes a connecting rod, an installation connecting block and a cutting blade;
连接杆,其外侧连接有安装连接块;a connecting rod, the outside of which is connected with an installation connecting block;
切割刀片,其固定连接在安装连接块的左端。The cutting blade is fixedly connected to the left end of the connecting block.
优选的,所述连接杆与连接电机之间采用螺纹的方式相连接,且连接电机与安装连接块之间采用卡合的方式相连接。Preferably, the connecting rod and the connecting motor are connected in a threaded manner, and the connecting motor and the installation connection block are connected in a snap-fitting manner.
与现有技术相比,本实用新型的有益效果是:该机电设备配件加工用切割设备,对机电设备配件的固定效果好,方便调节切割刀片的角度,且方便对切割刀片进行更换;Compared with the prior art, the utility model has the beneficial effects that: the cutting equipment for processing electromechanical equipment accessories has a good fixing effect on the electromechanical equipment accessories, and it is convenient to adjust the angle of the cutting blade, and it is convenient to replace the cutting blade;
1、通过将配件本体放置在安装固定板的上端右侧,推动移动限位板,使移动限位板在安装固定板的内部左侧进行滑动,从而使移动限位板和安装板对配件本体进行夹持,转动连接固定杆,使连接固定杆在安装固定板的下端左侧进行螺纹连接,从而使连接固定杆在移动限位板的下端进行螺纹连接,方便对移动限位板进行固定,从而保证了对配件本体的固定效果好;1. By placing the accessory body on the right side of the upper end of the installation fixed plate, push the movable limit plate, so that the movable limit plate slides on the inner left side of the installed fixed plate, so that the movable limit plate and the installation plate are aligned with the accessory body Carry out clamping, turn the connection fixing rod, so that the connection fixing rod is threaded on the left side of the lower end of the installation fixing plate, so that the connection fixing rod is threaded on the lower end of the moving limit plate, which is convenient for fixing the moving limit plate. Thereby ensuring a good fixing effect on the accessory body;
2、通过转动衔接轮,使衔接轮在移动连接板的内部中侧进行转动,从而使与衔接轮啮合连接的安装轮进行转动,进而使安装轮带动活动板进行转动,使活动板带动连接电机进行转动,从而使连接电机带动切割刀片进行转动,方便调节切割刀片的角度;2. By turning the engaging wheel, the engaging wheel rotates on the inner side of the moving connecting plate, so that the installation wheel meshed with the engaging wheel rotates, and then the installation wheel drives the movable plate to rotate, so that the movable plate drives the connecting motor Rotate, so that the connecting motor drives the cutting blade to rotate, and it is convenient to adjust the angle of the cutting blade;
3、通过转动连接杆,使连接杆在安装连接块的外侧进行螺纹连接,从而使连接杆在连接电机的左端外侧进行分离,进而使安装连接块在连接电机的外侧进行分离,方便对切割刀片进行更换。3. By rotating the connecting rod, the connecting rod is threaded on the outside of the connecting block, so that the connecting rod is separated outside the left end of the connecting motor, and then the connecting block is separated outside the connecting motor, which is convenient for the cutting blade Make a replacement.
附图说明Description of drawings
图1为本实用新型正视剖面结构示意图;Fig. 1 is the schematic diagram of the utility model front section structure;
图2为本实用新型图1中A处放大结构示意图;Fig. 2 is the schematic diagram of enlarged structure at A place in Fig. 1 of the utility model;
图3为本实用新型图1中B处放大结构示意图;Fig. 3 is the schematic diagram of enlarged structure at B place in Fig. 1 of the utility model;
图4为本实用新型俯视剖面结构示意图。Fig. 4 is a schematic diagram of a top view cross-sectional structure of the utility model.
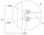
图中:1、安装固定板;2、连接支撑板;3、移动限位板;4、连接固定杆;5、配件本体;6、安装板;7、连接安装杆;8、移动连接板;9、连接电机;10、衔接轮;11、活动块;12、限位杆;13、安装轮;14、活动板;15、切割组件;1501、连接杆;1502、安装连接块;1503、切割刀片。In the figure: 1. Install the fixed plate; 2. Connect the support plate; 3. Move the limit plate; 4. Connect the fixed rod; 9. Connect the motor; 10. Coupling wheel; 11. Movable block; 12. Limit rod; 13. Install wheel; 14. Movable plate; 15. Cutting component; 1501. Connecting rod; 1502. Install connecting block; blade.
具体实施方式Detailed ways
下面将结合本实用新型实施例中的附图,对本实用新型实施例中的技术方案进行清楚、完整地描述,显然,所描述的实施例仅仅是本实用新型一部分实施例,而不是全部的实施例。基于本实用新型中的实施例,本领域普通技术人员在没有做出创造性劳动前提下所获得的所有其他实施例,都属于本实用新型保护的范围。The technical solutions in the embodiments of the present invention will be clearly and completely described below in conjunction with the accompanying drawings in the embodiments of the present invention. Obviously, the described embodiments are only part of the embodiments of the present invention, not all of them. example. Based on the embodiments of the present utility model, all other embodiments obtained by persons of ordinary skill in the art without making creative efforts belong to the scope of protection of the present utility model.
请参阅图1-4,本实用新型提供一种技术方案:一种机电设备配件加工用切割设备,包括,安装固定板1下端固定安装有连接支撑板2,且安装固定板1的内部左侧连接有移动限位板3,并且移动限位板3的下端螺纹连接有连接固定杆4,安装固定板1的上端右侧设置有配件本体5,将配件本体5放置在安装固定板1的上端右侧,推动移动限位板3,使移动限位板3在安装固定板1的内部左侧进行滑动,从而使移动限位板3和安装板6对配件本体5进行夹持,转动连接固定杆4,使连接固定杆4在安装固定板1的下端左侧进行螺纹连接,从而使连接固定杆4在移动限位板3的下端进行螺纹连接,方便对移动限位板3进行固定,从而保证了对配件本体5的固定效果好,安装板6固定连接在安装固定板1的上端外侧,且位于安装固定板1右端安装板6的内部转动连接有连接安装杆7,并且连接安装杆7的外侧螺纹连接有移动连接板8,转动连接安装杆7,使连接安装杆7在安装板6的内部进行转动,从而使与连接安装杆7螺纹连接的移动连接板8向下进行移动,进而使切割刀片1503对配件本体5进行切割;Please refer to Figures 1-4, the utility model provides a technical solution: a cutting device for processing electromechanical equipment accessories, including: the lower end of the
衔接轮10转动连接在移动连接板8的中部,且衔接轮10的上端转动连接有活动块11,并且活动块11的中部连接有限位杆12,衔接轮10的左端连接有安装轮13,且安装轮13的下端固定安装有活动板14,活动板14的内部固定连接有连接电机9,且连接电机9的左端连接有切割组件15,转动衔接轮10,使衔接轮10在移动连接板8的内部中侧进行转动,从而使与衔接轮10连接的安装轮13进行转动,进而使安装轮13带动活动板14进行转动,使活动板14带动连接电机9进行转动,从而使连接电机9带动切割刀片1503进行转动,方便调节切割刀片1503的角度,再通过衔接轮10与活动块11之间的转动连接,使活动块11在移动连接板8的上侧进行卡合连接,转动限位杆12,使限位杆12在活动块11的中部进行螺纹连接,从而使限位杆12在移动连接板8的上侧进行螺纹连接,方便对衔接轮10进行固定。The
在使用该机电设备配件加工用切割设备时,具体的如图1和图4中,将配件本体5放置在安装固定板1的上端右侧,移动限位板3与安装固定板1之间采用滑动的方式相连接,且移动限位板3的竖截面形状为“L”字型结构,推动移动限位板3,使移动限位板3在安装固定板1的内部左侧进行滑动,从而使移动限位板3和安装板6对配件本体5进行夹持,转动连接固定杆4,使连接固定杆4在安装固定板1的下端左侧进行螺纹连接,从而使连接固定杆4在移动限位板3的下端进行螺纹连接,方便对移动限位板3进行固定,从而保证了对配件本体5的固定效果好,通过安装固定板1下端安装的连接支撑板2,方便对安装固定板1进行支撑;When using the cutting equipment for processing electromechanical equipment accessories, specifically as shown in Figures 1 and 4, the
具体的如图1、图2和图4中,转动连接安装杆7,使连接安装杆7在安装板6的内部进行转动,从而使与连接安装杆7螺纹连接的移动连接板8向下进行移动,进而使切割刀片1503对配件本体5进行切割,衔接轮10与安装轮13之间采用啮合的方式相连接,且安装轮13与移动连接板8之间采用转动的方式相连接,转动衔接轮10,使衔接轮10在移动连接板8的内部中侧进行转动,从而使与衔接轮10啮合连接的安装轮13进行转动,进而使安装轮13带动活动板14进行转动,使活动板14带动连接电机9进行转动,从而使连接电机9带动切割刀片1503进行转动,方便调节切割刀片1503的角度,再通过衔接轮10与活动块11之间的转动连接,使活动块11在移动连接板8的上侧进行卡合连接,转动限位杆12,使限位杆12在活动块11的中部进行螺纹连接,从而使限位杆12在移动连接板8的上侧进行螺纹连接,方便对衔接轮10进行固定;Specifically as shown in Fig. 1, Fig. 2 and Fig. 4, rotate the
具体的如图1和图3中,由于连接杆1501与连接电机9之间采用螺纹的方式相连接,且连接电机9与安装连接块1502之间采用卡合的方式相连接,转动连接杆1501,使连接杆1501在安装连接块1502的外侧进行螺纹连接,从而使连接杆1501在连接电机9的左端外侧进行分离,进而使安装连接块1502在连接电机9的外侧进行分离,方便对切割刀片1503进行更换。Specifically as shown in Figure 1 and Figure 3, since the connecting
本实用新型使用到的标准零件均可以从市场上购买,异形件根据说明书的和附图的记载均可以进行订制,各个零件的具体连接方式均采用现有技术中成熟的螺栓、铆钉、焊接等常规手段,机械、零件和设备均采用现有技术中,常规的型号,加上电路连接采用现有技术中常规的连接方式,在此不再详述,本说明书中未作详细描述的内容属于本领域专业技术人员公知的现有技术。The standard parts used in the utility model can be purchased from the market, and the special-shaped parts can be customized according to the instructions and the records of the drawings. The specific connection methods of each part adopt mature bolts, rivets, welding Conventional means, machinery, parts and equipment all adopt the conventional models in the prior art, and the circuit connection adopts the conventional connection methods in the prior art, which will not be described in detail here, and the content that is not described in detail in this manual Belong to the prior art known to those skilled in the art.
尽管参照前述实施例对本实用新型进行了详细的说明,对于本领域的技术人员来说,其依然可以对前述各实施例所记载的技术方案进行修改,或者对其中部分技术特征进行等同替换,凡在本实用新型的精神和原则之内,所作的任何修改、等同替换、改进等,均应包含在本实用新型的保护范围之内。Although the utility model has been described in detail with reference to the aforementioned embodiments, those skilled in the art can still modify the technical solutions described in the aforementioned embodiments, or perform equivalent replacements for some of the technical features. Within the spirit and principles of the utility model, any modification, equivalent replacement, improvement, etc., should be included in the protection scope of the utility model.
Claims (5)
Priority Applications (1)
| Application Number | Priority Date | Filing Date | Title |
|---|---|---|---|
| CN202223300422.XU CN219130925U (en) | 2022-12-09 | 2022-12-09 | Cutting equipment is used in processing of electromechanical device accessory |
Applications Claiming Priority (1)
| Application Number | Priority Date | Filing Date | Title |
|---|---|---|---|
| CN202223300422.XU CN219130925U (en) | 2022-12-09 | 2022-12-09 | Cutting equipment is used in processing of electromechanical device accessory |
Publications (1)
| Publication Number | Publication Date |
|---|---|
| CN219130925U true CN219130925U (en) | 2023-06-06 |
Family
ID=86568031
Family Applications (1)
| Application Number | Title | Priority Date | Filing Date |
|---|---|---|---|
| CN202223300422.XU Expired - Fee Related CN219130925U (en) | 2022-12-09 | 2022-12-09 | Cutting equipment is used in processing of electromechanical device accessory |
Country Status (1)
| Country | Link |
|---|---|
| CN (1) | CN219130925U (en) |
-
2022
- 2022-12-09 CN CN202223300422.XU patent/CN219130925U/en not_active Expired - Fee Related
Similar Documents
| Publication | Publication Date | Title |
|---|---|---|
| CN219130925U (en) | Cutting equipment is used in processing of electromechanical device accessory | |
| CN216540421U (en) | Punching device is used in processing of stator and rotor convenient to collect waste material | |
| CN213034726U (en) | Plate processing equipment for building | |
| CN212527964U (en) | Dust collection reversing device of board separator | |
| CN220846793U (en) | Cloth positioning mechanism | |
| CN113752066A (en) | Multifunctional blade grooving machine for circulation and use method thereof | |
| CN219093838U (en) | Machining cutting machine | |
| CN218428579U (en) | Full-automatic plastic product cutting device | |
| CN212793380U (en) | Mechanical engineering cutting device with locate function | |
| CN213352669U (en) | Cutting device for industrial processing | |
| CN211540359U (en) | A multi-angle automatic tightening device | |
| CN217750529U (en) | A positioning device for stainless steel kitchenware processing | |
| CN217166939U (en) | A cutting device for mechanical and electrical processing | |
| CN113967849A (en) | External angle machining and profiling device for steel pipe treatment | |
| CN217372687U (en) | Plate cutting device | |
| CN217531058U (en) | Novel cutting machine | |
| CN216377943U (en) | Cutting tool for glass | |
| CN221066444U (en) | Rubber tube cutting device for rubber tube processing | |
| CN221390918U (en) | Clamp for producing impeller of turbocharger | |
| CN219075795U (en) | Fixed-length plate cutting machine | |
| CN220846788U (en) | Automatic cloth cutting machine | |
| CN218556264U (en) | Transmission shaft milling positioning device for universal milling machine | |
| CN222931923U (en) | Simple and convenient electronic cutting saw positioning mechanism of installation and use | |
| CN219235548U (en) | A reciprocating feed mechanism for a table saw | |
| CN221641059U (en) | Foamed plastic product cutting mechanism |
Legal Events
| Date | Code | Title | Description |
|---|---|---|---|
| GR01 | Patent grant | ||
| GR01 | Patent grant | ||
| CF01 | Termination of patent right due to non-payment of annual fee |
Granted publication date: 20230606 |
|
| CF01 | Termination of patent right due to non-payment of annual fee |
