CN219125231U - 一种用于饼干生产的快速切面装置 - Google Patents

一种用于饼干生产的快速切面装置 Download PDF

Info

Publication number
CN219125231U
CN219125231U CN202223493146.3U CN202223493146U CN219125231U CN 219125231 U CN219125231 U CN 219125231U CN 202223493146 U CN202223493146 U CN 202223493146U CN 219125231 U CN219125231 U CN 219125231U
Authority
CN
China
Prior art keywords
fixedly connected
cutter
cutting device
manufacture according
dough cutting
Prior art date
Legal status (The legal status is an assumption and is not a legal conclusion. Google has not performed a legal analysis and makes no representation as to the accuracy of the status listed.)
Active
Application number
CN202223493146.3U
Other languages
English (en)
Inventor
张利娟
Current Assignee (The listed assignees may be inaccurate. Google has not performed a legal analysis and makes no representation or warranty as to the accuracy of the list.)
Kashgar Yaxisong Food Co ltd
Original Assignee
Anhui Jon Rabbit Food Co ltd
Priority date (The priority date is an assumption and is not a legal conclusion. Google has not performed a legal analysis and makes no representation as to the accuracy of the date listed.)
Filing date
Publication date
Application filed by Anhui Jon Rabbit Food Co ltd filed Critical Anhui Jon Rabbit Food Co ltd
Priority to CN202223493146.3U priority Critical patent/CN219125231U/zh
Application granted granted Critical
Publication of CN219125231U publication Critical patent/CN219125231U/zh
Active legal-status Critical Current
Anticipated expiration legal-status Critical

Links

Images

Classifications

    • YGENERAL TAGGING OF NEW TECHNOLOGICAL DEVELOPMENTS; GENERAL TAGGING OF CROSS-SECTIONAL TECHNOLOGIES SPANNING OVER SEVERAL SECTIONS OF THE IPC; TECHNICAL SUBJECTS COVERED BY FORMER USPC CROSS-REFERENCE ART COLLECTIONS [XRACs] AND DIGESTS
    • Y02TECHNOLOGIES OR APPLICATIONS FOR MITIGATION OR ADAPTATION AGAINST CLIMATE CHANGE
    • Y02PCLIMATE CHANGE MITIGATION TECHNOLOGIES IN THE PRODUCTION OR PROCESSING OF GOODS
    • Y02P60/00Technologies relating to agriculture, livestock or agroalimentary industries
    • Y02P60/80Food processing, e.g. use of renewable energies or variable speed drives in handling, conveying or stacking

Landscapes

  • Details Of Cutting Devices (AREA)

Abstract

本实用新型公开了一种用于饼干生产的快速切面装置,包括安装架和收集箱,所述安装架的一侧设置有输送机构,所述输送机构包括驱动电机,所述安装架的顶部通过支撑杆固定连接有安装板,所述安装板的底部固定连接有液压伸缩缸,所述液压伸缩缸的底部固定连接有机箱,所述机箱的内腔设置有传动机构,所述传动机构包括双轴电机,所述传动机构的一侧设置有切刀。本实用新型通过安装架、收集箱、输送机构、液压伸缩缸、机箱、传动机构、切刀和排料机构的配合,输送机构对原料进行输送,液压伸缩缸带动机箱向下移动,传动机构带动切刀向两侧移动,然后排料机构将粘附在切刀表面的废料排出,操作简单,工作效率高。

Description

一种用于饼干生产的快速切面装置
技术领域
本实用新型涉及饼干生产技术领域,具体地说,涉及一种用于饼干生产的快速切面装置。
背景技术
饼干是以谷类粉(和/或豆类、薯类粉)等为主要原料,添加或不添加糖、油脂及其他原料,经调粉(或调浆)、成型、烘烤(或煎烤)等工艺制成的食品,以及熟制前或熟制后在产品之间(或表面、或内部)添加奶油、蛋白、可可、巧克力等的食品;
现有的用于饼干生产的快速切面装置其不能将废料进行收集处理,而且废料容易粘附在切刀表面,需要人工对其进行清理,降低装置的实用性。
实用新型内容
(一)解决的技术问题
针对现有技术的不足,本实用新型的目的在于提供一种用于饼干生产的快速切面装置,方便清理,且可以对废料进行收集,实用性高。
(二)技术方案
本为实现上述目的,本实用新型提供如下技术方案,一种用于饼干生产的快速切面装置,包括安装架和收集箱,所述安装架的一侧设置有输送机构,所述输送机构包括驱动电机,所述安装架的顶部通过支撑杆固定连接有安装板,所述安装板的底部固定连接有液压伸缩缸,所述液压伸缩缸的底部固定连接有机箱,所述机箱的内腔设置有传动机构,所述传动机构包括双轴电机,所述传动机构的一侧设置有切刀,所述切刀的一侧设置有排料机构,所述排料机构包括固定箱,所述安装架的内腔设置有工作台。
作为优选方案,所述驱动电机的输出轴固定连接有输送辊,所述输送辊的表面传动连接有传送带。
作为优选方案,所述双轴电机的输出轴固定连接有螺纹杆,所述螺纹杆的表面套设有螺纹管。
作为优选方案,所述螺纹管的表面固定连接有限位块,所述限位块的另一侧滑动连接有限位槽。
作为优选方案,所述螺纹杆的数量为两个,且两个螺纹杆表面的螺纹方向相反。
作为优选方案,所述固定箱的内腔固定连接有伺服电机,所述伺服电机的输出轴固定连接有凸轮,所述固定箱的内腔设置有挡板,所述挡板的底部固定连接有固定杆,所述固定杆的另一端固定连接有推板,所述固定杆的表面套设有复位弹簧。
作为优选方案,所述复位弹簧的一端与固定箱的内腔固定连接,所述复位弹簧的另一端与挡板的一侧固定连接。
(三)有益效果
与现有技术相比,本实用新型提供了一种用于饼干生产的快速切面装置,具备以下有益效果。
1、本实用新型通过安装架、收集箱、输送机构、液压伸缩缸、机箱、传动机构、切刀和排料机构的配合,输送机构对原料进行输送,液压伸缩缸带动机箱向下移动,传动机构带动切刀向两侧移动,然后排料机构将粘附在切刀表面的废料排出,操作简单,工作效率高。
2、本实用新型通过驱动电机、输送辊和传送带的配合,驱动电机的输出轴通过输送辊带动传送带移动,通过双轴电机、螺纹杆和螺纹管的配合,双轴电机的输出轴通过螺纹杆带动螺纹管移动,通过限位块和限位槽的配合,便于对螺纹管进行限位,提高装置的安全性,通过设计两个螺纹杆表面的螺纹方向相反,便于使两个螺纹管相向移动,通过固定箱、伺服电机、凸轮、挡板、固定杆、推板和复位弹簧的配合,伺服电机的输出轴通过凸轮带动挡板移动,挡板通过固定杆带动推板移动,通过复位弹簧对挡板的作用,方便挡板复位。
附图说明
图1为本实用新型结构示意图;
图2为本实用新型机箱结构左视剖面图;
图3为本实用新型图2中A处局部放大图;
图4为本实用新型排料机构示意图。
图中:1、安装架;2、收集箱;3、输送机构;31、驱动电机;32、输送辊;33、传送带;4、安装板;5、液压伸缩缸;6、机箱;7、传动机构;71、双轴电机;72、螺纹杆;73、螺纹管;8、切刀;9、排料机构;91、固定箱;92、伺服电机;93、凸轮;94、挡板;95、固定杆;96、推板;97、复位弹簧;10、工作台;11、限位块;12、限位槽。
具体实施方式
下面结合附图和实施例对本实用新型的实施方式作进一步详细描述。以下实施例用于说明本实用新型,但不能用来限制本实用新型的范围。
在本实用新型的描述中,除非另有说明,“多个”的含义是两个或两个以上;术语“上”、“下”、“左”、“右”、“内”、“外”、“前端”、“后端”、“头部”、“尾部”等指示的方位或位置关系为基于附图所示的方位或位置关系,仅是为了便于描述本实用新型和简化描述,而不是指示或暗示所指的装置或元件必须具有特定的方位、以特定的方位构造和操作,因此不能理解为对本实用新型的限制。此外,术语“第一”、“第二”、“第三”等仅用于描述目的,而不能理解为指示或暗示相对重要性。
在本实用新型的描述中,需要说明的是,除非另有明确的规定和限定,术语“相连”、“连接”应做广义理解,例如,可以是固定连接,也可以是可拆卸连接,或一体地连接;可以是机械连接,也可以是电连接;可以是直接相连,也可以通过中间媒介间接相连。对于本领域的普通技术人员而言,可以具体情况理解上述术语在本实用新型中的具体含义。
请参阅图1-4,本实用新型:一种用于饼干生产的快速切面装置,包括安装架1和收集箱2,安装架1的一侧设置有输送机构3,输送机构3包括驱动电机31,安装架1的顶部通过支撑杆固定连接有安装板4,安装板4的底部固定连接有液压伸缩缸5,液压伸缩缸5的底部固定连接有机箱6,机箱6的内腔设置有传动机构7,传动机构7包括双轴电机71,传动机构7的一侧设置有切刀8,切刀8的一侧设置有排料机构9,排料机构9包括固定箱91,安装架1的内腔设置有工作台10。
驱动电机31的输出轴固定连接有输送辊32,输送辊32的表面传动连接有传送带33。
双轴电机71的输出轴固定连接有螺纹杆72,螺纹杆72的表面套设有螺纹管73。
螺纹管73的表面固定连接有限位块11,限位块11的另一侧滑动连接有限位槽12。
螺纹杆72的数量为两个,且两个螺纹杆72表面的螺纹方向相反。
根据上述方案,通过驱动电机31、输送辊32和传送带33的配合,驱动电机31的输出轴通过输送辊32带动传送带33移动,通过双轴电机71、螺纹杆72和螺纹管73的配合,双轴电机71的输出轴通过螺纹杆72带动螺纹管73移动,通过限位块11和限位槽12的配合,便于对螺纹管73进行限位,提高装置的安全性,通过设计两个螺纹杆72表面的螺纹方向相反,便于使两个螺纹管73相向移动。
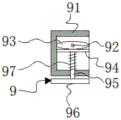
固定箱91的内腔固定连接有伺服电机92,伺服电机92的输出轴固定连接有凸轮93,固定箱91的内腔设置有挡板94,挡板94的底部固定连接有固定杆95,固定杆95的另一端固定连接有推板96,固定杆95的表面套设有复位弹簧97。
复位弹簧97的一端与固定箱91的内腔固定连接,复位弹簧97的另一端与挡板94的一侧固定连接。
根据上述方案,通过固定箱91、伺服电机92、凸轮93、挡板94、固定杆95、推板96和复位弹簧97的配合,伺服电机92的输出轴通过凸轮93带动挡板94移动,挡板94通过固定杆95带动推板96移动,通过复位弹簧97对挡板94的作用,方便挡板94复位。
本实用新型的工作原理是;驱动电机31的输出轴通过输送辊32带动传送带33移动,对原料进行输送,液压伸缩缸5带动机箱6向下移动,双轴电机71的输出轴通过螺纹杆72带动螺纹管73移动,螺纹管73带动切刀8向两侧移动,伺服电机92的输出轴通过凸轮93带动挡板94移动,挡板94通过固定杆95带动推板96移动,将粘附在切刀8表面的废料排出,操作简单,工作效率高。
最后应当说明的是,以上实施例仅用以说明本实用新型的技术方案,而非对本实用新型保护范围的限制,尽管参照较佳实施例对本实用新型作了详细地说明,本领域的普通技术人员应当理解,可以对本实用新型的技术方案进行修改或者等同替换,而不脱离本实用新型技术方案的实质和范围。

Claims (7)

1.一种用于饼干生产的快速切面装置,包括安装架(1)和收集箱(2),其特征在于:所述安装架(1)的一侧设置有输送机构(3),所述输送机构(3)包括驱动电机(31),所述安装架(1)的顶部通过支撑杆固定连接有安装板(4),所述安装板(4)的底部固定连接有液压伸缩缸(5),所述液压伸缩缸(5)的底部固定连接有机箱(6),所述机箱(6)的内腔设置有传动机构(7),所述传动机构(7)包括双轴电机(71),所述传动机构(7)的一侧设置有切刀(8),所述切刀(8)的一侧设置有排料机构(9),所述排料机构(9)包括固定箱(91),所述安装架(1)的内腔设置有工作台(10)。
2.根据权利要求1所述的一种用于饼干生产的快速切面装置,其特征在于:所述驱动电机(31)的输出轴固定连接有输送辊(32),所述输送辊(32)的表面传动连接有传送带(33)。
3.根据权利要求1所述的一种用于饼干生产的快速切面装置,其特征在于:所述双轴电机(71)的输出轴固定连接有螺纹杆(72),所述螺纹杆(72)的表面套设有螺纹管(73)。
4.根据权利要求3所述的一种用于饼干生产的快速切面装置,其特征在于:所述螺纹管(73)的表面固定连接有限位块(11),所述限位块(11)的另一侧滑动连接有限位槽(12)。
5.根据权利要求3所述的一种用于饼干生产的快速切面装置,其特征在于:所述螺纹杆(72)的数量为两个,且两个螺纹杆(72)表面的螺纹方向相反。
6.根据权利要求1所述的一种用于饼干生产的快速切面装置,其特征在于:所述固定箱(91)的内腔固定连接有伺服电机(92),所述伺服电机(92)的输出轴固定连接有凸轮(93),所述固定箱(91)的内腔设置有挡板(94),所述挡板(94)的底部固定连接有固定杆(95),所述固定杆(95)的另一端固定连接有推板(96),所述固定杆(95)的表面套设有复位弹簧(97)。
7.根据权利要求6所述的一种用于饼干生产的快速切面装置,其特征在于:所述复位弹簧(97)的一端与固定箱(91)的内腔固定连接,所述复位弹簧(97)的另一端与挡板(94)的一侧固定连接。
CN202223493146.3U 2022-12-27 2022-12-27 一种用于饼干生产的快速切面装置 Active CN219125231U (zh)

Priority Applications (1)

Application Number Priority Date Filing Date Title
CN202223493146.3U CN219125231U (zh) 2022-12-27 2022-12-27 一种用于饼干生产的快速切面装置

Applications Claiming Priority (1)

Application Number Priority Date Filing Date Title
CN202223493146.3U CN219125231U (zh) 2022-12-27 2022-12-27 一种用于饼干生产的快速切面装置

Publications (1)

Publication Number Publication Date
CN219125231U true CN219125231U (zh) 2023-06-06

Family

ID=86600981

Family Applications (1)

Application Number Title Priority Date Filing Date
CN202223493146.3U Active CN219125231U (zh) 2022-12-27 2022-12-27 一种用于饼干生产的快速切面装置

Country Status (1)

Country Link
CN (1) CN219125231U (zh)

Similar Documents

Publication Publication Date Title
CN117367908A (zh) 一种食品检测用取样破碎装置
CN106272594B (zh) 多花样洋葱自动切削装置
CN111543452A (zh) 一种面食加工用揉面装置
CN206154368U (zh) 一种多花样洋葱自动切削装置
CN219125231U (zh) 一种用于饼干生产的快速切面装置
CN110744599B (zh) 一种土豆清洗和切片装置
CN210847629U (zh) 一种餐厨垃圾湿法破碎分离系统
CN216003178U (zh) 一种新型面包包装机
CN221291415U (zh) 一种食品生产加工用分切设备
CN112354851A (zh) 一种大米生产用稻谷筛选装置
CN212971579U (zh) 一种山楂饼自动生产机
CN215531260U (zh) 一种分骨设备
CN111439455A (zh) 自动开包挤料设备
CN110558596A (zh) 一种异形饭团加工装置
CN213825860U (zh) 一种大米生产用稻谷筛选装置
CN210630626U (zh) 一种异形饭团加工装置
CN213650988U (zh) 生鲜冷冻食品用供料装置
CN210192703U (zh) 一种糕类食品生产运输流水线
CN221355516U (zh) 包摆滚圆一体机
CN113558088A (zh) 一种分骨设备
CN219525310U (zh) 一种斗式提升机的积料刮板
CN218133986U (zh) 一种餐厨垃圾收集脱水油水分离装置
CN221581142U (zh) 一种筛选装置及食品加工原料处理设备
CN116687187B (zh) 婴幼儿辅食加工的压力机
CN212668539U (zh) 一种山楂饼生产线

Legal Events

Date Code Title Description
GR01 Patent grant
GR01 Patent grant
TR01 Transfer of patent right

Effective date of registration: 20240424

Address after: 844700 Satellite Factory Courtyard, Group 1, Aqike (9) Village, Paikeqi Township, Shache County, Kashgar Prefecture, Xinjiang Uygur Autonomous Region

Patentee after: Kashgar yaxisong Food Co.,Ltd.

Country or region after: China

Address before: Room 905, Chenhui Building, B-9 #, Jiangchenyuan, Linquan Road, Yaohai District, Hefei City, Anhui Province, 230000

Patentee before: Anhui Jon Rabbit Food Co.,Ltd.

Country or region before: China

TR01 Transfer of patent right