CN219084472U - A water pumping device for water conservancy detection of rivers, lakes and reservoirs - Google Patents

A water pumping device for water conservancy detection of rivers, lakes and reservoirs Download PDF

Info

Publication number
CN219084472U
CN219084472U CN202221432122.4U CN202221432122U CN219084472U CN 219084472 U CN219084472 U CN 219084472U CN 202221432122 U CN202221432122 U CN 202221432122U CN 219084472 U CN219084472 U CN 219084472U
Authority
CN
China
Prior art keywords
water
river
extraction device
lake
base
Prior art date
Legal status (The legal status is an assumption and is not a legal conclusion. Google has not performed a legal analysis and makes no representation as to the accuracy of the status listed.)
Expired - Fee Related
Application number
CN202221432122.4U
Other languages
Chinese (zh)
Inventor
窦康超
Current Assignee (The listed assignees may be inaccurate. Google has not performed a legal analysis and makes no representation or warranty as to the accuracy of the list.)
Anhui Water Conservancy And Hydropower Engineering Testing Co ltd
Original Assignee
Anhui Water Conservancy And Hydropower Engineering Testing Co ltd
Priority date (The priority date is an assumption and is not a legal conclusion. Google has not performed a legal analysis and makes no representation as to the accuracy of the date listed.)
Filing date
Publication date
Application filed by Anhui Water Conservancy And Hydropower Engineering Testing Co ltd filed Critical Anhui Water Conservancy And Hydropower Engineering Testing Co ltd
Priority to CN202221432122.4U priority Critical patent/CN219084472U/en
Application granted granted Critical
Publication of CN219084472U publication Critical patent/CN219084472U/en
Expired - Fee Related legal-status Critical Current
Anticipated expiration legal-status Critical

Links

Images

Landscapes

  • Sampling And Sample Adjustment (AREA)

Abstract

The utility model discloses a water extraction device for water conservancy detection of a river, a lake and a reservoir, which belongs to the technical field of water detection sampling, wherein a measuring scale winder is fixedly connected to the top of a second base through a rotating shaft and a connecting rod, a measuring tape is connected to the inside of a drop body, the connecting rod is connected to the bottom of the drop body, a sliding groove is arranged at the bottom of a storage cabinet, a sliding base plate is arranged in the sliding groove, the size of a sliding floor is the same as that of the bottom of the storage cabinet, and a storage cabinet is arranged under a water tank.

Description

一种江河湖库水利检测水体抽取装置A water pumping device for water conservancy detection of rivers, lakes and reservoirs

技术领域technical field

本实用新型水检测用取样技术领域,具体为一种用于江河湖库水利检测水体抽取装置。The technical field of sampling for water detection of the utility model is specifically a water extraction device for water conservancy detection of rivers, lakes and reservoirs.

背景技术Background technique

随着科技的进步,我国对于水利检测越来越重视,我国的大小湖泊很多所以水利检测越来越重要,以往的水利检测水体抽取装置在抽取水体样本的时候无法知道抽取的水体来自水下多少的深度,非常的盲目测量时非常的难测量,这样抽取水体样本的时候就会变得使用起来有局限性,同时也无法准确抽取不同水层的水体样本无疑给研究人员带来了麻烦。With the advancement of science and technology, our country pays more and more attention to water conservancy testing. There are many large and small lakes in our country, so water conservancy testing is becoming more and more important. In the past, water conservancy testing water extraction devices could not know how much water was drawn from underwater when taking water samples. It is very difficult to measure the depth when it is very blind, so that it will become limited in use when taking water samples. At the same time, it is impossible to accurately take water samples of different water layers, which undoubtedly brings trouble to researchers.

实用新型内容Utility model content

(一)解决的技术问题(1) Solved technical problems

针对现有技术的不足,本实用新型提供了一种用于江河湖库水利检测水体抽取装置,通过在该装置安装一个测量尺缠绕器以及卷尺解决了在抽取水体样本时不清楚连接水多深的问题同时也解决了不能准确抽取不同水层样本的问题。Aiming at the deficiencies of the prior art, the utility model provides a water extraction device for rivers, lakes, and reservoirs for water conservancy detection. By installing a measuring ruler winder and a tape measure on the device, it is not clear how deep the connected water is when extracting water samples. At the same time, it also solves the problem of not being able to accurately extract samples from different water layers.

(二)技术方案(2) Technical solution

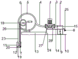
为达到以上目的,本实用新型采取的技术方案是一种用于江河湖库水利检测水体抽取装置,包括抽水泵,其特征在于:所述抽水泵放置在第一底座的顶部,所述抽水泵一端连接水管且与之相对应的一端连接连接筒,所述连接筒远离所述抽水泵的一端连接有水箱且所述水箱放置在第一底座顶部,所述水箱远离所述连接筒一侧下方位置安装有出水管道且所述出水管道出水口处设有阀门,所述水管缠绕在水管缠绕器,所述水管缠绕器放置在第二底座顶部,所述测量尺缠绕器上设置有卷尺,所述第二底座顶部通过转轴与连接杆连接且转轴上设置有测量尺缠绕器,所述水管连接所述坠体内部且所述水管在所述坠体内部一端设有第一过滤网,所述测量尺连接于所述坠体内部且所述卷尺与所述坠体底部相接处。In order to achieve the above purpose, the technical solution adopted by the utility model is a water pumping device for water conservancy detection of rivers, lakes and reservoirs, including a water pump, which is characterized in that: the water pump is placed on the top of the first base, and the water pump One end is connected to the water pipe and the corresponding end is connected to the connection cylinder, the end of the connection cylinder away from the water pump is connected to a water tank and the water tank is placed on the top of the first base, and the water tank is below the side away from the connection cylinder A water outlet pipe is installed at the position and a valve is provided at the water outlet of the water outlet pipe, the water pipe is wound on a water pipe winder, and the water pipe winder is placed on the top of the second base, and a tape measure is arranged on the measuring ruler winder, so The top of the second base is connected to the connecting rod through a rotating shaft and a measuring ruler winder is arranged on the rotating shaft, the water pipe is connected to the inside of the sinking body and the water pipe is provided with a first filter at one end inside the sinking body, the The measuring ruler is connected to the inside of the falling body, and the measuring tape is connected to the bottom of the falling body.

优选的,所述第一底座位于水箱正下方设有储存柜。Preferably, the first base is provided with a storage cabinet directly below the water tank.

优选的,所述储存柜底部设置有滑槽且滑槽内有滑动底座板且滑动地板大小与储存柜底部大小一样。Preferably, a chute is provided at the bottom of the storage cabinet, and a sliding base plate is provided in the chute, and the size of the sliding floor is the same as that of the bottom of the storage cabinet.

优选的,所述连接筒与水箱螺纹旋合连接且在所述连接筒与水箱连接处设有过滤网且过滤网大小与连接筒以及水箱连接口一样。Preferably, the connecting cylinder is threadedly connected with the water tank, and a filter is provided at the connection between the connecting cylinder and the water tank, and the size of the filter is the same as that of the connecting cylinder and the connection port of the water tank.

优选的,所述坠体为圆柱体,所述坠体底部开设有进水口且底部安装有磁铁且磁铁开设有圆口且与进水口位置相契合。Preferably, the sinking body is a cylinder, the bottom of the sinking body is provided with a water inlet and a magnet is installed at the bottom, and the magnet is provided with a circular opening which matches the position of the water inlet.

优选的,所述抽水泵与第一底座相接处面设置有第一护板以及第二护板,所述第二护板一侧开设有滑动槽且所述第二护板连接于所述滑动槽。Preferably, the surface where the water pump meets the first base is provided with a first guard plate and a second guard plate, a slide groove is opened on one side of the second guard plate, and the second guard plate is connected to the sliding groove.

优选的,所述水管缠绕器远离测量尺缠绕器一端安装有收卷把手。Preferably, a winding handle is installed at the end of the water pipe winder away from the measuring ruler winder.

(三)有益效果(3) Beneficial effects

本实用新型的有益效果在于:The beneficial effects of the utility model are:

1、该用于江河湖库水利检测水体抽取装置,通过设置有测量尺缠绕器以及测量尺缠绕器上是设置有测量尺且测量尺连接坠体内部,该装置在抽取水时可通过测量尺来观察坠体下沉了多少的距离。1. The water pumping device used for water conservancy detection in rivers, lakes and reservoirs is equipped with a measuring ruler winder and a measuring ruler is installed on the measuring ruler winding device, and the measuring ruler is connected to the inside of the falling body. The device can pass the measuring ruler when pumping water. To observe how far the falling body has sunk.

2、该用于江河湖库水利检测水体抽取装置,通过第二底座上安装测量尺缠绕器以及卷尺且卷尺与坠体内部相连接从而在抽取水体样本时就能够准确了解到水体样本来自水体多少的深度。2. The water body extraction device used for water conservancy detection in rivers, lakes and reservoirs, by installing a measuring ruler winder and a tape measure on the second base and connecting the tape measure to the inside of the drop body, it is possible to accurately know how much water body samples come from when taking water body samples depth.

3、该用于江河湖库水利检测水体抽取装置,通过在储存柜底部设置滑槽且滑槽内有滑动底板且滑动底板大小与储存柜底部大小一样,因此就能在取水箱里水体样本时能够提供一个平整稳定的取水体样本平台。3. The water body extraction device used for water conservancy detection in rivers, lakes and reservoirs is equipped with a chute at the bottom of the storage cabinet and there is a sliding bottom plate in the chute, and the size of the sliding bottom plate is the same as that of the bottom of the storage cabinet, so it can be used when taking water samples in the water tank. It can provide a flat and stable water sampling platform.

附图说明Description of drawings

图1为本实用新型的一种用于江河湖库水利检测水体抽取装置正面结构示意图。Fig. 1 is a schematic diagram of the front structure of a water body extraction device used for water conservancy detection in rivers, lakes and reservoirs of the present invention.

图2为本实用新型的一种用于江河湖库水利检测水体抽取装置水箱与连接筒立体内部结构示意图。Fig. 2 is a three-dimensional internal structure schematic diagram of a water tank and a connecting cylinder of a water extraction device for water conservancy detection of rivers, lakes and reservoirs according to the present invention.

图3为本实用新型的一种用于江河湖库水利检测水体抽取装置储存柜结构示意图。Fig. 3 is a schematic structural diagram of a storage cabinet of a water body extraction device used for water conservancy detection of rivers, lakes and reservoirs according to the present invention.

图中:1-抽水泵,2-水箱,3-连接筒,5-水管缠绕器,6-测量尺缠绕器, 7-测量尺,8-阀门,9-储存柜,11-第一过滤网,12-坠体,13-第二底座,14- 滑动槽,15-第二过滤网,16-齿轮,18-转轴,19-进水口,20-磁铁,22-隔板,23-水管,24-第一底座,25-出水管道,26-连接杆,27-第一护板,28- 第二护板。In the figure: 1-water pump, 2-water tank, 3-connecting cylinder, 5-water pipe winder, 6-measurement ruler winder, 7-measurement ruler, 8-valve, 9-storage cabinet, 11-first filter , 12-drop body, 13-second base, 14-sliding groove, 15-second filter, 16-gear, 18-rotating shaft, 19-water inlet, 20-magnet, 22-partition, 23-water pipe, 24-first base, 25-outlet pipe, 26-connecting rod, 27-first guard plate, 28-second guard plate.

具体实施方式Detailed ways

下面将结合本实用新型实施例中的附图,对本实用新型实施例中的技术方案进行清楚、完整地描述,显然,所描述的实施例仅仅是本实用新型一部分实施例,而不是全部的实施例。基于本实用新型中的实施例,本领域普通技术人员在没有做出创造性劳动前提下所获得的所有其他实施例,都属于本实用新型保护的范围。The technical solutions in the embodiments of the present invention will be clearly and completely described below in conjunction with the accompanying drawings in the embodiments of the present invention. Obviously, the described embodiments are only part of the embodiments of the present invention, not all of them. example. Based on the embodiments of the present utility model, all other embodiments obtained by persons of ordinary skill in the art without making creative efforts belong to the scope of protection of the present utility model.

如图1-3所示,本实用新型提供一种技术方案:一种用于江河湖库水利检测水体抽取装置,卷尺7缠绕在测量尺缠绕器6,测量尺缠绕器6通过转轴 18与连接杆26连接固定在第二底座13顶部,卷尺7连接于坠体12内部且卷尺7与坠体12底部相接处,通过在该装置安装测量尺缠绕器6以及卷尺7且卷尺7与坠体12内部相连接从而在抽取水体样本时就能够准确了解到水体样本来自水体多少的深度。As shown in Figures 1-3, the utility model provides a technical solution: a water extraction device for water conservancy detection in rivers, lakes and reservoirs. The rod 26 is connected and fixed on the top of the second base 13, and the tape measure 7 is connected to the inside of the sinking body 12 and the tape measure 7 is connected to the bottom of the sinking body 12. 12 are internally connected so that when the water body sample is drawn, it is possible to accurately know the depth of the water body sample from.

连接筒3远离抽水泵的一端连接有水箱2且水箱2放置在第一底座24顶部,水箱2远离连接筒3一侧下方位置安装出水管道25且出水管道25出水口处设有阀门8,出水管道25设置在水箱2的底部能够使水箱2底部的水流出且出水口安装阀门8能够自由开关且控制出水的速度。The end of the connecting cylinder 3 away from the water pump is connected with a water tank 2 and the water tank 2 is placed on the top of the first base 24. The water tank 2 is installed at the lower side of the connecting cylinder 3 and the water outlet pipe 25 is installed, and the water outlet of the water outlet pipe 25 is provided with a valve 8. The pipeline 25 is arranged at the bottom of the water tank 2 to allow the water at the bottom of the water tank 2 to flow out, and the water outlet is equipped with a valve 8 that can be switched freely and controls the speed of the water outlet.

在本实施例中,如图3所示,第一底座24位于水箱2正下方设有储存柜9,通过储存柜9里面储存用于检测水或者装水体样本的医学容器。In this embodiment, as shown in FIG. 3 , the first base 24 is located directly below the water tank 2 and is provided with a storage cabinet 9 through which medical containers for testing water or containing water samples are stored.

在本实施例中,如图1所示,储存柜9底部设置有滑槽且滑槽内有滑动底座板10且滑动地板10大小与储存柜9底部大小一样,这样就能在取水箱2 里水体样本时能够提供一个平整稳定的取水体样本平台。In this embodiment, as shown in Figure 1, the bottom of the storage cabinet 9 is provided with a chute and there is a sliding base plate 10 in the chute and the size of the sliding floor 10 is the same as that of the bottom of the storage cabinet 9, so that it can be placed in the water intake tank 2 When taking water samples, it can provide a flat and stable platform for taking water samples.

在本实施例中,如图2所示,连接筒3与水箱2螺纹旋合连接且在连接筒3与水箱2连接处设有第二过滤网15且第二过滤网15大小与连接筒3以及水箱2连接口一样,通过安装第二过滤网15能够清除一些水中杂物以便于研究水体样本。In this embodiment, as shown in Figure 2, the connecting cylinder 3 is threadedly connected with the water tank 2 and a second filter screen 15 is provided at the joint between the connecting cylinder 3 and the water tank 2, and the size of the second filter screen 15 is the same as that of the connecting cylinder 3. Like the connection port of the water tank 2, some impurities in the water can be removed by installing the second filter screen 15 so as to study the water body sample.

在本实施例中,如图1所示,坠体12为圆柱体,坠体12底部开设有进水口19且底部安装有磁铁20且磁铁20开设有圆口且与进水口19位置相契合,通过开设有进水口19可使水流入坠体12内部且在坠体12内部安装磁铁 20使得坠体12能够垂直快速的沉入水中。In this embodiment, as shown in FIG. 1 , the sinking body 12 is a cylinder, the bottom of the sinking body 12 is provided with a water inlet 19 and a magnet 20 is installed at the bottom, and the magnet 20 is provided with a round mouth and fits with the position of the water inlet 19, Water can flow into the inside of the sinking body 12 by being provided with a water inlet 19 and a magnet 20 is installed inside the sinking body 12 so that the sinking body 12 can sink vertically and quickly into the water.

在本实施例中,如图1所示,抽水泵1与第一底座24相接处面设置有第一护板27以及第二护板28,第二护板28一侧开设有滑动槽14且第二护板 28连接于滑动槽14,通过第二护板28可在滑动槽14上移动能够更加有效地固定住抽水泵In this embodiment, as shown in FIG. 1 , the surface where the water pump 1 meets the first base 24 is provided with a first guard plate 27 and a second guard plate 28 , and a sliding groove 14 is opened on one side of the second guard plate 28 . And the second guard plate 28 is connected to the sliding groove 14, and the water pump can be fixed more effectively by the second guard plate 28 being able to move on the sliding groove 14

在本实例中,如图1所示水管缠绕器5远离测量尺缠绕器6一端安装有收卷把手24,通过收卷把手24能够更快更加省力的收放水管,使用起来更加的方便。In this example, as shown in FIG. 1 , a winding handle 24 is installed at the end of the water pipe winder 5 away from the measuring ruler winder 6 , through which the water pipe can be retracted faster and more labor-saving, which is more convenient to use.

本实用新型的操作步骤为:The operating steps of the present utility model are:

如图1-3所示,本实施例提供的一种用于江河湖库水利检测水体抽取装置的原理如下:首先将第一底座24,第二底座13放在一起然后再第二底座13上放置抽水泵1,然后在第一底座24上放水箱2,然后通过连接筒3将抽水泵1与水箱2连接在一起,然后抽水泵1的另一端连接水管23,水管23另一端连接坠体12,然后将卷尺7一端连接固定在坠体12底部,然后将坠体 12放入水中然后打开抽水泵1即可。As shown in Figures 1-3, the principle of a water pumping device for water conservancy detection in rivers, lakes and reservoirs provided by this embodiment is as follows: first put the first base 24 and the second base 13 together and then put them on the second base 13 Place the water pump 1, then put the water tank 2 on the first base 24, then connect the water pump 1 and the water tank 2 through the connecting cylinder 3, then connect the other end of the water pump 1 to the water pipe 23, and the other end of the water pipe 23 to connect the sinking body 12. Then connect and fix one end of the tape measure 7 to the bottom of the sinking body 12, then put the sinking body 12 into the water and turn on the water pump 1.

以上所述的具体实施方式,对本实用新型的目的、技术方案和有益效果进行了进一步详细说明,所应理解的是,以上所述仅为本实用新型的具体实施方式而已,并不用于限制本实用新型,凡在本实用新型的精神和原则之内,所做的任何修改、等同替换、改进等,均应包含在本实用新型的保护范围之内。The specific embodiments described above further describe the purpose, technical solutions and beneficial effects of the present utility model in detail. For the utility model, any modification, equivalent replacement, improvement, etc. made within the spirit and principles of the utility model shall be included in the protection scope of the utility model.

Claims (7)

1. The utility model provides a river lake storehouse water conservancy detects water extraction device, includes suction pump (1), its characterized in that: the water pump is characterized in that a first base (24) is arranged at the bottom of the water pump (1), one end of the water pump (1) is connected with a water pipe (23) and the corresponding end of the water pump is connected with a connecting cylinder (3), one end, far away from the water pump (1), of the connecting cylinder (3) is connected with a water tank (2) and the water tank (2) is placed at the top of the first base (24), a water outlet pipeline (25) is arranged at the lower position, far away from one side of the connecting cylinder (3), of the water tank (2), and a valve (8) is arranged at the water outlet of the water outlet pipeline (25);
the utility model discloses a water pipe winding ware, including weighing body (12), water pipe (23) middle part is connected with water pipe winding ware (5), water pipe winding ware (5) bottom is provided with second base (13), is provided with dipperstick (7) on dipperstick winding ware (6), water pipe (23) are connected weighing body (12) inside just water pipe (23) are in weighing body (12) inside one end is equipped with first filter screen (11), dipperstick (7) connect in weighing body (12) inside just dipperstick (7) with weighing body (12) bottom meets department.
2. The river, lake and reservoir water conservancy detection water body extraction device of claim 1, wherein the first base (24) is arranged right below the water tank (2) and is provided with a storage cabinet (9).
3. The river and lake water conservancy detection water body extraction device of claim 2, wherein a chute is arranged at the bottom of the storage cabinet (9), a sliding base plate (10) is arranged in the chute, and the size of the sliding base plate (10) is the same as that of the bottom of the storage cabinet (9).
4. The river and lake water conservancy detection water body extraction device of claim 1, wherein the connecting cylinder (3) is in threaded screwing connection with the water tank (2), a second filter screen (15) is arranged at the joint of the connecting cylinder (3) and the water tank (2), and the size of the second filter screen (15) is the same as that of the connecting cylinder (3) and the connecting port of the water tank (2).
5. The river, lake and reservoir water conservancy detection water body extraction device according to claim 1, wherein: the falling body (12) is a cylinder, a water inlet (19) is formed in the bottom of the falling body (12), a magnet (20) is arranged at the bottom of the falling body, and the magnet (20) is provided with a round opening and is matched with the water inlet (19).
6. The river, lake and reservoir water conservancy detection water body extraction device according to claim 1, wherein: the water suction pump is characterized in that a first guard board (27) and a second guard board (28) are arranged on the joint surface of the water suction pump (1) and the first base (24), a sliding groove (14) is formed in one side of the second guard board (28), and the second guard board (28) is connected to the sliding groove (14).
7. The river, lake and reservoir water conservancy detection water body extraction device according to claim 1, wherein: and a winding handle is arranged at one end of the water pipe winding device (5) far away from the measuring scale winding device (6).
CN202221432122.4U 2022-06-09 2022-06-09 A water pumping device for water conservancy detection of rivers, lakes and reservoirs Expired - Fee Related CN219084472U (en)

Priority Applications (1)

Application Number Priority Date Filing Date Title
CN202221432122.4U CN219084472U (en) 2022-06-09 2022-06-09 A water pumping device for water conservancy detection of rivers, lakes and reservoirs

Applications Claiming Priority (1)

Application Number Priority Date Filing Date Title
CN202221432122.4U CN219084472U (en) 2022-06-09 2022-06-09 A water pumping device for water conservancy detection of rivers, lakes and reservoirs

Publications (1)

Publication Number Publication Date
CN219084472U true CN219084472U (en) 2023-05-26

Family

ID=86422992

Family Applications (1)

Application Number Title Priority Date Filing Date
CN202221432122.4U Expired - Fee Related CN219084472U (en) 2022-06-09 2022-06-09 A water pumping device for water conservancy detection of rivers, lakes and reservoirs

Country Status (1)

Country Link
CN (1) CN219084472U (en)

Cited By (1)

* Cited by examiner, † Cited by third party
Publication number Priority date Publication date Assignee Title
CN119688388A (en) * 2025-02-25 2025-03-25 吕梁市水文水资源勘测站 Water quality sampling equipment for hydrology and water resource engineering

Cited By (1)

* Cited by examiner, † Cited by third party
Publication number Priority date Publication date Assignee Title
CN119688388A (en) * 2025-02-25 2025-03-25 吕梁市水文水资源勘测站 Water quality sampling equipment for hydrology and water resource engineering

Similar Documents

Publication Publication Date Title
CN202547980U (en) Automatic water sample acquisition and control system used on water quality monitoring buoy
CN206974728U (en) It is a kind of to be applied to reservoir, the accurate hydrophore in lake
CN209327049U (en) A kind of more depth water body sampling devices
CN204405379U (en) An Underwater Vertical Multipoint Simultaneous Sampling System
CN219084472U (en) A water pumping device for water conservancy detection of rivers, lakes and reservoirs
CN211652235U (en) River deep water intake device
CN205352770U (en) Water sample automatic acquisition controlling means suitable for buoy uses
CN206496931U (en) A kind of environmental monitoring water-quality sampler
CN203772582U (en) Manual sampling device for detecting water quality
CN202305267U (en) Portable outdoor water sample collector with depth measurement function
CN204286872U (en) A kind of hydrology adjustable-height sediment sampling device
CN211452994U (en) Water sample collection system is used in ecological environment pollution treatment
CN210626119U (en) Domestic sewage quality of water sampling device
CN111896329B (en) Underwater gas and water continuous sampling and collecting device, collecting ship and working method thereof
CN105259090B (en) Soil infiltration instrument
CN209640011U (en) A water quality sampler for environmental monitoring
CN220322836U (en) Sampling device capable of sampling different depths
CN209542589U (en) A kind of urban river environmental detection set
CN205898499U (en) Lake storehouse depthkeeping sampling device
CN212513817U (en) Underwater gas and water continuous sampling and collecting device and collecting ship
CN203606181U (en) Sampling apparatus for testing water quality
CN214825605U (en) A temporary water storage device for river water sampling and testing
CN210834298U (en) A marine pollution sampling device
CN212206762U (en) Device for collecting water sample in river
CN209148364U (en) A field water sample collection filter device

Legal Events

Date Code Title Description
GR01 Patent grant
GR01 Patent grant
CF01 Termination of patent right due to non-payment of annual fee

Granted publication date: 20230526

CF01 Termination of patent right due to non-payment of annual fee