CN218964503U - Be used for cross steel column group to support - Google Patents
Be used for cross steel column group to support Download PDFInfo
- Publication number
- CN218964503U CN218964503U CN202223206084.3U CN202223206084U CN218964503U CN 218964503 U CN218964503 U CN 218964503U CN 202223206084 U CN202223206084 U CN 202223206084U CN 218964503 U CN218964503 U CN 218964503U
- Authority
- CN
- China
- Prior art keywords
- bracket
- steel column
- cross steel
- cross
- shaped steel
- Prior art date
- Legal status (The legal status is an assumption and is not a legal conclusion. Google has not performed a legal analysis and makes no representation as to the accuracy of the status listed.)
- Active
Links
- 229910000831 Steel Inorganic materials 0.000 title claims abstract description 117
- 239000010959 steel Substances 0.000 title claims abstract description 117
- 238000000034 method Methods 0.000 abstract description 10
- 230000008569 process Effects 0.000 abstract description 7
- 230000009471 action Effects 0.000 description 4
- 238000004519 manufacturing process Methods 0.000 description 4
- 230000009286 beneficial effect Effects 0.000 description 2
- 230000008901 benefit Effects 0.000 description 2
- 238000010276 construction Methods 0.000 description 2
- 230000000694 effects Effects 0.000 description 2
- 238000012545 processing Methods 0.000 description 2
- 230000004075 alteration Effects 0.000 description 1
- 238000009435 building construction Methods 0.000 description 1
- 239000004566 building material Substances 0.000 description 1
- 238000013461 design Methods 0.000 description 1
- 238000011161 development Methods 0.000 description 1
- 238000004134 energy conservation Methods 0.000 description 1
- 239000000463 material Substances 0.000 description 1
- 238000012986 modification Methods 0.000 description 1
- 230000004048 modification Effects 0.000 description 1
- 238000004064 recycling Methods 0.000 description 1
- 238000006467 substitution reaction Methods 0.000 description 1
- 238000003466 welding Methods 0.000 description 1
Images
Classifications
-
- Y—GENERAL TAGGING OF NEW TECHNOLOGICAL DEVELOPMENTS; GENERAL TAGGING OF CROSS-SECTIONAL TECHNOLOGIES SPANNING OVER SEVERAL SECTIONS OF THE IPC; TECHNICAL SUBJECTS COVERED BY FORMER USPC CROSS-REFERENCE ART COLLECTIONS [XRACs] AND DIGESTS
- Y02—TECHNOLOGIES OR APPLICATIONS FOR MITIGATION OR ADAPTATION AGAINST CLIMATE CHANGE
- Y02E—REDUCTION OF GREENHOUSE GAS [GHG] EMISSIONS, RELATED TO ENERGY GENERATION, TRANSMISSION OR DISTRIBUTION
- Y02E10/00—Energy generation through renewable energy sources
- Y02E10/50—Photovoltaic [PV] energy
Landscapes
- Joining Of Building Structures In Genera (AREA)
Abstract
The utility model discloses a bracket for assembling a cross steel column, which comprises a bracket bottom plate, wherein a plurality of first fixing structures are arranged on the front side and the rear side of the bracket bottom plate, a second fixing structure is arranged on the first fixing structure, cross steel column H-shaped steel is arranged on the bracket bottom plate, cross steel column T-shaped steel is arranged between the plurality of first fixing structures and is arranged on the front side and the rear side of the cross steel column H-shaped steel, and the cross steel column T-shaped steel is arranged on the plurality of second fixing structures; besides the H-shaped steel and the T-shaped steel are placed on the fixed positions of the brackets, the other pairing processes do not need hoisting equipment to participate.
Description
Technical Field
The utility model relates to the technical field of steel structure processing and manufacturing, in particular to a cross steel column pairing bracket.
Background
In recent years, along with the reform development of the building industry in China, green environment-friendly buildings are paid more attention to, the steel structure building construction mutually meets the concept of green buildings, and the steel structure building material has the advantages of energy conservation and environment friendliness, and recycling of the material. The duty ratio of the steel structure building in the building is much higher than that of the prior art, and in the design construction, in order to meet the service performance of the steel column, the cross section area is reduced, and the cross steel column can be frequently selected to replace the H-shaped steel column with the large section area.
Disclosure of Invention
The utility model provides a cross steel column assembling bracket which is used in the cross steel column assembling process, has a simple structure and a stable action effect, and is beneficial to reducing the construction cost.
In order to achieve the above purpose, the utility model is realized by the following technical scheme: the utility model provides a be used for cross steel column group to support, includes the support bottom plate, a plurality of first fixed knot constructs are all installed to both sides around on the support bottom plate, install the second fixed knot on the first fixed knot constructs, install cross steel column H shaped steel on the support bottom plate, cross steel column H shaped steel settle a plurality of between the first fixed knot constructs, cross steel column T shaped steel is all installed to both sides around the cross steel column H shaped steel, cross steel column T shaped steel settle a plurality of on the second fixed knot constructs.
Preferably, the first fixing structure comprises a first bracket, the first bracket is arranged on the bracket bottom plate, a first fastening nut is embedded in the inner side of the first bracket, a first tightening screw rod is spirally arranged in the first fastening nut, and the first tightening screw rod is in contact with the bottom of the cross steel column H-shaped steel.
Preferably, the shape of the first bracket is L-shaped.
Preferably, the second fixing structure comprises a second bracket, the second bracket is arranged on the first bracket, a second fastening nut is embedded in the inner side of the second bracket, a second tightening screw rod is spirally arranged in the second fastening nut, and the second tightening screw rod is in contact with the cross steel column T-shaped steel.
Preferably, the shape of the second bracket is L-shaped.
Preferably, the number of the first brackets and the number of the second brackets are the same, and the number of the first brackets and the number of the second brackets are four.
Preferably, the cross steel column T-shaped steel is contacted with the upper surface of the first bracket.
Advantageous effects
The utility model provides a bracket for cross steel column pairing. The cross steel column assembly bracket has the beneficial effects that the cross steel column assembly bracket is used for assembling the cross steel column H-shaped steel, the cross steel column H-shaped steel is arranged on the bracket bottom plate, the center is adjusted through the first jacking bolt, the cross steel column T-shaped steel is arranged on the bracket, and the T-shaped steel web plate and the H-shaped steel web plate are attached through the second jacking screw; besides the fixed position of the support, the other pairing processes are not needed to be participated by hoisting equipment, and flow production can be formed for processing the cross steel column, so that the purposes of utilizing fewer operators, improving the equipment utilization rate and carrying out high-quality production are realized, the cost of enterprises is reduced, and the economic benefit of the enterprises is improved.
Drawings
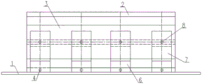
Fig. 1 is a schematic structural view of the present utility model.
Fig. 2 is a schematic side view of the present utility model.
In the figure: 1. a bracket base plate; 2. cross steel column H-shaped steel; 3. t-shaped steel of cross steel column; 4. a first tightening screw; 5. a first fastening nut; 6. a first bracket; 7. a second bracket; 8. a second tightening screw; 9. and a second fastening nut.
Detailed Description
The following description of the embodiments of the present utility model will be made clearly and completely with reference to the accompanying drawings, in which it is apparent that the embodiments described are only some embodiments of the present utility model, but not all embodiments. All other embodiments, which can be made by those skilled in the art based on the embodiments of the utility model without making any inventive effort, are intended to be within the scope of the utility model.
The components in this case are connected in sequence by a person skilled in the art, and specific connection and operation sequence should be referred to the following working principle, and the detailed connection means are known in the art, and the following working principle and process are mainly described.
Referring to fig. 1-2, the present utility model provides a technical solution: the utility model provides a be used for cross steel column group to support, includes support bottom plate 1, a plurality of first fixed knot constructs are all installed to both sides around on the support bottom plate 1, install the second fixed knot on the first fixed knot constructs, install cross steel column H shaped steel 2 on the support bottom plate 1, cross steel column H shaped steel 2 settle in a plurality of between the first fixed knot constructs, cross steel column T shaped steel 3 is all installed to both sides around the cross steel column H shaped steel 2, cross steel column T shaped steel 3 settles in a plurality of on the second fixed knot constructs.
Embodiment one: the first fixing structure comprises a first support 6, the first support 6 is arranged on the support base plate 1, a first fastening nut 5 is embedded in the inner side of the first support 6, a first tightening screw 4 is spirally arranged in the first fastening nut 5, and the first tightening screw 4 is in contact with the bottom of the cross steel column H-shaped steel 2.
The shape of the first bracket 6 is L-shaped.
Embodiment two: the second fixing structure comprises a second bracket 7, the second bracket 7 is arranged on the first bracket 6, a second fastening nut 9 is embedded in the inner side of the second bracket 7, a second tightening screw rod 8 is spirally arranged in the second fastening nut 9, and the second tightening screw rod 8 is in contact with the cross steel column T-shaped steel 3;
specifically, the first bracket 6 and the second bracket 7 are uniformly distributed on the bracket bottom plate 1 according to the sizes of the cross steel column H-shaped steel 2 and the cross steel column T-shaped steel 3; the second fastening nut 9, the middle plate of the cross steel column H-shaped steel 2 and the web center of the cross steel column T-shaped steel 3 are positioned on the same straight line and are arranged on the first bracket 6 and the second bracket 7.
The bracket bottom plate 1 is made of a flat steel plate, and the bracket 6 is made of channel steel.
The shape of the second bracket 7 is L-shaped.
The number of the first brackets 6 and the number of the second brackets 7 are the same, and the number of the first brackets 6 and the number of the second brackets 7 are four.
The cross steel column T-shaped steel 3 is contacted with the upper surface of the first bracket 6;
specifically, 1) as shown in fig. 1, the axis of the H-section steel 2 and the fixing point of the first bracket 6 need to be confirmed on the bracket bottom plate 1 according to the sizes of the H-section steel 2 and the T-section steel 3 in the cross steel column;
2) Manufacturing a first bracket 6 and a second bracket 7 according to the sizes of the H-shaped steel 2 and the T-shaped steel 3, and fixing the corresponding positions of the first fastening nuts 5 on the first bracket 6;
3) The first bracket 6 is fixed and leveled according to the position in the step 1), and the first jacking screw 4 is attached to the first fastening nut 5;
4) The H-shaped steel 2 is compared with the axis in the 1), and the first jacking screw 4 at the lower end of the first bracket 6 is used for fixing;
5) The T-shaped steel 3 is placed on the second bracket 7, as shown in fig. 1, the second tightening screw 8 at the upper part of the second bracket 7 is aligned with the central line of the web plate of the T-shaped steel 3 for horizontal tightening, after the tightening is completed, the cross steel column assembly is completed, and the cross steel column finished product is manufactured by welding.
It is noted that relational terms such as first and second, and the like are used solely to distinguish one entity or action from another entity or action without necessarily requiring or implying any actual such relationship or order between such entities or actions. Moreover, the terms "comprises," "comprising," or any other variation thereof, are intended to cover a non-exclusive inclusion, such that a process, method, article, or apparatus that comprises a list of elements does not include only those elements but may include other elements not expressly listed or inherent to such process, method, article, or apparatus. Without further limitation. The term "comprising" an element defined by the term "comprising" does not exclude the presence of other identical elements in a process, method, article or apparatus that comprises the element.
Although embodiments of the present utility model have been shown and described, it will be understood by those skilled in the art that various changes, modifications, substitutions and alterations can be made therein without departing from the principles and spirit of the utility model, the scope of which is defined in the appended claims and their equivalents.
Claims (7)
1. Be used for cross steel column group to support, a serial communication port, including support bottom plate (1), a plurality of first fixed knot constructs are all installed to both sides around on support bottom plate (1), install second fixed knot on the first fixed knot constructs, install cross steel column H shaped steel (2) on support bottom plate (1), cross steel column H shaped steel (2) settle in a plurality of between the first fixed knot constructs, cross steel column T shaped steel (3) are all installed to both sides around cross steel column H shaped steel (2), cross steel column T shaped steel (3) settle in a plurality of on the second fixed knot constructs.
2. The bracket for the cross steel column assembly according to claim 1, wherein the first fixing structure comprises a first bracket (6), the first bracket (6) is arranged on the bracket bottom plate (1), a first fastening nut (5) is embedded in the inner side of the first bracket (6), a first tightening screw (4) is spirally arranged in the first fastening nut (5), and the first tightening screw (4) is in contact with the bottom of the cross steel column H-shaped steel (2).
3. A pairing bracket for cross steel columns according to claim 2, characterized in that the first bracket (6) is "L" -shaped in shape.
4. The bracket for the cross steel column assembly according to claim 2, wherein the second fixing structure comprises a second bracket (7), the second bracket (7) is arranged on the first bracket (6), a second fastening nut (9) is embedded in the inner side of the second bracket (7), a second tightening screw (8) is spirally arranged in the second fastening nut (9), and the second tightening screw (8) is in contact with the cross steel column T-shaped steel (3).
5. A pairing bracket for cross steel columns according to claim 4, characterized in that the second bracket (7) is "L" -shaped in shape.
6. The pairing bracket for cross steel columns according to claim 4, wherein the number of the first brackets (6) and the number of the second brackets (7) are the same, and the number of the first brackets (6) and the number of the second brackets (7) are four.
7. A pairing bracket for cross steel columns according to claim 2, characterized in that the cross steel column T-section steel (3) is in contact with the upper surface of the first bracket (6).
Priority Applications (1)
| Application Number | Priority Date | Filing Date | Title |
|---|---|---|---|
| CN202223206084.3U CN218964503U (en) | 2022-12-01 | 2022-12-01 | Be used for cross steel column group to support |
Applications Claiming Priority (1)
| Application Number | Priority Date | Filing Date | Title |
|---|---|---|---|
| CN202223206084.3U CN218964503U (en) | 2022-12-01 | 2022-12-01 | Be used for cross steel column group to support |
Publications (1)
| Publication Number | Publication Date |
|---|---|
| CN218964503U true CN218964503U (en) | 2023-05-05 |
Family
ID=86163814
Family Applications (1)
| Application Number | Title | Priority Date | Filing Date |
|---|---|---|---|
| CN202223206084.3U Active CN218964503U (en) | 2022-12-01 | 2022-12-01 | Be used for cross steel column group to support |
Country Status (1)
| Country | Link |
|---|---|
| CN (1) | CN218964503U (en) |
-
2022
- 2022-12-01 CN CN202223206084.3U patent/CN218964503U/en active Active
Similar Documents
| Publication | Publication Date | Title |
|---|---|---|
| CN218964503U (en) | Be used for cross steel column group to support | |
| CN107100283A (en) | A kind of assembled wallboard connector and its installation method | |
| CN213015474U (en) | Loading hole built-in fitting location frock | |
| CN205530690U (en) | Load and unload convenient wallboard and floor connection structure | |
| CN107493060A (en) | Novel photovoltaic concrete support | |
| CN211586157U (en) | Agitating unit is used in aerated block production | |
| CN201126064Y (en) | Rectangular tube | |
| CN208363405U (en) | A kind of steam-pressing aero-concrete matches hollow pipe gusset | |
| CN201446162U (en) | Space elbow pipe multi-functional positioner | |
| CN201228817Y (en) | Assembling riser clamp | |
| CN222547159U (en) | A silicon core tube rack for shaping communication power tubes | |
| CN208105603U (en) | Ground laying device for light steel keel partition | |
| CN219710577U (en) | Connection structure of economical assembled curtain wall | |
| CN223577305U (en) | Building wall and column structure with steel-concrete frame assembled connection | |
| CN111305501A (en) | Flatness and verticality control technology for large-scale outer wall dry-hanging stone | |
| CN211413250U (en) | Gutter forming manufacturing machine for leather factory | |
| CN204459461U (en) | A kind of electric wire, cable bearer | |
| CN222183682U (en) | An assembled steel tube concrete composite frame structure | |
| CN215549666U (en) | Movable frock structure of stair steel reinforcement cage ligature | |
| CN220667143U (en) | Composite material electric pole with high bending resistance | |
| CN222588556U (en) | A fixing clamping device for steel plate welding | |
| CN211853053U (en) | Concrete composite pipeline | |
| CN216215540U (en) | Fixing device for temporary cable wiring | |
| CN110835985B (en) | Installation and construction method for water discharge port and overflow port of light steel roof system | |
| CN220580675U (en) | Steel structure iron tower base |
Legal Events
| Date | Code | Title | Description |
|---|---|---|---|
| GR01 | Patent grant | ||
| GR01 | Patent grant |