CN218945713U - 一种清理烘干网帘残留纸屑设备 - Google Patents
一种清理烘干网帘残留纸屑设备 Download PDFInfo
- Publication number
- CN218945713U CN218945713U CN202222956929.4U CN202222956929U CN218945713U CN 218945713 U CN218945713 U CN 218945713U CN 202222956929 U CN202222956929 U CN 202222956929U CN 218945713 U CN218945713 U CN 218945713U
- Authority
- CN
- China
- Prior art keywords
- cleaning roller
- cavity
- paper
- cleaning
- foreign matter
- Prior art date
- Legal status (The legal status is an assumption and is not a legal conclusion. Google has not performed a legal analysis and makes no representation as to the accuracy of the status listed.)
- Active
Links
- 238000004140 cleaning Methods 0.000 title claims abstract description 103
- 238000001035 drying Methods 0.000 title claims abstract description 44
- 230000005540 biological transmission Effects 0.000 claims abstract description 29
- 239000000428 dust Substances 0.000 claims abstract description 16
- 239000000835 fiber Substances 0.000 claims description 18
- 238000004064 recycling Methods 0.000 claims description 14
- 229920000728 polyester Polymers 0.000 claims description 6
- 238000004519 manufacturing process Methods 0.000 abstract description 7
- 238000007790 scraping Methods 0.000 abstract description 4
- 230000004075 alteration Effects 0.000 description 1
- 230000009286 beneficial effect Effects 0.000 description 1
- 230000001680 brushing effect Effects 0.000 description 1
- 238000010586 diagram Methods 0.000 description 1
- 230000000694 effects Effects 0.000 description 1
- 238000010030 laminating Methods 0.000 description 1
- 238000012986 modification Methods 0.000 description 1
- 230000004048 modification Effects 0.000 description 1
- 238000006467 substitution reaction Methods 0.000 description 1
Images
Classifications
-
- Y—GENERAL TAGGING OF NEW TECHNOLOGICAL DEVELOPMENTS; GENERAL TAGGING OF CROSS-SECTIONAL TECHNOLOGIES SPANNING OVER SEVERAL SECTIONS OF THE IPC; TECHNICAL SUBJECTS COVERED BY FORMER USPC CROSS-REFERENCE ART COLLECTIONS [XRACs] AND DIGESTS
- Y02—TECHNOLOGIES OR APPLICATIONS FOR MITIGATION OR ADAPTATION AGAINST CLIMATE CHANGE
- Y02W—CLIMATE CHANGE MITIGATION TECHNOLOGIES RELATED TO WASTEWATER TREATMENT OR WASTE MANAGEMENT
- Y02W30/00—Technologies for solid waste management
- Y02W30/50—Reuse, recycling or recovery technologies
- Y02W30/64—Paper recycling
Landscapes
- Cleaning In General (AREA)
- Paper (AREA)
Abstract
一种清理烘干网帘残留纸屑设备,属于纸屑清理技术领域。包括空腔、传动电机、清理辊、纸屑输送腔、负压电机和异物收集箱;所述传动电机和清理辊电性连接,传动电机带动清理辊转动;所述清理辊设置在空腔内;所述纸屑输送腔的顶端和空腔的底端固定连接,纸屑输送腔的底端和异物收集箱连接,空腔、纸屑输送腔和异物收集箱内部上下贯通连接;所述负压电机设置在纸屑输送腔的底端,且位于远离异物收集箱的一侧。本实用新型使得烘干网帘经过粗效清理辊和精细清理辊,对烘干网帘进行刮刷清理;刮刷掉落的纸屑能够被向下吸附,最终落入异物收集箱内,从而使得烘干网帘得到充分的清理,使得烘干网帘变得更整洁,生产环境会变得更好。
Description
技术领域
本实用新型属于纸屑清理技术领域,尤其涉及一种清理烘干网帘残留纸屑设备。
背景技术
现有清理烘干网帘设备清理不干净网帘上的纸屑异物,清理后的异物未能及时收集掉落在生产场地对生产环境造成6s管理破坏,最后这些异物有可能重新扬起吸附在网帘上影响生产,同时碎屑会附着湿纸一起烘干后粘结不牢固掉屑问题,影响纸张变性能及外观。
因此亟需一种清理烘干网帘残留纸屑设备以解决上述技术问题。
实用新型内容
本实用新型的目的在于提供一种清理烘干网帘残留纸屑设备,以解决上述背景技术中提出的问题。
为实现上述目的,本实用新型提供如下技术方案:一种清理烘干烘干网帘残留纸屑设备,包括空腔、传动电机、清理辊、纸屑输送腔、负压电机和异物收集箱;所述传动电机和清理辊电性连接,传动电机带动清理辊转动;所述清理辊设置在空腔内;所述纸屑输送腔的顶端和空腔的底端固定连接,纸屑输送腔的底端和异物收集箱连接,空腔、纸屑输送腔和异物收集箱内部上下贯通连接;所述负压电机设置在纸屑输送腔的底端,且位于远离异物收集箱的一侧。
所述空腔的上端设置有开口,开口上贴合设置有烘干网帘。
所述清理辊包括粗效清理辊和精细清理辊;所述粗效清理辊和精细清理辊的中央设置有转动辊;所述转动辊的两端固定在空腔的内壁上;所述粗效清理辊上间隙设置有硬质粗纤维;所述精细清理辊上间隙设置有毛刷。
所述粗效清理辊和传动电机及精细清理辊和传动电机之间设置有驱动机构;所述驱动机构一端和转动辊连接,另一端和传动电机连接,传动电机经驱动机构驱动粗效清理辊和传动电机绕转动辊转动。
所述纸屑输送腔包括纸屑回收腔和纸屑输送管;所述纸屑输送管包括竖管和横管;所述竖管设置在横管的两端,且两端的竖管分别向上和向下设置,向下设置的竖管的底端和异物收集箱连接,向上设置的竖管的顶端和纸屑回收腔底端固定连接;所述纸屑回收腔为倒三角形结构。
所述负压电机设置在横管靠近纸屑回收腔的一端。
所述驱动机构包括主动齿轮、从动齿轮和传送带;所述主动齿轮经驱动轴设置在传动电机的末端;所述从动齿轮设置在空腔外壁,且从动齿轮经转动辊设置在和清理辊连接;所述传送带环绕设置在主动齿轮和从动齿轮外圈。
所述粗效清理辊直径为40cm,粗效清理辊的外层设置有1.5cm的粗涤纶丝束;所述精细清理辊直径为40cm,精细清理辊的外层设置有1.5cm的细涤纶丝束。
与现有技术相比,本实用新型的有益效果是:
本实用新型在对烘干网帘进行清理时,烘干网帘沿工作方向持续运动,从而使得烘干网帘先经过粗效清理辊,再经过精细清理辊,粗效清理辊的硬质粗纤维对烘干网帘进行刮动清理,精细清理辊的毛刷对烘干网帘进行刷动清理;刮刷掉落的纸屑及纤维团经负压电机对空腔内进行抽风,使得烘干网帘上的残留纸屑及纤维团能够被向下吸附,最终落入异物收集箱内,从而使得烘干网帘得到充分的清理,使得烘干网帘变得更整洁,生产环境会变得更好;同时,湿纸不会在网帘上粘结纸屑及纤维团;生产的纸张变性能及外观会变得更好。
附图说明
图1为一种清理烘干网帘残留纸屑设备的示意图;
图2为清理辊和驱动机构的示意图;
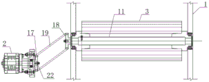
图中:1、空腔;2、传动电机;3、清理辊;4、纸屑输送腔;5、负压电机;6、异物收集箱;7、开口;8、烘干网帘;9、粗效清理辊;10、精细清理辊;11、转动辊;12、驱动机构;13、纸屑回收腔;14、纸屑输送管;15、竖管;16、横管;17、主动齿轮;18、从动齿轮;19、传送带;20、硬质粗纤维;21、毛刷。
具体实施方式
下面将结合本实用新型实施例中的附图,对本实用新型实施例中的技术方案进行清楚、完整地描述,显然,所描述的实施例仅仅是本实用新型一部分实施例,而不是全部的实施例。基于本实用新型中的实施例,本领域普通技术人员在没有做出创造性劳动前提下所获得的所有其他实施例,都属于本实用新型保护的范围。
请参阅图1-2,本实用新型提供一种技术方案:一种清理烘干网帘残留纸屑设备,包括空腔1、传动电机2、清理辊3、纸屑输送腔4、负压电机5和异物收集箱6;所述传动电机2和清理辊3电性连接,传动电机2带动清理辊3转动;所述清理辊3设置在空腔1内;所述纸屑输送腔4的顶端和空腔1的底端固定连接,纸屑输送腔4的底端和异物收集箱6连接,空腔1、纸屑输送腔4和异物收集箱6内部上下贯通连接;所述负压电机5设置在纸屑输送腔4的底端,且位于远离异物收集箱6的一侧。
所述异物收集箱6用于收集掉落的纸屑及纤维团等,当使用一段时间后,可以对异物收集箱6进行定期清理;为了方便清理异物收集箱6的纸屑及纤维团,异物收集箱6的可以设置有可以开合的小门,方便工作人员进行定期清理。
所述空腔1的上端设置有开口7,开口7上贴合设置有烘干网帘8。
所述负压电机5对空腔1内进行抽风,使得烘干网帘8上的残留纸屑及纤维团能够被向下吸附,最终落入异物收集箱6内。
所述清理辊3包括粗效清理辊9和精细清理辊10;所述粗效清理辊9和精细清理辊10的中央设置有转动辊11;所述转动辊11的两端固定在空腔1的内壁上;所述粗效清理辊9上间隙设置有硬质粗纤维20;所述精细清理辊10上间隙设置有毛刷21。
所述硬质粗纤维20为质地比较硬,比较粗纤维,能够很好的贴合烘干网帘8进行刮清处理。
所述粗效清理辊9和传动电机2及精细清理辊10和传动电机2之间设置有驱动机构12;所述驱动机构12一端和转动辊11连接,另一端和传动电机2连接,传动电机2经驱动机构12驱动粗效清理辊9和传动电机2绕转动辊11转动;所述转动辊11两端经轴承设置在空腔1上。
所述粗效清理辊9和精细清理辊10设置在靠近空腔1的上端开口7处。
所述纸屑输送腔4包括纸屑回收腔13和纸屑输送管14;所述纸屑输送管14包括竖管15和横管16;所述竖管15设置在横管16的两端,且两端的竖管15分别向上和向下设置,向下设置的竖管15的底端和异物收集箱6连接,向上设置的竖管15的顶端和纸屑回收腔13底端固定连接;所述纸屑回收腔13为倒三角形结构,纸屑回收腔13的倾斜结构方便纸屑及纤维团经负压电机5向下输送至异物收集箱6内。
所述负压电机5设置在横管16靠近纸屑回收腔13的一端。
所述驱动机构12包括主动齿轮17、从动齿轮18和传送带19;所述主动齿轮17经驱动轴18设置在传动电机2的末端;所述从动齿轮18设置在空腔1外壁,且从动齿轮18经转动辊11设置在和清理辊3连接;所述传送带19环绕设置在主动齿轮17和从动齿轮18外圈。
所述驱动轴18设置在传动电机2内,驱动轴18的末端设置有主动齿轮17,当驱动轴18发生转动时,主动齿轮17带动驱动轴18发生同轴转动。
所述传动电机2启动,传动电机2内的驱动轴18带动主动齿轮17运动,进而经传送带19带动从动齿轮18,从而带动转动辊11转动,使得粗效清理辊9和精细清理辊10上的硬质粗纤维20和毛刷21贴合烘干网帘8进行刮刷操作。
所述粗效清理辊9直径为40cm,粗效清理辊9的外层设置有1.5cm的粗涤纶丝束;所述精细清理辊10直径为40cm,精细清理辊10的外层设置有1.5cm的细涤纶丝束。
本实用新型的装置适用于纸品的生产过程中的湿纸和网帘贴合烘干的状态,在对烘干网帘8进行清理时,烘干网帘8沿工作方向持续运动,从而使得烘干网帘8先经过粗效清理辊9,再经过精细清理辊10,粗效清理辊9的硬质粗纤维20对烘干网帘8进行刮动清理,精细清理辊10的毛刷21对烘干网帘8进行刷动清理;刮刷掉落的纸屑及纤维团经负压电机5对空腔1内进行抽风,使得烘干网帘8上的残留纸屑及纤维团能够被向下吸附,最终落入异物收集箱6内,从而使得烘干网帘8得到充分的清理,使得烘干网帘8变得更整洁,生产环境会变得更好;同时,湿纸不会在网帘上粘结纸屑及纤维团;生产的纸张变性能及外观会变得更好。
尽管已经示出和描述了本实用新型的实施例,对于本领域的普通技术人员而言,可以理解在不脱离本实用新型的原理和精神的情况下可以对这些实施例进行多种变化、修改、替换和变型,本实用新型的范围由所附权利要求及其等同物限定。
Claims (8)
1.一种清理烘干网帘残留纸屑设备,包括空腔(1)、传动电机(2)、清理辊(3)、纸屑输送腔(4)、负压电机(5)和异物收集箱(6);其特征在于,所述传动电机(2)和清理辊(3)电性连接,传动电机(2)带动清理辊(3)转动;所述清理辊(3)设置在空腔(1)内;所述纸屑输送腔(4)的顶端和空腔(1)的底端固定连接,纸屑输送腔(4)的底端和异物收集箱(6)连接,空腔(1)、纸屑输送腔(4)和异物收集箱(6)内部上下贯通连接;所述负压电机(5)设置在纸屑输送腔(4)的底端,且位于远离异物收集箱(6)的一侧。
2.根据权利要求1所述一种清理烘干网帘残留纸屑设备,其特征在于:所述空腔(1)的上端设置有开口(7),开口(7)上贴合设置有烘干网帘(8)。
3.根据权利要求1所述一种清理烘干网帘残留纸屑设备,其特征在于:所述清理辊(3)包括粗效清理辊(9)和精细清理辊(10);所述粗效清理辊(9)和精细清理辊(10)的中央设置有转动辊(11);所述转动辊(11)的两端固定在空腔(1)的内壁上;所述粗效清理辊(9)上间隙设置有硬质粗纤维(20);所述精细清理辊(10)上间隙设置有毛刷(21)。
4.根据权利要求3所述一种清理烘干网帘残留纸屑设备,其特征在于:所述粗效清理辊(9)和传动电机(2)及精细清理辊(10)和传动电机(2)之间设置有驱动机构(12);所述驱动机构(12)一端和转动辊(11)连接,另一端和传动电机(2)连接,传动电机(2)经驱动机构(12)驱动粗效清理辊(9)和传动电机(2)绕转动辊(11)转动。
5.根据权利要求1所述一种清理烘干网帘残留纸屑设备,其特征在于:所述纸屑输送腔(4)包括纸屑回收腔(13)和纸屑输送管(14);所述纸屑输送管(14)包括竖管(15)和横管(16);所述竖管(15)设置在横管(16)的两端,且两端的竖管(15)分别向上和向下设置,向下设置的竖管(15)的底端和异物收集箱(6)连接,向上设置的竖管(15)的顶端和纸屑回收腔(13)底端固定连接;所述纸屑回收腔(13)为倒三角形结构。
6.根据权利要求1所述一种清理烘干网帘残留纸屑设备,其特征在于:所述负压电机(5)设置在横管(16)靠近纸屑回收腔(13)的一端。
7.根据权利要求4所述一种清理烘干网帘残留纸屑设备,其特征在于:所述驱动机构(12)包括主动齿轮(17)、从动齿轮(18)和传送带(19);所述主动齿轮(17)经驱动轴(22)设置在传动电机(2)的末端;所述从动齿轮(18)设置在空腔(1)外壁,且从动齿轮(18)经转动辊(11)设置在和清理辊(3)连接;所述传送带(19)环绕设置在主动齿轮(17)和从动齿轮(18)外圈。
8.根据权利要求3所述一种清理烘干网帘残留纸屑设备,其特征在于:所述粗效清理辊(9)直径为40cm,粗效清理辊(9)的外层设置有1.5cm的粗涤纶丝束;所述精细清理辊(10)直径为40cm,精细清理辊(10)的外层设置有1.5cm的细涤纶丝束。
Priority Applications (1)
| Application Number | Priority Date | Filing Date | Title |
|---|---|---|---|
| CN202222956929.4U CN218945713U (zh) | 2022-11-07 | 2022-11-07 | 一种清理烘干网帘残留纸屑设备 |
Applications Claiming Priority (1)
| Application Number | Priority Date | Filing Date | Title |
|---|---|---|---|
| CN202222956929.4U CN218945713U (zh) | 2022-11-07 | 2022-11-07 | 一种清理烘干网帘残留纸屑设备 |
Publications (1)
| Publication Number | Publication Date |
|---|---|
| CN218945713U true CN218945713U (zh) | 2023-05-02 |
Family
ID=86109141
Family Applications (1)
| Application Number | Title | Priority Date | Filing Date |
|---|---|---|---|
| CN202222956929.4U Active CN218945713U (zh) | 2022-11-07 | 2022-11-07 | 一种清理烘干网帘残留纸屑设备 |
Country Status (1)
| Country | Link |
|---|---|
| CN (1) | CN218945713U (zh) |
-
2022
- 2022-11-07 CN CN202222956929.4U patent/CN218945713U/zh active Active
Similar Documents
| Publication | Publication Date | Title |
|---|---|---|
| CN213230358U (zh) | 一种输送机的清洁装置 | |
| CN210305068U (zh) | 一种环保的电缆铜线加工用拉丝装置 | |
| CN218945713U (zh) | 一种清理烘干网帘残留纸屑设备 | |
| CN109168095A (zh) | 一种电声器材用隔离网除尘装置 | |
| CN203196915U (zh) | 一种滑触线灰尘清理装置 | |
| CN111134568A (zh) | 一种电梯门缝隙用清除杂物装置 | |
| CN203897232U (zh) | 一种食用菌全自动清洗系统 | |
| CN211275773U (zh) | 一种油气集输管道清洁装置 | |
| CN211337737U (zh) | 一种机电一体化物料运输传输机 | |
| CN219032711U (zh) | 一种纺织防油污面料用纺织机灰尘收集装置 | |
| CN212952786U (zh) | 一种饼干烘干机用网带刷 | |
| CN210596753U (zh) | 一种螺旋式旋转除尘装置 | |
| CN212976193U (zh) | 一种生物质颗粒生产用除尘设备 | |
| CN115783702A (zh) | 一种自动清洁传送带 | |
| CN209753510U (zh) | 一种玻璃产品的清洗装置 | |
| CN222535624U (zh) | 一种橡胶收线除粉装置 | |
| CN218676580U (zh) | 一种牵引架 | |
| CN222724910U (zh) | 一种方便集尘的线材料进线除尘装置 | |
| CN221602239U (zh) | 一种用于键盘生产的静电除尘装置 | |
| CN207581147U (zh) | 一种电梯门导轨清理装置 | |
| CN220952522U (zh) | 一种用于毛纺织物的湿刷毛定型机 | |
| CN214609999U (zh) | 一种初级矿物掺合料传送带用端部扫灰机构 | |
| CN217432349U (zh) | 一种电路板落尘清理装置 | |
| CN111420959A (zh) | 一种光伏板清洗机器人用清洗刷 | |
| CN221681461U (zh) | 一种涤纶面料印染加工用的清理装置 |
Legal Events
| Date | Code | Title | Description |
|---|---|---|---|
| GR01 | Patent grant | ||
| GR01 | Patent grant |