CN218845292U - 一种微流量控压钻探节流阀 - Google Patents
一种微流量控压钻探节流阀 Download PDFInfo
- Publication number
- CN218845292U CN218845292U CN202223252783.1U CN202223252783U CN218845292U CN 218845292 U CN218845292 U CN 218845292U CN 202223252783 U CN202223252783 U CN 202223252783U CN 218845292 U CN218845292 U CN 218845292U
- Authority
- CN
- China
- Prior art keywords
- micro
- flow
- throttle valve
- port
- sealing
- Prior art date
- Legal status (The legal status is an assumption and is not a legal conclusion. Google has not performed a legal analysis and makes no representation as to the accuracy of the status listed.)
- Expired - Fee Related
Links
- 238000005553 drilling Methods 0.000 title claims description 13
- 238000007789 sealing Methods 0.000 claims description 34
- 238000009434 installation Methods 0.000 claims description 15
- 238000007667 floating Methods 0.000 claims description 10
- 230000001105 regulatory effect Effects 0.000 claims description 9
- 238000012856 packing Methods 0.000 claims description 5
- 230000033228 biological regulation Effects 0.000 abstract description 6
- 230000000007 visual effect Effects 0.000 abstract 2
- 230000003828 downregulation Effects 0.000 abstract 1
- 239000007788 liquid Substances 0.000 description 4
- XLYOFNOQVPJJNP-UHFFFAOYSA-N water Substances O XLYOFNOQVPJJNP-UHFFFAOYSA-N 0.000 description 4
- 238000010586 diagram Methods 0.000 description 3
- 238000000034 method Methods 0.000 description 3
- 230000009286 beneficial effect Effects 0.000 description 1
- 230000001276 controlling effect Effects 0.000 description 1
- 238000005516 engineering process Methods 0.000 description 1
- 239000012530 fluid Substances 0.000 description 1
Images
Landscapes
- Indication Of The Valve Opening Or Closing Status (AREA)
Abstract
本实用新型公开了一种微流量控压钻探节流阀,包括节流阀壳体,所述节流阀壳体的内部的中间位置设有阀芯,所述阀芯的下方的一侧设有流量调节斜面板,所述节流阀壳体的一侧设有第一通口,所述节流阀壳体的底部设有第二通口,所述第一通口的内端与流量调节斜面板连接的位置处设有密封块,所述第二通口的内壁的顶部设有下限位块,所述阀芯的顶部设有阀杆。该实用新型中的密封盖的一侧设有微流量调节可视罩,且微流量调节可视罩的内部的底端设有限位块,限位块可以根据调节杆进行升高或降低调节的,通过限位块调节的高度可以对推板的位置进行定位,从而对阀芯向下调节的高度进行定位,决定阀芯打开的位置。
Description
技术领域
本实用新型涉及节流阀相关领域,具体为一种微流量控压钻探节流阀。
背景技术
节流阀是通过改变节流截面或节流长度以控制流体流量的阀门,将节流阀和单向阀并联则可组合成单向节流阀,节流阀和单向节流阀是简单的流量控制阀,在定量泵液压系统中,节流阀和溢流阀配合,可组成三种节流调速系统,即进油路节流调速系统、回油路节流调速系统和旁路节流调速系统。
传统的节流阀对于微小流量的控制不够准确,操作的过程不能直观对阀芯打开的位置进行定位,微小流量调节比较费力,不能够准确的对水流量进行控制,操作不便。
实用新型内容
本实用新型的目的在于提供一种微流量控压钻探节流阀,以解决上述背景技术中提出的传统的节流阀对于微小流量的控制不够准确,操作的过程不能直观对阀芯打开的位置进行定位,微小流量调节比较费力,不能够准确的对水流量进行控制,操作不便的问题。
为实现上述目的,本实用新型提供如下技术方案:一种微流量控压钻探节流阀,包括节流阀壳体,所述节流阀壳体的内部的中间位置设有阀芯,所述阀芯的下方的一侧设有流量调节斜面板,所述节流阀壳体的一侧设有第一通口,所述节流阀壳体的底部设有第二通口,所述第一通口的内端与流量调节斜面板连接的位置处设有密封块,所述第二通口的内壁的顶部设有下限位块,所述阀芯的顶部设有阀杆,所述节流阀壳体的顶部的中间位置设有安装口,所述安装口的上方设有密封盖,所述密封盖的内部位于阀杆的外圈处设有推板,所述推板的一侧位于微流量调节可视罩的内部设有浮动杆,所述微流量调节可视罩的内部的底端与浮动杆对齐的位置处设有限位块,所述微流量调节可视罩的外侧设有刻度线。
在进一步的实施例中,所述推板的下方设有支撑弹簧,且推板与阀杆通过螺丝固定连接。
在进一步的实施例中,所述限位块的一侧与微流量调节可视罩通过调节杆连接,所述调节杆的顶端设有防滑拧柄,且调节杆与微流量调节可视罩通过螺纹固定连接。
在进一步的实施例中,所述安装口的内部设有密封填料,且密封盖与安装口通过螺栓固定连接。
在进一步的实施例中,所述节流阀壳体的内部的后端与第一通口对齐的位置处设有限位槽,所述阀芯与限位槽通过上限位块连接,且上限位块与限位槽通过滑动镶嵌连接。
在进一步的实施例中,所述密封块的横截面设为等边三角形结构,且密封块的斜度与流量调节斜面板的斜度相同。
与现有技术相比,本实用新型的有益效果是:
1、该实用新型中的密封盖的一侧设有微流量调节可视罩,且微流量调节可视罩的内部的底端设有限位块,限位块可以根据调节杆进行升高或降低调节的,通过限位块调节的高度可以对推板的位置进行定位,从而对阀芯向下调节的高度进行定位,决定阀芯打开的位置,且微流量调节可视罩的一侧设有刻度线,通过刻度线可以明确的对限位块的高度进行调节定位,对阀芯打开的位置更准确,从而决定流量的大小,调节更省力,更易于操作。
2、该实用新型中的第一通口的内端设有密封块,通过密封块可以增加阀芯关闭的密封性,使密封块与流量调节斜面板镶嵌更紧密,还可以对液体形成一定的阻力,当阀芯打开时,降低液体与流量调节斜面板的冲击力,使液体流通更稳定,更好的对水流量进行控制。
附图说明
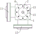
图1为本实用新型的一种微流量控压钻探节流阀的内部结构示意图;
图2为本实用新型的A部细节结构示意图;
图3为本实用新型的阀芯的关闭结构示意图;
图4为本实用新型的一种微流量控压钻探节流阀的俯视图。
图中:1、阀杆;2、密封盖;3、推板;4、支撑弹簧;5、安装口;6、节流阀壳体;7、密封填料;8、阀芯;9、上限位块;10、限位槽;11、第一通口;12、第二通口;13、防滑拧柄;14、浮动杆;15、微流量调节可视罩;16、刻度线;17、限位块;18、调节杆;19、密封块;20、下限位块;21、流量调节斜面板。
具体实施方式
下面将结合本实用新型实施例中的附图,对本实用新型实施例中的技术方案进行清楚、完整地描述,显然,所描述的实施例仅仅是本实用新型一部分实施例,而不是全部的实施例。
请参阅图1-4,本实用新型提供的一种实施例:一种微流量控压钻探节流阀,包括节流阀壳体6,节流阀壳体6的内部的中间位置设有阀芯8,阀芯8的下方的一侧设有流量调节斜面板21,节流阀壳体6的一侧设有第一通口11,节流阀壳体6的底部设有第二通口12,第一通口11的内端与流量调节斜面板21连接的位置处设有密封块19,第二通口12的内壁的顶部设有下限位块20,阀芯8的顶部设有阀杆1,节流阀壳体6的顶部的中间位置设有安装口5,安装口5的上方设有密封盖2,密封盖2的内部位于阀杆1的外圈处设有推板3,推板3的一侧位于微流量调节可视罩15的内部设有浮动杆14,微流量调节可视罩15的内部的底端与浮动杆14对齐的位置处设有限位块17,微流量调节可视罩15的外侧设有刻度线16。
通过阀芯8用于将第一通口11和第二通口12进行密封,通过流量调节斜面板21用于改变水流量的流向,通过密封块19用于增加阀芯8关闭的密封性,通过下限位块20用于对阀芯8关闭的位置进行限制定位,通过推板3用于将阀杆1向下推动,通过浮动杆14用于将推板3与限位块17的位置进行接触,通过限位块17用于对浮动杆14的位置进行限制,通过刻度线16用于对限位块17调节的位置进行准确测量。
进一步,推板3的下方设有支撑弹簧4,且推板3与阀杆1通过螺丝固定连接。
通过支撑弹簧4用于对推板3上下伸缩的位置进行支撑,增加调节的稳定性。
进一步,限位块17的一侧与微流量调节可视罩15通过调节杆18连接,调节杆18的顶端设有防滑拧柄13,且调节杆18与微流量调节可视罩15通过螺纹固定连接。
通过调节杆18用于将限位块17的高度进行调节定位,通过防滑拧柄13便于将调节杆18旋转调节。
进一步,安装口5的内部设有密封填料7,且密封盖2与安装口5通过螺栓固定连接。
通过密封填料7用于增加阀杆1安装的密封性。
进一步,节流阀壳体6的内部的后端与第一通口11对齐的位置处设有限位槽10,阀芯8与限位槽10通过上限位块9连接,且上限位块9与限位槽10通过滑动镶嵌连接。
通过限位槽10用于对上限位块9升降的位置进行定位。
进一步,密封块19的横截面设为等边三角形结构,且密封块19的斜度与流量调节斜面板21的斜度相同。
工作原理:使用时,当阀杆1向上升高时,手持防滑拧柄13将调节杆18旋转使限位块17调整至所需的高度,通过刻度线16对限位块17测量的高度进行准确定位,再将阀杆1向下降低,使推板3向下推动,带动浮动杆14向下移动,当浮动杆14与限位块17镶嵌时,阀杆1停止,通过上限位块9与限位槽10滑动对阀芯8打开的位置进行引导,同时带动阀芯8打开,使阀芯8上的流量调节斜面板21与密封块19分离至所需的大小,液体从第一通口11进入,经过流量调节斜面板21与密封块19之间的间隙向第二通口12输出即可。
对于本领域技术人员而言,显然本实用新型不限于上述示范性实施例的细节,而且在不背离本实用新型的精神或基本特征的情况下,能够以其他的具体形式实现本实用新型。因此,无论从哪一点来看,均应将实施例看作是示范性的,而且是非限制性的,本实用新型的范围由所附权利要求而不是上述说明限定,因此旨在将落在权利要求的等同要件的含义和范围内的所有变化囊括在本实用新型内。不应将权利要求中的任何附图标记视为限制所涉及的权利要求。
Claims (6)
1.一种微流量控压钻探节流阀,包括节流阀壳体(6),其特征在于:所述节流阀壳体(6)的内部的中间位置设有阀芯(8),所述阀芯(8)的下方的一侧设有流量调节斜面板(21),所述节流阀壳体(6)的一侧设有第一通口(11),所述节流阀壳体(6)的底部设有第二通口(12),所述第一通口(11)的内端与流量调节斜面板(21)连接的位置处设有密封块(19),所述第二通口(12)的内壁的顶部设有下限位块(20),所述阀芯(8)的顶部设有阀杆(1),所述节流阀壳体(6)的顶部的中间位置设有安装口(5),所述安装口(5)的上方设有密封盖(2),所述密封盖(2)的内部位于阀杆(1)的外圈处设有推板(3),所述推板(3)的一侧位于微流量调节可视罩(15)的内部设有浮动杆(14),所述微流量调节可视罩(15)的内部的底端与浮动杆(14)对齐的位置处设有限位块(17),所述微流量调节可视罩(15)的外侧设有刻度线(16)。
2.根据权利要求1所述的一种微流量控压钻探节流阀,其特征在于:所述推板(3)的下方设有支撑弹簧(4),且推板(3)与阀杆(1)通过螺丝固定连接。
3.根据权利要求1所述的一种微流量控压钻探节流阀,其特征在于:所述限位块(17)的一侧与微流量调节可视罩(15)通过调节杆(18)连接,所述调节杆(18)的顶端设有防滑拧柄(13),且调节杆(18)与微流量调节可视罩(15)通过螺纹固定连接。
4.根据权利要求1所述的一种微流量控压钻探节流阀,其特征在于:所述安装口(5)的内部设有密封填料(7),且密封盖(2)与安装口(5)通过螺栓固定连接。
5.根据权利要求1所述的一种微流量控压钻探节流阀,其特征在于:所述节流阀壳体(6)的内部的后端与第一通口(11)对齐的位置处设有限位槽(10),所述阀芯(8)与限位槽(10)通过上限位块(9)连接,且上限位块(9)与限位槽(10)通过滑动镶嵌连接。
6.根据权利要求1所述的一种微流量控压钻探节流阀,其特征在于:所述密封块(19)的横截面设为等边三角形结构,且密封块(19)的斜度与流量调节斜面板(21)的斜度相同。
Priority Applications (1)
| Application Number | Priority Date | Filing Date | Title |
|---|---|---|---|
| CN202223252783.1U CN218845292U (zh) | 2022-12-06 | 2022-12-06 | 一种微流量控压钻探节流阀 |
Applications Claiming Priority (1)
| Application Number | Priority Date | Filing Date | Title |
|---|---|---|---|
| CN202223252783.1U CN218845292U (zh) | 2022-12-06 | 2022-12-06 | 一种微流量控压钻探节流阀 |
Publications (1)
| Publication Number | Publication Date |
|---|---|
| CN218845292U true CN218845292U (zh) | 2023-04-11 |
Family
ID=87304127
Family Applications (1)
| Application Number | Title | Priority Date | Filing Date |
|---|---|---|---|
| CN202223252783.1U Expired - Fee Related CN218845292U (zh) | 2022-12-06 | 2022-12-06 | 一种微流量控压钻探节流阀 |
Country Status (1)
| Country | Link |
|---|---|
| CN (1) | CN218845292U (zh) |
-
2022
- 2022-12-06 CN CN202223252783.1U patent/CN218845292U/zh not_active Expired - Fee Related
Similar Documents
| Publication | Publication Date | Title |
|---|---|---|
| CN110406832B (zh) | 一种用于油罐罐装的内置式底部灌装防溢控制装置 | |
| CN111043365A (zh) | 一种高压差水控活塞式减压阀 | |
| CN218845292U (zh) | 一种微流量控压钻探节流阀 | |
| CN108953642B (zh) | 一种控水阀门 | |
| CN204083407U (zh) | 自力式流量控制阀 | |
| CN2559775Y (zh) | 恒压节流装置 | |
| CN216242335U (zh) | 一种流量精确控制的调节阀 | |
| CN217301662U (zh) | 一种具有防倒吸功能的阀门 | |
| CN202101834U (zh) | 一种实验室用大流量变水头静压供水装置 | |
| CN207975292U (zh) | 一种自力式流量平衡阀 | |
| CN117450307A (zh) | 一种自动复位的截止阀 | |
| CN216768482U (zh) | 电动控水阀门 | |
| CN222437197U (zh) | 一种双向先导式调节阀 | |
| CN2713253Y (zh) | 恒流式配水器 | |
| CN209146333U (zh) | 一种具有稳压结构的闸阀 | |
| CN220396652U (zh) | 一种流量控制阀 | |
| CN210318572U (zh) | 一种先启式调节阀 | |
| CN220850809U (zh) | 一种液压调速阀组 | |
| CN116292918B (zh) | 一种半自动限制流量大小阀门 | |
| CN114382931A (zh) | 一种智能水龙头节水调节阀 | |
| CN221462977U (zh) | 一种带调节过滤式减压稳压阀 | |
| CN205118399U (zh) | 一种地下工程自适应压力控制阀 | |
| CN221169533U (zh) | 一种逆向定位可调配水器 | |
| CN222458366U (zh) | 一种便于控制流体流量大小的节流阀 | |
| CN204828816U (zh) | 三通式自动溢流器 |
Legal Events
| Date | Code | Title | Description |
|---|---|---|---|
| GR01 | Patent grant | ||
| GR01 | Patent grant | ||
| CF01 | Termination of patent right due to non-payment of annual fee | ||
| CF01 | Termination of patent right due to non-payment of annual fee |
Granted publication date: 20230411 |