CN218801387U - 一种插片式打印机散热器抛光装置 - Google Patents

一种插片式打印机散热器抛光装置 Download PDF

Info

Publication number
CN218801387U
CN218801387U CN202222722800.7U CN202222722800U CN218801387U CN 218801387 U CN218801387 U CN 218801387U CN 202222722800 U CN202222722800 U CN 202222722800U CN 218801387 U CN218801387 U CN 218801387U
Authority
CN
China
Prior art keywords
rod
radiator
polishing
plug
polishing device
Prior art date
Legal status (The legal status is an assumption and is not a legal conclusion. Google has not performed a legal analysis and makes no representation as to the accuracy of the status listed.)
Expired - Fee Related
Application number
CN202222722800.7U
Other languages
English (en)
Inventor
周家嘉
Current Assignee (The listed assignees may be inaccurate. Google has not performed a legal analysis and makes no representation or warranty as to the accuracy of the list.)
Tianjin Binjia Metal Products Co ltd
Original Assignee
Tianjin Binjia Metal Products Co ltd
Priority date (The priority date is an assumption and is not a legal conclusion. Google has not performed a legal analysis and makes no representation as to the accuracy of the date listed.)
Filing date
Publication date
Application filed by Tianjin Binjia Metal Products Co ltd filed Critical Tianjin Binjia Metal Products Co ltd
Priority to CN202222722800.7U priority Critical patent/CN218801387U/zh
Application granted granted Critical
Publication of CN218801387U publication Critical patent/CN218801387U/zh
Expired - Fee Related legal-status Critical Current
Anticipated expiration legal-status Critical

Links

Images

Classifications

    • YGENERAL TAGGING OF NEW TECHNOLOGICAL DEVELOPMENTS; GENERAL TAGGING OF CROSS-SECTIONAL TECHNOLOGIES SPANNING OVER SEVERAL SECTIONS OF THE IPC; TECHNICAL SUBJECTS COVERED BY FORMER USPC CROSS-REFERENCE ART COLLECTIONS [XRACs] AND DIGESTS
    • Y02TECHNOLOGIES OR APPLICATIONS FOR MITIGATION OR ADAPTATION AGAINST CLIMATE CHANGE
    • Y02PCLIMATE CHANGE MITIGATION TECHNOLOGIES IN THE PRODUCTION OR PROCESSING OF GOODS
    • Y02P70/00Climate change mitigation technologies in the production process for final industrial or consumer products
    • Y02P70/10Greenhouse gas [GHG] capture, material saving, heat recovery or other energy efficient measures, e.g. motor control, characterised by manufacturing processes, e.g. for rolling metal or metal working

Landscapes

  • Finish Polishing, Edge Sharpening, And Grinding By Specific Grinding Devices (AREA)

Abstract

本实用新型公开一种插片式打印机散热器抛光装置,包括:底座和抛光盘,所述底座的顶部安装有支撑架,所述支撑架的中间安装有置物台,所述置物台的两侧设置有夹具,两个所述支撑架之间连接有顶架,所述顶架的底部安装有气缸;该插片式打印机散热器抛光装置的有益效果是:当需要改变插片式散热器的抛光位置的时候,可以通过转动螺纹,使得螺纹杆通过连接杆带动卡杆,使得卡杆一侧的卡齿没有与齿条相啮合,从而就可以通过滑块与滑杆正常滑动置物台,方便使用者改变打磨位置,需要固定的时候反向转动螺纹杆,使得卡齿与齿条相啮合,此时就可以起到对置物台的限位作用,方便使用者进行操作,这就是插片式打印机散热器抛光装置的特点。

Description

一种插片式打印机散热器抛光装置
技术领域
本实用新型涉及抛光设备技术领域,具体为一种插片式打印机散热器抛光装置。
背景技术
为了保证打印机可以正常散热,就需要安装插片式散热器,插片式散热器采用焊接连接,主要包含填充物焊和本体焊的焊接工艺。不宜过度打磨处理。插片式散热器的不同部分是用焊接连接,焊接质量的好坏直接影响插片式散热器的质量和使用寿命。
现在使用的插片式散热器抛光机在使用的时候,在使用的时候都是为了方便更改插片式散热器的抛光位置,就需要要对插片式散热器的位置进行固定,通过手动改变插片式散热器的位置即可改变抛光位置,由于在插片式散热器进行抛光的时候,通过抛光盘转动,与插片式散热器接触,从而实现抛光,但是手动进行抛光容易受到抛光盘的转动,导致插片式散热器振动,从而容易使得插片式散热器产生偏移,从而使得抛光位置产生偏移,导致抛光效果受到影响。
实用新型内容
本实用新型的目的在于提供一种插片式打印机散热器抛光装置,以解决上述背景技术提出的现在使用的插片式散热器抛光机为了方便更改抛光位置,都是手动改变插片式散热器的位置,容易导致插片式散热器的位置出现偏移,从而影响抛光效果的问题。
为实现上述目的,本实用新型提供如下技术方案:一种插片式打印机散热器抛光装置,包括:底座和抛光盘,所述底座的顶部安装有支撑架,所述支撑架的中间安装有置物台,所述置物台的两侧设置有夹具,两个所述支撑架之间连接有顶架,所述顶架的底部安装有气缸,所述气缸的底部连接有活动杆,所述活动杆的底部通过安装架连接有抛光盘;
所述置物台的两侧连接有滑块,所述滑块的内部贯穿连接有滑杆,所述滑块的顶部连贯穿连接有螺纹杆,所述螺纹杆的一侧连接有连接杆,所述连接杆的一侧贯穿滑块连接有卡杆,所述卡杆的一侧设置有卡齿,所述卡齿的一侧啮合有齿条。
优选的,所述齿条设置在底座顶部开设的滑槽中,且齿条关于底座的中心对称设置有两组。
优选的,所述螺纹杆与滑块之间为螺纹连接,且螺纹杆贯穿滑块通过轴承与连接杆相连接。
优选的,所述活动杆的顶部连接有双向螺杆,所述双向螺杆的外侧套接有螺纹套,所述螺纹套的底部通过转轴连接有支撑杆,所述支撑杆的底部通过转轴连接有连接板,所述连接板的底部安装有毛刷,所述底座的底部设置有接料桶。
优选的,所述支撑杆关于连接板的中心线对称设置有两组,且连接板贯穿安装架设置在抛光盘的一侧。
优选的,所述双向螺杆的两端通过轴承与固定板安装在活动杆的顶部。
与现有技术相比,该插片式打印机散热器抛光装置的有益效果是:当需要改变插片式散热器的抛光位置的时候,可以通过转动螺纹,使得螺纹杆通过连接杆带动卡杆,使得卡杆一侧的卡齿没有与齿条相啮合,从而就可以通过滑块与滑杆正常滑动置物台,方便使用者改变打磨位置,需要固定的时候反向转动螺纹杆,使得卡齿与齿条相啮合,此时就可以起到对置物台的限位作用,方便使用者进行操作,这就是插片式打印机散热器抛光装置的特点。
1.该插片式打印机散热器抛光装置,打印机为了保证正常的散热功能,就需要安装到插片式散热器,同时为了保证散热器的效果更好,就需要对表面进行抛光,当需要改变插片式散热器的抛光位置的时候,可以转动螺纹杆,使得螺纹杆,使得螺纹杆通过连接杆带动一侧的卡杆进行运动,同时卡杆一侧的卡齿与齿条之间分离,此时就可以正常的滑动置物台,从而方便使用者调节抛光的位置,当调节到合适的位置后,可以反向转动螺纹杆,使得螺纹杆带动卡齿与齿条啮合,从而起到对置物台的固定作用,方便使用者对插片式散热器抛光。
2.该插片式打印机散热器抛光装置,打印机的插片式散热器在抛光的时候,会产生大量的废屑,为了不影响正常的抛光效果,就需要对置物台上的废屑进行清理,当需要对置物台进行清理的时候,可以通过可以转动双向螺杆,使得螺纹套进行滑动,而螺纹套在滑动的同时,就会通过转轴使得支撑杆就会通过转轴带动底部的支撑杆进行旋转,同时通过两侧的支撑杆向不同方向进行转动,就可以带动连接板底部的毛刷与置物台解除,从而可以起到对置物台表面清洁的作用,不会影响使用者对插片式散热器的正常抛光工作。
附图说明
图1为本实用新型主视结构示意图;
图2为本实用新型主视剖切结构示意图;
图3为本实用新型局部结构示意图;
图4为本实用新型卡杆的主视剖切连接结构示意图;
图5为本实用新型卡杆的俯视剖切连接结构示意图。
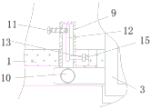
图中:1、底座;2、支撑架;3、置物台;4、夹具;5、顶架;6、气缸;7、活动杆;8、抛光盘;9、滑块;10、滑杆;11、螺纹杆;12、连接杆;13、卡杆;14、卡齿;15、齿条;16、双向螺杆;17、螺纹套;18、支撑杆;19、连接板;20、毛刷;21、接料桶。
具体实施方式
下面将结合本实用新型实施例中的附图,对本实用新型实施例中的技术方案进行清楚、完整地描述,显然,所描述的实施例仅仅是本实用新型一部分实施例,而不是全部的实施例。基于本实用新型中的实施例,本领域普通技术人员在没有做出创造性劳动前提下所获得的所有其他实施例,都属于本实用新型保护的范围。
请参阅图1-5,本实用新型提供一种技术方案:一种插片式打印机散热器抛光装置,包括:底座1和抛光盘8,底座1的顶部安装有支撑架2,支撑架2的中间安装有置物台3,置物台3的两侧设置有夹具4,两个支撑架2之间连接有顶架5,顶架5的底部安装有气缸6,气缸6的底部连接有活动杆7,活动杆7的底部通过安装架连接有抛光盘8;
置物台3的两侧连接有滑块9,滑块9的内部贯穿连接有滑杆10,滑块9的顶部连贯穿连接有螺纹杆11,螺纹杆11的一侧连接有连接杆12,连接杆12的一侧贯穿滑块9连接有卡杆13,卡杆13的一侧设置有卡齿14,卡齿14的一侧啮合有齿条15,齿条15设置在底座1顶部开设的滑槽中,且齿条15关于底座1的中心对称设置有两组,螺纹杆11与滑块9之间为螺纹连接,且螺纹杆11贯穿滑块9通过轴承与连接杆12相连接。
具体实施时,该插片式打印机散热器抛光装置,在需要调节抛光位置的时候,可以通过转动螺纹杆11,使得螺纹杆11,由于双向螺纹杆11与滑块9之间为螺纹连接,此时转螺纹杆11,就会使得螺纹杆11通过连接杆12带动一侧的卡杆13进行运动,并且使得卡杆13一侧的卡齿14与齿条15之间分离,此时没有卡齿14与齿条15之间的相互啮合,就可以正常的通过滑块9与滑杆10滑动置物台3,从而方便使用者调节整个插片式散热器的抛光位置,当需要固定的时候,可以反向转动螺纹杆11,使得螺纹杆11通过连接杆12带动卡杆13,使得卡杆13一侧的卡齿14与齿条15之间相互啮合,此时就可以起到置物台3的限位作用。
参阅图2、图4与图5可知,可以根据插片式散热器的抛光需求,通过螺纹杆11带动卡杆13一侧的卡齿14与齿条15分离,从而通过置物台3改变插片式散热器的位置,从而可以对插片式散热器进行多位置抛光,便于使用者进行操作和使用。
活动杆7的顶部连接有双向螺杆16,双向螺杆16的外侧套接有螺纹套17,螺纹套17的底部通过转轴连接有支撑杆18,支撑杆18的底部通过转轴连接有连接板19,连接板19的底部安装有毛刷20,底座1的底部设置有接料桶21,支撑杆18关于连接板19的中心线对称设置有两组,且连接板19贯穿安装架设置在抛光盘8的一侧,双向螺杆16的两端通过轴承与固定板安装在活动杆7的顶部。
具体实施时,该插片式打印机散热器抛光装置,在需要对置物台3上进行清理的时候,可以转动双向螺杆16,使得双向螺杆16带动外侧的螺纹套17进行滑动,而螺纹套17在滑动的同时,就会通过转轴带动底部的支撑杆18进行旋转,同时支撑杆18的底部通过转轴连接在连接板19上,此时支撑杆18旋转就会带动连接板19向下运动,并且使得连接板19底部的毛刷20与置物台3的表面相接触,此时在将置物台3向一侧进行拉动,由于毛刷20位置固定,此时就可以通过毛刷20将置物台3上的废料通过凹槽推送到底座1底部的接料桶21中,从而方便使用者对置物台3的表面进行清洁。
参阅图2与图3可知,可以通过转动双向螺杆16,使得双向螺杆16通过支撑杆18带动底部的连接板19进行升降,并且使得毛刷20与置物台3相接触,通过拉动置物台3,可以将飞屑推送到接料桶21中,从而方便使用者对置物台3进行清洁。
综上所述:该插片式打印机散热器抛光装置,在使用的时候可以将需要抛光打磨的插片式散热器摆放在置物台3上,然后通过置物台3两侧的夹具4对插片式散热器进行夹紧固定,同时通过顶架5底部的气缸6推动活动杆7沿着支撑架2进行滑动,从而带动底部的抛光盘8向下运动,此时就可以通过抛光盘8一侧的传动电机带动抛光盘8转动,从而起到对插片式散热器的抛光打磨的作用。因此,这种改进的插片式打印机散热器抛光装置,不仅仅适用于打印机插片式散热器抛光领域中,还可以适用于其他类似的插片式散热器抛光的技术领域中,具有良好的通用性,这就是插片式打印机散热器抛光装置的特点,本说明中未作详细描述的内容属于本领域专业技术人员公知的现有技术。
尽管参照前述实施例对本实用新型进行了详细的说明,对于本领域的技术人员来说,其依然可以对前述各实施例所记载的技术方案进行修改,或者对其中部分技术特征进行等同替换,凡在本实用新型的精神和原则之内,所作的任何修改、等同替换、改进等,均应包含在本实用新型的保护范围之内。

Claims (6)

1.一种插片式打印机散热器抛光装置,包括:底座(1)和抛光盘(8),其特征在于,所述底座(1)的顶部安装有支撑架(2),所述支撑架(2)的中间安装有置物台(3),所述置物台(3)的两侧设置有夹具(4),两个所述支撑架(2)之间连接有顶架(5),所述顶架(5)的底部安装有气缸(6),所述气缸(6)的底部连接有活动杆(7),所述活动杆(7)的底部通过安装架连接有抛光盘(8);
所述置物台(3)的两侧连接有滑块(9),所述滑块(9)的内部贯穿连接有滑杆(10),所述滑块(9)的顶部连贯穿连接有螺纹杆(11),所述螺纹杆(11)的一侧连接有连接杆(12),所述连接杆(12)的一侧贯穿滑块(9)连接有卡杆(13),所述卡杆(13)的一侧设置有卡齿(14),所述卡齿(14)的一侧啮合有齿条(15)。
2.根据权利要求1所述的一种插片式打印机散热器抛光装置,其特征在于:所述齿条(15)设置在底座(1)顶部开设的滑槽中,且齿条(15)关于底座(1)的中心对称设置有两组。
3.根据权利要求1所述的一种插片式打印机散热器抛光装置,其特征在于:所述螺纹杆(11)与滑块(9)之间为螺纹连接,且螺纹杆(11)贯穿滑块(9)通过轴承与连接杆(12)相连接。
4.根据权利要求1所述的一种插片式打印机散热器抛光装置,其特征在于:所述活动杆(7)的顶部连接有双向螺杆(16),所述双向螺杆(16)的外侧套接有螺纹套(17),所述螺纹套(17)的底部通过转轴连接有支撑杆(18),所述支撑杆(18)的底部通过转轴连接有连接板(19),所述连接板(19)的底部安装有毛刷(20),所述底座(1)的底部设置有接料桶(21)。
5.根据权利要求4所述的一种插片式打印机散热器抛光装置,其特征在于:所述支撑杆(18)关于连接板(19)的中心线对称设置有两组,且连接板(19)贯穿安装架设置在抛光盘(8)的一侧。
6.根据权利要求4所述的一种插片式打印机散热器抛光装置,其特征在于:所述双向螺杆(16)的两端通过轴承与固定板安装在活动杆(7)的顶部。
CN202222722800.7U 2022-10-17 2022-10-17 一种插片式打印机散热器抛光装置 Expired - Fee Related CN218801387U (zh)

Priority Applications (1)

Application Number Priority Date Filing Date Title
CN202222722800.7U CN218801387U (zh) 2022-10-17 2022-10-17 一种插片式打印机散热器抛光装置

Applications Claiming Priority (1)

Application Number Priority Date Filing Date Title
CN202222722800.7U CN218801387U (zh) 2022-10-17 2022-10-17 一种插片式打印机散热器抛光装置

Publications (1)

Publication Number Publication Date
CN218801387U true CN218801387U (zh) 2023-04-07

Family

ID=87043196

Family Applications (1)

Application Number Title Priority Date Filing Date
CN202222722800.7U Expired - Fee Related CN218801387U (zh) 2022-10-17 2022-10-17 一种插片式打印机散热器抛光装置

Country Status (1)

Country Link
CN (1) CN218801387U (zh)

Similar Documents

Publication Publication Date Title
CN211639295U (zh) 一种刹车盘双面打磨装置
CN218801387U (zh) 一种插片式打印机散热器抛光装置
CN208322998U (zh) 一种新型工件加工用打磨装置
CN222003057U (zh) 一种刹车盘及其反面加工夹具
CN210550042U (zh) 一种螺杆去毛刺用固定装置
CN214641892U (zh) Kvm延长器生产用定位工装
CN214490015U (zh) 一种机床主轴生产加工用磨削设备
CN111906636B (zh) 一种便于对工件限位的机械打磨设备
CN211588821U (zh) 一种线切割装置
CN211102781U (zh) 一种机械加工用托架
CN223289503U (zh) 一种光学镜片高效抛光机
CN223222583U (zh) 一种锯片抛光机
CN220637420U (zh) 一种轴承加工用抛光装置
CN220516429U (zh) 可自由调节抛光面的抛光机构
CN213970585U (zh) 一种钢管抛光机
CN218697202U (zh) 一种3d抛光机
CN222537788U (zh) 一种碳纤维材料切割磨边设备
CN217475564U (zh) 一种可调节五金件加工位置的五金件打磨抛光设备
CN222269904U (zh) 一种可调节夹具的磨床
CN220637460U (zh) 一种机械零件抛光用固定装置
CN220561074U (zh) 一种轴承磨床固定装置
CN222308117U (zh) 用于加工螺杆的螺杆夹固装置
CN222806663U (zh) 一种建筑工程装饰用墙面清灰打磨装置
CN217833139U (zh) 一种机械零部件加工打磨装置
CN221640548U (zh) 一种便于调节的待磨件固定装置

Legal Events

Date Code Title Description
GR01 Patent grant
GR01 Patent grant
CF01 Termination of patent right due to non-payment of annual fee
CF01 Termination of patent right due to non-payment of annual fee

Granted publication date: 20230407