CN218794611U - 一种布袋除尘器 - Google Patents
一种布袋除尘器 Download PDFInfo
- Publication number
- CN218794611U CN218794611U CN202223572661.0U CN202223572661U CN218794611U CN 218794611 U CN218794611 U CN 218794611U CN 202223572661 U CN202223572661 U CN 202223572661U CN 218794611 U CN218794611 U CN 218794611U
- Authority
- CN
- China
- Prior art keywords
- fixedly connected
- dust
- shell
- bag
- dust collector
- Prior art date
- Legal status (The legal status is an assumption and is not a legal conclusion. Google has not performed a legal analysis and makes no representation as to the accuracy of the status listed.)
- Active
Links
- 239000000428 dust Substances 0.000 title claims abstract description 76
- 238000001914 filtration Methods 0.000 claims abstract description 22
- 239000002245 particle Substances 0.000 abstract description 13
- 239000008187 granular material Substances 0.000 abstract description 8
- 230000000694 effects Effects 0.000 abstract description 6
- 238000000926 separation method Methods 0.000 abstract description 5
- 239000004744 fabric Substances 0.000 description 4
- 238000010586 diagram Methods 0.000 description 2
- 230000005484 gravity Effects 0.000 description 2
- 230000004048 modification Effects 0.000 description 2
- 238000012986 modification Methods 0.000 description 2
- 230000009286 beneficial effect Effects 0.000 description 1
- 239000000835 fiber Substances 0.000 description 1
- 239000000463 material Substances 0.000 description 1
- 238000005457 optimization Methods 0.000 description 1
- 238000005192 partition Methods 0.000 description 1
Images
Classifications
-
- Y—GENERAL TAGGING OF NEW TECHNOLOGICAL DEVELOPMENTS; GENERAL TAGGING OF CROSS-SECTIONAL TECHNOLOGIES SPANNING OVER SEVERAL SECTIONS OF THE IPC; TECHNICAL SUBJECTS COVERED BY FORMER USPC CROSS-REFERENCE ART COLLECTIONS [XRACs] AND DIGESTS
- Y02—TECHNOLOGIES OR APPLICATIONS FOR MITIGATION OR ADAPTATION AGAINST CLIMATE CHANGE
- Y02A—TECHNOLOGIES FOR ADAPTATION TO CLIMATE CHANGE
- Y02A50/00—TECHNOLOGIES FOR ADAPTATION TO CLIMATE CHANGE in human health protection, e.g. against extreme weather
- Y02A50/20—Air quality improvement or preservation, e.g. vehicle emission control or emission reduction by using catalytic converters
- Y02A50/2351—Atmospheric particulate matter [PM], e.g. carbon smoke microparticles, smog, aerosol particles, dust
Landscapes
- Filtering Of Dispersed Particles In Gases (AREA)
Abstract
本实用新型涉及除尘技术领域,具体为一种布袋除尘器,包括过滤组件,过滤组件包含外壳,外壳右侧表面中部开设有进气口,进气口的外侧固定连接有进气管道,外壳的正前方右端转动连接有转动轴,外壳的右侧内部固定连接有支撑柱,两个支撑柱的左侧固定连接有隔板。本实用新型通过灰尘从进气口进入过滤组件,过滤组件中的隔板首先将灰尘气体进行第一步过滤,体积大颗粒大的灰尘因为重量原因直接掉落灰斗中,剩下的小颗粒灰尘在压力差的作用下会吸附在若干个布袋上,通过计时器设立的时间,空气压缩机通过喷嘴向下作用,使得布袋上的小颗粒灰尘掉落灰斗,此装置在一定程度上实现灰尘气体中对大颗粒灰尘和小颗粒灰尘的有效分离。
Description
技术领域
本实用新型涉及除尘技术领域,具体为一种布袋除尘器。
背景技术
袋式除尘器是一种干式滤尘装置。它适用于捕集细小、干燥、非纤维性粉尘。滤袋采用纺织的滤布或非纺织的毡制成,利用纤维织物的过滤作用对含尘气体进行过滤,当含尘气体进入袋式除尘器后,颗粒大、比重大的粉尘,由于重力的作用沉降下来,落入灰斗,含有较细小粉尘的气体在通过滤料时,粉尘被阻留,使气体得到净化;
众所周知,传统除尘器内部的除尘袋两端均是固定连接,从而导致了除尘袋上聚集的灰尘不易掉落和清理,导致了除尘器内部堵塞,降低除尘效率。
鉴于此,我们提出一种布袋除尘器。
实用新型内容
为了弥补以上不足,本实用新型提供了一种布袋除尘器。
本实用新型的技术方案是:
一种布袋除尘器,包括过滤组件,所述过滤组件包含外壳,所述外壳右侧表面中部开设有进气口,所述进气口的外侧固定连接有进气管道,所述外壳的正前方右端转动连接有转动轴,所述外壳的右侧内部固定连接有支撑柱,两个所述支撑柱的左侧固定连接有隔板。
作为优选的技术方案,所述外壳的左侧表面开设有出气口,所述出气口的外侧固定连接有出气管道,所述外壳的正前方安装有箱门,所述外壳的内部设有连接杆,四个所述连接杆的表面下方设有若干个喷嘴。
作为优选的技术方案,四个所述连接杆的右侧固定连接有连接块,四个所述连接块的下方固定连接有连接柱,四个所述连接柱的下方固定连接有空气压缩机。
作为优选的技术方案,所述外壳的右侧表面安装有计时器。
作为优选的技术方案,所述外壳的内部设有支撑板,所述支撑板的表面设有若干个橡胶套,若干个所述橡胶套的内部设有布袋。
作为优选的技术方案,所述过滤组件的下方固定连接有灰斗,所述灰斗的前后两侧均固定连接有支撑腿,两个所述支撑腿的底部均转动连接有移动轮。
作为优选的技术方案,所述箱门的表面左侧固定连接有把手。
与现有技术相比,本实用新型的有益效果是:
1、本实用新型通过灰尘从进气口进入过滤组件,过滤组件中的隔板首先将灰尘气体进行第一步过滤,体积大颗粒大的灰尘因为重量原因直接掉落灰斗中,剩下的小颗粒灰尘在压力差的作用下会吸附在若干个除尘袋上,然后通过计时器设立的时间,空气压缩机通过喷嘴向下作用,使得除尘袋上的小颗粒灰尘掉落灰斗,此装置在一定程度上实现灰尘气体中对大颗粒灰尘和小颗粒灰尘的有效分离。
2、本实用新型通过操作人员将过滤组件中的支撑板上若干个橡胶套向上拽动,从而可以轻松将橡胶套与除尘袋分离,此装置在一定程度上实现除尘袋具有可拆卸可清洗的功能,大大提高布袋除尘器的除尘效率。
附图说明
图1为本实用新型的一种布袋除尘器的结构示意图;
图2为本实用新型的一种布袋除尘器的右视结构示意图;
图3为本实用新型的一种布袋除尘器的过滤组件结构示意图;
图4为本实用新型的一种布袋除尘器的左视结构示意图。
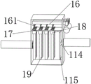
图中:1、过滤组件;11、外壳;111、进气口;112、进气管道;113、转动轴;114、支撑柱;115、隔板;116、出气口;117、出气管道;118、箱门;12、空气压缩机;13、连接柱;14、连接块;15、计时器;16、连接杆;161、喷嘴;17、支撑板;18、橡胶套;19、布袋;2、灰斗;3、支撑腿;31、移动轮;4、把手。
具体实施方式
下面将结合本实用新型实施例中的附图,对本实用新型实施例中的技术方案进行清楚、完整地描述,显然,所描述的实施例仅仅是本实用新型一部分实施例,而不是全部的实施例。基于本实用新型中的实施例,本领域普通技术人员在没有做出创造性劳动前提下所获得的所有其他实施例,都属于本实用新型保护的范围。
为了便于理解本实用新型,下面将参照相关附图对本实用新型进行更全面的描述。附图中给出了本实用新型的若干实施例。但是,本实用新型可以以许多不同的形式来实现,并不限于本文所描述的实施例。相反地,提供这些实施例的目的是使对本实用新型的公开内容更加透彻全面。
需要说明的是,当元件被称为“固设于”另一个元件,它可以直接在另一个元件上或者也可以存在居中的元件。当一个元件被认为是“连接”另一个元件,它可以是直接连接到另一个元件或者可能同时存在居中元件。本文所使用的术语“垂直的”、“水平的”、“左”、“右”以及类似的表述只是为了说明的目的。
除非另有定义,本文所使用的所有的技术和科学术语与属于本实用新型的技术领域的技术人员通常理解的含义相同。本文中在本实用新型的说明书中所使用的术语只是为了描述具体的实施例的目的,不是旨在于限制本实用新型。本文所使用的术语“及/或”包括一个或多个相关的所列项目的任意的和所有的组合。
请参阅图1-4,本实用新型提供一种技术方案:
一种布袋除尘器,包括过滤组件1,过滤组件1包含外壳11,外壳11右侧表面中部开设有进气口111,进气口111的外侧固定连接有进气管道112,外壳11的正前方右端转动连接有转动轴113,外壳11的右侧内部固定连接有支撑柱114,两个支撑柱114的左侧固定连接有隔板115。
需要补充的是,外壳11的左侧表面开设有出气口116,出气口116的外侧固定连接有出气管道117,外壳11的正前方安装有箱门118,外壳11的内部设有连接杆16,四个连接杆16的表面下方设有若干个喷嘴161。
作为本实施例的优选,四个连接杆16的右侧固定连接有连接块14,四个连接块14的下方固定连接有连接柱13,四个连接柱13的下方固定连接有空气压缩机12,通过灰尘从进气口111进入过滤组件1,过滤组件1中的隔板115首先将灰尘气体进行第一步过滤,体积大颗粒大的灰尘因为重量原因直接掉落灰斗2中,剩下的小颗粒灰尘在压力差的作用下会吸附在若干个布袋19上,然后通过计时器15设立的时间,空气压缩机12通过喷嘴161向下作用,使得布袋19上的小颗粒灰尘掉落灰斗2,此装置在一定程度上实现了灰尘气体中对大颗粒灰尘和小颗粒灰尘的有效分离。
作为本实施例的优选,外壳11的右侧表面安装有计时器15。
作为本实施例的优选,外壳11的内部设有支撑板17,支撑板17的表面设有若干个橡胶套18,若干个橡胶套18的内部设有布袋19,通过操作人员将过滤组件1中的支撑板17上若干个橡胶套18向上拽动,从而可以轻松将橡胶套18与布袋19分离,此装置在一定程度上实现布袋19具有可拆卸可清洗的功能,大大提高了布袋除尘器的除尘效率。
值得说明的是,过滤组件1的下方固定连接有灰斗2,灰斗2的前后两侧均固定连接有支撑腿3,两个支撑腿3的底部均转动连接有移动轮31。
作为本实施例的优选,箱门118的表面左侧固定连接有把手4。
本实用新型的一种布袋除尘器在使用时,通过灰尘从进气口111进入过滤组件1,过滤组件1中的隔板115首先将灰尘气体进行第一步过滤,体积大颗粒大的灰尘因为重量原因直接掉落灰斗2中,剩下的小颗粒灰尘在压力差的作用下会吸附在若干个布袋19上,然后通过计时器15设立的时间,空气压缩机12通过喷嘴161向下作用,使得布袋19上的小颗粒灰尘掉落灰斗2,此装置在一定程度上实现灰尘气体中对大颗粒灰尘和小颗粒灰尘的有效分离,除此之外,通过操作人员将过滤组件1中的支撑板17上若干个橡胶套18向上拽动,从而可以轻松将橡胶套18与布袋19分离,此装置在一定程度上实现布袋19具有可拆卸可清洗的功能,大大提高布袋除尘器的除尘效率。
以上显示和描述了本实用新型的基本原理、主要特征和本实用新型的优点。本行业的技术人员应该了解,本实用新型不受上述实施例的限制,上述实施例和说明书中描述的仅为本实用新型的优选例,并不用来限制本实用新型,在不脱离本实用新型精神和范围的前提下,本实用新型还会有各种变化和改进,这些变化和改进都落入要求保护的本实用新型范围内。本实用新型要求保护范围由所附的权利要求书及其等效物界定。
Claims (7)
1.一种布袋除尘器,包括过滤组件(1),其特征在于:所述过滤组件(1)包含外壳(11),所述外壳(11)右侧表面中部开设有进气口(111),所述进气口(111)的外侧固定连接有进气管道(112),所述外壳(11)的正前方右端转动连接有转动轴(113),所述外壳(11)的右侧内部固定连接有支撑柱(114),两个所述支撑柱(114)的左侧固定连接有隔板(115)。
2.如权利要求1所述的一种布袋除尘器,其特征在于:所述外壳(11)的左侧表面开设有出气口(116),所述出气口(116)的外侧固定连接有出气管道(117),所述外壳(11)的正前方安装有箱门(118),所述外壳(11)的内部设有连接杆(16),四个所述连接杆(16)的表面下方设有若干个喷嘴(161)。
3.如权利要求2所述的一种布袋除尘器,其特征在于:四个所述连接杆(16)的右侧固定连接有连接块(14),四个所述连接块(14)的下方固定连接有连接柱(13),四个所述连接柱(13)的下方固定连接有空气压缩机(12)。
4.如权利要求1所述的一种布袋除尘器,其特征在于:所述外壳(11)的右侧表面安装有计时器(15)。
5.如权利要求1所述的一种布袋除尘器,其特征在于:所述外壳(11)的内部设有支撑板(17),所述支撑板(17)的表面设有若干个橡胶套(18),若干个所述橡胶套(18)的内部设有布袋(19)。
6.如权利要求1所述的一种布袋除尘器,其特征在于:所述过滤组件(1)的下方固定连接有灰斗(2),所述灰斗(2)的前后两侧均固定连接有支撑腿(3),两个所述支撑腿(3)的底部均转动连接有移动轮(31)。
7.如权利要求2所述的一种布袋除尘器,其特征在于:所述箱门(118)的表面左侧固定连接有把手(4)。
Priority Applications (1)
| Application Number | Priority Date | Filing Date | Title |
|---|---|---|---|
| CN202223572661.0U CN218794611U (zh) | 2022-12-29 | 2022-12-29 | 一种布袋除尘器 |
Applications Claiming Priority (1)
| Application Number | Priority Date | Filing Date | Title |
|---|---|---|---|
| CN202223572661.0U CN218794611U (zh) | 2022-12-29 | 2022-12-29 | 一种布袋除尘器 |
Publications (1)
| Publication Number | Publication Date |
|---|---|
| CN218794611U true CN218794611U (zh) | 2023-04-07 |
Family
ID=87272710
Family Applications (1)
| Application Number | Title | Priority Date | Filing Date |
|---|---|---|---|
| CN202223572661.0U Active CN218794611U (zh) | 2022-12-29 | 2022-12-29 | 一种布袋除尘器 |
Country Status (1)
| Country | Link |
|---|---|
| CN (1) | CN218794611U (zh) |
Cited By (1)
| Publication number | Priority date | Publication date | Assignee | Title |
|---|---|---|---|---|
| CN119429442A (zh) * | 2025-01-09 | 2025-02-14 | 上海东健净化股份有限公司 | 一种自动消杀功能的医疗废物贮存舱 |
-
2022
- 2022-12-29 CN CN202223572661.0U patent/CN218794611U/zh active Active
Cited By (1)
| Publication number | Priority date | Publication date | Assignee | Title |
|---|---|---|---|---|
| CN119429442A (zh) * | 2025-01-09 | 2025-02-14 | 上海东健净化股份有限公司 | 一种自动消杀功能的医疗废物贮存舱 |
Similar Documents
| Publication | Publication Date | Title |
|---|---|---|
| CN112156572A (zh) | 一种高效自清理工业布袋除尘器 | |
| CN218794611U (zh) | 一种布袋除尘器 | |
| CN2731109Y (zh) | 湿式振弦除尘机 | |
| CN213555919U (zh) | 一种危废物处理中使用的新型袋式除尘设备 | |
| CN113318525B (zh) | 一种装拆方便的袋式除尘器 | |
| CN110975492A (zh) | 一种自动除尘设备 | |
| CN213527958U (zh) | 一种旋风加振打布袋一体式除尘装置 | |
| CN207385105U (zh) | 一种适用于大直径颗粒物的布袋除尘器 | |
| CN214551894U (zh) | 一种内置旋风筒布袋除尘器 | |
| CN216259637U (zh) | 一种用于矿井除尘的专用袋式除尘器 | |
| CN206934953U (zh) | 数控脉冲吹扫除尘系统及城市道路吸尘车 | |
| CN217068084U (zh) | 一种具有预除尘装置的除尘设备 | |
| CN216604567U (zh) | 一种超低排放脉冲布袋除尘装置 | |
| CN211963420U (zh) | 一种便于清灰的火力发电厂用布袋式除尘器 | |
| CN213965602U (zh) | 具有导流装置的过滤袋 | |
| CN210993569U (zh) | 一种高效的布袋除尘器 | |
| CN203507698U (zh) | 一种新型布袋除尘器 | |
| CN213699175U (zh) | 一种锅炉专用布袋除尘器 | |
| CN208574368U (zh) | 一种袋式除尘器的清灰装置 | |
| CN221557828U (zh) | 一种具有防堵塞功能的袋式除尘器 | |
| CN212974481U (zh) | 一种布袋除尘器 | |
| CN223697192U (zh) | 自洁式三合一除尘设备 | |
| CN219209324U (zh) | 一种布袋除尘器 | |
| CN217119640U (zh) | 一种袋式除尘清灰装置 | |
| CN214809283U (zh) | 一种布袋除尘器防堵塞结构 |
Legal Events
| Date | Code | Title | Description |
|---|---|---|---|
| GR01 | Patent grant | ||
| GR01 | Patent grant |