CN218669647U - 一种油电混合供电用发动机启动控制系统 - Google Patents

一种油电混合供电用发动机启动控制系统 Download PDF

Info

Publication number
CN218669647U
CN218669647U CN202223429833.9U CN202223429833U CN218669647U CN 218669647 U CN218669647 U CN 218669647U CN 202223429833 U CN202223429833 U CN 202223429833U CN 218669647 U CN218669647 U CN 218669647U
Authority
CN
China
Prior art keywords
circuit
module
engine
power supply
input end
Prior art date
Legal status (The legal status is an assumption and is not a legal conclusion. Google has not performed a legal analysis and makes no representation as to the accuracy of the status listed.)
Active
Application number
CN202223429833.9U
Other languages
English (en)
Inventor
黄求馥
尹利
雷洋
Current Assignee (The listed assignees may be inaccurate. Google has not performed a legal analysis and makes no representation or warranty as to the accuracy of the list.)
Chongqing Rato Technology Co Ltd
Original Assignee
Chongqing Rato Technology Co Ltd
Priority date (The priority date is an assumption and is not a legal conclusion. Google has not performed a legal analysis and makes no representation as to the accuracy of the date listed.)
Filing date
Publication date
Application filed by Chongqing Rato Technology Co Ltd filed Critical Chongqing Rato Technology Co Ltd
Priority to CN202223429833.9U priority Critical patent/CN218669647U/zh
Application granted granted Critical
Publication of CN218669647U publication Critical patent/CN218669647U/zh
Active legal-status Critical Current
Anticipated expiration legal-status Critical

Links

Images

Landscapes

  • Control Of Vehicle Engines Or Engines For Specific Uses (AREA)

Abstract

本申请公开了一种油电混合供电用发动机启动控制系统,应用于油电混合供电系统,油电混合供电系统包括发动机、磁电机和蓄电池,发动机启动控制系统包括启动信号输出电路和反拖启动控制电路,发动机与磁电机的转子传动连接,蓄电池与反拖启动控制电路的电力输入端连接,反拖启动控制电路的电力输出端与磁电机的定子绕组的连接,启动信号输出电路的输出端与反拖启动控制电路的控制信号输入端连接;启动信号输出电路用于输出发动机启动信号至反拖启动控制电路;反拖启动控制电路用于在接收到发动机启动信号后,将蓄电池输出的直流电转换为三相交流电并输出至磁电机的定子绕组。本申请能够实现发动机的反拖动启动,使得移动供电系统更加轻量化。

Description

一种油电混合供电用发动机启动控制系统
技术领域
本申请属于移动供电技术领域,尤其涉及一种油电混合供电用发动机启动控制系统。
背景技术
在移动供电领域中,有单独以内燃发电机组作为供电电源的供电系统,也有单独以锂电池作为供电电源的供电系统。相比较而言,锂电池供电优点在于重量轻,体积小,无噪音污染,在室内和户外都可以使用,缺点是续航能力不足,充电速度慢,电池放电完以后需要很长的时间充电才能再次使用;而内燃发电机组供电的优点在于续航能力充足,输出功率强劲,缺点是相对体积较大,有一定的噪音污染,需要在通风良好的环境中使用。因此,这两种供电系统的适用范围均有一定的局限性。
为了同时满足不同需求的用户,扩大单台移动供电设备的适用范围,授权公告号为CN214227909U、授权公告日为2021年9月17日的中国实用新型专利公开了一种油电混合移动供电系统,其采用燃油发电机组和蓄电池为整个移动供电系统提供能源,通过电力转换模块进行电力转换后输出交流电和直流电,可根据需要通过控制模块分别控制发动机带动发电机供电或控制蓄电池供电,在蓄电池电量不足时,可通过控制模块控制充电开关闭合而使发动机启动,再利用发动机带动发电机输出直流电为蓄电池充电,增加蓄电池供电的续航能力,从而能够同时满足不同需求的用户,扩大了单台移动供电设备的适用范围。
现有技术中,燃油发电机组中发动机的启动,是通过安装在发动机上的启动电机(启动马达)和启动齿轮的配合使发动机启动的,具体地,当需要启动燃油发电机组时,控制发动机的启动电机工作,启动电机通过启动齿轮带动启动飞轮旋转而使发动机启动。然而,安装有启动电机和启动齿轮的发动机重量较重,不利于移动供电系统朝着轻量化方向发展。
实用新型内容
针对现有技术中的缺陷,本申请的目的是提供一种油电混合供电用发动机启动控制系统,通过设置反拖启动控制电路替代启动电机和启动齿轮,利用蓄电池、反拖启动控制电路和磁电机实现发动机的反拖动启动,更有利于移动供电系统朝着轻量化方向发展。
为了实现上述目的,本申请提供如下方案:
本申请提供了一种油电混合供电用发动机启动控制系统,应用于油电混合供电系统,所述油电混合供电系统包括发动机、磁电机和蓄电池,发动机启动控制系统包括启动信号输出电路和反拖启动控制电路,其中,
所述发动机与所述磁电机的转子传动连接,所述蓄电池与所述反拖启动控制电路的电力输入端连接,所述反拖启动控制电路的电力输出端与所述磁电机的定子绕组的连接,所述启动信号输出电路的输出端与所述反拖启动控制电路的控制信号输入端连接;
所述启动信号输出电路用于输出发动机启动信号至所述反拖启动控制电路;
所述反拖启动控制电路用于在接收到所述发动机启动信号后,将所述蓄电池输出的直流电转换为三相交流电并输出至所述磁电机的定子绕组。
优选地,所述反拖启动控制电路包括DC-DC模块、DC-AC模块和主控模块,其中,
所述DC-DC模块的输入端作为所述反拖启动控制电路的电力输入端与所述蓄电池连接,所述DC-DC模块的输出端与所述DC-AC模块的输入端连接,所述DC-AC模块的输出端作为所述反拖启动控制电路的电力输出端与所述磁电机的定子绕组的连接,所述主控模块的控制信号输出端与所述DC-AC模块的控制信号输入端连接,所述主控模块的启动信号输入端作为所述反拖启动控制电路的控制信号输入端与所述启动信号输出电路的输出端连接。
优选地,所述反拖启动控制电路还包括电压调节电路,所述电压调节电路的电源输入端与所述DC-DC模块的输出端连接,所述电压调节电路的电源输出端与所述主控模块的电源端连接。
优选地,所述油电混合供电用发动机启动控制系统还包括用于检测所述蓄电池的输出电压的电压检测电路,所述电压检测电路的输入端与所述蓄电池连接,所述电压检测电路的输出端与所述反拖启动控制电路的电量检测信号输入端连接。
优选地,所述启动信号输出电路包括阈值存储器和比较器,所述比较器的第一输入端与所述电压检测电路的输出端连接,所述比较器的第二输入端与所述阈值存储器的输出端连接,所述比较器的输出端与所述主控模块的启动信号输入端连接。
优选地所述主控模块包括MCU控制芯片和PWM驱动电路,所述MCU控制芯片的信号输入端作为所述主控模块的启动信号输入端与所述比较器的输出端连接,所述MCU控制芯片的信号输出端与所述PWM驱动电路的输入端连接,所述PWM驱动电路的输出端与所述DC-AC模块的控制信号输入端连接。
优选地,所述DC-DC模块为双向DC-DC变流器。
优选地,所述DC-AC模块为三相双向DC-AC变换器。
优选地,所述蓄电池为锂电池包。
优选地,所述发动机为多燃料内燃机。
由于采用了上述技术方案,本申请具有如下有益效果:
本申请通过设置反拖启动控制电路,在发动机需要启动时,通过反拖启动控制电路将蓄电池的直流电转换为三相交流电为磁电机的定子绕组供电,从而通过磁电机带动发动机旋转而使发动机启动,从而实现发动机的反拖动启动,使得发动机的启动不依赖与启动电机和启动齿轮,因而采用本申请的发动机启动控制系统的油电混合供电系统的发动机可取消发动机上的启动电机和启动齿轮,从而更好地满足移动供电系统朝着轻量化方向发展的需求。
本申请的附加方面和优点将在下面的描述中部分给出,部分将从下面的描述中变得明显,或通过本申请的实践了解到。
附图说明
为了更清楚地说明本申请具体实施方式或现有技术中的技术方案,下面将对具体实施方式或现有技术描述中所需要使用的附图作简单地介绍。在所有附图中,类似的元件或部分一般由类似的附图标记标识。附图中,各元件或部分并不一定按照实际的比例绘制。显而易见地,下面描述中的附图仅仅是本申请的一些实施例,对于本领域普通技术人员来讲,在不付出创造性劳动的前提下,还可以根据这些附图获得其他的附图。
图1是本申请一实施例中油电混合供电用发动机启动控制系统的结构示意图;
图2是本申请一具体实施中DC-AC模块的电路原理图;
图3(a)-图3(c)是本申请一具体实施例中PWM驱动电路的电路原理图。
具体实施方式
下面将参照附图更详细地描述本公开的示例性实施例。虽然附图中显示了本公开的示例性实施例,然而应当理解,可以以各种形式实现本公开而不应被这里阐述的实施例所限制。相反,提供这些实施例是为了能够更透彻地理解本公开,并且能够将本公开的范围完整的传达给本领域的技术人员。
本技术领域技术人员可以理解,除非另外定义,这里使用的所有术语(包括技术术语和科学术语),具有与本申请所属领域中的普通技术人员的一般理解相同的意义。还应该理解的是,诸如通用字典中定义的那些术语,应该被理解为具有与现有技术的上下文中的意义一致的意义,并且除非被特定定义,否则不会用理想化或过于正式的含义来解释。
在本申请中,术语“第一”、“第二”等仅用于描述目的,而不能理解为指示或暗示相对重要性或者隐含指明所指示的技术特征的数量。在本申请的描述中,“多个”的含义是两个或两个以上,除非另有明确具体的限定。
此外,除非另有明确的规定和限定,术语“安装”、“相连”、“连接”、“固定”等术语应做广义理解,例如,可以是固定连接,也可以是可拆卸连接,或成一体;可以是机械连接,也可以是电连接;可以是直接相连,也可以通过中间媒介间接相连,可以是两个元件内部的连通或两个元件的相互作用关系。对于本领域的普通技术人员而言,可以根据具体情况理解上述术语在本申请中的具体含义。
如图1所示,本申请实施例提供一种油电混合供电用发动机启动控制系统,应用于油电混合供电系统,所述油电混合供电系统包括发动机1、磁电机2和蓄电池3,发动机启动控制系统包括启动信号输出电路4和反拖启动控制电路5。
具体地,发动机1与磁电机2的转子传动连接,蓄电池3与反拖启动控制电路5的电力输入端连接,反拖启动控制电路5的电力输出端与磁电机2的定子绕组的连接,启动信号输出电路4的输出端与反拖启动控制电路5的控制信号输入端连接;启动信号输出电路4用于输出发动机启动信号至反拖启动控制电路5;反拖启动控制电路5用于在接收到发动机启动信号后,将蓄电池3输出的直流电转换为三相交流电并输出至磁电机2的定子绕组。
本实施例中的油电混合供电用发动机启动控制系统的工作原理如下:
当需要启动油电混合供电系统的发动机1时(以便通过发动机1带动磁电机2实现发电为负载供电,或者为蓄电池3充电),用户可以通过发动机1上的启动按钮进行本地启动或者通过遥控器发射启动信号进行遥控启动,或者在满足一定条件下(例如监测到蓄电池3电量过低,或者需要蓄电池3和发动机1并联输出来为负载供电)进行发动机1的自动启动,当启动信号输出电路4接收到发动机1本体启动、远程启动信号,或者接收到发动机1自动启动信号时,启动信号输出电路4输出发动机启动信号至反拖启动控制电路5,反拖启动控制电路5将蓄电池3的直流电转换为三相交流电为磁电机2的定子绕组供电,从而使磁电机2的定子绕组通电产生旋转磁场并作用于磁电机2的转子形成磁电动力旋转扭矩而使磁电机2的转子旋转,从而通过磁电机2的转子带动发动机1旋转使发动机1启动。
本实施例,通过设置反拖启动控制电路5,在发动机1需要启动时,通过反拖启动控制电路5将蓄电池3的直流电转换为三相交流电为磁电机2的定子绕组供电,从而通过磁电机2带动发动机1旋转而使发动机1启动,从而实现发动机1的反拖动启动,使得发动机1的启动不依赖与启动电机和启动齿轮,因而采用本申请的发动机启动控制系统的油电混合供电系统的发动机1可取消发动机1上的启动电机和启动齿轮,从而更好地满足移动供电系统朝着轻量化方向发展的需求。
具体地,在一个实施例中,如图1所示,反拖启动控制电路5包括DC-DC模块51、DC-AC模块52和主控模块53,其中,
DC-DC模块51的输入端作为反拖启动控制电路5的电力输入端与蓄电池3连接,DC-DC模块51的输出端与DC-AC模块52的输入端连接,DC-AC模块52的输出端作为反拖启动控制电路5的电力输出端与磁电机2的定子绕组的连接,主控模块53的控制信号输出端与DC-AC模块52的控制信号输入端连接,主控模块53的启动信号输入端作为反拖启动控制电路5的控制信号输入端与启动信号输出电路4的输出端连接。
本实施例中,当发动机1需要启动时,DC-DC模块51将蓄电池3输出的直流电进行电流变换升压至设定电压后输出至DC-AC模块52,主控模块53控制DC-AC模块52再将DC-DC模块51升压变换后得到的电压进行逆变转换成预设频率的三相交流电为磁电机2的定子绕组供电。
具体地,在一个具体实例中,DC-AC模块52的电路原理图如图2所示,DC-AC模块52采用三相桥式变换实现对直流输入的逆变。
具体地,在一个实施例中,如图1所示,反拖启动控制电路5还包括电压调节电路54,电压调节电路54的电源输入端与DC-DC模块51的输出端连接,电压调节电路54的电源输出端与主控模块53的电源端连接。
本实施中,通过电压调节电路54将DC-DC模块51的输出端输出的较高直流电进行降压和稳压处理转换成主控模块53工作所需的较低的直流电压(一般有12V、5V、3.3V)。
在上述实施例的基础上,作为优选,在一个实施例中,如图1所示,油电混合供电用发动机启动控制系统还包括用于检测蓄电池3的输出电压的电压检测电路6,电压检测电路6的输入端与蓄电池3连接,电压检测电路6的输出端与反拖启动控制电路5的电量检测信号输入端连接。
本实施例中,通过设置电压检测电路6来实时检测蓄电池3的输出电压,从而实现对蓄电池3电压的实时监测和便于后续根据实时监测到的蓄电池3电压对发动机1进行自动启动。
具体地,在一个实施例中,如图1所示,启动信号输出电路4包括阈值存储器41和比较器42,比较器42的第一输入端与电压检测电路6的输出端连接,比较器42的第二输入端与阈值存储器41的输出端连接,比较器42的输出端与主控模块53的启动信号输入端连接。
本实施例中,电压检测电路6实时检测蓄电池3的输出电压并输出至比较器42,比较器42将电压检测电路6检测到的蓄电池3的输出电压和预先存储在阈值存储器41中的电压阈值(阈值电压根据就要需要进行设定)进行比较,当蓄电池3的输出电压低于阈值电压时(说明此时蓄电池3电压不足需充电),比较器42输出高电平触发主控模块53控制DC-AC模块52工作,从而通过DC-AC模块52为磁电机2的定子绕组供电,利用蓄电池3供电,使磁电机2反拖动启动发动机1为蓄电池3充电。
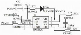
具体地,在一个实施例中,如图1所示,主控模块53包括MCU控制芯片531和PWM驱动电路532,MCU控制芯片531的信号输入端作为主控模块53的启动信号输入端与比较器42的输出端连接,MCU控制芯片531的信号输出端与PWM驱动电路532的输入端连接,PWM驱动电路532的输出端与DC-AC模块52的控制信号输入端连接。在一个具体实例中,PWM驱动电路532的电路原理图如图3(a)-3(c)所示,PWM驱动电路532的驱动芯片采用SDH21263芯片,驱动电路中的输入端(PWM1H、PWM1L,PWM2H、PWM2L,PWM3H、PWM3L)的输入信号为由MCU控制芯片531输入的PWM脉冲信号,驱动电路的输出端(HO1、LO1,HO2、LO2,HO3、LO3)与图2中的DC-AC模块52的三相桥式变换电路的对应的信号输入端连接。
本实施例中,MCU控制芯片531接收到启动信号输出电路4输出的发动机启动信号,并根据发动机启动信号输出相应的PWM控制信号控制PWM驱动电路532工作,再通过PWM驱动电路532驱动DC-AC模块52工作将DC-DC模块51输出的直流电逆变为所需频率的三相交流电。
具体地,由于油电混合供电系统本身需要通过发动机1带动磁电机2为蓄电池3充电,因此,为了使DC-DC模块51不仅能够将电池包输出的直流电进行升压变换以便为磁电机2供电实现发动机1反拖启动,还能将发动机1启动后带动磁电机2旋转而使磁电机2产生的三相交流电经整流后得到的直流电进行降压变换以便为蓄电池3充电,在一个实施例中,DC-DC模块51为双向DC-DC变流器。当需启动发动机1时,DC-DC模块51工作在降压模式,当发动机1启动后为蓄电池3充电时,DC-DC模块51工作在升压模式。
具体地,由于油电混合供电系统本身需要通过发动机1带动磁电机2为蓄电池3充电,因此,为了使DC-AC模块52不仅能够将电池包输出的直流电压经升压后得到的直流电进行逆变得到交流电为磁电机2供电实现发动机1反拖启动,还能将发动机1启动后带动磁电机2旋转而使磁电机2产生的三相交流电进行整流后得到直流电为蓄电池3充电,在一个实施例中,DC-AC模块52为三相双向DC-AC变换器。当需启动发动机1时,DC-AC模块52工作在逆变模式,当发动机1启动后为蓄电池3充电时,DC-DC模块51工作在整流模式。
在一个实施例中,蓄电池3为锂电池包。锂电池能量密度高,使用寿命长,自放电率很低,重量轻,高低温适应性强。
在一个实施例中,发动机1为多燃料内燃机。采用内燃机作为发电机的动力源,热能利用率高,结构紧凑,体积小,启动快,适应性能好。本实施例中,具体可以采用能够使如液体燃料(例如,轻油或汽油等)以及气体燃料(例如,压缩天然气或氢气等)这样的多种燃料混合燃烧的多燃料内燃机。
本领域的技术人员能够理解,尽管在此的一些实施例包括其它实施例中所包括的某些特征而不是其它特征,但是不同实施例的特征的组合意味着处于本申请的范围之内并且形成不同的实施例。在一些实例中,并未详细示出公知的方法、结构和技术,以便不模糊对本说明书的理解。
最后应说明的是:以上各实施例仅用以说明本申请的技术方案,而非对其限制;尽管参照前述各实施例对本申请进行了详细的说明,本领域的普通技术人员应当理解:其依然可以对前述各实施例所记载的技术方案进行修改,或者对其中部分或者全部技术特征进行等同替换;而这些修改或者替换,并不使相应技术方案的本质脱离本申请各实施例技术方案的范围,其均应涵盖在本申请的权利要求和说明书的范围当中。

Claims (10)

1.一种油电混合供电用发动机启动控制系统,应用于油电混合供电系统,所述油电混合供电系统包括发动机、磁电机和蓄电池,其特征在于,发动机启动控制系统包括启动信号输出电路和反拖启动控制电路,其中,
所述发动机与所述磁电机的转子传动连接,所述蓄电池与所述反拖启动控制电路的电力输入端连接,所述反拖启动控制电路的电力输出端与所述磁电机的定子绕组的连接,所述启动信号输出电路的输出端与所述反拖启动控制电路的控制信号输入端连接;
所述启动信号输出电路用于输出发动机启动信号至所述反拖启动控制电路;
所述反拖启动控制电路用于在接收到所述发动机启动信号后,将所述蓄电池输出的直流电转换为三相交流电并输出至所述磁电机的定子绕组。
2.根据权利要求1所述的油电混合供电用发动机启动控制系统,其特征在于,所述反拖启动控制电路包括DC-DC模块、DC-AC模块和主控模块,其中,
所述DC-DC模块的输入端作为所述反拖启动控制电路的电力输入端与所述蓄电池连接,所述DC-DC模块的输出端与所述DC-AC模块的输入端连接,所述DC-AC模块的输出端作为所述反拖启动控制电路的电力输出端与所述磁电机的定子绕组的连接,所述主控模块的控制信号输出端与所述DC-AC模块的控制信号输入端连接,所述主控模块的启动信号输入端作为所述反拖启动控制电路的控制信号输入端与所述启动信号输出电路的输出端连接。
3.根据权利要求2所述的油电混合供电用发动机启动控制系统,其特征在于,所述反拖启动控制电路还包括电压调节电路,所述电压调节电路的电源输入端与所述DC-DC模块的输出端连接,所述电压调节电路的电源输出端与所述主控模块的电源端连接。
4.根据权利要求2所述的油电混合供电用发动机启动控制系统,其特征在于,还包括用于检测所述蓄电池的输出电压的电压检测电路,所述电压检测电路的输入端与所述蓄电池连接,所述电压检测电路的输出端与所述反拖启动控制电路的电量检测信号输入端连接。
5.根据权利要求4所述的油电混合供电用发动机启动控制系统,其特征在于,所述启动信号输出电路包括阈值存储器和比较器,所述比较器的第一输入端与所述电压检测电路的输出端连接,所述比较器的第二输入端与所述阈值存储器的输出端连接,所述比较器的输出端与所述主控模块的启动信号输入端连接。
6.根据权利要求5所述的油电混合供电用发动机启动控制系统,其特征在于,所述主控模块包括MCU控制芯片和PWM驱动电路,所述MCU控制芯片的信号输入端作为所述主控模块的启动信号输入端与所述比较器的输出端连接,所述MCU控制芯片的信号输出端与所述PWM驱动电路的输入端连接,所述PWM驱动电路的输出端与所述DC-AC模块的控制信号输入端连接。
7.根据权利要求2-6任一项所述的油电混合供电用发动机启动控制系统,其特征在于,所述DC-DC模块为双向DC-DC变流器。
8.根据权利要求2-6任一项所述的油电混合供电用发动机启动控制系统,其特征在于,所述DC-AC模块为三相双向DC-AC变换器。
9.根据权利要求1-7任一项所述的油电混合供电用发动机启动控制系统,其特征在于,所述蓄电池为锂电池包。
10.根据权利要求9所述的油电混合供电用发动机启动控制系统,其特征在于,所述发动机为多燃料内燃机。
CN202223429833.9U 2022-12-21 2022-12-21 一种油电混合供电用发动机启动控制系统 Active CN218669647U (zh)

Priority Applications (1)

Application Number Priority Date Filing Date Title
CN202223429833.9U CN218669647U (zh) 2022-12-21 2022-12-21 一种油电混合供电用发动机启动控制系统

Applications Claiming Priority (1)

Application Number Priority Date Filing Date Title
CN202223429833.9U CN218669647U (zh) 2022-12-21 2022-12-21 一种油电混合供电用发动机启动控制系统

Publications (1)

Publication Number Publication Date
CN218669647U true CN218669647U (zh) 2023-03-21

Family

ID=85551087

Family Applications (1)

Application Number Title Priority Date Filing Date
CN202223429833.9U Active CN218669647U (zh) 2022-12-21 2022-12-21 一种油电混合供电用发动机启动控制系统

Country Status (1)

Country Link
CN (1) CN218669647U (zh)

Similar Documents

Publication Publication Date Title
AU2012203536B2 (en) Hybrid electric generator set
TWI427008B (zh) 油電混合動力車之啟動方法及其系統架構
WO2018133511A1 (zh) 混合动力无人机
CN110978991B (zh) 一种太阳能和废气余热发电的混合动力商用车电气系统
JPH01313626A (ja) 回転電機付ターボチャージャの駆動装置
CN202737555U (zh) 船舶用复合能源装置及设置有复合能源装置的船舶
CN201332283Y (zh) 通信基站用混合直流供电电源控制系统
CN112952981A (zh) 一种油电混合移动电源系统及其工作方法
CN218669647U (zh) 一种油电混合供电用发动机启动控制系统
CN205395799U (zh) 电动车增程器
CN115958964A (zh) 一种电动汽车利用太阳能进行智能充电的控制系统及方法
WO2022022594A1 (zh) 工程机械能量管理系统、方法、装置和存储介质
CN111003189A (zh) 一种混动无人机的动力控制系统及方法
CN219893200U (zh) 组合式新能源应急电源
CN113715661A (zh) 一种便携式电动汽车充电器及其应用
CN219018516U (zh) 一种油电混合供电系统
CN215956053U (zh) 风力发电机组的储能系统及风力发电机组
CN113765190A (zh) 一种混动发电机系统及其工作方法
CN201385587Y (zh) 自带高效低能耗发电机的电驱动车
CN115912606A (zh) 一种油电混合供电系统及其供电控制方法
CN221552890U (zh) 一种兼容储能电池的发电机系统
CN219801917U (zh) 一种逆变电源反向启动装置
CN222283102U (zh) 一种直流发电机的外置调节电路
CN213484736U (zh) 循环发电节能装置
CN205141791U (zh) 电动车及其电动车用自发电电机结构

Legal Events

Date Code Title Description
GR01 Patent grant
GR01 Patent grant