CN218659437U - 一种水利工程施工用的排水板裁切装置 - Google Patents

一种水利工程施工用的排水板裁切装置 Download PDF

Info

Publication number
CN218659437U
CN218659437U CN202221933804.3U CN202221933804U CN218659437U CN 218659437 U CN218659437 U CN 218659437U CN 202221933804 U CN202221933804 U CN 202221933804U CN 218659437 U CN218659437 U CN 218659437U
Authority
CN
China
Prior art keywords
shaped frame
frame
cutting device
hydraulic
cutting
Prior art date
Legal status (The legal status is an assumption and is not a legal conclusion. Google has not performed a legal analysis and makes no representation as to the accuracy of the status listed.)
Expired - Fee Related
Application number
CN202221933804.3U
Other languages
English (en)
Inventor
桑云旭
赵盼盼
邹本涛
Current Assignee (The listed assignees may be inaccurate. Google has not performed a legal analysis and makes no representation or warranty as to the accuracy of the list.)
Tai'an Wanlihe New Materials Co ltd
Original Assignee
Tai'an Wanlihe New Materials Co ltd
Priority date (The priority date is an assumption and is not a legal conclusion. Google has not performed a legal analysis and makes no representation as to the accuracy of the date listed.)
Filing date
Publication date
Application filed by Tai'an Wanlihe New Materials Co ltd filed Critical Tai'an Wanlihe New Materials Co ltd
Priority to CN202221933804.3U priority Critical patent/CN218659437U/zh
Application granted granted Critical
Publication of CN218659437U publication Critical patent/CN218659437U/zh
Expired - Fee Related legal-status Critical Current
Anticipated expiration legal-status Critical

Links

Images

Classifications

    • YGENERAL TAGGING OF NEW TECHNOLOGICAL DEVELOPMENTS; GENERAL TAGGING OF CROSS-SECTIONAL TECHNOLOGIES SPANNING OVER SEVERAL SECTIONS OF THE IPC; TECHNICAL SUBJECTS COVERED BY FORMER USPC CROSS-REFERENCE ART COLLECTIONS [XRACs] AND DIGESTS
    • Y02TECHNOLOGIES OR APPLICATIONS FOR MITIGATION OR ADAPTATION AGAINST CLIMATE CHANGE
    • Y02PCLIMATE CHANGE MITIGATION TECHNOLOGIES IN THE PRODUCTION OR PROCESSING OF GOODS
    • Y02P70/00Climate change mitigation technologies in the production process for final industrial or consumer products
    • Y02P70/10Greenhouse gas [GHG] capture, material saving, heat recovery or other energy efficient measures, e.g. motor control, characterised by manufacturing processes, e.g. for rolling metal or metal working

Landscapes

  • Processing Of Stones Or Stones Resemblance Materials (AREA)

Abstract

本实用新型涉及排水板加工技术领域,尤其涉及一种水利工程施工用的排水板裁切装置。其技术方案包括:切割台,所述切割台上表面左端安装有传送架、右端安装有U形架二,传送架与U形架二间设有主传动辊,主传动辊两端通过支撑座固定在切割台上,后侧支撑座外侧安装有传送电机,传送电机输出轴与主传动辊转轴连接,U形架二横梁顶部两端对称安装有液压缸,两个液压缸下方安装有液压杆,两个液压杆伸出端安装有切刀,切刀顶部两端对称安装有光杆,两个光杆贯穿U形架二横梁与其滑动安装,U形架二底部安装有刀座,刀座上表面中间开设有切槽。本实用新型实现对传送中的排水板进行限位,使其笔直进行传送,不会出现切口不齐的情况,提高了裁切效果。

Description

一种水利工程施工用的排水板裁切装置
技术领域
本实用新型涉及排水板加工技术领域,具体为一种水利工程施工用的排水板裁切装置。
背景技术
排水板裁切机是一种裁切排水板所使用的一种工具,一般有全自动排水板裁切机,和半自动排水板裁切机之分。它是排水板加工必不可少的设备之一,它主要用于工程中对排水板的定长裁切。
现有的排水板裁切机不能对传送中的排水板两端进行限位,导致排水板在传送过程中容易左右移动,导致排水板在裁切时会出现切口不齐的现象,影响了裁切效果。
实用新型内容
本实用新型的目的在于提供一种水利工程施工用的排水板裁切装置,具备的对传送中的排水板进行限位,使其笔直的进行传送,不会出现切口不齐的情况,提高了裁切效果优点,解决了背景技术中提到的问题。
为实现上述目的,本实用新型提供如下技术方案:一种水利工程施工用的排水板裁切装置,包括切割台,所述切割台上表面左端安装有传送架、右端安装有U形架二,传送架上表面等距设有一排辅助辊,传送架与U形架二间设有主传动辊,主传动辊两端通过支撑座固定在切割台上,后侧支撑座外侧安装有传送电机,传送电机输出轴与主传动辊转轴连接,U形架二横梁顶部两端对称安装有液压缸,两个液压缸下方安装有液压杆,两个液压杆伸出端安装有切刀,切刀顶部两端对称安装有光杆,两个光杆贯穿U形架二横梁与其滑动安装,U形架二底部安装有刀座,刀座上表面与主传动辊上表面齐平,且刀座上表面中间开设有切槽,切割台右侧倾斜安装有导流板。
优选的,所述切割台底端四角呈矩形阵列安装有四个支撑腿,且四个支撑腿下端之间安装有加强杆。通过四个支撑腿之间安装有加强杆,实现增加四个支撑腿的支撑强度。
优选的,所述传送架横向两端对称安装有两个U形架一,两个U形架一之间两端对称安装有两个滑杆、中间转动安装有丝杆转轴,且丝杆转轴正面一端贯穿U形架一安装有摇把,两个U形架一设有两个限位板,两个限位板两端分别与两个滑杆滑动安装、中间与丝杆转轴螺旋连接。通过转动摇把,摇把转动带动丝杆转轴转动,丝杆转轴转动带动两个限位板向中间移动,可实现对排水板进行限位,使其整齐的进行传送切割。
优选的,所述U形架二两个U形边左端对称安装有固定块,两个固定块下方设有副传动辊,副传动辊两个支撑杆上套装有弹簧且与两个固定块滑动安装,副传动辊位于主传动辊的正上方。
优选的,所述U形架二正面U形边上安装有控制箱,控制箱分别与传送电机和液压缸电连接。通过设置控制箱,实现便于整体控制排水板切割工作。
与现有技术相比,本实用新型的有益效果如下:
本实用新型使用时,将排水板一端顺着传送架上两个限位板之间拉到切割处,然后转动摇把,摇把转动带动丝杆转轴转动,丝杆转轴转动带动两个限位板顺着两个滑杆向中间移动,移动到两个限位板接触到排水板两侧时停止,实现对排水板进行限位,使其笔直的进行传送,避免出现切口不齐的情况,提高了裁切效果。
附图说明
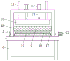
图1为本实用新型结构示意图;
图2为本实用新型右视图;
图3为本实用新型传送架俯视结构图。
图中:1、切割台;2、支撑座;3、传送架;4、辅助辊;5、U形架一;6、支撑腿;7、限位板;8、摇把;9、副传动辊;10、弹簧;11、固定块;12、U形架二;13、光杆;14、液压缸;15、控制箱;16、导流板;17、刀座;18、切槽;19、主传动辊;20、切刀;21、液压杆;22、传送电机;23、丝杆转轴;24、滑杆。
具体实施方式
下面将结合本实用新型实施例中的附图,对本实用新型实施例中的技术方案进行清楚、完整地描述,显然,所描述的实施例仅仅是本实用新型一部分实施例,而不是全部的实施例。基于本实用新型中的实施例,本领域普通技术人员在没有做出创造性劳动前提下所获得的所有其他实施例,都属于本实用新型保护的范围。
请参阅图1至图3,本实用新型提供一种水利工程施工用的排水板裁切装置技术方案:一种水利工程施工用的排水板裁切装置,包括切割台1,切割台1底端四角呈矩形阵列安装有四个支撑腿6,且四个支撑腿6下端之间安装有加强杆,切割台1上表面左端安装有传送架3、右端安装有U形架二12,传送架3上表面等距设有一排辅助辊4,传送架3横向两端对称安装有两个U形架一5,两个U形架一5之间两端对称安装有两个滑杆24、中间转动安装有丝杆转轴23,且丝杆转轴23正面一端贯穿U形架一5安装有摇把8,两个U形架一5设有两个限位板7,两个限位板7两端分别与两个滑杆24滑动安装、中间与丝杆转轴23螺旋连接;转动摇把8,摇把8转动带动丝杆转轴23转动,丝杆转轴23转动带动两个限位板7顺着两个滑杆24向中间移动,移动到两个限位板7接触到排水板两侧时停止,实现对排水板进行限位,使其笔直的进行传送,避免出现切口不齐的情况,提高了裁切效果。
传送架3与U形架二12间设有主传动辊19,主传动辊19两端通过支撑座2固定在切割台1上,后侧支撑座2外侧安装有传送电机22,传送电机22输出轴与主传动辊19转轴连接,U形架二12两个U形边左端对称安装有固定块11,两个固定块11下方设有副传动辊9,副传动辊9两个支撑杆上套装有弹簧10且与两个固定块11滑动安装,副传动辊9位于主传动辊19的正上方;根据所切排水板的长度通过控制箱15设定好传送电机22的行程,然后将排水板一端顺着传送架3上两个限位板7之间拉到切割处,启动传送电机22,传送电机22工作带动主传动辊19转动,副传动辊9配合主传动辊19转动实现对排水板进行等长传送。
U形架二12横梁顶部两端对称安装有液压缸14,两个液压缸14下方安装有液压杆21,两个液压杆21伸出端安装有切刀20,切刀20顶部两端对称安装有光杆13,两个光杆13贯穿U形架二12横梁与其滑动安装,U形架二12底部安装有刀座17,刀座17上表面与主传动辊19上表面齐平,且刀座17上表面中间开设有切槽18,切割台1右侧倾斜安装有导流板16;两个液压缸14工作使液压杆21伸出,两个液压杆21伸出带动切刀20下降,将排水板整齐切断,切断后的排水板顺着导流板16滑落出切割台1。U形架二12正面U形边上安装有控制箱15,控制箱15分别与传送电机22和液压缸14电连接。
本实用新型电机选用小型伺服电机--14HS2408型号进行设计,该型号马达仅仅作为所属技术领域人员进行参考选用,所属技术领域人员可根据实际生产需要进行选配相同参数和功能的马达进行安装调试使用,本实用新型不进行赘述。
工作原理:本实用新型使用时,首先根据所切排水板的长度通过控制箱15设定好传送电机22的行程,然后将排水板一端顺着传送架3上两个限位板7之间拉到切割处,然后转动摇把8,摇把8转动带动丝杆转轴23转动,丝杆转轴23转动带动两个限位板7顺着两个滑杆24向中间移动,移动到两个限位板7接触到排水板两侧时停止,然后通过控制箱15启动传送电机22,传送电机22工作带动主传动辊19转动,副传动辊9配合主传动辊19转动对排水板进行传送,当传送到指定长度时,传送电机22停止工作,两个液压缸14工作使液压杆21伸出,两个液压杆21伸出带动切刀20下降,将排水板整齐切断,切断后的排水板顺着导流板16滑落出切割台1。
尽管已经示出和描述了本实用新型的实施例,对于本领域的普通技术人员而言,可以理解在不脱离本实用新型的原理和精神的情况下可以对这些实施例进行多种变化、修改、替换和变型,本实用新型的范围由所附权利要求及其等同物限定。

Claims (5)

1.一种水利工程施工用的排水板裁切装置,包括切割台(1),其特征在于:所述切割台(1)上表面左端安装有传送架(3)、右端安装有U形架二(12),传送架(3)上表面等距设有一排辅助辊(4),传送架(3)与U形架二(12)间设有主传动辊(19),主传动辊(19)两端通过支撑座(2)固定在切割台(1)上,后侧支撑座(2)外侧安装有传送电机(22),传送电机(22)输出轴与主传动辊(19)转轴连接,U形架二(12)横梁顶部两端对称安装有液压缸(14),两个液压缸(14)下方安装有液压杆(21),两个液压杆(21)伸出端安装有切刀(20),切刀(20)顶部两端对称安装有光杆(13),两个光杆(13)贯穿U形架二(12)横梁与其滑动安装,U形架二(12)底部安装有刀座(17),刀座(17)上表面与主传动辊(19)上表面齐平,且刀座(17)上表面中间开设有切槽(18),切割台(1)右侧倾斜安装有导流板(16)。
2.根据权利要求1所述的一种水利工程施工用的排水板裁切装置,其特征在于:所述切割台(1)底端四角呈矩形阵列安装有四个支撑腿(6),且四个支撑腿(6)下端之间安装有加强杆。
3.根据权利要求1所述的一种水利工程施工用的排水板裁切装置,其特征在于:所述传送架(3)横向两端对称安装有两个U形架一(5),两个U形架一(5)之间两端对称安装有两个滑杆(24)、中间转动安装有丝杆转轴(23),且丝杆转轴(23)正面一端贯穿U形架一(5)安装有摇把(8),两个U形架一(5)设有两个限位板(7),两个限位板(7)两端分别与两个滑杆(24)滑动安装、中间与丝杆转轴(23)螺旋连接。
4.根据权利要求1所述的一种水利工程施工用的排水板裁切装置,其特征在于:所述U形架二(12)两个U形边左端对称安装有固定块(11),两个固定块(11)下方设有副传动辊(9),副传动辊(9)两个支撑杆上套装有弹簧(10)且与两个固定块(11)滑动安装,副传动辊(9)位于主传动辊(19)的正上方。
5.根据权利要求1所述的一种水利工程施工用的排水板裁切装置,其特征在于:所述U形架二(12)正面U形边上安装有控制箱(15),控制箱(15)分别与传送电机(22)和液压缸(14)电连接。
CN202221933804.3U 2022-07-25 2022-07-25 一种水利工程施工用的排水板裁切装置 Expired - Fee Related CN218659437U (zh)

Priority Applications (1)

Application Number Priority Date Filing Date Title
CN202221933804.3U CN218659437U (zh) 2022-07-25 2022-07-25 一种水利工程施工用的排水板裁切装置

Applications Claiming Priority (1)

Application Number Priority Date Filing Date Title
CN202221933804.3U CN218659437U (zh) 2022-07-25 2022-07-25 一种水利工程施工用的排水板裁切装置

Publications (1)

Publication Number Publication Date
CN218659437U true CN218659437U (zh) 2023-03-21

Family

ID=85552845

Family Applications (1)

Application Number Title Priority Date Filing Date
CN202221933804.3U Expired - Fee Related CN218659437U (zh) 2022-07-25 2022-07-25 一种水利工程施工用的排水板裁切装置

Country Status (1)

Country Link
CN (1) CN218659437U (zh)

Similar Documents

Publication Publication Date Title
CN219131114U (zh) 金属板材开槽用刀架装置以及金属板材开槽与激光切割机
CN209851006U (zh) 一种沙发制作用海绵切割机
CN202685002U (zh) 不等距多片锯自动对距清边机
CN206153652U (zh) 一种冲床改装快速剪板机
CN218192816U (zh) 一种双刀裁切机
CN218659437U (zh) 一种水利工程施工用的排水板裁切装置
CN215511208U (zh) 一种具有废纸清理结构的切纸机
CN208019482U (zh) 自动送料铣双扁装置
CN220547782U (zh) 一种切割精度高的玩具布料激光切割机
CN219563372U (zh) 一种切角机的回收结构
CN210025579U (zh) 一种可调式小径材胶拼板齐头定宽锯切装置
CN211191508U (zh) 一种多功能液压钢板料折弯机
CN211415321U (zh) 一种用于泡沫片的裁切设备
CN218255362U (zh) 一种塑料挤塑板生产用切割设备
CN219563221U (zh) 一种高速裁纸机裁切结构
CN207616795U (zh) 一种可调式木料指接机
CN111250781B (zh) 一种销轴铣切机
CN213829378U (zh) 一种木板分切装置
CN208151400U (zh) 一种皮带切割打孔机
CN215702378U (zh) 一体式木板锯槽机
CN221641177U (zh) 一种精光刨床
CN219485837U (zh) 一种高精度侧规修边裁切机
CN215969124U (zh) 一种聚氨酯板自动切割装置
CN219666835U (zh) 一种板材切割导向装置
CN218947942U (zh) 一种裁边机自动定位机构

Legal Events

Date Code Title Description
GR01 Patent grant
GR01 Patent grant
CF01 Termination of patent right due to non-payment of annual fee

Granted publication date: 20230321

CF01 Termination of patent right due to non-payment of annual fee