CN218638435U - A spring type forming structure applied to electrical component pins - Google Patents

A spring type forming structure applied to electrical component pins Download PDF

Info

Publication number
CN218638435U
CN218638435U CN202223075904.XU CN202223075904U CN218638435U CN 218638435 U CN218638435 U CN 218638435U CN 202223075904 U CN202223075904 U CN 202223075904U CN 218638435 U CN218638435 U CN 218638435U
Authority
CN
China
Prior art keywords
spring
group
push block
block
push
Prior art date
Legal status (The legal status is an assumption and is not a legal conclusion. Google has not performed a legal analysis and makes no representation as to the accuracy of the status listed.)
Expired - Fee Related
Application number
CN202223075904.XU
Other languages
Chinese (zh)
Inventor
刘庆
祁高鹏
陶金
Current Assignee (The listed assignees may be inaccurate. Google has not performed a legal analysis and makes no representation or warranty as to the accuracy of the list.)
Wuhan Escort Automation Technology Co ltd
Original Assignee
Wuhan Escort Automation Technology Co ltd
Priority date (The priority date is an assumption and is not a legal conclusion. Google has not performed a legal analysis and makes no representation as to the accuracy of the date listed.)
Filing date
Publication date
Application filed by Wuhan Escort Automation Technology Co ltd filed Critical Wuhan Escort Automation Technology Co ltd
Priority to CN202223075904.XU priority Critical patent/CN218638435U/en
Application granted granted Critical
Publication of CN218638435U publication Critical patent/CN218638435U/en
Expired - Fee Related legal-status Critical Current
Anticipated expiration legal-status Critical

Links

Images

Landscapes

  • Manufacturing Of Electrical Connectors (AREA)

Abstract

The utility model discloses a be applied to spring shaping structure of electric elements pin, its characterized in that: the push group comprises a moving shaft, a push block group and a spring group, the moving shaft can only slide along the axial direction, the push block group can only slide along the axial direction, the moving shaft penetrates through the push block group, the push block group and the moving shaft can move relative to each other in the axial direction of the moving shaft, the spring group is a compression spring, one end of the spring group is fixed on the push block group, the other end of the spring group is fixed on the moving shaft, the limit group comprises a fixed shaft and a limit block, and the limit block is fixed on the fixed shaft. The utility model provides a be applied to spring shaping structure of electrical component pin adds on the shaping ejector pad through setting up and establishes the spring, cooperates the stopper of adjustable position, realizes the one-time shaping to the electrical component stitch, and the shaping back interval can be adjusted as required conveniently moreover, has more extensive application scene, improves the shortcoming that electrical component stitch shaping needs multichannel process and can't adjust the stitch interval among the traditional prior art.

Description

一种应用于电气元件引脚的弹簧式成型结构A spring type forming structure applied to electrical component pins

技术领域technical field

本实用新型涉及一种成型结构,特别是一种应用于电气元件引脚的弹簧式成型结构。The utility model relates to a forming structure, in particular to a spring-type forming structure applied to electrical component pins.

背景技术Background technique

随着科技的发展,电气元件的应用也越来越无处不在,常见的由针脚元件和贴片元件,常见自动化程度更高的生产中贴片元件应用的会更加广泛,但是在相对自动化程度低一些的生产过程中,针脚元件的应用程度会更高。With the development of science and technology, the application of electrical components is becoming more and more ubiquitous. The common ones are pin components and patch components. Commonly, patch components will be more widely used in production with a higher degree of automation, but in the relative degree of automation In the lower production process, the application degree of pin components will be higher.

针脚元件在出厂时其针脚为笔直,特别是多针脚元件的针脚很多都是间距很小。而在pcb设计时,为了更方便焊接或是和走线,pcb上的给针脚元件的针脚孔间距会相对扩大,因此,在将针脚元件插入pcb之前需要对元件的针脚进行适应针脚孔的成型加工,方便元件的针脚进入pcb的针脚孔,以及保持元件统一协调的姿态。The stitches of pin components are straight when they leave the factory, especially the pins of multi-pin components are often very small. In pcb design, in order to facilitate soldering or routing, the pitch of the pin holes on the pcb will be relatively enlarged. Therefore, before inserting the pin components into the pcb, the pins of the components need to be shaped to fit the pin holes. Processing facilitates the pins of the components to enter the pin holes of the pcb, and maintains a unified and coordinated posture of the components.

现在常用的元件针脚成型很常见的还是单针脚依次多步成型,而且一套设备只能对一种元件的一种针脚间距进行加工,效底较低,而且设备适用范围较小。Now commonly used component pin forming is very common, single pin is sequentially formed in multiple steps, and a set of equipment can only process one pin pitch of one component, the effect is low, and the scope of application of the equipment is small.

发明内容Contents of the invention

本实用新型的目的是针对现有技术的不足,提供了一种应用于电气元件引脚的弹簧式成型结构,通过设置成型推块上加设弹簧,配合可调位置的限位块,实现对电气元件针脚的一次性成型,而且成型后间距能便捷地按需调整,有更广泛的应用场景,改进传统现有技术中电气元件针脚成型需要多道工序且无法调整针脚间距的缺点。The purpose of this utility model is to address the deficiencies of the prior art and provide a spring-type forming structure applied to the pins of electrical components. By setting a spring on the forming push block and cooperating with a position-adjustable limit block, the The one-time molding of electrical component pins, and the spacing can be easily adjusted on demand after molding, has a wider range of application scenarios, and improves the shortcomings of the traditional prior art that electrical component pins require multiple processes and cannot adjust the pin spacing.

为实现上述目的,本实用新型一种应用于电气元件引脚的弹簧式成型结构,其特征在于:包括推动组和限位组,所述推动组由动轴、推块组和弹簧组组成,所述动轴只能沿轴向滑动,所述推块组只能沿所述动轴轴向滑动,所述动轴穿过所述推块组,所述推块组可与所述动轴在所述动轴轴向发生相对运动,所述弹簧组为压缩弹簧,所述弹簧组一端固定于所述推块组上且另一端固定于所述动轴上,所述限位组由定轴和限位块组成,所述限位块固定于所述定轴上。In order to achieve the above purpose, the utility model is a spring-type forming structure applied to electrical component pins, which is characterized in that it includes a push group and a limit group, and the push group is composed of a moving shaft, a push block group and a spring group. The moving shaft can only slide axially, the push block group can only slide axially along the moving shaft, the moving shaft passes through the push block group, and the push block group can be connected with the moving shaft Relative movement occurs in the axial direction of the moving shaft. The spring group is a compression spring. One end of the spring group is fixed on the push block group and the other end is fixed on the moving shaft. It consists of a shaft and a limit block, and the limit block is fixed on the fixed shaft.

进一步地,所述推块组由推块一和推块二组成,所述弹簧组由弹簧一和弹簧二组成,所述弹簧一连接所述推块一,所述弹簧二连接所述推块二,所述限位块由限位块一和限位块二组成,所述限位块一对所述推块一进行限位,所述限位块二对所述推块二进行限位。Further, the push block group is composed of push block 1 and push block 2, the spring group is composed of spring 1 and spring 2, the spring 1 is connected to the push block 1, and the spring 2 is connected to the push block Two, the limit block is composed of a limit block one and a limit block two, the limit block is limited to the push block one, and the limit block two is limited to the push block two .

进一步地,所述推块组由推块一和推块二组成,所述弹簧组为弹簧一,所述弹簧一连接所述推块一和所述动轴,所述推块二连接在所述动轴上,所述限位块为限位块一,所述限位块一对所述推块一进行限位。Further, the push block group is composed of push block 1 and push block 2, the spring set is spring 1, the spring 1 connects the push block 1 and the moving shaft, and the push block 2 is connected to the On the moving shaft, the limit block is a limit block one, and the limit block is limited to the push block one.

进一步地,所述限位块固定于所述定轴上,所述限位块与所述定轴的固定方式为可拆卸式,所述限位块通过可拆卸式的固定方式可以调整所述限位块在所述定轴上的位置。Further, the limiting block is fixed on the fixed shaft, the fixing method of the limiting block and the fixed shaft is detachable, and the limiting block can be adjusted by the detachable fixing method. The position of the limit block on the fixed shaft.

本实用新型的有益效果如下:The beneficial effects of the utility model are as follows:

1、本实用新型的弹簧配合推块形成柔性推块,只需要一根传动轴给多组柔性推块输入推力,配合多个限位块,实现多种不同距离的工作行程,进而实现多根不同程度弯折的针脚一次性成型,提高了成型效率,减少了加工工序;1. The spring of the utility model cooperates with the push block to form a flexible push block. Only one transmission shaft is required to input thrust to multiple groups of flexible push blocks, and cooperate with multiple limit blocks to realize various working strokes of different distances, and then realize multiple Stitches with different degrees of bending are formed at one time, which improves the forming efficiency and reduces the processing procedures;

2、本实用新型中推块的动力来源于弹簧,但是推块的行进位移由对应限位块决定,只要满足弹簧的压缩行程大于对应推块目标行程,不要改变整个推动组,只需要调整限位组中的限位块就可以简单的调整推块的目标行程,进而更低成本和高效地适应更多的元器件的不同成型要求。2. The power of the push block in the utility model comes from the spring, but the travel displacement of the push block is determined by the corresponding limit block. As long as the compression stroke of the spring is greater than the target stroke of the corresponding push block, the entire push group does not need to be changed, only the limit block needs to be adjusted. The limit block in the bit group can simply adjust the target stroke of the push block, so as to adapt to the different molding requirements of more components with lower cost and high efficiency.

附图说明Description of drawings

下面结合附图对本实用新型做进一步的说明:Below in conjunction with accompanying drawing, the utility model is further described:

图1为本实用新型的示意图;Fig. 1 is the schematic diagram of the utility model;

图2为本实用新型的对元件成型初始状态的示意图;Fig. 2 is the schematic diagram of the initial state of element molding of the utility model;

图3为本实用新型的对元件成型完成状态的示意图;Fig. 3 is the schematic diagram of the finished state of component molding of the utility model;

图4为本实用新型的一种优化方案对元件成型初始状态的示意图;Fig. 4 is a schematic diagram of an optimization scheme of the present invention to the initial state of element molding;

图5为本实用新型的一种优化方案对元件成型完成状态的示意图;Fig. 5 is a schematic diagram of an optimization scheme of the present invention to the finished state of component molding;

图6为本实用新型在产线中对元件成型初始状态的示意图;Fig. 6 is a schematic diagram of the initial state of component molding of the utility model in the production line;

图7为本实用新型在产线中对元件成型完成状态的示意图;Fig. 7 is a schematic diagram of the finished state of component molding in the production line of the utility model;

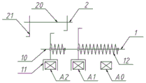
图中:推动组1,动轴10,推块组11,推块一111,推块二112,弹簧组12,弹簧一121,弹簧二122,限位组2,定轴20,限位块21,推块一111,推块二112,待成型元件A,定针脚A0,针脚一A1,针脚二A2,压板B。In the figure: push group 1, moving shaft 10, push block group 11, push block 1 111, push block 2 112, spring group 12, spring 1 121, spring 2 122, limit group 2, fixed shaft 20, limit block 21. Push block one 111, push block two 112, component A to be formed, fixed stitch A0, stitch one A1, stitch two A2, pressing plate B.

具体实施方式Detailed ways

下面结合附图对本实用新型进行详细的介绍,参见图1-图7。The utility model is described in detail below in conjunction with the accompanying drawings, referring to Fig. 1-Fig. 7 .

实施例1 Example 1 .

如图1所示,一种应用于电气元件引脚的弹簧式成型结构,其特征在于:包括推动组1和限位组2,推动组1由动轴10、推块组11和弹簧组12组成,动轴10只能沿轴向滑动,推块组11只能沿动轴10轴向滑动,动轴10穿过推块组11,推块组11可与动轴10在动轴10轴向发生相对运动,弹簧组12为压缩弹簧,弹簧组12一端固定于推块组11上且另一端固定于动轴10上。限位组2由定轴20和限位块21组成,限位块21固定于定轴20上,限位块21与定轴20的固定方式为可拆卸式,限位块21通过可拆卸式的固定方式可以调整限位块21在定轴20上的位置。As shown in Figure 1, a spring type forming structure applied to electrical component pins is characterized in that it includes a push group 1 and a limit group 2, and the push group 1 consists of a moving shaft 10, a push block group 11 and a spring group 12 Composition, the moving shaft 10 can only slide in the axial direction, the push block group 11 can only slide in the axial direction of the moving shaft 10, the moving shaft 10 passes through the push block group 11, and the push block group 11 can be connected with the moving shaft 10 on the axis of the moving shaft 10 The spring group 12 is a compression spring, one end of the spring group 12 is fixed on the push block group 11 and the other end is fixed on the moving shaft 10 . The limit group 2 is composed of a fixed shaft 20 and a limit block 21. The limit block 21 is fixed on the fixed shaft 20. The fixing method of the limit block 21 and the fixed shaft 20 is detachable, and the limit block 21 is detachable. The fixing method can adjust the position of the limit block 21 on the fixed shaft 20.

如图2和3所示,推块组11由推块一111和推块二112组成,弹簧组12由弹簧一121和弹簧二122组成,弹簧一121连接推块一111,弹簧二122连接推块二112,限位块21由限位块一211和限位块二212组成,限位块一211对推块一111进行限位,限位块二212对推块二112进行限位。As shown in Figures 2 and 3, push block group 11 is composed of push block one 111 and push block two 112, spring group 12 is composed of spring one 121 and spring two 122, spring one 121 connects push block one 111, spring two 122 connects Push block 2 112, limit block 21 is made up of limit block 1 211 and limit block 2 212, limit block 1 211 limits the position of push block 1 111, limit block 2 212 limits the position of push block 2 112 .

如图6和7所示,电气元件A置于代加工工位,压板B对其针脚根部进行固定防止在针脚成型时拉扯到针脚根部进而损坏元器件。电气元件A有3个针脚:定针脚A0、针脚一A1和针脚二A2。电气元件A需要折弯成型的针脚只有针脚一A1和针脚二A2,针脚一A1和针脚二A2分别卡在推块组11的两个推块的凹槽中,推块组11发生沿动轴10轴向平移时会挤压针脚一A1和针脚二A2发生形变,进而实现对针脚一A1和针脚二A2的折弯成型。由于折弯成型前后元件的相邻针脚间距都相等,因此,推块组11的不同推块平移的距离是不相同的。As shown in Figures 6 and 7, the electrical component A is placed in the processing station, and the pressure plate B fixes the root of the pin to prevent the root of the pin from being pulled when the pin is formed, thereby damaging the component. Electrical component A has 3 pins: fixed pin A0, pin one A1 and pin two A2. The pins of electrical component A that need to be bent and formed are only pin one A1 and pin two A2, and pin one A1 and pin two A2 are respectively stuck in the grooves of the two push blocks of the push block group 11, and the push block group 11 occurs along the moving axis. 10 When the axial translation is performed, the pin 1 A1 and the pin 2 A2 will be squeezed and deformed, thereby realizing the bending and forming of the pin 1 A1 and the pin 2 A2. Since the pitches between the adjacent stitches of the components before and after bending are equal, the translational distances of different push blocks of the push block group 11 are different.

如图2所示,针脚一A1嵌入推块111的凹槽,针脚二A2嵌入推块112的凹槽,动轴10在外力作用下沿轴向(图片的左方)平移,动轴10的移动压缩弹簧组12的弹簧一121和弹簧二122。如图3所示,弹簧一121压缩推块一111,进而推块一111挤压弯折针脚一A1(弹簧一121对推块一111的压力足够使针脚一A1折弯成型),直到推块一111触碰到限位块一211停止完成对针脚一A1的成型(弹簧一121的压缩行程大于推块一111移动到限位块一211的距离);弹簧二122压缩推块二112,进而推块二112挤压弯折针脚二A2(弹簧二122对推块二112的压力足够使针脚二A2折弯成型),直到推块二112触碰到限位块二212停止完成对针脚二A2的成型(弹簧一121的压缩行程大于推块二112移动到限位块二212的距离)。As shown in Figure 2, the first pin A1 is embedded in the groove of the push block 111, the second pin A2 is embedded in the groove of the push block 112, the moving shaft 10 translates in the axial direction (left side of the picture) under the action of external force, and the moving shaft 10 Move and compress spring one 121 and spring two 122 of the spring group 12 . As shown in Figure 3, spring one 121 compresses push piece one 111, and then push piece one 111 squeezes and bends stitch one A1 (the pressure of spring one 121 on push piece one 111 is enough to make stitch one A1 bend and form), until pushing Block one 111 touches limit block one 211 and stops to complete the forming of pin one A1 (the compression stroke of spring one 121 is greater than the distance from push block one 111 to limit block one 211); spring two 122 compresses push block two 112 , and then push block 2 112 to squeeze and bend pin 2 A2 (the pressure of spring 2 122 on push block 112 is enough to make pin 2 A2 bend and form), until push block 2 112 touches limit block 2 212 to stop and complete alignment Forming of pin 2 A2 (the compression stroke of spring 1 121 is greater than the distance from push block 2 112 to limit block 2 212 ).

实施例2 Example 2 .

如图1所示,一种应用于电气元件引脚的弹簧式成型结构,其特征在于:包括推动组1和限位组2,推动组1由动轴10、推块组11和弹簧组12组成,动轴10只能沿轴向滑动,推块组11只能沿动轴10轴向滑动,动轴10穿过推块组11,推块组11可与动轴10在动轴10轴向发生相对运动,弹簧组12为压缩弹簧,弹簧组12一端固定于推块组11上且另一端固定于动轴10上。限位组2由定轴20和限位块21组成,限位块21固定于定轴20上,限位块21与定轴20的固定方式为可拆卸式,限位块21通过可拆卸式的固定方式可以调整限位块21在定轴20上的位置。As shown in Figure 1, a spring type forming structure applied to electrical component pins is characterized in that it includes a push group 1 and a limit group 2, and the push group 1 consists of a moving shaft 10, a push block group 11 and a spring group 12 Composition, the moving shaft 10 can only slide in the axial direction, the push block group 11 can only slide in the axial direction of the moving shaft 10, the moving shaft 10 passes through the push block group 11, and the push block group 11 can be connected with the moving shaft 10 on the axis of the moving shaft 10 The spring group 12 is a compression spring, one end of the spring group 12 is fixed on the push block group 11 and the other end is fixed on the moving shaft 10 . The limit group 2 is composed of a fixed shaft 20 and a limit block 21. The limit block 21 is fixed on the fixed shaft 20. The fixing method of the limit block 21 and the fixed shaft 20 is detachable, and the limit block 21 is detachable. The fixing method can adjust the position of the limit block 21 on the fixed shaft 20.

如图4和5所示,推块组11由推块一111和推块二112组成,弹簧组12为弹簧一121,弹簧一121连接推块一111和动轴10,推块二112连接在动轴10上,限位块21为限位块一211,限位块一211对推块一111进行限位。As shown in Figures 4 and 5, the push block group 11 is composed of a push block one 111 and a push block two 112, the spring group 12 is a spring one 121, the spring one 121 connects the push block one 111 and the moving shaft 10, and the push block two 112 connects On the moving shaft 10, the limit block 21 is a limit block one 211, and the limit block one 211 limits the position of the push block one 111.

如图6和7所示,电气元件A置于代加工工位,压板B对其针脚根部进行固定防止在针脚成型时拉扯到针脚根部进而损坏元器件。电气元件A有3个针脚:定针脚A0、针脚一A1和针脚二A2。电气元件A需要折弯成型的针脚只有针脚一A1和针脚二A2,针脚一A1和针脚二A2分别卡在推块组11的两个推块的凹槽中,推块组11发生沿动轴10轴向平移时会挤压针脚一A1和针脚二A2发生形变,进而实现对针脚一A1和针脚二A2的折弯成型。由于折弯成型前后元件的相邻针脚间距都相等,因此,推块组11的不同推块平移的距离是不相同的。As shown in Figures 6 and 7, the electrical component A is placed in the processing station, and the pressure plate B fixes the root of the pin to prevent the root of the pin from being pulled when the pin is formed, thereby damaging the component. Electrical component A has 3 pins: fixed pin A0, pin one A1 and pin two A2. The pins of electrical component A that need to be bent and formed are only pin one A1 and pin two A2, and pin one A1 and pin two A2 are respectively stuck in the grooves of the two push blocks of the push block group 11, and the push block group 11 occurs along the moving axis. 10 When the axial translation is performed, the pin 1 A1 and the pin 2 A2 will be squeezed and deformed, thereby realizing the bending and forming of the pin 1 A1 and the pin 2 A2. Since the pitches between the adjacent stitches of the components before and after bending are equal, the translational distances of different push blocks of the push block group 11 are different.

如图4所示,针脚一A1嵌入推块111的凹槽,针脚二A2嵌入推块112的凹槽,动轴10在外力作用下沿轴向(图片的左方)平移,动轴10的移动压缩弹簧组12(弹簧一121)。如图5所示,弹簧一121压缩推块一111,进而推块一111挤压弯折针脚一A1(弹簧一121对推块一111的压力足够使针脚一A1折弯成型),直到推块一111触碰到限位块一211停止完成对针脚一A1的成型(弹簧一121的压缩行程大于推块一111移动到限位块一211的距离);动轴10推动推块二112,推块二112挤压弯折针脚二A2,直到动轴停止移动,推块二112完成对针脚二A2的成型(弹簧一121的压缩行程大于推块二112的移动距离)。As shown in Figure 4, stitch one A1 is embedded in the groove of push block 111, stitch two A2 is embedded in the groove of push block 112, the moving shaft 10 translates in the axial direction (left side of the picture) under the action of external force, and the moving shaft 10 Move the compression spring group 12 (spring one 121). As shown in Figure 5, spring one 121 compresses push piece one 111, and then push piece one 111 squeezes and bends stitch one A1 (the pressure of spring one 121 on push piece one 111 is enough to make stitch one A1 bend and form), until pushing Block one 111 touches limit block one 211 and stops to complete the forming of stitch one A1 (the compression stroke of spring one 121 is greater than the distance from push block one 111 to limit block one 211); moving shaft 10 pushes push block two 112 , push block 2 112 squeezes and bends stitch 2 A2 until the moving shaft stops, and push block 2 112 completes the forming of stitch 2 A2 (the compression stroke of spring 1 121 is greater than the moving distance of push block 2 112).

Claims (4)

1.一种应用于电气元件引脚的弹簧式成型结构,其特征在于:包括推动组(1)和限位组(2),所述推动组(1)由动轴(10)、推块组(11)和弹簧组(12)组成,所述动轴(10)只能沿轴向滑动,所述推块组(11)只能沿所述动轴(10)轴向滑动,所述动轴(10)穿过所述推块组(11),所述推块组(11)可与所述动轴(10)在所述动轴(10)轴向发生相对运动,所述弹簧组(12)为压缩弹簧,所述弹簧组(12)一端固定于所述推块组(11)上且另一端固定于所述动轴(10)上,所述限位组(2)由定轴(20)和限位块(21)组成,所述限位块(21)固定于所述定轴(20)上。1. A spring-type forming structure applied to electrical component pins, characterized in that it includes a push group (1) and a limit group (2), and the push group (1) is composed of a moving shaft (10), a push block group (11) and spring group (12), the moving shaft (10) can only slide axially, the push block group (11) can only slide axially along the moving shaft (10), the The moving shaft (10) passes through the push block group (11), and the push block group (11) can move relative to the moving shaft (10) in the axial direction of the moving shaft (10), and the spring The group (12) is a compression spring, one end of the spring group (12) is fixed on the push block group (11) and the other end is fixed on the moving shaft (10), the limit group (2) is composed of The fixed shaft (20) is composed of a limit block (21), and the limit block (21) is fixed on the fixed shaft (20). 2.根据权利要求1所述的一种应用于电气元件引脚的弹簧式成型结构,其特征在于:所述推块组(11)由推块一(111)和推块二(112)组成,所述弹簧组(12)由弹簧一(121)和弹簧二(122)组成,所述弹簧一(121)连接所述推块一(111),所述弹簧二(122)连接所述推块二(112),所述限位块(21)由限位块一(211)和限位块二(212)组成,所述限位块一(211)对所述推块一(111)进行限位,所述限位块二(212)对所述推块二(112)进行限位。2. A spring-type forming structure applied to electrical component pins according to claim 1, characterized in that: the push block group (11) is composed of push block one (111) and push block two (112) , the spring set (12) is composed of spring one (121) and spring two (122), the spring one (121) is connected to the push block one (111), and the spring two (122) is connected to the push block Block two (112), the limit block (21) is composed of limit block one (211) and limit block two (212), the limit block one (211) is opposite to the push block one (111) To limit the position, the second limit block (212) limits the second push block (112). 3.根据权利要求1所述的一种应用于电气元件引脚的弹簧式成型结构,其特征在于:所述推块组(11)由推块一(111)和推块二(112)组成,所述弹簧组(12)为弹簧一(121),所述弹簧一(121)连接所述推块一(111)和所述动轴(10),所述推块二(112)连接在所述动轴(10)上,所述限位块(21)为限位块一(211),所述限位块一(211)对所述推块一(111)进行限位。3. A spring-type forming structure applied to electrical component pins according to claim 1, characterized in that: the push block group (11) is composed of push block one (111) and push block two (112) , the spring group (12) is spring one (121), the spring one (121) connects the push block one (111) and the moving shaft (10), and the push block two (112) is connected to On the moving shaft (10), the limit block (21) is a limit block one (211), and the limit block one (211) limits the push block one (111). 4.根据权利要求1所述的一种应用于电气元件引脚的弹簧式成型结构,其特征在于:所述限位块(21)固定于所述定轴(20)上,所述限位块(21)与所述定轴(20)的固定方式为可拆卸式,所述限位块(21)通过可拆卸式的固定方式可以调整所述限位块(21)在所述定轴(20)上的位置。4. A spring-type forming structure applied to electrical component pins according to claim 1, characterized in that: the limiting block (21) is fixed on the fixed shaft (20), and the limiting The fixing method of the block (21) and the fixed shaft (20) is detachable, and the limiting block (21) can be adjusted by the detachable fixing method position on (20).
CN202223075904.XU 2022-11-21 2022-11-21 A spring type forming structure applied to electrical component pins Expired - Fee Related CN218638435U (en)

Priority Applications (1)

Application Number Priority Date Filing Date Title
CN202223075904.XU CN218638435U (en) 2022-11-21 2022-11-21 A spring type forming structure applied to electrical component pins

Applications Claiming Priority (1)

Application Number Priority Date Filing Date Title
CN202223075904.XU CN218638435U (en) 2022-11-21 2022-11-21 A spring type forming structure applied to electrical component pins

Publications (1)

Publication Number Publication Date
CN218638435U true CN218638435U (en) 2023-03-17

Family

ID=85498085

Family Applications (1)

Application Number Title Priority Date Filing Date
CN202223075904.XU Expired - Fee Related CN218638435U (en) 2022-11-21 2022-11-21 A spring type forming structure applied to electrical component pins

Country Status (1)

Country Link
CN (1) CN218638435U (en)

Similar Documents

Publication Publication Date Title
CN205790179U (en) A kind of lug apparatus for shaping
CN102873217A (en) Automatic assembly method and equipment for radiator with heat pipe
CN218638435U (en) A spring type forming structure applied to electrical component pins
CN120023616A (en) A mobile phone coaxial line threading and slotting mechanism
CN218507858U (en) Amorphous or nanocrystalline magnetic core rapid shaping annealing fixture
CN209773145U (en) Elastic sheet bending forming device
CN207651787U (en) A pin insertion machine for pneumatic terminals
CN1285632A (en) High-speed transmission connector and terminal thereof
CN218611425U (en) A stepped shaft forming structure applied to electrical component pins
CN103612118A (en) Bending fitting device and method for electroacoustic component slender spring plates
CN218925912U (en) A pipe flattening mold
CN102097697A (en) Contact spring coil in power connector
CN117507325A (en) PCM soft board bending equipment and PCM soft board bending method
CN216648062U (en) An inductive plug-in mechanism
CN219087432U (en) Extrusion molding structure applied to pins of electric elements
CN203481428U (en) Elastic contact element
CN106486807A (en) Terminal structure of network interface connector and manufacturing method thereof
CN221842101U (en) Numerical control cylindrical product crimping mechanism
CN205039293U (en) Metal terminal with prevent excessive glued structure of shaping
CN223390876U (en) Electric connector joint convenient to joint
CN210040645U (en) Special-shaped patch terminal for connector
CN220672882U (en) Board card and board card connecting structure
CN206727290U (en) A kind of new USB2.0 line-end connectors
CN216966898U (en) Conductive strip assembly mechanism
CN220934577U (en) PIN terminal adjustment mechanism and stamping die that bends

Legal Events

Date Code Title Description
GR01 Patent grant
GR01 Patent grant
CF01 Termination of patent right due to non-payment of annual fee
CF01 Termination of patent right due to non-payment of annual fee

Granted publication date: 20230317