CN218567930U - Virtual machine - Google Patents

Virtual machine Download PDF

Info

Publication number
CN218567930U
CN218567930U CN202222086558.9U CN202222086558U CN218567930U CN 218567930 U CN218567930 U CN 218567930U CN 202222086558 U CN202222086558 U CN 202222086558U CN 218567930 U CN218567930 U CN 218567930U
Authority
CN
China
Prior art keywords
power
switch
video
power supply
main
Prior art date
Legal status (The legal status is an assumption and is not a legal conclusion. Google has not performed a legal analysis and makes no representation as to the accuracy of the status listed.)
Expired - Fee Related
Application number
CN202222086558.9U
Other languages
Chinese (zh)
Inventor
范敏毅
Current Assignee (The listed assignees may be inaccurate. Google has not performed a legal analysis and makes no representation or warranty as to the accuracy of the list.)
Harbin Yini Technology Co ltd
Original Assignee
Harbin Yini Technology Co ltd
Priority date (The priority date is an assumption and is not a legal conclusion. Google has not performed a legal analysis and makes no representation as to the accuracy of the date listed.)
Filing date
Publication date
Application filed by Harbin Yini Technology Co ltd filed Critical Harbin Yini Technology Co ltd
Priority to CN202222086558.9U priority Critical patent/CN218567930U/en
Application granted granted Critical
Publication of CN218567930U publication Critical patent/CN218567930U/en
Expired - Fee Related legal-status Critical Current
Anticipated expiration legal-status Critical

Links

Images

Classifications

    • YGENERAL TAGGING OF NEW TECHNOLOGICAL DEVELOPMENTS; GENERAL TAGGING OF CROSS-SECTIONAL TECHNOLOGIES SPANNING OVER SEVERAL SECTIONS OF THE IPC; TECHNICAL SUBJECTS COVERED BY FORMER USPC CROSS-REFERENCE ART COLLECTIONS [XRACs] AND DIGESTS
    • Y02TECHNOLOGIES OR APPLICATIONS FOR MITIGATION OR ADAPTATION AGAINST CLIMATE CHANGE
    • Y02DCLIMATE CHANGE MITIGATION TECHNOLOGIES IN INFORMATION AND COMMUNICATION TECHNOLOGIES [ICT], I.E. INFORMATION AND COMMUNICATION TECHNOLOGIES AIMING AT THE REDUCTION OF THEIR OWN ENERGY USE
    • Y02D10/00Energy efficient computing, e.g. low power processors, power management or thermal management

Landscapes

  • Power Sources (AREA)

Abstract

The utility model provides a virtual reality all-in-one belongs to virtual reality equipment technical field, including mechanical system, electrical power generating system, video monitoring system, video output system, network system and cooling system, mechanical system is used for bearing fixed inside each system component, electrical power generating system is used for 8 mainboards, giga network switch, video monitor and fan power supply, video monitoring system passes through the KVM switch with each mainboard signal acquisition and show on video monitor, video output system mainly exports from 8 mainboard connection high definition video signal outwards. The embodiment of the utility model provides a have the integrated level height, the energy consumption is low, and is with low costs, and occupation space is little, and it is convenient to maintain the debugging, and the transportation is convenient moreover, does benefit to the advantage of taking the line.

Description

Virtual machine
Technical Field
The utility model belongs to the technical field of the virtual reality equipment, specifically a virtual reality all-in-one.
Background
The basic architecture of the virtual reality technology is that a plurality of sets of audio-visual, control, display and acquisition systems are comprehensively used, so that the virtual reality of people in a loop is presented, and the vivid control experience of a user is met. In the past, multiple computers are usually required to be networked, the integration degree is not high, the problems of large occupied space, high acquisition cost, inconvenience in use and maintenance and the like exist, in addition, the transportation and installation difficulty is high, the period is long, and the cost of a virtual reality system is further increased.
SUMMERY OF THE UTILITY MODEL
To the not enough of above-mentioned prior art, the embodiment of the utility model provides a technical problem who solves provides a virtual reality all-in-one.
In order to solve the technical problem, the utility model provides a following technical scheme:
a virtual reality all-in-one machine comprises a mechanical system, a power supply system, a video monitoring system, a video output system, a network system and a heat dissipation system,
the mechanical system is used for carrying and fixing various system elements inside,
the power supply system is used for supplying power to 8 main boards, a gigabit network switch, a video monitor and a fan,
the video monitoring system collects signals of each mainboard through the KVM switcher and displays the signals on the video monitor,
the video output system mainly outputs high-definition video signals from 8 main boards,
the network system consists of a kilomega switch and 10 network cables and is used for connecting two network interfaces of 8 main boards and model back panels LAN1\ LAN2,
the heat dissipation system is used for dissipating heat inside the host.
As a further improvement of the utility model: the mechanical system comprises a case body, and mounting and fixing supports and fasteners which are positioned at all parts inside the case body.
As a further improvement scheme of the utility model: the power supply system comprises a main wiring power switch, a front panel main power switch, a host power switch, a 650W switching power supply, a 2-bit wiring board, a 12V power supply wiring board, a power adapter, a mainboard power line and a power line.
As a further improvement of the utility model: the main power supply wiring switch is used for connecting three external power supplies and controlling the on-off of the total power supply;
the front panel main power switch is a blue LED self-locking switch and is used for controlling the on-off of the main power on the front side of an operator;
the main machine power switch is used for controlling the on and off of each main board power supply;
the 2-bit wiring board is used for supplying power from a main power circuit to two devices through the wiring board transfer switch power supply and the network switch power supply;
a 12V power distribution board is used to distribute the switching power supply 12V to 4 fans and to the video monitor.
As a further improvement of the present invention: the video monitoring system comprises a video monitor, a VGA expansion interface, an 8-channel video signal switcher, a switching button panel, a video signal line, a USB connecting line and a USB expansion interface.
As a further improvement of the present invention: the video output system comprises 8 integrated main boards and 8 HDMI lug connecting wires.
As a further improvement of the present invention: the heat dissipation system comprises 4 fans.
As a further improvement of the present invention: the inner side of the case body is also provided with a plurality of main boards which are installed and fixed in an inclined insertion mode.
Compared with the prior art, the beneficial effects of the utility model are that:
the embodiment of the utility model provides an all-in-one divide into 4 machines, 6 machines, three kinds of model products of 8 machines, can accomplish 4 ways, 6 ways, 8 ways HDMI high definition video signal's output respectively to adopt ripe power control system on safety protection, can bear 850W's consumption, have protective measures such as overcurrent protection, overvoltage protection, overload protection, ensure system software and hardware safe and reliable. The embodiment of the utility model provides an it exports simultaneously to have realized that the all-in-one supports 8 way signals, and mutual noninterference, total consumption is no longer than 650W,8 way systems can also be in coordination each other and link, and manage through a KVM switch and switch video signal, be convenient for installation and debugging, the total cost falls to below 4 ten thousand yuan, the above problem has effectively been solved, and 8 way videos are whole to support export 4K high definition signal, adopt the HDMI interface, meet the rail with current mainstream instrument display device, be favorable to improving the compatibility, it is high to have the integrated level, the energy consumption is low, it is with low costs, occupation space is little, the maintenance and debugging is convenient, and the transportation is convenient, do benefit to the advantage of taking.
Drawings
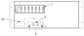
FIG. 1 is a schematic structural diagram of a front panel of a cabinet in a virtual reality all-in-one machine;
FIG. 2 is a schematic structural diagram of a rear panel of a cabinet in a virtual reality all-in-one machine;
FIG. 3 is a schematic diagram of a mainboard installation state in a virtual reality all-in-one machine;
fig. 4 is a flow chart of the operation of the virtual reality all-in-one machine.
Detailed Description
The technical solution of the present patent will be described in further detail with reference to the following embodiments.
Reference will now be made in detail to embodiments of the present patent, examples of which are illustrated in the accompanying drawings, wherein like or similar reference numerals refer to the same or similar elements or elements having the same or similar function throughout. The embodiments described below with reference to the drawings are exemplary only for the purpose of explaining the present patent and are not to be construed as limiting the present patent.
Referring to fig. 1-4, the present embodiment provides a virtual reality all-in-one machine, which includes a mechanical system, a power system, a video monitoring system, a video output system, a network system, and a heat dissipation system,
the mechanical system is used for bearing and fixing various system elements in the machine and facilitating later-stage wiring, and specifically comprises a case body, and mounting and fixing supports, fasteners and the like for various parts in the machine;
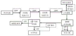
the power supply system is used for supplying power to 8 main boards, a gigabit network switch, a video monitor 6, a fan and the like, simultaneously, multiple safety protection is designed for ensuring the integrity of electronic components, and the power supply system has the protection functions of preventing overvoltage, overcurrent, overload, short circuit and the like, and specifically comprises a main wiring power switch, a front panel main power switch 2, a host power switch 5 (8), a 650W switching power supply, a 2-bit wiring board, a 12V power distribution board 3, a power adapter, a main board power line, a power line and the like.
Rear panel main power supply wiring switch 10: the power supply is mainly used for connecting three external power supplies and controlling the on-off of the total power supply;
front panel main power switch 2: the blue LED self-locking switch is mainly used for controlling the on-off of a total power supply on the front side of an operator;
host power switch 5: the front panel is provided with 8 self-reset light-emitting power supply buttons which are respectively used for controlling the on-off of the power supply of each mainboard;
2-bit wiring board: the power from the main power circuit is mainly transferred to the switch power supply and the network switch power supply through the wiring board, so that the power supply of the two devices is realized;
12V power distribution board 3: the power supply is mainly used for distributing a 12V power supply of a switching power supply to 4 fans and the video monitor 6.
The video monitoring system collects signals of each mainboard through the KVM switcher and displays the signals on the video monitor, a user can click a panel button to switch the corresponding mainboard according to needs, the work of the mainboard is monitored and controlled, meanwhile, the front panel is also provided with 4 USB interfaces 4 which can be used for functions of data transmission, mouse and keyboard connection and the like, and when the switching button is clicked, the USB automatically switches and connects the corresponding mainboard; in addition, a VGA expansion interface 1 is reserved on the front panel, a user can support large-resolution display conveniently according to needs, and the video display device specifically comprises a video monitor 6, the VGA expansion interface 1, an 8-channel video signal switcher, a switching button panel 3, a video signal line, a USB connecting line and a USB expansion interface 4.
Video output system mainly connects high definition video signal to export outward from 8 mainboard connections, connects the ear connecting wire including 8 integrated mainboards, 8 HDMI of piece, mainboard main performance parameter: 7 days, 24 hours of stable work, 10 generation I7CPU, integrated INTEL HD Graphics620 Graphics controller, memory: DDR4, 32GB.
The network system consists of one kilomega switch and 10 network cables, is used for connecting two network interfaces of 8 main boards and a model rear panel LAN 1/LAN 2, and can meet the data communication between the 8 main boards and between the outside and the 8 main boards.
The heat dissipation system is mainly used for dissipating heat inside the host, mainly comprises 4 fans, and is designed in an asymmetrical mode during installation so as to increase ventilation and improve heat dissipation efficiency. Specification of the fan: 120 × 120 × 20MM, rotation speed range: 1000rpm, air volume range: 36cfm, noise range: 25Dba, power supply interface: a large 4PIN interface.
The internal side of machine case box still is provided with a plurality of mainboards 11, and is a plurality of mainboard 11 adopts the oblique insertion formula installation fixed, and a plurality of mainboards 11 are independent operation respectively, can export multichannel HDMI signal simultaneously by oneself, through inside switch networking, can realize intercommunication between each host computer, realize the program linkage. The front panel monitors the operation of each host computer by a monitor, and is also provided with a switcher and a 4-port USB interface, so that the front panel can be switched to the corresponding host computer to be controlled according to the needs of users.
The embodiment of the utility model provides an all-in-one divide into 4 machines, 6 machines, three kinds of model products of 8 machines, can accomplish 4 ways, 6 ways, 8 ways HDMI high definition video signal's output respectively to adopt ripe power control system on safety protection, can bear 850W's consumption, have protective measures such as overcurrent protection, overvoltage protection, overload protection, ensure system software and hardware safe and reliable. The embodiment of the utility model provides an it exports simultaneously to have realized that the all-in-one supports 8 way signals, and mutual noninterference, total consumption is no longer than 650W,8 way systems can also be in coordination each other and link, and manage through a KVM switch and switch video signal, be convenient for installation and debugging, the total cost falls to below 4 ten thousand yuan, the above problem has effectively been solved, and 8 way videos are whole to support export 4K high definition signal, adopt the HDMI interface, meet the rail with current mainstream instrument display device, be favorable to improving the compatibility, it is high to have the integrated level, the energy consumption is low, it is with low costs, occupation space is little, the maintenance and debugging is convenient, and the transportation is convenient, do benefit to the advantage of taking.
Although the preferred embodiments of the present patent have been described in detail, the present patent is not limited to the above embodiments, and various changes can be made without departing from the spirit of the present patent within the knowledge of those skilled in the art.

Claims (8)

1. A virtual reality all-in-one machine is characterized by comprising a mechanical system, a power supply system, a video monitoring system, a video output system, a network system and a heat dissipation system,
the mechanical system is used for carrying and fixing various system elements inside,
the power supply system is used for supplying power to 8 main boards, a gigabit network switch, a video monitor and a fan,
the video monitoring system collects signals of each mainboard through the KVM switcher and displays the signals on the video monitor,
the video output system outputs high-definition video signals from 8 main boards,
the network system consists of a kilomega switch and 10 network cables and is used for connecting two network interfaces of 8 main boards and model back panels LAN1\ LAN2,
the heat dissipation system is used for dissipating heat inside the host.
2. The virtual reality all-in-one machine of claim 1, wherein the mechanical system comprises a case body, and mounting and fixing supports and fasteners which are arranged at all parts in the case body.
3. The virtual reality all-in-one machine of claim 1, wherein the power supply system comprises a main wiring power switch, a front panel main power switch, a host power switch, a 650W switch power supply, a 2-bit wiring board, a 12V power distribution board, a power adapter, a mainboard power line and a power line.
4. The virtual reality all-in-one machine of claim 3, wherein the main connection power switch is used for connecting three external power supplies and controlling the on-off of the main power supply;
the front panel main power switch is a blue LED self-locking switch and is used for controlling the on-off of the main power supply on the front side of an operator;
the main machine power switch is used for controlling the on and off of each main board power;
the 2-bit wiring board is used for transferring electricity from a main power circuit to a switch power supply and a network switch power supply through the wiring board so as to supply power to two devices;
the 12V power distribution board is used to distribute the switching power supply 12V to 4 fans and video monitors.
5. The virtual reality all-in-one machine of claim 1, wherein the video monitoring system comprises a video monitor, a VGA expansion interface, an 8-channel video signal switcher, a switching button panel, a video signal line, a USB connecting line and a USB expansion interface.
6. The virtual reality all-in-one machine of claim 1, wherein the video output system comprises 8 integrated main boards and 8 HDMI lug connecting lines.
7. The virtual reality all-in-one machine of claim 1, wherein the heat dissipation system comprises 4 fans.
8. The virtual reality all-in-one machine of claim 2, wherein a plurality of mainboards are further arranged on the inner side of the case body, and the mainboards are installed and fixed in an obliquely inserted manner.
CN202222086558.9U 2022-08-09 2022-08-09 Virtual machine Expired - Fee Related CN218567930U (en)

Priority Applications (1)

Application Number Priority Date Filing Date Title
CN202222086558.9U CN218567930U (en) 2022-08-09 2022-08-09 Virtual machine

Applications Claiming Priority (1)

Application Number Priority Date Filing Date Title
CN202222086558.9U CN218567930U (en) 2022-08-09 2022-08-09 Virtual machine

Publications (1)

Publication Number Publication Date
CN218567930U true CN218567930U (en) 2023-03-03

Family

ID=85308916

Family Applications (1)

Application Number Title Priority Date Filing Date
CN202222086558.9U Expired - Fee Related CN218567930U (en) 2022-08-09 2022-08-09 Virtual machine

Country Status (1)

Country Link
CN (1) CN218567930U (en)

Similar Documents

Publication Publication Date Title
USRE48135E1 (en) Server system
CN207051798U (en) A kind of high power server power supply plate
CN203745989U (en) Integrated high-density server case
CN210075453U (en) Front-end high-integration hardware platform for cable digital television monitoring
CN218567930U (en) Virtual machine
CN207037571U (en) A 2U chassis with hot-swappable O&M RACK nodes
CN115103545A (en) Intelligent temperature control air cooling system based on IMA framework
TWM540306U (en) Power distribution device
CN203241863U (en) High availability multi-unit portable server system
CN210072965U (en) Intelligent mini-interactive multimedia system
CN102073365A (en) MicroTCA standard-based media server
CN204948274U (en) A kind of TV set-top box and light cat all-in-one
CN207926615U (en) Dispatching desk and scheduling system
CN202815657U (en) Box type computer
CN212009564U (en) Server cluster
CN110515442A (en) A server power board, power supply system and method
CN101399760A (en) Integrated outdoor access equipment
CN205912200U (en) Rack -type OLT equipment
CN208421701U (en) A kind of insertion box-type server
CN201674514U (en) Advertisement video projection terminal based on Ethernet power supply technique
CN209471409U (en) A kind of array disk cabinet
CN210639585U (en) A four-way server power board and four-way server
CN203590305U (en) Meeting place control host
CN208538082U (en) A kind of reserce cell server that modularization is hot-swappable
CN201886387U (en) Media server based on MicroTCA standard

Legal Events

Date Code Title Description
GR01 Patent grant
GR01 Patent grant
CF01 Termination of patent right due to non-payment of annual fee
CF01 Termination of patent right due to non-payment of annual fee

Granted publication date: 20230303