CN218167285U - Forming device for titanium dioxide - Google Patents
Forming device for titanium dioxide Download PDFInfo
- Publication number
- CN218167285U CN218167285U CN202221932103.8U CN202221932103U CN218167285U CN 218167285 U CN218167285 U CN 218167285U CN 202221932103 U CN202221932103 U CN 202221932103U CN 218167285 U CN218167285 U CN 218167285U
- Authority
- CN
- China
- Prior art keywords
- titanium dioxide
- screen
- grinding
- motor
- molding device
- Prior art date
- Legal status (The legal status is an assumption and is not a legal conclusion. Google has not performed a legal analysis and makes no representation as to the accuracy of the status listed.)
- Active
Links
Images
Landscapes
- Crushing And Grinding (AREA)
Abstract
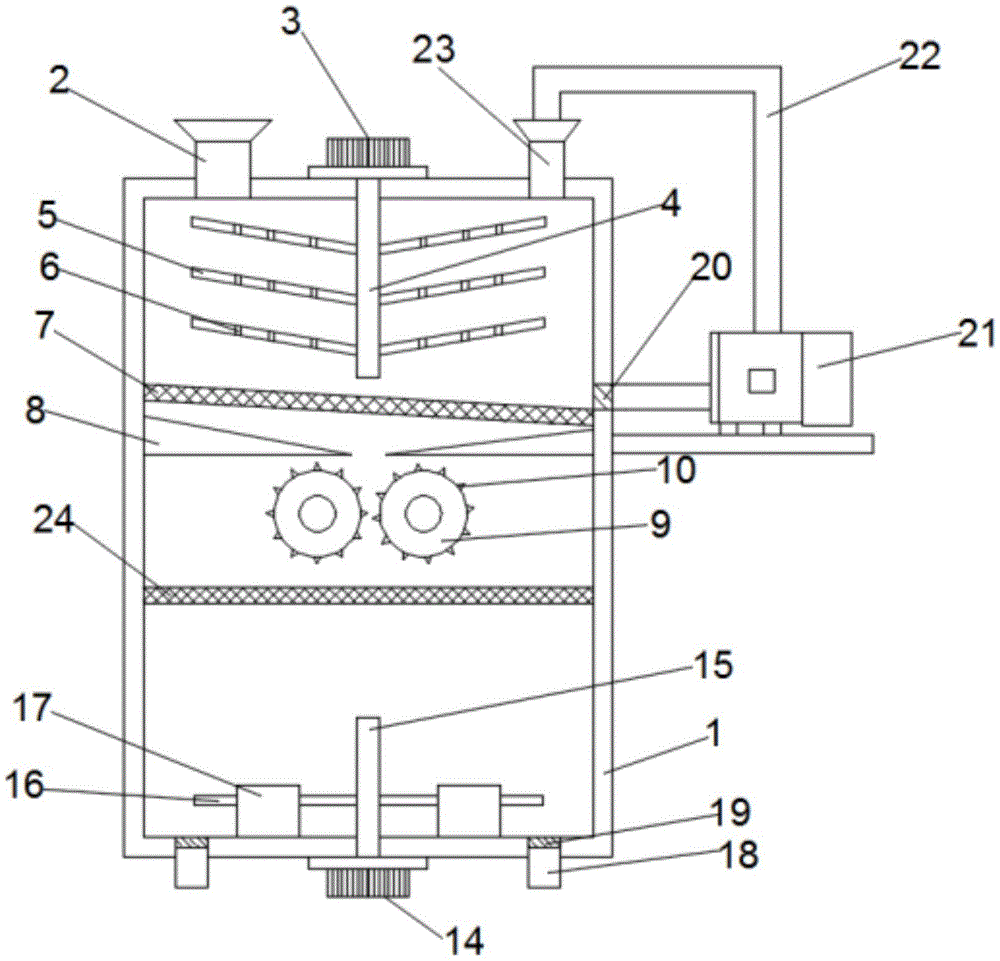
本实用新型提供一种钛白粉用成型装置,包括箱体,第一电机和第二电机,所述第一电机与一端贯穿于所述箱体上端的研磨轴连接,所述第二电机与一端贯穿于所述箱体下端的转动轴连接,所述箱体内部设置有第一筛网和第二筛网,所述第一筛网和所述第二筛网之间设置有两个研磨轮,所述研磨轮转动连接有传动轴,所述箱体的一外侧且位于所述研磨轮的传动轴上均固定套设有导轮,两个所述导轮之间交叉传动连接有皮带。本实用新型的钛白粉用成型装置,通过三层研磨和二次筛网的过滤,使加工后的钛白粉颗粒细度均匀,可将一些大颗粒初状粉碎不合格的进行重新粉碎,避免停留于设备中,造成物料拥挤,且研磨效果和粉碎的加工效率好,可连续生产,生产效率高。
The utility model provides a molding device for titanium dioxide, which comprises a box body, a first motor and a second motor, the first motor is connected with a grinding shaft with one end passing through the upper end of the box body, and the second motor is connected with one end The rotating shaft running through the lower end of the box body is connected, the inside of the box body is provided with a first screen and a second screen, and two grinding wheels are arranged between the first screen and the second screen The grinding wheel is rotatably connected to a transmission shaft, and a guide wheel is fixedly sleeved on an outer side of the box and located on the transmission shaft of the grinding wheel, and a belt is cross-connected between the two guide wheels. The molding device for titanium dioxide of the utility model, through the three-layer grinding and the filtration of the secondary screen, makes the fineness of the processed titanium dioxide particles uniform, and can re-grind some large particles that are unqualified in the initial crushing to avoid staying In the equipment, the material is crowded, and the grinding effect and crushing processing efficiency are good, continuous production is possible, and the production efficiency is high.
Description
技术领域technical field
本实用新型涉及钛白粉生产技术领域,尤其涉及一种钛白粉用成型装置。The utility model relates to the technical field of titanium dioxide production, in particular to a molding device for titanium dioxide.
背景技术Background technique
钛白粉是一种重要的无机化工产品,在涂料、油墨、造纸、塑料橡胶、化纤、陶瓷等工业中有重要用途,而钛白粉在生产时,最后需要通过粉碎设备将钛白粉进行粉碎,从而使得钛白粉成型转变为粉状。Titanium dioxide is an important inorganic chemical product, which has important uses in coatings, inks, papermaking, plastic rubber, chemical fiber, ceramics and other industries. When titanium dioxide is produced, it needs to be pulverized by crushing equipment, so that Make titanium dioxide molding into powder.
现有钛白粉成型粉碎设备具有一定的体积,当原料放置在粉碎室的内部时,为了提高粉碎效果,一般都是通过在转动轴的外壁增加粉碎刀,从而增加粉碎刀提高粉碎面积,而增加粉碎刀,转动轴上方与下方的粉碎刀会存在一定的距离,从而转动轴上方与下方的粉碎刀之间存在粉碎死角,使得钛白粉的粉末成型不够达标;另外对于一些大颗粒初状粉碎不合格导致无法进行研磨下去,从而停留在设备中,需打开设备取出进行第二状加工,造成工作的滞停,影响生产效率。因此,不满足现有的需求,提供一种钛白粉用成型装置,以提高颗粒粉碎的研磨效果和提高粉碎的生产效率。The existing titanium dioxide molding and crushing equipment has a certain volume. When the raw material is placed inside the crushing chamber, in order to improve the crushing effect, it is generally necessary to increase the crushing knife on the outer wall of the rotating shaft, thereby increasing the crushing knife and increasing the crushing area. There will be a certain distance between the pulverizing knife above and below the rotating shaft, so there is a crushing dead angle between the pulverizing knives above and below the rotating shaft, so that the powder forming of titanium dioxide is not up to standard; If it is qualified, the grinding cannot be continued, so it stays in the equipment, and the equipment needs to be opened to take out the second shape processing, resulting in stagnation of work and affecting production efficiency. Therefore, the existing requirements are not met, and a molding device for titanium dioxide is provided to improve the grinding effect of particle crushing and improve the production efficiency of crushing.
实用新型内容Utility model content
本实用新型针对上述现有技术的不足,提供一种钛白粉用成型装置,提高颗粒粉碎的研磨效果和提高粉碎的加工效率。The utility model aims at the disadvantages of the above-mentioned prior art, and provides a molding device for titanium dioxide, which improves the grinding effect of particle crushing and improves the processing efficiency of crushing.
本实用新型为解决上述技术的不足采用以下技术方案:The utility model adopts the following technical schemes for solving the deficiencies of the above-mentioned technologies:
提供一种钛白粉用成型装置,包括箱体以及设置于所述箱体上端左侧的进料口和下端的出料口,所述箱体的上端还设置有第一电机,下端设置有第二电机,所述第一电机与一端贯穿于所述箱体上端的研磨轴连接,所述第二电机与一端贯穿于所述箱体下端的转动轴连接,所述箱体内部上部倾斜设置有第一筛网,下部设置有第二筛网,所述第一筛网和所述第二筛网之间设置有两个研磨轮,所述研磨轮转动连接有传动轴,所述箱体的一外侧且位于所述研磨轮的传动轴上均固定套设有导轮,两个所述导轮之间交叉传动连接有皮带,其中所述箱体的外侧且位于其中一个导轮远离对应的所述研磨轮的一端固定连接有第三电机。A molding device for titanium dioxide is provided, which includes a box body and a material inlet arranged on the left side of the upper end of the box body and a discharge port at the lower end, the upper end of the box body is also provided with a first motor, and the lower end is provided with a second motor. Two motors, the first motor is connected to the grinding shaft with one end penetrating through the upper end of the box, the second motor is connected to the rotating shaft with one end penetrating the lower end of the box, and the upper part of the inside of the box is obliquely arranged The first screen, the lower part is provided with a second screen, two grinding wheels are arranged between the first screen and the second screen, the grinding wheels are rotatably connected to a transmission shaft, and the box body A guide wheel is fixedly sleeved on the transmission shaft of the outer side of the grinding wheel, and a belt is cross-transmitted between the two guide wheels, wherein the outer side of the box and one of the guide wheels is far away from the corresponding One end of the grinding wheel is fixedly connected with a third motor.
进一步地,所述箱体的右侧面开设有循环料出口,所述循环料出口设置在所述第一筛网的右上侧,所述箱体的顶端右侧设置有循环料进口,所述循环料出口和所述循环料进口之间设有循环料输送管,所述循环料输送管上设有送料泵。Further, a circulating material outlet is provided on the right side of the box, and the circulating material outlet is arranged on the upper right side of the first screen, and a circulating material inlet is provided on the right side of the top of the box. A circulating material conveying pipe is provided between the circulating material outlet and the circulating material inlet, and a feeding pump is arranged on the circulating material conveying pipe.
进一步地,所述研磨轴上设置有多个分散盘,多个所述分散盘均为内齿式分散盘,所述内齿式分散盘上设有多个回流孔。Further, the grinding shaft is provided with a plurality of dispersing discs, and the plurality of dispersing discs are all internal-toothed dispersing discs, and the internal-toothed dispersing discs are provided with a plurality of return holes.
进一步地,所述转动轴上通过支撑杆连接有碾压辊。Further, a rolling roller is connected to the rotating shaft through a support rod.
进一步地,所述箱体的底端两侧对称设置有出料口,且每个所述出料口上设置有滤网。Further, discharge ports are symmetrically arranged on both sides of the bottom end of the box, and each discharge port is provided with a filter screen.
进一步地,所述第一筛网的下方设置有一对三角板。Further, a pair of triangular plates are arranged below the first screen.
进一步地,所述研磨轮上设置有若干个粉碎齿。Further, the grinding wheel is provided with several crushing teeth.
本实用新型采用以上技术方案,与现有技术相比,具有如下技术优点:The utility model adopts the above technical scheme, and compared with the prior art, it has the following technical advantages:
本实用新型的钛白粉用成型装置,通过三层研磨和二状筛网的过滤,使加工后的钛白粉颗粒细度均匀,另外,可将一些大颗粒初次粉碎不合格的进行重新粉碎,避免停留于设备中,造成物料拥挤,且颗粒粉碎的研磨效果和粉碎的加工效率好,可连续生产,生产效率高。The forming device for titanium dioxide of the utility model can make the fineness of the processed titanium dioxide particles uniform through the three-layer grinding and the filtration of the two-shaped screen. In addition, some large particles that fail to pass the initial crushing can be re-pulverized to avoid Staying in the equipment will cause material congestion, and the grinding effect and crushing processing efficiency of particle crushing are good, continuous production is possible, and production efficiency is high.
附图说明Description of drawings
图1是本实用新型钛白粉用成型装置的结构示意图;Fig. 1 is the structural representation of the molding device for titanium dioxide of the present invention;
图2是本实用新型研磨轮传动结构的示意图;Fig. 2 is the schematic diagram of the utility model grinding wheel transmission structure;
其中的附图标记为:The reference signs therein are:
箱体1;进料口2;第一电机3;研磨轴4;分散盘5;回流孔6;第一筛网7;三角板8;研磨轮9;研磨齿10;导轮11;第三电机12;皮带13;第二电机14;转动轴15;支撑杆16;碾压辊17;出料口18;滤网19;循环料出口20;送料泵21;循环料输送管22;循环料进口23;第二筛网24。
具体实施方式detailed description
下面将结合本实用新型实施例中的附图,对本实用新型实施例中的技术方案进行清楚、完整地描述,显然,所描述的实施例仅仅是本实用新型一部分实施例,而不是全部的实施例。基于本实用新型中的实施例,本领域普通技术人员在没有做出创造性劳动前提下所获得的所有其他实施例,都属于本实用新型保护的范围。The technical solutions in the embodiments of the present invention will be clearly and completely described below in conjunction with the accompanying drawings in the embodiments of the present invention. Obviously, the described embodiments are only part of the embodiments of the present invention, not all of them. example. Based on the embodiments of the present utility model, all other embodiments obtained by persons of ordinary skill in the art without making creative efforts belong to the scope of protection of the present utility model.
在本实用新型的描述中,需要说明的是,术语“竖直”、“上”、“下”、“水平”等指示的方位或位置关系为基于附图所示的方位或位置关系,仅是为了便于描述本实用新型和简化描述,而不是指示或暗示所指的装置或元件必须具有特定的方位、以特定的方位构造和操作,因此不能理解为对本实用新型的限制。In the description of the present utility model, it should be noted that the orientation or positional relationship indicated by the terms "vertical", "upper", "lower" and "horizontal" are based on the orientation or positional relationship shown in the accompanying drawings, only It is for the convenience of describing the utility model and simplifying the description, rather than indicating or implying that the device or element referred to must have a specific orientation, be constructed and operated in a specific orientation, and therefore should not be construed as a limitation of the utility model.
在本实用新型的描述中,还需要说明的是,除非另有明确的规定和限定,术语“设置”、“安装”、“相连”、“连接”应做广义理解,例如,可以是固定连接,也可以是可拆卸连接,或一体地连接;可以是机械连接,也可以是电连接;可以是直接相连,也可以通过中间媒介间接相连,可以是两个元件内部的连通。对于本领域的普通技术人员而言,可以根据具体情况理解上述术语在本实用新型中的具体含义。In the description of the present utility model, it should also be noted that, unless otherwise specified and limited, the terms "setting", "installation", "connection" and "connection" should be understood in a broad sense, for example, it can be a fixed connection , can also be detachably connected, or integrally connected; can be mechanically connected, can also be electrically connected; can be directly connected, can also be indirectly connected through an intermediary, and can be internal communication between two components. Those of ordinary skill in the art can understand the specific meanings of the above terms in the present utility model according to specific situations.
如图1-2所示,本实施例提供了一种钛白粉用成型装置,包括箱体1以及设置于所述箱体1上端左侧的进料口2和下端的出料口18,具体地,所述箱体1的底端两侧对称设置有出料口18,且每个所述出料口18上设置有滤网19。As shown in Figure 1-2, this embodiment provides a molding device for titanium dioxide, including a
所述箱体1的上端还设置有第一电机3,下端设置有第二电机14,所述第一电机3与一端贯穿于所述箱体1上端的研磨轴4连接,所述研磨轴4上设置有多个分散盘5,多个所述分散盘5均为内齿式分散盘,所述内齿式分散盘上设有多个回流孔6。The upper end of the
所述第二电机14与一端贯穿于所述箱体1下端的转动轴15连接,所述转动轴15上通过支撑杆16连接有碾压辊17,碾压辊17对物料粉碎之后,满足粒度要求的物料从出料口18排出,滤网19可对细小的杂质进行过滤。The
所述箱体1内部上部倾斜设置有第一筛网7,下部设置有第二筛网24,所述第一筛网7的下方设置有一对三角板8,所述第一筛网7和所述第二筛网24之间设置有两个研磨轮9,研磨轮9上设置有若干个粉碎齿10,物料可顺着三角板8的斜面下滑至两个研磨轮9的研磨区域,提高效率。The upper part of the
所述研磨轮9转动连接有传动轴,所述箱体1的一外侧且位于所述研磨轮9的传动轴上均固定套设有导轮11,两个所述导轮11之间交叉传动连接有皮带13,其中所述箱体1的外侧且位于其中一个导轮11远离对应的所述研磨轮9的一端固定连接有第三电机12。The
所述箱体1的右侧面开设有循环料出口20,所述循环料出口20设置在所述第一筛网7的右上侧,所述箱体1的顶端右侧设置有循环料进口23,所述循环料出口20和所述循环料进口23之间设有循环料输送管22,所述循环料输送管22上设有送料泵21。The right side of the
本实施例提供的钛白粉用成型装置的工作过程如下:The working process of the molding device for titanium dioxide provided by the present embodiment is as follows:
工作时,启动第一电机3、第二电机和第三电机,物料从进料口2进入箱体1内,被研磨轴4上的分散盘5进行研磨细化,不满足要求的物料通过循环料出口20由送料泵21送至循环料进口23,然后再次进行研磨处理,满足要求的物料从第一筛网7中滤出,然后由研磨轮9继续进行研磨,满足要求的物料从第二筛网24上滤出,然后再由碾压辊17对物料进一步研磨,满足粒度要求的物料从出料口18排出即可。When working, start the
以上所述仅为本实用新型较佳的实施例,并非因此限制本实用新型的实施方式及保护范围,对于本领域技术人员而言,应当能够意识到凡运用本实用新型说明书及图示内容所作出的等同替换和显而易见的变化所得到的方案,均应当包含在本实用新型的保护范围内。The above descriptions are only preferred embodiments of the present utility model, and are not intended to limit the implementation and protection scope of the present utility model. For those skilled in the art, they should be aware The schemes obtained by making equivalent replacements and obvious changes shall all be included in the protection scope of the present utility model.
Claims (7)
Priority Applications (1)
| Application Number | Priority Date | Filing Date | Title |
|---|---|---|---|
| CN202221932103.8U CN218167285U (en) | 2022-07-25 | 2022-07-25 | Forming device for titanium dioxide |
Applications Claiming Priority (1)
| Application Number | Priority Date | Filing Date | Title |
|---|---|---|---|
| CN202221932103.8U CN218167285U (en) | 2022-07-25 | 2022-07-25 | Forming device for titanium dioxide |
Publications (1)
| Publication Number | Publication Date |
|---|---|
| CN218167285U true CN218167285U (en) | 2022-12-30 |
Family
ID=84614901
Family Applications (1)
| Application Number | Title | Priority Date | Filing Date |
|---|---|---|---|
| CN202221932103.8U Active CN218167285U (en) | 2022-07-25 | 2022-07-25 | Forming device for titanium dioxide |
Country Status (1)
| Country | Link |
|---|---|
| CN (1) | CN218167285U (en) |
-
2022
- 2022-07-25 CN CN202221932103.8U patent/CN218167285U/en active Active
Similar Documents
| Publication | Publication Date | Title |
|---|---|---|
| CN207342775U (en) | A kind of efficiently industrial chemicals reducing mechanism | |
| CN108097407A (en) | A kind of office shredder of strong security | |
| CN215655500U (en) | Mineral is smashed and is shelled machine with multistage wet grinding | |
| CN218167285U (en) | Forming device for titanium dioxide | |
| CN109569834A (en) | A kind of raw material grinding device | |
| CN204544380U (en) | A kind of high-efficiency pulverizer | |
| CN206296009U (en) | Horizontal pin nanometer sand mill | |
| CN219400380U (en) | Filter cylinder structure and sand mill | |
| CN212703004U (en) | Cellulose production is with smashing air separator | |
| CN218690026U (en) | Petroleum coke pre-grinding device | |
| CN211099465U (en) | A kind of grinding equipment for nanometer new material production | |
| CN201783343U (en) | Grinding separator | |
| CN115739319A (en) | Printing ink sand mill | |
| CN106423440B (en) | A kind of multistage-combination pulverizer | |
| CN207667713U (en) | A kind of integral type high-precision can screen pulverizer | |
| CN217431836U (en) | Compound crusher for mineral separation | |
| CN207606281U (en) | A kind of efficient molybdenum powder process equipment | |
| CN208436915U (en) | Crushing device is used in a kind of adjustable chemical substance processing | |
| CN114534860A (en) | Crushing and screening device for producing aluminum hydroxide powder | |
| CN207981295U (en) | A kind of mineral processing pulverizer | |
| CN208146079U (en) | A kind of ultrahigh speed pulverizer of wollastonite | |
| CN221933783U (en) | Circulation screening mixer | |
| CN222287122U (en) | Mud mixer capable of preventing materials from caking | |
| CN219232548U (en) | Coal crushing powder sampler | |
| CN208554476U (en) | A kind of pulverizer |
Legal Events
| Date | Code | Title | Description |
|---|---|---|---|
| GR01 | Patent grant | ||
| GR01 | Patent grant | ||
| EE01 | Entry into force of recordation of patent licensing contract | ||
| EE01 | Entry into force of recordation of patent licensing contract |
Assignee: Shanghai Yanti E-commerce Co.,Ltd. Assignor: SHANGHAI TITANOS INDUSTRY Co.,Ltd. Contract record no.: X2025980018693 Denomination of utility model: A forming device for titanium dioxide Granted publication date: 20221230 License type: Common License Record date: 20250826 |
