CN218070663U - Wall-hanging cubical switchboard - Google Patents

Wall-hanging cubical switchboard Download PDF

Info

Publication number
CN218070663U
CN218070663U CN202221267054.0U CN202221267054U CN218070663U CN 218070663 U CN218070663 U CN 218070663U CN 202221267054 U CN202221267054 U CN 202221267054U CN 218070663 U CN218070663 U CN 218070663U
Authority
CN
China
Prior art keywords
threaded rod
wall
cubical switchboard
grip slipper
switch cabinet
Prior art date
Legal status (The legal status is an assumption and is not a legal conclusion. Google has not performed a legal analysis and makes no representation as to the accuracy of the status listed.)
Active
Application number
CN202221267054.0U
Other languages
Chinese (zh)
Inventor
杨兴波
苏珊
Current Assignee (The listed assignees may be inaccurate. Google has not performed a legal analysis and makes no representation or warranty as to the accuracy of the list.)
Yunnan Anlai Power Equipment Co ltd
Original Assignee
Yunnan Anlai Power Equipment Co ltd
Priority date (The priority date is an assumption and is not a legal conclusion. Google has not performed a legal analysis and makes no representation as to the accuracy of the date listed.)
Filing date
Publication date
Application filed by Yunnan Anlai Power Equipment Co ltd filed Critical Yunnan Anlai Power Equipment Co ltd
Priority to CN202221267054.0U priority Critical patent/CN218070663U/en
Application granted granted Critical
Publication of CN218070663U publication Critical patent/CN218070663U/en
Active legal-status Critical Current
Anticipated expiration legal-status Critical

Links

Images

Landscapes

  • Patch Boards (AREA)

Abstract

The utility model discloses a wall-hanging cubical switchboard, including cubical switchboard body and fixed subassembly, the rear end of cubical switchboard body is provided with grip slipper one, and the rear end of grip slipper one is provided with the mount pad, the concatenation groove has been seted up to the inside of mount pad, and the concatenation inslot side is provided with the concatenation piece, fixed subassembly sets up inside the rear end of grip slipper one, and fixed subassembly includes three and the kicking block of threaded rod, the rear end of three threaded rod is provided with the kicking block. This wall-hanging cubical switchboard can drive threaded rod one respectively through the adjustable ring and rotate with threaded rod two, grip slipper one, grip slipper two moves in opposite directions, it is fixed to carry out the clamping to the cubical switchboard body through the lug, interval regulation about the grip slipper one can highly going on according to the cubical switchboard body, adjust the completion back, manual twist change threaded rod three again, it is fixed to make the kicking block press from both sides tightly in the splice groove, the dismouting of being convenient for need not to pull down the mount pad when dismantling, avoid installing the screw once more and cause the secondary to damage to the wall body.

Description

Wall-hanging cubical switchboard
Technical Field
The utility model relates to a cubical switchboard technical field specifically is a wall-hanging cubical switchboard.
Background
The main function of the switch cabinet is to open and close, control and protect electric equipment in the process of power generation, power transmission, power distribution and electric energy conversion of an electric power system. The components in the switch cabinet mainly include a circuit breaker, a disconnecting switch, a load switch, an operating mechanism, a mutual inductor, various protection devices and the like, and the switch cabinet is usually installed on a wall in order to reduce the occupied area.
The prior publication No. CN216214921U is named as a wall-mounted switch cabinet, and the device is directly installed on a wall body through screws in the using process, when the switch cabinet needs to be replaced subsequently, the screws need to be detached from the wall body, the wall body can be damaged secondarily due to secondary installation, and the switch cabinet is not convenient to disassemble and assemble.
SUMMERY OF THE UTILITY MODEL
An object of the utility model is to provide a wall-hanging cubical switchboard to solve the problem that proposes among the above-mentioned background art.
In order to achieve the above object, the utility model provides a following technical scheme: the utility model provides a wall-hanging cubical switchboard, includes cubical switchboard body and fixed subassembly, the rear end of cubical switchboard body is provided with grip slipper one, and the rear end of grip slipper one is provided with the mount pad, the splice groove has been seted up to the inside of mount pad, and the splice inslot side is provided with the concatenation piece, fixed subassembly sets up inside the rear end of grip slipper one, and fixed subassembly includes three threaded rod and kicking block, the rear end of three threaded rod is provided with the kicking block.
Furthermore, both ends all are provided with the recess about the cubical switchboard body, and grip slipper one and cubical switchboard body are sliding connection.
Furthermore, a convex block is arranged at the front end of the inner side of the first clamping seat, and the convex block and the first clamping seat are integrally connected.
Furthermore, a clamping assembly is arranged at the left end of the first clamping seat and comprises a first threaded rod, an adjusting ring and a second threaded rod, the left end of the first threaded rod is connected with the adjusting ring, the left end of the adjusting ring is provided with the second threaded rod, and the periphery of the second threaded rod is provided with the second clamping seat.
Furthermore, the first threaded rod is fixedly connected with the adjusting ring, and the first threaded rod is symmetrical to the second threaded rod about the center line of the adjusting ring.
Furthermore, the splicing blocks are welded with the first clamping seat, and the splicing blocks are in sliding connection with the mounting seat.
Furthermore, the third threaded rod is in threaded connection with the first clamping seat, and the top block is fixedly connected with the third threaded rod.
The utility model provides a wall-hanging cubical switchboard possesses following beneficial effect: can drive threaded rod one respectively through the adjustable ring and rotate with threaded rod two, grip slipper one, grip slipper two move in opposite directions, carry out the clamping through the lug to the cubical switchboard body fixed, and the distance is adjusted about the grip slipper one can highly going on according to the cubical switchboard body, adjusts the back of accomplishing, and manual twisting again changes threaded rod three, makes the kicking block press from both sides tightly fixedly in the concatenation groove, the dismouting of being convenient for.
1. The utility model discloses a setting of grip slipper one, lug, threaded rod one, adjustable ring, threaded rod two and grip slipper two, operating personnel twist the adjustable ring according to the width of cubical switchboard body is manual, can drive threaded rod one and threaded rod two respectively through the adjustable ring and rotate, can make grip slipper one, grip slipper two move in opposite directions, can block the lug into the corresponding recess, thereby carry out the clamping to the cubical switchboard body, carry out fixed mounting to the cubical switchboard body;
2. the utility model discloses a mount pad, splice groove and splice block's setting, the splice block mountable is in the splice groove of mount pad, carry out the aggregate erection, interval regulation about the grip slipper can be gone on according to the height of cubical switchboard body simultaneously, adjust and accomplish the back, manual twist change screw rod three again, it is fixed to make the kicking block press from both sides tight in the splice groove, the dismouting of being convenient for, when the later stage need pull down the cubical switchboard body and change, need not to dismantle mount pad and wall body, still need the wall body installation after the change, cause the secondary damaged to the wall body.
Drawings
Fig. 1 is a schematic front view of a wall-mounted switchgear of the present invention;
fig. 2 is a schematic top sectional view of the wall-mounted switchgear of the present invention;
fig. 3 is a schematic top view of the wall-mounted switchgear of the present invention;
fig. 4 is a schematic diagram of a side view and a partial sectional structure of the wall-hanging switch cabinet of the present invention.
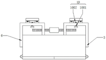
In the figure: 1. a switch cabinet body; 2. a groove; 3. a first clamping seat; 4. a bump; 5. clamping the assembly; 501. a first threaded rod; 502. an adjusting ring; 503. a second threaded rod; 6. a second clamping seat; 7. a mounting seat; 8. splicing grooves; 9. splicing blocks; 10. a fixing assembly; 1001. a third threaded rod; 1002. and (7) a top block.
Detailed Description
As shown in fig. 1, 2 and 4, a wall-mounted switch cabinet comprises a switch cabinet body 1 and a fixing assembly 10, wherein grooves 2 are respectively formed at the left end and the right end of the switch cabinet body 1, a first clamping seat 3 is slidably connected with the switch cabinet body 1, a first clamping seat 3 is arranged at the rear end of the switch cabinet body 1, a mounting seat 7 is arranged at the rear end of the first clamping seat 3, a convex block 4 is arranged at the front end of the inner side of the first clamping seat 3, the convex block 4 is integrally connected with the first clamping seat 3, a clamping assembly 5 is arranged at the left end of the first clamping seat 3, the clamping assembly 5 comprises a first threaded rod 501, an adjusting ring 502 and a second threaded rod 503, the left end of the first threaded rod 501 is connected with the adjusting ring 502, the left end of the adjusting ring 502 is provided with the second threaded rod 503, the second clamping seat 6 is arranged at the periphery of the second threaded rod 503, the first threaded rod 501 is fixedly connected with the adjusting ring 502, the center line of the first threaded rod 501 is symmetrical to the second threaded rod 503, an operator manually screws the adjusting ring 502 according to the width of the switch cabinet body 1, the first threaded rod and the second threaded rod 503 are driven to rotate, the adjusting ring 502, the first threaded rod 503, the clamping seat 3 can clamp the first clamping seat 1 and clamp the second clamping seat 4, so that the mounting seat 1 can move towards the groove 2;
as shown in fig. 1 and 3, a splicing groove 8 is formed in the mounting seat 7, a splicing block 9 is arranged on the inner side of the splicing groove 8, the splicing block 9 is welded with the first clamping seat 3, the splicing block 9 is in sliding connection with the mounting seat 7, a fixing component 10 is arranged inside the rear end of the first clamping seat 3, the fixing component 10 comprises a threaded rod three 1001 and a top block 1002, the rear end of the threaded rod three 1001 is provided with the top block 1002, the threaded rod three 1001 and the first clamping seat 3 are in threaded connection, the top block 1002 and the threaded rod three 1001 are in fixed connection, the splicing block 9 can be installed in the splicing groove 8 of the mounting seat 7 and assembled and installed, meanwhile, the first clamping seat 3 can perform vertical interval adjustment according to the height of the switch cabinet body 1, after adjustment is completed, the threaded rod three 1001 is manually screwed, the top block 1002 is clamped and fixed in the splicing groove 8, disassembly and assembly are convenient, when the switch cabinet body 1 needs to be disassembled in a later stage, the mounting seat 7 and the wall need not to be disassembled, and secondary installation is needed after the wall is replaced, and secondary damage is caused.
In conclusion, when the wall-mounted switch cabinet is used, firstly, the mounting seat 7 and a wall body are mounted, the splicing blocks 9 are mounted in the splicing grooves 8 of the mounting seat 7, combined mounting is carried out, the first clamping seat 3 is adjusted in the vertical distance according to the height of the switch cabinet body 1, after the adjustment is finished, the third threaded rod 1001 is manually screwed, so that the top block 1002 is clamped and fixed in the splicing grooves 8, an operator manually screws the adjusting ring 502 according to the width of the switch cabinet body 1, the first threaded rod 501 and the second threaded rod 503 are respectively driven to rotate through the adjusting ring 502, the first clamping seat 3 and the second clamping seat 6 move in opposite directions, the lug 4 can be clamped into the corresponding groove 2, the switch cabinet body 1 can be fixedly mounted, when the switch cabinet body 1 needs to be dismounted and replaced in the later period, the adjusting ring 502 can be directly reversed, the first clamping seat 3 and the second clamping seat 6 move towards two sides, the lug 4 is separated from the switch cabinet body 1, the mounting seat 7 and the wall body do not need to be dismounted, and the wall body is prevented from being damaged again, and the wall body is damaged due to the working principle of the wall-mounted switch cabinet.

Claims (7)

1. The utility model provides a wall-hanging cubical switchboard, includes cubical switchboard body (1) and fixed subassembly (10), its characterized in that, the rear end of cubical switchboard body (1) is provided with grip slipper (3), and the rear end of grip slipper (3) is provided with mount pad (7), splice groove (8) have been seted up to the inside of mount pad (7), and splice groove (8) inboard is provided with splice piece (9), fixed subassembly (10) set up inside the rear end of grip slipper (3), and fixed subassembly (10) include three threaded rod (1001) and kicking block (1002), the rear end of three threaded rod (1001) is provided with kicking block (1002).
2. The wall-hanging type switch cabinet according to claim 1, wherein the left end and the right end of the switch cabinet body (1) are both provided with the grooves (2), and the first clamping seat (3) is connected with the switch cabinet body (1) in a sliding manner.
3. The wall-hanging type switch cabinet according to claim 2, wherein a protrusion (4) is disposed at a front end of an inner side of the first holder (3), and the protrusion (4) and the first holder (3) are integrally connected.
4. The wall-hanging type switch cabinet according to claim 2, wherein the clamping assembly (5) is arranged at the left end of the first clamping seat (3), the clamping assembly (5) comprises a first threaded rod (501), an adjusting ring (502) and a second threaded rod (503), the adjusting ring (502) is connected to the left end of the first threaded rod (501), the second threaded rod (503) is arranged at the left end of the adjusting ring (502), and the second clamping seat (6) is arranged on the periphery of the second threaded rod (503).
5. The wall-mounted switchgear according to claim 4, wherein said first threaded rod (501) is fixedly connected to the adjusting ring (502), and said first threaded rod (501) is symmetrical to said second threaded rod (503) about the center line of the adjusting ring (502).
6. The wall-hanging type switch cabinet according to claim 5, wherein the first splicing block (9) and the first clamping seat (3) are welded, and the splicing block (9) and the mounting seat (7) are in sliding connection.
7. The wall-hanging type switch cabinet as claimed in claim 1, wherein the threaded rod III (1001) is in threaded connection with the first clamping seat (3), and the top block (1002) is fixedly connected with the threaded rod III (1001).
CN202221267054.0U 2022-05-24 2022-05-24 Wall-hanging cubical switchboard Active CN218070663U (en)

Priority Applications (1)

Application Number Priority Date Filing Date Title
CN202221267054.0U CN218070663U (en) 2022-05-24 2022-05-24 Wall-hanging cubical switchboard

Applications Claiming Priority (1)

Application Number Priority Date Filing Date Title
CN202221267054.0U CN218070663U (en) 2022-05-24 2022-05-24 Wall-hanging cubical switchboard

Publications (1)

Publication Number Publication Date
CN218070663U true CN218070663U (en) 2022-12-16

Family

ID=84431574

Family Applications (1)

Application Number Title Priority Date Filing Date
CN202221267054.0U Active CN218070663U (en) 2022-05-24 2022-05-24 Wall-hanging cubical switchboard

Country Status (1)

Country Link
CN (1) CN218070663U (en)

Similar Documents

Publication Publication Date Title
CN218070663U (en) Wall-hanging cubical switchboard
CN113363825B (en) Switch cabinet for intelligent management of safety appliances
CN210372782U (en) Embedded mounting structure of automatic broadcast control device of broadcast television
CN111614003B (en) Operating joint capable of being mounted on insulating rod
CN222531110U (en) Modular multifunctional power distribution cabinet
CN212011694U (en) High-voltage electrical cabinet convenient to installation
CN221467061U (en) Inside wiring mechanism of frequency conversion control cabinet
CN223273691U (en) Quick replacement formula low-voltage power distribution cabinet
CN218632903U (en) High-low voltage switch cabinet convenient to equipment
CN221408802U (en) Integrated converter for photovoltaic power generation
CN223039417U (en) A switch cabinet internal mounting frame
CN215991116U (en) Sound box convenient to disassemble and maintain
CN218645008U (en) Connecting device for urban heat supply thermal pipeline
CN218415422U (en) Quick installing support is used to cubical switchboard internal element
CN221829251U (en) Internal component installation structure of a frequency conversion cabinet
CN220234145U (en) Auxiliary device for erecting power transmission and transformation line
CN213213841U (en) Multi-sound channel audio automatic switcher
CN216624955U (en) High tension switchgear of quick installation
CN222127348U (en) Mounting part for switch cabinet
CN220691891U (en) Communication switch capable of being remotely controlled
CN221727725U (en) A power distribution cabinet with adjustable equipment installation space
CN216489169U (en) High-voltage incoming line cabinet convenient to installation
CN219778798U (en) Intelligent air switch capable of being regulated and controlled by oneself
CN217142524U (en) Panel cutting device for production and processing of switch cabinet panel
CN216312523U (en) Combined box-type substation economizer

Legal Events

Date Code Title Description
GR01 Patent grant
GR01 Patent grant