CN218026949U - 一种高速铁路整体式遮板分块浇筑装置 - Google Patents

一种高速铁路整体式遮板分块浇筑装置 Download PDF

Info

Publication number
CN218026949U
CN218026949U CN202222317601.8U CN202222317601U CN218026949U CN 218026949 U CN218026949 U CN 218026949U CN 202222317601 U CN202222317601 U CN 202222317601U CN 218026949 U CN218026949 U CN 218026949U
Authority
CN
China
Prior art keywords
pipe
spiral
motor
outer truss
electric valve
Prior art date
Legal status (The legal status is an assumption and is not a legal conclusion. Google has not performed a legal analysis and makes no representation as to the accuracy of the status listed.)
Active
Application number
CN202222317601.8U
Other languages
English (en)
Inventor
崔衍刚
郝晋峰
缪闯波
屈海军
张春英
兰福东
王二兵
齐迹
陈玉玉
Current Assignee (The listed assignees may be inaccurate. Google has not performed a legal analysis and makes no representation or warranty as to the accuracy of the list.)
China Railway 12th Bureau Group Co Ltd
Fourth Engineering Co Ltd of China Railway 12th Bureau Group Co Ltd
Original Assignee
China Railway 12th Bureau Group Co Ltd
Fourth Engineering Co Ltd of China Railway 12th Bureau Group Co Ltd
Priority date (The priority date is an assumption and is not a legal conclusion. Google has not performed a legal analysis and makes no representation as to the accuracy of the date listed.)
Filing date
Publication date
Application filed by China Railway 12th Bureau Group Co Ltd, Fourth Engineering Co Ltd of China Railway 12th Bureau Group Co Ltd filed Critical China Railway 12th Bureau Group Co Ltd
Priority to CN202222317601.8U priority Critical patent/CN218026949U/zh
Application granted granted Critical
Publication of CN218026949U publication Critical patent/CN218026949U/zh
Active legal-status Critical Current
Anticipated expiration legal-status Critical

Links

Images

Landscapes

  • On-Site Construction Work That Accompanies The Preparation And Application Of Concrete (AREA)

Abstract

一种高速铁路整体式遮板分块浇筑装置,包括外桁架与控制箱、走行电机、搅拌电机、螺旋导管栓接,走行电机驱动橡胶走行轮前行,搅拌电机驱动搅拌叶转动,放料管与螺旋导管栓接,电动阀门栓接在放料管下方与螺旋导管上方节点位置。其具有结构简单,成本低,操作适用性强,可自行走,安全可靠的优点,适用于铁路整体式遮板混凝土工程。

Description

一种高速铁路整体式遮板分块浇筑装置
技术领域
本实用新型混凝土施工技术领域,涉及铁路箱梁整体式遮板混凝土施工机具,具体涉及一种高速铁路整体式遮板分块浇筑装置。
背景技术
目前铁路工程中桥梁桥面系中采用整体式遮板,遮板立式多块浇筑,浇筑进料口较小,因遮板高度达2米,采用半地下式浇筑混凝土的施工方式,即将3块整体式遮板模板大部分放入地下,通过混凝土罐车将料放入小料斗中,用叉车吊装后逐步进行施工,存在施工慢且布料不均匀,占用罐车时间长等问题。
有鉴于上述的缺陷,如何解决铁路箱梁整体式遮板混凝土工程施工布料,确保施工进度满足要求,提高布料质量,需要一种新型结构解决铁路箱梁整体式遮板混凝土工程施工混凝土的临时存放及浇筑放料难题。
发明内容
为了克服上述现有技术的不足,本实用新型的目的是提供一种高速铁路整体式遮板分块浇筑装置,其具有结构简单,成本低,易于操作,安全性好,通用性好的特点。
为达到上述目的,本实用新型的技术方案如下:
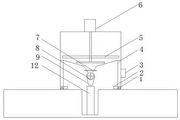
一种高速铁路整体式遮板分块浇筑装置,包括外桁架4,其特征在于,外桁架4与控制箱3、走行电机2、搅拌电机6、螺旋导管8栓接,走行电机2驱动外桁架4底部的橡胶走行轮1,外桁架4上方固定的搅拌电机6驱动搅拌叶5转动,放料管9栓接在外桁架4中部三角结构下方的螺旋导管8下方,螺旋导管8两端设置螺旋电机10,放料电动阀门11栓接在放料管9上,电动阀门7栓接在螺旋导管8上部三角结构上。
所述的外桁架4为方形的四脚罐体,下部为三角形。
所述的螺旋导管8为圆形钢管,螺旋导管8下部设置3个放料管9,每个放料管9设有一放料电动阀门11,放料电动阀门11设置在放料管9上方与螺旋导管8下方处,通过线路与控制箱连接,可集中控制开关。
所述的控制箱3通过电线与走行电机2、搅拌电机6、电动阀门7、螺旋电机10、放料电动阀门11连接。
本实用新型的有益效果是:
1)通过可电动行走的存料罐体与电动搅拌的组合,实现了整体式遮板混凝土的多块用量存储及运输到浇筑工位作业的目的。
2)通过螺旋导管将混凝土传输至各个出料口,实现一口出料多口布料的目的。
3)电动阀门与螺旋导管的配合,可以对一次三块整体式遮板同时进行均匀布料,施工效率及布料混凝土量的精度都得到了大幅提高。
4)结构简单,成本低,使用方便快捷,操作起来安全可靠,可以电力驱动,节约成本,降低了安全隐患,适用于铁路箱梁整体式遮板混凝土工程施工。
附图说明
图1为本实用新型的正面示意图;
图2为侧面示意图。
其中,1为橡胶走行轮、2为走行电机、3为控制箱、4为外桁架、5为搅拌叶、6为搅拌电机、7为电动阀门、8为螺旋导管、9为放料管、10为螺旋电机、11为放料电动阀门、12为整体式遮板模板。
具体实施方式
以下结合附图对本实用新型进一步叙述。
如图1、2所示,一种高速铁路整体式遮板分块浇筑装置,包括外桁架4,其特征在于,外桁架4与控制箱3、走行电机2、搅拌电机6、螺旋导管8栓接,走行电机2驱动外桁架4底部的橡胶走行轮1,外桁架4上方固定的搅拌电机6驱动搅拌叶5转动,放料管9栓接在外桁架4中部三角结构下方的螺旋导管8下方,螺旋导管8两端设置螺旋电机10,放料电动阀门11栓接在放料管9上,电动阀门7栓接在螺旋导管8上部三角结构上。
所述的外桁架4为方形的四脚罐体,下部为三角形。
所述的螺旋导管8为圆形钢管,螺旋导管8下部设置3个放料管9,每个放料管9设有一放料电动阀门11,放料电动阀门11设置在放料管9上方与螺旋导管8下方处,通过线路与控制箱连接,可集中控制开关。
所述的控制箱3通过电线与走行电机2、搅拌电机6、电动阀门7、螺旋电机10、放料电动阀门11连接。
本实用新型的工作原理是:
使用前将装置拼装完成并调试合格,先用清水冲洗装置,装置接通电源,电动阀门逐个开关,搅拌叶搅动,走行电机来回运行数次,混凝土罐车运输混凝土至施工现场,操作人员通过控制箱操作装置,控制走行电机驱动橡胶走行轮带动装置进入放料区,按照3块整体式遮板模板的混凝土用量放入混凝土,通过控制箱起动搅拌电机带支搅拌叶搅拌混凝土,走行电机驱动橡胶走行轮带动装置,进入整体式遮板模板上方,开启3个电动阀门,起动螺旋电机,将混凝土输送到3个放料管,开启放料电动阀门,开始放料,每块板完成后关闭上方的电动阀门,3块板全部浇筑完成后,装置前行,吊装整体式遮板出作业区,放入下一批待浇筑遮板,装置回行进入作业区继续作业,施工全部完成后清洗装置。

Claims (4)

1.一种高速铁路整体式遮板分块浇筑装置,包括外桁架(4),其特征在于,外桁架(4)与控制箱(3)、走行电机(2)、搅拌电机(6)、螺旋导管(8)栓接,走行电机(2)驱动外桁架(4)底部的橡胶走行轮(1),外桁架(4)上方固定的搅拌电机(6)驱动搅拌叶(5)转动,放料管(9)栓接在外桁架(4)中部三角结构下方的螺旋导管(8)下方,螺旋导管(8)两端设置螺旋电机(10),放料电动阀门(11)栓接在放料管(9)上,电动阀门(7)栓接在螺旋导管(8)上部三角结构上。
2.根据权利要求1所述的一种高速铁路整体式遮板分块浇筑装置,其特征在于,所述的外桁架(4)为方形的四脚罐体,下部为三角形。
3.根据权利要求1所述的一种高速铁路整体式遮板分块浇筑装置,其特征在于,所述的螺旋导管(8)为圆形钢管,螺旋导管(8)下部设置3个放料管(9),每个放料管(9)设有一放料电动阀门(11),放料电动阀门(11)设置在放料管(9)上方与螺旋导管(8)下方处。
4.根据权利要求1所述的一种高速铁路整体式遮板分块浇筑装置,其特征在于,所述的控制箱(3)通过电线与走行电机(2)、搅拌电机(6)、电动阀门(7)、螺旋电机(10)、放料电动阀门(11)连接。
CN202222317601.8U 2022-09-01 2022-09-01 一种高速铁路整体式遮板分块浇筑装置 Active CN218026949U (zh)

Priority Applications (1)

Application Number Priority Date Filing Date Title
CN202222317601.8U CN218026949U (zh) 2022-09-01 2022-09-01 一种高速铁路整体式遮板分块浇筑装置

Applications Claiming Priority (1)

Application Number Priority Date Filing Date Title
CN202222317601.8U CN218026949U (zh) 2022-09-01 2022-09-01 一种高速铁路整体式遮板分块浇筑装置

Publications (1)

Publication Number Publication Date
CN218026949U true CN218026949U (zh) 2022-12-13

Family

ID=84351688

Family Applications (1)

Application Number Title Priority Date Filing Date
CN202222317601.8U Active CN218026949U (zh) 2022-09-01 2022-09-01 一种高速铁路整体式遮板分块浇筑装置

Country Status (1)

Country Link
CN (1) CN218026949U (zh)

Cited By (1)

* Cited by examiner, † Cited by third party
Publication number Priority date Publication date Assignee Title
CN116652510A (zh) * 2023-08-02 2023-08-29 山西中盈万维耐磨材料有限公司 一种铸造加工用新型熔焊装置

Cited By (2)

* Cited by examiner, † Cited by third party
Publication number Priority date Publication date Assignee Title
CN116652510A (zh) * 2023-08-02 2023-08-29 山西中盈万维耐磨材料有限公司 一种铸造加工用新型熔焊装置
CN116652510B (zh) * 2023-08-02 2023-10-10 山西中盈万维耐磨材料有限公司 一种铸造加工用新型熔焊装置

Similar Documents

Publication Publication Date Title
CN102241067B (zh) 轻质泡沫混凝土建筑板材生产线
CN209718183U (zh) 一种土木工程施工用的混凝土板浇筑装置
CN218026949U (zh) 一种高速铁路整体式遮板分块浇筑装置
CN211692484U (zh) 一种隧道二衬混凝土自动布料系统
CN114809090B (zh) 一种钢壳沉管隧道墙体自密实混凝土浇筑方法
CN114810202B (zh) 一种充填隔离墙构筑台车
CN114703896A (zh) 一种钢壳沉管隧道底板自密实混凝土浇筑方法
CN101629403A (zh) 高、低弹模水泥乳化沥青砂浆通用搅拌泵送灌注车
CN221540239U (zh) 一种新型矿用混凝土铺路搅拌机
CN111976003A (zh) 一种混凝土搅拌工艺
CN114658479B (zh) 一种充填隔离墙构筑方法
CN211446413U (zh) 一种自密实混凝土灌注施工装置
CN206765073U (zh) 一种强制性搅拌拖泵
CN110815530A (zh) 一种全自动混凝土浇筑及输送系统
CN110804908B (zh) 一种自密实混凝土灌注施工方法及灌注施工装置
CN211368442U (zh) 一种道路桥梁的裂缝填充和加固结构
CN215629385U (zh) 一种铁路箱梁桥面系混凝土浇筑装置
CN221918802U (zh) 一种板式道岔混凝土运输浇筑设备
CN215366654U (zh) 一种道路修补砂浆处理装置
CN207342657U (zh) 一种建材混料装置
CN222558550U (zh) 一种仰拱布料装置
CN215472130U (zh) 一种防扬灰混凝土运输装置
CN221220547U (zh) 一种便于维护的矿山充填器
CN219445527U (zh) 一种泡沫陶瓷过滤片浆料初混用卧式搅拌装置
CN205471247U (zh) 一种建筑工程用提升机

Legal Events

Date Code Title Description
GR01 Patent grant
GR01 Patent grant