CN217959339U - Improved bending furniture drawer assembling structure - Google Patents

Improved bending furniture drawer assembling structure Download PDF

Info

Publication number
CN217959339U
CN217959339U CN202221389277.4U CN202221389277U CN217959339U CN 217959339 U CN217959339 U CN 217959339U CN 202221389277 U CN202221389277 U CN 202221389277U CN 217959339 U CN217959339 U CN 217959339U
Authority
CN
China
Prior art keywords
plate
bottom plate
frame
panel
sliding
Prior art date
Legal status (The legal status is an assumption and is not a legal conclusion. Google has not performed a legal analysis and makes no representation as to the accuracy of the status listed.)
Active
Application number
CN202221389277.4U
Other languages
Chinese (zh)
Inventor
杨劲松
王婷婷
Current Assignee (The listed assignees may be inaccurate. Google has not performed a legal analysis and makes no representation or warranty as to the accuracy of the list.)
Dongguan Zhongjin Furniture Co ltd
Original Assignee
Dongguan Zhongjin Furniture Co ltd
Priority date (The priority date is an assumption and is not a legal conclusion. Google has not performed a legal analysis and makes no representation as to the accuracy of the date listed.)
Filing date
Publication date
Application filed by Dongguan Zhongjin Furniture Co ltd filed Critical Dongguan Zhongjin Furniture Co ltd
Priority to CN202221389277.4U priority Critical patent/CN217959339U/en
Application granted granted Critical
Publication of CN217959339U publication Critical patent/CN217959339U/en
Active legal-status Critical Current
Anticipated expiration legal-status Critical

Links

Images

Landscapes

  • Drawers Of Furniture (AREA)

Abstract

The utility model discloses a furniture drawer assembly structure of bending of improvement relates to furniture drawer technical field. The drawer includes the panel, locates frame and the bottom plate of panel one side, and the bottom plate is located the downside of frame, the utility model discloses a: the upper parts of the fixing pieces penetrate through the bottom plate and are embedded in the frame, wherein the lower parts of the fixing pieces are positioned below the bottom plate; two connecting pieces, connecting piece sliding fit are in one side of panel, and the bottom plate gomphosis is run through in the frame in connecting piece upper portion, and wherein, the lower part of connecting piece is located the below of panel and frame. The utility model discloses a mounting improves the stability that frame and bottom plate are connected, reduces the frame and warp loose probability, improves the stability that panel and frame, bottom plate are connected through the connecting piece, reduces the probability that the in-process of panel pulling breaks away from, fixes below the bottom plate through mounting and connecting piece, when reducing the daily use of drawer.

Description

Improved bending furniture drawer assembling structure
Technical Field
The utility model belongs to the technical field of the furniture drawer, especially relate to a furniture drawer assembly structure of bending of improvement.
Background
Furniture refers to a large class of appliances and facilities essential for human beings to maintain normal life, engage in production practice and develop social activities, and the furniture is continuously developed and innovated along with the steps of the times, so that the furniture is an important basis for establishing working and living spaces at present and is various in types, materials, varieties and purposes, and the solid wood furniture is usually formed by assembling a plurality of wood boards, and when the furniture with complex modeling is manufactured, the wood boards are required to be bent into required shapes.
Present furniture drawer of bending uses air gun nail binding shaping usually the mill, and for convenient transportation and sparingly transportation space, some trade companies can make into the spare part that can assemble with furniture, and the drawer uses the fixed equipment of angle sign indicating number usually, and the angle sign indicating number is fixed usually at the inner wall of drawer or week side corner, easily contacts with the human body at the in-process that uses and causes the injury.
Disclosure of Invention
An object of the utility model is to provide a furniture drawer assembly structure of bending of improvement has solved current furniture drawer of bending and has used the air gun nailing to bind the shaping usually to the mill, and for convenient transportation and sparingly transportation space, some trade companies can make into the spare part that can assemble with furniture, and the drawer uses the fixed equipment of angle sign indicating number usually, and the angle sign indicating number is fixed at the inner wall of drawer or week side corner usually, easily causes injury technical problem with human contact at the in-process that uses.
In order to achieve the purpose, the utility model is realized by the following technical proposal:
the utility model provides a furniture drawer assembly structure of bending of improvement, the drawer includes the panel, locates frame and bottom plate of panel one side, and the bottom plate is located the downside of frame, includes:
the upper parts of the fixing pieces penetrate through the bottom plate and are embedded in the frame, wherein the lower parts of the fixing pieces are positioned below the bottom plate;
the connecting pieces are in sliding fit with one side of the panel, the upper parts of the connecting pieces penetrate through the bottom plate and are embedded in the frame, and the lower parts of the connecting pieces are located below the panel and the frame.
Optionally, the frame includes backplate, two curb plates, and the backplate is located between two curb plates, and the panel is located one side of two curb plates, and two rectangular channels have been seted up to the backplate downside, and the spacing groove has been seted up to the curb plate downside, has seted up the L-shaped groove corresponding with rectangular channel and spacing groove in the vertical direction of bottom plate.
Optionally, the connecting piece includes that the mounting includes the set square, and the L shaped plate has been installed to the set square upside, and the L shaped plate runs through L shape groove sliding fit at rectangular channel and spacing inslot, and the location strip has been installed to set square one side, and the location strip is located one side of backplate, has seted up two second through-holes in the set square vertical direction, has all seted up two first through-holes on location strip, the L shaped plate transverse direction.
Optionally, corresponding chutes are formed in one sides of the bottom plate and the side plates, clamping grooves are formed in two opposite sides of the inner wall of each sliding groove, mounting grooves are formed in the lower sides of the panels, inserting grooves are formed in the upper sides of the inner walls of the mounting grooves, and channels are formed in two opposite sides of the inner walls of the inserting grooves.
Optionally, the connecting piece includes a clamping seat in sliding fit in the mounting groove, two fourth through holes are formed in the clamping seat in the vertical direction, a first sliding plate in sliding fit in the slot is installed on the upper side of the clamping seat, the first sliding plate is located between the two fourth through holes, a second sliding rod in sliding fit in the chute is installed on one side of the first sliding plate, a baffle is installed on the lower side of the second sliding rod, the baffle is located on the lower side of the bottom plate, two third through holes are formed in the baffle in the vertical direction, and the second sliding rod is located between the two third through holes.
Optionally, a first side plate which is in sliding fit with the channel is installed on one side of the first sliding plate, and a second side plate which is in sliding fit with the clamping groove is installed on one side of the second sliding rod.
The embodiment of the utility model has the following beneficial effect:
the utility model discloses an embodiment improves the stability that frame and bottom plate are connected through the mounting, reduces the frame and warp loose probability, improves the stability that panel and frame, bottom plate are connected through the connecting piece, reduces the probability that the in-process of panel pulling breaks away from, fixes below the bottom plate through mounting and connecting piece, when reducing the daily use of drawer, and the human body causes the probability of injury with mounting or connecting piece contact.
Of course, it is not necessary for any particular product to achieve all of the above-described advantages at the same time.
Drawings
The accompanying drawings, which form a part of the present application, are included to provide a further understanding of the invention, and are incorporated in and constitute a part of this specification, illustrate embodiments of the invention and together with the description serve to explain the invention and not to limit the invention. In the drawings:
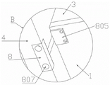
fig. 1 is a schematic view of a drawer according to an embodiment of the present invention;
FIG. 2 is a schematic view of the structure at A in FIG. 1;
FIG. 3 is a schematic view of a connecting member and a fixing member mounting structure according to an embodiment of the present invention;
FIG. 4 is a schematic view of the structure of FIG. 3 at B;
FIG. 5 is a schematic view of the structure of FIG. 3 at C;
fig. 6 is a schematic view of a fixing member according to an embodiment of the present invention;
fig. 7 is a schematic view of a connecting member according to an embodiment of the present invention.
Wherein the figures include the following reference numerals:
the structure comprises a bottom plate 1, a back plate 2, side plates 3, a panel 4, a mounting groove 401, a slot 402, a channel 403, a sliding groove 5, a clamping groove 501, an L-shaped groove 6, a triangular plate 7, an L-shaped plate 701, a positioning strip 702, a first through hole 703, a second through hole 704, a clamping seat 8, a first sliding plate 801, a first side plate 802, a second sliding rod 803, a second side plate 804, a baffle 805, a third through hole 806 and a fourth through hole 807.
Detailed Description
The technical solutions in the embodiments of the present invention will be described clearly and completely with reference to the accompanying drawings in the embodiments of the present invention, and it is obvious that the described embodiments are only some embodiments of the present invention, not all embodiments. The following description of at least one exemplary embodiment is merely illustrative in nature and is in no way intended to limit the invention, its application, or uses.
To keep the following description of the embodiments of the present invention clear and concise, a detailed description of known functions and known parts of the invention has been omitted.
Referring to fig. 1-7, in the present embodiment, an improved assembly structure of a drawer for bending furniture is provided, the drawer includes a panel 4, a frame disposed on one side of the panel 4, and a bottom plate 1, the bottom plate 1 is disposed on a lower side of the frame, and includes:
the upper parts of the fixing pieces penetrate through the bottom plate 1 and are embedded in the frame, wherein the lower parts of the fixing pieces are positioned below the bottom plate 1;
and the upper part of the connecting piece penetrates through the bottom plate 1 and is embedded in the frame, wherein the lower part of the connecting piece is positioned below the panel 4 and the frame.
The application of one aspect of the embodiment is as follows: during the installation, place the frame on bottom plate 1 earlier, then insert the mounting in the corner of frame from bottom plate 1 below, use the screw to fix the mounting below bottom plate 1, then, insert the connecting piece into panel 4, use the screw to fix the connecting piece below panel 4, then place one side of frame with panel 4, in inserting the frame from bottom plate 1 below with the mounting exposure part, use the screw to fix the mounting below bottom plate 1 at last.
Improve the stability that frame and bottom plate 1 are connected through the mounting, reduce the loose probability of frame deformation, improve the stability that panel 4 and frame, bottom plate 1 are connected through the connecting piece, reduce the probability that the in-process that panel 4 stimulates breaks away from, fix below bottom plate 1 through mounting and connecting piece, when reducing the drawer daily use, the human probability that causes the injury with mounting or connecting piece contact.
As shown in fig. 1-6, the frame of this embodiment includes a back plate 2 and two side plates 3, the back plate 2 is located between the two side plates 3, the panel 4 is located on one side of the two side plates 3, two rectangular grooves are opened on the lower side of the back plate 2, a limiting groove is opened on the lower side of the side plate 3, the transverse cross section of the limiting groove is in an "L" shaped structure, and an L-shaped groove 6 corresponding to the rectangular groove and the limiting groove is opened in the vertical direction of the bottom plate 1. The connecting piece comprises a fixing piece which comprises a triangular plate 7, an L-shaped plate 701 is arranged on the upper side of the triangular plate 7, the L-shaped plate 701 penetrates through an L-shaped groove 6 and is in sliding fit with an adjacent limiting groove, a positioning strip 702 is arranged on one side of the triangular plate 7, the positioning strip 702 is positioned on one side of a back plate 2, two second through holes 704 are formed in the triangular plate 7 in the vertical direction, when the fixing piece is fixed, screws penetrate through the second through holes 704 and are screwed into a bottom plate 1, the screws penetrate through the bottom plate 1 and are respectively screwed into the back plate 2 and a side plate 3, two first through holes 703 are formed in the positioning strip 702 and the L-shaped plate 701 in the transverse direction, when the first through holes 703 of the positioning strip 702 are used for fixing the screws, the position of the first through holes 703 of the L-shaped plate 701 is confirmed, when the fixing piece is installed, the screws penetrate through the first through holes 703 of the positioning strip 702 and are screwed into the back plate 2, and after the screws are completely screwed, one end of the screws is inserted into the first through holes 703 of the L-shaped plate 701.
As shown in fig. 2-7, corresponding sliding grooves 5 are formed in one sides of the bottom plate 1 and the side plate 3, clamping grooves 501 are formed in two opposite sides of the inner wall of each sliding groove 5, a mounting groove 401 is formed in the lower side of the panel 4, a slot 402 is formed in the upper side of the inner wall of the mounting groove 401, and channels 403 are formed in two opposite sides of the inner wall of the slot 402. The connecting piece comprises a clamping seat 8 in sliding fit in the mounting groove 401, two fourth through holes 807 are formed in the vertical direction of the clamping seat 8, when the connecting piece is fixed, a screw penetrates through the fourth through holes 807 and is screwed into the panel 4, a first sliding plate 801 in sliding fit in the slot 402 is arranged on the upper side of the clamping seat 8, the first sliding plate 801 is located between the two fourth through holes 807, a second sliding rod 803 in sliding fit in the sliding groove 5 is arranged on one side of the first sliding plate 801, a baffle 805 is arranged on the lower side of the second sliding rod 803, the baffle 805 is located on the lower side of the bottom plate 1, two third through holes 806 are formed in the vertical direction of the baffle 805, when the connecting piece is fixed, the screw penetrates through the third through holes 806 and is screwed into the bottom plate 1, when the screw penetrates through the bottom plate 1 and is screwed into the side plate 3, and the second sliding rod 803 is located between the two third through holes 806. The first sliding plate 801 is provided with a first side plate 802 slidably fitted in the channel 403 on one side, and the second sliding bar 803 is provided with a second side plate 804 slidably fitted in the slot 501 on one side.
The above embodiments may be combined with each other.
It should be noted that the terms "first," "second," and the like in the description and claims of this application and in the drawings described above are used for distinguishing between similar elements and not necessarily for describing a particular sequential or chronological order. It is to be understood that the data so used is interchangeable under appropriate circumstances such that the embodiments of the application described herein are capable of operation in sequences other than those illustrated or described herein.
In the description of the present invention, it should be understood that the directions or positional relationships indicated by the directional terms such as "front, back, upper, lower, left, right", "horizontal, vertical, horizontal" and "top, bottom", etc. are usually based on the directions or positional relationships shown in the drawings, and are only for convenience of description and simplification of the description, and in the case of not making a contrary explanation, these directional terms do not indicate and imply that the device or element referred to must have a specific direction or be constructed and operated in a specific direction, and therefore, should not be construed as limiting the scope of the present invention; the terms "inner and outer" refer to the inner and outer relative to the profile of the respective component itself.

Claims (6)

1. The utility model provides a furniture drawer assembly structure of bending of improvement, the drawer includes panel (4), locates frame and bottom plate (1) of panel (4) one side, and bottom plate (1) are located the downside of frame, a serial communication port, include:
the upper parts of the fixing pieces penetrate through the bottom plate (1) and are embedded in the frame, wherein the lower parts of the fixing pieces are positioned below the bottom plate (1);
two connecting pieces, connecting piece sliding fit are in one side of panel (4), and connecting piece upper portion runs through bottom plate (1) gomphosis in the frame, and wherein, the lower part of connecting piece is located panel (4) and the frame below.
2. The improved bent furniture drawer assembling structure is characterized in that the frame comprises a back plate (2) and two side plates (3), two rectangular grooves are formed in the lower side of the back plate (2), limiting grooves are formed in the lower sides of the side plates (3), and L-shaped grooves (6) corresponding to the rectangular grooves and the limiting grooves are formed in the bottom plate (1) in the vertical direction.
3. The improved bent furniture drawer assembling structure as claimed in claim 2, wherein the fixing member comprises a triangular plate (7), an L-shaped plate (701) is installed on the upper side of the triangular plate (7), the L-shaped plate (701) penetrates through the L-shaped groove (6) and is slidably fitted in the rectangular groove and the limiting groove, a positioning strip (702) is installed on one side of the triangular plate (7), two second through holes (704) are formed in the vertical direction of the triangular plate (7), and two first through holes (703) are formed in the transverse directions of the positioning strip (702) and the L-shaped plate (701).
4. The improved drawer assembling structure for the bent furniture according to claim 2, wherein the corresponding sliding grooves (5) are formed in one side of the bottom plate (1) and one side of the side plate (3), the clamping grooves (501) are formed in two opposite sides of the inner wall of each sliding groove (5), the mounting groove (401) is formed in the lower side of the panel (4), the slot (402) is formed in the upper side of the inner wall of the mounting groove (401), and the channel (403) is formed in two opposite sides of the inner wall of the slot (402).
5. The improved assembly structure of the drawer of the bending furniture according to claim 4, wherein the connecting member comprises a clamping seat (8) which is slidably fitted in the mounting groove (401), two fourth through holes (807) are formed in the clamping seat (8) in the vertical direction, a first sliding plate (801) which is slidably fitted in the slot (402) is arranged on the upper side of the clamping seat (8), a second sliding rod (803) which is slidably fitted in the chute (5) is arranged on one side of the first sliding plate (801), a baffle plate (805) is arranged on the lower side of the second sliding rod (803), and two third through holes (806) are formed in the baffle plate (805) in the vertical direction.
6. An improved structure for assembling a drawer for furniture according to claim 5, wherein the first sliding plate (801) is provided with a first side plate (802) slidably fitted in the channel (403) at one side, and the second sliding bar (803) is provided with a second side plate (804) slidably fitted in the slot (501) at one side.
CN202221389277.4U 2022-06-06 2022-06-06 Improved bending furniture drawer assembling structure Active CN217959339U (en)

Priority Applications (1)

Application Number Priority Date Filing Date Title
CN202221389277.4U CN217959339U (en) 2022-06-06 2022-06-06 Improved bending furniture drawer assembling structure

Applications Claiming Priority (1)

Application Number Priority Date Filing Date Title
CN202221389277.4U CN217959339U (en) 2022-06-06 2022-06-06 Improved bending furniture drawer assembling structure

Publications (1)

Publication Number Publication Date
CN217959339U true CN217959339U (en) 2022-12-06

Family

ID=84270880

Family Applications (1)

Application Number Title Priority Date Filing Date
CN202221389277.4U Active CN217959339U (en) 2022-06-06 2022-06-06 Improved bending furniture drawer assembling structure

Country Status (1)

Country Link
CN (1) CN217959339U (en)

Similar Documents

Publication Publication Date Title
US8864190B2 (en) Structure of slide rail latch for cabinet
CN217959339U (en) Improved bending furniture drawer assembling structure
CN205921844U (en) Outdoor communication equipment cabinet cabinet body
CN102596444A (en) Drawer with two lateral walls and a rear wall
CN108870854B (en) Adjustable bracket component and refrigerator
CN102846096B (en) Integrated detachable top cover structure for refrigeration show case
EP3556249A1 (en) A drawer system
CN203813367U (en) Bottom case for combined outlet box
CN103696524B (en) The four-way syndeton of rack furred ceiling
DE202014104983U1 (en) Toolbox with a positioning device
CN104143769A (en) Electric switch cabinet set body
CN101651185B (en) Battery box and manufacturing method thereof
KR20200000067U (en) Sectional shelf
CN211776731U (en) Quick mounting structure of shower door
CN203088805U (en) Oven and drawer panel thereof
CN202618922U (en) Metal drawer
CN223164813U (en) Inserting sheet connection structure of inserting sheet connection type goods shelf
CN111067272A (en) Thin-edge file cabinet with few seams and good smoothness
CN221381499U (en) Server cabinet convenient to install
CN218526590U (en) Controller mounting box convenient to heat dissipation
CN223661113U (en) A prefabricated movable glass railing
CN210918746U (en) Extension angle sign indicating number
CN205684580U (en) The fastener of a kind of curtain wall panel mounting bar and the diel of installing hole
CN111437418B (en) Disinfection cabinet frame and disinfection cabinet
CN204987285U (en) Off -premises station shells assembly and air conditioner

Legal Events

Date Code Title Description
GR01 Patent grant
GR01 Patent grant